钢结构分部工程验收记录表
- 格式:doc
- 大小:145.50 KB
- 文档页数:6
钢结构零、部件加工工程检验批质量验收记录表
GB50205-2001
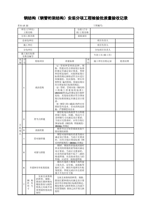
钢构件组装工程检验批质量验收记录表
GB50205—2001
钢结构钢构件焊接分项工程检验批质量验收记录表
GB50205-2001
(Ⅰ)
钢构件预拼装工程检验批质量验收记录表
GB50205-2001
防腐涂料涂装工程检验批质量验收记录表
GB50205-2001
钢结构防火涂料涂装工程检验批质量验收记录表GB50205-2001
高强度螺栓连接工程检验批质量验收记录表
GB50205-2001(II)
压型金属板工程检验批质量验收记录表
GB50205-2001GD2402032 □□
钢结构工程质量控制资料核查表GJ1.7
有关安全及功能检验和见证检测项目检查记录GJ1.8
钢结构工程观感质量检查记录GJ1.9
隐蔽工程检查验收记录
(通用)表格
q隐蔽工程检查验收记录
(通用)表格
隐蔽工程检查验收记录
(通用)表格
隐蔽工程检查验收记录
(通用)表格
隐蔽工程检查验收记录
(通用)表格
隐蔽工程检查验收记录
(通用)表格
隐蔽工程检查验收记录
(通用)表格。
全套钢结构验收资料表格
钢结构基本信息
•项目名称:
•项目地点:
•验收时间:
•结构系统:
•设计单位:
•施工单位:
•验收单位:
材料验收情况
钢材
•钢材型号规格:
•生产厂家:
•出厂证明:
•质保书:
•连接部件:
焊接材料
•焊接材料规格:
•焊接材料批号:
•焊接工艺评定书:
•焊接质量检测报告:
图纸和设计文件
•结构图纸:
•构配件图纸:
•钢结构设计说明书:
•设计变更记录:
•验收结构图纸:
焊接质量资料
•焊口焊缝检查记录:
•焊工技能合格证:
•非破坏性检测报告:
•热处理记录:
钢结构安装验收情况
•安装方案设计:
•质量验收记录:
•安全施工记录:
•吊装方案:
•验收复核表:
结构整体验收情况
•结构表面质量检测报告:
•结构水平检查报告:
•结构垂直度检查报告:
•结构稳定性验收报告:
总结与结论
钢结构验收合格,符合设计要求,可以投入使用。
钢结构是一种重要的建筑材料,因其具有高强度、轻质、耐用等特点,被广泛应用于建筑、桥梁、工业设施等领域。
钢结构子分部工程的质量验收是确保工程质量和安全的重要环节,而验收登记表则是记录验收过程中各项工作的结果和数据,具有重要的法律效力。
本文将从钢结构子分部工程质量验收登记表的内容和编制要求等方面进行详细介绍。
一、验收登记表的内容1. 项目名称:登记表所涉及的具体工程项目的名称。
2. 建设单位:工程的业主或委托单位的名称。
3. 施工单位:承担具体施工任务的公司或个人的名称。
4. 验收日期:对工程质量进行验收的具体日期。
5. 验收人员:参与验收工作的人员尊称及职务。
6. 验收内容:具体包括验收的工程名称、位置、规格型号等信息。
7. 验收结果:主要包括合格、不合格、待定等验收结论。
8. 备注:对验收过程中出现的问题、意见等进行记录。
二、编制要求1. 准确全面:验收登记表应当真实、准确地反映验收过程中的各项内容,不得有遗漏或虚假。
2. 规范统一:验收登记表的格式和内容应当具有一定的规范性和统一性,便于查阅和管理。
3. 签字盖章:验收登记表应当由具有相应资质的人员进行填写,并在表格底部签字盖章,以确保其真实性和合法性。
4. 保存备查:填写完成的验收登记表应当及时存档并备查,以备日后查阅和审计。
三、验收登记表的作用1. 纪实记录:验收登记表是验收过程中主要的纪实记录工具,能够客观真实地记录下工程质量验收的各项内容和结果。
2. 证据依据:验收登记表作为法律文书具有一定的法律效力,可以作为工程质量问题处理、责任追究等方面的重要证据依据。
3. 质量监管:通过定期审核验收登记表,可以及时发现和解决工程质量方面的问题,起到一定的质量监管作用。
4. 法律依据:验收登记表是工程质量验收的主要文件,具有一定的法律约束力,对于维护建筑工程质量和工程安全具有重要意义。
四、相关注意事项1. 编制规范:在编制验收登记表时,应当严格按照相关规范和标准进行,确保其合法、规范。
钢结构隐蔽工程验收记录表正
式版
钢结构隐蔽工程验收记录表,果断收藏了!
隐蔽工程项目检查验收记录汇总表
钢材表面除锈质量级隐蔽工程检查验收记录
零部件矫正成型隐蔽工程检查验收记录
焊前坡口隐蔽工程检查验收记录
焊缝外观质量及焊缝尺寸要求隐蔽工程检查验收记录
高强螺栓连接磨擦面抗滑移系数隐蔽工程检查验收记录
高强度螺栓终拧扭距隐蔽工程检查验收记录
钢柱垂直度隐蔽工程检查验收记录
跨中垂直度隐蔽工程检查验收记录
主体结构整体垂直度隐蔽工程检查验收记录
主体结构整体平面弯曲隐蔽工程检查验收记录
钢结构分部(子分部)工程验收记录(GB50300-2001)表F.0.1
注:除地基基础分部外,勘察单位可不参加。
钢结构分部(子分部)工程验收记录(GB50300-2001)表F.0.1
钢结构分部(子分部)工程验收记录(GB50300-2001)表F.0.1
钢结构分部(子分部)工程验收记录(GB50300-2001)表F.0.1
注:除地基基础分部外,勘察单位可不参加。
钢结构分部(子分部)工程验收记录(GB50300-2001)表F.0.1
注:除地基基础分部外,勘察单位可不参加。
管道(设备)水压试验记录
隐蔽工程质量验收记录表
隐蔽工程质量验收记录表
隐蔽工程验收记录
隐蔽工程验收记录
隐蔽工程验收记录
□□□□□□□□□。
钢结构验收表格(地下工程) 1. 工程基本信息
- 工程名称:
- 工程地点:
- 施工单位:
- 设计单位:
- 工程开始日期:
- 工程竣工日期:
2. 钢结构质量验收
2.1 钢材检验
- 钢材材质:
- 钢材规格:
- 钢材厚度:
- 钢材批次:
- 钢材检验报告:
- 钢材检验合格数量:
2.2 焊接接头检验
- 焊接方法:
- 焊接材料:
- 焊接人员资质:
- 焊接接头构造:
- 焊接接头数量:
- 焊接接头检验报告:
- 焊接接头合格数量:
2.3 钢结构安装
- 钢结构布置图:
- 安装施工图:
- 安装工艺方案:
- 钢结构安装工艺合规性:- 钢结构安装规范:
- 钢结构安装合格数量:
3. 地下工程验收
3.1 地下结构验收
- 地下结构施工质量:- 地下结构平整度:
- 地下结构尺寸准确性:- 地下结构水密性:
- 地下结构通风状况:
3.2 排水系统验收
- 排水系统设计规范:- 排水系统工程质量:- 排水系统排水能力:- 排水系统排水效果:
3.3 其他地下工程验收项
- 离心机组验收:
- 接地系统验收:
- 防腐处理验收:
- 其他:
4. 总结与评价
- 钢结构施工质量总体评价:
- 地下工程施工质量总体评价:
- 提出改进建议:
以上为钢结构验收表格(地下工程)的相关内容,请根据实际情况填写并进行验收。
钢结构工程概况 GJ1.1日期:建设单位深圳市迈超商业运营有限责任公司工程名称深圳市地铁华新站时尚MeGo商业A、B区工程――钢结构工程地址深圳市地铁华新站建筑面积430.64m2结构层次三类钢结构名称(钢结构加层平台工程量)A区219.3m2B区240.9m2总包单位深圳市迈超商业运营有限责任公司项目经理联系电话监理单位总监理工程师联系电话建筑设计单位项目负责人联系电话钢结构设计单位长宇(珠海)国际建筑设计有限公司设计资质甲级证书号码A144019055钢结构设计人员范正执业资格等级一级证号4401905-s004联系电话钢结构施工单位资质等级证书号码分包项目经理资格等级证号联系电话开工日期2016年9月10日竣工日期2016年11月15 附注:复核人:填表人:图纸会审、设计变更、洽商记录 GJ1.2.1工程名称深圳市地铁华新站时尚MeGo商业A、B区工程――钢结构日期2016.9.15日内容:1,公司召开项目图纸会审会议,对现场状态,设计荷载要求等进行了必要的认证。
2,对材料型号、规格、数量、材质及质量等级进行详细的分析。
3,落实具体的实施人及其责任。
4,与甲方现场工程师的对接等。
5,材料进场运输线路与安全事项。
6,质量控制落实。
7,三清退场及注意事项等。
8,施工过程中没有设计变更严格按照设计图纸进行了施工。
施工单位项目经理:专职质检员:技术负责人:建设监理单位总监理工程师:设计单位项目负责人:注:内容填不下者可另加附件,临时变更记录附后。
施工组织设计、施工方案及审批 GJ1.3日期年月日工程名称深圳市地铁华新站时尚MeGo商业A、B区工程――钢结构现报上下表中的技术管理文件,请予以审批类别编制人册数页数施工组织设计施工方案内容附后申报简述:申报部门(分包单位)申报人:审核意见:有无附页总承包单位名称:审核人:审核日期:年月日审批意见:审批结论:同意修改后报重新编制审批部门(单位):审核人:审核日期:年月日注:附施工组织设计、施工方案。