梁板安装技术交底
- 格式:doc
- 大小:28.00 KB
- 文档页数:4
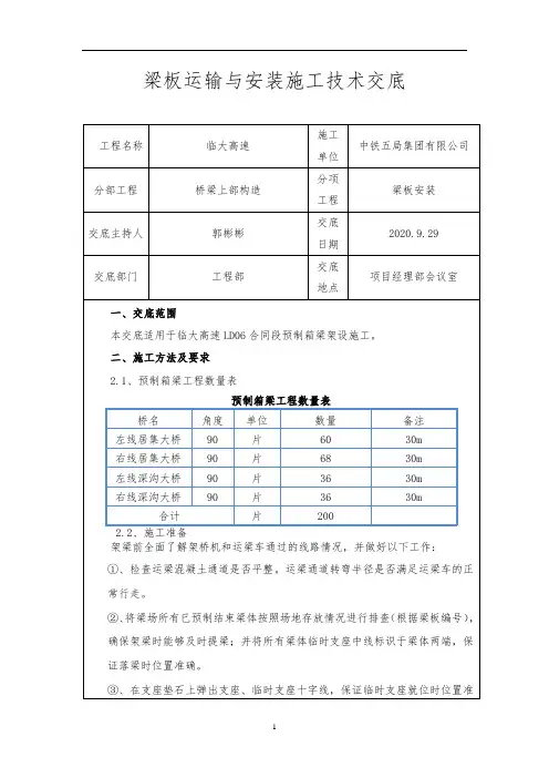
梁板运输与安装施工技术交底
2.5.1、装梁
箱梁按施工顺序进行装车运输,装载工具设备应配齐:枕木、橡胶皮、草垫若干、钢丝绳、手拉葫芦、对讲机。
在装卸车前,必须将龙门架的滚轮
及运输车的车轮前后用三角木支垫好,
以防滚动。
装车时,梁、板的纵向中心
线应与拖车的托架中心严格对中,重心
应落在炮车纵向中心线上,严禁中心偏
位,偏差不得超过10cm。
箱梁必须绑牢、稳定,拖车的托架上应有相应的保护措施,如用橡胶皮包裹或用方木支垫等,以防止梁体损坏。
在梁、板的两侧设置临时支撑以防止梁板倾覆。
并进行检查确保安全以后方可运输出场。
在运梁车上两端承重横梁对应桥梁端头处,在摆好专用运输支架的情况下,利用手拉葫芦和钢丝绳与之收紧连接,捆绑所用钢丝绳直接与桥梁接触的棱角处采用草垫方法保护梁体和捆绑钢丝绳。
2.5.2、运梁
①运梁车运送梁片时,应在运梁车两侧分别由专人护送,预防梁片支撑松动。
运梁车重载速度为5m/min,由专人操作控制动力,行走时由两名专业司机操作,并统一受专业指挥人员指挥。
②梁片支撑应确认可靠方可运梁,随车都应有专人分别看护支撑。
运梁车运梁时,应先试电机制动中是否可靠,去掉止轮器后方可自行。
运梁车停运时,应及时放置止轮器。
运梁时由专人指挥,专人操作,信号应果断、明
确。
装卸梁时,必须等支撑稳固后,才许卸除吊钩。
2.6、喂梁、落梁
2.6.1、喂梁
在运梁车将箱梁运送到位后,架桥机将两台平车滑移到架桥机后支点。
架桥机平车到位后,接除运梁车前支点箱梁支撑杆及手拉葫芦,用钢丝绳穿。
京藏高速公路改扩建工程平罗至四十里店段第JZ9合同段项目经理部安全技术交底记录单位名称贵州省公路工程集团有限公司项目名称京藏9标交底时间交底级别三级具体施工部位接受交底人数作业班组桥梁施工班组作业位置安全技术交底内容梁板安装安全技术交底一、安装工艺梁板由预制场预制好后,由大型平板车运输至安装现场,预制场龙门吊配合人工将梁板装到平板车上,安装由两台吊车配合人工安装。
整个安装施工工艺如下:平整场地、预制板梁的运输、支座安装、预制板梁的安装。
二、本分项工程中存在的危险源危险源和危害因素:高处坠落、物体打击、机械伤害、交通事故。
1、吊装、运输梁板(1)、用龙门吊将梁板往平板车上吊装时、先要检查门吊的钢丝绳,吊钩(表面有裂纹、破口,变形,)的完好情况,然后再开始吊装。
(2)、梁板均采用现有特制的平板伸缩拖车运输。
装运时,应确保中间悬空,梁端用紧绳器锚固。
(3)、平板车在便道上运输时,时速不宜过快,宜控制在5km/h以内。
(4)、拖车沿施工便道运梁,运梁便道必须填平、压实,转弯半径不小于15米。
(5)、平板车拖斗之间必须栓保险绳,检查保险绳连接等装置是否完整和良好。
(6)、重车下坡应缓慢行驶,并应避免紧急刹车。
驶至转弯或险要地段时,应降低车速,同时注意过往的车辆及行人。
(7)、运梁时调查运输路线上挖、填、堆放材料等情况,提前予以清理。
2、架梁(用吊车架设空心板)(1)、吊车站脚吊装处,场地需平整、压实,保证有足够的承载能力;打脚时,要有足够的枕木或钢板铺垫。
(2)、每次吊装前必须认真检查钢丝绳、吊具。
检查钢丝绳是否有损伤,各紧固螺钉是否松动及皮带松紧程度是否适当,轮胎气压是否符合规定。
(3)、两台吊车起吊同一物体时,使两机的臂杆保持一定的距离,在专人统一指挥下,紧密配合,动作要协调一致,要保持同速提升或降落。
(4)、吊车驾驶员和指挥人员应按规定信号、手势进行联系,驾驶员、起重工必须听从指挥人员指挥,不得各行其是。
梁板运输、安装安全技术交底
一、托板、滚筒驳运
1、托板的制作要根据承载力的大小选用材料。
2、托板上要加设垫木,使托板受力均匀。
3、跑道板之间的宽度要小于托板的宽度。
4、滚筒的操作方法要正确,防止手被压伤。
5、上下坡运输要加设溜绳,防止突然快速滑下而造成事故。
6、运输途径场地要整平压实,防止局部松软而使构件产生倾斜。
二、人字扒杆安装:
1、人字扒杆的起重量的起重高度必须满足所安装构件的需要(并有安全余地)。
2、起重滑车必须安放在人字扒杆的交叉中心。
3、缆风绳应设在交叉点处,后缆风绳不少于2根,缆风绳夹角控制在45-60°之间,坡度为2:1。
4、扒杆主杆夹角控制在20°-30°以内,两脚用钢丝绳绊住,扒杆脚下要加枕木或方木,不准垫木板。
5、起吊前对构件要加溜绳,防止构件撞击。
6、缆风绳、卷扬机、地锚等设置要经过验算,并留有一定的安全系数。
7、起重卷扬机须和扒杆脚导向滑车垂直。
8、如需斜吊时,扒杆侧向加设旁风绳,防止扒杆侧翻;但
扒杆的前倾值,不得大于扒杆高度的十分之一。
9、正式起吊前要进行试吊,试吊后对各种部件、地锚、卷扬机(制动)及锁具进行检查,发现问题须进行加固处理后才能正式起吊。
一、工程名称:[请填写工程名称]二、施工单位:[请填写施工单位名称]三、监理单位:[请填写监理单位名称]四、施工期限:[请填写施工期限]五、接受交底班组或员工签名:[请填写签名]一、安全交底目的为确保梁板安设施工过程中的安全,预防事故发生,提高施工人员的安全意识,特进行安全技术交底。
二、安全注意事项1. 人员安全:(1)所有施工人员必须佩戴安全帽,系好帽带,严禁穿硬底鞋及高跟鞋作业。
(2)高处作业人员必须系好安全带,扣好带扣,确保人身安全。
(3)严禁酒后作业,确保作业人员精神状态良好。
2. 施工现场安全:(1)施工现场应设置明显的警示标志,提醒施工人员注意安全。
(2)施工区域应设置安全通道,确保人员通行安全。
(3)施工现场应保持整洁,避免杂物堆积,防止滑倒事故发生。
3. 梁板安设安全:(1)梁板安设前,应检查施工设备、工具及材料是否完好,确保安全可靠。
(2)梁板吊装前,应对吊车、吊索具进行检查,确保其符合安全要求。
(3)梁板吊装过程中,严禁任何人员随梁板起吊,操作人员应配挂安全带。
(4)梁板安设时,应确保梁板与支架、拱架的连接牢固,防止梁板倾覆。
(5)梁板安设过程中,应严格按照施工设计要求进行,确保梁板位置准确。
4. 支架、拱架安全:(1)支架、拱架的立柱应设水平撑和双向斜撑,斜撑的水平夹角以45度为宜。
(2)立柱高度在5m以内时,水平撑不得少于两道;立柱高度超过5m时,水平撑间距不得大于2m,并在两水平撑之间加剪刀撑。
(3)支架、拱架地基处应有排水措施,严禁被水浸泡。
(4)河水中支搭支架应设防冲、撞设施,并应经常检查防冲撞设施和支架状况。
5. 临时支撑安全:(1)安设模板、支架、拱架过程中,应及时架设临时支撑,保持其稳固。
(2)下班前必须将已安装的模板、支架、拱架固定牢固。
三、应急措施1. 发现安全隐患时,应立即停止作业,并及时上报。
2. 发生事故时,应立即启动应急预案,采取有效措施进行救援。
梁板吊装安全技术交底前言在建筑工程中,梁板的吊装是一个重要的环节。
因为梁板的重量较大,因此必须注意安全问题,防止跌落或人员受伤等事故的发生。
为了保证梁板的吊装安全,需要严格遵守相关规定和操作规程,加强施工现场管理,提高施工人员的安全意识,确保施工过程中的安全。
本文将围绕梁板吊装的安全问题进行详细介绍,包括吊装前的准备工作、吊装时的注意事项和吊装后的处理等内容,以期为施工人员提供帮助。
吊装前的准备工作1. 吊装前的检查在梁板吊装前,必须对吊装设备、吊具和吊装绳索进行检查,确保各项设备完好无损,操作正常。
具体包括:•吊装设备的检查:检查吊车的起重量、高度和稳定性是否符合要求;检查起重机和电动葫芦的安装是否牢固,各部位是否完好;检查钢丝绳是否磨损或锈蚀,是否完好无损;检查对吊装设备进行过必要的试验,确认各项指标符合要求。
•吊具和吊装绳索的检查:检查钢丝绳、扣环、钩子等吊装工具是否完好无损;检查吊具的承载能力是否符合要求;检查吊具的长度是否适当,长度的不同会对吊装的稳定性有影响。
2. 吊装前的准备工作在进行梁板吊装前,必须对吊装区域进行检查,确保吊装场地平整、不松软、没有障碍物和流动性物质,才能保证吊装作业的安全。
为了确保施工过程中的安全,需要采取下列预防措施:•常规清扫:对工地区域进行清扫,将松散物体、施工垃圾、尘埃等清除干净。
•防滑措施:由于梁板材质较滑,施工前应该采取适当的防滑措施,如铺设防滑垫等。
•安全线路设置:根据吊装的实际距离,设置安全线路和围栏,站在外边等待指挥或管制。
•员工安全着装:所有参与作业的人员,包括工头、工人和现场管理员等,必须严格按照安全标准进行装备和着装。
3. 组织吊装团队在进行梁板吊装作业前,必须对吊装团队进行组织,确保各项工作有条不紊地进行。
具体包括:•建立指挥系统:由工地管理人员根据吊装现场的实际情况,命令或下达指令,确保梁板吊装工作的顺利进行。
•确定责任人:在吊装现场,必须指定一位专人负责吊装工作的管理和组织,确保吊装工作有条不紊地进行。
梁板安装工程技术交底一、前言梁板安装是建筑工程中比较关键的一步,安装不当会对整个工程产生严重的影响。
本文将从梁板安装的材料、工具、操作流程等方面进行详细交底。
二、梁板安装流程1.确定安装位置在安装梁板前,需要确定梁板的安装位置。
在确定位置时,需要注意以下事项:(1)确定梁板的变形系数,避免安装后出现膨胀、收缩或变形等情况。
(2)注意梁板的重心位置,按照施工要求确定好梁板的重心位置,一般来说,偏心距离要小于工程规范中规定的极限值。
(3)安装位置需要保证平整、水平,避免梁板安装后出现倾斜、摇晃等情况。
2.安装杆件在确定好梁板的安装位置后,需要将梁板与杆件连接。
通常使用的杆件有膨胀螺栓、锚杆、焊接钢筋等。
在连接杆件时,需要注意以下事项:(1)梁板与杆件的连接点需要保持平整、垂直。
(2)梁板与杆件的连接点需要按照设计要求进行布置,通常为等间距或等分布布置。
3.梁板安装在安装杆件后,需要进行梁板的安装。
在梁板安装前,需要进行以下工作:(1)梁板清洁:清洁梁板上的灰尘,油脂,碎屑等杂物,使其净洁,方便安装。
(2)制定吊装方案:根据设计要求,根据梁板的尺寸和重量,制定合理的吊装方案。
在进行梁板安装时,需要注意以下事项:(1)吊装方式:梁板通常使用吊索进行吊装,对于大型梁板,需要使用双吊点吊装。
(2)吊装高度:梁板吊装高度需要保证其不被碰撞、拖拉和磨损,同时也需要注意吊装的高度,避免出现梁板运输时弯曲变形,影响梁板的安装质量。
(3)安装位置:安装梁板时,需要将其安装在预先确定好的位置上,并且需要保证梁板以及梁板之间的连接要素的水平度和垂直度。
三、操作规范在进行梁板安装时,需要遵循以下操作规范:(1)操作人员必须经过岗前培训,了解梁板的材质、用途等方面的知识;(2)操作人员必须穿戴好安全头盔、安全鞋等符合规范的个人防护装备;(3)梁板的吊装要保证吊装过程中贴紧吊点,避免意外脱落导致伤害;(4)梁板的安装过程中需要配备专门的监控人员,负责协助操作人员完成安装。
梁板架设技术交底技术交底记录桥机后端,用后提升小车起吊预制梁配合运梁车作为配重,以钢丝绳刚刚受力为宜。
然后用横移轨挂具将前支横移轨道与前支腿横梁固定,启动前支腿和后托轮油缸,收起前后支腿,使底部悬空,准备过孔。
启动中托上层轮箱及运梁车,架桥机及运梁车向前运行15米停下,收起后托轮千斤顶,调整后支腿高度,使后支腿支撑在桥面上,缩回后托轮千斤顶,后托轮与主梁脱离,前提升小车吊起后托轮前移15米,启动后托轮千斤顶液压系统,收起后支腿,主梁支撑在后托轮上,前提升小车返回架桥机后部。
再次启动中托上层轮箱与运梁车,架桥机与运梁车向前运行,当前支腿即将搭上前端盖梁时停下,通过降低后托轮高度及收紧后提升小车钢丝绳来调整前支腿高低,当前支腿高于盖梁时,架桥机继续前行,前支腿到位后停下。
将前支横移轨道放下,调平垫实并支顶前支腿,卸去配重梁,启动前支液压系统调整架桥机纵向水平度,穿入承重销轴使前支进入工作状态,缩回后托轮千斤顶,后托轮与主梁脱离,联接中托与主梁螺栓,对架桥机进行全面检查,消除安全隐患,并进行空载试验,检查运行机构及起升机构的各项性能,一切顺利后,架桥机进入架桥状态。
3、梁板的运输梁板由轮胎式运梁车运梁,运梁车分头部和尾部车二大部分,头部车是主动车,尾部车被动车,在头部车的牵引下前进,将运梁车先开到存梁场的龙门吊下,用龙门吊将梁吊起放到运梁车上,梁的一端放在头部车上,另一端放到尾部车上。
在每一端都有二个侧斜撑和二个手拉葫芦,把梁固定在运梁车上。
将运梁车开到架桥机二个导梁之间,尾部车停靠在架桥机中部平车位置。
4、梁板的就位将前端纵移平车移到运梁车尾部车端的正上方,用吊钩把此端的梁吊起,将运梁车尾部开走,用纵移平车将梁向前移,运梁车头部车随纵移平车移动而移动,当运梁车的头部车的梁端到后端纵移平车的正下方时,停止纵移平车。
用吊钩将头部车的梁端吊起,吊到水平为止,启用联机功能,让二台纵移平车同时向前移动,移动至待架桥墩之间,二个吊钩同时下落,下落到与梁座有20cm左右停下,然后利用架桥机的横移和二个小天车的横移将梁落在待架梁座上方,落吊钩,利用点动横移和点动纵移按要求把梁放到梁板临时支座上,保证梁的底座十字中心线与梁座的十字中心线重合,梁垂直于梁座,并检查梁板顶面高程、倾斜度、梁底与支座的密贴情况,如有不妥处,立即进行调整,待调整完成后放下吊钩,将架桥机横移到原先喂梁位置,二台纵移平车开到尾部,进行下一片梁的吊装。
地下室顶板、梁模板安装拆除安全技术交底范文地下室顶板、梁模板安装拆除是地下室工程施工中非常重要的环节之一,安全技术交底对保证施工的安全质量具有非常重要的作用。
下面是一份地下室顶板、梁模板安装拆除安全技术交底的范文,供参考。
一、施工原则1. 严格按照相关施工规范和标准进行操作,确保施工的安全可靠。
2. 坚持安全第一的原则,严格遵守安全操作规程,做到预防为主,安全施工。
3. 加强施工现场管理,保证作业人员的安全,并做好施工区域的标识和警示。
二、安全交底内容2.1. 顶板、梁模板安装前的准备工作1. 检查模板材料的数量和质量,确保模板材料符合设计要求。
2. 检查场地平整度,清理施工现场,确保施工区域无杂物。
3. 安装脚手架和临时通道,确保施工人员的安全通行和操作的便利。
4. 准备好必要的施工工具和设备。
2.2. 操作规程1. 在安装梁模板前,必须对梁的质量进行检查,确保梁满足设计要求。
2. 安装梁模板之前,必须确定模板安装位置和水平度。
3. 在安装模板时,要严格按照设计要求和施工规范进行操作,确保模板的安装牢固可靠。
4. 安装模板时,要确保模板四个角点稳固,并用水平仪检测水平度。
5. 梁模板安装完毕后,要进行验收,并及时进行记录。
2.3. 安全防范措施1. 施工区域要设立警示标志,警示标识清晰可见。
2. 施工现场应设置警戒线,并有专人负责监督警戒线内的施工。
3. 严禁施工人员在模板上行走,严禁超载。
4. 所有施工人员应佩戴安全帽和安全鞋,并做好个人防护。
5. 施工过程中,要定期检查模板的使用情况,及时发现问题并处理。
6. 在进行拆除工作时,要先进行安全评估,并采取相应的安全措施。
三、事故案例分析与应急处理1. 定期组织安全教育培训,提高施工人员的安全意识与事故应急处理能力。
2. 针对可能发生的事故案例,进行解析和分析,总结教训,强化安全防范意识。
3. 制定应急处理方案,对各类事故进行分类,并明确每一类事故的应急处理措施。
一、交底对象参与本次梁板安装施工的全体人员。
二、交底时间[具体日期] [具体时间]三、交底内容1. 梁板安装工程概况(1)工程名称:[工程名称](2)工程地点:[工程地点](3)工程规模:[工程规模]2. 梁板安装技术要求(1)梁板尺寸及标高要求:[具体尺寸及标高要求](2)梁板材质要求:[具体材质要求](3)梁板安装顺序及注意事项:[具体安装顺序及注意事项]3. 安全注意事项(1)个人防护用品:施工人员必须佩戴安全帽、安全带、防尘口罩、手套等个人防护用品。
(2)安全通道:施工过程中,确保现场安全通道畅通,不得堆放杂物。
(3)高处作业:高处作业人员必须系好安全带,并配备防坠器。
施工平台、脚手架等设施必须符合安全要求。
(4)机械设备:操作机械设备前,必须检查设备状态,确保设备正常运行。
设备操作人员必须具备相应的操作资格证书。
(5)电气安全:施工现场必须严格遵守电气安全规程,禁止私拉乱接电线,禁止在潮湿环境中操作电气设备。
4. 质量控制要求(1)梁板安装前,必须检查梁板质量,确保无裂纹、变形等缺陷。
(2)梁板安装过程中,严格控制梁板间距,确保安装牢固。
(3)梁板安装后,检查梁板平整度、垂直度,确保符合设计要求。
5. 应急措施(1)施工现场发生安全事故时,立即停止施工,组织人员撤离危险区域。
(2)及时报警,拨打急救电话,并采取相应的救援措施。
(3)事故调查:事故发生后,及时进行调查,分析事故原因,制定整改措施。
四、交底要求1. 施工人员应认真听取交底内容,并做好记录。
2. 施工过程中,严格遵守安全技术交底要求,确保施工安全。
3. 施工负责人应对施工人员进行安全技术交底,确保施工人员掌握安全知识。
4. 施工单位应定期对施工人员进行安全技术培训,提高施工人员的安全意识。
五、交底负责人[交底负责人姓名][单位名称][联系电话][日期]备注:本安全技术交底内容仅供参考,具体施工过程中,应根据实际情况进行调整。
一、工程名称:____________________二、交底日期:____________________三、施工单位:____________________四、施工负责人:____________________五、参与人员:____________________一、安全交底目的为确保吊车梁板吊装作业过程中的安全,提高作业人员的安全意识,预防事故发生,特进行安全技术交底。
二、安全注意事项1. 作业人员必须经过专业培训,取得相关操作证,方可参与吊装作业。
2. 作业前,应对吊车、吊具、索具进行全面检查,确保其完好无损。
3. 吊装作业现场应设置警戒区域,明确警示标志,禁止无关人员进入。
4. 吊装过程中,应保持吊车与吊装物体之间的安全距离,防止碰撞。
5. 吊装物体在吊装过程中,不得长时间悬空,以免发生意外。
6. 吊装过程中,应确保吊车、吊具、索具的受力均匀,防止因受力不均导致物体倾倒或吊具断裂。
7. 吊装过程中,如遇突发情况,应立即停止作业,并采取有效措施,确保人员和设备安全。
三、操作规程1. 吊装前,作业人员应穿戴好个人防护用品,如安全帽、安全带、防滑鞋等。
2. 吊装前,应检查吊车、吊具、索具的完好性,确保其符合吊装要求。
3. 吊装过程中,操作人员应严格按照吊装方案执行,不得擅自更改。
4. 吊装过程中,指挥人员应确保信号准确、清晰,操作人员应准确无误地执行。
5. 吊装过程中,作业人员应密切观察吊车、吊具、索具的运行状态,发现异常情况应立即报告。
6. 吊装完成后,作业人员应将吊车、吊具、索具恢复到原位,确保现场整洁。
四、应急措施1. 如遇吊装物体倾倒或吊具断裂等紧急情况,应立即停止作业,确保人员和设备安全。
2. 如遇吊车、吊具、索具损坏,应立即通知相关部门进行处理。
3. 如遇人员受伤,应立即进行现场急救,并迅速拨打急救电话。
五、交底记录1. 交底人:____________________2. 被交底人:____________________3. 日期:____________________本安全技术交底内容为吊车梁板吊装作业的参考模板,具体作业时应根据实际情况进行调整。
一、交底目的为确保梁板起重吊装作业的安全顺利进行,避免事故发生,特对参与本次作业的所有人员进行安全技术交底。
二、交底对象参与梁板起重吊装作业的所有人员,包括操作人员、指挥人员、安全监督人员等。
三、交底内容1. 作业前的准备工作- 作业前,项目部必须对作业人员进行安全技术交底,确保所有人员了解作业内容、安全注意事项和操作规程。
- 特种作业人员必须持证上岗,非特种作业人员应经过安全培训,具备必要的安全知识和技能。
2. 作业现场安全要求- 确保作业现场环境安全,道路畅通,架空电线、建筑物等设施无安全隐患。
- 作业区域设置明显的警示标志,并采取隔离措施,防止无关人员进入作业区域。
- 提供足够的工作场地,清除或避开起重臂起落及回转半径内的障碍物。
3. 起重机械安全操作- 操作人员应严格按照起重机操作规程进行操作,不得超载、斜拉、斜吊。
- 定期对起重机进行检查、维护,确保其处于良好的工作状态。
- 吊装过程中,操作人员应密切注意起重机的稳定性,防止倾覆。
4. 吊索具及钢丝绳安全要求- 使用合格的吊索具和钢丝绳,定期进行检查,发现破损、磨损等情况应及时更换。
- 吊索的水平夹角大于45度,吊挂绳间夹角小于120度。
- 使用卡环时,严禁卡环侧向受力,起吊前必须检查封闭销是否拧紧。
5. 操作人员安全要求- 操作人员应穿戴符合安全要求的个人防护用品,如安全帽、防护手套、防护鞋等。
- 作业过程中,操作人员应集中精力,不得吸烟、吃东西、闲聊、玩笑、打闹。
- 操作人员应随时注意起重机的旋转、行走和重物状况,发现异常情况立即报告。
6. 指挥人员安全要求- 指挥人员必须持证上岗,具备丰富的起重吊装经验。
- 指挥时应站在能够照顾到全面工作的地点,所发信号应事先统一,并做到准确、宏亮和清楚。
- 指挥人员应与操作人员密切配合,执行规定的指挥信号,不得违章指挥。
7. 安全监督- 作业过程中,安全监督人员应全程监督,及时发现并纠正安全隐患。
梁板安装安全技术交底1. 前言近年来,建筑行业发展迅速,大量的建筑工程在如火如荼地进行着,其中梁板的安装是一个非常重要的环节。
为了确保工程的质量和工人的安全,我们需要对梁板安装的安全技术进行充分交底。
2. 梁板安装前的准备工作在进行梁板安装之前,需要做好以下准备工作:2.1 现场环境在梁板安装的现场,必须保持干净、整洁、有序,以便于工作的顺利进行。
同时,需要进行现场勘测,确定安装位置、高度、角度等参数,并对现场环境进行评估,确保安装车辆、人员、机械设备等的通行均顺畅。
2.2 材料准备在进行梁板安装之前,需要检查梁板的质量和规格是否符合要求,并确定使用的吊装工具、安装工具、防护设备等是否完好,并做好材料的存放和保管工作。
2.3 人员安排在安装梁板的现场,必须安排专业的技术人员和施工人员。
技术人员需要具备梁板安装的相关知识和经验,能够指导施工人员进行操作。
而施工人员需要经过严格的培训和考核,确保其具备相关的安全技能和操作技能。
2.4 安全措施在进行梁板安装之前,需要制定相关的安全措施,包括安全操作规程、安全防护措施、应急预案等,确保施工人员在操作过程中安全可控。
3. 梁板安装的具体操作流程3.1 吊车选型与配置在进行梁板安装前,需要选定合适的吊车,并进行配置。
需要考虑吊车的承载能力、吊臂长度、平衡能力、稳定性等因素,并根据梁板的重量、长度、形状等因素确定钩具和吊点的位置。
3.2 吊装梁板在吊装梁板时,需要严格按照操作规程和安全要求进行操作。
施工人员必须检查吊缆、挂索等吊装工具是否使用正确、牢固,并做好稳定和平衡工作,以保证梁板在吊装过程中不发生倾斜、晃动等问题。
3.3 定位梁板在将梁板吊装到预定位置后,需要进行定位,确保其位置准确、平稳。
施工人员需要使用专业的定位工具,以便于进行位置微调和角度校正等操作。
3.4 固定梁板在定位梁板后,需要对梁板进行固定,以确保其不会因为风吹、雨淋等因素发生倾斜、变形等问题。
预制结构柱、梁、板模板安装技术交底
一、简介
本文档旨在交底预制结构柱、梁、板模板的安装技术要点和注意事项。
二、安装准备
1. 在施工前,确保模板的材料和质量符合相关标准要求。
2. 工地现场应进行平整处理,确保安装基础牢固可靠。
三、模板安装步骤
1. 根据设计图纸和标高要求,选取合适的模板进行安装。
2. 首先安装柱(或墙)板模板,在地面上进行调整和拼装。
3. 安装梁板模板时,确保与柱(或墙)板模板连接严密,防止渗漏。
4. 安装板模板时,要注意板与板之间的接缝,确保连接紧密。
5. 安装好模板后,进行适当的支撑和固定,保持稳定性。
四、质量控制
1. 在安装过程中,及时测量和调整模板的尺寸和位置,保证准确性。
2. 检查模板的固定情况,确保其稳定可靠。
3. 严禁在模板上进行冲击、堆放重物等可能损坏模板的行为。
五、安全措施
1. 在进行模板安装时,必须佩戴好安全帽和安全鞋,并遵守现场安全规定。
2. 模板的搬运和拆卸要注意操作正确,避免意外伤害。
3. 高空作业时,必须使用安全绳索和安全带,确保人员安全。
六、清理和保养
1. 完成模板安装后,及时清理施工现场,确保安全整洁。
2. 模板在使用后应妥善保管,避免损坏和丢失。
3. 定期检查模板的状态,并进行维护保养,延长使用寿命。
以上是预制结构柱、梁、板模板安装的技术交底内容。
请施工人员按照要求进行操作,确保安全和质量。
如有疑问,请随时与相关负责人联系。
T梁安装施工技术交底一、预制梁的吊装架桥机配件运抵工地后,及时组织厂家、技术管理人员、工班熟悉桥机构造,读懂图纸后及时组织拼装。
经过组拼、试吊、验收后架桥机即可架梁。
架桥机过孔后,开始架梁工作。
出梁采用2台80t龙门吊起吊、2台炮车运输、喂梁。
吊装工序如下:(1)准备工作在实施T梁吊装前,T梁张拉、压浆完成后且达到设计强度的100%,及相应墩、台的砼强度必须达到设计强度的100%,经现场技术员及监理检查合格后方可进行T梁的安装工作。
安装前准备工作:①检查构件外形尺寸、预埋件尺寸、位置。
关于T梁的外形尺寸,在T 梁预制时已强调,但在吊装前必须逐一检查,特别是梁的长度和翼板宽度、翼板钢筋长度等,同时,用回弹仪现场实测T梁的回弹强度.只有在后场检查后发现问题可来得及处理,只有合格的构件才能安装。
②检查支座相应尺寸和受力性能。
③安装前,组织专业人员对架桥机、滑车、扒杆、葫芦、电机、千斤顶、运梁车各部位(轮胎气压、轮胎外壳等)、架桥机的卷扬机钢丝绳、销子以及各部位的润滑情况等进行逐项检查。
梁板安装前,必须出具架桥机的说明书和检定合格证书.④提前做好临时支座。
临时支座采用混凝土块,混凝土块必须振捣密实并充分保湿养护。
另外,吊装孔处T梁底板有预埋钢板,为防止钢板损害钢丝绳,用1cm钢板(30cm×30cm)高温弯折成90度,兜在T梁底板,保护吊梁钢丝绳不受损伤。
⑤安装前,测量人员在桥墩、桥台上按照设计要求将所有T梁的纵横向位置测出,用红油漆将其中心线标出,然后按设计要求安装支座。
⑥支座的安装:根据设计图纸要求,杭瑞大思16标各桥梁支座类型如下:中支点采用GJZ板式橡胶支座(600×650×110mm),边支点采用GJZF4聚四氟乙烯滑板板式橡胶支座(400×450×86mm),详见各桥梁设计图。
一般板式橡胶支座的安装要求(GJZ):①安装支座前应将支座垫石处清理干净,用干硬性水泥砂浆抹平,并使其顶面标高符合设计要求。
一、交底目的为确保梁板分离搭设施工过程中的安全,防止安全事故发生,现将梁板分离搭设安全技术交底如下,请所有参与施工人员认真学习并严格执行。
二、交底内容1. 施工人员要求(1)施工人员必须经过专业培训,具备相应的操作技能和安全意识。
(2)施工人员应熟悉本工种的安全操作规程,掌握安全防护知识。
(3)施工人员必须穿戴好个人防护用品,如安全帽、工作服、安全鞋等。
2. 施工现场布置(1)施工现场应设立明显的警示标志,划分安全区域。
(2)施工材料、设备应按顺序堆放,不得随意摆放。
(3)施工现场应保持整洁,通道畅通,确保施工人员通行安全。
3. 梁板分离搭设施工安全措施(1)搭设前,对搭设区域进行清理,确保地面平整、坚实。
(2)搭设过程中,严格按照施工图纸和搭设方案进行,确保梁板分离搭设的准确性。
(3)搭设过程中,注意检查搭设材料的完好性,发现损坏应及时更换。
(4)搭设过程中,注意检查搭设结构的稳定性,发现异常及时加固。
(5)搭设过程中,施工人员应相互配合,确保施工安全。
4. 人员安全防护措施(1)高空作业人员必须佩戴安全带,并系牢。
(2)施工人员应严格遵守操作规程,不得违规操作。
(3)施工现场应配备必要的安全防护设施,如安全网、防护栏杆等。
(4)施工人员应定期进行安全教育培训,提高安全意识。
5. 应急措施(1)施工现场应配备必要的应急救援设备,如急救箱、消防器材等。
(2)施工现场应制定应急预案,明确应急处理流程。
(3)发生安全事故时,应立即启动应急预案,采取有效措施进行处置。
三、交底要求1. 施工人员应认真学习本安全技术交底内容,确保掌握各项安全操作规程。
2. 施工过程中,施工人员应严格遵守安全技术交底要求,确保施工安全。
3. 施工单位应定期对施工现场进行检查,确保各项安全措施落实到位。
4. 施工单位应加强对施工人员的培训,提高安全意识和操作技能。
四、交底时间[填写交底时间]五、交底人[填写交底人姓名及职务]六、接受人[填写接受人姓名及职务][注:本模板仅供参考,具体内容可根据实际情况进行调整。