砌筑工实操考核试题
- 格式:docx
- 大小:13.17 KB
- 文档页数:3
根据砌筑工操作考试试题A卷及答案一、选择题1. 砌筑工操作标准中最重要的原则是什么?A. 安全第一B. 提高效率C. 减少成本D. 节约材料答案:A2. 下面哪种砌筑材料通常用于建筑外墙?A. 砖B. 水泥C. 石头D. 木材答案:A3. 砖砌墙时,应注意以下哪项工作?A. 砖与砖之间留有缝隙B. 砖之间不需留缝C. 砖与砖之间必须紧凑排列D. 任意排列皆可答案:C4. 砌筑墙体时,应注意以下哪项施工原则?A. 垂直度和水平度无需严格控制B. 墙体整体外形视具体情况而定C. 墙体必须保持垂直度和水平度D. 外形与垂直度、水平度无关答案:C5. 砌筑墙体时,以下哪种工具是必备的?A. 铁触手B. 水平仪C. 手摇刨D. 起重机答案:B二、填空题1. 砖与砖之间呈_____排列。
答案:竖向2. 砌筑工操作要确保墙体的_____和_____。
答案:垂直度、水平度3. 砌筑墙体时要保证砖与砖之间的____。
答案:粘结质量4. 砌筑工要掌握好_____和_____。
答案:砌筑材料的测量、切割方法5. 在砌筑工操作中,_____是最重要的原则。
答案:安全第一三、简答题1. 简述砌筑工操作中控制墙体垂直度和水平度的方法。
答:在砌筑墙体过程中,可以使用水平仪进行测量和调整,确保墙体的垂直度和水平度。
同时,还可以使用铁触手等工具进行检查和调整。
2. 简述砌筑墙体时需要注意的几个施工原则。
答:在砌筑墙体时,需要注意以下几个施工原则:- 墙体必须保持垂直度和水平度,以确保墙体的整体稳定和美观。
- 砖与砖之间必须紧凑排列,确保墙体的强度和密实度。
- 砖与砖之间需要留有适当的缝隙,以便排水和调整。
- 砌筑材料的测量和切割方法要掌握好,以保证施工质量和效率。
四、解答题1. 砌筑墙体时,为什么要保证砖与砖之间的粘结质量?答:砖与砖之间的粘结质量是保证墙体稳定性和强度的关键。
如果砖与砖之间的粘结质量不好,墙体容易出现裂缝和松动现象,影响墙体的整体稳定性和承重能力。
中级砌筑工考试题及答案一、单项选择题(每题2分,共10题,共20分)1. 砌筑工程中,砌体的水平灰缝厚度一般为多少?A. 10mmB. 20mmC. 30mmD. 40mm答案:B2. 砌筑砂浆的强度等级一般分为哪几类?A. M2.5、M5、M7.5B. M5、M10、M15C. M7.5、M10、M15D. M10、M20、M30答案:B3. 砌筑工程中,砖的尺寸偏差应控制在多少范围内?A. ±2mmB. ±3mmC. ±4mmD. ±5mm答案:C4. 砌筑墙体时,砖的错缝搭接长度应不小于多少?A. 1/4砖长B. 1/3砖长C. 1/2砖长D. 2/3砖长5. 砌筑工程中,砌筑砂浆的稠度应控制在多少范围内?A. 50-70mmB. 70-90mmC. 90-110mmD. 110-130mm答案:C6. 砌筑工程中,砌筑砖墙的垂直度允许偏差为多少?A. ±5mmB. ±8mmC. ±10mmD. ±12mm答案:C7. 砌筑工程中,砌筑砖墙的水平度允许偏差为多少?A. ±5mmB. ±8mmC. ±10mmD. ±12mm答案:B8. 砌筑工程中,砌筑砖墙的平整度允许偏差为多少?A. ±5mmB. ±8mmC. ±10mmD. ±12mm答案:A9. 砌筑工程中,砌筑砖墙的门窗洞口尺寸允许偏差为多少?B. ±15mmC. ±20mmD. ±25mm答案:B10. 砌筑工程中,砌筑砖墙的砌筑高度应控制在多少米以内?A. 3.5mB. 4.0mC. 4.5mD. 5.0m答案:B二、多项选择题(每题3分,共5题,共15分)1. 砌筑工程中,下列哪些因素会影响砌筑砂浆的强度?A. 水泥品种B. 水泥用量C. 砂的粒度D. 搅拌时间答案:ABCD2. 砌筑工程中,下列哪些措施可以提高砌筑质量?A. 使用合格的砌筑材料B. 严格控制砌筑砂浆的稠度C. 保持砌筑环境的干燥D. 定期进行砌筑质量检查答案:ABCD3. 砌筑工程中,下列哪些因素会影响砌筑砖墙的稳定性?A. 砖的尺寸偏差B. 砌筑砂浆的强度C. 砌筑砖墙的垂直度D. 砌筑砖墙的平整度答案:ABC4. 砌筑工程中,下列哪些因素会影响砌筑砖墙的耐久性?A. 砖的吸水率B. 砌筑砂浆的保水性C. 砌筑砖墙的密实度D. 砌筑砖墙的抗渗性答案:ABCD5. 砌筑工程中,下列哪些措施可以提高砌筑砖墙的抗渗性?A. 使用抗渗性能好的砖B. 严格控制砌筑砂浆的稠度C. 保持砌筑砖墙的密实度D. 采用防水砂浆答案:ABCD三、判断题(每题1分,共10题,共10分)1. 砌筑工程中,砌筑砂浆的稠度越小越好。
砌筑工程施工题库一、选择题1. 以下哪种材料不属于砌筑砂浆的原材料?A. 水泥B. 砂C. 煤渣D. 加水2. 常见的普通粘土砖的尺寸为?A. 240mm × 115mm × 53mmB. 200mm × 100mm × 50mmC. 190mm × 90mm × 50mmD. 175mm × 140mm × 90mm3. 烧结多孔砖的规格型号为?A. 290mm × 240mm × 180mmB. 175mm × 140mm × 90mmC. 240mm × 115mm × 53mmD. 200mm × 100mm × 50mm4. 以下哪种砌体工程属于配筋砌体工程?A. 砖砌体工程B. 混凝土小型空心砌块砌体工程C. 框架填充墙施工D. 配筋混凝土梁板砌体工程5. 砌筑砂浆的强度等级分为几个等级?A. 5个等级B. 6个等级C. 7个等级D. 8个等级二、判断题1. 砌筑砂浆的塑性和保水性较差,但能够在潮湿环境中硬化,一般多用于含水量较大的地基土中的地下砌体。
()2. 烧结空心砖的外形为矩形体,在与砂浆的接合面上设有增加结合力的深度1mm以上的凹线槽。
()3. 砌筑时必须遵守“反砌”原则,使砌块底面向上砌筑。
上下皮应对孔错缝搭砌。
()4. 水平灰缝应平直、砂浆饱满,按净面积计算的饱满度不应低于90%。
竖向灰缝应采用加浆方法使其砂浆饱满,严禁用水冲浆灌缝。
()5. 砌体工程施工的安全技术要求包括操作环境检查、脚手架安全、垂直运输安全、砌筑操作安全等。
()三、简答题1. 请简述砌筑砂浆的用途和特点。
2. 请列举三种常见的砌体工程,并简要介绍其施工工艺。
3. 请简述砌筑工程施工中的安全技术要求。
四、案例分析题某建筑工程,主体结构为混凝土框架结构,墙体采用蒸压加气混凝土砌块和蒸压灰砂砖砌块。
2023年-2024年砌筑工职业技能考试题库(含答案)一、单选题1.《中华人民共和国环境保护法》中所称环境,是指影响人类生存和()的各种天然的和经过人工改造的自然因素的总体。
A、生活B、发展C、生产D、劳动参考答案:B2.深入施工现场,调查研究掌握第一手资料,积极主动为基层单位服务,为项目服务,急基层单位和工程项目之所急的人员是()。
A、施工作业人员B、技术人员C、监理人员D、管理人员参考答案:D3.质量密度为700kg/m3、强度等级为MU5的加气混凝土砌块,用于横墙承重的建筑时,其层数不得超过(),总高度不超过()。
A、三层;10mB、四层;13mC、五层;16mD、六层;19m参考答案:C4.下面不属于"三宝"的是()。
A、安全带B、安全帽C、安全网D、安全手套参考答案:D5.一砖墙、一砖半墙的构造尺寸为()和()。
A、180mm,240mmB、240mm,365mmC、240mm,370mmD、370mm,240mm参考答案:B6.参与投标时,从企业实际出发,以合理的价格工期进行投标,在施工中,严格执行施工程序、技术规范,操作规程和质量安全标准,绝不()。
A、培育新人B、弄虚作假C、欺下瞒上D、以身作则参考答案:B7.用经纬仪检查墙角垂直度时,应照准()转动竖向度盘来检查每层或几层墙大角的垂直度。
A、墙体轴线B、墙体中心线C、墙体外边D、墙角参考答案:D8.蒸压加气混凝土砌块在运输、装卸过程中,严禁抛掷和倾倒。
进场后应按品种、规格分别堆放整齐,堆置高度不应超过(),并应采取措施,防止雨淋。
A、1.5mB、1.8mC、2mD、2.5m参考答案:C9.砌体结构墙体间的拉结与加强措施中,当未设置构造柱时,对于地震设防烈度为7度且层高超过3.6m或长度大于7.2m的开间较大的房间外墙转角及内、外墙交接处,以及对于地震设防烈度为8、9度的房屋外墙转角及内、外墙交接处,均应沿墙高每隔500mm配置()拉结筋,并伸入墙内不宜小于1m。
砌筑工培训考试试题一、对错题1.空斗墙的空斗内要填砂浆。
2.檐口瓦挑出檐口不小于50mm。
3.劳动定额可分为时间定额和产量定额。
4.砖砌体每层的垂直度允许偏差为5mm5.脚手架的承载力都是7.2KPA。
6.砌筑出檐墙时,应先砌墙角后砌墙身。
7.力的三要素是指力的大小、方向和作用点8.地震区可以承受供壳砖砌屋面9.简洁工业炉灶砌筑砂浆的强度等级一般不小于M510.根底放线施工又轴线把握、根底标高侧定,把轴线和标高引入根底这三项工作。
11.小青瓦铺设,一般要求外面不小于瓦长得2/312 砌弧形墙的弧度较小出可承受全丁砌筑法,在弧度急转弯地方也可承受丁顺穿插的砌法.13.墙体在房屋建筑中的作用主要起承重作用、维护作用、分隔作用.14.墙体高度超到达12m时,必需搭设脚手架.15.砌根底大放脚的瘦腿。
应遵循“退后压顶〕的原则,宜采用”一顺一丁“的砌法.16.施工定额是向班组签发施工任务书的依据.17.一般在脚手架推砖,不得超过五码.18.伸缩缝是防止房屋受温度影响而产生不规章裂缝所预设的缝隙.19.用抗震缝把房屋分层假设干个体型简洁,具有均匀刚度的封闭单元,使各个单元独立抗震力量优于整个房屋共同的抗震力量。
20 用钢筋砼建筑的根底是刚性根底.21.空斗墙作填充墙时,与框架拉结筋的连接处以及预埋件要砌成实心墙.22.比例尺是刻有部砼比例的三菱支尺,又称三菱尺.23.多层建筑的轴线应由施工层的下一层引测到施工层.24.构造柱可以增加房屋的竖向整体刚度.25.黏土砖的等级是由抗压强度和抗折强度打算的.26.国标规定:对你的初凝期不早于45 分钟,终凝期不少于12 小时.27.房屋建筑的主要承重局部是根底、墙、柱、梁、楼板、屋架.28.视平线是否水平是更具水准管得气泡是否居中来推断. 对29.为节约材料砌空斗墙时刻用单排脚手架.30.多孔板用砼堵头是为了提高该处的抗压强度.31.铺砌地面砖时,砂浆协作比1:2.5 是体积比.32.加气砼砌块应提前一天浇水潮湿.33.质量治理的目的是在于以最低的本钱在既定的工期内产生出用户满足的产品。
砌筑工程考试题及答案一、单项选择题(每题2分,共10题)1. 砌筑工程中常用的砌筑材料不包括以下哪一项?A. 砖B. 石C. 混凝土砌块D. 木材答案:D2. 砌筑工程中,砖砌体的砌筑方式不包括以下哪一项?A. 一顺一丁B. 两顺一丁C. 梅花丁D. 十字交叉答案:D3. 砌筑工程中,砌筑砂浆的强度等级通常分为几个等级?A. 5个B. 6个C. 7个D. 8个答案:B4. 砌筑工程中,砖砌体的垂直度允许偏差是多少?A. ±5mmB. ±10mmC. ±15mmD. ±20mm答案:B5. 砌筑工程中,砖砌体的水平灰缝厚度一般是多少?A. 8-12mmB. 10-15mmC. 12-18mmD. 15-20mm答案:C6. 砌筑工程中,砖砌体的砌筑顺序应该是?A. 从下往上B. 从上往下C. 从中间向两边D. 从两边向中间答案:A7. 砌筑工程中,砖砌体的砌筑过程中,以下哪一项是正确的?A. 可以随意切割砖块B. 必须使用切割机切割砖块C. 可以使用手工工具切割砖块D. 不允许切割砖块答案:C8. 砌筑工程中,砖砌体的砌筑完成后,需要进行的下一步工作是什么?A. 立即进行抹灰B. 进行砌体养护C. 进行砌体检查D. 立即进行下一层砌筑答案:B9. 砌筑工程中,砖砌体的砌筑过程中,以下哪一项是不允许的?A. 使用过期的砂浆B. 使用不合格的砖块C. 使用不合格的砂浆D. 所有选项都不允许答案:D10. 砌筑工程中,砖砌体的砌筑完成后,需要进行的检查项目不包括以下哪一项?A. 垂直度B. 水平度C. 灰缝厚度D. 砌体颜色答案:D二、多项选择题(每题3分,共5题)1. 砌筑工程中,影响砌筑质量的因素包括以下哪些?A. 材料质量B. 施工工艺C. 施工环境D. 施工人员的技术水平答案:ABCD2. 砌筑工程中,砖砌体的砌筑过程中,以下哪些是正确的做法?A. 保持砖块湿润B. 严格控制砂浆的稠度C. 及时清理砌体表面的砂浆D. 砌筑完成后立即进行抹灰答案:ABC3. 砌筑工程中,砌筑砂浆的配制需要考虑的因素包括以下哪些?A. 砂浆的强度等级B. 砂浆的稠度C. 砂的粒度D. 水泥的品种和标号答案:ABCD4. 砌筑工程中,砖砌体的砌筑完成后,需要进行的养护措施包括以下哪些?A. 覆盖保湿材料B. 定期洒水C. 避免阳光直射D. 避免风吹雨淋答案:ABCD5. 砌筑工程中,砖砌体的砌筑过程中,以下哪些是禁止的行为?A. 使用过期的砂浆B. 使用不合格的砖块C. 随意切割砖块D. 砌筑完成后立即进行抹灰答案:ABC结束语:以上是砌筑工程考试题及答案的全部内容,希望对您的学习和考试有所帮助。
鉴定批次号:
常州冶金技师学院送审试卷
砌筑工中级操作技能考核试卷(A)
考件编号:
注意事项
1.本试卷依据2009年颁布的《砌筑工国家职业标准》命制;
2.本试卷试题如无特别注明,则为全国通用;
3.请考生仔细阅读试题的具体考核要求,并按要求完成操作或进行笔答或口答;
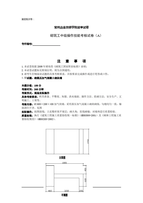
4.操试题:砌蒸压加气混凝土砌块墙
本题分值:100分
考核时间:240分钟
考核形式:现场实际操作
具体考核要求:料具准备、平整度、灰缝、清水墙面、操作方法、组砌方法,安全生产、文明施工、工效等。
考核内容:砌600×200×400加气块墙。
采用蒸压加气混凝土砌块砌筑,勾缝均匀一致,墙面清扫干净。
见图
实际操作:按图放线;立皮数杆找平基层;砌大角;挂线砌墙;对墙体进行质量检验。
质量标准:执行《建筑工程施工质量验收统一标准》(GB50300-2001)及《砌体工程施工质量验收规范》(GB50203-2002)。
常州冶金技师学院送审试卷
砌筑工中级操作技能考核评分记录表
评分人:年月日核分人:年月日姓名:准考证号:单位:。
初级砌筑工考试题及答案一、单项选择题(每题2分,共20分)1. 砌筑工程中,砖的尺寸一般为:A. 240mm×115mm×53mmB. 240mm×120mm×60mmC. 240mm×115mm×60mmD. 240mm×120mm×53mm答案:C2. 在砌筑过程中,砂浆的配合比通常为:A. 1:2B. 1:3C. 1:4D. 1:5答案:B3. 砌筑墙体时,水平灰缝的厚度一般为:A. 8-12mmB. 10-15mmC. 12-18mmD. 15-20mm答案:C4. 砌筑时,砖的错缝排列是为了:A. 提高墙体的美观性B. 增加墙体的稳定性C. 减少砖的用量D. 便于施工答案:B5. 砌筑墙体时,垂直灰缝的厚度一般为:A. 8-12mmB. 10-15mmC. 12-18mmD. 15-20mm答案:A6. 砌筑工程中,砖墙的砌筑高度一般不超过:A. 3.6mB. 4.0mC. 4.5mD. 5.0m答案:A7. 砌筑墙体时,水平灰缝的饱满度应达到:A. 80%以上B. 90%以上C. 95%以上D. 100%答案:C8. 砌筑工程中,砖墙的砌筑质量要求:A. 垂直度偏差不大于5mmB. 垂直度偏差不大于10mmC. 垂直度偏差不大于15mmD. 垂直度偏差不大于20mm答案:B9. 砌筑墙体时,砖的湿水时间一般为:A. 1-2小时B. 2-4小时C. 4-6小时D. 6-8小时答案:B10. 砌筑工程中,砖墙的砌筑速度一般为:A. 2-3层/小时B. 3-4层/小时C. 4-5层/小时D. 5-6层/小时答案:B二、多项选择题(每题3分,共15分)1. 砌筑工程中,影响砂浆强度的因素包括:A. 砂的粒度B. 水泥的品种C. 砂的含泥量D. 搅拌时间答案:ABCD2. 砌筑墙体时,下列哪些措施可以提高墙体的稳定性:A. 错缝排列B. 增加横墙数量C. 使用钢筋混凝土圈梁D. 使用轻质材料答案:ABC3. 砌筑工程中,下列哪些因素会影响砌筑质量:A. 砖的含水率B. 砂浆的配合比C. 施工人员的技术水平D. 施工环境的温度答案:ABCD4. 砌筑墙体时,下列哪些做法是正确的:A. 墙体砌筑前先进行放线B. 砌筑时使用水平尺检查水平度C. 砌筑时使用垂直尺检查垂直度D. 砌筑完成后进行墙体的养护答案:ABCD5. 砌筑工程中,下列哪些措施可以提高砌筑速度:A. 使用预制构件B. 合理组织施工C. 使用机械化设备D. 提高施工人员的技术水平答案:ABCD三、判断题(每题1分,共10分)1. 砌筑工程中,砖的尺寸可以随意选择。
砌筑工考试试题及答案初级一、选择题1. 砌筑工常用的砖包括()。
A. 粘土砖B. 气泡砖C. 硅砖D. 蛹砖2. 砌筑墙体时,采取的常见砌筑方式是()。
A. 平行砌筑B. 交错砌筑C. 水平砌筑D. 竖直砌筑3. 下列哪种材料可以用于砌筑地基墙体?A. 混凝土B. 砖石C. 红砖D. 硅砖4. 砌筑工中使用的常用工具包括()。
A. 砖钳B. 砂锉C. 石锤D. 铁锹5. 砌筑工中常用的砂浆材料有()。
A. 水泥B. 石灰C. 砂子D. 纤维二、问答题1. 简述砌筑工砌筑墙体的步骤。
首先,根据设计要求和图纸要求,做好测量和标示工作,确定墙体的位置和形状。
然后,进行基坑的开挖和垫层的施工。
接下来,根据砌筑方式选择合适的砌筑工艺,进行砌筑工作。
在砌筑过程中,要注意控制墙体的垂直度和水平度,确保墙体的整体稳定性。
最后,完成墙体砌筑后,进行清理和验收工作。
2. 砌筑工的安全注意事项有哪些?- 在操作前,应检查工具和机械设备的安全性,并且佩戴适当的防护用品。
- 砌筑现场应保持整洁,防止杂物堆积导致绊倒、滑倒等意外事故。
- 在搬运重物或进行高空作业时,应使用合适的劳保用具,并遵循正确的操作方法。
- 砌筑过程中要注意检查墙体的垂直度和水平度,确保墙体的稳定性,避免因质量问题引发安全事故。
- 打砌筑接缝时,要注意保护工人的视线,防止石灰粉末飞溅入眼睛引起刺激。
- 在使用石灰和水泥等化学物质时要注意防护措施,避免对皮肤和呼吸系统产生伤害。
三、实际应用题某建筑公司正在进行一座别墅的砌筑工程,需要砌筑一堵长为6米,高为2.5米的墙体,砖尺寸为240mm×115mm×53mm。
1. 按照标准计算,这堵墙体需要多少块砖?答案:墙体的面积 = 长 ×高 = 6m × 2.5m = 15平方米一块砖的面积 = 240mm × 115mm = 0.0276平方米所需砖块数量 = 墙体面积 ÷一块砖的面积= 15平方米 ÷ 0.0276平方米≈ 543.48块(取整为544块)2. 如果每平方米墙体需要3千克的砂浆,这堵墙体需要多少千克的砂浆?答案:所需砂浆总量 = 墙体面积 ×砂浆用量= 15平方米 × 3千克/平方米= 45千克综上所述,本文介绍了砌筑工考试初级试题及答案,包括选择题、问答题和实际应用题。
砌筑工实操题
(实用版)
目录
1.砌筑工概述
2.砌筑工实操题的要求
3.砌筑工实操题的难点
4.如何应对砌筑工实操题
5.砌筑工实操题的实际应用
正文
砌筑工是我国建筑行业中的一种重要职业,主要从事砖、石、混凝土等材料的砌筑工作。
作为一名砌筑工,除了需要具备丰富的理论知识外,实际操作能力也是非常关键的。
因此,砌筑工实操题就成为了检验砌筑工技能的重要手段。
砌筑工实操题的要求主要包括:砌筑速度快、质量高、符合规范要求等。
在实际操作中,砌筑工需要掌握各种砌筑方法,如平铺法、立铺法、拱桥法等,同时还需要熟练使用各种砌筑工具,如瓦刀、水平仪、墨线等。
砌筑工实操题的难点主要体现在以下几个方面:一是操作速度的控制,要求在保证质量的前提下,尽可能提高砌筑速度;二是砌筑质量的保证,要求砖缝整齐、墙面垂直、地面水平;三是规范要求的遵守,如砌筑高度、砖缝宽度等都有严格的规定。
那么,如何应对砌筑工实操题呢?首先,砌筑工需要进行系统的理论学习,掌握各种砌筑方法的原理和要点;其次,通过实际操作练习,不断提高自己的操作技能;最后,要注重细节,严格遵守规范要求,养成良好的操作习惯。
砌筑工实操题的实际应用非常广泛,不仅可以用于建筑工地的日常施
工,还可以作为职业技能培训和考核的重要内容。
通过砌筑工实操题的训练,不仅可以提高砌筑工的技能水平,还可以培养他们的团队协作精神和责任感。
初级砌筑工试题及答案一、单项选择题(每题2分,共10分)1. 砌筑工程中,砖的厚度一般为多少毫米?A. 100B. 200C. 240D. 300答案:C2. 下列哪项不是砌筑工程中常用的砌筑砂浆?A. 水泥砂浆B. 石灰砂浆C. 混合砂浆D. 石子砂浆答案:D3. 砌筑墙体时,砖与砖之间的水平缝宽度一般为多少毫米?A. 10B. 20C. 30D. 40答案:B4. 砌筑工程中,砌筑墙体的垂直度允许偏差一般为多少毫米?A. 5B. 10C. 15D. 20答案:C5. 砌筑工程中,砌筑墙体的平整度允许偏差一般为多少毫米?A. 5B. 8C. 10D. 12答案:B二、多项选择题(每题3分,共15分)1. 砌筑工程中,下列哪些是砌筑砂浆的组成材料?A. 水泥B. 沙子C. 石子D. 水答案:ABD2. 砌筑墙体时,下列哪些因素会影响砌筑质量?A. 砖的质量B. 砂浆的配比C. 砌筑工人的技术D. 砌筑环境的温度答案:ABCD3. 砌筑工程中,下列哪些措施可以提高砌筑墙体的稳定性?A. 使用钢筋加固B. 增加墙体厚度C. 设置圈梁D. 减少墙体高度答案:AC4. 砌筑工程中,下列哪些是砌筑墙体的验收标准?A. 垂直度B. 平整度C. 强度D. 外观答案:ABCD5. 砌筑工程中,下列哪些是砌筑工具?A. 砌刀B. 砖夹C. 卷尺D. 搅拌机答案:ABC三、判断题(每题1分,共10分)1. 砌筑工程中,砖的厚度可以随意选择。
(错误)2. 砌筑砂浆的配比对砌筑质量没有影响。
(错误)3. 砌筑墙体时,水平缝的宽度应保持一致。
(正确)4. 砌筑工程中,砌筑墙体的垂直度允许偏差越大越好。
(错误)5. 砌筑墙体的平整度允许偏差越小越好。
(正确)6. 砌筑工程中,砌筑砂浆的强度越高越好。
(正确)7. 砌筑工程中,砌筑墙体的验收标准只有垂直度和平整度。
(错误)8. 砌筑工程中,砌筑工具的使用对砌筑质量没有影响。
(错误)9. 砌筑工程中,砌筑墙体的强度与砌筑砂浆的强度无关。
砌筑工实操题摘要:一、砌筑工实操题概述二、砌筑工实操题类型与解析1.基本砌筑技能题2.砌筑工艺题3.砌筑安全与环保题4.砌筑材料与设备题三、提高砌筑工实操成绩的方法1.熟练掌握基本砌筑技能2.了解各类砌筑工艺及规范3.注重砌筑安全与环保意识4.熟悉砌筑材料与设备的使用5.加强实践锻炼与学习正文:砌筑工实操题是针对砌筑行业从业人员职业技能水平的一种考核方式。
通过对砌筑工的实际操作能力、理论知识、安全意识和环保意识等方面的考察,评价砌筑工的综合素养。
以下是砌筑工实操题的类型与解析,以及提高砌筑工实操成绩的方法。
一、砌筑工实操题概述砌筑工实操题主要测试砌筑工在实际工作中的操作能力、砌筑工艺掌握程度、安全意识、环保意识以及砌筑材料和设备的熟悉程度。
这类题目通常在职业技能培训、职业资格认证和招聘等场合出现。
二、砌筑工实操题类型与解析1.基本砌筑技能题:此类题目考察砌筑工的基本操作技能,如砖块的切割、砂浆的调制、墙体的砌筑等。
解答这类题目需要熟练掌握基本砌筑技能。
2.砌筑工艺题:这类题目主要测试砌筑工对各类砌筑工艺的了解和掌握程度,包括砖墙、混凝土墙、轻质墙等各种墙体的砌筑工艺。
解答这类题目需要熟悉各类砌筑工艺及规范。
3.砌筑安全与环保题:这类题目旨在考察砌筑工在实际工作中的安全意识和环保意识。
如安全防护设备的正确使用、废弃物的合理处理等。
解答这类题目需要注重安全意识,遵循环保规定。
4.砌筑材料与设备题:这类题目考察砌筑工对常用砌筑材料和设备的了解。
如水泥、砂、砖块的种类和规格,以及各类施工设备的操作方法。
解答这类题目需要熟悉砌筑材料的特性和设备的使用方法。
三、提高砌筑工实操成绩的方法1.熟练掌握基本砌筑技能:砌筑工要在实际操作中不断提高自己的技能水平,如切割、调制砂浆、砌筑墙体等。
2.了解各类砌筑工艺及规范:学习并掌握各类砌筑工艺,了解国家相关规范,以便在实际操作中遵循标准。
3.注重砌筑安全与环保意识:在工作过程中严格遵守安全规定,关注环保问题,降低施工对环境的影响。
2.墙体在房屋建筑中有承重作用,分隔作用,围护作用。
(√)4.在屋盖上设置保温层或隔热层可防止由于收缩和温度变化而引起墙体的破坏。
(√)5.天然地基就是不经人工处理能直接承受房屋荷载的地基。
(√)7.定位轴线用细点化线绘制,每条轴线都要编号。
(√)8.我国以青岛海平面为基准将其高程定为零点。
(X)9.看图的顺序是“由外向里看,由粗向细看,图样与说明结合看,关联图纸交错看,建施与结施对着看”。
(√)10.施工图纸会审的目的是为使施工单位、建设单位有关施工人员进一步了解设计意图及设计要点。
(√)11.条形基础由垫层、大放脚、基础墙三部分组成。
(√)12.普通房屋和构筑物为3类建筑物,设计使用年限为50年。
(√)13.安定性不合格的水泥会使砂浆发生裂缝、破碎而完全失去强度。
(√)14.安定性不合格的水泥,不能用于浇筑混凝土,可以用来拌制砂浆。
(X)15.国家标准规定:水泥的初凝时间不少于45 ,硅酸盐水泥终凝时间不迟于6.5h. (√)16.水泥储存时间一般不宜超过3个月,快硬硅酸盐水泥超过1个月应重新试验。
(√)17.黏土砖吸水率越高质量越好。
(X)18.砖的含水量不合要求,干燥的砖能吸收砂浆中的大量水分,影响砂浆的强度,也影响砂浆与砖之间的粘结力,从而降低砌体的强度。
(√)19.吸水率高的砖容易遭受冻害的侵袭,一般用在基础和外墙等部位。
(X)20.承重黏土实心砖与普通黏土砖相比,黏土用量较少,密度较轻,是节约能源、节约土地的新型材料。
(√)21.普通烧结砖的尺寸为24011553。
(√)22.砌筑用石材一般分为毛石和料石两类。
(X)23.砂浆中添加微末剂可改善砂浆的塑性和保水性。
(√)24.砂浆存放时间过长,在使用前要重放水泥经搅拌后才能使用。
(√)25.用粗砂拌制的砂浆,保水性差。
(X)26.麻刀灰的配合比是体积比。
(X)27.砂浆强度等级检定是用7.077.077.07的立方体试块在同条件下养护28天后,经过压力试验检测定的。
河北省建筑工人(砌筑工)
技能操作考核试卷二
姓名培训机构
注意事项
1、本试卷依据《住房和城乡建设部行业标准砌筑工》命制。
2、请首先按要求在试卷的标封处填写您的姓名、准考证号和所在单位的名称。
3、请考生仔细阅读试题的具体考核要求,并按要求完成操作或进行笔答或口答。
4、操作技能考核时要遵守考场纪律,服从考场管理人员指挥,以保证考核安全顺利进行。
试题:砌筑清水墙。
长度2400mm,总高度1500mm。
(1).本题分值:100分。
(2).考核时间:120分钟。
一.主要工具:大铲、瓦刀、托线板、线坠、盒尺、水平尺、施工线、铁锹、方尺、扫帚。
二.主要材料:1:3水泥砂浆、灰砂砖(240mm×115mm×53mm)。
三.施工顺序:摆砖→砌筑→自检→清理。
四.要求:
1.考生按照题目要求独立进行操作。
2.砖砌体组砌方法应正确(一顺一丁法)上下错缝,内外搭接,砂浆饱满。
3.墙面应平整、垂直、边角方正、灰缝顺直、表面清洁。
4.砖的排列及未标注或说明的其它事项均应符合GB-50203-2001《砌体结构工程施工质量验收规范》中的有关规定执行。
5.施工场地整洁。
砌筑工实操考核评分标准
总得分:
注:此评分标准内每分项目检测5处。