成都地区管片选型技术
- 格式:doc
- 大小:508.00 KB
- 文档页数:15
管片选型1、管片选型的原则1、管片选型要适合隧道设计线路;2、管片选型要适应盾构机的姿态。
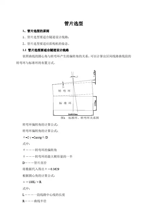
1.1 管片选型要适合隧道设计线路依照曲线的圆心角与转弯环产生的偏转角的关系,可以计算出区间线路曲线段的转弯环与标准环的布置方式。
转弯环偏转角的计算公式:转弯环偏转角的计算公式:θ=2γ=2arctgδ/D式中:θ―――转弯环的偏转角δ―――转弯环的最大楔形量的一半D―――管片直径将数据代入得出θ=0.3629根据圆心角的计算公式:α=180L/πR式中:L―――一段线路中心线的长度R―――曲线半径而θ=α,将之代入,得出L值上式表明,可以算出圆曲线拼装关系,结合线路就可以将管片大致排列出来。
1.2 管片选型要适应盾构机姿态管片是在盾尾内拼装,所以不可避免地受到盾构机姿态的约制。
管片平面应尽量垂直于盾构机轴线,也就是盾构机的推进油缸能垂直地推在管片上,这样可以使管片受力均匀,掘进时不会产生管片破损。
同时也兼顾管片与盾尾之间地间隙,避免盾构机与管片发生碰撞而损坏管片。
在实际掘进过程中,盾构机因为地质不均、推力不均等原因,经常要偏离隧道设计线路。
所以当盾构机偏离设计线路或进行纠偏时,都要十分注意管片选型,避免发生重大事故。
2、管片选型2.1 管片的拼装点位转弯环在实际拼装过程中,可以根据不同的拼装点位来控制不同方向上的偏移量。
这里所说的拼装点位是管片拼装时K块所在的位置。
区间的管片拼装点位为在圆周上按时钟分成12个点,即管片拼装的12个点位,相邻点位的旋转角度为36°。
由于是错缝拼装,所以相邻两块管片的点位不能相差2的整数倍。
一般情况下,本着有利于隧道防水的要求,都只使用上部6个点位。
根据工程实际情况,选择拼装不同点位的转弯环,就可以得到不同方向的楔形量(如左、右、上、下等)。
管片左转弯环不同点位的契形量计算表:左转弯环楔形量计算表表12.2 根据盾尾间隙进行管片选型如图2所示,通常将盾尾与管片之间的间隙叫盾尾间隙。
关于成都17号线地铁管片混凝土配合比的探究王远贵发表时间:2018-09-10T14:53:18.110Z 来源:《基层建设》2018年第22期作者:王远贵[导读] 摘要:近年来城市轨道交通迅速发展,尤其以地铁或轻轨为代表。
中交隧道局第四工程有限公司成都市 611132 摘要:近年来城市轨道交通迅速发展,尤其以地铁或轻轨为代表。
为提高工程质量,通过对成都轨道交通建设原材料的合理选择,进行了混凝土配合比优化试验,采用水胶比低,强度高,低砂率,和易性良好的配合比,使车间能够在较短时间内完成管片生产,提高生产速度和管片性能,为成都地铁提供品质卓越的管片。
关键词:管片;配合比;混凝土一、前言 17号线是成都的正在建设阶段的轨道交通线路,大致呈西北向东南走向。
起于位于一环路大石路口的5号线省骨科医院站,向西沿成新蒲快速路出中心城区后,线路呈Y字型分别延伸至温江区万春镇(主线)与双流区东升街道(支线)。
全长49.6公里,是连接中心城区、温江、双流东升的市域快线。
一期工程为金星站至机投桥站。
线路主要沿灌温路、凤溪大道、凤翔大道、香榭大道、永康路,自西向东敷设。
线路长25.76km,其中高架段长约5.5km,过渡段长约0.5km,地下段长约19.76km,共设车站9座,其中高架站2座,地下站7座,平均站间距3.159km。
设永义车辆段、五通庙停车场各一座,设主变电所两座。
采用双线全封闭独立运行系统,速度目标值140km/h的地铁A 型车8辆编组,采用交流25kv架空悬挂接触网供电。
二、管片技术要求每环管片外径8.3 m,内径7.5 m,管片幅宽1.5m,厚度0.4m,每环衬砌环由7块管片组成,其中1块封顶块,2块邻接块,4块标准块,采用4°楔形块接头角和9°插入角。
采用了左、右转弯楔形环与标准环组合的设计。
管片混凝土强度等级为C50,抗渗等级为P12。
三、原材料选择(一)水泥地铁管片的生产采用蒸汽养护的方式,为了节约周期生产时间,水泥宜采用早强水泥,要求水泥中的硅酸三钙含量较高,这样有利于混凝土早强的形成。
管片选型及拼装作业指导书1.目的及范围编制管片的选型及拼装施工技术措施,对施工做以指导,保证管片的拼装质量,达到施工及验收要求。
目前国内常见的管片形式为通用环和标准环加左、右转弯环管片。
因此,主要介绍这两类型管片的施工技术。
2.编制依据2.1 管片设计要求;2.2 适应隧道设计线路;2.3 适应盾构机的姿态。
3.职责管片拼装职责表管片的形式为平板型单层管片衬砌,衬砌环纵、环缝均采用弯螺栓连接,通过合理的管片选型使管片错缝拼装。
4.2.1 管片的拼装点位4.2.1.1 通用性管片管片为双面楔形通用管片,衬砌环纵采用12根弯螺栓连接,环缝采用16根弯螺栓连接。
根据管片环向16个螺栓孔,将管片按照钟表的方向平均分为16个点位,通过管片的选型,以达到错缝拼装的要求。
表4.2.1-1 管片拼装点位表(竖列表示拼装好的管片,横向:√-表示可选后续的管片;×-表示不可选后续的管片)4.2.1.2 标准环加左、右转弯环管片管片为双面楔形通用管片,衬砌环纵采用12根弯螺栓连接,环缝采用10根弯螺栓连接。
根据管片环向10个螺栓孔,将管片按照钟表的方向平均分为10个点位,通过管片的选型,以达到错缝拼装的要求。
管片的点位可划分为两类,一类为1点、3点、5点、8点、10点;二类为11点、2点、4点、7点、9点,同一类管片不能相连。
表4.2.1.2-1 管片拼装点位表4.2.2 隧道管片排序鉴于管片拼装的规律性,所以盾构施工前必须对隧道管片做好排序,并根据设计,模拟出联络通道和泵房位置,管片拼到联络通道处时,点位要正好和设计点位符合,否则联络通道位置会被改变。
管片排序时,要优化洞门的长度,在武汉洞门长度要求在400mm~800mm,一环管片的长度是1500mm,在条件允许的条件下,通过调整始发负环的位置,把每节隧道两端的洞门长度之和控制在1500mm以内,当隧道长度除以管片长度的余数大于两倍最小洞门宽度800mm(各地洞门的最小宽度要求不同)时,就取余数的一半为洞门长度。
精心整理成都地铁四号线二期土建五标管片拼装质量控制技术一、工程概况及管片简介二、管片拼装施工流程(1(2(3(1(2(3(4五、管片拼装常见问题分析(1)管片错台(2)管片破损(3)管片上浮(4)管片渗漏水一、工程概况及管片简介1、工程概况站东段~8.840m16‰((里程宽采用C50、3通过与标准环的组合来达到满足曲线地段线路拟合及施工纠偏的需要。
楔形环楔形量38mm,为双面楔形式,衬砌环纵、环缝采用弯螺栓连接,其中1.5m幅宽的管片纵缝间采用12根M27螺栓连接成环,相邻环缝间采用10根M27螺栓连接。
A型配筋管片螺栓机械性能等级为5.6级,螺母级别为6级,垫圈机械性能等级为Hv=140,其它配筋型式管片螺栓机械性能等级为8.8级,螺母级别为8级,垫圈机械性能等级为Hv=200。
2、管片简介在国内城市地铁隧道工程中,目前已越来越多的开始使用盾构机来掘进区间隧道,用预制混凝土管片作为永久衬砌。
管片通常由专业的厂家提前制作,按其功能又通常分为两种,即标准环和转弯环。
顾名思义,标准环是用于直线段,转弯环是用于曲线段。
标准环与转弯环配合使用就可以拼装各种线性的隧道。
管片选型直接2.110根横向、122.2、管片标准环与转弯环的区别标准环与转弯环的不同之处在于从拼装好的一环管片看。
标准环在平面上的投影为长方形,转弯环在平面上的投影为等腰梯形。
梯形的长边长度为1519mm,短边长度为1481mm。
在管片拼装时,如果正在安装的管片为转弯环,且封顶块位置处于隧道正上方,这时隧道腰部两侧会产生衬砌长度的不同。
这种长度的不同我们称之为超前,它的数值称之为超前量。
转弯环分为左转环和右转环,以封顶块都拼装在正上方为例。
左转环的正右方的超前量最大,右转环反之。
转弯环几何尺寸特性二、管片拼装与施工流程11.11.2然后拼1.3开挖面将不稳定,管片拼装空间也将难以保证。
因此,随管片拼装顺序分别缩收和顶上盾构千斤顶非常重要。
小曲线隧道盾构管片排版与选型技术探讨摘要:盾构法大坡度、小曲线隧道施工最关键的是管片排版与选型技术,直接影响了隧道成型质量。
隧道施工完成后是由很多短直线组成的合集,直线连接处视为折线,通过短直线拟合成实际的曲线线路,实际与设计中心线存在一个夹角,它是控制隧道质量的重要环节和关键指标。
本文从施工前进行管片排版,根据设计线形进行计算拟定生产的管片类型及数量,施工中通过盾构机姿态、千斤顶行程差、盾尾间隙选择管片型号及拼装点位,探讨如何结合隧道设计轴线进行管片排版、如何根据实际推进参数进行管片选型,为类似的工程提供参考经验。
关键词:小曲线;排版;行程;间隙;姿态;选型;0 引言近年来,随着国内整体经济形势的发展,城市轨道交通线路的建设也在快速发展,盾构法施工已经成为各条地铁线路的主要施工方法。
在不断规划和建设的同时,新规划地铁线路的设计和施工受到的制约越来越大,尤其是大坡度、小曲线隧道施工已经很常见,由于隧道中心线形的限制,对盾构机推进及管片选型施工技术的要求越来越高,管片选型与盾构机姿态不匹配就会造成管片错台、管片破损等质量问题,严重的甚至会造成大面积掉块、止水条掉落及渗漏,增加了后期处理的费用,对地铁长期运行留下安全隐患。
本文总结成都地铁8号线二期工程出入场线盾构区间管片排版与选型技术,通过事前根据设计轴线进行管片排版,推进过程中通过推进千斤顶行程差、盾尾间隙、管片拼装选型三者位置关系对比分析,提高隧道设计中心线、盾构机与管片轴线的拟合度,提出合理的管片选型,给出了选择的原则和依据,为同类施工的项目提供参考经验。
1 工程简介成都轨道交通8号线二期工程出入场线盾构区间长为1944.037m、1989.013m,最小曲线半径为350m、360m,最大坡度34‰。
盾构机刀盘开挖直径6280mm,管片采用标准环、左转环、右转环,管片外径6000mm,内径5400mm,单环初砌环采用6分块,含标准块(圆心角72°)3块、邻接块(圆心角64.5°)2块、封顶块(圆心角15°)1块,小曲线半径采用1.2m环宽管片,衬砌环采用“直线+左右转弯环”的型式拟合设计线路,转弯环楔形量38mm(对称双面楔)。
一定的标准环和一定的楔形环按照一定的数量和合适顺序排列,能够拟合出不同半径的曲线隧道,这种管片排列的计算叫做管片对隧道的拟合计算. 当规划管片的总体制造计划和管片的运送计划以及施工场地的管片储存计划时,就要用到拟合计算,拟合计算对管片的选型也有直接的指导作用。
下面分别介绍在直线、缓和曲线、圆曲线段管片对隧道的拟合计算。
隧道直线段管片对隧道的拟合计算。
直线段理论上只需要标准环,但在掘进和管片安装时,油缸推力的不均、主机的蛇行、已安装管片的沉降等因素会造成盾尾间隙和推进油缸行程的不均衡,当这种不利的影响累加到一定程度时就必须安装楔形环进行管片纠偏。
在缓和曲线段,楔形环的数量要满足隧道转弯造成的隧道总的超前量的需要。
例如:缓和曲线的长度为65m;圆曲线半径为400m;管片宽度为1.5m;每环超前量为50mm。
经过计算已经知道整个缓和曲线段隧道内外两侧的超前量总和为463mm。
整个缓和曲线段需要的管片总数量为
65m/1.5m=44环,其中需要的楔形环数量为463mm/50mm=10 环,需要的标准环数量为44-10=34环。
管片对圆曲线的拟合相对缓和曲线要更简单一些。
它的计算步骤如下:
计算在曲线上每掘进一环(1.5m)左右推进油缸产生的油缸行差ΔL;
计算楔形环在对应油缸位置的超前量,为47.5mm(计算过程见前文的介绍);
假设拟合这样曲线半径的隧道需要T块标准环,需要Z块楔形环,找到下面方程式中未知数T、Z的最接近结果的最小整数解: (Z+T)×ΔL=Z×47.5
求解偏差:Δ=(Z+T)ΔL-Z×47.5;
对进行结果进行修正,列出圆曲线段的管片拼装拟合方程式。
成都地铁管片选型技术一、成都地铁管片设计参数1、衬砌环构造成都地铁采用的衬砌环外径6000mm,内径5400mm。
管片幅宽分为1500mm,1200mm,管片厚度300mm。
混凝土强度等级C50,抗渗等级P12。
每环衬砌环由6块管片组成,其中1块封顶块、2块邻接块、3块标准块。
为了满足与曲线段线路的拟合及施工纠偏的需要,设计了标准环、左转弯楔形环和右转弯楔形环,通过合理的组合来拟合不同的曲线。
成都地铁采用的楔形环为双面楔形,单面楔形量为19mm,转角为0.1814°,整环楔形总量为38mm,转角为0.363°。
2、管片连接衬砌环纵、环缝连接采用弯螺栓连接,其中1500mm幅宽的管片每环纵缝采用12根M27螺栓,每个环缝采用10根M27螺栓;1200mm幅宽的管片每环纵缝采用12根M24螺栓,每个环缝采用10根M24螺栓。
二、管片选型的分析根据设计线路进行掘进,避免产生不必要的偏差。
在实际掘进过程中,盾构机因为地质不均、推力不均等原因,盾构机的姿态经常会偏离隧道设计线路,当盾构机偏离设计线路进行纠偏时,要特别注意管片选型,避免因盾尾间隙过小而造成管片破损等事故。
1、管片拼装点位的分析管片的拼装点位表示每一环管片中封顶块所在的位置。
根据成都地区管片的设计构造图,将管片拼装分为10个点位,分别是1点(封顶块右偏18°)、2点(封顶块右偏54°)、3点(封顶块右偏90°)、4点(封顶块右偏126°)、5点(封顶块右偏162°)、6点(封顶块左偏162°)、7点(封顶块左偏126°)、8点(封顶块左偏90°)、9点(封顶块左偏54°)、10点(封顶块左偏18°)。
管片点位的划分是以管片的分块形式和螺栓孔的位置为依据,合适的点位才能确保两环之间所有的纵向螺栓孔的位置能够重合。
在成都地铁盾构隧道管片采用错缝拼装,拼环时点位尽量优先选用ABA(1点、10点)形式,其中第一环的封顶块管片从正上方右偏18°,第二环的封顶块管片从正上方左偏18°。
5、区间盾构隧道结构设计1)主要设计原则①盾构隧道衬砌结构应满足运营功能要求以及建筑限界、施工工艺、结构防水和城市规划等方面的要求。
结构安全等级为一级,按地震烈度为7度进行结构抗震设计,采取相应的构造处理措施,以提高结构的整体抗震能力。
结构抗力应满足人防部门的要求,抗力级别为6级。
②结构类型和施工方法,应根据工程地质、水文地质和周围的环境条件,通过技术经济比选确定,并应按相关规范的规定进行结构设计计算。
③结构设计应符合强度、刚度、稳定性、抗浮和裂缝宽度验算的要求,并满足施工工艺的要求。
④对于钢筋混凝土结构应就其施工和正常使用阶段进行结构强度计算,必要时也应进行刚度和稳定性验算。
钢筋混凝土结构应进行裂缝宽度验算,其最大裂缝允许值为:明挖法和矿山法施工的结构为0.2~0.3mm;盾构法施工的结构为0.15~0.20mm。
结构进行抗浮验算时,其抗浮安全系数不得小于1.05,否则应采取抗浮处理措施。
⑤采用暗挖法施工时,区间隧道为平行的双洞单线隧道,两隧道的净距一般不宜小于1.0倍隧道洞径。
⑥所选择的盾构机型,必须对地层有较好的适应性,并同时依据盾构推进速度、周围环境状况、工期、造价等各方面进行技术经济比较后确定。
⑦严格控制工程施工引起的地面沉降量,其允许数值应根据地铁沿线的地面建筑及地下构筑物等实际情况确定,并因地制宜地采取措施。
⑧结构防水设计应根据工程地质、水文地质、地震烈度、环境条件、结构形式、施工工艺及材料来源等因素进行,并应遵循“以防为主、多道设防、刚柔结合、因地制宜、综合防治”的原则。
车站及出入口通道防水等级为一级;车站风道及区间隧道防水等级为二级。
2)盾构机类型的选择3)钢筋混凝土管片和特殊管片的设计(1)盾构隧道断面尺寸的拟定成都地铁圆形区间隧道内径的确定是在建筑限界Φ5200mm的基础上考虑施工误差、测量误差、设计拟合误差、不均匀沉降等诸多因素确定的。
并根据《关于明确成都地铁一期工程试验段工程有关问题的会议纪要》([2003]第一期)的精神,本次设计内径为5400mm(见图5.3.1)。
成都地铁管片选型技术一、成都地铁管片设计参数1、衬砌环构造成都地铁采用的衬砌环外径6000mm,内径5400mm。
管片幅宽分为1500mm,1200mm,管片厚度300mm。
混凝土强度等级C50,抗渗等级P12。
每环衬砌环由6块管片组成,其中1块封顶块、2块邻接块、3块标准块。
为了满足与曲线段线路的拟合及施工纠偏的需要,设计了标准环、左转弯楔形环和右转弯楔形环,通过合理的组合来拟合不同的曲线。
成都地铁采用的楔形环为双面楔形,单面楔形量为19mm,转角为0.1814°,整环楔形总量为38mm,转角为0.363°。
2、管片连接衬砌环纵、环缝连接采用弯螺栓连接,其中1500mm幅宽的管片每环纵缝采用12根M27螺栓,每个环缝采用10根M27螺栓;1200mm幅宽的管片每环纵缝采用12根M24螺栓,每个环缝采用10根M24螺栓。
二、管片选型的分析根据设计线路进行掘进,避免产生不必要的偏差。
在实际掘进过程中,盾构机因为地质不均、推力不均等原因,盾构机的姿态经常会偏离隧道设计线路,当盾构机偏离设计线路进行纠偏时,要特别注意管片选型,避免因盾尾间隙过小而造成管片破损等事故。
1、管片拼装点位的分析管片的拼装点位表示每一环管片中封顶块所在的位置。
根据成都地区管片的设计构造图,将管片拼装分为10个点位,分别是1点(封顶块右偏18°)、2点(封顶块右偏54°)、3点(封顶块右偏90°)、4点(封顶块右偏126°)、5点(封顶块右偏162°)、6点(封顶块左偏162°)、7点(封顶块左偏126°)、8点(封顶块左偏90°)、9点(封顶块左偏54°)、10点(封顶块左偏18°)。
管片点位的划分是以管片的分块形式和螺栓孔的位置为依据,合适的点位才能确保两环之间所有的纵向螺栓孔的位置能够重合。
在成都地铁盾构隧道管片采用错缝拼装,拼环时点位尽量优先选用ABA (1点、10点)形式,其中第一环的封顶块管片从正上方右偏18°,第二环的封顶块管片从正上方左偏18°。
根据相邻两环管片不能通缝的原则,对每一环管片的点位进行选择,并优选合理的点位来拟合隧道的线形与盾构机的纠偏。
管片的拼装点位有一定的规律性,现为了保证隧道的美观和防水效果,将管片的点位划分为两类:上半区点位(1点、2点、3点、8点、9点、10点),下半区点位(4点、5点、6点、7点)。
其中上半区点位位于隧道中线以上(含中线),有利于管片拼装和隧道的防水质量,因此上半区作为管片点位选择的主要区域。
从管片拼装点位的位置模拟看出成都地铁的管片点位可分位奇数和偶数点位。
相邻的两环管片不能为同类型的点位。
即,如果上一环封顶块的位置在奇数点位上,则下一环管片选择时只能选择封顶块位置在偶数点位上,只有这样才可确保拼装的相邻管片不通缝;反之,如果上一环封顶块的位置在偶数点位上,则下一环管片选择时只能选择封顶块位置在奇数点位上。
例如:上一环选择3点,则下一环就可优先选择2点、8点、10点。
在成都地铁中联络通道处管片封顶块的位置为正上方左偏18°或者正上方右偏18°,联络通道开口的位置与封顶块的位置在同侧。
即可根据联络通道处相邻通缝两环管片的开口位置确定出封顶块所在的点位。
例如,某条隧道正在盾构掘进右线(从小里程~大里程方向),则联络通道的管片为左开洞,因此联络通道处相邻两环通缝管片封顶块位于正上方左偏18°的拼装点位上。
在成都地铁盾构区间设计文件中明确始发洞门的长度为700mm,接收洞门的长度根据实际情况确定。
因为始发洞门的位置已经确定,则联络通道处的管片开口已经确定。
经过简单的里程计算便可算出从联络通道中心处到第一环管片之间是多少环管片。
如果是奇数环则第一环管片与联络通道处开口的第一环管片拼装点位相同;如果是偶数环则第一环管片与联络通道处开口的第一环管片拼装点位相反。
通过以上的方法可确定出盾构机始发时正环第一环管片的拼装点位,值得注意的是(1)管片拼装质量所导致的环缝的宽度的不同(一般取2-3mm)。
(2)在第一环与联络通道之间存在≤400m 的小曲线半径,在成都地铁已明确在≤400m的小曲线半径上采用1.2m的管片,因此计算时要区分开各段。
2、管片楔形量的计算成都地铁采用的左右转弯楔形环为等腰梯形型,该类型的管片需要两次可达到调整方向的目的,纠偏量比较小,有利于盾构机掘进中的方向控制。
说明:括号外数值表示1.5m楔形环管片宽度,括号内数值表示1.2 m楔形环管片宽度。
A点的楔型量计算如下:Tg(Q)=19/6000Q=acrtg(19/6000)=0.181436°L=3000(1-COS(B))X=3000(1-COS(B)).19/6000A点的楔型量:X=9.5(1-COS(B))管片各点位单面楔型量的通用计算公式是:X=9.5(1-COS(B)),每一楔形管片拼装完成后,则计算每一点管片处推进油缸相对于管片宽度最小处的差量为:△L=19(1- COS(B))。
转弯环拼装完成后则各点点处的油缸行程缩短相应的变化量。
B表示任意点从管片楔形量为宽度最小处到该点所对应的圆心角。
max min14811.5米(1.2米)左转管片各点楔形量通过对成都地铁管片双面楔形的特点分析,对于油缸的行程调整是通过一次完成的,对于管片方向、盾构机姿态及盾尾间隙的调整是通过两次调整完成的。
根据楔形环的特点,总结出盾尾间隙变化量的计算如下:(1)1.5m管片第一次调整(直线+转弯模式):转弯环楔形量最大处盾尾间隙变化量:§1=SIN (Q)·(1500+19(1- COS(B)))=sin(arctg(19/6000))×1519=4.81mm (增大)转弯环楔形量最小处盾尾间隙变化量:§1=SIN (Q)·(1500-19(1- COS(B)))=sin(arctg(19/6000))×1481=4.69mm (减小)鉴于两者相差较小,便于计算在图中两者均取为4.81mm 。
(2)1.5m 管片第二次调整(转弯+直线模式):转弯环+直线环拼装完成后,上一环转弯环楔形量最大和最小所对应的直线环位置处盾尾间隙变化量:§2=1500·SIN (Q )=1500×sin (arctg (19/6000))=4.75mm楔形量最大处盾尾间隙增大4.75mm ,楔形量最小处盾尾间隙减小4.75mm 。
1481内圈为第一次调整值,外圈第二次调整值minmax1.5米左转管片盾尾间隙变化量(3)1.2m 管片第一次调整(直线+转弯模式):转弯环楔形量最大处盾尾间隙变化量:§1=SIN (Q )·(1200+19(1- COS(B)))=sin (arctg (19/6000))×1219=3.86mm (增大)转弯环楔形量最小处盾尾间隙变化量:§1=SIN (Q )·(1200-19(1- COS(B)))=sin (arctg (19/6000))×1181=3.74mm (减小)鉴于两者相差较小,便于计算在图中两者均取为3.86mm 。
(4)1.2m 管片第二次调整(转弯+直线模式):转弯环+直线环拼装完成后,上一环转弯环楔形量最大和最小所对应的直线环位置处盾尾间隙变化量:§2=1200·SIN (Q )=1200×sin (arctg (19/6000))=3.8mm楔形量最大处盾尾间隙增大3.8mm ,楔形量最小处盾尾间隙减小3.8mm 。
1.2米左转管片盾尾间隙变化量 18°-3.86maxmin1181L2B3L1B1B2F0内圈为第一次调整值,外圈第二次调整值-1.17-2.23-3.07-3.61-3.8-3.61-3.07-2.23-1.1701.172.233.073.613.83.613.072.231.17-3.67-3.12-1.19-2.270-3.67-3.12-2.27-1.1903.863.673.673.123.122.271.192.271.19三、影响管片选型的因素及管片选型的方法 1、影响管片选型的因素(1)盾尾间隙的影响盾尾间隙是管片选型的一个重要依据。
如果盾尾间隙过小,则盾构机在掘进过程中盾尾将会与管片发生摩擦,增加盾构机向前的阻力和造成管片压坏引起隧道渗漏水,同时使盾尾密封效果减弱造成盾尾漏浆。
根据施工经验盾尾圆周上任意一点的盾尾间隙量不宜小于45mm,否则可能会造成盾尾将管片背侧拉烂的情况。
(2)推进油缸行程和铰接油缸行程差对管片的选型的影响。
盾构机是依靠推力油缸顶推在管片上产生的反力向前掘进的,推力油缸按上、下、左、右四个方向分成四组,每一个掘进循环这四组油缸的行程的差值反应了盾构机与管片的平面位置之间的空间关系,可以看出下一个掘过循环盾尾间隙的变化趋势。
当管片平面不垂直于盾构机轴线时各组推进油缸的行程就会有差异,当这个差值过大时,推进油缸的推力就会在管片环的径向产生较大的分力,从而影响已拼装好的隧道管片以及掘进姿态。
通常我们以各组油缸行程的差值的大小来判断是否应该拼装转弯环,在两个相反的方向上的行程差值超过40mm时,就应该拼装转弯环来进行纠编。
通过转弯环的调整左右与上下的油缸行程差值就控制在30mm以内,有利于盾构掘进及保护管片不受破坏。
铰接油缸可以被动收放,有利于曲线段的掘进及盾构机的纠偏。
同样铰接油缸的行程差也影响管片的选型。
这时应将上下或左右的推进油缸行程差值减去上下或左右的铰接油缸行程差值,最后的结果作为管片选型的依据。
(3)管片选型要符合设计线路和有利于盾构机纠偏。
2、管片选型的方法(1)根据隧道中线的平曲线和竖曲线的走向,管片分为标准环、左转弯、右转弯三类。
直线上选标准环,左转曲线上选左转环,右转曲线上选右转环。
其中转弯环数量的计算公式如下:θ=2γ=2*arctg(δ/D)式中:θ——转弯环的偏转角δ——转弯环的最大楔型量的一半(成都地铁19mm)D——管片直径根据圆心角的计算公式α=180L/(πR)式中:L——段线路中心线的长度R——曲线半径而θ=α,以400mm的曲线半径为例,将之代入的到L=2.53m,所以在圆曲线上每隔2.53m一个转弯环(N=2.53/1.2=2环,即平均2环一个转弯环)。
经过实际计算,在缓和曲线上,也近似于6.3m一个转弯环。
(2)根据盾尾间隙和油缸行程差来选择管片盾构掘进过程中,理论盾尾间隙为75mm,施工中一般控制任何一个位置不能小于60mm,如果小于60mm需要立即采用转弯环来调整管片的盾尾间隙,调整的方法是将管片楔形量最大的位置放在管片盾尾间隙最小的地方。