机械制图最新标准
- 格式:pdf
- 大小:15.67 MB
- 文档页数:98
中华人民共和国国家标准机械制图目录图纸幅面及格式 (1)比例 (5)字体 (6)图线 (11)部面符号 (17)图样画法 (21)装配图中零、部件序号及其编排方法 (72)轴测图 (75)尺寸注法 (84)尺寸公差与配合注法 (106)螺纹及螺纹紧固件画法 (112)齿轮画法 (119)花键画法 (132)弹簧画法 (136)中心孔表示法 (154)机械运动简图符号 (157)表面粗糙度代号及其注法 (180)标题栏 (198)明细栏 (202)复制图的折叠方法 (208)对缩微复制原件的要求 (219)中华人民共和国国家标准UDC 621.71:744机械制图:676.35图纸幅面及格式GB 4457.1-84Mechanical drawings代替GB 126-74Sizes and layout of drawing sheets1 引言1.1 本标准规定了机械图样的幅面及格式。
1.2 本标准参照采用国际标准ISO 5457-1980《技术制图--图纸幅面及格式》。
1.3 与本标准有关的国家标准:GB 4457.3-84《机械制图字体》GB 4457.4-84《机械制图图线》2 图纸幅面尺寸2.1 绘制图样时,优先采用表中规定的幅面尺寸,必要时可以沿长边加长。
对于A0、A2、A4幅面的加长量应按A0幅面长边的八分之一的倍数增加;对于A1、A3幅面的加长量应按A0幅面短边的四分之一的倍数增加,见图1中的细实线部分。
A0及A1幅面也允许同时加长两边,见图1中的虚线部分。
3 图框格式3.1 需要装订的图样,其图框格式如图2、图3所示,尺寸按表中的规定。
一般采用A4幅面竖装或A3幅面横装。
3.2 不留装订边的图样,其图框格式如图4、图5所示,尺寸按表中的规定。
3.3 图框线用粗实线绘制。
为了复制或缩微摄影的方便,可采用对中等号,对中符号从周边画入图框内约5mm的一段粗实线(图6、9、10)。
4 标题栏的方位4.1 标题栏的位置应按图2~5所示的方式配置。
机械制图标准-机械制图-尺寸标注标准规定了在机械图样中标注尺寸的方法。
与本标准有关的国家标准。
GB 4457.3-84 《机械制图字体》GB 4457.4-84 《机械制图图线》GB 1183-84 《形状和位置公差术语及定义》1 基本规则1.1 机件的真实大小应以图样上所注的尺寸数值为依据,与图形的大小及绘图的准确度无关。
1.2 图样中(包括技术要求和其他说明)的尺寸,以毫米为单位时,不需标注计量单位的代号或名称,如采用其他单位,则必须注明相应的计量单位的代号或名称。
1.3 图样中所标注的尺寸,为该图样所示机件的最后完工尺寸,否则应另加说明。
1.4 机件的每一尺寸,一般只标注一次,并应标注在反映该结构最清晰的图形上。
2 尺寸数字、尺寸线和尺寸界线2.1 尺寸数字2.1.1 线性尺寸的数字一般应注写在尺寸线的上方,也允许注写在尺寸线的中断处(图1)。
图12.1.2 线性尺寸数字的方向,一般应采用第一种方法注写。
在不致引起误解时,也允许采用第二种方法。
但在一张图样中,应尽可能采用一种方法。
方法1:数字应按图2所示的方向注写,并尽可能避免在图示30°范围内标注尺寸,当无法避免时可按图3的形式标注。
方法2:对于非水平方向的尺寸,其数字可水平地注写在尺寸线的中断处(图4、5)。
2.1.3 角度的数字一律写成水平方向,一般注写在尺寸线的中断处(图6)。
必要时也可按图7的形式标注。
2.1.4 尺寸数字不可被任何图线所通过,否则必须将该图线断开(图8)。
图82.2 尺寸线2.2.1 尺寸线用细实线绘制,其终端可以有下列两种形式:a. 箭头:箭头的形式如图9所示,适用于各种类型的图样。
b. 斜线:斜线用细实线绘制,其方向和画法如图10所示。
当尺寸线的终端采用斜线形式时,尺寸线与尺寸界线必须相互垂直,如图11所示。
图11当尺寸线与尺寸界线相互垂直时,同一张图样中只能采用一种尺寸线终端的形式。
当采用箭头时,在地位不够的情况下,允许用圆点或斜线代替箭头(图16)。
机械制图最新国家标准
机械制图是机械工程领域中非常重要的一环,它是机械设计、制造和加工的基础,直接影响着机械产品的质量和性能。
为了规范机械制图的编制和应用,我国制定了一系列的国家标准,其中最新的国家标准对于机械制图的要求和规范进行了更新和完善。
首先,最新国家标准对机械制图的图幅和图样的要求进行了明确规定。
在图幅
方面,标准规定了不同类型的机械制图所应采用的标准图幅尺寸,以及图幅的边框和图框的设置要求。
在图样方面,标准对图样的编制要求进行了详细规定,包括图样的形式、内容、标注、尺寸和公差等方面的规定,确保了机械制图的清晰和准确。
其次,最新国家标准对机械制图的图形符号和标注进行了统一规范。
在图形符
号方面,标准规定了机械制图中常用的各种图形符号的形状、尺寸和比例,以及它们的表示方法和使用规定,使得机械制图的图形符号更加规范和统一。
在标注方面,标准对机械制图中的各种标注进行了规范,包括尺寸标注、公差标注、表面粗糙度标注等,确保了机械制图的标注清晰和准确。
最后,最新国家标准对机械制图的制作和审查进行了详细规定。
在制作方面,
标准规定了机械制图的制作要求和程序,包括图样的编制、绘图的方式和工艺,确保了机械制图的质量和准确性。
在审查方面,标准对机械制图的审查程序和内容进行了规范,包括对图样的完整性、正确性和合理性进行审查,确保了机械制图的规范和可靠性。
综上所述,最新国家标准对机械制图的要求和规范进行了全面和细致的规定,
为机械制图的编制和应用提供了依据和指导。
各个企业和单位在进行机械制图时,应严格按照最新国家标准的要求进行,确保机械制图的质量和准确性,为机械产品的设计、制造和加工提供可靠的基础。
最新机械制图标准机械制图是机械工程设计中不可或缺的重要环节,它是将设计方案转化为具体的图纸和文件,为机械零部件的加工、装配和使用提供了必要的依据。
而机械制图标准则是保证机械制图质量和一致性的重要依据,它规定了机械制图的符号、尺寸标注、注释、图样抄写等方面的要求,对于提高机械制图质量、减少制图错误、提高工作效率具有重要意义。
最新的机械制图标准主要包括国际标准和国家标准两个方面。
国际上,ISO (国际标准化组织)发布了一系列的机械制图标准,其中包括了机械制图的一般原则、线条形式、尺寸标注、表面粗糙度标注等内容。
这些国际标准的发布,为世界各国的机械制图工作者提供了统一的规范,有利于促进国际贸易和技术交流。
而在国内,我国也制定了一系列的国家标准,如GB/T 1182-2008《机械制图尺寸标注》、GB/T 4457-2005《机械制图技术条件》等,这些国家标准是我国机械制图工作的重要依据,对于规范国内机械制图工作、提高机械制图质量具有重要作用。
在实际的机械制图工作中,制图人员必须熟练掌握最新的机械制图标准,严格按照标准要求进行制图,以确保制图质量和一致性。
首先,制图人员应当熟悉并掌握机械制图的一般原则,包括图样的形式、尺寸标注的方法、注释的规定等内容。
其次,制图人员应当熟悉并掌握不同类型零部件的制图要求,如螺纹零件的制图、轴类零件的制图、齿轮零件的制图等,要求制图人员根据不同类型零部件的特点,合理选择图样形式、尺寸标注方法等。
最后,制图人员应当熟悉并掌握图样抄写的规定,确保图样的清晰、准确、完整。
在机械制图中,尺寸标注是至关重要的,它直接关系到零部件的加工和装配质量。
根据最新的机械制图标准,尺寸标注应当准确清晰、符合实际需要、方便加工和检验。
在进行尺寸标注时,应当注意尺寸标注的位置、字体大小、箭头方向等要求,以确保尺寸标注的清晰和准确。
另外,注释的规定也是制图人员需要重点掌握的内容,注释应当简洁明了、准确无误、方便理解和使用。
最新机械制图国家标准机械制图是机械工程设计的重要环节,是将设计人员的创意和构想转化为具体的图纸和数据的过程。
为了规范机械制图的设计和表达,国家相关部门制定了一系列的机械制图国家标准,以便统一和规范机械制图的设计和表达。
首先,机械制图国家标准规定了机械制图的基本要求和规范。
在机械制图的设计过程中,必须符合国家标准规定的图纸格式、线条粗细、字体大小、图形符号等基本要求,以确保机械制图的清晰、准确和统一。
这些基本要求和规范是机械制图设计的基础,也是保证机械制图质量的重要保障。
其次,机械制图国家标准规定了机械零件的图样表达和尺寸标注。
在机械制图中,零件的图样表达和尺寸标注是至关重要的,它直接关系到零件的加工和装配质量。
国家标准规定了零件图样的表达方法、尺寸标注的位置和形式,以及特殊零件的表达和标注要求,使得机械制图在表达零件形状和尺寸时更加准确和清晰。
此外,机械制图国家标准还规定了机械装配图的表达和标注。
机械装配图是将各个零件按照一定的装配关系和方法组合在一起的图纸,它直接关系到机械设备的装配质量和工艺。
国家标准规定了装配图的表达方法、装配顺序和注意事项,以及装配图中各个零件之间的配合关系和间隙要求,使得机械装配图在表达装配关系和零件配合时更加清晰和合理。
最后,机械制图国家标准还规定了机械制图的审查和归档要求。
在机械制图的设计过程中,必须进行严格的审查和检查,以确保机械制图的准确性和完整性。
国家标准规定了机械制图审查的程序和要求,以及机械制图的归档和保存要求,使得机械制图在设计和使用过程中更加可靠和方便。
总的来说,机械制图国家标准是机械制图设计和表达的重要依据,它规范了机械制图的基本要求和规范、零件图样表达和尺寸标注、装配图的表达和标注,以及机械制图的审查和归档要求,为机械制图的设计和使用提供了重要的保障。
只有严格遵守国家标准,才能保证机械制图的质量和准确性,提高机械设备的设计和制造水平。
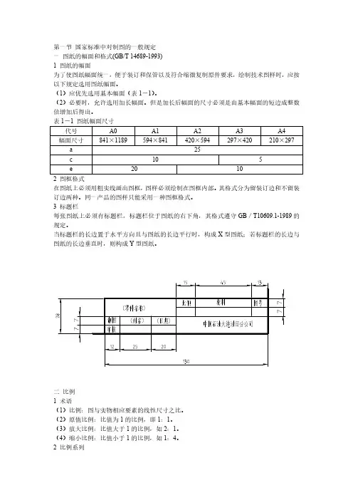
第一节国家标准中对制图的一般规定一图纸的幅面和格式(GB/T 14689-1993)1 图纸的幅面为了使图纸幅面统一,便于装订和保管以及符合缩微复制原件要求,绘制技术图样时,应按以下规定选用图纸幅面。
(1)应优先选用基本幅面(表1-1)。
(2)必要时,允许选用加长幅面。
但是加长后幅面的尺寸必须是由基本幅面的短边成整数倍增加后得出。
表1-1 图纸幅面尺寸代号A0A1A2A3A4幅面尺寸841×1189594×841420×594297×420210×297 a25c105e20102 图框格式在图纸上必须用粗实线画出图框,图样必须绘制在图框内部。
其格式分为留装订边和不留装订边两种。
同一产品的图样只能采用一种图框格式。
3 标题栏每张图纸上必须有标题栏,标题栏位于图纸的右下角,其格式遵守GB/T10609.1-1989的规定。
当标题栏的长边置于水平方向且与图纸的长边平行时,构成X型图纸;若标题栏的长边与图纸的长边垂直时,则构成Y型图纸。
二比例1 术语(1)比例:图与实物相应要素的线性尺寸之比。
(2)原值比例:比值为1的比例,即1:1。
(3)放大比例:比值大于1的比例,如2:1。
(4)缩小比例:比值小于1的比例,如1:4。
2 比例系列绘制图样是,应根据需要按表1-2中规定的优选选择系列中选取适当的比例。
为了从图样上直接反映出事物的大小,绘图时应尽量采用原值比例。
3 标注方法(1)比例符号应以“:”表示,如1:1,2:1等。
(2)比例一般标注在标题栏中的比例栏内。
不论采用何种比例,图形中所标注的尺寸数值必须是实物的实际大小,与图形的比例无关。
表1-2 比例系列种类优先选择系列允许选择系列原值比例1:1-放大比例5:1 2:15×10n:1 2×10n:14:1 2.5:14×10n:1 2.5×10n:1缩小比例1:2 1:5 1:101:2×10n 1:5×10n 1:10×10n1:1.5 1:2.5 1:3 1:4 1:61:1.5×10n 1:2.5×10n 1:3×10n1:4×10n 1:6×10nb三字体1在图样中书写的汉字、数字和字母,都必须做到“字体工整、笔划清楚、间隔均匀、排列整齐”。
最新国家机械制图标准[标准]CAD 通用技术规范中华人民共和国国家标准CAD 通用技术规范Specification for CAD General TechnologyGB/T 17304- 1998--------------------------------------------------------------------------------1 范围本标准规定了 CAD 通用技术的标准化内容及其实现技术应该采用的标准。
本标准适用于三个方面:CAD 软件开发、企业产品设计的 CAD 技术应用、以及CAD 一致性测试。
注:对于 CAD 技术中的不同领域,本标准给出具体的标准。
如果在同一领域中有多个可选用标准存在,本标准则给出首选或推荐标准。
2 引用标准下列标准包含的条文,通过在本标准中引用而构成本标准的条文。
本标准出版时,所示版本均为有效。
所有标准都会被修订,使用本标准的各方应探讨使用下列标准最新版本的可能性。
GB/T13016 ,91 标准体系表编制原则和要求;GB/T 15751 , 1995 技术产品文件计算机辅助设计与制图词汇 ; (eqv ISO/TR10623-1992)3 定义本标准采用 GB/T 15751 中的定义及下列定义。
3.1 GB/T 15751 中的定义3.1.1 计算机辅助设计 computer aided design3.1.2 计算机辅助制图 computer aided drawing (drafting)3.1.3 计算机辅助工程 computer aided engineering3.2 本标准的定义3.2.1 一致性测试 conformance testing按照标准所规定的具体特性对待测产品的测试,以便确定该产品作为一致性实现的一致程度。
3.2.2 零件库 part library能够生成所标识的零件信息的数据集以及与之相关的管理程序。
3.2.3 产品数据的表达与交换 product data representation and exchange在产品数据技术中关于产品信息的形式化描述和数据交换。
机械制图及图面要求仅对于压力容器的图纸作介绍,便于各位工作中对图纸的初步了解。
首先压力容器使用最多是石油、化工行业,炼油,核工业,纺织,轻工(制药、食品、日化)国内垄断石化行业:北方是中国石油天然气集团(中石油)企业标准:石油行业、采油、运输。
上游南方是中国石油化工集团(中石化)企业标准:炼油、化工。
化工设备常用压力容器类型:1. 立式(卧式)压力容器,中、低、高压。
2. 塔(板式、填料)3. 换热器(固定管板、U 形管、浮头)4. 常压容器5. 夹套容器6. 球罐(森松厂不制造)7. 搅拌容器8. 大型储罐重点介绍:1. 换热器(立式,固定管板)包括零部件的画法2. U 形管换热器3. 塔器(板式塔)预焊件图4. 反应器(夹套)下游标准号 TCED41002-2000 <化工设备图样技术要求> 国内工程公司或设计院、制造厂国外经常有项目要求附加的技术要求,应在图纸上表示出特殊要求。
客户要确认图纸是否符合用户的要求。
一、装配图(总图)1. 设计数据表(右上角) 内容:1)设计参数:压力、温度、腐蚀裕量、介质(毒性程度、易燃、牵涉划类、焊接接头系数) 是强度计算的依据;换热器:增加换热面积、换热管、工作温度(进/出)、璧温。
2)设计制造和检验标准:<GB151> <容规> 3)无损检测4)试验:水压、气密 5)热处理6)设备净重、设备充水后2. 管口表用大写英文字母顺序表示管口符号 如 A 、B 、D 、E 1~34. 主视图①表示该设备的主要特征及外形尺寸,各零部件的相关位置(装配关系)、支承型式、吊装 型式、吊耳②标准尺寸(以基准线为准标准)③件号5.俯视图6.节点图换热器:折流板布置换热管与管板拉杆与管板,拉杆与折流板除了标准件及筒体以外,其余原则上都出零件图,有些简单的零件如接地板,吊耳,小 零件在装配图中表示。
二.零部件图管箱 管板 折流板 支座 铭牌 吊耳(如果有)三.图纸目录二.U 形管换热器 BEU管板式二法兰夹持,管板+换热管+折流板组成管束 可以抽出清洗细结构不谈注意折流板布置三.塔比较复杂 GB/T4710-2005 <钢制塔式容器>1.设计参数增加:基本风压 Pa(N/m 2) 地震烈度 7,8 验2.接管多3.增加二个节点4.裙座 基础模板5.计算麻烦 分多个截面 (随着高度变化,壁厚可能有变化) 塔盘支撑件四.夹套型式最后,不管今后分在设计科,还是工艺、资材、生产,看懂图纸是最起码的要求,设计科就要熟悉标准规范、计算、选材、结构处理、按技术要求画图、处理现场出现的问题(有设计、有制造)。