路基路面压实度标准(城镇道路验收标准)
- 格式:doc
- 大小:76.50 KB
- 文档页数:3
路基路面压实度标准
《城镇道路工程施工与质量验收规范》
、沥青混合料面层压实度要求
1
2、冷拌沥青混合料面层压实度要求
压实度(%)(重型击实)
> 95
二、~基层、~底基层压实度要求
1、石灰稳定土、石灰粉煤灰稳定砂砾(碎石)、石灰粉煤灰稳定、钢渣基层与底基层压实度要求:
2、水泥稳定土类基层与底基层压实度要求
3、级配砂砾、级配砾石基层与底基层压实度要求
5、沥青混合料(沥青碎石)基层压实度要求
三、路基压实度要求
1、土路基
1)、土路基压实度标准《城镇道路工程施工与质量检验规范》
2)、土路基压实度标准《城镇道路工程技术标准送审稿》
注、表中数值以重型击实为准。
、特殊地区的路基压实度可参考表列适当降低。
2、路肩:压实度应大于或等于90%
3、软土路基:
1)、换填土处理软土路基:压实度要求同土路基。
2)、砂垫层处理软土路基:压实度应大于或等于90%
四、沥青贯入式与沥青表面处治面层压实度要求
1、沥青贯入式面层压实度要求
压实度(%)(重型击实)
> 95
2、冷拌沥青混合料面层压实度要求
压实度(%)(重型击实)
压实平整,沥青喷洒均匀
土基验收弯沉值
20MPa 560、4 0.01mm
25Mpa 454、6 0.01mm
30Mpa 383、1 0.01mm
331、5 0.01mm 322、9 0.01mm
35Mpa 36Mpa。
路基路面压实度标准
《xx道路工程施工与质量验收规范》
一、沥青混合料面层压实度要求
1、热拌沥青混合料面层压实度要求
2、冷拌沥青混合料面层压实度要求
二、基层、底基层压实度要求
1、石灰稳定土、石灰粉煤灰稳定砂砾(碎石)、石灰粉煤灰稳定、钢渣基层和底基层压实度要求:
2、水泥稳定土类基层和底基层压实度要求:
3、级配砂砾、级配砾石基层和底基层压实度要求:
4、级配碎石、级配碎砾石基层和底基层压实度要求:
5、沥青混合料(沥青碎石)基层压实度要求:
6、沥青贯入式基层压实度要求:
三、路基压实度要求
1、土路基
1)、土路基压实度标准《xx道路工程施工与质量检验规范》
2)、土路基压实度标准《xx道路工程技术标准送审稿》
注:1、表中数值以重型击实为准。
2、特殊地区的路基压实度可参考表列适当降低。
2、路肩:压实度应大于或等于90%
3、软土路基:
1)、换填土处理软土路基:压实度要求同土路基。
2)、砂垫层处理软土路基:压实度应大于或等于90%
四、沥青贯入式与沥青表面处治面层压实度要求
1、沥青贯入式面层压实度要求
2、冷拌沥青混合料面层压实度要求
土基验收弯沉值20MPa560.4
25Mpa454.6
30Mpa383.1
35Mpa331.5
36Mpa322.9。
路基路面压实度标准
《xx道路工程施工与质量验收规范》
一、沥青混合料面层压实度要求
1、热拌沥青混合料面层压实度要求
2、冷拌沥青混合料面层压实度要求
二、基层、底基层压实度要求
1、石灰稳定土、石灰粉煤灰稳定砂砾(碎石)、石灰粉煤灰稳定、钢渣基层和底基层压实度要求:
2、水泥稳定土类基层和底基层压实度要求:
3、级配砂砾、级配砾石基层和底基层压实度要求:
4、级配碎石、级配碎砾石基层和底基层压实度要求:
5、沥青混合料(沥青碎石)基层压实度要求:
6、沥青贯入式基层压实度要求:
三、路基压实度要求
1、土路基
1)、土路基压实度标准《xx道路工程施工与质量检验规范》
2)、土路基压实度标准《xx道路工程技术标准送审稿》
注:1、表中数值以重型击实为准。
2、特殊地区的路基压实度可参考表列适当降低。
2、路肩:压实度应大于或等于90%
3、软土路基:
1)、换填土处理软土路基:压实度要求同土路基。
2)、砂垫层处理软土路基:压实度应大于或等于90%
四、沥青贯入式与沥青表面处治面层压实度要求
1、沥青贯入式面层压实度要求
2、冷拌沥青混合料面层压实度要求
土基验收弯沉值20MPa560.4
25Mpa454.6
30Mpa383.1
35Mpa331.5
36Mpa322.9。
路基路面压实度标准
《城镇道路工程施工与质量验收规范》
一、沥青混合料面层压实度要求
二、基层、底基层压实度要求
1、石灰稳定土、石灰粉煤灰稳定砂砾(碎石)、石灰粉煤灰稳定、钢渣基层和
三、路基压实度要求
1、土路基
注:1、表中数值以重型击实为准。
2、特殊地区的路基压实度可参考表列适当降低。
2、路肩:压实度应大于或等于90%
3、软土路基:
1)、换填土处理软土路基:压实度要求同土路基。
2)、砂垫层处理软土路基:压实度应大于或等于90%
四、沥青贯入式与沥青表面处治面层压实度要求
土基验收弯沉值
20MPa 560.4 0.01mm
25Mpa 454.6 0.01mm
30Mpa 383.1 0.01mm
35Mpa 331.5 0.01mm
36Mpa 322.9 0.01mm。
路基路面压实度标准
《城镇道路工程施工与质量验收规范》
一、沥青混合料面层压实度要求
二、基层、底基层压实度要求
1、石灰稳定土、石灰粉煤灰稳定砂砾(碎石)、石灰粉煤灰稳定、钢渣基层和
三、路基压实度要求
1、土路基
注:1、表中数值以重型击实为准。
2、特殊地区的路基压实度可参考表列适当降低。
2、路肩:压实度应大于或等于90%
3、软土路基:
1)、换填土处理软土路基:压实度要求同土路基。
2)、砂垫层处理软土路基:压实度应大于或等于90%
四、沥青贯入式与沥青表面处治面层压实度要求
土基验收弯沉值
20MPa 560.4 0.01mm
25Mpa 454.6 0.01mm
30Mpa 383.1 0.01mm
35Mpa 331.5 0.01mm
36Mpa 322.9 0.01mm。
路面结构底基层压实度要求
一、有关压实度要求
2008年9月1日颁布实施的《城镇道路工程施工与质量验收规范》、2012年5月1日颁布实施的《城市道路工程设计规范》和2012年7月1日颁布实施的《城镇道路路面设计规范》对道路各部位的压实均有一定的要求。
其中《城镇道路工程施工与质量验收规范》对面层、基层、路基的压实度均有要求;
《城市道路工程设计规范》仅对路基的压实度有要求;
《城镇道路路面设计规范》仅对基层的压实度有要求。
对于道路基层:《城镇道路路面设计规范》的压实度要求比《城镇
道路工程施工与质量验收规范》要严格;
对于道路路基:《城市道路工程设计规范》的压实度要求比《城镇
道路工程施工与质量验收规范》要严格。
今后执行标准:
道路基层的压实度要求今后按《城镇道路路面设计规范》的压实度
要求执行:
道路路基的压实度要求今后按《城市道路工程设计规范》的压实度
要求执行;另外规范规定:在保证路基强度和稳定性的前提下,可对专
用非机动车道、人行道的路基的压实度适当降低,可考虑按92%进行
控制。
对于塘渣垫层的压实度要求,原来均是按照路基的压实度标准进行
控制的,今后按照《城市道路工程设计规范》对路基的压实度要求执行。
路基路面压实度标准
《城镇道路工程施工与质量验收规范》
一、沥青混合料面层压实度要求
二、基层、底基层压实度要求
1、石灰稳定土、石灰粉煤灰稳定砂砾(碎石)、石灰粉煤灰稳定、钢渣基层和
三、路基压实度要求
1、土路基
注:1、表中数值以重型击实为准。
2、特殊地区的路基压实度可参考表列适当降低。
2、路肩:压实度应大于或等于90%
3、软土路基:
1)、换填土处理软土路基:压实度要求同土路基。
2)、砂垫层处理软土路基:压实度应大于或等于90%
四、沥青贯入式与沥青表面处治面层压实度要求
土基验收弯沉值
20MPa 560.4 0.01mm
25Mpa 454.6 0.01mm
30Mpa 383.1 0.01mm
35Mpa 331.5 0.01mm
36Mpa 322.9 0.01mm。
路基路面压实度标准
《城镇道路工程施工与质量验收规范》
一、沥青混合料面层压实度要求
1、石灰稳定土、石灰粉煤灰稳定砂砾(碎石)、石灰粉煤灰稳定、钢渣基层与底
1、土路基
1)、土路基压实度标准《城镇道路工程施工与质量检验规范》
注:1、表中数值以重型击实为准。
2、特殊地区的路基压实度可参考表列适当降低。
2、路肩:压实度应大于或等于90%
3、软土路基:
1)、换填土处理软土路基:压实度要求同土路基。
2)、砂垫层处理软土路基:压实度应大于或等于90%
四、沥青贯入式与沥青表面处治面层压实度要求
土基验收弯沉值
20MPa 560、4 0.01mm
25Mpa 454、6 0.01mm
30Mpa 383、1 0.01mm
35Mpa 331、5 0.01mm 36Mpa 322、9 0.01mm。
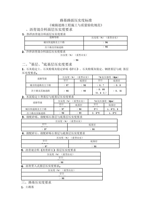
路基路面压实度标准〈〈城镇道路工程施工与质量验收标准?、沥青混合料面层压实度要求1道路等级压实度〔为〔重型击实〕城市快速路及主干路> 96次干路及其他道路> 952、冷拌沥宵混合料面层压实度要求压实度〔% 〔重型击实〕> 95、基层、底基层压实度要求1、石灰稳定土、石灰粉煤灰稳定砂砾〔碎石〕、石灰粉煤灰稳定、钢渣基层和底基层压实度要求:道路等级压实度〔为〔重型击实〕7d抗压强度〔Mp®基层底基层基层底基层城市快速路及主干路> 97> 95> 0.7> 0.5次干路及其他道路> 95法93> 0.55〔0.5 支〕> 0.45道路等级压实度〔为〔重型击实〕7d抗压强度〔Mp®基层底基层基层底基层城市快速路及主干路> 97> 953-4 1.5-2.5次干路及其他道路> 95> 93 2.5-3 1.5-2压实度〔为〔重型击实〕基层底基层> 97> 95压实度〔为〔重型击实〕基层底基层> 97> 955、沥宵混合料〔沥宵碎石〕基层压实度要求:压实度〔为〔重型击实〕>956、沥宵贯入式基层压实度要求:压实度〔%〕〔重型击实〕>95三、路基压实度要求1、土路基注:、表中数值以重型击实为准。
、特殊地区的路基压实度可参考表列适当降低。
2、路肩:压实度应大丁或等丁90%3、软土路基:1〕、换填土处理软土路基:压实度要求同土路基。
2〕、砂垫层处理软土路基:压实度应大丁或等丁90%四、沥青贯入式与沥青外表处治面层压实度要求1、沥宵贯入式面层压实度要求压实度〔% 〔重型击实〕> 952、冷拌沥宵混合料面层压实度要求压实度〔% 〔重型击实〕压实平整,沥青喷洒均匀土基验收弯沉值20MPa 560.4 0.01mm25Mpa 454.6 0.01mm30Mpa 383.1 0.01mm35Mpa 331.5 0.01mm36Mpa 322.9 0.01mm。
路基路面压实度标准
《城镇道路工程施工与质量验收规范》
一、沥青混合料面层压实度要求
二、基层、底基层压实度要求
1、石灰稳定土、石灰粉煤灰稳定砂砾(碎石)、石灰粉煤灰稳定、钢渣基层和底
三、路基压实度要求
1、土路基
注:1、表中数值以重型击实为准。
2、特殊地区的路基压实度可参考表列适当降低。
2、路肩:压实度应大于或等于90%
3、软土路基:
1)、换填土处理软土路基:压实度要求同土路基。
2)、砂垫层处理软土路基:压实度应大于或等于90%
四、沥青贯入式与沥青表面处治面层压实度要求
土基验收弯沉值
20MPa560.40.01mm
25Mpa 454.60。
01mm
30Mpa 383。
1 0。
01mm
35Mpa 331。
50。
01mm
36Mpa322。
90.01mm。
路基路面压实度标准
《城镇道路工程施工与质量验收规范》
一、沥青混合料面层压实度要求
二、基层、底基层压实度要求
1、石灰稳定土、石灰粉煤灰稳定砂砾(碎石)、石灰粉煤灰稳定、钢渣基层和
三、路基压实度要求
1、土路基
注:1、表中数值以重型击实为准。
2、特殊地区的路基压实度可参考表列适当降低。
2、路肩:压实度应大于或等于90%
3、软土路基:
1)、换填土处理软土路基:压实度要求同土路基。
2)、砂垫层处理软土路基:压实度应大于或等于90%
四、沥青贯入式与沥青表面处治面层压实度要求
土基验收弯沉值
20MPa 560.4 0.01mm
25Mpa 454.6 0.01mm
30Mpa 383.1 0.01mm
35Mpa 331.5 0.01mm
36Mpa 322.9 0.01mm。
路基路面压实度标准
《城镇道路工程施工与质量验收规范》
一、沥青混合料面层压实度要求
二、基层、底基层压实度要求
1、石灰稳定土、石灰粉煤灰稳定砂砾(碎石)、石灰粉煤灰稳定、钢渣基层和
三、路基压实度要求
1、土路基
注:1、表中数值以重型击实为准。
2、特殊地区的路基压实度可参考表列适当降低。
2、路肩:压实度应大于或等于90%
3、软土路基:
1)、换填土处理软土路基:压实度要求同土路基。
2)、砂垫层处理软土路基:压实度应大于或等于90%
四、沥青贯入式与沥青表面处治面层压实度要求
土基验收弯沉值
20MPa 560.4 0.01mm
25Mpa 454.6 0.01mm
30Mpa 383.1 0.01mm
35Mpa 331.5 0.01mm
36Mpa 322.9 0.01mm。