颗粒级配曲线不均匀系数计算.
- 格式:doc
- 大小:75.50 KB
- 文档页数:2
颗粒分析试验第一节 概述颗粒分析试验是测定干土中各粒组含量占该土总质量的百分数。
土的颗料大小、级配和粒组含量是土的工程分类的重要依据。
土粒大小与土的矿物组成、力学性质、形成环境等均有直接联系。
因此,土的颗料大小是土的重要特征。
颗粒分析试验是土工基本试验之一,其成果的准确性常影响土工建筑物设计方案甚至稳定性。
第二节 试验原理土粒的粒径变化范围非常大(粒径由大于60mm 到小于0.002mm ),故对不同的粒组采用不同的试验方法:粗粒组一般用筛析法,细粒组采用密度计法或移液管法。
不同的试验方法其试验原理也不同。
一、粗粒组筛析法试验原理对于粒径大于0.075mm 的粗粒土,一般采用筛析法分析土的颗粒大小。
筛析法是采用不同孔径的分析筛,由上至下孔径自大到小叠在一起。
试验时,取质量为的干土放入最上的筛里,通过筛析后,得到不同孔径筛上土质量,进而计算出粒组含量和累积含量。
二、粗粒组密度计法试验原理司笃克斯(Stocks )研究微小球体在水中下沉时,发现球体的运动近似满足如下规律; 1.小球体在水中沉降的速率是恒定的;2.小球体沉降速率大小与球体直径的平方成正比。
上述规律可用下式表示:()241800d gG G v C w wt s ηρ-=(4-1)式中:——颗粒直径,mm ;——颗粒沉降速率,cm/s ;——4℃时水的密度,34/0.1cm g C w = ρ; ——水温时水的比重;——水温时水的动力粘滞系数,s kPa ⋅-210; ——土粒比重;——重力加速度,2/81.9s m g =。
由式(4-1)知,颗粒比重一定时,颗粒愈大,在水中沉降的速率愈快。
现将一定质量的土与水搅拌成总体积为的均匀悬液,然后观察悬液中颗粒下沉情况和悬液浓度的变化。
为研究方便,取距悬液表面为的薄层MN 来分析,如图4—1所示。
试验开始时(0=t 时刻),悬液均匀,悬液中自上至下各粒组均匀分布,然后土粒开始下沉,大颗粒下沉比较快,细颗粒下沉比较慢。
巧用excel绘制颗粒级配曲线与自动计算粒组特征参数摘要:颗粒分析试验为基础土工试验之一,其成果对土样定名及物理力学性质的判断都有着重要意义。
由于试验原始数据繁多,处理步骤繁杂,而以往试验室对颗分数据多为人工处理,导致颗粒分析数据处理工作量大,且结果易出错。
利用excel的函数和图表功能,可实现颗粒分析试验从原始数据计算、颗粒级配曲线绘制到粒组特征参数计算的数据自动处理,减少人为影响,提高工作效率及计算准确度。
关键字:颗粒级配曲线;粒组特征参数;自动计算1.颗粒分析试验数据处理的基本流程颗粒分析是通过测定干土中各粒组所占该土总质量的百分数的方法,借以明了颗粒大小分布情况,供分类土性、判断土的工程性质及选料之用[1],其基本原理参见文献[1]、[2]。
本文仅讨论筛析法联合密度计法的颗粒分析自动化数据处理。
其数据处理分为五个基本步骤:①筛析法计算0.075mm以上颗粒大小及含量②密度计法计算0.075mm以下颗粒大小及含量③绘制颗粒级配曲线④从颗粒级配曲线上读取粒组特征参数和粒径含量的辅助数据(粒径0.05mm,0.005mm,0.002mm所对应的含量百分比)⑤计算粒径含量表。
试验成果包括颗粒级配曲线,粒组特征参数(d10,d30,d50,d60,不均匀系数Cu,曲率系数Cc)及粒径含量表。
2.目前颗粒分析电化处理数据的状况随着计算机的普及,目前很多试验室已经开始用软件来完成颗粒分析数据的电化处理,常见的主要是办公软件Excel[3][4]和绘图软件AutoCAD[5]。
据笔者了解,目前试验室用Excel处理颗粒分析数据的方式还主要局限于常规计算和绘制颗分曲线[3][4],而粒组特征参数及粒径含量的辅助数据仍采用人工读取,这样的做法导致数据精度因人而异,且结果易发生量级错误;用AutoCAD处理颗粒分析数据,虽已通过编制AtuoLISP程序自动计算出粒组特征参数,但由于AutoCAD的优势在于图形处理而非数据处理,因此还要利用Excel表格进行数据前期准备,然后用AtuoLISP在AutoCAD中进行绘图和简单计算[5]。
1.相对密度D r 的表达式是 D r =(e max -e)/(e max -e min ) ,D r 等于 1 时砂土处于最紧密-2砂土-大于 2mm 粒径-不超过全重50%,而大于 0.075mm 粒径-超过全重50%的土。
3自重应力自 室外地面 起算,随着深度呈 增加的趋势 。
4、a 1-2表示压力范围p 1= 100kpa ,p 2= 200kpa 时-压缩系数,-a 1-2来评价土的压缩性高低。
5土完全侧限条件下土样压缩稳定后的孔隙比,受压前后的 土粒体积 、 截面面积 。
6.粘性土的极限平衡条件是 σ1=σ3tg 2(45.+φ/2)+2ctg(45.+φ/2 ) 剪切破坏面与大主应力面的夹角为 45。
+φ/2 。
7.确定地基承载力的方法有 理论公式法、 载荷试验法 和经验法等几种。
8.抗剪强度的指标为 内聚力 和 内摩擦角 。
9.钢筋混凝土独立基础应按__冲切___破坏确定,条形基础应按___剪切_____破坏确定。
10.桩静载荷试验时,在同一条件下的试桩数量不宜少于 总桩数的 1﹪,并不应小于 3根。
1.土的粒径越不均匀,颗粒级配曲线越 平缓 ,不均匀系数越 大 。
2.抽取地下水位,地下水位下降,有效自重应力 增加 ,而造成 地面沉陷 的严重后果。
3.抗剪强度曲线与摩尔应力圆在A 点相切,表明A 点所代表的平面的剪应力τ 等于 土的抗剪强度τf ,即该点处于 极限平衡 状态。
4.附加应力自 基础底面 起算,随着深度呈 减小的趋势 。
5.塑性指数Ip 的表达式是 wl -wp 。
粘性土的Ip 越大,说明土中 粘粒 含量越高。
6.土在荷载作用下发生变形总沉降量三部分组成固结沉降、瞬时 沉降和 次固结 沉降。
7.地基的破坏形式有 整体剪切破坏、 局部剪切破坏 、 冲剪破坏 等几种。
10.桩按承载性能分类,可分为 摩擦型桩 和 端承型桩 两类。
1.粘粒在最优含水量时,压实密度最大,同一种土的压实能量越大,最优含水量越大。
1、土的不均匀系数Cu及曲率系数Cc的定义是什么?如何从土的颗粒级配曲线形态上、Cu及Cc数值上评价土的工程性质?不均匀系数Cu反映了大小不同粒组的分布情况。
曲率系数Cc描述了级配曲线分布的整体形态,表示是否有某粒组缺失的情况。
评价:(1)对于级配连续的土:Cu>5,级配良好;Cu<5,级配不良。
(2)对于级配不连续的土:同时满足Cu>5和Cc=1~3,级配良好,反之则级配不良。
2、反映无黏性土密实度状态的指标有哪些?采用相对密实度判断砂土的密实度有何优点?而工程上为何应用得并不广泛?指标:孔隙比、最大孔隙比、最小孔隙比。
优点:判断密实度最简便的方法是用孔隙比e来描述,但e未能考虑级配的因素,故引入密实度。
应用不广泛的原因:天然状态砂土的孔隙比e值难测定,此外按规程方法室内测定孔隙比最大值和孔隙比最小值时,人为误差也较大。
3、下列物理指标中,哪几项对黏性土有意义?哪几项对无黏性土有意义?塑性指数、液性指数对黏性土有意义。
粒径级配、相对密实度对无黏土有意义。
4、淤泥和淤泥质土的生成条件,物理性质和工程特性是什么?能否作为建筑物的地基?生成条件:在静水成缓慢的流水环境中沉积,并经生物化学作用形成。
物理性质和工程特性:孔隙比大(e》1),天然含水量高(W》WL)压缩性高,强度低和具有灵敏性、结构性的土层,为不良地基,故不能作为建筑物的地基。
5、简述渗透定理的意义,渗透系数K如何测定?动水如何计算?何谓流砂现象?这种现象对工程有何影响?渗透定理即达西定律V=ki,其反映土中水渗流快慢。
室内测定渗透系数有常水头法和变水头法,也可在现场进行抽水实验测定。
流砂现象:当动水为GD数值等于或大于土的浮重度时,土体发生浮起而随水流动。
影响:基础因流砂破坏,土粒随水流走,支撑滑落,支护结构移位,地面不均匀沉降,引起房屋产生裂缝及地下管线破坏,严重时将导致工程事故。
6、土的压缩性指标有哪些?他们之间有何关系?7、8、9、什么是土的抗剪强度?什么是土的抗剪强度指标?试说明土的抗剪强度的来源。
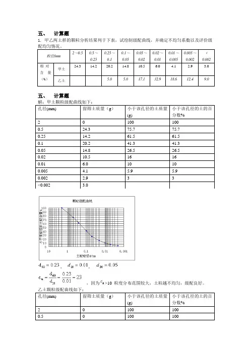
五、 计算题1. 甲乙两土样的颗粒分析结果列于下表,试绘制级配曲线,并确定不均匀系数以及评价级配均匀情况。
粒径/mm2~0.5 0.5~ 0.25 0.25~ 0.1 0.1~ 0.05 0.05~ 0.02 0.02~ 0.01 0.01~0.005 0.005~0.002 ﹤0.002相 对 含量(%)甲土 24.314.2 20.2 14.8 10.5 6.0 4.1 2.9 3.0 乙土5.05.017.132.918.612.49.0五、 计算题,,,因为>10 粒度分布范围较大,土粒越不均匀,级配良好。
孔径(mm) 留筛土质量(g ) 小于该孔径的土质量(g) 小于该孔径的土的百分数% 2 0 100 100 0.5100100孔径(mm) 留筛土质量(g ) 小于该孔径的土质量(g) 小于该孔径的土的百分数% 2 0 100 100 0.5 24.3 75.7 75.7 0.25 14.2 61.5 61.5 0.1 20.2 41.3 41.3 0.05 14.8 26.5 26.5 0.02 10.5 16 16 0.01 6.0 10 10 0.005 4.1 5.9 5.9 0.002 2.9 3 3 <0.002 3.00.25 05 100 1000.1 5 95 950.05 5 90 900.02 17.1 72.9 72.90.01 32.9 40 400.005 18.6 21.4 21.40.002 12.4 9 9<0.002 9,因为大于5,在1-3之间所以为良好级配砂五、计算题1. 有一完全饱和的原状土样切满于容积为21.7cm3的环刀内,称得总质量为72.49g,经1 05℃烘干至恒重为61.28g,已知环刀质量为32.54g,土粒相对密度(比重)为2.74,试求该土样的湿密度、含水量、干密度及孔隙比(要求按三项比例指标定义求解)。
2. 某原状土样的密度为1.85g/cm 3、含水量为34%、土粒相对密度为2.71,试求该土样的饱和密度、有效密度和有效重度(先导得公式然后求解)。
土力学重点复习一1什么是土的颗粒级配?土粒的大小及其组成情况,通常以土中各个粒组的相对含量(各粒组占土粒总量的百分数)来表示,称为土的颗粒级配(粒度成分)。
是怎样生成的?有何工程特点?什么是土的结构单粒结构蜂窝结构絮状结1.根据土的颗粒级配曲线,当颗粒级配曲线较较平缓时表示土的级配良好。
2.工程中常把C U>10的土称为级配良好的土,把C U<5的土称为级配均匀的土,其中评价指标叫不均匀系数。
5.不均匀系数Cu、曲率系数Cc 的表达式为Cu=d60/ d10、Cc=d230 / (d60×d10 )。
6. 砂类土样级配曲线能同时满足Cu ≧5 及Cc = 1~3的土才能称为级配良好的土。
土与其它连续固体介质相区别的最主要特征就是它的:散粒性和多相性。
7粒大小及级配,通常用颗粒级配曲线表示,土的颗粒级配曲线越平缓,则表示土粒大小不均匀,级配良好。
9.若甲、乙两种土的不均匀系数相同,则两种土的限定粒径与有效粒径之比相同。
d s什么是塑限、液限和缩限?什么是液性指数、塑性指数?液限w L:液限定义为流动状态与塑性状态之间的界限含水量。
塑限w p: 塑限定义为土样从塑性进入半坚硬状态的界限含水量。
缩限w s: 缩限是土样从半坚硬进入坚硬状态的界限含水量。
指数I P 定义为土样的液限和塑限之差:I P= w L-w P土的灵敏度和触变性土的灵敏度定义为原状土强度与扰动土强度之比,即: S t= 原状土强度/扰动土强度。
土的强度通常采用无侧限抗压强度试验测定,土的灵敏度愈高,其结构性愈强,受扰动后土的强度降低就愈多。
所以在基础施工中应注意保护基槽,尽量减少土结构的扰动。
影响土压实性的主要因素什么?含水量、击实能量、土的颗粒级配、试验条件。
什么是最优含水量和最大干密度?在一定的压实能量下使土最容易压实,并能达到op表示;相对应的干密度叫最大dmax表示。
影响土击实效果的因素有哪些?含水量、土类及级配、击实功能、毛细管压力以及孔隙压力等,其中前三种影响因素是最主要的。
土力学模拟试题一、填空题1.颗粒级配曲线越,不均匀系数越,颗粒级配越。
为获得较大密实度,应选择级配的良好的土粒作为填方。
2.渗透力(即动水压力)是对的压力,渗透力的表达式是,产生流砂大条件是。
3.饱和粘土的沉降由、、沉降组成,计算这几部分沉降时,其压缩性指标要分别采用、、。
4.压缩系数a= ,a1-2表示压力范围p1= ,p2= 的压缩系数,工程上常用a1-2来评价土的压缩性的高低。
当属低压缩性土,当时属中等压缩性土,当时属高压缩性土。
5.粘性土抗剪强度库仑定律的总应力的表达式τf= ,有效应力的表达式τf= 。
6.地基为厚粘土层,施工速度快,应选择抗剪强度指标。
7.挡土墙常见的形式有、、、等,采用的材料有、、等。
8.塑性指标Ip= ,它表明粘性土处于可塑状态时的变化范围,它综合反映了、等因素。
因此《规范》规定:为粉质粘土,为粘土。
9.粘性土的液性指标I L= ,它的正负、大小表征了粘性土的状态,《规范》按I L将粘性土的状态划分,,,,。
10.应力不引起地基沉降,应力引起地基沉降,在、等情况下也会引起地面沉降。
11.超固结比OCR指的是和之比;根据OCR的大小可把粘性土分为、、三类;OCR<1大粘性土属土。
12.某工程施工工期较长,能固结排水,当工程完工后,使用荷载短期内突增,宜选择试验的抗剪强度。
13.土体中的剪应力等于土的抗剪强度时的临界状态称之为土的状态。
14.计算被动土压力时,库仑理论假设破裂面为一,实际为一,因此计算结果误差较大,而用朗肯土压力计算值,偏于,因此一般采用朗肯理论。
二、简单题1、何谓土的不均匀系数?写出其表达式并加以解释。
其工程意义如何?2、简述地基中竖向应力的分布规律?3、为什么可以说土的压缩变形实际上是土的孔隙体积大减小?4、直剪试验和三轴试验的优缺点?5、影响土压力的因素有哪些?其中最主要的影响因素是什么?6、土的结构划分哪几种,简述每种结构土体的特点。
7、简述影响土中应力分布的因素。
二 土的物理性质与工程分类一、填空题1. 土是由固体颗粒、_________和_______组成的三相体。
2. 土颗粒粒径之间大小悬殊越大,颗粒级配曲线越_______,不均匀系数越______,颗粒级配越______。
为了获得较大的密实度,应选择级配________的土料作为填方或砂垫层的土料。
3. 塑性指标P I =________,它表明粘性土处于_______状态时的含水量变化范围。
4. 根据___________可将粘性土划分为_________、_________、_________、________、和___________五种不同的软硬状态。
5. 反映无粘性土工程性质的主要指标是土的________,工程上常用指标________结合指标________来衡量。
6. 在土的三相指标中,可以通过试验直接测定的指标有_________、_________和________,分别可用_________法、_________法和________法测定。
7. 土的物理状态,对于无粘性土,一般指其________;而对于粘性土,则是指它的_________。
8. 土的结构是指由土粒单元的大小、形状、相互排列及其连接关系等因素形成的综合特征,一般分为_________、__________和__________三种基本类型。
9. 土的灵敏度越高,结构性越强,其受扰动后土的强度降低就越________。
10. 工程上常用不均匀系数u C 表示土的颗粒级配,一般认为,u C ______的土属级配不良,u C ______的土属级配良好。
有时还需要参考__________值。
11. 土的含水量为土中_______的质量与_________的质量之比。
12. 某砂层天然饱和重度sat γ20=KN/m 3,土粒比重的68.2=s d ,并测得该砂土的最大干密度33max 1.7110kg /m d ρ=⨯,最小干密度33min 1.5410kg /m d ρ=⨯,则天然孔隙比e 为______,最大孔隙比m ax e 为______,最小孔隙比m in e 为______。
粗粒土、细粒土都有可能。
不均匀系数和曲率系数反应的是土的级配好坏。
以下是本人经对中心报告推算以及参考《铁路路基设计规范》(TB 10001-2005)第16页对不均匀系数和曲率系数的总结:
试验项目试验结果
小于某粒径试样质量占试样总质量百分数
<60mm100
<40mm84.88
<20mm36.84
<10mm12.10
<5mm7.50
<2mm 5.00
<1mm0.23
<0.5mm0.17
<0.25mm0.12
<0.075mm0.05
<0.05mm
<0.01mm
<0.005mm
<0.002mm
土的定名
级配不好的粗角砾,填料
组别B类
不均匀系数C U 3.84
曲率系数C C 1.30
设计标准说明:①d10、d30、d60分别为颗粒级配曲线上相应于10%、30%、60%含量的粒径1、首先在筛分记录表中找出对应10%、30%、60%的质量对应的粒径,用内插法计算得出粒径。
60%30%10%
40 84.88 20 36.84 10 12.10
内插法
计算值
29.66017.2307.710
20 36.84 10 12.10 5 7.5
2、按下式计算:
(1)不均匀系数:C U=d60/d10 =29.6/÷7.7=3.84
(2)曲率系数:C
C
= d302/(d60×d10)=17.22÷(29.6×7.7)=1.30。
钻井工程课后题答案楼一珊1. 颗粒级配曲线越(),不均匀系数(),颗粒级配越好。
为获得较大密实度,应选择级()的土料作为填方或砂垫层的土料。
正确答案是()? [单选题] *A、平缓,越大,良好(正确答案)B、平缓,越小,良好C、陡,越大,一般D、陡,越小,良好2. 对无粘性土,工程性质影响最大的是土的密实度,工程上用指标()来衡量?[单选题] *A、压实度B、相对密实度C、压实度D、相对密实度(正确答案)3. 在粘性土的物理指标中,对粘性土的性质影响较大的指标是()? [单选题] *A、液性指数B、塑性指数(正确答案)C、液限D、塑限4. 《规范》按液性指标将粘性土的状态划分为()? [单选题] *A、坚硬、硬塑、流塑、可塑、软塑B、硬塑、坚硬、可塑、软塑、流塑C、坚硬、硬塑、软塑、可塑、流塑D、坚硬、硬塑、可塑、软塑、流塑(正确答案)5. 根据地质作用的能量来源的不同,可分为()? [单选题] *A、内、外动力地质作用(正确答案)B、风化作用C、岩浆作用D、沉积作用6. 在工程上,岩石是按什么进行分类()? [单选题] *A.成因和风化程度(正确答案)B.成因C.坚固性和成因D.坚固性和风化程度7. 土体具有压缩性的主要原因是()? [单选题] *A.主要是由土颗粒的压缩引起的B.主要是由孔隙的减少引起的(正确答案)C.主要是因为水被压缩引起的D.土体本身压缩模量较小引起的8. 土的结构性强弱可用()反映? [单选题] *A.饱和度B.灵敏度(正确答案)C.粘聚力D.相对密实度9. 用“环刀法”测定()? [单选题] *A.土的天然密度(正确答案)B.土的浮密度C.土的饱和密度D.土的干密度10. 工程上控制填土的施工质量和评价土的密实程度常用的指标是()? [单选题] *A、有效重度B、土粒相对密度C、压实度D、干重度(正确答案)11. 工程上检验填土的施工质量和评价土的密实程度常用的指标是()? [单选题] *A、有效重度B、土粒相对密度C、压实度(正确答案)D、干重度12. 碾压及夯实法不适用于以下哪个地层()? [单选题] *A、碎石土B、砂土C、低饱和度粘性土D、高饱和度粘性土(正确答案)13. 砂垫层(碎石、砂砾)适用范围为()? [单选题] *A、湿陷性黄土地基B、膨胀土地基C、中、小型建筑工程的滨、塘、沟等局部处理(正确答案)D、大、中型工程的大面积填筑14. 砂石桩在松散砂土中的加固机理为()? [单选题] *A、置换作用和排水作用B、置换作用和振密作用C、挤密作用和排水作用D、挤密作用和振密作用(正确答案)15. 砂石桩在软黏土中的加固机理为()? [单选题] *A、置换作用和排水作用(正确答案)B、置换作用和振密作用C、挤密作用和排水作用D、挤密作用和振密作用16. CFG桩属于()? [单选题] *A、桩基础B、复合地基(正确答案)C、天然地基D、浅基础17. 确定常规浅基础埋置深度时,一般不考虑的因素是()? [单选题] *A、土的类别与土层分布B、基础类型C、地下水位D、基础平面形状(正确答案)18. 对于相同的场地,下面哪种情况可以提高承载力()? [单选题] *A、加大基础埋深(正确答案)B、减小基础埋深C、建筑物建成后,填高室外地坪D、建筑物建成后,地下水上升19. 先修高的、重的建筑物,后修轻的、矮的建筑物能够达到下面哪种效果()?[单选题] *A、减小建筑物的沉降量B、减小建筑物的沉降差(正确答案)C、改善建筑物的抗震性能D、减小建筑物以下土层的附加应力分布20. 均质土中等截面抗压桩的桩身轴力分布规律是()? [单选题] *A、从桩顶到桩端逐渐减小(正确答案)B、从桩顶到桩端逐渐减大C、从桩顶到桩端均匀分布D、桩身中部最大,桩顶与桩端最小。
《土质学与土力学》习题库注:红色标注的内容是不考试的内容,黑色的内容为考试内容。
第一章习题一.填空题1.土粒粒径越,颗粒级配曲线越,不均匀系数越,颗粒级配越。
为了获得较大密实度,应选择级配的土粒作为填方或砂垫层的材料。
2.粘土矿物基本上是由两种原子层(称为品片)构成的,一种是,它的基本单元是Si—0四面体,另一种是,它的基本单元是A1—OH八面体。
3.土中结构一般分为、和三种形式。
4.衡量天然状态下粘性土结构性强弱的指标是,其定义是值愈大,表明土的结构性,受扰动后土的强度愈多。
5.土中主要矿物有、和。
它们都是由和组成的层状晶体矿物。
二.选择题1.在毛细带范围内,土颗粒会受到一个附加应力。
这种附加应力性质主要表现为( )(A)浮力; (B)张力; (C)压力。
2.对粘性土性质影响最大的是土中的( )。
(A)强结合水; (B)弱结合水; (C)自由水; (D)毛细水。
3.砂类土的重要特征是( )。
(A)灵敏度与活动度; (B)塑性指数与液性指数;(C)饱和度与含水量; (D)颗粒级配与密实度。
4.土中所含“不能传递静水压力,但水膜可缓慢转移从而使土具有一定的可塑性的水,称为( )。
(A)结合水; (B)自由水; (C)强结合水; (D)弱结合水。
5.软土的特征之一是( )。
(A)透水性较好; (B)强度较好; (C)天然含水量较小; (D)压缩性较高。
6.哪种土类对冻胀的影响最严重?( )(A)粘土; (B)砂土; (C)粉土。
7.下列粘土矿物中,亲水性最强的是( )。
(A)高岭石; (B)伊里石; (C)蒙脱石8.对土粒产生浮力的是( )。
(A)毛细水; (B)重力水; (C)强结合水, (D)弱结合水。
(9)毛细水的上升,主要是水受到下述何种力的作用?( )(A)粘土颗粒电场引力作用; (B)孔隙水压力差的作用(C)水与空气交界面处的表面张力作用。
(10)软土的特征之一是( )。
(A)透水性较好; (B)强度较好; (C)天然含水量较小; (D)压缩性较高三.问答题2.什么是颗粒级配曲线,它有什么用途?3.粘土矿物有哪几种?对土的矿物性质有何影响?并说明其机理?6.试比较土中各种水的特征。
土地颗粒级配的不均匀系数
土地颗粒级配的不均匀系数是指在不同类型的土壤上,利用坡度空间模式配置不同类型土颗粒组合,以便估算土地污染阈值的指标。
依据空间坡度空间模式配置的不均匀系数,合理使用水分和肥料,并且及时灌溉,在有限的水源条件下,保证土地植物生长。
不均匀系数包含卫星观测和空间情报技术两个因素,卫星观测可以实现对土地上植被的长期监测,辅以空间情报技术,可以实现对土地上土壤和土颗粒组合的连续测量,形成多维度的数据库,版本可供扩展。
并以此为基础,利用不均匀系数,及时地对检测结果进行整合,对土地污染阈值进行可靠的预估。
同时,利用不均匀系数和其它空间模式的优势,及时诊断农田土壤的肥力构成,调整农田土壤结构,实现有限水资源的高效利用,从而大规模提升植物的生长效率,同时也规范了农田的管护工作,提升了农田的出产率。
总之,土地颗粒级配的不均匀系数具有传播和综合评价空间模式优势,实现了后期数据技术管理,及时地定量评估植物生长阈值,实现节水灌溉,并且有利于优化肥料利用率。
鉴于此,我极力推荐广大农户采用土地颗粒级配的不均匀系数,助力农业增产增收,提升农户经济收入。
不均匀系数公式
不均匀系数(Coefficient of Uniformity)是用来描述颗粒分布均匀性的一个指标,通常用于分析土壤、砂土等粒径分布的情况。
不均匀系数CU 的计算公式为:
CU = d60 / d10
其中:
- d10:在土的粒径累计曲线上,过筛重量占10%的粒径;
- d60:在土的粒径累计曲线上,过筛重量占60%的粒径。
当CU 小于5 时,土壤被称为匀粒土,级配不良;当CU 大于10 时,土壤级配良好,但可能缺失中间粒径,属于不连续级配。
因此,还需要同时使用曲率系数(Cc)来评价土壤的级配情况。
曲率系数是描述累计曲线整体形状的指标,计算公式为:
Cc = (d30 * d30) / (d60 * d10)
其中:
- d30:在土的粒径累计曲线上,过筛重量占30%的粒径。
综合考虑不均匀系数CU 和曲率系数Cc,可以更全面地评估土壤的颗粒分布情况。
土工试验颗粒分析试验8 颗粒分析试验8.1 一般规定8.1.1 本试验方法分为筛析法、密度计法、移液管法。
8.1.2 本试验根据土的颗粒大小及级配情况,可分别采用下列4种方法:1 筛析法:适用于粒径为0.075mm~60mm的土;2 密度计法:适用于粒径小于0.075mm的土;3 移液管法:适用于粒径小于0.075mm的土;4 当土中粗细兼有时,应联合使用筛析法和密度计法或筛析法和移液管法。
8.2 筛析法8.2.1 本试验所用的仪器设备应符合下列规定:1 试验筛:应符合现行国家标准《试验筛技术要求和检验第1部分:金属丝编织网试验筛》GB/T 6003.1的规定;2 粗筛:孔径为60mm、40mm、20mm、10mm、5mm、2mm;3 细筛:孔径为2.0mm、1.0mm、0.5mm、0.25mm、0.1mm、0.075mm;4 天平:称量1000g,分度值0.1g;称量200g,分度值0.01g;5 台秤:称量5kg,分度值1g;6 振筛机:应符合现行行业标准《实验室用标准筛振荡机技术条件》DZ/T 0118的规定;7 其他:烘箱、量筒、漏斗、瓷杯、附带橡皮头研柞的研钵、瓷盘、毛刷、匙、木碾。
8.2.2 筛析法试验应按下列步骤进行:1 从风干、松散的土样中,用四分法按下列规定取出代表性试样:1)粒径小于2mm的土取100g~300g;2)最大粒径小于10mm的土取300g~1000g;3)最大粒径小于20mm的土取1000g~2000g;4)最大粒径小于40mm的土取2000g~4000g;5)最大粒径小于60mm的土取4000g以上。
2 砂砾土筛析法应按下列步骤进行:1)应按本标准第8.2.2条第1款规定的数量取出试样,称量应准确至0.1g;当试样质量大于500g时,应准确至1g;2)将试样过2mm细筛,分别称出筛上和筛下土质量;3)若2mm筛下的土小于试样总质量的10%,则可省略细筛筛析。
若2mm筛上的土小于试样总质量的10%,则可省略粗筛筛析;4)取2mm筛上试样倒入依次叠好的粗筛的最上层筛中;取2mm筛下试样倒入依次选好的细筛最上层筛中,进行筛析。
级配曲线的快速绘制在土石坝施工、爆破粒径控制等工作中,往往需要绘制块径的级配曲线,从而确定不均匀系数CU 、曲率系数CC,判断出该料是否平顺、光滑,是否在设计提出的上下包络线内,而对于反滤料,由于反滤层设在产生渗流的两种粗细明显不同的材料之间,以防止产生渗透变形对于反滤料,其最重要的选择指标即为颗粒级配,因此,级配曲线绘制在土工试验中是必须进行的工作,但由于级配曲线水平座标为对数座标,存在着对数座标互换、百分含量累加、描点、连线等一系列繁杂的工作,工作极为枯燥乏味,一般说来,传统绘制级配曲线的方法主要有如下几种:1、采用对数坐标纸,进行手工绘制。
这种方法,在计算机普及前为主要的绘制方式,一般购买印刷好的对数座标纸(或复印设计提供包络图的图表),人工在横坐标上标出颗粒径料、纵坐标上标出小于某粒径累计百分比,然后按计算出的数据在坐标纸上逐点标出点位,采用曲线板进行拟合,绘出级配曲线,再查出诸如D60、D30、D10等特征值,进行系数计算。
手工绘制级配曲线,效率较低,既不美观,绘出的图表大小固定,不易插在文档中(往往采用在文档中预留地方,粘上曲线图表后再复印),同时换算也容易出错,费工费力,笔者在2003年前,受办公条件限制,均采用这种手工绘制的方法进行级配曲线的绘制。
2、采用AutoCAD这类辅助设计绘图软件绘制级配曲线针对手绘方法存在着不美观、不易与文档结合的情况,在级配绘制上,往往采用辅助设计绘图软件进行绘制,如AutoCAD、电子图版等,在绘制方法,首先采用计算器或Excel等工具将各包括图表、粒径等在内的数据换算成对数坐标,然后采用直线、偏移等命令绘出对数座标图,通过手绘曲线命令绘出级配曲线。
这种方法,克服了手绘级配曲线不易与文档结合的不足(可采用复制、粘贴或专用转换软件),具有精度高、任意放大和缩小的特点,但存在着需到对数坐标互换、百分含量累加、描点以及连线一系列繁杂的步骤,效率也较低,笔者在2004年,由于需向设计单位报送坝料级配曲线电子版,主要就采用AutoCAD这种方式进行绘制级配曲线。
第一章1-10、甲、乙两土样的颗粒分析结果列于表1-4,试绘制颗粒级配曲线,并确定颗粒不均匀系数及评价级配均匀情况。
解:甲土:d10=0.013, d30=0.078, d60=0.25, Cu===19.23,Cc===1.87 满足Cu>5,Cc在1~3之间,良好级配土乙土颗粒级配曲线如下:乙土:d10=0.003, d30=0.008, d60=0.014, Cu===4.67,Cc===1.52 Cu<5,属均质土,级配不良,Cc在1~3之间。
(Cu越大,表明粒度的分布范围越大,土越不均匀,级配越良好。
Cc过大或过小,均表明土中缺少中间粒组,各粒组间孔隙的连锁充填效应降低,级配变差。
)第二章2-1 比较下列各对土的三相比例指标的异同点:(1)ρ与ρs;(2)ω与Ss;(3)e与n;(4) ρd与ρ’;(5) ρ与ρsat答:(1)ρ与ρs都是表征土体密实程度的指标ρ:土的密度,单位体积的土的质量,ρ=:土粒密度,单位体积土颗粒的质量,ρs=,ρ(g/cm3)注意ρs与Gs(ds)的关系:数值相等,但量纲不同, Gs(ds)是一个无量纲量。
(2) ω与Ss都是表征土中含水程度的指标ω,土的含水量,ω=×100%,Ss,土的饱和度,表示土中水体积在孔隙体积中所占的比例,Ss=×100%(3) e与n都是表征土体密实程度(土中孔隙含量)的指标,可相互换算。
e:土的孔隙比,土中孔隙体积与土颗粒体积之比,e=n:土的孔隙率,土中孔隙所占体积与土体总体积之比,n=×100%(4) ρd与ρ’特殊条件下土的密度ρd:土的干密度,单位体积土体中固体颗粒的质量,ρd=,一般用于填土击实后密实度的评判;ρ’:土的浮密度,地下水位以下,土体单位体积中土粒的质量与同体积水质量之差。
(是一个换算量,没有实际意义。
)ρ’=(5) ρ与ρsat都是表征土的密实度的指标ρ:土的密度,单位体积的土的质量,ρ=ρsat:空隙中充满水时,单位体积土体的质量,ρsat=2-2、有一饱和原状土,切满容积为21.7cm3的环刀内,称得总质量为72.49g,经105︒C烘干至恒重为61.28g,已知环刀质量为32.54g,土粒比重为2.74,求土样的湿密度、含水量、干密度及空隙比。