方格网法计算场地平整土方量!资料讲解
- 格式:doc
- 大小:726.50 KB
- 文档页数:12
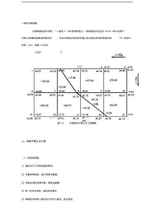
全面方格网计算土方量教材及例题[1]-2一、读识方格网图方格网图由设计单位(一般在1:500的地形图上)将场地划分为边长a=10~40m的若干方格,与测量的纵横坐标相对应,在各方格角点规定的位置上标注角点的自然地面标高(H)和设计标高(Hn),如图1-3所示.图1-3 方格网法计算土方工程量图二、场地平整土方计算考虑的因素:① 满足生产工艺和运输的要求;② 尽量利用地形,减少挖填方数量;③争取在场区内挖填平衡,降低运输费;④有一定泄水坡度,满足排水要求.⑤场地设计标高一般在设计文件上规定,如无规定:A.小型场地――挖填平衡法;B.大型场地――最佳平面设计法(用最小二乘法,使挖填平衡且总土方量最小)。
1、初步标高(按挖填平衡),也就是设计标高。
如果已知设计标高,1.2步可跳过。
场地初步标高:H0=(∑H1+2∑H2+3∑H3+4∑H4)/4MH1--一个方格所仅有角点的标高;H2、H3、H4--分别为两个、三个、四个方格共用角点的标高.M——方格个数.2、地设计标高的调整按泄水坡度、土的可松性、就近借弃土等调整.按泄水坡度调整各角点设计标高:①单向排水时,各方格角点设计标高为: Hn = H0 ±Li②双向排水时,各方格角点设计标高为:Hn = H0± Lx ix± L yi y3.计算场地各个角点的施工高度施工高度为角点设计地面标高与自然地面标高之差,是以角点设计标高为基准的挖方或填方的施工高度.各方格角点的施工高度按下式计算:式中hn------角点施工高度即填挖高度(以“+”为填,“-”为挖),m;n------方格的角点编号(自然数列1,2,3,…,n).Hn------角点设计高程,H------角点原地面高程.4.计算“零点”位置,确定零线方格边线一端施工高程为“+”,若另一端为“-”,则沿其边线必然有一不挖不填的点,即“零点”(如图1-4所示).图1-4 零点位置零点位置按下式计算:式中x1、x2 ——角点至零点的距离,m;h1、h2 ——相邻两角点的施工高度(均用绝对值),m;a —方格网的边长,m.5.计算方格土方工程量按方格底面积图形和表1-3所列计算公式,逐格计算每个方格内的挖方量或填方量.表1-3 常用方格网点计算公式6.边坡土方量计算场地的挖方区和填方区的边沿都需要做成边坡,以保证挖方土壁和填方区的稳定。
土方量计算方法现在说到土方量结算,绝大多数施工行业的人都说某某软件很方便,但是我要问到手算会吗,大多数人都会支支吾吾,虽然手算确实不现实,但是我们做为专业人员,总不能沦为软件使用者吧?其中的原理大家还是需要明白的。
今天就给大家讲讲土方量手算,学校交给我们的方法。
一、土方量计算方格网法计算场地平整土方量步骤如图1-1所示。
图1-1 方格网法计算场地平整土方量步骤(一)读识方格网图图1-2 方格网法计算土方工程量图(二)确定场地设计标高1.确定场地设计标高需要考虑的因素(1)满足生产工艺和运输的要求。
(2)尽量利用地形,减少挖填方数量。
(3)争取在场区内挖填平衡,降低运输费。
(4)有一定泄水坡度,满足排水要求。
2.初步计算场地设计标高(按挖填平衡)计算的场地设计标高:式中,H1、H2、H3、H4分别为一个方格、两个方格、三个方格、四个方格共用角点的标高(m),如图1-3b所示。
(三)场地各方格角点的施工高度的计算施工高度为场地各方格角点设计地面标高与自然地面标高之差,是以角点设计标高为基准的挖方或填方的施工高度。
各方格角点的施工高度按下式计算:式中,hn为各角点的施工高度,即填挖高度(以“+”为填,“-”为挖)(m);n为方格的角点编号(自然数列1,2,3,…,n);Hn为角点的设计标高(m),若无泄水坡时,即为场地的设计标高(m);H为角点原地面标高(m)。
(四)计算“零点”位置,确定“零线”方格边线一端施工标高为“+”,若另一端为“-”,则沿其边线必然有一处不挖不填的点,即“零点”,如图1-5所示。
零点位置按下式计算:式中,x1、x2为角点至零点的距离(m);h1、h2为相邻两角点的施工高度(均用绝对值)(m);a为方格网的边长(m)。
(五)计算方格土方工程量的计算1.方格的4个角点全为填方或挖方方格的4个角点全为填方或挖方,如图1-7所示。
其计算公式如下:2 . 两个点填方,两个点挖方方格的相邻两个角点为填方,另外两个点为挖方,如图1-8所示。
11.2.1方格网法土方计算
方格网法土方计算适用于地形变化比较平缓的地形情况,用于计算场地平整的土方量计算较为精确。
具体做法如下:
首先建立地形的坐标方格网,方格网的一边与地形等高线或场地坐标网平行,大小根据地形变化的复杂程序和设计要求的精度确定,边长一般常采用20m ×20m或40m×40m(地形平坦、机械化施工时也可采用100m×100m)。
然后求出方格各个角点的自然标高、设计标高以及施工高程。
计算零点位置,在每相邻的填方点和挖方点之间总存在一个零点,零点的确定方法如下:
说明:
X t:零点据填方角顶的距离;X w:零点据挖方角顶的距离
h t:填方高度;h w:挖方高度;a:方格边长
连接每个方格上的相邻两个零点,根据零线将方格划分的情况,采用相应公式来计算,如表11-2所示。
汇总,分别将填方区、挖方区所有土方汇总,得到填、挖土方总量。
说明:
a:方格边长(m)
h1、h2、h3、h4:方格网角点的施工高度,正值代表填方,负值代表挖方V+、V-:填方(或挖方)的体积(m3)。
一、读识方格网图方格网图由设计单位(一般在1:500的地形图上)将场地划分为边长a=10~40m的若干方格,与测量的纵横坐标相对应,在各方格角点规定的位置上标注角点的自然地面标高(H)和设计标高(Hn),如图1—3所示。
图1—3 方格网法计算土方工程量图二、场地平整土方计算考虑的因素:① 满足生产工艺和运输的要求;② 尽量利用地形,减少挖填方数量;③争取在场区内挖填平衡,降低运输费;④有一定泄水坡度,满足排水要求。
⑤场地设计标高一般在设计文件上规定,如无规定:A。
小型场地――挖填平衡法;B。
大型场地――最佳平面设计法(用最小二乘法,使挖填平衡且总土方量最小)。
1、初步标高(按挖填平衡),也就是设计标高。
如果已知设计标高,1.2步可跳过。
场地初步标高:H0=(∑H1+2∑H2+3∑H3+4∑H4)/(4*M)H1--一个方格所仅有角点的标高;H2、H3、H4--分别为两个、三个、四个方格共用角点的标高。
M ——方格个数.2、地设计标高的调整按泄水坡度、土的可松性、就近借弃土等调整。
按泄水坡度调整各角点设计标高 :①单向排水时,各方格角点设计标高为:Hn = H0 ±Li②双向排水时,各方格角点设计标高为:Hn = H0±Lx ix±L yi y3.计算场地各个角点的施工高度施工高度为角点设计地面标高与自然地面标高之差,是以角点设计标高为基准的挖方或填方的施工高度。
各方格角点的施工高度按下式计算:式中hn———---角点施工高度即填挖高度(以“+”为填,“—"为挖),m;n-—————方格的角点编号(自然数列1,2,3,…,n)。
Hn-————-角点设计高程,H--—-——角点原地面高程。
4。
计算“零点”位置,确定零线方格边线一端施工高程为“+”,若另一端为“—",则沿其边线必然有一不挖不填的点,即“零点”(如图1-4所示)。
图1—4 零点位置零点位置按下式计算:式中x1、x2 ——角点至零点的距离,m;h1、h2 —-相邻两角点的施工高度(均用绝对值),m;a -方格网的边长,m.5。
网格法平整场地土方量计算公式:1、方格四个角点全部为填土式挖方,其土方量:2a)h?h?(h?h?Vh,h,h,h为角点填方高度,为绝对值。
)(注:4321432142、方格的相邻两角点为挖方,另两角点为填方。
其挖方部分工程量:21)??(V4h?hh?h3214222hha其222hha填方部分工程量:34)(?V?4h?hh?h3421h,hhh,为需填方角点填方高度。
皆为绝对值。
(注:为需挖方角点挖方高度,)43213、方格的三个角点为挖方,另一个角点为填方。
其填方部分工程量:4?V46(h?h)(h?h)43142a其挖方32ha部分工程量:V?h)??2hh?2hV?(4143,1,2326hhh,h,为需填方角点填方高度。
皆为绝对值。
)(注:为需挖方角点挖方高度,43124、方格的一个角点为挖方,相对的角点为填方。
另两个角点为零点时2a(零线为方格的对角线),其挖填方工程量为:hV?b4/ 142 /常用方格网计算公式2.计算公式项目图示一点填方或挖方(三角形)当时,二点填方或挖方(梯)形三点填方或挖方(五角形)四点填方正(或挖方方形)4/ 3注:1)a——方格网的边长,m;b、c——零点到一角的边长,m;h,h,h,h方格网四角点的施工高程,m,用绝对值代入;Σh——填方或挖方施工高程的——1423)本表公式是按各计算图形底面积乘以平均施工高程而得出的。
2。
挖方或填方体积,用绝对值代入; ,m总和——,m4/ 4。
土方施工技术场地平整理论知识:一、平整场地土方量计算公式与步骤1. 读识方格网图方格网图由设计单位(一般在1:500的地形图上)将场地划分为边长a=10~40m的若干方格,与测量的纵横坐标相对应,在各方格角点规定的位置上标注角点的自然地面标高(H)和设计标高(Hn),如图所示.2.确定场地设计标高1)场地初步标高:H0=S(H11+H12+H21+H22)/4MH11、H12、H21、H22 ——一个方格各角点的自然地面标高;M ——方格个数.或:H0=(∑H1+2∑H2+3∑H3+4∑H4)/4MH1--一个方格所仅有角点的标高;H2、H3、H4--分别为两个、三个、四个方格共用角点的标高.2)场地设计标高的调整按泄水坡度调整各角点设计标高:①单向排水时,各方格角点设计标高为: Hn = H0 ± Li②双向排水时,各方格角点设计标高为:Hn = H0 ± Lx ix ± L yi y3.计算场地各个角点的施工高度施工高度为角点设计地面标高与自然地面标高之差,是以角点设计标高为基准的挖方或填方的施工高度.各方格角点的施工高度按下式计算:式中 hn------角点施工高度即填挖高度(以“+”为填,“-”为挖),m;n------方格的角点编号(自然数列1,2,3,…,n).Hn------角点设计高程,H------角点原地面高程.4.计算“零点”位置,确定零线方格边线一端施工高程为“+”,若另一端为“-”,则沿其边线必然有一不挖不填的点,即“零点”(如图1-4所示).图1-4 零点位置零点位置按下式计算:式中 x1、x2 ——角点至零点的距离,m;h1、h2 ——相邻两角点的施工高度(均用绝对值),m;a —方格网的边长,m.确定零点的办法也可以用图解法,如图1-5所示.方法是用尺在各角点上标出挖填施工高度相应比例,用尺相连,与方格相交点即为零点位置。
将相邻的零点连接起来,即为零线。
第五章1土方的网格法计算。
(试述方格网法计算土地平整挖填土方量的基本原理及方法。
)(1)计算原理:方格网法的基本原理是将项目区地块,根据地形复杂程度、地形图比例尺以及精度要求划分成边长为10m~100m的方格,在水平面上形成方格网,分别测出各方格网四个顶点的高程,根据地面高程和设计高程计算各个格网挖填深度及土方量,最后汇总格网挖填土方量。
其中,地形图比例尺、施工高度、地形坡度、方格网边长及场地平整总面积都与土方量计算相对误差有直接的联系。
当方格网边长越短,场地平整总面积及施工高度越大,地形坡度越缓,地形图比例尺越大时,土方计算精度越高,反之越低。
(2)根据各方格划分为四边形和三角形的不同,方格网法又分为四方棱柱体法和三角棱柱体法。
①四方棱柱体法计算步骤:a)根据已有的地形图,划分方格网,其方位尽量与测量纵横坐标网重合。
方格的大小,根据自然地面或设计地面的复杂程度而定。
由于地形图的比例一般也取决于地形的复杂程度,建议地形图比例为1:500时用20m×20m方格网;比例为1:1000时可采用40m×40m方格网;面积较大而地形简单、坡度平缓时,可采用100m×100m方格网;地形特别复杂的个别地段,也可采取局部加密方格网的措施,如可采用10m×10m方格网。
b)测量各方格角点的自然地面高程H1(m),或者根据地形图上的等高线插值求出方格角点的自然地面高程H1(m)。
c)按项目区田块规划设计标明各方格角点的设计地面标高H2(m)。
d)计算自然地面高程与设计地面标高的差值,即得出各方格角点的施工高度Hs=(H1-H2)(m),也就是该角点的挖(或填)方向高度(“+”为填方,“-”为挖方)。
e)确定零点及零线。
f)计算方格角点的挖、填土方量情况,按方格网计算公式表中所列的公式计算。
求出各方格的挖(填)方土方量,把挖(填)方土方量分别加起来,汇总。
②三角棱柱法:三角棱柱体法是将场地平面划成方格网后,再沿地形等高线方向连接各方格的对角线,将方格划分成两个等腰直角三角形,形成三角形网格。
场地平整土方工程量的计算在编制场地平整土方工程施工组织设计或施工方案、进行土方的平衡调配以及检查验收土方工程时,常需要进行土方工程量的计算。
计算方法有方格网法和横断面法两种。
(1)方格网法用于地形较平缓或台阶宽度较大的地段。
计算方法较为复杂,但精度较高,其计算步骤和方法如下:1)划分方格网根据已有地形图(一般用1:500的地形图)将欲计算场地划分成若干个方格网,尽量与测量的纵、横坐标网对应,方格一般采用20m×20m或40m×40m,将相应设计标高和自然地面标高分别标注在方格点的右上角和右下角。
将自然地面标高与设计地面标高的差值,即各角点的施工高度(挖或填),填在方格网的左上角,挖方为(-),填方为(+)。
2)计算零点位置在一个方格网内同时有填方或挖方时,应先算出方格网边上的零点的位置,并标注于方格网上,连接零点即得填方区与挖方区的分界线(即零线)。
零点的位置按下式计算(图6-3):(6-8)式中x1、x2——角点至零点的距离(m);h1、h2——相邻两角点的施工高度(m),均用绝对值;a——方格网的边长(m)。
图6-3 零点位置计算示意图图6-4 零点位置图解法为省略计算,亦可采用图解法直接求出零点位置,如图6-4所示,方法是用尺在各角上标出相应比例,用尺相接,与方格相交点即为零点位置。
这种方法可避免计算(或查表)出现的错误。
3)计算土方工程量按方格网底面积图形和表6-31所列体积计算公式计算每个方格内的挖方或填方量,或用查表法计算,有关计算用表见表6-31。
常用方格网点计算公式表6-31注:1.a——方格网的边长(m);b、c——零点到一角的边长(m);h1、h2、h3、h4——方格网四角点的施工高程(m),用绝对值代入;Σh——填方或挖方施工高程的总和(m),用绝对值代入;V——挖方或填方体积(m3)。
2.本表公式是按各计算图形底面积乘以平均施工高程而得出的。
4)计算土方总量将挖方区(或填方区)所有方格计算土方量汇总,即得该场地挖方和填方的总土方量。
1.读识方格网图方格网图由设计单位 (一般在1: 500的地形图上)将场地划分为边长 a=10〜40m 的若干方格,与测量的纵横坐标相对应 ,在各方格角点规定的位置上标注角点的自然地面标高 (H )和设计标高(Hn ),如图1-3所示.图1-3方格网法计算土方工程量图二、场地平整土方计算(1)考虑的因素:① 满足生产工艺和运输的要求;② 尽量利用地形,减少挖填方数量;③ 争取在场区挖填平衡,降低运输费;④ 有一定泄水坡度,满足排水要求⑤ 场地设计标高一般在设计文件上规定,如无规定:1MI*+0対、1 +0 392 *0 03+2.94-0 3843 0143即3 4)"A. 小型场地一一挖填平衡法;B. 大型场地一一最佳平面设计法(用最小二乘法,使挖填平衡且总土方量最小)。
\(2) 初步标高(按挖填平衡)场地初步标高:H0=S( H11+H12+H21+H22)/4 MH11、H12、H21、H22 ——一个方格各角点的自然地面标高;M——方格个数.或:■-rAi •H0=(E HH2X H2+3E H3+4E H4)/4 MH1--一个方格所仅有角点的标高;H2、H3、H4--分别为两个、三个、四个方格共用角点的标高(3) 场地设计标高的调整按泄水坡度、土的可松性、就近借弃土等调整.按泄水坡度调整各角点设计标高 :①单向排水时,各方格角点设计标高为:Hn = HO 土Li②双向排水时,各方格角点设计标高为:Hn= HO 士Lx ix 士L yi y3. 计算场地各个角点的施工高度施工高度为角点设计地面标高与自然地面标高之差,是以角点设计标高为基准的挖方或填方的施工高度. 各方格角点的施工高度按下式计算:式中hn------角点施工高度即填挖高度(以“+”为填,“-”为挖),mn------ 方格的角点编号(自然数列1,2,3,…,n).Hn----- 角点设计高程,H------ 角点原地面高程4. 计算“零点”位置,确定零线方格边线一端施工高程为“ +” ,若另一端为“-”,则沿其边线必然有一不挖不填的点,即“零点”(如图1-4所示).图1-4 零点位置零点位置按下式计算:久+爲_式中x1、x2——角点至零点的距离,m;hl、h2 ――相邻两角点的施工高度(均用绝对值),m ;a —方格网的边长,m.确定零点的办法也可以用图解法,女口图1-5所示.方法是用尺在各角点上标岀挖填施工高度相应比例,用尺相连,与方格相交点即为零点位置。
1.读识方格网图方格网图由设计单位(一般在1:500的地形图上)将场地划分为边长a=10~40m的若干方格,与测量的纵横坐标相对应,在各方格角点规定的位置上标注角点的自然地面标高(H)和设计标高(Hn),如图1-3所示.图1-3 方格网法计算土方工程量图二、场地平整土方计算(1)考虑的因素:① 满足生产工艺和运输的要求;② 尽量利用地形,减少挖填方数量;③争取在场区内挖填平衡,降低运输费;④有一定泄水坡度,满足排水要求.⑤场地设计标高一般在设计文件上规定,如无规定:A.小型场地――挖填平衡法;B.大型场地――最佳平面设计法(用最小二乘法,使挖填平衡且总土方量最小)。
\(2)初步标高(按挖填平衡)场地初步标高:H0=S(H11+H12+H21+H22)/4MH11、H12、H21、H22 ——一个方格各角点的自然地面标高;M——方格个数.或:H0=(∑H1+2∑H2+3∑H3+4∑H4)/4MH1--一个方格所仅有角点的标高;H2、H3、H4--分别为两个、三个、四个方格共用角点的标高.(3)场地设计标高的调整按泄水坡度、土的可松性、就近借弃土等调整.按泄水坡度调整各角点设计标高:①单向排水时,各方格角点设计标高为: Hn = H0 ±Li②双向排水时,各方格角点设计标高为:Hn = H0± Lx ix± L yi y3.计算场地各个角点的施工高度施工高度为角点设计地面标高与自然地面标高之差,是以角点设计标高为基准的挖方或填方的施工高度.各方格角点的施工高度按下式计算:式中hn------角点施工高度即填挖高度(以“+”为填,“-”为挖),m;n------方格的角点编号(自然数列1,2,3,…,n).Hn------角点设计高程,H------角点原地面高程.4.计算“零点”位置,确定零线方格边线一端施工高程为“+”,若另一端为“-”,则沿其边线必然有一不挖不填的点,即“零点”(如图1-4所示).图1-4 零点位置零点位置按下式计算:式中x1、x2 ——角点至零点的距离,m;h1、h2 ——相邻两角点的施工高度(均用绝对值),m;a —方格网的边长,m.确定零点的办法也可以用图解法,如图1-5所示.方法是用尺在各角点上标出挖填施工高度相应比例,用尺相连,与方格相交点即为零点位置。
带你一步一步吃透方格网土方计算无论是建筑工程,还是市政道路工程,原始地面往往高低不平,坑洼较多,起伏较大,施工前需进行场地平整。
此处的场地平整不同于清单规范中的平整场地,因为清单规范的平整场地指的是±300mm以内的挖、填、运找平,各地区定额中一般有相应的平整场地定额,按平整的面积计算,以平方米为单位。
而此处的场地平整指的是>300mm的挖、填、运,需分别计算出挖、填、运的工程量,分别套取挖方、填方、取土或余土外运定额,以立方米为单位。
所以,方格网土方计算需计算出挖方和填方的各自体积,再对比挖方和填方工程量,分析需要取土还是余土外运,以达到土方平衡的目的。
下面通过这个简单案例模拟,来帮助大家更好地理解:一准备工作第1步:按场地的长和宽画一个方格网的外边框。
整个方格网的长和宽要基本上等于场地的长和宽,数据越接近,计算结果越精确。
第2步:划分方格、填写方格编号。
通常,以10-40m为一个方格的边长,地面高低起伏较大的一般选用10m、20m,高低起伏较小的则选用30、40m,边长越小,计算结果越精确。
第3步:按上图的形式,填写地面原始标高(可以由测量标高的现场技术人员填写);填写设计标高;填写施工高度(施工高度=原始标高-设计标高,正值表示原始标高>设计标高,需要挖方,负值表示原始标高<设计标高,需要填方);填写角点编号。
二计算零点、划分挖、填方第1步(也是最关键的步骤):求出零点。
零点存在于相邻角点的施工高度数值为一正一负的情况,表明此方格中既存在挖方,又存在填方,零点是挖与填的的分界点,即零点处既不用挖方,也不用填方。
零点计算公式:零点距一端角点的距离=一端角点施工高度的绝对值÷(一端角点施工高度的绝对值+另一端角点施工高度的绝对值)×方格边长。
如果没有理解,带你计算一遍,以便你搞定它。
此案例中存在零点的边线有:2-3、6-7、9-10、6-10(X方向和Y方向均需列出)2-3之间零点:零点距角点2的距离为0.61÷(0.61+0.33)×10=6.49m,那么零点距角点3的距离即:10-6.49=3.51m6-7之间零点:零点距角点6的距离为0.94÷(0.94+0.67)×10=5.84m,那么零点距角点3的距离即:10-5.84=4.16m9-10之间零点:零点距角点9的距离为1.27÷(1.27+1.01)×10=5.57m,那么零点距角点3的距离即:10-5.57=4.43m6-10之间零点:零点距角点6的距离为0.94÷(0.94+1.01)×10=4.82m,那么零点距角点3的距离即:10-4.82=5.18m第2步:标出每个零点,把每个方格内的零点连线,并标注上刚刚计算的零点距每个角点的距离。
场地平整土方量的计算可按以下步骤进行:①场地设计标高确定后,求出平整的场地方格网各角点的施工高度Hi②确定“零线”的位置。
确定“零线”的位置有助于了解整个场地的挖、填区域分布状态。
③然后按每个方格角点的施工高度算出填、挖土方量,并计算场地边坡的土方量,这样即得到整个场地的填、挖土方总量。
1。
确定方格网零线及零点零线即挖方区与填方区的交线,在该线上,施工高度为零。
零线的确定方法是:在相邻角点施工高度为一挖一填的方格边线上,用插入法求出方格边线上零点的位置(图1-4),再将各相邻的零点连接起来即得零线。
图1-4 零点计算如不需计算零线的确切位置,则绘出零线的大致走向即可。
例1-4绘出例1-1计算结果的零线位置。
解:先将各点的施工高度标在图上,然后查找相邻角点为一挖一填的方格边线。
本题共有a2-3、a6-7、a13-14、a18-19、a21-22、a5-10、a6-11、a2-7、a17-22、a18-23、a9-14这些边线。
用插入法求各方格边线零点位置a:x=2-3a:x=2-7a:x=6-7其余零点位置见例1-4图.连接各零点得到零线.2。
土方工程量计算零线确定后,便可进行土方量的计算。
方格中土方量的计算有两种方法:“四方棱柱体法”和“三角棱柱体法”。
a四方棱柱体法四方棱柱体的体积计算方法分两种情况:1.方格四个角点全部为填或全部为挖(图1-5a)时:(1-12)式中V——挖方或填方体积,m3;H,H 2,H3,H4—方格四个角点的填挖高度,均取绝对值,m。
1a——方格边长,m。
2.方格四个角点,部分是挖方,部分是填方(图1-5b和c)时:(1-13)(1-14)式中∑H填(挖)——方格角点中填(挖)方施工高度总和,各角点施工高度取绝对值,m;∑H——方格四角点施工高度总和,各角点施工高度取绝对值,m;a)角点全填或全挖;b)角点二填二挖;c)角点一填(挖)三挖(填)图1-5 四方棱柱体的体积计算例1-5 根据例1-1及例1-2计算结果,运用四角棱柱体法计算挖填土方量。
一、读识方格网图方格网图由设计单位(一般在1:500的地形图上)将场地划分为边长a=10~40m的若干方格,与测量的纵横坐标相对应,在各方格角点规定的位置上标注角点的自然地面标高(H)和设计标高(Hn),如图1—3所示。
图1-3 方格网法计算土方工程量图二、场地平整土方计算考虑的因素:① 满足生产工艺和运输的要求;② 尽量利用地形,减少挖填方数量;③争取在场区内挖填平衡,降低运输费;④有一定泄水坡度,满足排水要求.⑤场地设计标高一般在设计文件上规定,如无规定:A。
小型场地――挖填平衡法;B.大型场地――最佳平面设计法(用最小二乘法,使挖填平衡且总土方量最小)。
1、初步标高(按挖填平衡),也就是设计标高。
如果已知设计标高,1。
2步可跳过。
场地初步标高:H0=(∑H1+2∑H2+3∑H3+4∑H4)/4MH1--一个方格所仅有角点的标高;H2、H3、H4--分别为两个、三个、四个方格共用角点的标高。
M——方格个数。
2、地设计标高的调整按泄水坡度、土的可松性、就近借弃土等调整。
按泄水坡度调整各角点设计标高:①单向排水时,各方格角点设计标高为: Hn = H0 ±Li②双向排水时,各方格角点设计标高为:Hn = H0± Lx ix± L yi y3。
计算场地各个角点的施工高度施工高度为角点设计地面标高与自然地面标高之差,是以角点设计标高为基准的挖方或填方的施工高度.各方格角点的施工高度按下式计算:式中hn————--角点施工高度即填挖高度(以“+”为填,“—"为挖),m;n------方格的角点编号(自然数列1,2,3,…,n).Hn-—-—-—角点设计高程,H---—--角点原地面高程.4。
计算“零点”位置,确定零线方格边线一端施工高程为“+”,若另一端为“-”,则沿其边线必然有一不挖不填的点,即“零点”(如图1-4所示)。
图1-4 零点位置零点位置按下式计算:式中x1、x2 ——角点至零点的距离,m;h1、h2 ——相邻两角点的施工高度(均用绝对值),m;a —方格网的边长,m。
一、读识方格网图方格网图由设计单位(一般在1:500的地形图上)将场地划分为边长a=10~40m的若干方格,与测量的纵横坐标相对应,在各方格角点规定的位置上标注角点的自然地面标高(H)和设计标高(Hn),如图1-3所示.图1-3 方格网法计算土方工程量图二、场地平整土方计算考虑的因素:① 满足生产工艺和运输的要求;② 尽量利用地形,减少挖填方数量;③争取在场区内挖填平衡,降低运输费;④有一定泄水坡度,满足排水要求.⑤场地设计标高一般在设计文件上规定,如无规定:A.小型场地――挖填平衡法;B.大型场地――最佳平面设计法(用最小二乘法,使挖填平衡且总土方量最小)。
1、初步标高(按挖填平衡),也就是设计标高。
如果已知设计标高,步可跳过。
场地初步标高:H0=(∑H1+2∑H2+3∑H3+4∑H4)/4MH1--一个方格所仅有角点的标高;H2、H3、H4--分别为两个、三个、四个方格共用角点的标高.M——方格个数.2、地设计标高的调整按泄水坡度、土的可松性、就近借弃土等调整.按泄水坡度调整各角点设计标高:①单向排水时,各方格角点设计标高为: Hn = H0 ±Li②双向排水时,各方格角点设计标高为:Hn = H0 ± Lx ix ± L yi y3.计算场地各个角点的施工高度施工高度为角点设计地面标高与自然地面标高之差,是以角点设计标高为基准的挖方或填方的施工高度.各方格角点的施工高度按下式计算:式中 hn------角点施工高度即填挖高度(以“+”为填,“-”为挖),m;n------方格的角点编号(自然数列1,2,3,…,n).Hn------角点设计高程,H------角点原地面高程.4.计算“零点”位置,确定零线方格边线一端施工高程为“+”,若另一端为“-”,则沿其边线必然有一不挖不填的点,即“零点”(如图1-4所示).图1-4 零点位置零点位置按下式计算:式中 x1、x2 ——角点至零点的距离,m;h1、h2 ——相邻两角点的施工高度(均用绝对值),m;a —方格网的边长,m.5.计算方格土方工程量按方格底面积图形和表1-3所列计算公式,逐格计算每个方格内的挖方量或填方量.表1-3 常用方格网点计算公式6.边坡土方量计算场地的挖方区和填方区的边沿都需要做成边坡,以保证挖方土壁和填方区的稳定。
'\场所平坦土方工程量的计算在编制场所平坦土方工程施工组织设计或施工方案、进行土方的均衡分配以及检查查收土方工程时,常需要进行土方工程量的计算。
计算方法有方格网法和横断面法两种。
(1)方格网法用于地形较缓和或台阶宽度较大的地段。
计算方法较为复杂,但精度较高,其计算步骤和方法以下:1)区分方格网依据已有地形图〔一般用1: 500 的地形图〕将欲计算场所区分红假定干个方格网,尽量与丈量的纵、横坐标网对应,方格一般采纳 20m× 20m 或 40m× 40m,将相应设计标高和自然地面标高分别标明在方格点的右上角和右下角。
将自然地面标高与设计地面标高的差值,即各角点的施工高度〔挖或填〕,填在方格网的左上角,挖方为〔-〕,填方为〔+〕。
2〕计算零点地点在一个方格网内同时有填方或挖方时,应先算出方格网边上的零点的地点,并标明于方格网上,连结零点即得填方区与挖方区的分界限〔即零线〕。
零点的地点按下式计算〔图6-3〕:x1h1 a x2h2a〔6-8〕h1h1h2h2式中x1、 x2——角点至零点的距离〔m〕;h1、 h2——相邻两角点的施工高度〔m〕,均用绝对值;a——方格网的边长〔 m〕。
'\图 6-3 零点地点计算表示图图 6-4 零点地点图解法为省略计算,亦可采纳图解法直接求出零点地点,如图6-4 所示,方法是用尺在各角上标出相应比率,用尺相接,与方格订交点即为零点地点。
这类方法可防备计算〔或查表〕出现的错误。
3)计算土方工程量按方格网底面积图形和表6-31 所列体积计算公式计算每个方格内的挖方或填方量,或用查表法计算,相关计算用表见表6-31。
常用方格网点计算公式表 6-31注:——方格网的边长〔m〕;b、c——零点到一角的边长〔m〕;h1、h2、h3、h4——方格网四角点的施工高程〔 m〕,用绝对值代入;Σ h——填方或挖方施工高程的总和〔 m〕,用绝对值代入; V ——挖方或填方体积〔 m3〕。
方格网法计算场地平整土方量!方格网法计算场地平整土方量!一、设计题目——方格网法计算场地平整土方量二、设计目的本课程设计利用方格网法计算出场地平整时的土方量,其属于设计地面的一项重要工作,设计地面是将自然地形加以适当整平,使其成为满足使用要求和建筑布置的平整地面。
对于平整场地,合理设定土方工程量的大小具有决定性的意义。
是《总图设计》课程的主要教学环节之一。
通过该设计的教学,进一步掌握利用方格网法计算场地平整时的土方量的工程。
三、设计内容与要求1.方格网法的基本原理方格网法是将基地化分为若干个方格,根据自然地面与设计地面的高差,计算挖方和填方的体积,分别汇总即为土方量。
该方法一般适用于平坦场地。
设计时要求填方和挖方基本相等,即要求土方就地平衡,平整前后这块土体的体积是相等的。
对于一块表面上崎岖不平的土体,经整平后使其表面成为平面。
设平整前的土方体积为V :V=)(4)432(441243212∑∑∑∑∑∑=+++ijj j j j hPi a h h h h a式中:V ——土体自水准面起算自然地面下土体的体积; a ——方格边长(m );——方格网交点的权值,i=1表示角点,i=2表示边点,i=3表示凹点,i=4表示中间点,其权值分别为1,2,3,4。
h 1j h 2j h 3j h 4j ——各角点,边点,凹点,中间点的自然地面的标高(m 3)。
h ij ——各角点(或边点,凹点,中间点)的自然地面的标高(m 3)。
设方格坐标原点的设计标高为x ,则整平后土体的体积为:∑∑=412'))((4x f P a V i式中:——土体自水准面起算平整后土体的体积(m 3); x ——方格网坐标原点的设计标高(m ); a ——方格边长(m );m ,i ——X 轴方向的放个数与设计坡度(%),从原点起,上坡为证,下坡为负;n ,j ——Y 轴方向的放个数与设计坡度(%),从原点起,上坡为证,下坡为负;当土方平衡时,平整前后这块土体的体积是相等的,即'V V=∑∑41ijhPi=∑∑41))((xfPi由于式中只有x为未知数,所以可以求出来,从而求出方格网各个交叉点的设计标高。
由此求出的设计地面标高,能使填方量和挖方量基本平衡。
2.布置方格网在绘有地形的平面图上布置方格网,使其一边与用地长轴方向平行。
边长采用20m*20m。
将方格网交叉点编上顺序号,填在其左下方。
详细布置见附件。
3.确定自然地面标高从地形图上求出自然地面标高,根据等高线数值,利用内插法求出各方格交叉点的自然地面标高,填在方格交叉点的右下方。
详细布置见附件。
4.求设计地面标高根据初步确定的场地设计标高及设计地面的坡度(南北向坡度为i,东西向坡度为j),逐一计算出各交叉点的设计标高,并填在其右上方。
(1)求方格网第1点的设计标高。
设方格网第1点的设计标高为x,设,方格网坐标原点的设计标高为x,整平后的土方体积为V/ 角点:P1:∑h1j=h1+h6+h13+h18+h19+h20+h21+h22=345.7m边点:P2:2∑h2j=2(h2+h3+h4+h5+h7+h12)=503.2m凹点:P3:3∑h3j=3(h14+h15+h16+h17)=518.7m中间点:P4: 4∑h4j=4(h8+h9+h10+h11)=683.2mV=a2(∑h1j+2∑h2j+3∑h3j+4∑h4j)/4Δh南北=i*a=0.5%*20=0.1mΔh 东西=j*a=1%*20=0.2mP1=1: ∑f(x1j)=h1+h6+h13+h18+h19+h20+h21+h22=8x+5.6P2=2: 2∑f(x2j)=2(h2+h3+h4+h5+h7+h12)=12x+6.4P3=3: 3∑f(x3j)= 3(h14+h15+h16+h17)=12x+8.4P4=4: 4∑f(x4j)= 4(h8+h9+h10+h11)=16x+9.6V/= a2 [1∑f(x1j)+ 2∑f(x2j)+3∑f(x3j)+ 4∑f(x4j) ]/4由V=V/得:X=42.10m(2)计算各交叉点的设计标高。
5.计算施工高度用设计地面标高减去自然地面标高,结果即为施工高度,填在交叉点的左上方。
所得结果为负值时,表示该店为挖方;所得结果为正值时,表示该点为填方。
(施工高度)(设计地面标高)(角点编号)(自然地面标高)(施工高度)(设计地面标高)(自然地面高度)(角点编号)(填)+2.3020.50 118.20(挖)-0.8020.6021.40136.标注零点、确定零线位置在一个方格之内相邻两交叉点,如果一点为填方而另一点为挖方时,在这两点之间必有一个不填不挖之点,此处设计地面标高与自然地面标高相等,即施工高度为零,故称为零点。
零点的位置可用图解法求出,用直尺在填方交叉点沿着与零点所在边垂直的边上,标出一定比例的填方高度,然后,在挖方交叉点相反方向标出同样比例的挖方高度,两高度点连线与方格边相交点,即为零点。
将零点连接成线段,即为零线(挖方区和填方区的分界线)。
零点--7.计算土方量方格中如果没有零线,其土方量计算较为简单;否则,由于零线的位置不同,其相应的土方量计算公式也不同。
使用时应根据附件中的公式进行计算。
将各方格网的土方量分别标注在图中,然后,按列分别求和,并标注在栏内,最后可得挖方总数量和填方总数量。
计算土方量: Ⅰ: 328721200.3904)80.080.020.110.1(204)(m a V h h h h =+++=+++=+ Ⅱ:329832200.3104)10.080.000.120.1(204)(m a V h h h h =+++=+++=+Ⅲ: 332499103248m .9)50.040.0)(10.040.0(64.020))((610h h h h h =++⨯=++=aV 三角锥体— 3210349248m .12948.9)40.010.050.0*210.0*2(620)22(6=+-++=+-++=+三角锥体V a V h h h h Ⅳ:32254111021110265.47)50.040.030.050.0(4)50.040.0(20)(4)(m a V h h h h h h =++++=++++=-+V =322541110254265.37)50.040.030.050.0(4)30.050.0(20)(4)(m a h h h h h h =++++=++++Ⅴ: 三角锥体—V =332121115113112m 57.11)50.040.0)(30.050.0(65.020))((6a =++⨯=++h h h h h 321161252m 24.7857.11)50.010.040.0*230.0*2(620)22(6=+-++=+-++=+三角锥体V a V h h h h Ⅵ: -V =32214138721413200.8)20.020.080.080.0(4)20.020.0(20)(4)(m a h h h h h h =++++=+++++V =322141387287200.128)20.020.080.080.0(4)80.080.0(20)(4)(m a h h h h h h =++++=++++Ⅶ:32298151421514286.17)30.020.010.080.0(4)30.020.0(20)(4)(m a V h h h h h h =++++=++++=-322981514298286.57)30.020.010.080.0(4)10.080.0(20)(4)(m a V h h h h h h =++++=++++=+Ⅷ:332159109392m 33.0)30.040.0)(10.040.0(61.020))((6a =++⨯=++=+h h h h h V 三角锥体3291615102m 00.71233.0)10.060.030.0*240.0*2(620)22(6=+-++=+-++=-三角锥体V h h h h a V Ⅸ: =+++=-4)(hh h h a 171611102V 00.2104)60.060.050.040.0(2022=+++Ⅹ:74.4)60.040.0)(50.040.0(6)4.0(20*(632111218123122h hh h h a =++=++=+)()三角锥体V74.16474.4)40.060.060.0*250.0*2620)2262121718112ha =+-++=+-++=-((三角锥体V h h h VⅩⅠ:00.2204)80.090.030.020.0(204)(2201915142h h h h a =+++=+++=-VⅩⅡ: 00.3204)00.100.160.060.0(204)(2222117162h h h ha =+++=+++=-V挖填方总量表各列挖填方表附件:1 .方格网土方计算公式(1)四点为填方或挖方时:4)(h h h h a 43212+++=±V =∑h a 42 V ——填方(+)或挖方(-)的体积(m 3)(2)相邻二点为填方或二点为挖方时。
∑+=++++=±h h h ah h h h h h a 4)( )((4)(231243212312V ∑+=++++=±h h h ah h h h h h a 4)( )((4)(242243212422Vh ——方格网交叉点的施工高度(m ,用绝对值)(3)三点挖方一点填方或三点填方一点挖方时 +)()三角锥体h h h h h a 3121312*(6++=+V +-++=-)22614322h a h h h V (V 三角锥体。