桩基隐蔽工程验收记录表
- 格式:doc
- 大小:7.82 MB
- 文档页数:132
人工挖孔桩隐蔽验收记录施工单位:XXX有限公司监理单位:XXX有限公司验收日期:XXXX年XX月XX日一、工程概况本工程为XXXX项目,属于人工挖孔桩工程,总共共有XX根桩。
二、施工过程1. 桩基材料准备:施工单位按照设计要求及时采购了钢筋、混凝土、砂石等桩基材料,并进行了验收,材料质量合格。
2. 桩基位置标定:根据设计要求,施工单位在施工现场按照平面布置图和竖向槽筏基础平台定位,标定了每根桩的位置。
3. 桩周方桩孔施工:根据设计要求,施工单位利用挖掘机进行了桩周方桩孔的施工,保证了桩基孔的准确度和垂直度。
4. 桩基清理:施工单位对桩周方桩孔进行了清理,确保孔底和孔壁的干净整洁。
5. 钢筋加工与安装:施工单位按照设计要求对钢筋进行了加工和现场调整,并进行了验收,验收结果通过。
6. 混凝土浇筑:施工单位按照设计要求及时进行了混凝土的搅拌、运输和浇筑,并对浇筑质量进行了检查,达到验收标准。
7. 检测与验收:施工单位请监理单位进行了桩基验收,监理单位对桩基进行了非破坏性检测,并检查了桩基的质量。
验收结果显示,桩基质量合格。
三、验收结果根据施工流程和验收标准,现对本工程的人工挖孔桩进行验收。
1. 材料验收:根据相关材料供应商提供的合格证明和国家标准,我们对施工单位采购的钢筋、混凝土、砂石等进行了验收,材料质量达到了设计要求。
2. 施工工艺和工序:施工单位在桩基施工过程中,严格按照设计要求和施工规范进行施工,保证了桩基的准确度和质量,工程工艺和工序合格。
3. 桩基质量:根据监理单位的检测结果,桩基的非破坏性检测合格,桩基质量达到了设计要求。
无修补现象,未发现桩基质量存在问题。
4. 桩顶标高:根据设计要求,施工单位对每根桩的桩顶标高进行了检测,桩顶标高符合设计要求,偏差在规定范围内。
5. 桩身砼强度:施工单位对桩身混凝土的强度进行了检测,达到了设计要求的强度等级。
6. 桩基孔准确度:对每根桩基孔的准确度进行了检查,孔的位置、孔径和垂直度符合设计要求。
钢筋隐蔽工程质量验收记录表
GD2301064错误!错误!验收执行规范编号建筑地基基础工程施工质量验收规范GB50202-2002
GD2301064错误!错误!验收执行规范编号建筑地基基础工程施工质量验收规范GB50202-2002
GD2301064错误!错误!验收执行规范编号建筑地基基础工程施工质量验收规范GB50202-2002
钢筋隐蔽工程质量验收记录表
GD2301064错误!错误!验收执行规范编号建筑地基基础工程施工质量验收规范GB50202-2002
钢筋隐蔽工程质量验收记录表
GD2301064错误!错误!验收执行规范编号混凝土结构工程施工质量验收规范GB50204-2002
承台隐蔽工程质量验收记录表
GD2301064错误!错误!验收执行规范编号混凝土结构工程施工质量验收规范GB50204-2002
--。
隐蔽工程验收记录表1. 引言本文档记录了隐蔽工程验收的过程和结果。
隐蔽工程验收是指在建筑、装修等工程项目中,对隐蔽部位进行检查和验收的过程。
隐蔽部位是指在施工过程中无法直接观察到的部分,例如墙体内部、管道、电线等。
2. 验收人员本次隐蔽工程验收的验收人员包括:•工程负责人(姓名)•建筑监理(姓名)•施工方代表(姓名)3. 验收时间本次隐蔽工程验收的时间为(具体时间),工程负责人提前通知了相关人员并安排了验收的时间。
4. 验收内容本次隐蔽工程验收主要包括以下内容:•隐蔽部位的测量和检查•施工材料的合格性检查•隐蔽部位的质量验收•相关图纸和文件的检查和审核5. 验收步骤5.1 隐蔽部位的测量和检查验收人员按照相关设计图纸和规范要求,对隐蔽部位进行测量和检查,确保其符合设计要求和质量标准。
检查的主要内容包括:•墙体的垂直度和平整度•地面的平整度和水平度•管道的连接和密封情况•电线和电缆的走向和固定情况5.2 施工材料的合格性检查验收人员对使用的施工材料进行合格性检查,主要包括:•砖块的强度和尺寸检查•水泥的标准和质量检查•钢筋的规格和强度检查•电线和电缆的规格和质量检查5.3 隐蔽部位的质量验收验收人员对隐蔽部位的质量进行验收,主要包括:•墙体的抹灰情况和平整度•地面的砼浇筑质量和平整度•管道的连接和固定情况•电线和电缆的布线和连接情况5.4 相关图纸和文件的检查和审核验收人员对隐蔽工程的相关图纸和文件进行检查和审核,确保施工过程和结果符合设计要求和质量标准。
6. 验收结果本次隐蔽工程验收的结果如下:1.隐蔽部位的测量和检查符合设计要求和质量标准。
2.施工材料的合格性检查合格。
3.隐蔽部位的质量验收均合格。
4.相关图纸和文件的检查和审核合格。
7. 问题和改进意见在隐蔽工程验收的过程中,发现以下问题:1.部分墙体的平整度不达标,需要重新抹灰。
2.部分电线连接不牢固,需要重新固定。
3.部分管道连接处存在漏水情况,需要进行修补。
隐蔽工程验收记录表隐蔽工程是指在施工过程中,上一道工序的工作结果将被下一道工序所掩盖,从而无法直接观察和检验的工程项目。
为了确保隐蔽工程的质量,保障整个工程的安全和可靠性,需要进行严格的验收,并填写详细准确的隐蔽工程验收记录表。
隐蔽工程验收记录表是一份非常重要的文件,它记录了隐蔽工程施工过程中的各项关键信息,包括工程名称、施工部位、施工单位、验收日期等等。
这些基本信息能够明确该次验收所针对的具体工程和时间节点,为后续的质量追溯和管理提供了重要的依据。
在验收内容方面,首先是对基础工程的验收。
比如地基的处理情况,包括地基的承载力是否达到设计要求,地基的平整度、坡度等是否符合规范。
如果是桩基础,要检查桩的位置、数量、深度、桩身的完整性以及桩的承载力检测报告等。
对于地下防水工程,要查看防水材料的质量、铺设的层数和厚度、防水层的搭接和收口处理等是否符合设计和规范要求。
其次是对钢筋工程的验收。
钢筋的品种、规格、数量、位置、间距、锚固长度、接头位置和方式等都必须符合设计和规范要求。
要检查钢筋的表面是否有锈蚀、油污等情况,钢筋的保护层厚度是否满足规定。
特别是在梁柱节点、剪力墙等关键部位,钢筋的布置往往比较复杂,更需要仔细检查,确保钢筋的绑扎牢固,没有松动和变形的情况。
在电气管线的隐蔽工程验收中,要关注电线管的材质、规格、走向、弯曲半径、连接方式等。
检查电线管是否固定牢固,与其他管线的间距是否符合要求。
对于电缆桥架的安装,要检查其支架的间距、固定方式,桥架的接地是否可靠。
同时,还要检查电线、电缆的规格、型号是否符合设计要求,绝缘电阻测试是否合格。
给排水管道的隐蔽工程验收也是至关重要的。
要检查管道的材质、管径、坡度、连接方式,以及管道的固定和支架的设置。
对于有防水要求的部位,如卫生间、厨房等,要检查管道穿越楼板和墙体时的防水处理是否到位。
还要进行水压试验,以检验管道系统的密封性和耐压能力。
在暖通工程中,对于风管、空调水管的隐蔽验收,要关注风管的材质、规格、连接方式,风管的加固措施和密封情况。
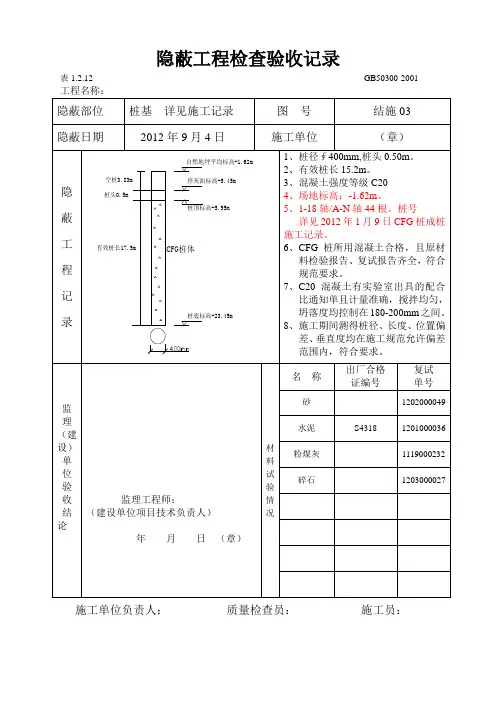
桩基隐蔽工程验收记录表
桩基隐蔽工程验收记录表
桩基隐蔽工程验收记录表
桩基隐蔽工程验收记录表
桩基隐蔽工程验收记录表
桩基隐蔽工程验收记录表
桩基隐蔽工程验收记录表
桩基隐蔽工程验收记录表
桩基隐蔽工程验收记录表
桩基隐蔽工程验收记录表
桩基隐蔽工程验收记录表
桩基隐蔽工程验收记录表
桩基隐蔽工程验收记录表
桩基隐蔽工程验收记录表
桩基隐蔽工程验收记录表
桩基隐蔽工程验收记录表
桩基隐蔽工程验收记录表
桩基隐蔽工程验收记录表
桩基隐蔽工程验收记录表
桩基隐蔽工程验收记录表
桩基隐蔽工程验收记录表
桩基隐蔽工程验收记录表
桩基隐蔽工程验收记录表
桩基隐蔽工程验收记录表
桩基隐蔽工程验收记录表
桩基隐蔽工程验收记录表
桩基隐蔽工程验收记录表
桩基隐蔽工程验收记录表
桩基隐蔽工程验收记录表
桩基隐蔽工程验收记录表
桩基隐蔽工程验收记录表
桩基隐蔽工程验收记录表
桩基隐蔽工程验收记录表
桩基隐蔽工程验收记录表
桩基隐蔽工程验收记录表
桩基隐蔽工程验收记录表
桩基隐蔽工程验收记录表
桩基隐蔽工程验收记录表
桩基隐蔽工程验收记录表
桩基隐蔽工程验收记录表
桩基隐蔽工程验收记录表
桩基隐蔽工程验收记录表
桩基隐蔽工程验收记录表
桩基隐蔽工程验收记录表
桩基隐蔽工程验收记录表
桩基隐蔽工程验收记录表
桩基隐蔽工程验收记录表
桩基隐蔽工程验收记录表
桩基隐蔽工程验收记录表
桩基隐蔽工程验收记录表
桩基隐蔽工程验收记录表。
隐蔽工程验收记录表1. 引言本文档是针对隐蔽工程进行验收的记录表,旨在对完成的隐蔽工程进行全面检查和验收。
本文档记录了隐蔽工程的验收结果、问题和改进意见等信息。
通过本文档的编写和记录,可以实现对隐蔽工程的标准化验收,确保工程质量和安全。
2. 验收时间和地点•验收时间:[填写验收时间]•验收地点:[填写验收地点]3. 验收人员•建设单位代表:[填写建设单位代表姓名]•施工单位代表:[填写施工单位代表姓名]•监理单位代表:[填写监理单位代表姓名]4. 验收内容4.1 隐蔽工程清单•[填写隐蔽工程清单]4.2 验收项目•[填写验收项目1]•[填写验收项目2]•[填写验收项目3]•…5. 验收结果5.1 合格项目•[填写合格项目1]•[填写合格项目2]•[填写合格项目3]•…5.2 不合格项目•[填写不合格项目1]•[填写不合格项目2]•[填写不合格项目3]•…6. 验收问题与改进意见6.1 验收问题•[填写验收问题1]•[填写验收问题2]•[填写验收问题3]•…6.2 改进意见•[填写改进意见1]•[填写改进意见2]•[填写改进意见3]•…7. 总结与建议通过本次隐蔽工程的验收,我们对工程的质量和安全进行了全面评估。
针对不合格项目和验收问题,必须及时采取相应的措施进行整改和改进,确保工程的顺利进行。
在未来的隐蔽工程中,建议加强对验收标准的规范性,提高施工单位和监理单位的监督和管理能力,以确保工程的质量达到要求。
8. 验收人员签名•建设单位代表签名:___________________ •施工单位代表签名:___________________ •监理单位代表签名:___________________。
管桩隐蔽工程检查验收记录检查人员•主检人员:XXX•副检人员:XXX工程基本情况•工程名称:XXX工程•工程地点:XXX•工程造价:XXX元•工程时间:XXX年XX月-XXX年XX月工程内容本工程主要包括XXX、XXX、XXX等内容。
本次检查主要针对工程内XXX部分的管桩隐蔽工程进行验收。
工程技术要求XXX部分的管桩隐蔽工程需满足以下技术要求:1.基础满足设计要求,无沉降、开裂等情况;2.管桩根部几何形状符合设计要求;3.管桩长度符合设计要求;4.管径、壁厚符合设计要求;5.管材符合设计要求。
检查过程工程材料检查在现场对工程材料进行了检查,包括管桩材质及规格、用于灌注固化的水泥、混凝土等材料。
检查结果如下:材料名称检查结果管桩材质及规格符合设计要求灌注固化用水泥检验无误灌注固化用混凝土检验无误施工工艺检查根据施工方提供的施工工艺文件,结合现场场地情况,对管桩隐蔽工程的施工工艺进行了检查。
检查结果如下:1.管桩埋入深度符合设计要求,管底预留混凝土厚度符合设计要求;2.管桩周围预留的灌浆孔符合规范要求,位置准确,无死角;3.管底部位预留的“膨胀节”符合设计要求。
现场勘测在现场对管桩隐蔽工程进行了勘测,并进行了记录。
记录数据如下:1.管径:XXX mm2.壁厚:XXX mm3.杆长:XXX m4.管材:XXX5.管材编号:XXX检查根据以上检查结果,经过综合分析,认为XXX部分的管桩隐蔽工程全部符合设计要求和施工要求,通过验收。
不足之处在本次检查过程中,未发现任何不符合设计及规范要求的地方。
处理意见本次检查结果合格,建议批准通过。
桩基工程隐藏蔽验收记载C 编号:基础工程隐蔽验收记载C 编号:施工现场安全施工注意事项1、施工人员进入施工现场前,必须要进行施工安全、消防知识的教育和考核工作,对考核不合格的职工,禁止进入施工现场参加施工。
2、进入施工现场必须戴好安全帽,系好帽带,并正确使用个人劳动防护用品.3、严格执行操作规程,不得违章指挥和违章作业,对违章作业的指令有权拒绝并有责任制止他人违章作业。
4、施工作业时必须正确穿戴个人防护用品,进入施工现场必须戴安全帽。
不许私自用火,严禁酒后操作。
5、穿拖鞋、高跟鞋、赤脚或赤膊不准进入施工现场。
6、穿硬底鞋不得进行登高作业。
7、在高空、钢筋、结构上作业时,一定要穿防滑鞋.8、现场用电,一定要有专人管理,同时设专用配电箱,严禁乱接乱拉,采取用电挂牌制度,尤其杜绝违章作业,防止人身、线路,设备事故的发生。
9、电钻、电锤、电焊机等电动机具用电、配电箱必须要有漏电保护装置和良好的接地保护地线,所有电动机具和线缆必须定期检查,保证绝缘良好,使用电动机具时应穿绝缘鞋,戴绝缘手套。
10、工地施工照明用电,必须使用36伏以下安全电压,所有电器机具在不使用时,必须随时切断电源,防止烧坏设备.11、在用喷灯、电焊机以及必要生火的地方,要填写用火申请登记和设专人看管,随带消防器材等,保证消防措施的落实。
施焊时,特别注意检查下方有无易燃物,并做好相应的防护,用完后要检查,确认无火后再离开.12、未经安全教育培训合格不得上岗,非操作者严禁进入危险区域;特种作业必须持特种作业资格证上岗。
13、凡2m以上的高处作业无安全设施,必须系好安全带;安全带必须先挂牢后再作业。
14、高处作业材料和工具等物件不得上抛下掷.15、从事高空作业人员要定期体验。
凡患有高血压、心脏病、贫血症、癫痫病以及不适于高空作业的人员,不得从事高空作业。
16、机械设备、机具使用,必须做至『定人、定机”制度沫经有关人员同意,非操作人员不得使用。
桩基工程施工验收表项目名称:XXX桩基工程验收记录表验收日期:验收单位:施工单位:监理单位:桩基工程施工单位:一、项目概况1. 项目名称:2. 项目地点:3. 施工单位:4. 设计单位:5. 监理单位:二、工程概况1. 工程内容:2. 工程进度:3. 工程质量要求:4. 施工人员:5. 施工设备:三、验收内容1. 确认设计文件是否符合实际施工要求;2. 桩基工程施工方案的合理性和可靠性;3. 桩基工程施工质量是否符合相关规范要求;4. 现场施工环境是否卫生整洁,作业场地布置是否符合要求。
四、验收标准1. 桩基工程施工符合相关规范要求;2. 施工质量达到设计要求;3. 施工单位的工程技术水平和管理水平符合要求。
五、验收程序1. 现场查看桩基工程施工现场,检查施工单位的资质和技术人员资格证明;2. 对桩基工程施工方案、工艺流程、施工进度等进行全面检查;3. 对施工现场材料的选用、堆放、使用进行验收;4. 确认现场施工单位的安全生产管理措施是否到位。
六、验收结果根据以上验收内容和标准,经过全面检查和评估,确认桩基工程施工符合相关规范要求,施工质量达到设计要求,施工单位的工程技术水平和管理水平符合要求。
因此,该桩基工程施工合格,验收通过。
七、备注1. 桩基工程验收报告由验收单位、施工单位和监理单位签字确认;2. 如有不合格项,需要提出整改意见,并在规定时间内完成整改。
以上为XXX桩基工程验收记录表,特此验收。
验收单位(盖章):日期:施工单位(盖章):日期:监理单位(盖章):日期:。
工程名称贵溪市污水处理厂氧化沟A验收项目钢筋笼验收日期2008年9月20日验收部位74#、73#、72#、71#、70#、69#、68#、67#、66# 共9 桩验收依据:施工图图号CJ-07 ,设计变更/洽商(编号/ )及有关现行标准等。
主要材料名称及规格/型号:主筋8Ф14 螺旋箍ф8@100 加劲箍Ф12@2000 钢筋笼长度均为米验收内容:1、钢筋的型号、规格及制作、安装均符合设计要求及施工质量验收规范。
2、所有进场使用的钢筋均有合格证和出厂质量证明书,且见证送检合格。
3、钢筋的焊接或连接质量符合设计要求,检测合格。
申报人:施工单位自检结论专业工长(施工员) 班组长经检查,钢筋笼的制作和安装均符合设计要求和施工质量验收规范,可以进行隐蔽验收。
项目专业质检员:专业技术负责人:年月日监理(建设)单位验收意见专业监理工程师:(建设单位专业技术负责人):年月日工程名称贵溪市污水处理厂氧化沟A验收项目钢筋笼验收日期2008年9月21日验收部位63#、62#、61#、60#、59#、58#、57#、56#、55#、54#、53#、52#、51#、50#、47#、46#、45#、44#、43# 共19 桩验收依据:施工图图号CJ-07 ,设计变更/洽商(编号/ )及有关现行标准等。
主要材料名称及规格/型号:主筋8Ф14 螺旋箍ф8@100 加劲箍Ф12@2000 钢筋笼长度均为米验收内容:1、钢筋的型号、规格及制作、安装均符合设计要求及施工质量验收规范。
2、所有进场使用的钢筋均有合格证和出厂质量证明书,且见证送检合格。
3、钢筋的焊接或连接质量符合设计要求,检测合格。
申报人:施工单位自检结论专业工长(施工员) 班组长经检查,钢筋笼的制作和安装均符合设计要求和施工质量验收规范,可以进行隐蔽验收。
项目专业质检员:专业技术负责人:年月日监理(建设)单位验收意见专业监理工程师:(建设单位专业技术负责人):年月日工程名称贵溪市污水处理厂氧化沟A验收项目钢筋笼验收日期2008年9月22日验收部位42#、41#、40#、39#、38#、37#、36#、35#、34#、31#、30#、29#、28#、27#、26#、25# 共16 桩验收依据:施工图图号CJ-07 ,设计变更/洽商(编号/ )及有关现行标准等。