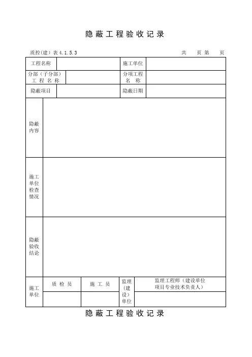
基础隐蔽工程验收记录
- 格式:doc
- 大小:163.00 KB
- 文档页数:16
隐蔽工程验收记录(大全) 基础条基1、确认所使用的商品混凝土原材料出厂合格证及相关资料齐全。
2、检查混凝土表面是否有蜂窝、麻面。
3、检查所隐的条型基础是否符合设计及规范要求。
基槽1、检查基槽开挖标高、尺寸、坡度是否符合规范要求。
2、检查基槽底部是否已清理干净浮土和杂物。
3、检查是否符合施工规范要求及质量验收记录。
基础圈梁1、确认所使用的商品混凝土原材料出厂合格证及相关资料齐全。
2、检查混凝土表面是否有蜂窝、麻面。
基础接地1、确认防雷接地所使用的材料均有合格证。
2、检查基础钢筋间的焊接是否牢固,并符合规范要求。
3、采用-4×40热度锌扁钢敷设成闭合环路,检查扁钢质量是否符合设计要求。
4、检查是否符合设计要求及施工质量验收规范要求。
一层柱避雷引下线1、确认所使用的材料有出厂合格证。
2、利用建筑物柱内主筋作引下线,采用电渣压力焊法,检查搭接长度是否符合设计要求及施工质量验收规范要求。
屋面挤塑聚苯乙烯泡沫板保温层1、确认保温层采用聚苯板保温板,有出厂合格证、质量证明文件。
2、检查保温铺贴是否牢固,接缝是否严密。
3、检查保温层材质、厚度是否符合图纸设计要求。
4、检查保温层上下接缝是否错开,接缝处是否用同类材料碎屑填嵌饱满。
5、检查保温板铺平垫稳,拼缝严密,保温厚度允许偏差等是否符合规范要求。
屋面水泥砂浆找平层1、将原混凝土层表面浮浆、松散、混凝土剔至密实,洒水湿润。
2、采用1:2.5水泥砂浆进行找平。
本文无明显格式错误和问题段落。
1、在敷设电线导管时,应按照设计要求进行布置,保证导管的位置正确、规格符合要求。
2、导管敷设时应保证其与基层结合紧密,无空鼓和裂缝。
3、导管敷设后应进行检查,确保表面平整、无起砂和蜂窝等缺陷。
4、在敷设过程中,应注意导管的分层铺设和适当压实,以保证表面平整和找坡正确。
5、电线导管敷设后,应按照相关规定进行质量验收,确保符合设计要求和规范要求。
2、保温材料的厚度、密度、导热系数符合设计要求,施工时保证均匀、密实。
基础钢筋隐蔽工程验收记录日期:XXXX年XX月XX日工程名称:XXXX工程建设单位:XXXX公司施工单位:XXXX公司监理单位:XXXX公司1.验收目的本次验收旨在核实基础钢筋隐蔽工程的施工质量和符合相关的技术规范、标准以及施工图设计要求。
2.验收现场(1)验收地点:施工现场(2)施工工艺:XXXX工艺(3)验收成员:建设单位、施工单位、监理单位代表3.验收内容和标准(1)验收内容:a.钢筋数量、型号、规格是否符合设计要求;b.钢筋的布置是否符合设计要求;c.钢筋的间距、保护层是否符合规范要求;d.钢筋的连接是否牢固;e.钢筋的防锈处理是否到位;f.钢筋的直径、截面积是否满足强度要求。
(2)验收标准:a.钢筋的型号、规格应符合设计要求;b.钢筋的布置应符合施工图要求;c.钢筋的间距、保护层应符合相关规范要求;d.钢筋的连接应采用焊接、扣件等合适的方式,连接牢固;e.钢筋应进行防锈处理;f.钢筋的直径、截面积应满足相关的强度要求。
4.验收过程(1)项目经理介绍:由施工单位的项目经理介绍本次基础钢筋隐蔽工程的施工方案、关键工艺流程和材料使用情况。
(3)测量检查:监理单位的代表使用测量仪器对钢筋的直径、间距等进行检查。
(4)现场会商:建设单位、施工单位、监理单位的代表进行现场会商,讨论施工过程中的问题和改进措施。
(5)验收意见和结论:根据勘察和测量结果,建设单位和监理单位的代表对基础钢筋隐蔽工程提出验收意见和结论。
5.验收结果(1)验收意见:本次基础钢筋隐蔽工程的施工质量符合相关技术规范、标准和施工图设计要求。
(2)缺陷整改:根据现场勘察和测量的结果,施工单位需对一些钢筋的布置进行调整,并加强对防锈处理的工作。
(3)整改措施:施工单位将对钢筋布置进行修正,确保满足设计要求;加强钢筋的防锈处理工作,避免因为锈蚀导致基础的质量问题。
(4)验收结论:经过整改,基础钢筋隐蔽工程符合相关技术规范、标准和施工图设计要求,可以进行下一步工程的施工。
基础隐蔽工程验收记录(1)项目背景隐蔽工程是指在建设过程中需要进行的,不易被观察到的工程。
其中基础隐蔽工程是建筑工程中的一种重要工程,其不仅承载着建筑的重量,还起到了沉降控制和地震防护等作用,因此对于基础隐蔽工程的验收尤为重要。
工程描述此次基础隐蔽工程的验收对象为一座地下停车场。
该工程包含地下室灌注桩、基桩、基础、承台、地下连续墙等隐蔽工程,是保证该停车场安全使用的重要保障。
验收标准该基础隐蔽工程验收标准按照国家有关要求和规定进行验收,具体分为以下几个方面:1.基础设施是否接受了检查、试验、保养和维修等工作;2.构造是否按照设计要求、施工方案和验收标准进行了建设,是否存在影响安全、可靠使用和施工质量等问题;3.是否按照质量验收计划、程序,验收规则和验收期限等要求进行验收,并形成验收材料,验收能否得出等。
验收过程1.首先针对该基础隐蔽工程,组织验收专家包括监理单位、设计单位等,对该工程进行全面检查;2.检查内容涵盖工程完整性、现场合理性、施工工艺质量、质量管理等多个方面;3.依照验收标准,对工程各项内容进行核查,并录入验收数据;4.对核查中发现的问题,要及时通知业主,提出整改建议,并在整改验收合格后再次进行全面验收。
验收经过全面的核查与验收,特此对基础隐蔽工程进行验收如下:该工程建设符合相关政策和工具要求,全部通过质量验收核查。
同时该工程建设符合相关规范和规定,不仅满足工程项目经济性、安全性和可靠性要求,也为今后的使用和管理提供了良好的基础。
经过本次基础隐蔽工程验收,我们深刻认识到验收工作的意义,也进一步加强了对建设过程中隐蔽工程验收相关标准的认识。
今后我们将一如既往地秉承“安全第一、质量第一”的原则,不断提高施工水平,为建筑与社会的健康发展做出更大的贡献。
基坑隐蔽工程检查验收记录工程地点:工程性质:基坑隐蔽工程一、项目概述二、检查验收内容1.基坑施工方案和施工图纸的审查,包括设计方案、基坑支护方案、地基处理方案等。
2.基坑地质勘察报告的审查,包括地下水位、土壤类型、地盘开挖长度、坚硬岩石层等信息。
3.基坑开挖施工的验收,包括基坑开挖的合理性、开挖施工的安全性等。
4.基坑支护工程的验收,包括支护结构的稳固性、支护材料的合格性等。
5.地下水位控制工程的验收,包括排水系统的正常运行、地下水位的控制等。
6.地基处理工程的验收,包括地基处理的合理性、处理效果等。
三、检查验收结果经过对以上内容的检查和验收,现将结果如下:1.基坑施工方案和施工图纸的审查:经查,施工方案和施工图纸符合相关规范和要求,未发现明显缺陷。
2.基坑地质勘察报告的审查:经查,地质勘察报告详细、准确,包括地下水位、土壤类型、地盘开挖长度、坚硬岩石层等信息得到了充分考虑。
3.基坑开挖施工的验收:经查,基坑开挖工作按照施工方案进行,施工安全,未发现开挖过程中的安全事故。
4.基坑支护工程的验收:经查,基坑支护结构稳固,支护材料符合要求,支护工程各项指标满足施工要求。
5.地下水位控制工程的验收:经查,排水系统正常运行,地下水位得到有效控制,无渗漏情况。
6.地基处理工程的验收:经查,地基处理工程按照设计方案进行,地基处理效果良好,能满足基础的稳定性要求。
四、存在问题与整改意见经对基坑隐蔽工程进行检查和验收,发现以下问题:1.部分施工工艺不符合规范要求,需要返工整改。
2.部分支护材料未达到质量要求,需及时更换。
3.地下管线的布置存在一定问题,需要重新调整。
针对上述问题,提出以下整改意见:1.施工单位应按照规范要求重新组织施工流程,确保施工工艺符合规范要求。
2.施工单位应及时更换不合格支护材料,并保证支护工程的质量。
3.施工单位应重新规划地下管线布置,确保布置合理、安全。
五、检查验收结论经对基坑隐蔽工程进行检查和验收,问题整改后,工程符合相关规范和要求,可以正常使用,达到验收标准。
基础条基1、所用的商品混凝土原材料出厂合格证及相关资料齐全2、混凝土表面无蜂窝、麻面3、所隐的条型基础符合设计及规范要求基槽1、基槽开挖标高,尺寸,坡度附合规范要求2、基槽底浮土、杂物已清理干净3、符合施工规范要求及质量验收记录1、基础基底标高为-7 。
25m,槽底土质为③层土—粉细砂,无地下水;2、基槽土层已挖至-7.25m,基底清理到位,浮土、松土清除到持力层,无杂物;3 、基底轮廓尺寸符合图纸要求。
隐检内容已做完,请予以检查基础圈梁1、所用的商品混凝土原材料出厂合格证及相关资料齐全2、混凝土表面无蜂窝、麻面基础接地1、防雷接地所用的材料均有合格证2、利用基础基础钢筋作为接地装置,基础钢筋间焊接牢固,符合规范要求3、采用-4×40 热度锌扁钢敷设成闭合环路,扁钢质量符合设计要求4、符合设计要求及施工质量验收规范要求1、工人接地装置采用-40×4 镀锌扁钢,标高- 1 。
8m,位置符合电气施工图纸.2、环形接地装置分别与轴/①、⑧/⑥……等处引至结构基础钢梁进行焊接,并与避雷引线连成一体。
3、扁钢连接处焊接长度为其宽度的2 倍以上,且三面施焊,焊接处药皮已清除,无夹渣咬肉现象,并涂沥青,防腐无遗漏。
4、建筑物外墙轴/②、轴/ 、轴/ 处设置断接卡子。
5、实测接地电阻值为0 。
2Ω。
隐检内容已做完,请予以检查。
一层柱避雷引下线1、所用的材料有出厂合格证2、利用建筑物柱内主筋作引下线,采用电渣压力焊法,搭接长度符合设计要求及施工质量验收规范要求1、避雷引下线共20 处,分别利用图纸标示的柱子中两根Φ25 柱主筋上下对应引上,位置符合电气施工图纸。
2、柱主筋采用Φ16 钢筋帮条焊,在直螺纹接头上下做跨接焊,焊接连成一体,焊接长度大于钢筋直径的 6 倍,且两面施焊;药皮已清除,无夹渣咬肉现象.隐检内容已做完,请予以检查。
屋面挤塑聚苯乙烯泡沫板保温层1、保温层采用聚苯板保温板,有出厂合格证、质量证明文件.2、保温铺贴牢固,接缝严密。
隐蔽工程验收记录1. 项目名称:XXX工程项目2. 项目位置:XXX市XXX区3. 施工单位:XXX建筑工程有限公司4. 监理单位:XXX监理工程有限公司5. 验收日期:XXXX年XX月XX日一、验收项目1. 地基基础验收:a. 地基平整度符合设计要求,无开裂、渗水等现象;b. 基础混凝土浇筑均匀牢固,符合设计要求。
2. 结构验收:a. 结构构件尺寸、强度符合设计要求;b. 结构材料质量合格,无开裂、脱落等情况;c. 钢筋安装符合规范要求,节点处理合理。
3. 防水隔热验收:a. 防水层、隔热层材料选用符合规范,施工工艺合格;b. 防水隔热层无渗漏现象,有效保护建筑结构。
4. 供排水系统验收:a. 供水管道安装符合要求,无漏水、渗水等问题;b. 排水系统通畅有效,排水口设置合理。
5. 电气设备验收:a. 电气线路敷设工整,接地符合标准;b. 电气设备接线正确,运行稳定可靠。
6. 室内装饰验收:a. 室内装饰材料环保无害,符合设计要求;b. 装饰工艺精细,无开裂、脱落等情况。
二、隐蔽工程验收记录在进行各项验收过程中,需对隐蔽工程进行记录,包括但不限于以下内容:1. 隐蔽工程验收人员、时间、地点;2. 隐蔽工程验收项目、验收标准;3. 隐蔽工程验收结果、存在问题及整改措施;4. 隐蔽工程验收意见及签字确认。
三、验收结论经过对以上各项验收内容的全面检查,XXX工程项目各项隐蔽工程符合设计要求、施工规范,达到验收标准,现确认通过验收并顺利交付使用。
四、附录1. 工程验收照片;2. 隐蔽工程验收记录表;3. 其他附加资料。
五、备注隐蔽工程验收记录为工程质量的重要依据,必须客观真实记录各项验收内容,确保工程质量稳定可靠。
以上为本次隐蔽工程验收记录内容,如有不符合或遗漏之处,请指正补充。
隐蔽工程验收记录隐蔽工程验收记录根据施工图撒出开挖线,宽出基础外边1200mm,基底深-4.90m,按1:0.4坡比放坡。
挖至-4.6m,预留-0.3m,人工清至-4.9m。
基底土质为粉质粘土。
自然地面标高(以甲方提供±0.000测得)。
基底土未被破坏并将浮土清理干净。
附基坑开挖简图:N3915070200①21-0.9m-4.9m1200 70200 1200基坑开挖简图隐蔽工程验收记录隐蔽工程验收记录隐蔽工程验收记录隐蔽工程验收记录隐蔽工程验收记录隐蔽工程验收记录隐蔽工程验收记录隐蔽工程验收记录隐蔽工程验收记录隐蔽工程验收记录隐蔽工程验收记录隐蔽工程验收记录隐蔽工程验收记录隐蔽工程验收记录KL1(2):断面400×1000、上部筋为4o⊥22,下部筋为2o⊥25+2o⊥⊥22,箍筋φ10@100/200(4)。
E~F轴上部筋为5o⊥⊥22,下部筋为2o⊥25+3o⊥22,箍筋φ10@100(4)。
构造筋8o⊥⊥12。
端头筋:E轴6o⊥22,F、G轴5o⊥22。
KL2(3):断面300×800、上部筋为2o⊥⊥25+2o⊥12,下部筋F~G轴为4o⊥18。
C~E轴2o⊥20+2o⊥⊥18,箍筋φ10@100/200(4)。
E~F轴上部筋为4o⊥25,下部筋为2o⊥25+3o⊥20,箍筋φ10@100(4)。
构造筋6o⊥⊥12。
端头筋:C、E轴2o⊥25+2o⊥22,E、F轴4o⊥25。
KL3(3):断面300×800、上部筋为2o⊥22+2o⊥12,下部筋为4o⊥⊥18,箍筋φ10@100/200(4)。
E~F轴上部筋为4o⊥22,下部筋为2o⊥22+2o⊥⊥20,箍筋φ10@100(4)。
构造筋6o⊥⊥12。
端头筋:C轴2o⊥22+2o⊥18,E、F轴4o⊥22,G轴2o⊥22+2o⊥20。
KL4(1):断面300×500、上部筋为3o⊥⊥16+1o⊥12,下部筋为2o⊥16+2o⊥14,箍筋φ10@100/200(4)。
鲁JJ—037工程名称济南仁和盛庭小区8#楼隐检项目地基处理毛石砼隐检日期2008.12.8隐检部位19-29轴第1-4步台层轴线标高隐检依据:施工图图号结施,设计变更/洽商(编号)及有关国家现行标准等。
主要材料名称及规格、型号:C20毛石砼隐检内容:检查验收意见:符合设计要求及施工规范规定施工单位项目(专业)技术负责人监理工程师(建设单位项目专业负责人)本表由施工单位填写。
山东省建设工程质量监督总站监制鲁JJ—037工程名称济南仁和盛庭小区8#楼隐检项目地基处理毛石砼隐检日期2008.12.23隐检部位6-11轴第1-3步台层轴线标高隐检依据:施工图图号结施,设计变更/洽商(编号)及有关国家现行标准等。
主要材料名称及规格、型号:C20毛石砼隐检内容:检查验收意见:符合设计要求及施工规范规定施工单位项目(专业)技术负责人监理工程师(建设单位项目专业负责人)本表由施工单位填写。
山东省建设工程质量监督总站监制鲁JJ—037工程名称济南仁和盛庭小区8#楼隐检项目基础隐检日期2008.12.26隐检部位基础1-29轴垫层层轴线标高隐检依据:施工图图号结施,设计变更/洽商(编号)及有关国家现行标准等。
主要材料名称及规格、型号:C20砼隐检内容:检查验收意见:符合设计要求及施工规范规定施工单位项目(专业)技术负责人监理工程师(建设单位项目专业负责人)本表由施工单位填写。
山东省建设工程质量监督总站监制鲁JJ—037工程名称济南仁和盛庭小区8#楼隐检项目地基处理隐检日期2009.3.7隐检部位1-29/A-R轴层轴线标高隐检依据:施工图图号结施,设计变更/洽商(编号)及有关国家现行标准等。
主要材料名称及规格、型号:C20毛石砼隐检内容:检查验收意见:符合设计要求及施工规范规定施工单位项目(专业)技术负责人监理工程师(建设单位项目专业负责人)本表由施工单位填写。
山东省建设工程质量监督总站监制鲁JJ—037工程名称济南仁和盛庭小区8#楼隐检项目地基处理隐检日期2009.3.14隐检部位1-29/A-R轴层轴线标高隐检依据:施工图图号结施,设计变更/洽商(编号)及有关国家现行标准等。
工程名称建设单位施工单位验收部位土方开挖隐蔽检查内容# 70200①214391 50\项目专业质量检查员:项目专业技术负责人专业工长(施工员)监理(建设)单位结论监理单位新疆蓝天工程监理咨询有限公司验收日期| 年月'日|图号|结施-1/18页根据施工图撒出开挖线,宽出基础外边1200mm基底深-4.90m,按1: 0.4坡比放坡。
挖至-4.6m,预留-0.3m,人工清至-4.9m。
基底土质为粉质粘土。
自然地面标高(以甲方提供土0.000测得)。
基底土未被破坏并将浮土清理干净。
附基坑开挖简图:基坑开挖简图经自检合格,现申请隐蔽。
施工单位检查结果监理工程师:(建设单位项目专业技术负责人)工程名称建设单位KZ30 :断面650 X 650、受力钢筋为KZ31 :断面650 X 650、受力钢筋为隐蔽检查内容KZ32: 断面650 X 650、受力钢筋为12 处 22,KZ33: 断面500 X 500、受力钢筋为8 乩 25、KZ34: 断面500 X 500、受力钢筋为8 乩 22、KZ35: 断面650 X 650、受力钢筋为12 处 22,KZ36: 断面650 X 650、受力钢筋为14 处 22,KZ37: 断面700X700、受力钢筋为12 处 22,KZ37: 断面650 X 650、受力钢筋为12 处 22,KZ3 8: 断面650 X 650、受力钢筋为12 处 22,KZ39: 断面500 X 500、受力钢筋为12 处 25、12 处 22,箍筋为0 10@100/200、(4 X 4 )。
12 处 22、4乩 20,箍筋为0 12@100/200、(4X 4)。
箍筋为0 12@100/200、(4 X 4 )。
4 吐 22,箍筋为0 10@100/200、(4 X 4 )。
4 吐 18,箍筋为0 10@100/150、(4 X 4 )。
箍筋为0 12@100/200、(4 X 4 )。
基础开挖隐蔽验收记录1. 开篇小故事说起基础开挖,我就想起那天阳光明媚,我和工友们像一群小鸟一样兴奋,准备开始一天的工作。
大家互相打着招呼,像老朋友重逢似的,工地上响起了阵阵笑声。
可别看我们乐呵呵的,基础开挖可不是闹着玩的,尤其是隐蔽验收这关,简直就像是闯关游戏,稍有不慎,就得重来一遍。
咱们这帮“铲土小子”,可没少为了这些隐蔽部分争论得不可开交,真是热闹得很。
2. 隐蔽验收的重要性2.1 隐蔽验收的“神秘面纱”隐蔽验收,这个词听起来就像一部悬疑电影的名字,谁也不知道里面藏着什么秘密。
但说到底,隐蔽验收就是对那些不容易看见的地方进行检查,确保基础设施的安全。
毕竟,咱们在地底下埋了那么多东西,万一出现问题,那可就得不偿失了,连根基都不稳,咱们还怎么干下去?有句老话说得好,“小心驶得万年船”,这可不是危言耸听。
2.2 验收过程的点滴在验收之前,咱们得提前做好准备。
首先,得找个合适的时间,避免天气的“捣乱”。
这就像打麻将,时机一到,才好出手。
然后,工友们得把隐蔽部分挖掘出来,确保不留死角。
每一步都得认真检查,有的地方甚至得请专业人员来“把关”,简直就是把自己的家底交给别人,心里那叫一个忐忑。
不过,看到他们严谨的态度,心里又不由得踏实了一点。
3. 验收后的感受3.1 成功的喜悦一旦通过验收,简直就像中了大奖!工友们个个兴奋得像小鸡子一样,拍拍肩膀,互相庆祝。
这时候,心里那种成就感,真是无法用语言表达。
就像小时候考了个好成绩,回家时那份骄傲的心情一样,恨不得在全世界面前炫耀。
不过,开心归开心,咱们可不能放松警惕,基础的牢固才能让后面的工作顺利进行。
毕竟,“千里之行,始于足下”,基础打好了,后面的路才能走得更顺。
3.2 反思与改进不过,验收不是终点,而是新的开始。
每次验收结束后,大家都会围坐一起,聊聊这次的经验教训。
就像老话说的“吃一堑,长一智”,咱们在这过程中学到的东西,不光是技术,还有团队的配合和沟通的重要性。
基础挖土验槽隐蔽工程检查验收记录
工程名称:建设单位:图号:
隐蔽部位:施工单位:隐蔽日期:年月日
专业技术负责人:质量检查员:填表人:
注:本表适用于基础挖土验槽隐蔽工程。
说明
基础挖土验槽隐蔽工程验收内容:
1.基坑内地下水以及地表水情况及其处理情况。
2.基坑(槽)开挖尺寸(长、上下口宽、深)、有无加宽、加深、换土等情况。
3.基土遇有坑、井、人工土、障碍物等的数量、位置及清除情况。
4.地下遇有电缆、旧的管道、旧房基等位置、数量及处理情况。
5.遇有流砂等不良地基的处理。
T0501_桩基工程隐蔽验收记录一、项目基本信息:项目名称:XXX工程项目地点:XXXXX施工单位:XXX公司监理单位:XXX公司二、隐蔽验收内容:根据工程设计和施工方案,本次隐蔽验收主要包括以下方面:1.桩基础施工过程中的检查验收;2.质量验收,包括钢筋的焊接质量、混凝土的浇筑质量等;3.物料验收,包括混凝土配合比、钢筋、焊条等;4.设备的验收,包括钢筋焊接机、混凝土搅拌设备等;5.现场环境验收,包括施工现场的整洁、卫生、通风等。
三、隐蔽验收过程及记录:1.时间:XXXX年XX月XX日天气状况:晴天2.隐蔽验收工序:桩基础施工隐蔽验收人员:XXX、XXX、XXX3.工程概况:根据工程设计要求,本次施工包括XXX根桩基础的施工,每根桩基础的规格为XXXX。
施工过程顺利,无明显问题。
4.验收内容及结果:a.施工过程中的检查验收:-根据设计要求,桩基础按照规定的深度、直径进行钻孔施工,并进行清孔;验收发现,每根桩基础的钻孔深度、直径符合设计要求。
-筏板定位精确,未发现明显偏移或错位现象;验收合格。
b.质量验收:-钢筋焊接:检查了桩基础钢筋焊接的质量,焊接口牢固,焊缝无明显裂缝和断裂,符合设计要求。
-混凝土浇筑:检查了混凝土的浇筑质量,浇筑过程中无堆积现象,混凝土表面平整,未出现明显蜂窝或起砂现象,符合设计要求。
c.物料验收:-钢筋:验收了桩基础所使用的钢筋材料,钢筋无明显弯曲、氧化、咬边等现象,符合设计要求。
-焊条:验收了钢筋焊接所使用的焊条,焊条包装完好,焊接效果符合设计要求。
-混凝土配合比:验收了混凝土配合比,配合比符合设计要求。
d.设备验收:-钢筋焊接机:检查了钢筋焊接机的使用状况,设备无明显损坏,线路连接牢固,使用安全。
-搅拌设备:检查了混凝土搅拌设备的使用状况,设备无明显损坏,搅拌效果良好,使用安全。
e.现场环境验收:-施工现场整洁,无杂物、垃圾堆积;验收合格。
-施工现场通风良好,无明显异味,无有毒有害气体;验收合格。
基础隐蔽工程验收记录(1) 隐蔽工程验收记录工程名称:(未给出)施工单位:(未给出)验收部位:土方开挖、XXX换填建设单位:(未给出)监理单位:XXX图号:结施-1/18页年月日:(未给出)XXX开挖验收记录:根据施工图撒出开挖线,宽出基础外边1200mm,基底深度为-4.90m,按1:0.4坡比放坡。
挖至-4.6m,预留-0.3m,人工清至-4.9m。
基底土质为粉质粘土。
自然地面标高(以甲方提供±0.000测得)。
基底土未被破坏并将浮土清理干净。
附基坑开挖简图。
经自检合格,现申请隐蔽。
XXX换填验收记录:1、土戈壁换填标高为-4.9m~-4.6m。
2、基坑底标高-4.9m~-4.6m用天然土戈壁换填。
3、土方换填-4.9m~-4.6m,压实系数≥0.97.4、土戈壁四周宽出基础外边400㎜。
5、换填土分层厚度、含水率、表面平整度均符合设计及规范要求。
1、土戈壁换填标高为-4.6m~-4.3m。
2、基坑底标高-4.6m~-4.3m用天然土戈壁换填。
3、土方换填-4.6m~-4.3m,压实系数≥0.97.1、基础房心及四周回填采用对基础无腐蚀的土戈壁回填,四周宽出基础外边400mm。
回填土分层夯实,每层厚度不大于250mm,压实系数经检测大于0.95.回填土分层厚度、含水率、表面平整度均符合设计及规范要求。
2、混凝土采用商砼,材料均经复检合格。
本工程垫层采用C20商砼。
3、换填土分层厚度、含水率、表面平整度均符合设计及规范要求。
4、本次隐蔽工程验收记录为基础房心及四周回填验收。
验收日期为年月日。
施工单位、建设单位、监理单位分别为XXXX。
5、检查结果显示,换填土分层厚度、含水率、表面平整度均符合设计及规范要求。
项目专业质量检查员、项目专业技术负责人、监理工程师、专业工长(施工员)均签字确认。
监理(建设)单位结论为合格。
隐蔽工程验收记录工程名称:未提供施工单位:未提供建设单位:未提供监理单位:XXX验收日期:年月日验收部位:独立基础底板钢筋检查内容:共有13个钢筋部位,分别为J-1至J-13,具体规格如下:J-1:3700×3700,①⊥⊥14@150、②⊥⊥14@150.J-2:1400×1400,①⊥⊥12@150、②⊥⊥12@150.J-3:4400×4400,①⊥⊥16@125、②⊥⊥12@125.J-4:2800×6000,①⊥⊥14@150、②⊥⊥14@180.上部网片筋为双向XXX。
根据施工图撒出开挖线,宽出基础外边1200mm,基底深,按1:坡比放坡。
挖至,预留,人工清至。
基底土质为粉质粘土。
自然地面标高(以甲方提供±测得)。
基底土未被破坏并将浮土清理干净。
附基坑开挖简图:
N
39150
70200
① 21
-
1200 70200 1200
基坑开挖简图
KL1(2):断面400×1000、上部筋为4o⊥⊥22,下部筋为2o⊥⊥25+2o⊥⊥22,箍筋φ10@100/200(4)。
E~F轴上部筋为5o⊥⊥22,下部筋为2o⊥⊥25+3o⊥⊥22,箍筋φ10@100(4)。
构造筋8o⊥⊥12。
端头筋:E轴6o⊥⊥22,F、G轴5o⊥⊥22。
KL2(3):断面300×800、上部筋为2o⊥⊥25+2o⊥⊥12,下部筋F~G轴为4o⊥⊥18。
C~E轴2o⊥⊥20+2o⊥⊥18,箍筋φ10@100/200(4)。
E~F轴上部筋为4o⊥⊥25,下部筋为2o⊥⊥25+3o⊥⊥20,箍筋φ10@100(4)。
构造筋6o⊥⊥12。
端头筋:C、E轴2o⊥⊥25+2o⊥⊥22,E、F轴4o⊥⊥25。
KL3(3):断面300×800、上部筋为2o⊥⊥22+2o⊥⊥12,下部筋为4o⊥⊥18,箍筋φ10@100/200(4)。
E~F轴上部筋为4o⊥⊥22,下部筋为2o⊥⊥22+2o⊥⊥20,箍筋φ10@100(4)。
构造筋6o⊥⊥12。
端头筋:C轴2o⊥⊥22+2o⊥⊥18,E、F轴4o⊥⊥22,G轴2o⊥⊥22+2o⊥⊥20。
KL4(1):断面300×500、上部筋为3o⊥⊥16+1o⊥⊥12,下部筋为2o⊥⊥16+2o⊥⊥14,箍筋φ10@100/200(4)。
构造筋4o⊥⊥12。
端头筋:A0、C轴3o⊥⊥16+1o⊥⊥14。
受力钢筋、箍筋的品种、规格、数量、位置、间距均符合设计要求,钢筋位置正确。
进场钢筋无锈,钢筋原材料及焊接均复检合格。
保护层厚度50mm。
绑扎及焊接长度均符合设计要求。