电力电缆试验记录
- 格式:pdf
- 大小:2.48 MB
- 文档页数:11
电力电缆试验记录
DQ1-14单位工程名称工程编号
电缆编号型号规格
试验日期出厂日期制造厂
电压(V)气温(0C)长度
电缆起点-终点
绝缘电阻
R15(MΩ)R60(MΩ)K R15(MΩ)R60(MΩ)K L1-L2
L1-L3
L2-L3
L1-N
L2-N
L3-N
L1-n
直流耐压及汇漏电流电压试验(kv)
时间(min)
泄漏电流
(μA)
L1-L2L3N
L2-L3L1N
L3-L1L2N
结论及其它:
施工记录人:
班(组)长:
技术负责人:
年月日建设(监理)单位专业工程师:
年月日
说明:本试验在电缆终端头和中间接头制作完成后进行。
当一个电源回路采用二根及以上电缆时,应对每一根电缆提供一份试验记录。
在直流耐压泯漏电流试验时,其泄漏系数可在本记录的“结论及其经”栏中填写,并判定是否合格。
高压电力电缆试验报告一、引言二、试验目的试验的目的是检验高压电力电缆在额定电压和负荷下的可靠性和性能,并验证其是否符合相关标准和规范的要求。
主要试验项目包括:单芯电缆耐压试验、导体直流电阻测量、绝缘电阻测量、介质损耗测试等。
三、试验过程1.单芯电缆耐压试验:将电缆接入耐压设备,施加额定电压,并保持一定时间,观察电缆的绝缘状态和是否发生击穿现象。
2.导体直流电阻测量:使用导体电阻测试仪对电缆的导体进行直流电阻测量,记录并比对标准值。
3.绝缘电阻测量:使用绝缘电阻测试仪对电缆的绝缘层进行电阻测量,记录并比对标准值。
4.介质损耗测试:使用介质损耗测试仪对电缆的介质损耗进行测试,记录测试结果并与标准范围对比。
四、试验结果分析1.单芯电缆耐压试验结果:经过试验,所有电缆均能在额定电压下正常运行,且未发生击穿现象,符合规定要求。
2.导体直流电阻测量结果:测量结果与标准允许范围相符,电缆导体电阻正常。
3.绝缘电阻测量结果:测量结果表明,电缆的绝缘电阻在标准范围内,并且没有低于要求值的情况。
4.介质损耗测试结果:介质损耗值均在标准范围内,表明电缆的介质性能良好。
五、结论经过试验,高压电力电缆在各项试验指标上均符合相关的标准和规范要求,电缆的绝缘性能、导体电阻和介质性能良好,可靠性高。
因此,可以认为高压电力电缆质量合格,可以投入使用。
六、存在问题及建议在试验过程中,未发现明显的问题和缺陷。
然而,为了进一步提高电缆质量,建议进行定期维护和检修,并确保电缆的正确安装和使用。
[1]电力电缆试验规程[2]电力电缆生产标准以上为高压电力电缆试验报告的样例,根据具体情况,可以在报告中加入更多试验内容和结果分析,保证文档内容完整。
电力电缆检验报告()
电力电缆检验报告。
自查报告。
根据公司要求,我们对电力电缆进行了自查和检验。
以下是我
们的自查报告:
1. 外观检查,我们首先对电力电缆的外观进行了检查,确保外
皮完好无损,没有裂纹或磨损,没有明显的损坏或变形。
2. 尺寸检查,我们对电力电缆的尺寸进行了测量,确保符合标
准要求,没有超出允许的公差范围。
3. 绝缘检查,我们对电力电缆的绝缘进行了检查,确保绝缘材
料完好无损,没有裂纹或氧化现象,能够有效地保护导体。
4. 导体检查,我们对电力电缆的导体进行了检查,确保导体材
料质量良好,没有明显的损伤或腐蚀,导体的截面积符合标准要求。
5. 电气性能检查,我们对电力电缆进行了电气性能测试,确保电阻、绝缘电阻、绝缘强度等指标符合标准要求。
6. 包装检查,最后,我们对电力电缆的包装进行了检查,确保包装完整,没有破损或变形,能够有效地保护电缆免受外部环境的影响。
以上是我们对电力电缆的自查报告,我们将继续严格按照公司要求,确保产品质量,为客户提供优质的电力电缆产品。
安徽明都电力线缆有限公司电力电缆试验报告 JL-CX-8-01-03-6
注:“√”为合格,“—” 为不做要求,“×” 为不合格。
试验员:杨杰审核:王勇报告日期: 2011年8月24日
安徽明都电力线缆有限公司
交联聚乙烯绝缘电缆出厂试验报告 JL-CX-8-01-03-3
注:“√” 为合格,“—”为不做要求,“×”为不合格
试验员:邓源国审核:王勇报告日期:2011年8月24日
安徽明都电力线缆有限公司
交联电缆试验报告 JL-CX-8-01-03-6
注:“√”为合格,“—” 为不做要求,“×” 为不合格。
试验员:杨杰审核:王勇报告日期: 2011.8.24
安徽明都电力线缆有限公司
进货检验记录 JL-CX-08-01-01
检验员:邓源国仓管员:黄丙会审核:王
勇检验日期:2011.8.24。
安徽明都电力线缆有限公司
电力电缆试验报告JL-CX-8-01-03-6
注:“√”为合格,“—”为不做要求,“×”为不合格。
试验员:杨杰审核:王勇报告日期:2011年8月24日
安徽明都电力线缆有限公司
交联聚乙烯绝缘电缆出厂试验报告JL-CX-8-01-03-3
注:“√”为合格,“—”为不做要求,“×”为不合格
试验员:邓源国审核:王勇报告日期:2011年8月24日
安徽明都电力线缆有限公司
交联电缆试验报告JL-CX-8-01-03-6
注:“√”为合格,“—”为不做要求,“×”为不合格。
试验员:杨杰审核:王勇报告日期:2011.8.24
安徽明都电力线缆有限公司
进货检验记录JL-CX-08-01-01
如有侵权请联系告知删除,感谢你们的配合!。
成氨项目 单元名称:火炬装置结论: 符合GB 50150 - 2006电气装置安装工程电气设备交接试验标准审核人:日期:位号名称ZA 型化工流程泵电机P-3601 备注:SH/T3543 - G502交流电动机试验记录试验人:日期:工程名称:江苏灵谷化工 30单元名称:火炬装置施工班组长 专业工程师: 质量检查员;SH/T3543 — G524万吨/年合成氨项目电气照明安装检查记录日期: 日期:日期:技术负责人: 质量检查员: 调校人:SH/T 3503 —2001标准表名称、罗斯蒙特3051压力变送器编号、精度精度为0.02%,编号IMPORT14628457备注:技术负责人: 质量检查员: 调校人:单元名称:火炬装置— SH 3503-J611工艺开关调校记录工程名称:江苏灵谷化工30万吨/年合成氨项目仪表名称型号规格仪表位号出厂编号精确度允许误差(%)上限设定值下限设定值(MPa)动作值()调校结果调校日期吸合断开空气压力开关HYPE0~1M PaYB060403118-20.25 /0.25/0.28/0.22合格09.05.20液化石油气压力开关HYPE0~1M PaYB060503118-60.25 /0.25/0.25/0.23合格09.05.20氮气压力开关HYPE0~1M PaYB060703118-50.25 /0.2/0.2/0.18合格09.05.20蒸汽压力开关HYPE0~2.5 MPaYB060803118-90.25 /0.3/0.32/0.28合格09.05.20调校结果备注:技术负责人: 质量检查员: 调校人:SH/T 3503 —200111 /13SH 3503 - J603 仪表名称 制造厂 标准表名称、 编号、精度 调节阀、执行器、 开关阀调校记录工程名称:江苏灵谷化工 30万吨/ 年合成氨项目单元名称:火炬装置气动调节阀 仪表型号 98-21225 仪表位号 FV-0608 上海七厂 0 〜25mm 精确度 允许误差PN= 1.05 MPa DN=50mm 0.5级 出厂编号 03115-1 0.125mm输入信号 4 〜20mAd i = 作用形式气开334A 回路校验仪,编号为 8167014 精度为0.05级 百分表,精度为0.1级 AVP102-H作用方向 阀体强度试验 试验介质 水 试验压力 1.58 MPa 5分钟压力降 0 kPa 膜头气密性试验 试验介质 氮气 试验压力0.1 MPa5分钟压力降kPa阀芯、阀座 泄漏量试验 试验介质阀门出入口压差0.1MPa 实测值ml/min 允许值ml/min全行程时间(S ) 开阀关阀被校刻度带阀门定位器 不带阀门定位器50% 100%0 %50%100%输入信号(mA 4.00 12.00 20.00标准行程(mm 0 12.5 25实测行程(mm 正 0 12.5 25反 0 12.5 25误差(%) 正 0 0 0反 0 0 0回差(%) 0阀门定位器气源 MPa 输入0.4 4 〜20mA合格 调校结果输 出备注: 技术负责人: 质量检查员: 调校人:12 / 13SH/T 3503 —2001安装人: 150 120 符合规范技术负责人: 质量检查员:13 /13。
电力电缆试验规范
Company Document number:WUUT-WUUY-WBBGB-BWYTT-1982GT
高压电力电缆试验报告
试验日期:年月日
试验人员:试验负责人:
低压馈电线路(电缆)试验记录
电力电缆试验规程
第1条电力电缆的试验项目如下:
一、测量绝缘电阻;
二、直流耐压试验并测量泄漏电流;
三、检查电缆线路的相位。
第2条测量绝缘电阻。
绝缘电阻值不作规定。
第3条直流耐压试验并测量泄漏电流。
一、直流耐压试验标准见表1。
1、电力电缆直流耐压试验标准表1
表中:U为标准电压等级的电压。
2、电除尘器用直流电缆敷设后的直流试验电压为2倍额定电压,试验持续时间为10分钟;
3、交流单芯电缆的护层绝缘试验标准,按订货协议进行。
二、试验时,试验电压可分4~6阶段均匀升压,每阶段停留1分钟,并读取泄漏电流值。
测量时应消除杂散电流的影响;
三、粘性油浸纸绝缘电缆泄漏电流的三相不平衡系数不大于2;当10千伏及以上电缆的泄漏电流不大于20微安、6千伏及以下电缆泄漏电流小大10微安时,不平衡系数不作规定;充油、橡胶、塑料绝缘电缆的不平衡系数也不作规定;
四、泄漏电流只作为判断绝缘情况的参考,不作为决定是否能投入运行的标准;
五、电缆漏电流具有下列情况之一者,电缆绝缘可能有缺陷,应找出缺陷部位,并予以处理:
1、泄漏电流很不稳定;
2、泄漏电流随试验电压升高急剧上升;
3、泄漏电流随试验时间延长有上升现象;
第4条检查电缆线路的相位。
两端相位应一致,并与电网相位符合。
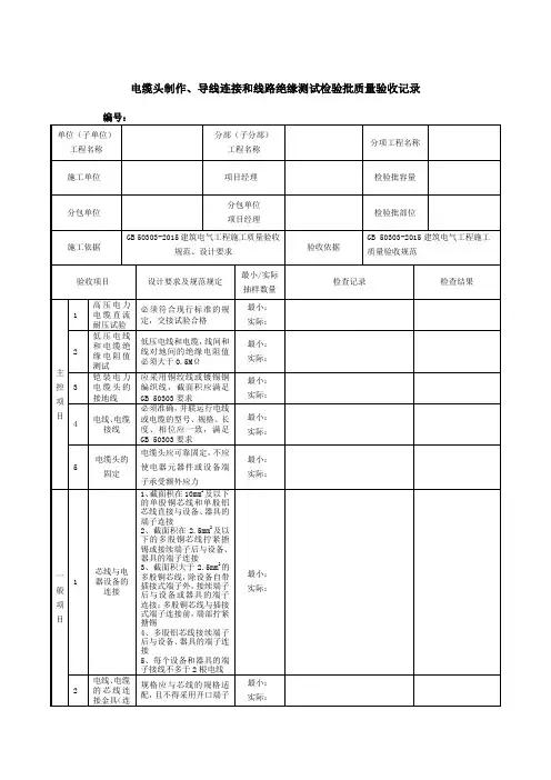
电缆头制作、接线和线路绝缘测试分项工程检验批质量验收记录。
电力电缆检验报告()
电力电缆检验报告。
自查报告。
日期,2022年10月15日。
为了确保电力电缆的质量和安全性,我对公司所生产的电力电缆进行了自查。
以下是自查报告的内容:
一、外观检查。
1. 检查电力电缆外皮是否有明显的损坏、磨损或裂纹。
2. 检查电力电缆表面是否有异物或污物附着。
3. 检查电力电缆标识是否清晰可见。
二、尺寸检查。
1. 使用测量工具对电力电缆的直径、长度进行测量,确保符合
标准要求。
三、电气性能检查。
1. 使用电阻计对电力电缆的绝缘电阻进行测试,确保符合标准
要求。
2. 对电力电缆的导通性能进行测试,确保电缆内部导线连接良好。
四、耐压测试。
1. 对电力电缆进行耐压测试,确保在规定的电压下不会出现击
穿或漏电现象。
五、包装检查。
1. 检查电力电缆的包装是否完好,防止在运输过程中受到损坏。
根据以上自查内容,我确认公司所生产的电力电缆在外观、尺寸、电气性能、耐压和包装方面均符合标准要求。
但也发现了一些
小问题,例如部分电缆外皮有轻微磨损,已经通知相关部门进行修复和改进。
希望通过自查报告,能够及时发现和解决电力电缆生产过程中存在的问题,确保产品质量和安全性,提升公司产品的竞争力。
电力电缆试验对照电缆合格证明文件、出厂试验报告以及设计图纸,核对电缆铭牌技术参数,检查并记录铭牌的出厂编号等数据。
记录现场的温度、湿度;现场环境温度不低于5℃,空气相对湿度一般不高于80%。
将电缆从开关柜或环网柜内的开关、母线等设备上拆卸下来,使电缆与其他设备隔离,并做好记号;有足够的安全距离。
正确接取电源,耐压试验必须使用带有过电流保护装置的电源箱,试验用电源有断路明显的双刀开关和电源指示灯;试验仪器的接地端子、被试设备外壳的接地端均与接地网连接可靠,接地线使用截面积不少于4mm2的多股软裸铜线。
检查电缆两端的相位:电缆两端的对相相位一致。
电缆的绝缘电阻:各相间、相对地及金属屏蔽层间测量;耐压前后均测量电缆的绝缘电阻,前后的绝缘电阻无明显变化。
直流耐压试验和泄漏电流测试:分别在每一相上进行,对一相试验时,其他两相、屏蔽层、铠装层一起接地;试验电压可分4段均匀升压,每段停留1min,并读取泄漏电流,升至试验电压值后维持15min,读取1min和15min时的泄漏电流。
测试绝缘电阻、直流耐压试验进行的过程中,严禁人员进入试验范围及触碰正在试验的电缆;设专人监护,直流耐压试验高压引出线支持牢固,并有足够的安全绝缘距离。
加压前,必须认真检查试验接线,调压器零位及仪表的开始状态,均正确无误,通知有关人员离开被试电缆,包括电缆两侧,被试电缆的另一侧也有人看护,采取呼唱答的方式进行操作,升压过程,观察仪表的指示,监视电缆的状况,根据现象来判断,每次加压试验完或变更相接线先将电压降至零位,断开试验电源,对被试电缆相及试验变压器高压部分放电、接地;升压过程中如出现电压表指针摆动幅度大,电流表指示急剧增加,有闪络、击穿、绝缘体发热冒烟等现象,立即降压,断开试验电源,对被试电缆相及试验变压器高压部分放电、接地,视现象情况检查分析,判断再次试验或者停止试验。
将试验前拆除的电缆恢复原状,并确认连接牢固。
电力电缆检验报告
自查报告。
报告日期,2023年5月15日。
报告对象,公司管理部门。
报告内容:
根据公司要求,我们对电力电缆进行了自查,并就检验结果进
行了报告。
自查内容包括电缆的外观、尺寸、绝缘电阻、导体电阻、绝缘电压、耐压测试等项目。
首先,我们对电缆的外观进行了检查,确保电缆表面光滑,无
明显损伤和变形。
然后,我们对电缆的尺寸进行了测量,确保符合
标准要求。
接着,我们对电缆的绝缘电阻和导体电阻进行了测试,测试结
果显示绝缘电阻和导体电阻均符合标准要求。
同时,我们对电缆进
行了绝缘电压和耐压测试,测试结果显示电缆能够承受标准要求的
电压并保持良好的绝缘性能。
最后,我们对电缆进行了外观检查,确保电缆标识清晰、完整,并且符合标准要求。
综上所述,我们对电力电缆进行的自查结果显示,电缆符合标
准要求,可以正常投入使用。
报告人,XXX(签名)。
联系方式,XXX(电话/邮箱)。
高压电力电缆试验报告
试验日期:年月日
低压馈电线路(电缆)试验记录
电力电缆试验规程
第1条电力电缆的试验项目如下:
一、测量绝缘电阻;
二、直流耐压试验并测量泄漏电流;
三、检查电缆线路的相位。
第2条测量绝缘电阻。
绝缘电阻值不作规定。
第3条直流耐压试验并测量泄漏电流。
一、直流耐压试验标准见表1。
1、电力电缆直流耐压试验标准表1
表中:U为标准电压等级的电压。
2、电除尘器用直流电缆敷设后的直流试验电压为2倍额定电压,试验持续时间为10 分钟;
3、交流单芯电缆的护层绝缘试验标准,按订货协议进行。
二、试验时,试验电压可分4〜6阶段均匀升压,每阶段停留1分钟,并读取泄漏电流值。
测量时应消除杂散电流的影响;
三、粘性油浸纸绝缘电缆泄漏电流的三相不平衡系数不大于2;当10千伏及以上电缆的泄漏电流不大于20微安、6千伏及以下电缆泄漏电流小大10微安时,不平衡系数不作规定;充油、橡胶、塑料绝缘电缆的不平衡系数也不作规定;
四、泄漏电流只作为判断绝缘情况的参考,不作为决定是否能投入运行的标准;
五、电缆漏电流具有下列情况之一者,电缆绝缘可能有缺陷,应找出缺陷部位,并予以处理:
1、泄漏电流很不稳定;
2、泄漏电流随试验电压升高急剧上升;
3、泄漏电流随试验时间延长有上升现象;
第4条检查电缆线路的相位。
两端相位应一致,并与电网相位符合。
电缆头制作、接线和线路绝缘测试分项工程检验批质量验收记录。