人工挖孔桩防护措施(新版)
- 格式:docx
- 大小:62.39 KB
- 文档页数:6
人工挖孔桩施工的安全防护是非常重要的,操作人员在施工过程中,必须严格按照相关规定和标准进行操作,确保施工过程的安全。
一、施工前的安全防护施工前需要进行现场勘察,了解地基情况和施工环境,并对施工方案进行专业分析评估。
同时要编制详细的施工方案和施工图纸,明确施工步骤和安全措施。
1、确保施工场地的安全性施工场地必须有良好的排水系统,以保证施工过程中没有积水,避免工人滑倒或者电线设备受潮引起安全事故。
2、划定施工场地在施工现场划定施工区域,在施工区域外设置警示标志和指示牌,以确保施工区域不被非施工人员进入,避免施工过程中的伤害事故。
3、设施完善的施工现场施工现场应该同时配备专业的施工设备、施工机械、施工器械、安全防护设备等,确保施工过程中安全设施的完善。
4、规范操作人员的工作服装操作人员必须穿戴统一的工作服装,包括安全帽、工作服、防护鞋等,确保自身的安全,避免施工过程中的伤害。
二、施工过程中的安全防护1、施工作业前要做好交底和讲解工作施工前,施工负责人要对参与施工的人员进行交底和讲解,告知施工方案、作业注意事项和安全防护要求,确保每个操作人员明确自己的工作任务和安全责任。
2、规范挖孔作业操作人员必须按照施工方案和施工图纸的要求进行挖孔作业,确保挖孔位置准确,并要熟练掌握挖孔设备的操作方法和技巧。
3、防止塌方事故当挖孔深度过大时,容易导致挖孔壁发生塌方,造成人员伤亡和设备损坏。
为此,操作人员必须采取相应的防护措施,如设置支护结构和加固措施,及时清理挖掘出的土方,并做好挖孔壁的支护和防护。
4、施工现场要做好通风和灭火措施挖孔作业过程中会产生一些有害气体和燃气,操作人员在施工过程中应配备相应的通风设备和灭火设备,保障施工现场空气清新。
同时,还要做好消防器材的摆放和维护,以便在发生火灾时能够进行及时灭火。
5、控制作业人员数量为了确保施工过程中的安全,应根据工程规模和安全要求合理控制作业人员的数量,避免挤压引发伤害事故。
人工挖孔桩安全防护措施介绍人工挖孔桩是一种常用的基础施工技术,用于在土壤中挖孔和注入混凝土,形成坚固的基础支撑。
在进行人工挖孔桩的施工过程中,需要采取相应的安全防护措施,以确保工作人员的安全。
安全防护措施以下是进行人工挖孔桩施工时应遵循的安全防护措施:1. 确保工作区域安全:在施工现场周围设置明显的警示标志,并确保只有经过训练并具备相关证书的工作人员才能进入工作区域。
禁止其他人员进入施工区域,以防止意外发生。
2. 使用合适的个人防护设备:所有从事人工挖孔桩施工的人员都应佩戴合适的个人防护设备,包括安全帽、防护眼镜、耳塞、防护手套和耐穿刺的安全鞋。
3. 安全操作挖孔设备:确保挖孔设备的良好维护和操作,包括定期检查设备的安全功能,如紧急停止按钮和安全护栏,并且只有受过培训的工作人员才能操作设备。
4. 排除危险物品:在施工区域周围清除杂物和危险物品,如电缆、管道等。
确保施工现场整洁,避免绊倒和碰撞的危险。
5. 定期检查土壤状态:在进行挖孔之前,对土壤进行定期检查,确保土壤的稳定性。
如若发现土壤松动或存在其他问题,应采取相应的措施,如加固土壤或停止施工。
6. 确定挖孔深度和直径:在进行挖孔之前,根据工程设计要求确定挖孔的深度和直径,并将这些参数传达给操作人员。
确保按照指定参数进行施工,避免挖孔过度或不足的情况发生。
7. 加强监督和培训:加强对施工人员的监督和培训,确保他们熟悉施工过程中的安全措施,并能够正确应对紧急情况。
总结人工挖孔桩施工是一项技术复杂且风险较高的工作,需要工作人员严格遵守安全防护措施。
通过采取适当的安全措施,可以降低意外事故的发生概率,保护工作人员的安全。
人工挖孔桩孔口安全防护措施。
(10 分)范本一:专业风格一、前言本文档旨在提供人工挖孔桩孔口安全防护措施的详细指南,以确保工作场所的安全。
在进行人工挖孔桩工作时,必须严格遵守相关安全规定和标准,以保障人员和设备的安全。
二、施工前准备1.确定工作区域- 确保工作区域没有电缆、管道或其他地下设施。
- 清理工作区域,移除障碍物。
2.安全设备准备- 提供必要的个人防护装备,如安全帽、安全鞋、安全手套等。
- 准备需要的安全设备,如安全警示牌、安全防护栏等。
三、孔口安全防护措施1.围栏设置- 在工作区域周围设置安全防护栏,防止未经授权的人员进入。
- 根据工作情况设置合适的安全警示牌,提醒人们注意工作区域的危险性。
2.警示标识- 在孔口附近设置明显的警示标识,用于提醒人们注意孔口的危险性。
- 根据工作方案,设置合适的警示标识,如“危险区域,禁止进入”等。
3.安全防护网- 在孔口附近安装安全防护网,防止人员或物体意外坠入孔口。
- 确保安全防护网的稳固性,定期检查并及时修复或更换有损坏的部分。
四、施工期间安全措施1.施工人员安全- 提供充足的工作空间和安全通道,确保施工人员的安全。
- 强制要求施工人员佩戴个人防护装备,并接受相关安全培训。
2.安全监控- 安排专人负责对施工现场进行安全监控,及时发现和解决安全问题。
- 使用必要的安全设备,如摄像头、安全报警器等。
五、施工后安全措施1.孔口封闭- 施工完成后,立即对孔口进行封闭,防止人员或物体误入。
- 使用适当的封闭材料,确保孔口的安全性和稳定性。
2.清理工作区域- 施工完成后,及时清理工作区域,移除残留物和障碍物。
- 检查工作区域,确保没有任何安全隐患。
本文档涉及附件:安全设备清单、警示标识示例图片、安全防护网安装说明。
本文所涉及的法律名词及注释:1、个人防护装备:根据《劳动法》第五十九条,雇主应当为劳动者提供需要的个体防护装备。
2、安全防护栏:按照《安全生产法》的相关规定,工作场所应当设置防护栏,确保工作场所的安全。
人工挖孔桩防护措施(二)引言概述:人工挖孔桩是一种常见的地基处理措施,为确保施工安全以及挖孔桩的稳定性和使用寿命,需要采取一系列的防护措施。
本文将从五个方面介绍人工挖孔桩的防护措施。
正文:一、加强安全警示1.在施工现场明确标示安全警示标志,提醒工人注意施工安全。
2.设立警示线和警示牌,限制非相关人员进入施工区域。
3.在施工现场设置安全防护网,防止施工过程中的坠落事故。
二、注意土方支护1.根据不同地质条件选择合适的土方支护形式,如钢板桩、喷锚材料等。
2.进行土方支护时,根据挖孔桩预留空间要求,合理控制土方开挖量。
3.及时排除土方支护中的松动土,确保支护结构的牢固性。
三、加强基础处理1.对挖孔桩的基础进行加固处理,采用混凝土灌注或加固材料填充等方法。
2.根据地质勘察结果,调整基础的设计方案,确保挖孔桩的基础与地下环境的稳定连接。
3.注重基础的施工质量控制,确保基础处理的有效性。
四、防止地层塌方1.在挖孔桩施工时,设置地层支撑设备,防止地层塌方。
2.根据地层条件,及时采取支护措施,如钢支撑、锚杆等。
3.对地层进行巡查,发现异常情况时立即采取措施,确保施工人员的安全。
五、做好检查和维护工作1.定期对挖孔桩的防护设施进行检查,确保其正常使用。
2.发现问题及时进行修复和维护,避免事故发生。
3.培训施工人员,提高他们的安全意识和维护能力。
总结:人工挖孔桩防护措施是确保施工安全和桩基稳定的关键。
通过加强安全警示、注意土方支护、加强基础处理、防止地层塌方以及做好检查和维护工作等五个方面的措施,可以有效提高人工挖孔桩的施工品质和安全性。
人工挖孔桩安全防护措施2023-11-10•挖孔桩作业安全防护措施•孔口安全防护措施•作业人员安全防护措施•地下水及地质情况应对措施•安全检查与应急预案目•相关法律法规与标准规范录01挖孔桩作业安全防护措施挖孔桩作业时,应设置孔口围护,以防止人员和物品掉入孔内。
孔口围护地面排水孔口盖板孔口周围应设置地面排水设施,防止地面水流入孔内。
挖好的孔口应及时加盖盖板,防止杂物掉入孔内。
03孔口保护措施0201挖孔桩作业时,孔内应设置照明设施,以确保作业面视线清晰。
孔内照明孔内照明应使用低压电源,并采用专用电缆,确保线路安全可靠。
电源及线路孔内照明措施通风挖孔桩作业时,应采取通风措施,保证孔内空气流通。
供氧在地下水位较高或地质条件复杂的情况下,应采取供氧措施,保证作业人员呼吸畅通。
通风与供氧措施护壁挖孔桩作业时,应采用护壁措施,以防止孔壁坍塌。
支撑和固定在松软土层或流砂层作业时,应采取支撑和固定措施,以防止孔壁坍塌。
防止孔壁坍塌措施02孔口安全防护措施孔口围栏孔口围栏应由坚实、不易损坏的材料制成,高度不低于1.2米,并应设置在孔口周围。
围栏应设置在距孔口边缘不小于1米的位置,并应能承受不小于1000牛的撞击力。
围栏的安装和使用应符合国家和地方的相关规定。
孔口安全警示标志应设置在孔口围栏上或附近,并应清晰可见。
警示标志应包括危险提示、施工区域标识、施工设备标识等。
警示标志的设置和使用应符合国家和地方的相关规定。
孔口安全警示标志孔口排水设施人工挖孔桩应设置排水设施,以防止地下水涌入孔内。
排水设施应包括排水沟、集水井、水泵等,并应保持畅通。
在雨季施工时,应加强排水措施,防止水淹事故的发生。
孔口监控设备监控设备应具备防雨、防尘等功能,并应设置在孔口上方。
通过监控设备可以实时了解孔口情况,及时发现和处理安全隐患。
有条件的工程应设置孔口监控设备,对孔口进行实时监控。
03作业人员安全防护措施针对人工挖孔桩作业的特性,定期组织作业人员进行安全培训,提高作业人员的安全意识和技能。
人工挖孔桩的安全防护措施关键信息项:1、挖孔桩施工流程及要求2、安全防护设备配备3、施工人员安全培训4、现场安全检查与监督机制5、应急救援预案1、施工前准备11 施工前必须对施工场地进行详细勘察,了解地质情况、地下水位等信息。
12 制定详细的施工方案,包括挖孔桩的深度、直径、护壁的设置等。
13 准备好施工所需的机械设备和工具,并确保其性能良好。
2、安全防护设备配备21 孔口必须设置防护围栏,高度不低于 12 米,围栏应坚固可靠。
22 孔内作业人员必须佩戴安全帽、安全带等个人防护用品。
23 配备通风设备,保证孔内空气流通。
24 安装照明设备,照明电压不得高于 36 伏。
3、施工人员安全培训31 所有施工人员必须经过专业的安全培训,了解挖孔桩施工的安全风险和防范措施。
32 培训内容包括但不限于孔内作业安全、机械设备操作安全、应急逃生等。
33 定期组织施工人员进行安全知识考核,确保其掌握必要的安全知识。
4、施工过程中的安全措施41 挖孔作业必须按照规定的顺序进行,不得随意更改。
42 每次挖掘深度不得超过 1 米,及时进行护壁施工。
43 吊运土方的设备必须安全可靠,严禁超载。
44 孔内有人作业时,孔口必须有专人监护。
5、护壁施工要求51 护壁混凝土强度应符合设计要求,不得低于 C20。
52 护壁厚度、拉结钢筋等应符合施工方案的规定。
53 护壁应连续施工,不得间断。
6、排水与降水措施61 根据地下水位情况,采取有效的排水或降水措施。
62 排水设备应定期检查和维护,确保其正常运行。
7、现场安全检查与监督机制71 设立专门的安全检查小组,定期对施工现场进行安全检查。
72 检查内容包括安全防护设备的使用情况、施工人员的操作规范、安全制度的执行情况等。
73 对发现的安全隐患,必须及时整改,整改完成后方可继续施工。
8、应急救援预案81 制定详细的应急救援预案,包括坍塌、中毒、触电等事故的应急处理措施。
82 配备必要的应急救援设备和物资,如急救箱、担架、灭火器等。
人工挖孔桩的安全防护措施人工挖孔桩是一种常见的基础施工方法,但也会存在一些安全风险。
为了保证人身安全和施工质量,必须采取一系列安全防护措施。
下面是人工挖孔桩的安全防护措施:一、施工前准备1.1、在正式施工前必须进行地质勘察工作,了解地层情况及土体的稳定性,确定施工的孔径、孔深及孔距。
1.2、在派工前,要对施工人员进行专业技术培训,具有基础安全意识和安全操作技能,掌握相关操作规范和工艺规范。
二、操作注意事项2.1、工作人员必须穿上安全防护装备,包括安全鞋、安全帽、手套、工作服等,以防被钻头伤害。
2.2、在孔口附近铺设安全网,以防止掉落物伤害到施工人员。
2.3、做好现场标识,明确施工范围,禁止非施工人员进入现场。
2.4、严格按照设计孔径、孔深和孔距进行施工,以保证孔的稳定性和施工质量。
三、机具和设备安全3.1、钻机要经过专业技术人员检查和维护后,方可使用。
3.2、调整机器位置、钻杆长度、孔径、孔深时,必须切断电源,做好防护措施。
3.3、在孔深达到规定深度后,必须检查检测孔底是否达到设计要求,否则需要及时处理,以确保施工质量和孔的稳定性。
四、结构安全4.1、严格按照设计和施工规范施工,以确保孔的稳定性。
4.2、在孔深浅、孔径小的情况下,及时加强孔口的支护,以确保孔的稳定性。
4.3、操作过程中出现意外事故,必须立即采取有效的应对措施,避免出现二次事故。
五、环境监测5.1、在施工过程中及时监测孔的范围和方位,发现偏差要及时纠正,以确保施工质量。
5.2、定期检测孔的地质状态和土体规律变化,保证孔的稳定性和安全施工。
人工挖孔桩的安全防护措施非常重要,施工人员必须全程关注安全问题,做好每一个细节,确保施工质量和人身安全。
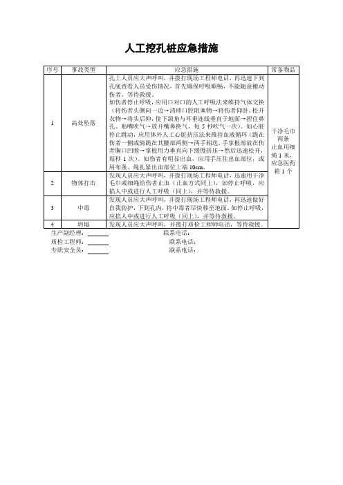
人工挖孔桩施工的安全防护预防高处坠落:(1)严格按照《建筑施工高处作业安全技术规范》JGJ80—91的规定,在桩口四周设置至少1.2m高的防护围栏;(2)作业桩口除提升设备底座外,其余空隙均用场50cm厚以上的木板铺盖密封;(3)作业人员上下孔桩时,必须乘坐符合安全要求的专用安全乘人吊笼(或套安全带由专用牵引设备放下),不得随意以攀爬护壁或乘坐吊桶等方式上下;(4)桩口作业人员应拴好安全带,挂好保险钩;(5)停止作业时,桩口应设置定型化、工具化的盖板并封闭严实,悬挂醒目的危险标志。
预防物体打击:(1)严格按照《建筑施工高处作业安全技术规范》的规定,桩口周边1.2m范围内不得堆放杂物,弃土、石块堆放高度不得超过1.5m,所挖掘的弃土、石块应及时清运出场。
(2)孔内作业人员必须配戴安全帽(3)防护围栏上面搭设牢固可靠的防护棚,预防高空坠物(特别是塔吊作业半径内)。
(4)浇注第一节混凝土护壁时,应高出沿口20cm以上,厚度同护壁,以防止物体滑落井内伤人(或用砖围砌成井圈)。
(5)每天上班前应配合项目机电人员认真检查提升系统是否完好无损,防护装置是否安装到位,牢固可靠。
若发现问题应及时修复后再进入桩内施工。
预防坍塌:(1)根据土质情况,设置砼(钢)护壁,每挖成一节就应及时绑钢筋支模浇铸砼。
护壁砼浇铸要周围同步上升,振捣密实,待砼达到强度后方可拆模。
若挖孔进尺较深,不及时浇铸护壁混凝土或拆模较早,在动水压力作用下,容易造成护壁变形引起塌方。
(2)每节挖孔进尺深度应根据土质和地下水位情况而定。
土质情况较好,无地下水或地下水较少时,每次进尺深度不超过1m为宜;如地下水位较高,土质较差较软时,每次进尺深度不宜超过0.5—0.6m;当遇到流砂、泥时,进尺深度应控制在0.3m以内。
(3)施工中如发现地下水压力较大,涌砂、涌泥较多难以进尺时,应采用降水方案,并用钢筋沿护壁插下,然后用草袋或麻布之类的物品先堵住流砂、泥,然后再清孔绑筋支模浇铸混凝土护壁。
1人工挖孔桩安全方案2井孔周边防护措施1.井孔周边第一节护壁必须高出地面200mm以上, 挖出的土必须及时运走, 井孔周边1m范围内, 禁止堆放土方余渣。
井孔内有人作业时, 3m禁止有机动车辆行驶或停放。
2.井孔周边作业人员和监护人员, 必须系好安全带并挂设好。
3孔井作业时, 井口除留800mm的处料口外, 其余空隙均用5cm厚的木板封盖严密牢固。
4严禁作业人员和其他人员在井孔处打闹, 也不准坐在井口边休息, 以防发生坠落。
5井孔内防护1.井内作业人员必须戴好安全帽, 系好安全带, 安全带应检挂在自井口而下的专用保险绳上。
井孔内设置应急时使用的安全绳。
井内人员必须乘坐专用安全吊笼上下, 不得乘坐吊桶或脚踩护壁凸缘上下井孔;也不准乘坐吊桶、土筐、土箕、吊绳等方式上下井, 严禁无人掌握提升机, 开速自落下井, 防止发生坠落事故。
井孔内作业人员应勤轮换, 连续作业时间不得超过4小时。
2.桩孔必须每挖深30~100cm左右就护壁一次, 严禁只挖深不及时护壁。
护壁模板拆除一般可在24小时后进行, 但可视井孔的地层含水量等诸多因素, 确定拆模时间, 但必须保证护壁混凝土强度不低于3Mpa。
3.当孔深超过5m后, 每次下孔作业前必须先通风;作业过程中必须保持连续通风。
并在距井底2m处设置一道钢制弓形防护挡板, 周边宽30cm, 并在护壁上固定牢固。
吊运物料时, 井下人员应紧贴护壁, 站在弓形护板下, 以防物体打击。
弓形护板的设置高度应随孔桩进尺深度同步。
4.挖孔抽水时, 作业人员必须离开井孔;抽水完成后, 先确定已断开电源后, 再恢复井内作业。
5.井孔内上下递物和工具时, 严禁抛掷, 必须严格用吊索系牢传递。
6.井下作业时, 必须设一人以上作井上监护。
监护人员不得擅自离开岗位, 并要密切注意井下情况, 经常与井政保持联系, 发现异常情况应立即帮助井下作业人员撤离井底回到地面, 并立即向施工负责人报告发生的真实情况。
人工挖孔桩专项安全防控措施首先对作业人员进行认真全面的安全技术交底,告知他们岗位危险和规避危险的方法,并告知他们防护措施和监控措施不到位时有权拒绝作业。
1、为防止作业人员上下孔时坠落,应配置适用和可靠的升降设备,同时作业人员上下孔要用专用爬梯,严禁用其他方式上下孔。
2、为防止物体打击,孔内作业人员一定要载好安全帽,孔口设置高出地面20cm 的井圈,弃土和工具等放置在井圈外,挖出的土方应及时运离孔口,不得堆放在孔口四周2m范围内,砼围圈上不得放置工具和站人。
孔内作业人员必须头戴安全帽、身系安全带。
施工前对卷扬机和钢丝绳进行检查,确定其安全起吊能力后方可投入运行。
施工中应随时检查垂直运输设备的完好情况和孔壁情况。
3、为防止作业人员孔中防毒和窒息,地下特殊地层中往往含有CO、SO2、H2S或其它有毒气体,故每次下孔前,必须对孔内空气随时进行仪器监测,同时配备空压机和足够到井底的通风管。
根据监测的结果和孔底作业人员的需要,随时向孔内通风换气,复工前还应向桩孔内由下而上吹风10分钟;人工挖孔作业一旦发生人员中毒、窒息等事故,必须在现场按应急措施规范要求实施抢救,根据情况及时送医院进一步抢救治疗,并报当地建设行政主管部门和劳动、卫生部门,以便采取相应措施。
孔内作业人员应勤轮换,连续作业时间不宜超过2小时,以防止疲劳引发安全事故。
4、为防止机械伤害事故,施工现场的机具设备的拆除和安装必须有专业人员操作,各施工小组的卷扬机操作人员要熟悉卷扬机的操作要求,卷扬机的防护装置必须安装牢固,并且性能可靠。
为防止运行中的机械设备或零部件超过极限位置,应配置可靠的限位装置。
机械设备应设置可靠的制动装置,以保证接近危险时有效的制动。
机械设备的气、液传动机构,应设有控制超压、防止泄露装置。
5、为防止作业人员触电,施工现场的一切电源、电路的安装和拆除必须由持证电工操作,用电系统必须符合《施工现场临时用电安全技术规范》。
用电设备必须严格接地或接零保护且安装漏电保护器,各桩孔用电以及水泵用电必须分闸,严禁一闸多用。
人工挖孔桩的安全防护人工挖孔桩作为一种常用的基础施工方式,在建筑和土木工程领域得到了广泛的应用。
然而,由于挖孔桩施工过程中存在一定的危险性,因此必须采取一系列的安全防护措施,以确保施工人员的安全和保障工程质量。
以下将从人员防护、设备防护和环境防护三个方面详细介绍人工挖孔桩的安全防护措施。
一、人员防护1. 安全培训:施工人员在进行人工挖孔桩施工前,必须接受相应的安全培训,了解施工规范和操作要求,学习安全操作技能和事故应急处理方法,提高安全意识和自我保护能力。
2. 个体防护:所有参与施工的人员必须穿戴符合国家标准的安全防护用品,包括头盔、防护鞋、工作服、手套等。
同时,还应根据工作情况配备防护眼镜、口罩等其他个体防护用品。
3. 应急设备:在挖孔桩施工现场应设立应急救援队伍,配备急救箱、担架等急救设备,确保在发生意外事故时能及时进行救援和处理。
二、设备防护1. 设备检查:在使用挖孔机械之前,必须进行设备的全面检查和试车。
确保设备的工作状况良好,所有安全保护装置完好,操作按钮灵敏可靠。
2. 操作规范:操作人员必须熟悉挖孔机械的使用方法和操作规程,严格按照操作手册的要求进行操作。
同时要控制机械的作业范围,避免与其他设备或人员发生碰撞。
三、环境防护1. 环境检测:在施工前,必须对施工现场及周边环境进行全面的检测,了解地下管线、电缆等隐患情况,以便采取相应的防护措施,避免对周边环境造成危害。
2. 施工周边隔离:在进行人工挖孔桩施工时,应在施工现场周边设置警示标志,并采取隔离措施,确保人员和非施工人员的安全。
3. 桩身防护:在挖孔过程中,必须及时清理和排除挖孔孔内的泥土和水分,确保挖孔桩的结构完整和稳定。
综上所述,人工挖孔桩的安全防护至关重要,它不仅关系到施工人员的生命安全,也直接影响到工程的质量和进度。
通过人员防护、设备防护和环境防护的综合应用,能够有效降低施工风险,提高施工效率。
因此,在进行人工挖孔桩施工时,施工单位和施工人员必须高度重视安全防护工作,切实做到安全施工、文明施工,确保施工顺利进行。
人工挖孔桩安全防护措施人工挖孔桩安全防护措施1.引言人工挖孔桩是在建筑、桥梁、地铁等工程中常用的基坑支护方法之一。
为了确保人员和设备的安全,采取适当的安全防护措施是必要的。
本文将详细介绍人工挖孔桩安全防护措施的各个方面。
2.施工前的准备工作1)确定地质情况:在挖孔桩施工前,必须对工程区域的地质情况进行详细调查和分析,以确定施工过程中可能出现的地质问题,为安全措施的制定提供依据。
2)设计安全方案:根据地质调查结果,制定挖孔桩施工的安全方案,包括安全施工措施、作业流程和紧急情况处理计划等。
安全方案应经专业人员审核和批准后方可施工。
3)设立警示标志:在工程区域及周边设置明显的警示标志,警示工人和过往行人注意施工区域,防止意外事故的发生。
3.人员安全防护1)培训和教育:施工前,应对参与挖孔桩工作的人员进行专门培训和教育,包括作业规范、安全操作要求、应急处理等知识,确保其具备必要的安全意识和技能。
2)佩戴防护装备:所有参与挖孔桩作业的人员必须佩戴符合标准要求的防护装备,包括安全帽、防护眼镜、防护手套、防护鞋等,以保护其头部、眼睛、手部和脚部等重要部位的安全。
3)定期体检:挖孔桩作业人员应定期进行身体健康检查,及时发现和处理潜在疾病,保证身体健康状况符合作业要求。
4.设备安全防护1)设备检查:施工前应对所使用的挖孔设备进行全面检查和维护,确保其各项功能正常、安全可靠。
2)设备操作:挖孔设备的操作人员应经过专门培训,并熟悉设备的使用和维护方法,遵守操作规程,确保安全操作。
3)设备保护:施工现场应有专人负责对挖孔设备进行安全保护,防止未授权人员进入作业区域,并定期检查设备的使用情况和状态。
5.挖孔现场安全防护1)挖孔区域封控:挖孔现场应设立阻止非作业人员进入的围栏或警示线,限制人员进出,确保施工区域安全。
2)作业区域划分:根据挖孔桩的具体位置和要求,将作业区域划分为安全区、非作业区和工作平台,确保作业人员和设备的安全。
人工挖孔桩安全防护措施(二)引言概述:在施工作业过程中,为了保障人工挖孔桩施工的安全性,必须采取一系列的安全防护措施。
本文将从施工前准备、人员防护、设备防护、环境防护和事故应急处理等五个大点进行详细阐述。
正文:一、施工前准备1.了解土层的情况,确保施工地点的地质环境安全。
2.制定详细的施工方案和安全操作规程,并向相关人员进行培训。
3.审查挖孔桩施工的图纸和设计计划,确认其符合规范要求。
4.清理施工现场,确保场地整洁,防止杂物和障碍物对施工过程造成影响。
5.检查相关施工设备和工具的完好性,确保其能够正常使用。
二、人员防护1.所有参与挖孔桩施工的人员必须佩戴符合安全标准的防护装备,如安全帽、安全鞋、防护手套等。
2.明确各个工种的职责和任务,合理划分工作区域,减少工作人员之间的相互干扰和危险因素。
3.严格遵守施工现场的安全警示标志和安全操作规程,防止违章指挥和操作。
4.实行24小时监督,对施工人员进行安全教育和事故防范培训,增强他们的安全意识。
5.定期进行体检和职业病检查,对施工人员的身体状况进行监测。
三、设备防护1.挖孔设备的使用必须符合相关标准和规范要求,并进行定期维护和检修。
2.对挖孔机械设备进行合理的布置,避免设备与人员之间的直接接触,减少安全隐患。
3.挖孔设备的操作人员必须经过专业培训,并按照操作规程进行操作。
4.安装防护罩或护栏,防止施工设备发生故障时对周围环境和人员造成伤害。
5.在设备附近设置明显的警示标识,提醒人员注意安全,并设立安全专人对设备进行监控和维护。
四、环境防护1.周边建筑物、管线和地下设施必须提前定位,并进行合理的保护措施,避免施工过程造成损坏。
2.对挖掘的土方进行及时处理,防止塌方和泥石流等灾害发生。
3.做好污水和废弃物的收集和处理工作,保护环境。
4.合理规划施工流程,减少对周边环境的干扰和影响。
5.遵守环保法规要求,降低施工作业对生态环境的破坏。
五、事故应急处理1.建立完善的应急预案,明确各类事故应急处理的程序和责任分工。
人工挖孔桩安全防护措施人工挖孔桩是指通过人工手段,采用挖孔机械设备挖掘地面下土层,形成孔洞用于桩基施工的一种方法。
在挖孔桩的施工过程中,为了确保工人的安全,必须采取一系列的安全防护措施。
下面将从施工前、施工中和施工后三个阶段,详细介绍人工挖孔桩的安全措施。
施工前的安全防护措施:1.确认孔洞位置和深度:在开始挖孔之前,必须明确孔洞的位置和深度,避免误差造成安全隐患。
2.清除现场障碍:在施工现场周围清除障碍物,保持周围环境整洁,确保挖孔作业的顺利进行。
3.设置安全警示标识:在施工现场周围设置明确的安全警示标识,提醒人员注意安全,避免发生意外。
4.检查挖孔设备:在进行挖孔作业前,要对挖孔设备进行全面检查,确保设备正常运行,避免设备故障造成事故。
施工中的安全防护措施:1.穿戴安全防护用具:施工人员必须穿戴符合要求的安全防护用具,如安全帽、安全鞋、手套等,保障人身安全。
2.设置安全围栏:在挖孔现场周围设置安全围栏,避免无关人员进入作业区域,减少安全风险。
3.严格遵守操作规程:操作人员必须严格遵守挖孔作业的操作规程,不得擅自改变作业程序,确保施工安全。
4.注意通风排气:挖孔作业会产生大量粉尘和烟尘,应及时进行通风排气,避免呼吸道受到损害。
5.定期检查孔壁稳定性:挖孔过程中要定期检查孔壁的稳定性,如有松动和塌方情况要及时处理,防止意外发生。
施工后的安全防护措施:1.清理现场:施工完成后,要及时清理施工现场的杂物和工具,避免造成绊倒和其他意外事故。
2.检查孔洞质量:施工完成后,要对孔洞的质量进行检查,确保孔洞符合设计要求,避免影响后续工程施工质量。
3.做好记录和交底:施工完成后要对整个施工过程进行记录和交底,包括施工人员、施工时间、孔洞深度等信息,便于日后追溯。
4.安全教育培训:对参与挖孔作业的施工人员进行安全教育培训,提高他们的安全意识和应变能力,降低事故发生的可能性。
综上所述,人工挖孔桩的安全防护措施是非常重要的,只有做到施工前的准备工作充分,施工中严格遵守规程,施工后做好总结和交底,才能确保施工的安全性和质量。
人工挖孔桩危险源及重点安全防护措施人工挖孔桩是一种常用的土方工程施工方式,但是在施工过程中也存在着一定的危险源,因此必须严格遵守安全生产规定,采取必要的安全措施。
本文将详细介绍人工挖孔桩的危险源及重点安全防护措施。
一、人工挖孔桩的危险源1.坍塌危险。
土壤的稳定性很容易受到挖掘场地附近土质的影响,施工现场若有其他建筑物、树木、管道等,也可能会造成坍塌危险。
2.底部坠落危险。
若穴底土壤质量不稳定或孔内积水等情况,也可能导致工人在孔内作业时发生致命的意外。
3.高差危险。
人工挖孔桩孔深较大,比较容易造成求购场地高差危险,即孔口距离地面过高,让工人爬入、下去和爬出时有着非常大的安全隐患。
4.毒气危险。
挖掘场地附近可能存在一些有害气体,如果没有采取必要的防护措施,工人容易中毒。
二、人工挖孔桩的重点安全防护措施1.对工人进行安全技术教育。
在作业前,必须对工人进行安全技术教育,让他们了解孔壁的稳定性、挖掘深度和直径以及孔内积水等情况,确保每一位工人都了解自身在孔内及孔口的安全操作规范。
2.设立有效防护措施。
在现场周围设置明显的隔离栅栏、安全警告标语等,并在孔旁面放设备,如安全保护网、支撑杆和钢板,在保证稳定的同时,确保工人的安全。
3.确保施工现场通风良好。
在工作过程中,要确保孔内通风良好,防止有害气体的积累,工人操作前要每次打开孔内通风口,让空气循环更换,避免吸入毒气并发生危险。
4.分类管理现场危险物质。
在施工现场要注意对所有可能危及工人安全的物质做好分区管理,做好各种危险品的标识和储存,确保不会对清理及施工人员造成危害。
5.配备完善的应急救援措施。
对于发生突发状况时,应预先设置好应急救援预案和流程,及时进行救援,避免事故扩大,确保施工人员的安全。
三、结语人工挖孔桩在土方工程建设中具有重要的作用,同时也存在着一定的危险源。
为确保施工人员的安全,在施工过程中必须注意做好各项安全防护措施,对于突发事件要快速响应并进行救援,从而避免发生安全事故。
Safety is the goal, prevention is the means, and achieving or realizing the goal of safety is the basic connotation of safety prevention.
(安全管理)
单位:___________________
姓名:___________________
日期:___________________
人工挖孔桩防护措施(新版)
人工挖孔桩防护措施(新版)导语:做好准备和保护,以应付攻击或者避免受害,从而使被保护对象处于没有危险、不受侵害、不出现事故的安全状态。
显而易见,安全是目的,防范是手段,通过防范的手段达到或实现安全的目的,就是安全防范的基本内涵。
1、预防高处坠落
(1)严格按照《建筑施工高处作业安全技术规范》JGJ80-91的规定,在桩口四周设置至少1.2m高的防护围栏;(2)作业桩口除提升设备底座外,其余空隙均用场50cm厚以上的木板铺盖密封;(3)作业人员上下孔桩时,必须乘坐符合安全要求的专用安全乘人吊笼(或套安全带由专用牵引设备放下),不得随意以攀爬护壁或乘坐吊桶等方式上下;(4)桩口作业人员应拴好安全带,挂好保险钩;(5)停止作业时,桩口应设置定型化、工具化的盖板并封闭严实,悬挂醒目的危险标志。
2、预防物体打击
(1)严格按照《建筑施工高处作业安全技术规范》的规定,桩口周边1.2m范围内不得堆放杂物,弃土、石块堆放高度不得超过1.5m,所挖掘的弃土、石块应及时清运出场。
(3)孔内作业人员必须配戴安全帽(5)防护围栏上面搭设牢固可靠的防护棚,预防高空坠物(特
别是塔吊作业半径内)。
(4)浇注第一节混凝土护壁时,应高出沿口20cm以上,厚度同护壁,以防止物体滑落井内伤人(或用砖围砌成井圈)。
(5)每天上班前应配合项目机电人员认真检查提升系统是否完好无损,防护装置是否安装到位,牢固可靠。
若发现问题应及时修复后再进入桩内施工。
3、预防坍塌
(1)根据土质情况,设置砼(钢)护壁,每挖成一节就应及时绑钢筋支模浇铸砼。
护壁砼浇铸要周围同步上升,振捣密实,待砼达到强度后方可拆模。
若挖孔进尺较深,不及时浇铸护壁混凝土或拆模较早,在动水压力作用下,容易造成护壁变形引起塌方。
(2)每节挖孔进尺深度应根据土质和地下水位情况而定。
土质情况较好,无地下水或地下水较少时,每次进尺深度不超过1m为宜;如地下水位较高,土质较差较软时,每次进尺深度不宜超过0.5-0.6m;当遇到流砂、泥时,进尺深度应控制在0.3m以内。
(3)施工中如发现地下水压力较大,涌砂、涌泥较多难以进尺时,应采用降水方案,并用钢筋沿护壁插下,然后用草袋或麻布之类的物品先堵住流砂、泥,然后再清孔绑筋支模浇铸混凝土护壁。
发现烂井时应另行编写处理方案,由项目经理部组织专门人员讨论实施。
(4)应保证每节护壁砼的设计厚度、同心度、
直径及垂直度,施工中应及时检查,如发现重大偏差必须立即纠正。
(5)做好场内道路的安排,避免施工车辆和大型机具行驶时距桩口过近而产生较大的侧应力导致垮塌。
(6)做好桩口周边的场地硬化,完善现场排水系统,防止地表水渗入引起土体松动而坍塌。
(7)相邻桩口间距过近时,不得同时开挖,必须采用间隔开挖的方式(俗称“跳开挖”)。
4、预防中毒或窒息
(1)当挖孔桩深度超过5m以上时,应将风管引到井底进行送风,作业中不得而知间断送风;(2)如遇到出现臭水、污泥和异味的孔桩,下井作业前除对井内充分送风外,还应用小动物进行检测(如将活鸡放入孔内一定时间观察其有无异常),也可用简易测试管、气体测试仪进行测试,确认无害后方可下井作业;(3)井下有人作业时,井上人员不得擅离工作岗位,应密切注意井下作业人员的工作情况,并通过可靠的联络手段(深度20m以内,可通过摇动保险绳或喊话等方式每隔15分钟联络一次;超过20m,可设有线对讲系统或铃铛)经常与井下保持联系。
若发现异常情况,应立即通过保险绳及升降设备,帮助井下作业人员快速撤离井底。
(4)勤换井下作业人员,持续工作时间以2小时为宜,最长不得超过3小时。
(5)为防止有害气体中
毒或窒息事故发生,还需长备氧气瓶等应急抢救用品。
5、预防淹溺
(1)相邻间距较小的桩孔内正在浇灌砼或积水很深时,一般应暂停施工。
同时加强对土壁涌水情况的观察,发现异常情况应及时采取抽水等措施进行处理。
(2)地下水丰富时,可将中间部位桩孔提前开挖,汇集附近的地下水,用1-2台潜水泵将水抽出,起到深井降水作用。
(3)井下作业人员应系好安全带,并将安全带拴挂在专用保险绳上,并配备专用爬梯,以便出现意外情况时能迅速撤离井底回到地面。
(4)人工挖孔桩开挖程序,应采用间隔挖孔方法,以减少水的渗透和防止土体滑移,防止在挖土或冲抓土成孔过程中因邻桩混凝土未初凝而发生窜孔现象。
6、预防触电
临时用电系统必须严格按照新颁布的《施工现场临时用电安全技术规范》JGJ46--2005执行,采用“三级配电,二级漏电保护”系统和“TN-S”接零保护系统。
7、其它注意事项
(1)挖孔施工过程中,严禁作业人员在施工现场打闹玩笑。
(2)严禁穿三鞋(拖鞋、高跟鞋、硬底鞋)进入施工现场;严禁赤脚(身)
及酒后施工;无关人员不得进入作业区域。
(3)未经项目部同意,作业组不得随意更换组员。
(4)每天各作业班组必须将本班组挖孔作业过程中,孔内遇到的各种情况及机电设施运行状态和作业人员的身体状况、检查发现的问题认真填到挖孔桩作业班组日报表上,对存在的隐患问题在项目管理人员的指导下及时进整改。
(5)高温季节,应做好防暑降温工作,尽量避免高温时段作业,以防中暑。
XX设计有限公司
Your Name Design Co., Ltd.。