三年级动火审批表
- 格式:docx
- 大小:241.87 KB
- 文档页数:2
动火作业审批表范本动火作业审批表作业单位:__________________________作业地点:__________________________作业内容:__________________________作业时间:__________________________审批人:__________________________一、作业单位及地点作业单位填写实施动火作业的企事业单位名称,地点填写作业的具体位置,包括建筑物名称、房间号、区域等。
二、作业内容作业内容包括动火的具体工作内容,如焊接、切割、熔接、热处理等。
三、作业时间作业时间填写动火作业计划的起止时间,确保审批表的有效期。
四、审批人审批人填写负责审批动火作业的人员姓名及职务。
五、作业审批流程1. 作业单位向安全管理部门或相关单位提出动火作业申请。
2. 安全管理部门或相关单位对动火作业申请进行审核,确认作业单位所提供的动火作业计划是否符合相关安全要求。
3. 审批人对动火作业申请进行审查,包括作业单位的动火作业资质、作业人员是否具备相应的资质和培训等。
4. 审批人对动火作业申请进行批准或驳回,并填写审批结果及意见。
5. 批准的作业单位按照动火作业计划进行作业,不得超出批准的范围和时间。
6. 动火作业结束后,作业单位应将动火作业结果及时上报给安全管理部门或相关单位,并进行安全交底。
六、注意事项1. 动火作业前,作业单位应组织作业人员进行安全培训,确保其具备相关的安全知识和技能。
2. 动火作业现场应设置明显的警示标识,确保周围人员能够识别危险区域,并采取相应的防护措施。
3. 动火作业现场应配备相应的消防器材,并制定灭火预案,以应对突发火灾事故。
4. 作业单位应按照相关法律法规和标准要求,对动火作业进行监管和管理。
5. 审批人在审批动火作业申请时,应根据具体情况进行综合评估,确保动火作业的安全可控。
本审批表仅作为范本使用,具体的审批流程和内容可根据实际情况进行调整和修改。
动火作业审批表申请单位∕人××装修公司申请单位∕人现场消防负责人∕电话××∕××动火作业时段xx年1月5日16时0分开始至xx年1月5日17时30分止动火作业原因装铁闸动火作业部位首层123铺门口动火作业人员姓名××,××等总人数:3人续表动火作业人员资质证件号焊工证××申请人应知晓《动火作业安全操作规程》,并确认现场安全情况或做出安全操作承诺动火现场除地面的易燃物品在动火前需要清理干净外,其它方面已符合安全要求。
请予同意。
本单位∕人己知晓《动火作业安全操作规程》并愿意严格遵守和承担安全责任。
申请单位(盖章)∕申请人(签名):××装修管理部门审批意见(必要时应征求其他相关部门的意见)同意该项施工。
但因该施工会影响其他商铺的正常营业,建议施工时间改为xx年1月5日22时0分至xx年1月5日23时30分。
审批人:××xx年1月3日消防运行管理部门最终意见同意装修管理部门意见,动火前需通知本部,经现场确认同意动火后才能开始施工。
《动火施工许可证》(xx年1月第8号)已发。
消防运行管理部门(盖章)审批人:××xx年1月3日动火施工许可证编号:xx年1月第8号动火作业部位:首层123铺门口。
施工内容:装门口铁闸。
施工时间(过期无效):xx年1月5日22时0分至xx年1月5日23时30分。
申请单位∕人现场消防责任人∕电话:××∕××其他:施工时本证须挂出备查。
动火前施工单位须通知发证部门,经现场确认同意动火后才能开始施发证部门(盖章):消防运行管理部联系电话:××发证日期:xx年1月3日。
动火作业审批表
动火时间
月日时---月日时动火性质电焊□气割□其他
动火地点
采取安全措施清理现场可燃物,配置灭火器2个,水1桶,现场专人监护,严格按照动火“十不准”规定作业。
施焊作业完成后,应等施焊部位冷却、火星完全熄灭、关掉电焊机电源和移动电箱的开关后方可离开。
动火操作人单位管理人
施工方负责人单位负责人(盖章)
备注1、申请时,特种作业须提交操作人有效特种作业证复印件,非特种作业须提交操作人身份证复印件。
2、动火操作人必须持证上岗,人证相符。
3、新、改、扩建工程必须经消防部门审批后方准予办理动火使用许可证。
动火作业审批表范本动火作业审批表编号:______部门:______日期:______项目名称:______一、施工单位信息施工单位名称:______施工单位负责人:______联系方式:______二、施工现场信息施工地点:______施工范围:______工作内容:______三、作业人员信息作业人员姓名及证件号码:______作业人员承诺遵守安全操作规程:是/否四、安全防护措施1.施工单位是否提供了足够的消防器材:是/否2.施工现场是否设置了明显的安全警示标识:是/否3.施工现场周边是否设置了安全警戒线:是/否4.施工人员是否配备了足够的安全防护用品:是/否五、动火作业具体内容1.动火作业开始时间:______ 结束时间:______2.动火设备及工具:______3.动火作业区域:______4.动火作业前的必要准备工作:______六、动火作业风险评估1.动火作业的可能引发的火灾风险评估:______2.动火作业的可能引发的爆炸风险评估:______3.动火作业的可能引发的有毒气体释放风险评估:______七、工作安排及监管1.动火作业的工作安排及时间节点:______2.动火作业的监管人员:______3.动火作业的监管措施:______八、安全事故应急预案1.施工单位是否制定了动火作业的安全事故应急预案:是/否2.安全事故预案中包含的内容:______九、动火作业审批1.本次动火作业是否经过相关部门审批:是/否2.审批部门:______3.审批结果:______4.审批人:______5.审批日期:______十、安全注意事项1.严禁在无授权的情况下进行动火作业2.严禁超载、乱堆杂物等操作3.严禁使用损坏的动火设备或工具4.实施动火作业前必须保证动火区域周边无易燃物品5.每次动火作业前都应进行风险评估,并采取相应的控制措施备注:______申请单位(盖章):______审批单位(盖章):______以上为动火作业审批表,施工单位必须在进行动火作业之前经过相关部门的审批和批准,并严格遵守动火作业的安全规程和防护措施,确保施工现场的安全和人员的健康。
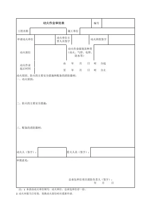
动火作业审批表
动火作业审批表
工程名称:XXX施工单位:XXX
申请动火单位:XXX
动火部位:XXX
动火作业起止时间:
监护人(签名):XXX 申请人(签名):XXX 年月日审批意见:审批人(签名):XXX 年月日
动火监护和作业后施工现场处理情况:
作业人(签名):XXX 监护人(签名):XXX 年月日
动火班组:
动火作业级别及种类(用火、气焊、电焊等):
动火原因、防火的主要安全措施和配备的消防器材:
填表说明:
施工现场动火作业应严格按照一、二、三级动火作业审批手续执行。
动火作业分类和审批说明:
一、一级动火作业:
应由项目经理填写动火申请表和组织编制安全技术措施方案,经公司主管领导和安全技术部门审批后,方可动火。
应提前7天申请,动火最长期限为1天。
以下情况属于一级动火:
一)在禁火区域内进行的动火作业;
二)在油罐、油箱、油槽车和储存过可燃气体、易燃气体的以及连接在一起的辅助设备附近进行的动火作业;
三)在各种受压设备附近进行的动火作业;
四)危险性较大的登高焊、割作业;
五)在比较密封的室内、内、地下室等场所进行的动火作业;
六)在堆有大量可燃和易燃物质的场所进行的动火作业。
二、二级动火作业:
应由施工管理人员在4天前提出申请并附上安全技术措施方案,报工地主管领导审批后,方可动火。
动火最长期限为3天。
以下情况属于二级动火:
一)在具有一定危险因素的非禁火区域内进行的临时焊、割等作业;
二)在小型油箱等附近进行的动火作业;
三)在外墙、电梯井、洞孔垂直穿到底等部位进行的动火作业及登高焊、割作业。
动火作业审批表格
一、作业内容
1. 作业内容:请填写具体的动火作业内容,如焊接、切割、烧烤等。
二. 作业地点
1. 作业地点:请填写具体的作业地点,如厂房、仓库、车间等。
三. 作业时间
1. 作业时间:请填写具体的作业时间,包括日期和时间。
四. 作业人员
1. 作业人员:请填写参与动火作业的人员姓名和联系方式。
五. 危险因素及应对措施
1. 危险因素:请列出可能的危险因素,如可燃气体、易燃液体、易燃粉尘等。
2. 应对措施:针对列出的危险因素,提出相应的应对措施,如使用灭火器、配置灭火器、穿戴防护装备等。
六. 审批意见及签字盖章
1. 审批意见:请填写审批人对动火作业的意见,如同意、不同意及原因。
2. 签字盖章:审批人签字并加盖单位公章,以证明审批有效。
七. 备注及安全要求
1. 备注:可填写其他需要说明的事项,如作业现场注意事项、安全教育等。
2. 安全要求:请列出动火作业的安全要求,如佩戴防护装备、定期检
查火源等。
八. 申请单位及负责人信息
1. 申请单位:请填写申请动火作业的单位名称和联系方式。
2. 负责人信息:请填写申请单位负责人的姓名和联系方式。
动火作业审批表范本(2)动火作业审批表公司名称:工程名称:作业单位:作业地点:一、施工范围及要求1. 动火作业的施工范围:2. 动火的时间和地点:3. 动火的原因及必要性:4. 动火的工艺和方法:5. 动火作业的安全措施:5.1 充分准备灭火器材;5.2 设置良好的通风系统;5.3 周边区域临时封闭和警示;5.4 确保人员疏散通道畅通;5.5 监控整个动火过程;5.6 防止火焰蔓延到其他区域;5.7 其他安全措施(根据实际情况添加)。
二、人员安排1. 动火作业负责人:2. 动火作业操作人员:3. 监护人员:4. 其他相关人员:5. 人员的资质及特殊要求(如持有有效的动火操作证书等):三、动火设备及用具1. 动火所需设备及用具:1.1 点火器具(如点火棒、打火机等);1.2 燃烧器材(如气焊设备);1.3 扑救工具和灭火器材;1.4 防护用具(如防火服、防毒面具等);1.5 其他特殊设备及用具(根据实际情况添加)。
2. 设备和用具的检查及保养情况:2.1 点火器具是否完好并经过检修;2.2 燃烧器材是否符合标准,并经过检修;2.3 扑救工具和灭火器材是否有效并在有效期内;2.4 防护用具是否齐全并经过检修;2.5 其他设备和用具的检查情况(根据实际情况添加)。
四、动火作业前准备1. 动火前的检查:1.1 动火区域的清理和整理;1.2 动火设备的检查;1.3 动火区域的临时封闭;1.4 通风系统的检查和开启;1.5 灭火器材的准备;1.6 其他动火前的准备工作(根据实际情况添加)。
2. 动火前的安全措施:2.1 通知相关人员及区域内人员疏散;2.2 周边区域的警示和封闭;2.3 设置警戒标志和警示灯;2.4 确保作业现场的安全;2.5 其他相关安全措施(根据实际情况添加)。
五、动火作业过程1. 动火操作步骤:1.1 动火前的准备工作(点火器具、燃烧器材等);1.2 点火操作的控制和监督;1.3 动火设备的操作和控制;1.4 动火现场的安全检查;1.5 灭火器材的准备和使用;1.6 其他相关操作步骤(根据实际情况添加)。