六角螺栓规格表大全如下
- 格式:doc
- 大小:485.50 KB
- 文档页数:16
六角螺栓规格表大全如下Document serial number【UU89WT-UU98YT-UU8CB-UUUT-UUT108】六角螺栓规格表大全如下:六角螺栓规格表是行内人士必须熟悉的,但是网络上的相关资料却支离破碎。
到哪里看六角螺栓规格表呢下面,世界工厂网就为大家汇总六角螺栓规格表大全,以供参考学习。
六角螺栓即六角头螺栓,六角螺栓规格一般参见SH3404、HG20613、HG20634等。
六角螺栓规格表也分国标规格和美标规格,本文主介绍国标规格。
六角螺栓规格表大全如下:螺钉规格,螺钉规格表螺钉规格①?公称螺纹外径(螺纹规格):分公制和英制两种。
公制螺纹?→?常用规格有2;?;??;??;??;?3?;??;??;?4?;??;??;??; ?????????????????5?;?6?;?8?;?10?;?12?;14;16;?20?。
单位mm(毫米)。
英制螺纹?→?常用规格有2#;4#;6#;8#;10#;12#;1/4;7/32;5/16;3/8;1/2?;9/16;?3/4?。
单位?in? (英?????????????????寸)。
②?牙数/牙距:?牙数定义?→?一英寸()长度中所含牙纹的个数。
牙距定义?→?相邻两螺纹间的间隔值。
牙数、牙距换算?→?牙距=1英寸/牙数③公称长度:?分公制和英制两种。
?公制公称长度?→?常用值有5、6、、7、8、9、、10、11、12、13、14、15、16、18、19、20、??????????????????????21、25、28、30、31、32、35、40、42、45、50、55、60、?65、70、75、80、8 5、??????????????????????90、95、100、110、120。
?单位mm(毫米)。
?英制公称长度?→?常用值有1/4、5/16、3/8、7/16、1/2、5/8、3/4、1、?2、3?。
单位?:in?(英寸)。
六角螺栓规格表大全如下:*六角螺栓规格表是行内人士必须熟悉的,但是网络上的相关资料却支离破碎。
到哪里看六角螺栓规格表呢下面,世界工厂泵阀网就为大家汇总六角螺栓规格表大全,以供参考学习。
六角螺栓即六角头螺栓,六角螺栓规格一般参见SH3404、HG20613、HG20634等。
六角螺栓规格表也分国标规格和美标规格,本文主介绍国标规格。
六角螺栓规格表大全如下:规格(直径×长度)每千个螺栓重量(公斤),规格(直径×长度)每千个螺栓重量(公斤)不带螺母带螺母不带螺母带螺母M10×3029|40M14×80117142 M10×403546M14×90129154[M10×504152M16×4092126M10×604758M16×50\106140 M12×304157M16×60122156M12×4049《65M16×70138172M12×505874M16×80154188)M12×606783M16×90170204 M12×707692M16×100`219,螺钉规格,螺钉规格表螺钉规格①公称螺纹外径(螺纹规格):分公制和英制两种。
公制螺纹→常用规格有2; ; ; ; ; 3 ; ; ; 4 ; ; ; ;5 ;6 ; 8 ; 10 ; 12 ;14;16; 20 。
单位mm(毫米)。
英制螺纹→常用规格有2#;4#;6#;8#;10#;12#;1/4;7/32;5/16;3/8;1/2 ;9/16; 3/4 。
单位 in (英寸)。
②牙数/牙距:牙数定义→一英寸()长度中所含牙纹的个数。
牙距定义→相邻两螺纹间的间隔值。
牙数、牙距换算→牙距=1英寸/牙数③公称长度:分公制和英制两种。
公制公称长度→常用值有5、6、、7、8、9、、10、11、12、13、14、15、16、18、19、20、21、25、28、30、31、32、35、40、42、45、50、55、60、 65、70、75、80、85、90、95、100、110、120。
内六角螺栓规格表内六角螺栓是一种常见的紧固件,常用于机械设备、汽车制造、航空航天等领域。
内六角螺栓的规格多样化,具体的规格参数对于安装和使用都非常关键。
本文将介绍内六角螺栓的常见规格表,以便读者更好地了解和选购适合自己需求的螺栓。
1. M3 内六角螺栓材质:碳钢规格参数:- 螺纹直径(d):3mm- 螺纹间距(p):0.5mm- 全长(L):6mm ~ 25mm2. M4 内六角螺栓材质:碳钢规格参数:- 螺纹直径(d):4mm- 螺纹间距(p):0.7mm- 全长(L):6mm ~ 40mm3. M5 内六角螺栓材质:碳钢规格参数:- 螺纹直径(d):5mm- 螺纹间距(p):0.8mm - 全长(L):6mm ~ 45mm 4. M6 内六角螺栓材质:碳钢规格参数:- 螺纹直径(d):6mm- 螺纹间距(p):1.0mm - 全长(L):6mm ~ 60mm 5. M8 内六角螺栓材质:碳钢规格参数:- 螺纹直径(d):8mm- 螺纹间距(p):1.25mm - 全长(L):8mm ~ 80mm6. M10 内六角螺栓材质:碳钢规格参数:- 螺纹直径(d):10mm- 螺纹间距(p):1.5mm- 全长(L):10mm ~ 100mm7. M12 内六角螺栓材质:碳钢规格参数:- 螺纹直径(d):12mm- 螺纹间距(p):1.75mm- 全长(L):12mm ~ 120mm以上是一些常见规格的内六角螺栓,可以满足大部分使用场景和需求。
在选择螺栓时,应根据具体的安装环境、承载力要求和设备特点来确定合适的规格。
另外,内六角螺栓的材质也非常重要,一般常用的材质包括碳钢和不锈钢,根据不同的工作环境和防锈要求进行选择。
除了上述列举的规格,还存在着更大和更小的内六角螺栓规格,以满足特殊需求。
此外,在特殊情况下,也可以根据具体要求定制内六角螺栓。
总结:内六角螺栓规格多样,每种规格都有其特定的螺纹直径、螺纹间距和全长等参数。
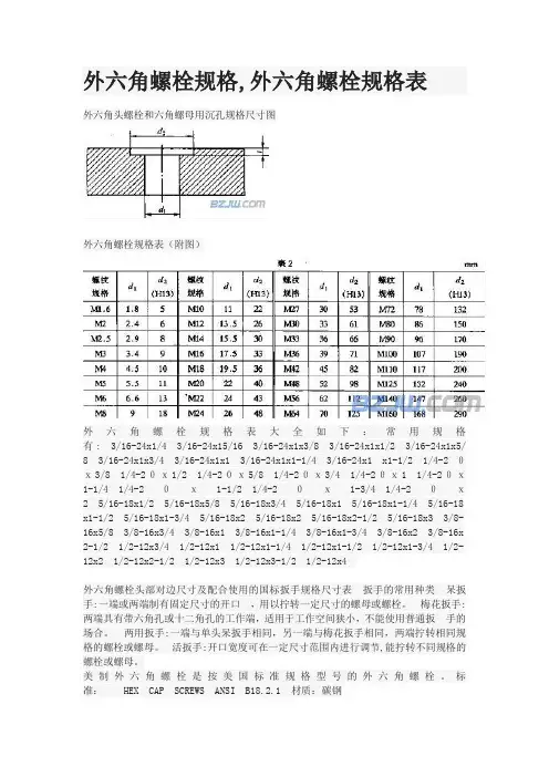
外六角螺栓规格,外六角螺栓规格表外六角头螺栓和六角螺母用沉孔规格尺寸图外六角螺栓规格表(附图)外六角螺栓规格表大全如下:常用规格有: 3/16-24x1/4 3/16-24x15/16 3/16-24x1x3/8 3/16-24x1x1/2 3/16-24x1x5/ 8 3/16-24x1x3/4 3/16-24x1x1 3/16-24x1x1-1/4 3/16-24x1 x1-1/2 1/4-20x3/8 1/4-20x1/2 1/4-20x5/8 1/4-20x3/4 1/4-20x1 1/4-20x1-1/4 1/4-20x1-1/2 1/4-20x1-3/4 1/4-20x2 5/16-18x1/2 5/16-18x5/8 5/16-18x3/4 5/16-18x1 5/16-18x1-1/4 5/16-18 x1-1/2 5/16-18x1-3/4 5/16-18x2 5/16-18x2 5/16-18x2-1/2 5/16-18x3 3/8-16x5/8 3/8-16x3/4 3/8-16x1 3/8-16x1-1/4 3/8-16x1-3/4 3/8-16x2 3/8-16x 2-1/2 1/2-12x3/4 1/2-12x1 1/2-12x1-1/4 1/2-12x1-1/2 1/2-12x1-3/4 1/2-12x2 1/2-12x2-1/2 1/2-12x3 1/2-12x3-1/2 1/2-12x4外六角螺栓头部对边尺寸及配合使用的国标扳手规格尺寸表扳手的常用种类呆扳手:一端或两端制有固定尺寸的开口,用以拧转一定尺寸的螺母或螺栓。
梅花扳手:两端具有带六角孔或十二角孔的工作端,适用于工作空间狭小,不能使用普通扳手的场合。
两用扳手:一端与单头呆扳手相同,另一端与梅花扳手相同,两端拧转相同规格的螺栓或螺母。
活扳手:开口宽度可在一定尺寸范围内进行调节,能拧转不同规格的螺栓或螺母。
美制外六角螺栓是按美国标准规格型号的外六角螺栓。
六⾓螺栓及螺母尺⼨表六⾓螺母六⾓螺母—C 级 I 型六⾓螺母—A 和B 级六⾓薄螺母(GB/T41-2000) (GB/T6170-2000) (GB/T6172.1-2000)标记⽰例1.各部位的尺⼨螺纹规格DM3M4M5M6 M8 M10 M12 M16 M20 M24 M30 M36 M42eGB/T418.63 10.89 14.20 17.59 19.85 26.17 32.95 39.55 50.85 60.79 72.07 GB/T6170 6.01 7.66 8.79 11.05 14.38 17.77 20.03 26.75 32.95 39.55 50.85 60.79 72.02 GB/T6172.1 6.01 7.66 8.79 11.05 14.38 17.77 20.03 26.75 32.95 39.55 50.85 60.79 72.02 s GB/T418 10 13 16 18 24 30 36 46 55 65 GB/T6170 5.5 7 8 10 13 16 18 24 30 36 46 55 65 GB/T6172.1 5.5 7 8 10 13 16 18 24 30 36 46 55 65 mGB/T415.66.17.9 9.5 12.2 15.9 18.7 22.3 25.4 31.5 34.9 GB/T6170 2.4 3.2 4.7 5.2 6.8 8.4 10.8 14.8 18 21.5 25.6 31 34 GB/T6172.11.82.22.73.245681012151821单位:mm螺纹的公称直径(d)(2)M3 M4 M5 M6 M8 M10 M12 (M14) 螺栓的螺距(P) 0.5 0.7 0.8 1 1.25 1.5 1.75 2b 参考18 20 22 24 28 32 36 40dk 最⼤(基准尺⼨)* 5.5 7 8.5 10 13 16 18 21最⼤** 5.68 7.22 8.72 10.22 13.27 16.27 18.27 21.33 最⼩ 5.32 6.78 8.28 9.78 12.73 15.73 17.73 20.67da 最⼤ 3.6 4.7 5.7 6.8 9.2 11.2 13.7 15.7 ds最⼤(基准尺⼨) 3 4 5 6 8 10 12 14 最⼩ 2.86 3.82 4.82 5.82 7.78 9.78 11.73 13.73e 最⼩ 2.87 3.44 4.58 5.72 6.86 9.15 11.43 13.72f 最⼤0.51 0.60 0.60 0.68 1.02 1.02 1.45 1.45 k最⼤(基准尺⼨) 3 4 5 6 8 10 12 14 最⼩ 2.86 3.82 4.82 5.70 7.64 9.64 11.57 13.57 r 最⼩0.1 0.2 0.2 0.25 0.4 0.4 0.6 0.6s 公称(基准尺⼨) 2.5 3 4 5 6 8 10 12最⼩ 2.52 3.02 4.02 5.02 6.02 8.025 10.025 12.032 最⼤(1)1栏 2.580 3.080 4.095 5.140 6.140 8.175 10.175 12.2122栏 2.560 3.080 4.095 5.095 6.095 8.115 10.115 12.142t 最⼩ 1.3 2 2.5 3 4 5 6 7v 最⼤0.3 0.4 0.5 0.6 0.8 1 1.2 1.4 dw 最⼩ 5.07 6.53 8.03 9.38 12.33 15.33 17.23 20.17 w 最⼩ 1.15 1.4 1.9 2.3 3.3 4 4.8 5.8螺纹的公称直径(d)(2)M16 (M18) M20 (M22) M24 (M27) M30 螺栓的螺距(P) 2 2.5 2.5 2.5 3 3 3.5b 参考44 48 52 56 60 66 72dk 最⼤(基准尺⼨)*24 27 30 33 36 40 45最⼤**24.33 27.33 30.33 33.39 36.39 40.39 45.39 最⼩23.67 26.67 29.67 32.61 35.61 39.61 44.61da 最⼤17.7 20.2 22.4 24.4 26.4 30.4 33.4 ds最⼤(基准尺⼨) 16 18 20 22 24 27 30 最⼩15.73 17.73 19.67 21.67 23.67 26.67 29.67e 最⼩16.00 16.00 19.44 19.44 21.73 21.73 25.15f 最⼤ 1.45 1.87 2.04 2.04 2.04 2.89 2.89 k最⼤(基准尺⼨) 16 18 20 22 24 27 30 最⼩15.57 17.57 19.48 21.48 23.48 26.48 29.48 r 最⼩0.6 0.6 0.8 0.8 0.8 1 11栏14.212 14.212 17.230 17.230 19.275 19.275 22.2752栏14.142 14.142t 最⼩8 9 10 11 12 13.5 15.5v 最⼤ 1.6 1.8 2 2.2 2.4 2.7 3dw 最⼩23.17 25.87 28.87 31.81 34.81 38.61 43.61w 最⼩ 6.8 7.7 8.6 9.5 10.4 12.1 13.1注(1):s(最⼤)的1栏适⽤于强度8.8及10.9及性状A2-50、A2-70的内容,2栏适⽤于强度12.9的内容。
内六角螺栓标准尺寸表内六角螺栓是一种常见的紧固件,广泛应用于机械设备、汽车、航空航天等领域。
了解内六角螺栓的标准尺寸对于工程设计和生产制造具有重要意义。
本文将对内六角螺栓的标准尺寸表进行详细介绍,希望能够为大家提供参考和帮助。
内六角螺栓标准尺寸表。
1. M6内六角螺栓标准尺寸表。
M6内六角螺栓的标准尺寸表如下:直径(mm)螺距(mm)螺栓长度范围(mm)。
M6 1 12-120。
M6 1.25 12-120。
M6 1.5 12-120。
2. M8内六角螺栓标准尺寸表。
M8内六角螺栓的标准尺寸表如下:直径(mm)螺距(mm)螺栓长度范围(mm)。
M8 1 16-200。
M8 1.25 16-200。
M8 1.5 16-200。
3. M10内六角螺栓标准尺寸表。
M10内六角螺栓的标准尺寸表如下:直径(mm)螺距(mm)螺栓长度范围(mm)。
M10 1.25 20-250。
M10 1.5 20-250。
M10 2 20-250。
4. M12内六角螺栓标准尺寸表。
M12内六角螺栓的标准尺寸表如下:直径(mm)螺距(mm)螺栓长度范围(mm)。
M12 1.5 25-300。
M12 1.75 25-300。
M12 2 25-300。
5. M16内六角螺栓标准尺寸表。
M16内六角螺栓的标准尺寸表如下:直径(mm)螺距(mm)螺栓长度范围(mm)。
M16 2 30-400。
M16 2.5 30-400。
M16 3 30-400。
6. M20内六角螺栓标准尺寸表。
M20内六角螺栓的标准尺寸表如下:直径(mm)螺距(mm)螺栓长度范围(mm)。
M20 2.5 40-500。
M20 3 40-500。
M20 4 40-500。
7. M24内六角螺栓标准尺寸表。
M24内六角螺栓的标准尺寸表如下:直径(mm)螺距(mm)螺栓长度范围(mm)。
M24 3 50-600。
M24 3.5 50-600。
M24 4 50-600。
内六角螺栓标准尺寸表内六角螺栓是一种经常用到的紧固件,它的性能要求高,标准尺寸也是最重要的一项考量因素之一。
为了更好地满足不同使用需求,根据市场及用户要求,内六角螺栓规格尺寸表发展至今,所涵盖范围十分广泛。
以下是内六角螺栓标准尺寸表:M3×2:六角头直径3mm,螺杆长度2mmM3×3:六角头直径3mm,螺杆长度3mmM4×4:六角头直径4mm,螺杆长度4mmM4×5:六角头直径4mm,螺杆长度5mmM5×6:六角头直径5mm,螺杆长度6mmM5×7:六角头直径5mm,螺杆长度7mmM6×8:六角头直径6mm,螺杆长度8mmM6×10:六角头直径6mm,螺杆长度10mmM8×10:六角头直径8mm,螺杆长度10mmM8×12:六角头直径8mm,螺杆长度12mmM10×12:六角头直径10mm,螺杆长度12mmM10×16:六角头直径10mm,螺杆长度16mmM12×14:六角头直径12mm,螺杆长度14mmM12×16:六角头直径12mm,螺杆长度16mmM12×18:六角头直径12mm,螺杆长度18mmM16×18:六角头直径16mm,螺杆长度18mmM16×20:六角头直径16mm,螺杆长度20mmM20×22:六角头直径20mm,螺杆长度22mmM20×24:六角头直径20mm,螺杆长度24mmM24×26:六角头直径24mm,螺杆长度26mmM24×30:六角头直径24mm,螺杆长度30mmM30×34:六角头直径30mm,螺杆长度34mmM30×36:六角头直径30mm,螺杆长度36mmM36×40:六角头直径36mm,螺杆长度40mmM36×44:六角头直径36mm,螺杆长度44mm以上就是内六角螺栓的标准尺寸表,由此可见,内六角螺栓的尺寸范围非常广泛,能满足各种不同的使用需求。
六角螺栓规格表大全如下:六角螺栓规格表是行内人士必须熟悉的,但是网络上的相关资料却支离破碎。
到哪里看六角螺栓规格表呢?下面,世界工厂泵阀网就为大家汇总六角螺栓规格表大全,以供参考学习。
六角螺栓即六角头螺栓,六角螺栓规格一般参见SH3404、HG20613、HG20634等。
六角螺栓规格表也分国标规格和美标规格,本文主介绍国标规格。
六角螺栓规格表大全如下:螺钉规格,螺钉规格表螺钉规格①公称螺纹外径(螺纹规格):分公制和英制两种。
公制螺纹→常用规格有2;2.3; 2.5; 2.6; 2.9;3;3.1; 3.5;4;4.2; 4.5; 4.8;5;6;8;10;12;14;16;20。
单位mm(毫米)。
英制螺纹→常用规格有2#;4#;6#;8#;10#;12#;1/4;7/32;5/16;3/8;1/2;9/16;3/4。
单位in(英寸)。
②牙数/牙距:牙数定义→一英寸(25.4mm)长度中所含牙纹的个数。
牙距定义→相邻两螺纹间的间隔值。
牙数、牙距换算→牙距=1英寸/牙数③公称长度:分公制和英制两种。
公制公称长度→常用值有5、6、6.5、7、8、9、9.5、10、11、12、13、14、15、16、18、19、20、21、25、28、30、31、32、35、40、42、45、50、55、60、65、70、75、80、85、90、95、100、110、120。
单位mm(毫米)。
英制公称长度→常用值有1/4、5/16、3/8、7/16、1/2、5/8、3/4、1、2、3。
单位:in(英寸)。
④头型:用字母来表示头型的种类,可参看前文常用螺钉头型分类。
⑤牙型/尾型:用字母来表示牙型/尾型的种类,可参看前文“常用螺钉牙型/尾型分类”。
⑥槽型:参看前文“我司常用螺钉槽型分类”,十字槽或无槽(如冲六角头螺钉)此处无需标注,其它槽型需用文字说明。
⑦特殊标注:一般情况无需标注,表达其特征时在此位置用文字进行描述。
举例:螺钉规格名称描述为“4-0.7x70PM±牙长35”,其含义是“4”为螺钉螺纹公称直径,“0.7”为牙距,70”为螺钉公称长度值,“P”表示其头型为盘头,“M”表示其牙型/尾型为机丝牙类,“±”表示其槽型为“±槽”也可用“加减槽”表示。
六角螺栓规格表大全如下:六角螺栓规格表是行内人士必须熟悉的,但是网络上的相关资料却支离破碎。
到哪里看六角螺栓规格表呢下面,世界工厂泵阀网就为大家汇总六角螺栓规格表大全,以供参考学习。
六角螺栓即六角头螺栓,六角螺栓规格一般参见SH3404、HG20613、HG20634等。
六角螺栓规格表也分国标规格和美标规格,本文主介绍国标规格。
六角螺栓规格表大全如下:规格(直径×长度)每千个螺栓重量(公斤)规格(直径×长度)每千个螺栓重量(公斤)不带螺母带螺母不带螺母带螺母M10×302940M14×80117142 M10×403546M14×90129154 M10×504152M16×4092126 M10×604758M16×50106140 M12×304157M16×60122156 M12×404965M16×70138172 M12×505874M16×80154188 M12×606783M16×90170204 M12×707692M16×100185219 M12×8085101M20×50183245螺钉规格,螺钉规格表螺钉规格①公称螺纹外径(螺纹规格):分公制和英制两种。
公制螺纹→常用规格有2; ; ; ; ; 3 ; ; ; 4 ; ; ; ;5 ;6 ; 8 ; 10 ; 12 ;14;16; 20 。
单位mm(毫米)。
英制螺纹→常用规格有2#;4#;6#;8#;10#;12#;1/4;7/32;5/16;3/8;1/2 ;9/16; 3/4 。
单位 in (英寸)。
②牙数/牙距:牙数定义→一英寸()长度中所含牙纹的个数。
牙距定义→相邻两螺纹间的间隔值。
牙数、牙距换算→牙距=1英寸/牙数③公称长度:分公制和英制两种。
内六角螺栓标准尺寸表作为一种常用的紧固件,内六角螺栓具有广泛的应用。
内六角螺栓的尺寸严格按照标准的标准尺寸来制造,以确保其使用性能,并且较大的精度要求也是工程应用中的一个重要因素。
一、内六角螺栓尺寸表1,M4内六角螺栓,其主要尺寸如下:(1)外径:4.0mm(2)六角螺母内螺纹直径:4.0mm(3)六角螺栓头直径:6.0mm(4)螺母高度:3.75mm(5)螺纹长度:3.5mm2,M5内六角螺栓,其主要尺寸如下:(1)外径:5.0mm(2)六角螺母内螺纹直径:5.0mm(3)六角螺栓头直径:7.0mm(4)螺母高度:4.75mm(5)螺纹长度:4.5mm3,M6内六角螺栓,其主要尺寸如下:(1)外径:6.0mm(2)六角螺母内螺纹直径:6.0mm(3)六角螺栓头直径:8.0mm(4)螺母高度:5.75mm(5)螺纹长度:5.5mm4,M8内六角螺栓,其主要尺寸如下:(1)外径:8.0mm(2)六角螺母内螺纹直径:8.0mm(3)六角螺栓头直径:10.0mm(4)螺母高度:7.75mm(5)螺纹长度:7.5mm二、主要特性1,内六角螺栓位于扣件、支架及垫片间,并且具有承受扭矩的力学特性。
2,内六角螺栓可以满足多种应用场景,例如:机床上的夹具螺栓,电脑桌上的螺栓,自动化设备上的螺栓,电子元件上的螺栓,排气装置上的螺栓等。
3,内六角螺栓具有高精度、良好的可靠性、耐腐蚀能力强、安装简单等特点。
4,由于内六角螺栓尺寸准确且可靠,所以它的使用非常灵活,可以满足不同特殊紧固件要求,从而提高系统的可靠性。
三、施工注意事项1,内六角螺栓尺寸必须严格按照标准尺寸表中的要求来进行制造,以确保优良的使用性能。
2,施工之前,一定要检查内六角螺栓尺寸是否符合标准尺寸表中的要求,如果有任何不符合要求的现象,应进行及时处理。
3,内六角螺栓必须采用专业的紧固件螺栓,不要使用低等级产品或通用产品,确保使用性能和可靠性。
4,施工过程中应注意施工环境的清洁度,并避免油污、湿气等有害因素的影响,确保内六角螺栓的正确安装。
六角螺栓规格表大全如下:M42×210 2877 3476 M48×240 4283 5240M42×220 2986 3585 M48×250 4432 5389M48×260 4574 5531 M48×280 4858 5815M48×300 5142 6099六角螺栓规格表是行内人士必须熟悉的,但是网络上的相关资料却支离破碎。
到哪里看六角螺栓规格表呢?下面,世界工厂泵阀网就为大家汇总六角螺栓规格表大全,以供参考学习。
六角螺栓即六角头螺栓,六角螺栓规格一般参见SH3404、HG20613、HG20634等。
六角螺栓规格表也分国标规格和美标规格,本文主介绍国标规格。
六角螺栓规格表大全如下:螺钉规格,螺钉规格表螺钉规格①公称螺纹外径(螺纹规格):分公制和英制两种。
公制螺纹→常用规格有2;2.3; 2.5; 2.6; 2.9;3; 3.1; 3.5;4; 4.2; 4.5; 4.8;5;6;8;10;12;14;16;20。
单位mm(毫米)。
英制螺纹→常用规格有2#;4#;6#;8#;10#;12#;1/4;7/32;5/16;3/8;1/2;9/16;3/4。
单位in(英寸)。
②牙数/牙距:牙数定义→一英寸(25.4mm)长度中所含牙纹的个数。
牙距定义→相邻两螺纹间的间隔值。
牙数、牙距换算→牙距=1英寸/牙数③公称长度:分公制和英制两种。
公制公称长度→常用值有5、6、6.5、7、8、9、9.5、10、11、12、13、14、15、16、18、19、20、21、25、28、30、31、32、35、40、42、45、50、55、60、65、7 0、75、80、85、90、95、100、110、120。
单位mm(毫米)。
英制公称长度→常用值有1/4、5/16、3/8、7/16、1/2、5/8、3/4、1、2、3。
单位:in(英寸)。
六角螺栓规格表大全如下:M42×210 2877 3476 M48×240 4283 5240M42×220 2986 3585 M48×250 4432 5389M48×260 4574 5531 M48×280 4858 5815M48×300 5142 6099 ? ?六角螺栓规格表是行内人士必须熟悉的,但是网络上的相关资料却支离破碎。
到哪里看六角螺栓规格表呢?下面,世界工厂网就为大家汇总六角螺栓规格表大全,以供参考学习。
六角螺栓即六角头螺栓,六角螺栓规格一般参见SH3404、HG20613、HG20634等。
六角螺栓规格表也分国标规格和美标规格,本文主介绍国标规格。
六角螺栓规格表大全如下:螺钉规格,螺钉规格表螺钉规格①?公称螺纹外径(螺纹规格):分公制和英制两种。
公制螺纹?→?常用规格有2;2.3?;?2.5?;?2.6?;?2.9?;?3?;?3.1?;?3.5?;?4?;?4.2?;?4.5?;?4.8?; ?????????????????5?;?6?;?8?;?10?;?12?;14;16;?20?。
单位mm(毫米)。
英制螺纹?→?常用规格有2#;4#;6#;8#;10#;12#;1/4;7/32;5/16;3/8;1/2?;9/16;?3/4?。
单位?in?(英?????????????????寸)。
②?牙数/牙距:?牙数定义?→?一英寸(25.4mm)长度中所含牙纹的个数。
牙距定义?→?相邻两螺纹间的间隔值。
牙数、牙距换算?→?牙距=1英寸/牙数③公称长度:?分公制和英制两种。
?公制公称长度?→?常用值有5、6、6.5、7、8、9、9.5、10、11、12、13、14、15、16、18、19、20、??????????????????????21、25、28、30、31、32、35、40、42、45、50、55、60、?65、70、75、80、85、??????????????????????90、95、100、110、120。
?单位mm(毫米)。
?英制公称长度?→?常用值有1/4、5/16、3/8、7/16、1/2、5/8、3/4、1、?2、3?。
单位?:in?(英寸)。
④头型?:用字母来表示头型的种类,可参看前文常用螺钉头型分类。
⑤牙型/尾型?:?用字母来表示牙型/尾型的种类,可参看前文“常用螺钉牙型/尾型分类”。
⑥槽型?:参看前文“我司常用螺钉槽型分类”,十字槽或无槽(如冲六角头螺钉)此处无需标?注,其它槽型???????????需用文字说明。
⑦特殊标注?:一般情况无需标注,表达其特征时在此位置用文字进行描述。
举例:螺钉规格名称描述为“4-0.7x70PM±牙长35”,其含义是“4”为螺钉螺纹公称直径,“0.7”为牙??????????距,70”为螺钉公称长度值,“P”表示其头型为盘头,“M”?表示其牙型/尾型为机丝牙类,“±”??????????表示其槽型为?“±槽”也可用“加减槽”表?示。
“牙长35”?为特殊标注,特别说明此螺钉牙纹长度值。
螺钉规格名称描述方法(如图)螺钉规格表规格重量规格重量规格重量2.5×10 0.24 4×603.05 6×30 43322.5×12 0.26 4×703.60 6×354.802.5×16 0.34 4.5×16 1.30 6×40 5.302.5×20 0.41 4.5×20 1.50 6×45 5.743×10 0.36 4.5×25 1.80 6×50 6.253×13 0.46 4.5×30 2.160 6×55 6.833×16 0.52 4.5×35 2.370 6×60 7.453×20 0.66 4.5×40 2.70 6×70 8.303×25 0.77 4.5×45 2.92 6×80 9.183×30 0.84 4.5×50 3.21 6×90 10.583×35 1.06 4.5×55 3.62 6×100 11.553.5×13 0.74.5×60 4.02 ? ?3.5×16 0.734.5×70 4.83 ? ?3.5×20 0.9 5×16 1.70 ? ?3.5×25 1.05 5×20 1.90 ? ?3.5×30 1.25 5×25 2.23 ? ?3.5×35 1.46 5×30 2.65 ? ?3.5×40 1.7 5×35 3.03 ? ?4×16 1.00 5×40 3.35 ? ?4×20 1.20 5×45 3.72 ? ?4×25 1.46 5×50 4.10 ? ?4×30 1.65 5×55 4.53 ? ?4×35 1.91 5×60 4.96 ? ?4×40 2.08 5×70 5.73 ? ?4×45 2.32 5×80 6.48 ? ?4×50 2.51 5×90 7.35 ? ?4×55 2.80 5×100 8.96 ? ??规格重量规格重量规格重量规格重量3/8×2 0.25 1-1/4×6 1.84 3-1/2×8 7.57 4×10 11.441/2×2 031 1-1/2×6 2.17 3×8 6.31 1×12 4.11 3/8×3 0.31 1-3/4×6 2.63 3/4×9 2.08 1-1/4×12 5.00 1/2×3 0.4 2×6 2.90 7/8×9 2.33 1-1/2×12 6.00 5/8×3 0.48 5/8×7 1.30 1×9 2.69 1-3/4×12 7.03 3/8×4 0.41 3/4×7 1.45 1-1/4×9 3.26 2×12 7.60 1/2×4 0.51 7/8×7 1.68 1-1/2×9 3.94 2-1/4×12 8.45 5/8×4 0.63 1×7 1.84 1-3/4×9 4.32 2-1/2×12 9.43 3/4×4 0.74 1-1/4×7 2.30 2×9 5.10 3×12 11.36 7/8×4 ? 1-1/2×7 2.70 2-1/4×9 5.49 3-1/2×12 12.82 1×4 0.97 1-3/4×7 3.19 2-1/2×9 6.25 4×12 15.00 1/2×5 0.67 2×7 3.52 3/4×10 2.42 1×4 2.71 5/8×5 0.81 5/8×8 1.51 7/8×10 ? 1-1/4×14 ?3/4×5 0.93 3/4×8 1.92 1×10 3.03 1-1/2×14 7.58 7/8×5 ? 7/8×8 1.92 1-1/4×10 3.75 1-3/4×14 8.62 1×5 1.21 1×8 2.28 1-1/2×10 4.60 2×14 10.10 1-1/4×5 1.43 1-1/4×8 2.77 1-3/4×10 5.06 2-1/4×14 11.11 1/2×6 0.84 1-1/2×8 3.15 2×10 5.54 2-1/2×14 12.10 5/8×6 0.99 1-3/4×8 3.64 2-1/4×10 6.37 3×14 14.32 3/4×6 1.17 2×8 4.20 2-1/2×10 7.13 3-1/2×14 16.60 7/8×6 1.37 2-1/4×8 4.72 3×10 8.37 4×14 18.52 1×6 1.53 2-1/2×8 5.10 3-1/2×10 9.61?规格重量规格重量规格重量规格重量3/8×2 0.25 1-1/4×6 1.84 3-1/2×8 7.57 4×10 11.44 1/2×2 031 1-1/2×6 2.17 3×8 6.31 1×12 4.11 3/8×3 0.31 1-3/4×6 2.63 3/4×9 2.08 1-1/4×12 5.00 1/2×3 0.4 2×6 2.90 7/8×9 2.33 1-1/2×12 6.00 5/8×3 0.48 5/8×7 1.30 1×9 2.69 1-3/4×12 7.03 3/8×4 0.41 3/4×7 1.45 1-1/4×9 3.26 2×12 7.60 1/2×4 0.51 7/8×7 1.68 1-1/2×9 3.94 2-1/4×12 8.45 5/8×4 0.63 1×7 1.84 1-3/4×9 4.32 2-1/2×12 9.43 3/4×4 0.74 1-1/4×7 2.30 2×9 5.10 3×12 11.36 7/8×4 ? 1-1/2×7 2.70 2-1/4×9 5.49 3-1/2×12 12.82 1×4 0.97 1-3/4×7 3.19 2-1/2×9 6.25 4×12 15.00 1/2×5 0.67 2×7 3.52 3/4×10 2.42 1×4 2.71 5/8×5 0.81 5/8×8 1.51 7/8×10 ? 1-1/4×14 ?3/4×5 0.93 3/4×8 1.92 1×10 3.03 1-1/2×14 7.58 7/8×5 ? 7/8×8 1.92 1-1/4×10 3.75 1-3/4×14 8.62 1×5 1.21 1×8 2.28 1-1/2×10 4.60 2×14 10.10 1-1/4×5 1.43 1-1/4×8 2.77 1-3/4×10 5.06 2-1/4×14 11.11 1/2×6 0.84 1-1/2×8 3.15 2×10 5.54 2-1/2×14 12.10 5/8×6 0.99 1-3/4×8 3.64 2-1/4×10 6.37 3×14 14.323/4×6 1.17 2×8 4.20 2-1/2×10 7.13 3-1/2×14 16.607/8×6 1.37 2-1/4×8 4.72 3×10 8.37 4×14 18.521×6 1.53 2-1/2×8 5.10 3-1/2×10 9.61普通螺栓的规格及尺寸表1.普通C级六角头螺栓规格及尺寸表(摘自GB 5780-86),见表1。