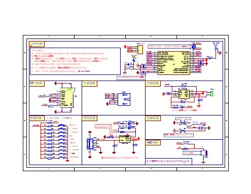
车载蓝牙MP3无线FM全频发射器大电流充电标准原理图方案
- 格式:pdf
- 大小:105.28 KB
- 文档页数:1
FM无线发射与接收电路的设计,无线音箱设计毕业设计题目:…FM无线发射与接收电路的设计…学院:信息与电子工程学院专业:应用电子技术填写日期:二零一二年十二月二十五日摘要摘要在现代通信中,简易无线设备是一种近距离的、简单的无线传输通信工具,目前广泛应用于生产、广播电视、野外工程领域的小范围移动通信工程中。
本次毕业设计以BH1417F集成发射芯片、SP7021F 收音机集成芯片、TDA2822M功放芯片为基础,构造了一款立体声FM 无线发射与接收电路的设计的传输系统。
BH1417F是ROHM公司推出的新型FM无线发射芯片,是锁相环调频立体声发射专用集成电路,电路主要分为前级放大电路,高频振荡,高频功率放大三个部分,仅仅需要很少的外围元器件就能够扶僻优异的体声调频信号。
SP7021F内包含有高放、混频、本振、二级有源中频滤波器、中频限幅放大器、鉴频器、低频器、低频放大器、静噪电路以及相关静噪系统等。
低频功放部分用TDA2822M功放芯片。
该无线传输系统,相距可达到5米,通过扬声器播放的声音清晰,厚重,无明显失真。
关键词:无线传输BH1417F SP7021F TDA2822IAbstractAbstractIn modern communications , simple wireless device is one kind of short distance wireless transmission communication tools , simple , widely used in production , radio and television , field engineering in small scope mobile communication project . The graduation design with BH1417F integrated chip launch , SP7021F radio chip , TDA2822M power amplifier chip as the foundation , constructs a stereo radio sound transmission system .BH1417F is ROHM launched the new FM wireless emitting chip , is phase-locked loop FM stereo transmitter integrated circuit , main circuit is divided into a front stage amplifier circuit , high frequency oscillation , frequency power amplifier three parts , only needs few peripheral components can help out-of-the-way excellent sound FM signal .SP7021F contains high discharge , mixing , lo , two stage active filter , if limiter amplifier , discriminator , low frequency , low frequency amplifier , a squelch circuit and associated squelch system . Low frequency power amplifier with TDA2822M power amplifier chip .The wireless transmission system , distance can reach 5 meters , played through a loudspeaker voice clear , thick , no obvious distortion .Keywords: Wireless transmission BH1417F SP7021F TDA2822 II目录目录第1章引言............................................................................................................... (1)第2章设计要求与任务 (2)第3章FM无线发射与接收电路的设计的工作原理 (3)3.1 FM无线发射与接收电路的设计系统方案 (3)3.2 无线调频发射机的设计 (4)3.2.1 无线调频发射机组成框图 (4)3.2.2 BH1417F工作原理 (4)3.3 无线调频收音机的设计 (7)3.3.1 无线调频收音机组成框图 (8)3.3.2 SP7021F工作原理 (8)3.3.3 低频功放电路 (10)第4章硬件的制作和调试及心得体会 (12)4.1 硬件的制作............................................................................................................... .. 124.2 电路的调试............................................................................................................... .. 154.3 心得体会............................................................................................................... (16)结论............................................................................................................... .. (18)参考文献............................................................................................................... (19)附录............................................................................................................... ................................ 20 III引言第1章引言无线通信(Wireless communication)是利用电磁波信号可以在自由空间中传播的特性进行信息交换的一种通信方式。
MP3 手机USB充电器电路与说明(多图)图中用1欧的电阻F1起到保险丝的作用,用一个二极管D1完成整流作用。
接通电源后,C1会有300V左右的直流电压,通过R2给Q1的基极提供电流,Q1的发射极有R1电流检测电阻R1,Q1基极得电后,会经过T1的(3、4)产生集电极电流,并同时在T1的(5、6)(1、2)上产生感应电压,这两个次级绝缘的圈数相同的线圈,其中T1(1、2)输出由D7整流、C5滤波后通过USB座给负载供电;其中T1(5、6)经D6整流、C2滤波后通过IC1(实为4.3V稳压管)、Q2组成取样比较电路,检测输出电压高低;其中T1(5、6)、C3、R4还组成Q1三极管的正反馈电路,让Q1工作在高频振荡,不停的给T1(3、4)开关供电。
当负载变轻或者电源电压变高等任何原因导致输出电压升高时,T1(5、6)、IC1取样比较导致Q2导通,Q1基极电流减小,集电极电流减小,负载能力变小,从而导致输出电压降低;当输出电压降低后,Q2取样后又会截止,Q1的负载能力变强,输出电压又会升高;这样起到自动稳压作用。
本电路虽然元件少,但是还设计有过流过载短路保护功能。
当负载过载或者短路时,Q1的集电极电流大增,而Q1的发射极电阻R1会产生较高的压降,这个过载或者短路产生的高电压会经过R3让Q2饱和导通,从而让Q1截止停止输出防止过载损坏。
因此,改变R1的大小,可以改变负载能力,如果要求输出电流小,例如只需要输出5V100MA,可以将R1阻值改大。
当然,如果需要输出5V500MA的话,就需要将R1适当改小。
注意:R1改小会增加烧坏Q1的可能性,如果需要大电流输出,建议更换13003、13007中大功率管。
C4、R5、D5起什么作用呢?T1变压器是电感元件,Q1工作在开关状态,当Q1截止时,会在集电极感应出很高的电压,这个电压可能高达1000伏以上,这会使Q1击穿损坏,现在有了高速开关管D5,这个电压可以给C4充电,吸收这个高压,C4充电后可以立即通过R5放电,这样Q1不会因集电极的高电压击穿损坏了,因此,这三个元件如有开关或者损坏,Q1是非常危险的,分分秒秒都可能会损坏。
通信工程系电子综合实践课程设计FM/AM收音机原理与制作学生姓名学号所在系通信工程专业名称计算机通信班级指导教师二○一二年六月目录目录 (1)前言 (2)1 通信的基本概念 (2)1.1 通信的定义 (2)1.2 几个名词:信息、消息、信号 (2)2 通信系统 (3)2.1 通信系统的组成 (3)2.2 通信系统的分类 (3)3 无线电波信号 (5)3.1 无线电波 (5)3.2 无线电发射与接收基本原理 (6)3.3 无线电波的发射 (6)4 调幅收音机 (7)4.1 收音机原理图 (7)4.2 超外差式收音机 (9)5 输入调谐回路 (10)5.1 输入调谐回路的作用与要求 (10)5.2 输入调谐回路的组成与工作原理 (11)6 变频电路 (12)6.1 变频电路的基本组成 (12)6.2 变频原理 (12)7 中频放大级(是超外差式收音机的重要组成部分) (13)7.1 中频放大级的作用 (13)7.2 对中频放大级的基本要求 (13)8 检波电路 (14)8.1 检波电路的作用 (15)8.2 检波电路的要求 (15)8.3 检波原理 (15)9 调试 (15)小结 (17)参考文献: (18)前言近几年来,鉴于以蜂窝移动为代表的各类无线通信业务猛增,人们已不满足于传送话音,还要求传送高速数据和活动图像。
因而,需要在有限的无线信道频带内,传送高速数据、宽带信号。
然而,高速、宽带信号,在通过移动的时变多径信道传输时,会引起严重的衰落现象,通信无法保证。
为此,通信理论工作者研究出了很多抗各类衰落和抗干扰的新对策,如:LDPC码、正交频分复用(OFDM)多载波调制、多天线系统、多用户检测、链路自适应技术等信理论和新技术。
20世纪,电信技术得到极大发展,特别是全球范围电话网络的形成,导致通信新技术的不断出现,即用同轴电缆代替双绞线,使系统的容量大大增加。
微波系统的产生于应用,使通信系统的容量进一步的增加。
用户输入(如键盘) RS232LCDARM7TDMIUSBMP3解码/DAC/音频放大器IDE连接器SDRAMMP3 全称是MPEG Audio Layer 3,MPEG 压缩格式是由运动图象专家组(Motion Picture Experts Group)制定的关于影像和声音的一组标准,其中MP3 就是为了压缩声音信号而设计的是一种新的音频信号压缩格式标准。
CD 唱片采样率频率为 44.1MHz, 16Bits, 数据量为 1.4Mbps,而相应的 MP3 数据量仅为112kbps 或者 128kbps,是原始数据量的 1/12。
也就是说传统的一张 CD 现在可以存放 10 倍甚至更多容量的音乐,但是在人耳听起来, 感受到的音乐效果却没有什么不同。
MP3 随身听的工作原理,其实很简单,反正就是有一块不知什么型号的控制芯片,控制解码芯片和 LCD 液晶屏,由解码芯片把内置闪存或者是外插闪存卡之中的 MP3 文件解码,然后经数模转换,最后从耳机输送到我们的耳朵中。
也就是说一共没几块芯片。
你如果拆一个 MP3 随身听看看,你会发现里面比较大的半导体芯片惟独 4、5 片。
现在新一代的 MP3 随身听在技术上是非常先进的,最具代表性的是 NOMAD II,基于美国 CirrusLogic 最新的 EP7209 MCU (微程序控制器)芯片组,它的作用实际上就像电脑里的 CPU,经过软件解码,可以支持多种网络音乐格式,包括 MP3,以及日后的 WMA 格式。
而国内使用这种芯片创造的 MP3 随身听也即将问世。
起初, MP3 文件只能由电脑来播放,而随着互联网的发展,文件小、音质可与 CD 媲美的 MP3 音乐越来越适合人们在 Internet 上传递,而广为流行。
再加之全世界范围内的 MP3 下载网站泛滥,使人们传统的听音乐习惯发生了改变。
MP3 的逐渐流行,随时随地欣赏MP3 音乐的需求越来越高,这就创造了MP3 播放器的市场。
无线发射车载MP3播放器使用说明书一,产品介绍无线发射车载MP3播放器通过USB接口读取USB中的MP3中的音乐文件,音乐文件格式支持MP3(MPEG layer 1 ,2 and 3 audio decoder)和微软公司的WMA(WMA2--WMA9),由FM无线广播发射方式将MP3的歌曲的信号发送给汽车内的立体声收音机,然后通过车内音响播放。
它还可以连接MP3播放器以及CD/MD播放机等外置音频设备,并将音乐信号发送给车载收音机收听。
您只需将USB 优盘(闪存盘)插入本机的USB接口并将车内的调频立体声收音机调到车载MP3所对应的发射频率就可以聆听您所喜爱的立体声MP3音乐了。
二,功能(1)内置FM发射器,用于向收音机发送信号。
(2)直接读取移动优盘(闪存盘)中MP3/WMA格式的音频文件,通过车载收音机收听。
(3)接通电源后,车载MP3播放器将自动开始播放并具有自动全部歌曲循环播放的功能。
(4)具有LINE-IN功能,可通过耳机接口输入外部音源,并将外部音源发送给车载收音机收听。
(5)配有四个功能键:PLAY/PAUSE,PREV/V-,NEXT/V+和CH。
(6)预设88.1MHz—88.9MHz 之间的的五个频道,可按CH键切换频道。
(7)采用汽车电烟器插座稳压电源(车用12V DC电源)。
(8)标准USB接口高速传输。
(9)五个绿色LED灯分别指示5个预设的频道。
(10)1个红色LED灯指示工作状态(播放或暂停)。
三,基本操作A,收听MP3音乐(1) 将存有MP3文件的USB 优盘(闪存盘)插入USB接口。
(2) 将车载MP3播放器插入汽车内的点烟器插座获取12V的DC电源,车载MP3播放器自动开始播放音乐,并具有自动全部歌曲循环播放的功能。
(3) 可按车载MP3播放器上的“CH”键切换频率,或者使用默认频道88.1MHz(4) 将汽车内的收音机频率设定为车载MP3播放器上的绿色LED灯指示的频率或让车载FM立体声收音机自动搜索该频率即可收听音乐。
AM/FM收音机的安装与调试ξ1概述一、实习目的:1、学习收音机的调试与装配。
2、提高读整机电路图及电路板图的能力。
3、掌握收音机生产工艺流程,提高焊接工艺水平。
二、实习内容:1、收音机电路原理分析。
2、掌握印制电路板的组装及焊接工艺。
3、进行AM、FM中频及统调覆盖的调试及整机测试。
4、故障判断及排除。
三、实习基本要求:1、会检测元器件并判别其质量。
2、独立完成各测试点的测量与整机安装。
3、会排除在调试与装配过程中可能出现的问题与故障。
4、所制作的产品电器性能指标应能满足三级机水平(国标),具体如下:接收频率范围:AM 525~1605KHZ FM72~108MHZ接收灵敏度:AM 达国家C类标准FM优于μV级输出功率:大于100mW供电电源:DC 3V立体声耳机输出阻抗:32Ωξ2收音机的基本工作原理1、收音机的电路结构种类有很多,早期的多为分立元件电路,目前基本上都采用了大规模集成电路为核心的电路。
集成电路收音机的特点是结构比较简单,性能指标优越,体积小等优点。
AM/FM型的收音机电路可用如图1所示的方框图来表示。
收音机通过调谐回路选出所需的电台,送到变频器与本振电路送出的本振信号进行混频,产生中频输出(我国规定的AM中频为465KHZ,FM中频为10.7MHZ),中频信号将检波器检波后输出调制信号,调制信号经低放、功放放大电压和功率,推动喇叭发出声音。
图1 AM/FM型收音机电路方框图2、本实训中的收音机是一种50型的AM/FM二波段的收音机,收音机电路主要由索尼公司生产的专为调频、调幅收音机设计的大规模集成电路CXA1191M/CXC1191P组成。
由于集成电路内部无法制作电感、大电容和大电阻,故外围元件多以电感、电容和电阻为主,组成各种控制、供电、滤波等电路。
50型收音机电路图如图2所示。
图2 50型收音机电路图CXA1191M/CXC1191P的内部方框图如图3所示。
图3 CXA1191M/CXC1191P的内部方框图下面介绍收音机电路图的功能块电路的作用。
调频无线话筒电路图-调频无线话筒制作-自制无线话筒本文介绍一种简单的无线话筒。
可在调频广播波段实行无线发射。
本机可用于监听、信号转发和电化教学。
由于结构简单、装调容易,所以很适合初学者装置。
一、无线话筒的电路图和工作原理图1是调频无线话筒的电路图。
图1无线话筒的电路图驻极体话筒将声音转变为音频电流,加在由晶体管V、线圈L和电容器C1组成的高频振荡器上,形成调频信号由天线发射到空间。
在10米范围内,由具有调频广播波段(FM波段)的收音机接收,经扬声器还原成的声音,实现声音的无线传播。
二、元件的规格和检测方法本机结构简单,包括电池在内,一共才有8只元件。
C1为10PF瓷片电容器C2为10uF电解电容器R为lk 1/8W碳膜电阻k为拨动开关V为高频三极管9018日BM为小型驻极体话筒L为空心线圈。
驻极体话筒灵敏度越高,无线话筒的效果越好。
它的外形和测试方法见图2,对话筒吹气时,万用表指针摆动越大,驻极体话筒越灵敏。
图2 驻极体话筒检测L是空心电感线圈。
用?0.5毫米的漆包线在元珠笔芯上密绕10圈。
用小刀将线圈两端刮去漆皮后镀锡,可点上一些石蜡油固定线圈然后抽出元珠笔芯,形成空心线圈(如图3)。
三、焊接电路图4是调频无线话筒的印刷电路图。
图3 线圈L的绕法图4 印刷电路板1.将各元件引脚镀锡后插入印刷电路板对应位置。
各元件引脚应尽量留短一些。
2.逐个焊接各元件引脚。
焊点应小而圆滑不应有虚焊和假焊。
焊接线圈时,注意不能使线圈变形。
3.用一根长40-60厘米的多股塑皮软线做天线。
一端焊在印刷电路板上,另一端自然伸开。
四、电路的调试1.先检查印刷电路板和焊接情况,应元短路和虚、假焊现象。
然后可接通电源。
2.用万用表直流电压档测量晶体管V基极发射极问电压,应为0·7伏左右。
若将线圈L两端短路,电压应有一定变化,说明电路已经振荡。
3.打开收音机,拉出收音机天线,波段开关置于FM波段,(频率范围为88兆赫至108兆赫)将无线话筒天线搭在收音机上。
FM发射器电路——全集本电路图所用到的元器件:BBC109C电路如图所示。
它包括红外传感头、电子开关、音响发声电路、无线FM电路等。
将它安装在银行、密室或库房等需要监护的场所,用于晚上代替人员值守,当有人潜入作案时,电路将自动发出调频(FM)无线报警信号,附近(500m)的值班人员从FM收音机中可收到“呜呜……”作响的报警信号.从而采取积极的防范措施。
高频发射管D40揭密最早的关于"D40"文章从电路明显可以看出电路还较简易,不够完善,但这篇文章的历史意义要远远大于他的实际制作意义,我想也是这篇文章给了业余调频发烧友一个美丽的梦。
晓吴:这是一篇刊登在《家电维修》1992年第7期上的文章,名叫《超远程无线话筒》,作者是李栋鑫,说是能在开阔地最远可以发射1.5kM。
我看到这篇文章是在95年还是96年的时候,当时我真的对这管子是日思夜想,千方百计的想买到这个神奇的管子,但几年后我终于明白了些什么…………D40 这个管子最早初现在1992年《家用电器》刊登的一篇《超远程调频无线话筒》文章提到的,文章发表后,无线电爱好者无不为它神往,但确苦于没D40的参数,无法制做,正在吊足所有人胃口时,巧在这时,半年后又一篇《超远程调频无线话筒》一文答读者见刊,声称D40为特殊新型产品,并提供了该管的性能指标:D40 管是台湾敏通公司的产品,进口时型号已被抹去,电气参数BVCE0>9V、ft>280MHz、PCM:1W、ICM:150mA、β>120,声称据他们了解国内市场目前是不可能有买或替代品,只有他们有货可供,12.5元/只(相当与一只2SC1971的价)。
几年来,圈内又相继出现了所谓发射距离更远的D50的精品发射管,一时间电子报刊与网上有供D40、D50的信息漫天飞,,无意例外他们的价格都高的离谱,甚至我还看到了声称可以发射5公里的发射管D60的广告,我的天那!但是到你经过千方百计真的把那些所谓的D系列弄到手时,你却发现并不像传说的那样好使,为什么哪?当你仔细观察这些D管是它们不是被打磨掉了原有型号就是又被重新印是了D40、D50的字样,没见有人买到过真正用激光印有D40的管子。
车载MP3FM发射芯片一、全数字调频立体声发射IC (KT0801/KT0803)全集成DSP调频立体声发射器KT0801高集成,低成本零外部元件微型封装(4mmx4mm 24-pin QFN)芯片硬件/软件界面简单,易于集成同一方案支持全世界标准高性能,低功耗无需精密外部元件及调试,运用数字信号处理DSP技术达到卓越的性能指标全集成CMOS技术无铅产品(符合欧盟RoHS标准)高品质音频主要性能指标达到或超过专业FM发射设备所有频道均性能稳定高信噪比(SNR>68dB)低失真度(THD<0.1%)低EMI(对邻台和手机通讯无干扰)灵活的工作方式数字可调覆盖全球范围(76-108MHz,100KHz步进),支持全世界各国标准数字可编程输入增益控制,提供软开关控制与静音功能宽工作电压范围1.6~3.6V内置LDO,无需外置直流电压转换器芯片控制使用支持工业界通用的I2C接口低功耗工作电流低于12.6毫安待机电流低于1微安KT0801射频高端数字方案适用于以下SoC产品开发车载MP3音频发射器/汽车电视PMP/MP4音乐手机GPS语音导航调频接收机及调频收发器(combo)立体声无线收发系统(iPod,电视,电脑,DVD,CD,无线耳麦)固定电话无线发射器高档无线玩具/游戏机PDAs婴儿监护保安监听二、捷顶FM发射芯片AS6001据称该芯片据称拥有业内最低的功耗,该系列芯片对输入的双声道模拟音频信号以FM方式调制,然后以标准的FM广播频率发射。
为了能更为适合便携式音频应用,该系列芯片除提供业内通用的SSOP 封装外,还提供仅4mm×4mm的小型QFN封装。
在最大110dBuV 发射功率下,电流消耗仅为16mA。
该系列芯片输入电压为1.8V至4V,内置的电源管理功能可简化供电设计。
其内置软关断功能,关断时的待机电流小于10μA。
AS6001采用串行控制方式,在MCU操作下,其发射频率可在87MHz至108MHz范围内以0.1MHz精度连续调节。
MP3开关电源适配器电路原理分析案例一:该型适配器电路如附图所示,图中元件序号与实物一致。
变压器引脚号和同名端、接口符号为笔者所标画。
该电源适配器采用的是典型的开关电源结构。
工作原理如下:AC220V交流市电经DI~D4桥式整流、C1滤波后加在开关变压器T1的主绕组①→②→开关管Q1的c极;另一路经启动电阻R2→R4(R4主要起限流作用)→Q1b极,使Q1正偏导通,同时在反馈绕组上产生的感应电压极性为③正④负,该电压经加速电容C3//R6→限流电阻R5→R4→Q1的b极,在上述电压的共同作用下,Q1迅速饱和。
此刻,开关变压器中的磁通量Ψ达到最大;磁通增量△Ψ为零。
这就是“电”生“磁”的过程。
此后,磁场迅速消失.磁通变化量△Ψ为最大,同时在各绕组中产生的感生电压极性反向。
这又是“磁”生“电”的过程,此过程中在T1各绕组产生的感生电压极性为:①负②正;③负④正;⑤负⑦正。
①负②正的感生电压极易击穿开关管Ql,为防止Q1击穿,电路中加了D2、C4、R3削波抑制电路。
③负④正反馈电压促使了Q1的迅速反偏截止。
在T1的③→C3//R6→R5→R4→Q1的b--e发射结→④→③回路中,T1的③~④绕组中产生的惑生电压极性不停地正向、反向、正向、反向……周而复始地变化着,从而导致Q1反复地工作在饱和,截止、饱和、截止……的开关状态下。
⑤负⑦正的感生电压经D7整流、C5滤波后供电池充电之用。
电路中的Z1、C2、D5构成了钳位电路,使刚上电时的R2、R4、R5交汇点电压不高于Z1的稳压值与D5的正向导通压降值的代数和(本电路中为6.8V+0.7V),目的是避免Q1一直处于导通失控的状态。
充电指示部分:接通电源后,红色工作指示灯点亮,插接MP3后,绿色充电指示灯点亮,表示在充电状态。
随着充电电压的升高,Q2的b极电压同时升高.当升至Q2的Vbe≤-0.7V时Q2截止,绿色充电指示灯熄灭,表示电池的电压已充满。
此后进入涓流充电工作状态,电流的流经路线如下:C5的正极→Q2的e→b→R10→被充电池→C5负极。
蓝牙fm发射器原理
蓝牙FM发射器的工作原理是通过将蓝牙无线信号转换为FM 调制信号,并通过FM调制将音频信号传播到周围的FM频率上。
以下是蓝牙FM发射器的工作步骤:
1. 通过蓝牙技术,将音频信号从手机、电脑或其他蓝牙设备传输到蓝牙FM发射器。
2. 蓝牙FM发射器接收到音频信号后,通过内部的模拟-数字转换器(DAC)将音频信号转换为数字信号。
3. 数字信号经过数字信号处理器(DSP)进行处理,进行格式转换和调整。
4. 处理后的数字信号通过数字-模拟转换器(DAC)转换为模拟音频信号。
5. 转换后的模拟音频信号通过调谐电路进行频率调整和调制。
6. 调谐电路将调制后的音频信号转换为FM调制信号。
7. FM调制信号通过高频放大器进行放大,使其信号强度适合传输。
8. 最后,FM调制信号通过天线发射出去,通过空气传播到周围的FM频率上。
通过这种方式,蓝牙FM发射器可以将蓝牙音频信号传播到多个FM收音机或汽车收音机上,使其可以通过收音机播放蓝牙音乐或接听电话。
同时,用户可以通过调整蓝牙FM发射器的频率,选择一个不会干扰到其他广播或信号的合适频率,从而避免信号干扰和杂音。
汽车音响MP3 播放器发射器剖析
车载MP3 发射器已流行一、二年了,其功能也越来越多,其内部电路,
应用最多的是日本罗姆(RHOM)公司推出的调频立体声发射集成电路BHl414- 1417 系列,其射频部分采用频率合成电路,频率非常稳定。
音频信号的处理,将预加重电路、限幅电路、低通滤波电路(LPF)一体化,使音频信号的质量和频率稳定程度比没有锁相环电路的BA1404 有很大进步。
表面封装的BH1417F 芯片为电路的小型化创造了条件。
但有些制造商为降低成本,生产的发射器从外包装上看与普通带点烟器插头和耳机插头的车载MP3 发射器没什么两样,如图1 所示。
但在内部电路上偷
工减料,没有采用BHl414-1417 系列调频立体声发射集成电路,使整个电路的性能大打折扣,如产品概述中提到的双声道立体声,纯属子虚乌有。
输出频率点的选择,从内部电路中找不到。
而采用集成电路BHl417 则可用拔码开关或其它电路进行14 个频点的设定。
不过,我们也很佩服这些制造商,在降低成本上是化了大功夫,简单的收听试验,还是能过关的。
下面我试图对我最近得到的一款车载MP3 发射器作一剖析:
根据电路板绘出的电路图如图2 所示,电路原理分
析如下:
从汽车点烟器插头得到的汽车蓄电池12V 电源,经TO-92 封装的5V 三端稳压集成电路78L05,输出5V 稳压电源,供整机电路所需。
振荡电路利用石英晶体X1 稳频,晶体三极管Q2 为前置放大,Q3 为倍频功率放大,Q1 为SOT- 23 表面封装三极管1AM,性能与1N3904 相同,相当于变容二极管功能,其整体等效电容,在R1 和R2 降压后的电平基础上,受从MP3 耳机插口端输出的。
《2011至尊恋爱秘籍》男人幸福必备!分类号:TN836 U D C:D10621-408-(2006)0285-0 密级:公开编号:2002022096成都信息工程学院学位论文车载MP3无线调频发射器----发射与控制论文作者姓名:张超申请学位专业:电子信息工程申请学位类别:工学学士指导教师姓名(职称):吴启满(实验师)论文提交日期:2006年 6 月4日车载MP3无线调频发射器摘要进入21世纪,随着人们物质生活的提高,舒适性、方便性已经成为电子产品的重要考虑因素,基于此而设计的车载MP3转化发射器就是这样一个较为人性化的产品,它大大提高车内播放音乐的方便性和安全性。
车载MP3转化发射器其实就是一个新型的数字化调频发射器,它具有将音频信号转化成为调频信号发射出去的作用,具有方便携带,使用简单,频率稳定、发射频率在88.0MHZ至110.0MHZ范围内任意可设等特点。
而本文所介绍的调频发射电路的设计,采用的是无线音频传输集成芯片BH1415F,其发射频率采用AT89C52单片机控制,外围电路配以数字化液晶模块1602显示发射频率,操作更加直观方便,此电路发射频率较为稳定,抗干扰能力较强,适合于将各种音频信号转化为一定频率的调频信号进行无线发射。
关键词:BH1415F AT89C52 数字化控制LCD1602 调频发射Wireless Frequency Modulation in the C ar’s MP3AbstractEntering the 21 century, as the people’s material life improving, the comfort and convenience have become the important factors of electronic products. The car year change of MP3’s emitter is just the humanization product designed basing on that, and it greatly raises the convenience and safety of music broadcasting inside the cars. The car year change of MP3’s emitter is a new digitization frequency modulation emitter. It can change the frequency signal into frequency modulation signal, and it possesses the characteristics such as conveniently carrying, simply using, steadily frequency, and the launch frequency can set to randomly from the scope of 88.0 MHZ to 110.0 MHZ.This paper introduces one kind of design of frequency modulation launch circuit. It uses the wireless frequency transmission chip BH1415F, its emissive is controlled by AT89C52 SCM (Single Chip Micyoco), and the peripheral circuit integrates the crystal module1602 showing the launch frequency. The operation is more directly and convenient, and the frequency launched by the circuit is comparatively stable and has strong anti-jamming ability. It is fit for changing all kinds of frequency signal into a fixed frequency modulation signal of frequency and launchingwirelessly.Key words:BH1415 AT89C52 digitization control LCD1602the frequency modulation launch目录论文总页数:29页引言 (1)1硬件设计部分 (1)1.1锁相环电路的介绍 (1)1.1.1电路的组成 (1)1.1.2锁相环各组成部分的介绍 (2)1.1.3 锁相环电路的应用 (3)1.2无线音频传输集成芯片BH1415F (4)1.2.1 与BH1417的比较(和BH1414、BH1416的比较略) (4)1.2.2 芯片简介 (5)1.2.3 特点 (5)1.2.4 结构图 (5)1.2.5 芯片各工作参数 (6)1.2.6 芯片各脚位的内部结构 (8)1.2.7 电路应用说明 (10)1.2.8 调频发射的基本原理 (13)1.3控制端(MCU)与BH1415的连接 (15)1.3.1简单介绍控制BH1415频率的方法 (15)1.3.2硬件连接 (15)1.4抗干扰能力 (16)1.4.1干扰来源 (16)1.4.2 抗干扰方案 (16)1.5简要介绍相关模块 (16)1.5.1 液晶显示模块1602 (16)1.5.2 4X4键盘控制 (17)2 BH1415频率控制程序 (17)2.1BH1415的控制模块 (17)2.2利用键盘控制BH1415的发射频率值 (18)3调试 (19)3.1BH1415的调试 (19)3.1.1 硬件部分的调试 (19)3.1.2 软件部分的调试 (20)3.2系统整体调试 (21)4有待改进的地方 (21)4.1关于稳压电源的改进 (21)4.2关于发射功率的改进 (22)结论 (23)参考文献 (23)附录 (24)致谢 (28)声明 (29)车载MP3无线调频发射器引言随着新时代电子技术的日新月异,各种电子产品层出不穷,人们在追求高科技现代化的同时,也越来越强调产品的方便携带性了,车载产品便是众多新型电子产品中很具有代表性的。