砌筑、抹灰、保温砂浆原材送检及试块留置问题
- 格式:docx
- 大小:17.02 KB
- 文档页数:2
关于同条件试块的留置及送检详细一、承担检测单位应具备的条件承担检测单位分为外委和内有,要求所有的检测材料必须送至省级以上建筑行政主管部门对其资质认可和质量技术监督部门对其计量认证(CMA)的质量检测单位进行检测。
二、取样应符合的规定在取样送检过程中,应按照下列规定进行取样送检,其中未尽事宜应严格按照有关法律、法规、验收规范、技术规程、检测单位制度等执行。
1、钢材、接头取样试验的批量应符合下规定项目品种规格批量样品取样方法及数量钢筋砼的热扎带肋、光圆钢筋同一牌号、同一规格不大于60T为一批在每批材料中任选两根钢筋从中切取。
拉伸:两根40cm弯曲:两根15cm+5d(d为钢筋直径)钢结构的碳素结构钢、低合金高强度钢同一牌号、同一等级、同一品种、同一尺寸、同一交货状态不大于60T为一批冷轧带肋钢筋同一牌号、同一规格、同一外形、同一生产工艺、同一交货状态不大于60T 为一批弯曲试验每批2个,拉伸试验每批1 个钢筋闪光对焊同一台班,同一焊工完成的300个同牌号,同直径接头为一批拉伸:三根40cm弯曲:三根15cm+5d(弯曲焊接接头外周应磨光)同一台班内焊接数量较少时一周内按累计,若累计仍不足300个接头按一批钢筋电弧焊在现浇砼结构中以同牌号钢筋、同接头类型不大于300个接头为一批,拉伸:三根40cm在房屋结构中,按不超过二楼层中300个同牌号钢筋接头不大于300个接头为一批,不足300个仍按一批钢筋电渣压力焊钢筋气压焊在现浇砼结构中以同牌号钢筋、同接头类型不大于300个接头为一批拉伸:三根40cm在房屋结构中,按不超过二楼层中300个同牌号钢筋接头300个接头为一批,不足300个仍按一批钢筋机械连接同一施工条件、同一批材料、同一等级、同一型式、同一规格不大于500个接头为一批,(现场安装同一楼层不足500个时仍然为一批)2、水泥、粉煤灰取样试验的批量应符合下列规定项目批量样品取样方法及数量水泥同厂家、同等级、同品种、同批号且连续进场的水泥,袋装不超过200T为一批,散装不超过500T为一批,每批抽样不少于1次。
XXXX保障性住房(一标段)C5#楼原材送检、检验批及试块留置计划XXXX建设有限责任公司第七工程部XXXX保障性住房(一标段)C6#楼工程检验批的划分一、基础分部工程地基与基础分部工程由无支护土方、混凝土基础、砌体基础、地下防水子分部工程组成,含10个分项工程,共划分为57个检验批。
(一)无支护土方土方子分部工程无支护土方土方子分部工程含2个分项工程,划分为11个检验批。
1、土方开挖分项工程划分为1个检验批。
2、土方回填分项工程划分为10个检验批(室内3个,室外7个)(二)混凝土基础子分部工程砼结构子分部含4个分项工程,划分42个检验批。
1、模板分项工程划分为8个检验批,①条基②基础构造柱③地下室构造柱、过梁④地下室现浇梁、板、楼梯、圈梁,即模板安装为4个检验批,模板拆除为4个检验批。
2、钢筋分项工程划分为12个检验批①基础构造柱②地下室构造柱、过梁③地下室现浇梁、板、楼梯、圈梁,即钢筋原材料划分为3个检验批,钢筋加工划分为3个检验批,钢筋连接划分为3个检验批,钢筋安装划分为3个检验批。
3、砼分项工程划分为12个检验批,①条基②基础构造柱③、地下室构造柱、过梁④地下室现浇梁、板、楼梯、圈梁,即砼原材料划分为4个检验批,混凝土配合比设计划分为4个检验批,砼施工工程划分为4个检验批。
4、现浇结构及外观尺寸偏差分项工程划分为8个检验批①条基②基础构造柱③地下室构造柱、过梁④地下室现浇梁、板、楼梯、圈梁,即现浇结构外观划分为4个检验批,现浇结构尺寸偏差划分为4个检验批。
(三)砌体基础子分部工程砌体结构子分部含2个分项工程,划分为4个检验批。
1、基础、地下室砖砌体分项工程划分2个检验批。
2、基础、地下室配筋砖砌体分项工程划分为2个检验批。
(四)地下防水子分部工程地下防水子分部含2个分项工程,划分为2个检验批。
1、水泥砂浆防潮层分项划分1个检验批,即水平1个。
2、水泥砂浆立面防潮层分项划分1个检验批。
二、主体分部工程主体结构分部工程混凝土结构和砌体结构2个子分部组成,含7个分项工程,各分项工程均按楼层划分检验批,共划分171检验批。
混凝土试块留置方案
一、混凝土试块留置
1、每层按打灰方量,每100m3混凝土留置一组标养试块,不够100的按100计算,每增加100m3增加一组试块,每组3块,每200m3混凝土留置一组同条件试块,每组3块,不够200的按200计算,每增加200m3增加一组试块,
2、一次性浇筑混凝土总体积超过1000m3米的大体积混凝土,每200m3留置一组标养试块,每300m 3留置一组同条件试块,超过1000不到2000的按2000计算。
3、每层如果有不同型号的混凝土需要浇筑的,按型号及该型号混凝土的方量分别留置混凝土试块,规则同上。
4、防水混凝土的标养、同条件养护试块留置原则见前(1)、(2)条
5、抗渗试块留置原则(依据GB50208—2002):连续浇筑混凝土每500m3应留置一组抗渗试块(一组为6个抗渗试块),且每项工程不得少于两组。
配合比调整时,应相应增加试块的留置组数。
二、砂浆试块的留置
砂浆试块的留置,按每层或者砌体的砌筑量超过250m3的留置一组标养试块,每组三块,不需要留置同条件试块,或者按监理方要求留置,锦河湾工程应监理要求每层留置2组砂浆试块,且按图纸要求,地面以上砌筑砂浆为不低于Mb7.5的混合砂浆,只有一种型号的砌筑砂浆,所以,锦河湾工程内所有单位工程内的地面以上砌筑砂浆试块留置均为每层两组,砂浆型号一致。
抹面砂浆试块的留置:
7.0.3 抹灰工程验收应,各检验批应按下列规定划分:
1、相同砂浆品种、强度等级、施工工艺的室外抹灰工程,毎1000m ²应划分为一个检验批,不足1000m²也应划分为一个检验批。
2、相同砂浆品种、强度等级、施工工艺的室内抹灰工程,每50个自然间(大面积房间和走廊按抹灰面积30m²为一间)应划分为一个检验批,不足50间也应划分为一个检验批。
7.0.5 砂浆抗压强度试块应符合下列规定:
1、砂浆抗压强度验收时,同一验收批砂浆试块不应少于3组。
砌筑砂浆试块留置规定
一、《砌体工程施工质量验收规范》(GB50203-2002)规定:
1、每一检验批且不超过250m3砌体的各种类型强度等级的砌筑浆,每台搅拌机至少抽检一次。
2、在砂浆搅拌机出料口随机取样制作砂浆试块(同盘砂浆只应制作一组试块)。
3、砂浆强度以标准养护,龄期28天的试块抗压试验结果为准。
二、砂浆试块留置具体要求
1、每一楼层不分施工段且砌体不超过250m3时,每层留置一组试块。
每层砌体超过250m3时,每250m3砌体留置一组试块。
2、每一楼层划分施工段,且每施工段砌体不超过250m3时,每施工段留置一组试块。
每施工段砌体超过250m3时,每250m3砌体留置一组试块。
一分钟学会混凝土试块留置问题
混凝土试块的留置是很重要的,关系到结构安全的问题,所以作为工程技术人员一定要懂。
一、普通混凝土试块留置组数要符合规范要求,符合要求同条件和标准养护试块放置位置。
1、当一次连续浇筑超过1000m³时,同一配合比混凝土每200m³混凝土取样不得少于一次。
2、每一楼层,同一配合比混凝土取样不得少于一次。
3、冬期施工还应留置负温转常温试块和临界强度试块。
4、每次取样至少留置一组标准养护式件,同条件养护式件的留置组数应根据实际需要确定(一般不少于2组)。
二、抗渗混凝土试块留置组数要符合规范要求,同条件和标准养护试块放置位置应符合要求。
1、同一混凝土强度等级、抗渗等级、同一配合比,生产工艺基本相同,每单位工程不得少于两组抗渗试块(每组6个试块)。
2、试块应在浇筑地点制作,其中至少一组应在标准条件下养护。
其余试块应与构件相同条件下养护。
3、留置抗渗试块的同时需留置抗压强度试件并应取自同一盘混凝土拌合物中。
4、同条件试块制作拆模后,应在试块上注明制作时间、等级、工程部位。
焊制钢筋笼或木箱将试块存放在楼层内,与构件相同条件下养护并计算龄期。
•
来源:网络。
混凝土试块取样及留置要求混凝土试块取样及留置要求一、砼结构工程试块取样与留置为确保混凝土试块的取样准确性,应在混凝土浇筑地点随机取样。
二、标准养护试块取样与留置原则1.同配合比的混凝土每拌制100盘且不超过100m3时,取样不得少于一次。
2.每工作班拌制的同一配合比的混凝土不足100盘时,取样不得少于一次。
3.当一次连续浇筑超过1000m3时,同一配合比的混凝土每200m3取样不得少于一次。
4.每一楼层、同一配合比的混凝土,取样不得少于一次。
5.每次取样应至少留置一组(一组为3个立方体试块)标准养护试块。
三、同条件养护试块取样与留置原则1.结构实体同条件试块(即600oC.d试块,混凝土结构验收的重要依据):1)同条件养护试件所对应的结构构件或结构部位,应由监理、建设、施工等各方共同选定。
2)C20及以上的各混凝土等级均应留置同条件养护试块。
3)重要部位如下:竖向构件中的墙、柱、核心筒,水平构件中跨度≥8m的梁、跨度≥5m的单向板、跨度≥6m的双向板、预应力混凝土梁、跨度≥2m的悬挑梁板。
若有工程不满足上述条件,则应按规范“同一强度等级的同条件养护试件不宜少于10组,且不应少于3组”。
2.拆模同条件试块(判定混凝土是否达到设计要求或规范要求的强度),按每一施工流水段至少留置一组同条件试块。
3.构件吊装混凝土同条件试块(检查混凝土构件强度能否满足吊装要求),须根据吊装部署酌情留置同条件试块。
4.预应力工程混凝土同条件试块(判定能否达到预应力张拉或放张条件),须根据预应力张拉部署酌情留置同条件试块。
四、XXX增加同条件养护试块留置原则1.达到受冻临界强度同条件试块,按每一施工流水段每一楼层、同一配合比的混凝土至少留置一组同条件试块。
砌体工程砂浆试块留置方案一、引言砌体工程砂浆试块留置是指在实际砌筑墙体时,定期取样并加工试制水泥砂浆试块,以进行压缩强度试验和质量检测的一项工作。
通过对砂浆试块的压缩强度试验,可以评定砂浆的质量和强度,为施工质量的控制和跟踪提供重要数据支持。
本文将结合砌体工程实际情况,制定砂浆试块留置方案,以确保砌体工程施工质量。
二、留置原则及依据1. 留置原则(1) 合理确定留置数量和周期,确保留置试块能够充分反映砂浆强度的变化规律。
(2) 留置试块应该在试验室进行试验,以保证试验结果的准确性。
(3) 留置试块的制作应符合相关规范要求,确保试验数据的可靠性及有效性。
2. 依据(1) 《建筑工程验收规范》GB50204(2) 《砌体与砌块试验方法标准》GB 13544(3) 《水泥砂浆及预拌混凝土强度检测规程》JGJ/T70三、留置试块的数量1. 砌体工程砂浆试块留置数量的确定应结合以下因素:(1) 施工工艺和工期:一般来说,施工工艺和工期越长,留置数量和周期应相应增加,以便充分反映砂浆强度的变化规律。
(2) 试验设备条件:试验室设备条件限制会影响试块留置数量,可靠的试验设备可以减少试块留置数量。
(3) 规范要求:根据建筑工程验收规范和相关标准,确定试块留置数量。
2. 留置试块数量的计算试块留置数量应按每堆砂浆中的不同黏度进行留置,黏度较大的要增加留置数量。
具体计算公式如下:(1) N=n*(C/V-1)其中,N为留置数量,n为每堆砂浆中留置试块的堆数,C为系数,通常取1.5-2,V为砂浆用量的平均值。
(2) 根据不同的砂浆用量和黏度,计算出每种情况下的留置数量,并按照计算结果进行留置。
四、留置周期1. 留置周期的确定(1) 砂浆试块的留置周期应符合《水泥砂浆及预拌混凝土强度检测规程》的规定。
(2) 留置周期一般为7天、14天、28天,可以根据实际情况延长留置周期。
(3) 对于一些特殊工程,留置周期应根据相关规范要求确定。
试块砂浆留置方案一、试块留置方案试块是施工过程中进行试验性浇筑的小型混凝土试件,用于评估混凝土强度、密实性和耐久性等性能。
试块留置是将试块保持在特定环境条件下养护一定时间,以满足试验要求。
试块留置方案通常包括试块规格、试块制备、试块保养等方面的内容。
1.试块规格试块规格是指试块的尺寸和形状,根据试验要求和实际工程需要确定。
常见的试块规格有50mm×50mm×50mm、100mm×100mm×100mm等。
2.试块制备试块制备需要遵循相关标准和规范的要求。
制备试块时,首先要保证试块模具的清洁和平整,采用金属模具或塑料模具制作。
然后,将混凝土拌合料按照一定的配合比和搅拌时间进行拌和,拌和好的混凝土填入模具中,用平整器进行压实,使其表面平整。
最后,从混凝土拌和完毕之日算起,在适当的时间进行拆模。
3.试块保养试块制备后,需要进行适当的保养,以保证试块的强度和密实性。
试块保养主要包括湿养和水浸两种方式。
湿养是将试块表面保持湿润的方法,可以使用湿布、草包或水膜等进行覆盖,保持试块四面八方的湿润度。
保养期间要防止试块受到太阳直射或强风吹袭。
水浸是将试块完全浸泡在水中的方法。
保养期间试块应完全浸入水中,水深应超过试块高度的一部分。
保养时间一般为28天。
砂浆是由水泥、细骨料和适量的水按一定比例混合而成的胶状材料,用于砌筑砖墙、抹灰、填缝等施工工艺。
砂浆留置是在施工过程中,将砂浆保持在一定环境条件下养护一段时间,以确保其强度和耐久性。
1.砂浆配比砂浆配比是指根据施工需要和砂浆性能要求,确定砂浆中水泥、砂子和水的比例。
常见的砂浆配比有1:3、1:4、1:6等。
2.砂浆施工方法砂浆施工需要遵循一定的方法和顺序。
首先,将砂子和水泥按照配比比例混合,加入适量的水搅拌成糊状。
然后,将砂浆抹在需要处理的表面上,用抹刀或泥刀进行修整和压实。
最后,保持砂浆表面平整,防止过早干燥和裂缝的产生。
砌筑砂浆试块留置规定
一、《砌体工程施工质量验收规范》(GB50203-2002)规定:
1、每一检验批且不超过250m3砌体的各种类型强度等级的砌筑砂浆,每台搅拌机至少抽检一次。
2、在砂浆搅拌机出料口随机取样制作砂浆试块(同盘砂浆只应制作一组试块)。
3、砂浆强度以标准养护,龄期28天的试块抗压试验结果为准.
二、砂浆试块留置具体要求
1、每一楼层不分施工段且砌体不超过250m3时,每层留置一组试块。
每层砌体超过250m3时,每250m3砌体留置一组试块。
2、每一楼层划分施工段,且每施工段砌体不超过250m3时,每施工段留置一组试块.每施工段砌体超过250m3时,每250m3砌体留置一组试块。
三、资料整理要求
1、整理顺序
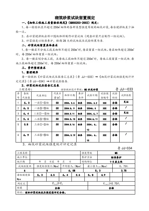
每一验收批《砂浆试块试压报告汇总表》(鲁JJ-033)→《砌筑砂浆试块强度统计评定记录》(鲁JJ—034)→砂浆试验报告.
2、砂浆试块试压报告汇总表。
保温砂浆试块不合格处理方案保温砂浆试块不合格,这就像烤蛋糕没烤熟一样让人头疼,但咱们得想办法解决呀。
一、查找原因。
1. 原材料方面。
首先得看看保温砂浆的原材料是不是有问题。
就像做菜得看食材新鲜不新鲜一样。
检查一下水泥、砂、保温材料这些原料的质量。
是不是水泥过期了,砂的含泥量过高,或者保温材料的性能不达标呢?比如说,要是砂里混了好多泥土,就像在粥里加了沙子,肯定会影响保温砂浆的质量。
查看原材料的配合比是不是正确。
这就好比调鸡尾酒,各种配料的比例错了,味道肯定不对。
如果水泥放多了或者保温材料放少了,都可能导致试块不合格。
2. 施工过程因素。
搅拌环节很关键。
是不是搅拌不均匀呀?就像搅面糊,如果没搅匀,有的地方稠有的地方稀,做出来的东西肯定不行。
看看搅拌的时间够不够,搅拌设备有没有故障。
施工时的环境温度和湿度也有影响。
要是温度太低,砂浆可能干得慢,强度上不来;湿度太大,可能会让砂浆里的水分太多,影响性能。
这就像人在太潮湿或者太冷的环境里干活没力气一样。
试块的制作过程也得检查。
制作试块的模具是不是干净、尺寸是不是标准,振捣是不是密实,这些都像做馒头时揉面、整形的步骤,如果没做好,馒头肯定不好吃,试块肯定也不合格。
二、处理措施。
1. 原材料问题的处理。
如果是原材料质量问题,那就赶紧把不合格的原材料换掉。
就像发现菜烂了,肯定得重新买菜。
对于有问题的水泥,换成合格的水泥;砂含泥量高就换干净的砂;保温材料性能不达标就找符合要求的材料。
如果是配合比错了,重新计算正确的配合比,严格按照新的配合比来配制保温砂浆。
这就好比重新看菜谱,按照正确的配方做菜。
2. 施工过程问题的处理。
搅拌不均匀的话,重新搅拌。
要确保搅拌设备正常运行,搅拌时间足够长,把砂浆搅得像巧克力酱一样均匀。
如果是环境因素影响的,对于温度低的情况,可以采取保温措施,像给砂浆盖个“小被子”,用保温材料把它包起来,让它慢慢干。
湿度大的话,可以加强通风,就像给房间开个风扇,把湿气吹走。
砌筑抹灰保温砂浆原材送检及试块留置问题公司标准化编码 [QQX96QT-XQQB89Q8-NQQJ6Q8-MQM9N]砌筑、抹灰、保温砂浆原材送检及试块留置问题一、砌筑、抹灰砂浆(均为干混砂浆)※※1、砌筑:17#、18#楼砌筑砂浆M5.0,内墙专用砂浆,外墙干混砂浆(砌筑砂浆原材送够了);4#地库砌筑砂浆M7.5水泥砂浆;※※2、抹灰:主楼内墙:M15、M20干混砂浆主楼外墙:M10干混砂浆4#地库内墙:M10干混砂浆(M10干混砂浆已送检7组,够了)※※3、原材送检:同一生产企业、同一品种、同一强度等级、同一批号进场的干混砂浆每500t为一批,不足500t,按500t计(砌筑、抹灰干混砂浆均为500t送检一批原材);※※4、砂浆试块送检:砌筑砂浆每100t留置一组砂浆试块;※※5、抹灰砂浆试块送检:同一品种、同一强度等级的抹灰砂浆,每检验批且不超过1000㎡应至少留置一组抗压试块(28天龄期);※※6、室外抹灰工程,每5000㎡应至少取一组实体拉伸粘结强度试件,不足5000㎡,也应取一组(28天龄期)。
→已咨询检测中心,没有规范做不起来。
二、保温砂浆※※1、检验批划分:采用相同材料、工艺和施工做法,每500~1000㎡划分为一个检验批,不足500㎡也划分为一个检验批;※※2、原材料送检:同一厂家同一品种的产品,当工程面积在5000㎡(含)以下时各抽查不少于1次;当工程面积在5000~10000㎡(含)时各抽查不少于2次;当工程面积在10000~20000㎡(含)时各抽查不少于3次;当工程面积在20000㎡(含)以上时各抽查不少于6次;(目前无机保温砂浆、界面砂浆、抗裂砂浆、耐碱网格布各送4组,差两组)※※3、无机轻集料保温砂浆应在施工中制作同条件养护试样,检测其导热系数、干密度、拉伸粘结强度和抗压强度。
每个检验批应抽样制作同条件养护试块3组。
混凝土及砂浆试块留置方案
一、标准养护混凝土试块的留置
1、基础部分
基础筏板、剪力墙和柱、地下室顶板梁没一个部分各留置1组
标准养护的试块。
共3组按非统计方法平定。
2、主体部分
每层各留置一组标准养护的试块,共3组按非统计方法评定二、同条件混凝土试块的留置
本工程主体部分每层梁、板留置一组同条件混凝土试块,具体留置部位:
1、地下室顶板留置1组
2、一层顶板留置1组
3、二层顶板留置1组
4、屋面留置1组
三,模板拆除留置试块
1、地下室顶板留置1组
2、一层顶板留置1组
3、二层顶板留置1组
4、屋面留置1组
四、砂浆试块留置
砂浆试块留置基础及每层楼层各留置1组试块。
砌筑、抹灰、保温砂浆原材送检及试块留置问题砌筑、抹灰、保温砂浆原材送检及试块留置问题一、砌筑、抹灰砂浆(均为干混砂浆)※※1、砌筑:17#、18#楼砌筑砂浆M5.0,内墙专用砂浆,外墙干混砂浆(砌筑砂浆原材送够了);4#地库砌筑砂浆M7.5水泥砂浆;※※2、抹灰:主楼内墙:M15、M20干混砂浆主楼外墙:M10干混砂浆4#地库内墙:M10干混砂浆(M10干混砂浆已送检7组,够了)※※3、原材送检:同一生产企业、同一品种、同一强度等级、同一批号进场的干混砂浆每500t为一批,不足500t,按500t计(砌筑、抹灰干混砂浆均为500t送检一批原材);※※4、砂浆试块送检:砌筑砂浆每100t留置一组砂浆试块;※※5、抹灰砂浆试块送检:同一品种、同一强度等级的抹灰砂浆,每检验批且不超过1000㎡应至少留置一组抗压试块(28天龄期);※※6、室外抹灰工程,每5000㎡应至少取一组实体拉伸粘结强度试件,不足5000㎡,也应取一组(28天龄期)。
→已咨询检测中心,没有规范做不起来。
二、保温砂浆※※1、检验批划分:采用相同材料、工艺和施工做法,每500~1000㎡划分为一个检验批,不足500㎡也划分为一个检验批;※※2、原材料送检:同一厂家同一品种的产品,当工程面积在5000㎡(含)以下时各抽查不少于1次;当工程面积在5000~10000㎡(含)时各抽查不少于2次;当工程面积在10000~20000㎡(含)时各抽查不少于3次;当工程面积在20000㎡(含)以上时各抽查不少于6次;(目前无机保温砂浆、界面砂浆、抗裂砂浆、耐碱网格布各送4组,差两组)※※3、无机轻集料保温砂浆应在施工中制作同条件养护试样,检测其导热系数、干密度、拉伸粘结强度和抗压强度。
每个检验批应抽样制作同条件养护试块3组。
关于同条件试块的留置及送检详细一、承担检测单位应具备的条件承担检测单位分为外委和内有,要求所有的检测材料必须送至省级以上建筑行政主管部门对其资质认可和质量技术监督部门对其计量认证(CMA)的质量检测单位进行检测。
二、取样应符合的规定在取样送检过程中,应按照下列规定进行取样送检,其中未尽事宜应严格按照有关法律、法规、验收规范、技术规程、检测单位制度等执行。
1、钢材、接头取样试验的批量应符合下规定项目品种规格批量样品取样方法及数量钢筋砼的热扎带肋、光圆钢筋同一牌号、同一规格不大于60T为一批在每批材料中任选两根钢筋从中切取。
拉伸:两根40cm 弯曲:两根15cm+5d(d为钢筋直径)钢结构的碳素结构钢、低合金高强度钢同一牌号、同一等级、同一品种、同一尺寸、同一交货状态不大于60T为一批冷轧带肋钢筋同一牌号、同一规格、同一外形、同一生产工艺、同一交货状态不大于60T为一批弯曲试验每批2个,拉伸试验每批1 个钢筋闪光对焊同一台班,同一焊工完成的300个同牌号,同直径接头为一批拉伸:三根40cm 弯曲:三根15cm+5d (弯曲焊接接头外周应磨光)同一台班内焊接数量较少时一周内按累计,若累计仍不足300个接头按一批钢筋电弧焊在现浇砼结构中以同牌号钢筋、同接头类型不大于300个接头为一批,拉伸:三根40cm在房屋结构中,按不超过二楼层中300个同牌号钢筋接头不大于300个接头为一批,不足300个仍按一批钢筋电渣压力焊钢筋气压焊在现浇砼结构中以同牌号钢筋、同接头类型不大于300个接头为一批拉伸:三根40cm在房屋结构中,按不超过二楼层中300个同牌号钢筋接头300个接头为一批,不足300个仍按一批钢筋机械连接同一施工条件、同一批材料、同一等级、同一型式、同一规格不大于500个接头为一批,(现场安装同一楼层不足500个时仍然为一批)2、水泥、粉煤灰取样试验的批量应符合下列规定项目批量样品取样方法及数量水泥同厂家、同等级、同品种、同批号且连续进场的水泥,袋装不超过200T为一批,散装不超过500T为一批,每批抽样不少于1次。
混凝土和砂浆试块留置规定1、 混凝土试件的取样及制作(一)现场搅拌混凝土根据《混凝土结构工程施工质量验收规范》(GB 50204-2002)和《混凝土强度检验评定标准》(GBJ107-87)的规定,用于检查结构构件混凝土强度的试件,应在混凝土的浇筑地点随机抽取。
取样与试件留置应符合以下规定:1、 每拌制100盘但不超过100立方米的同配合比的混凝土,取样次数不得少于一次;2、 每工作班拌制的同一配合比的混凝土不足100盘时,其取样次数不得少于一次;3、当一次连续浇筑超过1000立方米时,同一配合比的混凝土每200立方米取样不得少于一次;4、同一楼层、同一配合比的混凝土,取样不得少于一次;5、每次取样应至少留置一组标准养护试件,同条件养护试件的留置组数应根据实际需要确定。
(二)结构实体检验用同条件养护试件根据《混凝土结构工程施工质量验收....规范》的规定,结构实体检验用用同条件养护试件的留置方式和取样数量应符合以下规定:1、对涉及混凝土结构安全的重要部位应进行结构实体检验,其内容包括混凝土强度、钢筋保护层厚度及工程合同约定的项目等。
2、同条件养护试件应由各方在混凝土浇筑入模处见证取样。
3、同一强度等级的同条件养护试件的留置不宜少于10组,留置数量不应少于3组。
4、当试件达到等效养护龄期时,方可对同条件养护试件进行强度试验。
所谓等效养护龄期,就是逐日累计养护温度达到600℃.d,且龄期宜取14d~60d。
一般情况,温度取当天的平均温度。
(三)预拌(商品)混凝土预拌(商品)混凝土,除应在预拌混凝土厂内按规定留置试块外,混凝土运到施工现场后,还应根据《预拌混凝土》(GB14902-94)规定取样。
1、 用于交货检验的混凝土试样应在交货地点采取。
每100立方米相同配合比的混凝土取样不少于一次;一个工作班拌制的相同配合比的混凝土不足100立方米时,取样也不得少于一次;当在一个分项工程中连续供应相同配合比的混凝土量大于1000立方米时,其交货检验的试样为每200立方米混凝土取样不得少于一次。
关于砂浆试块留置的一些知识点一、最近大家对抹灰砂浆留置试块的要求讨论较多请大家先看看规程的要求:《抹灰砂浆技术规程》JGJ/T 220-2010摘录7 质量验收7.0.1 抹灰工程验收时应按本规程附录B填写质量验收记录表。
7.0.2 抹灰工程验收时应检查下列文件和记录:1 工程施工图、设计说明或其他设计文件。
2 原材料的产品合格证书和性能检测报告、进场验收记录和复验报告。
3 隐蔽工程验收记录。
4 砂浆配合比报告及试块抗压强度检验报告。
5 外墙及顶棚抹灰层拉伸粘结强度检测报告。
6 抹灰工程施工记录。
7.0.3 抹灰工程验收前,各检验批应按下列规定划分:1 相同砂浆品种、强度等级、施工工艺的室外抹灰工程,每1000m2应划分为一个检验批,不足1000m2的,也应划分为一个检验批。
2 相同砂浆品种、强度等级、施工工艺的室内抹灰工程,每50个自然间(大面积房间和走廊按抹灰面积30m2为一间)应划分为一个检验批,不足50间的也应划分为一个检验批。
7.0.4 每个检验批的检查数量应符合下列规定:1 室外每100m2应至少抽查一处,每处不得少于10m2。
2 室内应至少抽查10%,并不得少于3间;不足3间时,应全数检查。
7.0.5 砂浆抗压强度试块应符合下列规定:1 砂浆抗压强度验收时,同一验收批砂浆试块不应少于3组。
2 砂浆试块应在使用地点或出料口随机取样,砂浆稠度应与实验室的稠度一致。
3 砂浆试块的养护条件应与实验室的养护条件相同。
7.0.6 抹灰层拉伸粘结强度检测时,相同砂浆品种、强度等级、施工工艺的外墙、顶棚抹灰工程每5000m2应为一个检验批,每个检验批应取一组试件进行检测,不足5000m2的也应取一组。
《预拌砂浆应用技术规程》摘录6.4 质量验收6.4.1 抹灰工程检验批的划分应符合下列规定:1 相同材料、工艺和施工条件的室外抹灰工程,每1000m2应划分为一个检验批;不足1000m2时,应按一个检验批计。
砌筑、抹灰、保温砂浆原材送检及试块留置问题
一、砌筑、抹灰砂浆(均为干混砂浆)
探※1、砌筑:17#、18#楼砌筑砂浆 M5.0,内墙专用砂浆,外墙干混砂浆(砌筑砂浆原材送够了);
4#地库砌筑砂浆M7.5水泥砂浆;
探※2、抹灰:主楼内墙:M15、M20干混砂浆
主楼外墙:M10干混砂浆
4#地库内墙:M10干混砂浆(M10干混砂浆已送检 7组,够了)
探※3、原材送检:同一生产企业、同一品种、同一强度等级、同一批号进场的干混砂浆每500t为一批,不足500t,按500t计(砌筑、抹灰干混砂浆均为 500t送检一批原材);
探※4、砂浆试块送检:砌筑砂浆每100t留置一组砂浆试块;
探※5、抹灰砂浆试块送检:同一品种、同一强度等级的抹灰砂浆,每检验批且不超过1000 怦应至少留置一组抗压试块(28天龄期);
探※6、室外抹灰工程,每 5000怦应至少取一组实体拉伸粘结强度试件,不足5000怦,也应取一组(28天龄期)。
T已咨询检测中心,没有规范做不起来。
二、保温砂浆
探※1、检验批划分:采用相同材料、工艺和施工做法,每500~1000怦划分为一个检验批,
不足500怦也划分为一个检验批;
探※2、原材料送检:同一厂家同一品种的产品,当工程面积在 5000怦(含)以下时各抽查不少于1次;当工程面积在 5000~10000血2(含)时各抽查不少于 2次;当工程面积在 10000~20000怦(含)时各抽查不少于3次;当工程面积在20000怦(含)以上时各抽查不少于6次;(目前无机保温砂浆、界面砂浆、抗裂砂浆、耐碱网格布各送4组,差两组)
探※3、无机轻集料保温砂浆应在施工中制作同条件养护试样,检测其导热系数、干密度、
拉伸粘结强度和抗压强度。
每个检验批应抽样制作同条件养护试块3组。
[此文档可自行编辑修改,如有侵权请告知删除,感谢您的支持,我们会努力把内容做得更好]。