JGT469_2016年泡沫玻璃外墙外保温系统材料技术要求
- 格式:doc
- 大小:425.50 KB
- 文档页数:19
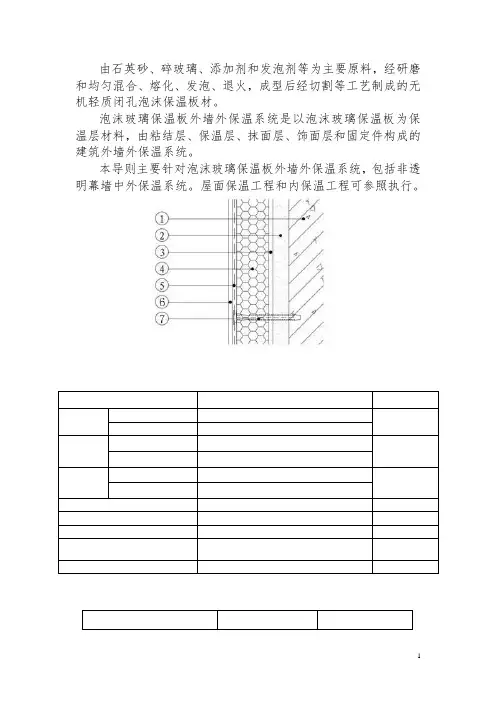
由石英砂、碎玻璃、添加剂和发泡剂等为主要原料,经研磨和均匀混合、熔化、发泡、退火,成型后经切割等工艺制成的无机轻质闭孔泡沫保温板材。
泡沫玻璃保温板外墙外保温系统是以泡沫玻璃保温板为保温层材料,由粘结层、保温层、抹面层、饰面层和固定件构成的建筑外墙外保温系统。
本导则主要针对泡沫玻璃保温板外墙外保温系统,包括非透明幕墙中外保温系统。
屋面保温工程和内保温工程可参照执行。
托架宜采用热镀锌角钢,规格为L30×40×3,M8螺栓固定,螺栓间距为600mm。
角钢应设置在结构的圈梁等混凝土构件上,角钢间的接缝间隙宜为3mm~5mm。
附录A泡沫玻璃保温板表面耐碱质量损失试验方法A.1A.2将试样放置于23±2℃,相对湿度为50±5%的恒温室内,直至间隔24h两次质量之间的变化小于0.1%时,称取试样质量m0。
A.3将内径为45±1mm的塑料圆筒放置于泡沫玻璃试样上,用硅酮密封胶将塑料圆筒与试样表面密封好。
从圆筒开口处注入质量比为5%的氢氧化钠溶液,液面高度20±1mm时停止注液,并将圆筒开口密封,将试样放置于23±2℃,相对湿度为50±5%的恒温室中28d,在此期间应观察液面高度并保证液面高度不变。
A.4试样放置28d后,用蒸馏水清洗试样,清洗时防止水流过急而使泡沫玻璃粉末或颗粒流失。
A.5将清洗后的试样干燥至恒重并冷却至室温,称取试样质量m1,精确至0.001g。
若干燥后试样表面出现泛白现象,则应再次用蒸馏水清洗,直至泛白现象消失后重新干燥称取质量。
A.6表面耐碱质量损失=(m0- m1)/耐碱溶液面积,耐碱溶液面积为直径45mm的圆面积。
制品的单位面积质量损失取3个试样的算术平均值,精确至0.01kg/m2。
附录B泡沫玻璃保温板耐碱抗拉强度试验方法B.1 试样制备同附录A.1B.2 按照JG149中的试验方法将拉拔接头用胶粘剂粘贴于试样上下表面,23±2℃以下是附加文档,不需要的朋友下载后删除,谢谢顶岗实习总结专题13篇教师工作总结专题10篇。
泡沫玻璃保温板外墙外保温系统应用技术导则泡沫玻璃保温板是由石英砂、碎玻璃、添加剂和发泡剂等为主要原料,经研磨和均匀混合、熔化、发泡、退火,成型后经切割等工艺制成的无机轻质闭孔泡沫保温板材。
泡沫玻璃保温板外墙外保温系统是以泡沫玻璃保温板为保温层材料,由粘结层、保温层、抹面层、饰面层和固定件构成的建筑外墙外保温系统。
本导则主要针对泡沫玻璃保温板外墙外保温系统,包括非透明幕墙中外保温系统。
屋面保温工程和内保温工程可参照执行。
1.系统构造与材料性能泡沫玻璃保温板外墙外保温系统主要包括泡沫玻璃保温板、胶粘剂、抹面砂浆、界面剂、耐碱涂覆网布、锚栓、托架等组成,系统及其组成材料性能指标除满足本导则要求之外还应符合相关国家、行业标准要求。
1.1泡沫玻璃保温板外墙外保温系统基本构造(图1.1)图1.1 泡沫玻璃保温板外墙外保温系统基本构造1-基层墙体;2-防水砂浆找平层;3-粘结层;4-泡沫玻璃保温板;5-抹面层(内置玻纤网布);6-饰面层(涂料、柔性面砖等);7-锚栓1.2 泡沫玻璃保温板外墙外保温系统性能泡沫玻璃保温板外墙外保温系统性能应符合表1.2要求。
表1.2 泡沫玻璃保温板外墙外保温系统性能1.3 泡沫玻璃保温板外墙外保温系统组成材料性能1.3.1 泡沫玻璃保温板常用规格尺寸为620mm,宽度470mm,厚度按设计要求。
其尺寸允许偏差应符合表647相关要求。
表1.3.1 泡沫玻璃保温板尺寸允许偏差注:其它规格产品的尺寸允许偏差由双方协商。
1.3.2 泡沫玻璃保温板物理力学性能应符合表表胶粘剂性能应符合表表1.3.3 胶粘剂性能指标抹面砂浆性能应符合表表1.3.4 抹面砂浆性能指标1.3.5 用于基层墙面的界面剂性能应符合《混凝土界面处理剂》JC/T907的要求。
1.3.6 锚栓主要性能指标应符合《外墙保温用锚栓》JG/T366的要求。
1.3.7 玻璃纤维网格布主要性能指标应符合《建筑节能工程施工质量验收规程》DGJ32/19的要求。
泡沫玻璃外墙外保温系统材料技术要求JG/T469-2015发布日期2015年1月20日实施日期2015年7月1日前言本标准按照GB/T1.1-2009给出的规则起草。
本标准由住房和城乡建设部标准定额研究所提出。
本标准由住房和城乡建设部建筑制品与构配件标准化技术委员会归口。
本标准主要负责起草单位:上海市建筑科学研究院(集团)有限公司、浙江振申绝热科技有限公司。
本标准参加起草单位:上海永丽节能墙体材料有限公司、浙江德和绝热科技有限公司、上海建科检验有限公司、匹兹堡康宁(烟台)保温材料有限公司、宁波卫山多宝建材有限公司、瓦克化学(中国)有限公司、上海曙建五金保温材料厂、上海市建筑材料行业协会、福建省产品质量检验研究院、安徽省产品质量监督检验研究院。
本标准主要起草人:时志洋、朱一军、徐颖、张春华、高薇、陶娅龄。
1范围本标准规定了泡沫玻璃外墙外保温系统材料的术语和定义、一般规定、要求、试验方法、检验规则、包装、运输和贮存。
本标准适用于建筑外墙用的泡沫玻璃外保温系统材料。
2规范性引用文件下列文件对于本文件的应用是必不可少的。
凡是注日期的引用文件,仅注日期的版本适用于本文件。
凡是不注日期的引用文件,其最新版本(包括所有的修改单)适用于本文件。
GB/T308.1-2013滚动轴承球第1部分:钢球GB/T5486-2008无机硬质绝热制品试验方法GB/T7689.5-2013增强材料机织物试验方法第5部分:玻璃纤维拉伸断裂强力和断裂伸长的测定GB/T8170数值修约规则与极限数值的表示和判定GB/T9914.3-2013增强制品试验方法第3部分:单位面积质量的测定GB/T10295绝热材料稳态热阻及有关特性的测定热流计法GB/T17146建筑材料水蒸气透过性能试验方法GB/T17671水泥胶砂强度检验方法(ISO法)GB/T20102玻璃纤维网布耐碱性试验方法氢氧化钠溶液浸泡法JC/T647泡沫玻璃绝热制品JG/T157-2009建筑外墙用腻子JG/T366外墙保温用锚栓JG/T429外墙外保温系统耐候性试验方法3术语和定义下列术语和定义适用于本文件。
室外平台泡沫玻璃板保温层施工技术发表时间:2016-11-08T17:14:28.857Z 来源:《基层建设》2016年15期作者:王杰[导读] 摘要:在众多保温隔热材料中,泡沫玻璃保温板是未来最理想的节能环保型保温材料之一,被誉为“不需更换的永久性隔热材料”。
五矿二十三冶建设集团有限公司湖南长沙 410000摘要:在众多保温隔热材料中,泡沫玻璃保温板是未来最理想的节能环保型保温材料之一,被誉为“不需更换的永久性隔热材料”。
关键词:泡沫玻璃板;屋面保温前言:目前国内用于建筑保温隔热的材料一般要求低吸水率、高强度、低膨胀系数,低导热系数等。
目前建筑市场常使用的保温系统主要有XPS、EPS系统,保温性能较差,且不能满足现代建筑的防火、环保要求,材料也容易老化、变形、后期维修成本高。
针对常用保温系统存在的不足,在湖南邵阳地区一个新建的体育馆环形平台屋面保温采用了泡沫玻璃保温板作为保温层,该体育馆包括训练馆、赛事运营、场馆运营办公及配套设施,二层环形大平台上人屋面面积约4000m2,均为泡沫玻璃保温板保温。
一、泡沫玻璃保温板技术特点泡沫玻璃保温板是一种以碎玻璃、添加剂和发泡剂等为主要原料,经熔融、发泡、退火工艺成型,切割后制成的闭孔型泡沫玻璃保温板材。
它既是保冷材料又是保温材料,能适应深冷到较高温度范围等特点。
同时他的价值不仅在于长年使用不会变质,而且本身又起到防火、抗震作用。
在低温深冷、地下工程、易燃易爆、潮湿以及化学侵蚀苛刻环境下使用,不但安全可靠,而且经久耐用。
二、泡沫玻璃的性能指标1.容重轻,密度在120~180kg/m3;2.导热系数低,在0.062 w/m*k以下,导热性能稳定;3.不吸水、不透湿、防渗漏,吸水率小于0.5%左右;4.燃烧性能等级A1;5.不霉变、腐蚀;6.强度高,抗压强度≥0.7Mpa,抗折强度≥O.6Mpa;7.放射性核素限量(Ir)小于1.0;8.物理化学性能稳定,尺寸稳定性小于0.3%。
外墙保温工程施工板材要求1. 板材种类及性能要求外墙保温工程中常用的板材主要有挂网板、挂钩板、泡沫板、硅酸盐板、玻璃镁板等。
这些板材各有特点,适用于不同的施工环境和要求。
在选择板材时,需根据实际施工情况和要求进行综合考虑,选用性能稳定、质量可靠的板材。
挂网板:挂网板是指在板材背面加工成交错的网格孔洞,用以固定钢筋的板材。
挂网板的性能要求主要包括抗拉强度高、防腐耐久、连接牢固等特点。
挂钩板:挂钩板是指在板材背面加工成钩状凸起,用以固定保温层的板材。
挂钩板的性能要求主要包括连接牢固、抗风压性能好、耐久性高等特点。
泡沫板:泡沫板是一种常用的保温材料,主要包括聚苯乙烯泡沫板(EPS板)、挤塑聚苯乙烯泡沫板(XPS板)等。
泡沫板的性能要求主要包括导热系数低、吸水率小、稳定性好等特点。
硅酸盐板:硅酸盐板是一种新型的环保建材,主要由硅酸盐和水泥等原料经过高温蒸养而成。
硅酸盐板的性能要求主要包括耐酸碱、防火阻燃、抗老化等特点。
玻璃镁板:玻璃镁板是一种轻质、高强度的建筑装饰材料,主要由玻璃纤维、氧化镁等原料经过加工而成。
玻璃镁板的性能要求主要包括抗弯抗拉强度高、不易变形、不易老化等特点。
2. 板材施工要求在外墙保温工程施工中,板材的施工要求是确保工程质量的关键之一。
以下是对板材施工要求的具体要求:(1) 板材贴合度:在施工过程中,板材与楼体之间应保持紧密贴合,不得存在空隙和错位现象,确保保温层的连续性和完整性。
(2) 板材固定牢固:在安装板材时,应采用适当的固定方式和材料,确保板材固定牢固,不得出现松动和倾斜现象。
(3) 板材表面平整度:板材表面应平整光滑,不能存在凹凸不平和破损等现象,保证粘接层的牢固性和平整度。
(4) 板材接缝处理:板材的接缝应采用专用的密封剂或胶水进行处理,确保接缝紧密无漏,避免渗水和空气漏失。
(5) 板材裁切尺寸:板材在安装前应按照设计要求进行精确裁切,尺寸应准确无误,确保拼接牢固和美观。
外墙保温系统性能要求和各组成材料性能要求1.1外墙外保温系统的性能指标保温层的拉伸粘结强度不小于0.1MPa,破坏部位应位于保温层地区10次循环,表面无裂纹、空鼓、起泡、剥离现象不透水性抹面层2h不透水试样防护层内侧无水渗透试样防护层内侧无水渗透水蒸气湿流密度--≥0.85g/(m2·h)≥0.85g/(m2·h)耐磨损,500L 砂--无开裂,龟裂或表面保护层剥落,损伤--系统抗拉强度(C 型)--≥0.1MPa并且破坏部位不得位于各层界面--饰面砖粘结强-- ≥0.4MPa --1.2聚苯板粘接剂主要性能指标1.3聚苯板界面剂主要性能指标1.4抹面胶浆主要性能指标1.5聚苯颗粒保温浆料主要性能指标150 200 250 300 350 400 450 500 00 0 吸水率(体积分数)/% ≤1.5≤1.0≤2.≤1.5透湿系数/ng/(Pa·m·s)≤3.5≤3.0≤2.0≤3.5≤3.热阻/ (m2·K)/ W 平均温度10℃≥0.89≥0.93≥0.76≥0.83平均温度25℃≥0.83≥0.86≥0.71≥0.78导热系数/ W/(m ·K)平均温度10℃≤0.028≤0.027≤0.033≤0.030 平均温度25℃≤0.030≤0.029≤0.035≤0.032尺寸稳定性/% ≤2.0≤1.5≤1.0≤2≤1.1.6耐碱玻纤网格布主要性能指标可燃物含量(涂塑量)普通型——≥20g/m2加强型1.7盘型锚钉主要性能指标试验项目性能指标单个锚栓抗拉承载力标准值≥0.30KN单个锚栓对系统传热增加值≤0.004W/(㎡·K) 注:锚栓为尼龙材料,金属膨胀钉经防腐处理。
1.8柔性耐水腻子主要性能指标检测项目标准依据JG158-2004JG/T157-2009 JG/T229-2007容器中状态无结块、均匀施工性刮涂无障碍干燥时间(表干),h ≤5初期干燥抗裂性(6h)无裂纹打磨性手工可打磨吸水量, g/10min ——≤2.0耐水性(96h)无起泡、无开裂、无掉粉/无异常。
泡沫玻璃外墙外保温系统材料技术要求JG/T469-2015发布日期2015年1月20日实施日期2015年7月1日前言本标准按照GB/T1.1-2009给出的规则起草。
本标准由住房和城乡建设部标准定额研究所提出。
本标准由住房和城乡建设部建筑制品与构配件标准化技术委员会归口。
本标准主要负责起草单位:上海市建筑科学研究院(集团)有限公司、浙江振申绝热科技有限公司。
本标准参加起草单位:上海永丽节能墙体材料有限公司、浙江德和绝热科技有限公司、上海建科检验有限公司、匹兹堡康宁(烟台)保温材料有限公司、宁波卫山多宝建材有限公司、瓦克化学(中国)有限公司、上海曙建五金保温材料厂、上海市建筑材料行业协会、福建省产品质量检验研究院、安徽省产品质量监督检验研究院。
本标准主要起草人:时志洋、朱一军、徐颖、张春华、高薇、陶娅龄。
1范围本标准规定了泡沫玻璃外墙外保温系统材料的术语和定义、一般规定、要求、试验方法、检验规则、包装、运输和贮存。
本标准适用于建筑外墙用的泡沫玻璃外保温系统材料。
2规范性引用文件下列文件对于本文件的应用是必不可少的。
凡是注日期的引用文件,仅注日期的版本适用于本文件。
凡是不注日期的引用文件,其最新版本(包括所有的修改单)适用于本文件。
GB/T308.1-2013滚动轴承球第1部分:钢球GB/T5486-2008无机硬质绝热制品试验方法GB/T7689.5-2013增强材料机织物试验方法第5部分:玻璃纤维拉伸断裂强力和断裂伸长的测定GB/T8170数值修约规则与极限数值的表示和判定GB/T9914.3-2013增强制品试验方法第3部分:单位面积质量的测定GB/T10295绝热材料稳态热阻及有关特性的测定热流计法GB/T17146建筑材料水蒸气透过性能试验方法GB/T17671水泥胶砂强度检验方法(ISO法)GB/T20102玻璃纤维网布耐碱性试验方法氢氧化钠溶液浸泡法JC/T647泡沫玻璃绝热制品JG/T157-2009建筑外墙用腻子JG/T366外墙保温用锚栓JG/T429外墙外保温系统耐候性试验方法3术语和定义下列术语和定义适用于本文件。
泡沫玻璃建筑外墙外保温系统施工摘要:运用无机的泡沫玻璃作为保温材料,另外采用的专用粘结剂和专用抹面砂浆使各层弹性模量变化指标匹配,各材料之间能分散和削减变形应力,并通过玻纤网格布作为加强层以改变应力传达方向,使系统具有良好的保温隔热、防火、抗裂等效果。
关键字:泡沫保温玻璃抗裂防火泡沫玻璃建筑外墙外保温系统施工工艺是利用无机保温材料-泡沫玻璃作为主要保温材料的一种新型外保温保温体系的施工方法。
该系统具有良好的墙体保温性能,能有效地解决外墙外保温领域难以解决的透气和界面粘结的技术难题,使保温体系更具可靠性和安全性。
广泛适用于新建、扩建和改建的各类民用和工业建筑外墙。
基层墙体可以是各种砌体和混凝土墙,饰面层采用涂料。
也适用于既有建筑外墙的节能改造以及有特殊热工要求的建筑节能保温防火工程。
下面我就本工艺的施工流程及施工要点给大家做一下简要的介绍。
一、施工准备1基层墙体应符合GB 50204-2002和GB 50203-2002及相应基层墙体质量验收规范的要求,保温施工前应会同相关部门做好结构验收的确认。
如基层墙体偏差过大,则应抹砂浆找平。
2房屋各大角的控制钢垂线安装完毕。
3外墙面的阳台栏杆、水落管托架、外消防梯等安装完毕,并应考虑到保温系统厚度的影响。
4墙面脚手架孔、穿墙孔及墙面缺损处用相应材料修整好。
5混凝土梁或墙面的钢筋头及突起物清除完毕。
6主体结构的变形缝应提前做好处理。
7组织施工队进行技术培训和交底,并进行安全教育。
二、基层处理墙面应清理干净、清洗油渍、清扫浮灰等。
墙面松动、风化部分应剔除干净。
墙表面突起物大于10㎜时应剔除。
墙面应做到处理无遗漏。
砖墙、加气混凝土墙在处理前要先淋水润湿。
三、刷专用界面剂一道为增强泡沫玻璃板与胶粘剂的结合力,粘贴泡沫玻璃板前,在墙面薄薄均匀涂刷专用界面剂,待界面剂晾干后方可涂抹胶粘剂进行泡沫玻璃粘贴施工。
四、吊垂线、弹控制线、放水平线多层建筑,可从顶层用大线坠吊垂直,复测钢垂线的垂直度,绷低碳钢丝找规矩,横向水平线可依据楼层标高或施工+500㎜线为水平基准线进行交圈控制。
JGT469泡沫玻璃外墙外保温系统材料的技术要求随着建筑能效要求的提高,外墙外保温系统作为一种有效的节能措施被广泛应用于建筑领域。
在这个系统中,泡沫玻璃作为一种常用的保温材料,具有良好的绝热性能和稳定的物理化学性质。
本文将重点介绍JGT469泡沫玻璃外墙外保温系统材料的技术要求,以帮助读者更好地了解和使用该材料。
一、泡沫玻璃的物理性能要求泡沫玻璃作为外墙外保温系统的保温材料,其物理性能对系统的整体效果具有重要影响。
JGT469泡沫玻璃材料应具有以下物理性能要求:1. 导热系数:保温材料的导热系数直接影响其绝热效果,JGT469泡沫玻璃的导热系数应小于0.055 W/(m·K)。
2. 总气孔率:泡沫玻璃的总气孔率影响其重量和保温性能,JGT469泡沫玻璃的总气孔率应介于65%~85%之间。
3. 压缩强度:泡沫玻璃外墙外保温系统需要在日常使用中承受一定的压力,JGT469泡沫玻璃的压缩强度应大于0.7 MPa。
4. 弯曲强度:外墙外保温系统的材料需要具备一定的弯曲强度来抵抗外力和变形,JGT469泡沫玻璃的弯曲强度应大于0.6 MPa。
5. 吸水率:泡沫玻璃材料的吸水率直接关系到其使用寿命,JGT469泡沫玻璃的吸水率应小于5%。
二、泡沫玻璃的化学性能要求除了物理性能外,泡沫玻璃的化学性能也是选择材料时需要考虑的重要因素。
JGT469泡沫玻璃材料应满足以下化学性能要求:1. 酸碱性:泡沫玻璃材料在不同环境下需要具备一定的抗酸碱性能,JGT469泡沫玻璃的pH值应在7~11之间。
2. 防潮性:泡沫玻璃材料需要具备良好的防潮性能,以保证其在潮湿环境下不发生质量变化。
JGT469泡沫玻璃的防潮性应满足相关标准的要求。
3. 抗冻融性:外墙外保温系统材料需要具备一定的抗冻融性,以确保在低温环境下不发生破裂和损坏。
JGT469泡沫玻璃应满足相关标准对抗冻融性的要求。
4. 耐候性:泡沫玻璃用于外墙外保温系统时需要具备良好的耐候性,能够抵抗紫外线、氧化、老化等因素的侵蚀。
泡沫玻璃外墙外保温系统材料技术要求JG/T469-2015发布日期2015年1月20日实施日期2015年7月1日前言本标准按照GB/T1.1-2009给出的规则起草。
本标准由住房和城乡建设部标准定额研究所提出。
本标准由住房和城乡建设部建筑制品与构配件标准化技术委员会归口。
本标准主要负责起草单位:上海市建筑科学研究院(集团)有限公司、浙江振申绝热科技有限公司。
本标准参加起草单位:上海永丽节能墙体材料有限公司、浙江德和绝热科技有限公司、上海建科检验有限公司、匹兹堡康宁(烟台)保温材料有限公司、宁波卫山多宝建材有限公司、瓦克化学(中国)有限公司、上海曙建五金保温材料厂、上海市建筑材料行业协会、福建省产品质量检验研究院、安徽省产品质量监督检验研究院。
本标准主要起草人:时志洋、朱一军、徐颖、张春华、高薇、陶娅龄。
1范围本标准规定了泡沫玻璃外墙外保温系统材料的术语和定义、一般规定、要求、试验方法、检验规则、包装、运输和贮存。
本标准适用于建筑外墙用的泡沫玻璃外保温系统材料。
2规范性引用文件下列文件对于本文件的应用是必不可少的。
凡是注日期的引用文件,仅注日期的版本适用于本文件。
凡是不注日期的引用文件,其最新版本(包括所有的修改单)适用于本文件。
GB/T308.1-2013滚动轴承球第1部分:钢球GB/T5486-2008无机硬质绝热制品试验方法GB/T7689.5-2013增强材料机织物试验方法第5部分:玻璃纤维拉伸断裂强力和断裂伸长的测定GB/T8170数值修约规则与极限数值的表示和判定GB/T9914.3-2013增强制品试验方法第3部分:单位面积质量的测定GB/T10294绝热材料稳态热阻及有关特性的测定防护热板法GB/T10295绝热材料稳态热阻及有关特性的测定热流计法GB/T17146建筑材料水蒸气透过性能试验方法GB/T17671水泥胶砂强度检验方法(ISO法)GB/T20102玻璃纤维网布耐碱性试验方法氢氧化钠溶液浸泡法JC/T647泡沫玻璃绝热制品JG/T157-2009建筑外墙用腻子JG/T366外墙保温用锚栓JG/T429外墙外保温系统耐候性试验方法3术语和定义下列术语和定义适用于本文件。
泡沫玻璃板外墙外保温工程技术规程一、引言泡沫玻璃板外墙外保温工程技术规程是指在建筑外墙保温工程中,采用泡沫玻璃板作为保温材料进行施工的相关规范和标准。
随着建筑节能环保意识的不断提高,外墙保温工程在建筑行业中扮演着越来越重要的角色。
而泡沫玻璃板由于其优异的保温性能和环保特性,成为了外墙保温工程中备受瞩目的材料之一。
建立规范的泡沫玻璃板外墙外保温工程技术规程对于保证工程质量和推动行业发展具有重要意义。
二、泡沫玻璃板外墙外保温工程技术规程概述泡沫玻璃板外墙外保温工程技术规程主要包括以下内容:1. 泡沫玻璃板外墙外保温工程的适用范围和目的2. 泡沫玻璃板外墙外保温工程的施工材料和设备要求3. 泡沫玻璃板外墙外保温工程的施工工艺和方法4. 泡沫玻璃板外墙外保温工程的质量和验收标准5. 泡沫玻璃板外墙外保温工程的安全技术和注意事项三、泡沫玻璃板外墙外保温工程技术规程的要求1. 施工材料和设备要求:泡沫玻璃板应具有符合国家标准的质量证明,并且施工现场的相关设备应符合安全、稳定的要求,保证施工过程中的安全性。
2. 施工工艺和方法:在进行泡沫玻璃板外墙外保温工程时,应首先对施工现场进行准确的测量和勘察,制定合理的施工方案。
在施工过程中,应采取科学的施工工艺和方法,确保泡沫玻璃板的固定和连接牢固可靠。
3. 质量和验收标准:泡沫玻璃板外墙外保温工程完成后,需进行严格的质量验收。
应检查泡沫玻璃板的安装是否平整、密实,保证其美观和稳定性。
同时还需要对保温层的厚度和性能进行验收,确保保温效果达到预期。
4. 安全技术和注意事项:在进行泡沫玻璃板外墙外保温工程时,施工人员需严格遵守相关的安全技术规范,做好个人防护工作。
同时还需要注意施工现场的安全环境,确保施工过程中不发生安全事故。
四、我对泡沫玻璃板外墙外保温工程的个人观点和理解作为文章写手,我对泡沫玻璃板外墙外保温工程有着自己的观点和理解。
泡沫玻璃板作为一种新型的绿色环保建筑材料,具有优异的保温隔热性能和耐腐蚀性能,对于建筑节能和环保具有重要意义。
一、编制依据1二、工程概况1三、施工部署1四、施工准备2五、施工工艺31、工艺流程32、施工工艺42.1基层处理42.2粘结剂配制42.3泡沫玻璃保温板安装42.4泡沫玻璃保温板粘贴要求52.5护面层施工52.6防水腻子施工62.7饰面层施工62.8泡沫玻璃外墙保温系统相关节点图6六、质量要求81、一般规定82、主控项目83、一般项目9七、其他注意事项9八、成品保护措施10九、安全保证措施10一、编制依据1、旺西幼儿园工程施工图纸;2、《建筑节能工程施工质量验收规范》GB50411-2007;3、《民用建筑节能工程施工质量验收规程》DGJ32/19-2006;4、《泡沫玻璃绝热制品》JC/T647-2014;5、《泡沫玻璃保温板外墙外保温系统应用技术导则》苏建函科〔2013〕879号;6、《发泡陶瓷保温板保温系统应用技术规程》苏JG/T042-2013;7、《聚合物水泥防水砂浆》JC/T984-2005;8、《外墙保温用锚栓》JG/T366-2012;9《混凝土界面处理剂》JC/T907-2002。
二、工程概况旺西幼儿园工程,位于杨舍镇紫荆路西侧、白芷港南侧,总建筑面积10265.28m2。
幼儿园:框架结构,四层,建筑面积10003.59m2;—层层高4.20m,二层层高3.6m,三层层高3.6m(局部5.4m)、四层层高3.6m,室内外高差0.45m,檐口高度15.0m,建筑总咼18.6mo本工程墙面保温为泡沫玻璃外保温系统,保温类型为外墙内保温,具体做法为(自外至内):聚合物抹面抗裂砂浆(10.00mm)+玻纤网布(3.00)+泡沫玻璃保温板II型+聚合物防水砂浆层(10.00mm)+水泥砂浆找平层(15mm)+240厚页岩砖墙。
三、施工部署1、管理小组项目部成立保温工程管理小组,对保温工程的质量、安全、文明施工进行综合管理。
由项目经理出任组长,技术负责人、质量负责人任副组长,组员有项目施工员、质量员、安全员、资料员、材料员。
泡沫玻璃外墙外保温系统材料技术要求JG/T469-2015发布日期2015年1月20日实施日期2015年7月1日前言本标准按照GB/T1.1-2009给出的规则起草。
本标准由住房和城乡建设部标准定额研究所提出。
本标准由住房和城乡建设部建筑制品与构配件标准化技术委员会归口。
本标准主要负责起草单位:上海市建筑科学研究院(集团)有限公司、浙江振申绝热科技有限公司。
本标准参加起草单位:上海永丽节能墙体材料有限公司、浙江德和绝热科技有限公司、上海建科检验有限公司、匹兹堡康宁(烟台)保温材料有限公司、宁波卫山多宝建材有限公司、瓦克化学(中国)有限公司、上海曙建五金保温材料厂、上海市建筑材料行业协会、福建省产品质量检验研究院、安徽省产品质量监督检验研究院。
本标准主要起草人:时志洋、朱一军、徐颖、张春华、高薇、陶娅龄。
1范围本标准规定了泡沫玻璃外墙外保温系统材料的术语和定义、一般规定、要求、试验方法、检验规则、包装、运输和贮存。
本标准适用于建筑外墙用的泡沫玻璃外保温系统材料。
2规范性引用文件下列文件对于本文件的应用是必不可少的。
凡是注日期的引用文件,仅注日期的版本适用于本文件。
凡是不注日期的引用文件,其最新版本(包括所有的修改单)适用于本文件。
GB/T308.1-2013滚动轴承球第1部分:钢球GB/T5486-2008无机硬质绝热制品试验方法GB/T7689.5-2013增强材料机织物试验方法第5部分:玻璃纤维拉伸断裂强力和断裂伸长的测定GB/T8170数值修约规则与极限数值的表示和判定GB/T9914.3-2013增强制品试验方法第3部分:单位面积质量的测定GB/T10294绝热材料稳态热阻及有关特性的测定防护热板法GB/T10295绝热材料稳态热阻及有关特性的测定热流计法GB/T17146建筑材料水蒸气透过性能试验方法GB/T17671水泥胶砂强度检验方法(ISO法)GB/T20102玻璃纤维网布耐碱性试验方法氢氧化钠溶液浸泡法JC/T647泡沫玻璃绝热制品JG/T157-2009建筑外墙用腻子JG/T366外墙保温用锚栓JG/T429外墙外保温系统耐候性试验方法3术语和定义下列术语和定义适用于本文件。
一、概述1、工程概况工程名称:外墙发泡水泥保温施工工程建设地点:工程范围:图纸包含范围内的保温采用固定全费用单价报价,包工包料施工。
2、施工单位资质要求建筑节能外墙外保温工程专业承包三级及以上资质二、技术标准和要求1、工程规范(一)有关国家法律《中华人民共和国建筑法》、《中华人民共和国劳动法》《中华人民共和国消防法》(二)国家、行业技术标准及管理规定、验收与保养《建筑工程施工质量验收统一标准》GB50300-2000《建设工程项目管理规范》GB/T50326—2006《建筑装饰装修工程质量验收规范》GB50210—2001《民用建筑工程室内环境污染控制规范》GB50325—2001《建筑节能工程验收规范》GB50411-2007国家标准《严寒和寒冷地区居住建设节能设计标准》JGJ26-2010国家标准《民用建筑热工设计规范》GB50176-93国家标准《住宅建筑规范》GB50368-2005国家标准《外墙外保温工程技术规程》JGJ144-2004国家标准《建筑节能工程施工质量验收规范》GB50411-2007《居住建筑节能构造》J08J110《公共建筑节能构造》J09J117建筑外墙用无机防火保温板河北省地方标准DB13/T1704-2013建设部令第143号《民用建筑节能管理规定》全国民用建筑工程设计技术措施—建筑节能专篇—建筑篇注:若以上标准规范版本有更新的执行最新版本。
说明:上述规范、标准、规程仅是本工程建设的最基本要求,并未包括实施中所涉及到的所有规定、标准和规程。
在施工中对于上述未尽事宜按国家和地方现行的规定及施工图纸要求执行。
2、工程技术要求1)本工程由报价人根据现行规范、标准及施工图纸要求进行报价。
2)实际工程中使用的材料必须经甲方认可后方可用于工程中。
3)报价人应保证工程质量,保证材料质量、规格与数量,满足设计和施工现场要求。
3、材料要求1)“水泥发泡保温板”(1)省及衡水市相关备案材料。
泡沫玻璃外墙外保温系统材料技术要求JG/T469-2015发布日期2015年1月20日实施日期2015年7月1日、八、-前言本标准按照GB/T1.1-2009 给出的规则起草。
本标准由住房和城乡建设部标准定额研究所提出。
本标准由住房和城乡建设部建筑制品与构配件标准化技术委员会归口。
本标准主要负责起草单位:上海市建筑科学研究院(集团)有限公司、浙江振申绝热科技有限公司。
本标准参加起草单位:上海永丽节能墙体材料有限公司、浙江德和绝热科技有限公司、上海建科检验有限公司、匹兹堡康宁(烟台)保温材料有限公司、宁波卫山多宝建材有限公司、瓦克化学(中国)有限公司、上海曙建五金保温材料厂、上海市建筑材料行业协会、福建省产品质量检验研究院、安徽省产品质量监督检验研究院。
本标准主要起草人:时志洋、朱一军、徐颖、张春华、高薇、陶娅龄。
1 范围本标准规定了泡沫玻璃外墙外保温系统材料的术语和定义、一般规定、要求、试验方法、检验规则、包装、运输和贮存。
本标准适用于建筑外墙用的泡沫玻璃外保温系统材料。
2 规范性引用文件下列文件对于本文件的应用是必不可少的。
凡是注日期的引用文件,仅注日期的版本适用于本文件。
凡是不注日期的引用文件,其最新版本(包括所有的修改单)适用于本文件。
GB/T308.1-2013 滚动轴承球第1 部分:钢球GB/T5486-2008无机硬质绝热制品试验方法GB/T7689.5-2013 增强材料机织物试验方法第5部分:玻璃纤维拉伸断裂强力和断裂伸长的测定GB/T8170数值修约规则与极限数值的表示和判定GB/T9914.3-2013 增强制品试验方法第3部分:单位面积质量的测定GB/T10295绝热材料稳态热阻及有关特性的测定热流计法GB/T17146建筑材料水蒸气透过性能试验方法GB/T17671水泥胶砂强度检验方法(ISO法)GB/T20102玻璃纤维网布耐碱性试验方法氢氧化钠溶液浸泡法JC/T647泡沫玻璃绝热制品JG/T157-2009建筑外墙用腻子JG/T366外墙保温用锚栓JG/T429外墙外保温系统耐候性试验方法3术语和定义下列术语和定义适用于本文件。
泡沫玻璃外墙外保温系统材料技术要求JG/T469-2015发布日期2015年1月20日实施日期2015年7月1日前言本标准按照GB/T1.1-2009给出的规则起草。
本标准由住房和城乡建设部标准定额研究所提出。
本标准由住房和城乡建设部建筑制品与构配件标准化技术委员会归口。
本标准主要负责起草单位:上海市建筑科学研究院(集团)有限公司、浙江振申绝热科技有限公司。
本标准参加起草单位:上海永丽节能墙体材料有限公司、浙江德和绝热科技有限公司、上海建科检验有限公司、匹兹堡康宁(烟台)保温材料有限公司、宁波卫山多宝建材有限公司、瓦克化学(中国)有限公司、上海曙建五金保温材料厂、上海市建筑材料行业协会、福建省产品质量检验研究院、安徽省产品质量监督检验研究院。
本标准主要起草人:时志洋、朱一军、徐颖、张春华、高薇、陶娅龄。
1范围本标准规定了泡沫玻璃外墙外保温系统材料的术语和定义、一般规定、要求、试验方法、检验规则、包装、运输和贮存。
本标准适用于建筑外墙用的泡沫玻璃外保温系统材料。
2规范性引用文件下列文件对于本文件的应用是必不可少的。
凡是注日期的引用文件,仅注日期的版本适用于本文件。
凡是不注日期的引用文件,其最新版本(包括所有的修改单)适用于本文件。
GB/T308.1-2013滚动轴承球第1部分:钢球GB/T5486-2008无机硬质绝热制品试验方法GB/T7689.5-2013增强材料机织物试验方法第5部分:玻璃纤维拉伸断裂强力和断裂伸长的测定GB/T8170数值修约规则与极限数值的表示和判定GB/T9914.3-2013增强制品试验方法第3部分:单位面积质量的测定GB/T10295绝热材料稳态热阻及有关特性的测定热流计法GB/T17146建筑材料水蒸气透过性能试验方法GB/T17671水泥胶砂强度检验方法(ISO法)GB/T20102玻璃纤维网布耐碱性试验方法氢氧化钠溶液浸泡法JC/T647泡沫玻璃绝热制品JG/T157-2009建筑外墙用腻子JG/T366外墙保温用锚栓JG/T429外墙外保温系统耐候性试验方法3术语和定义下列术语和定义适用于本文件。
3.1泡沫玻璃板由熔融玻璃发泡制成的具有闭孔结构的硬质绝热板材。
3.2泡沫玻璃外墙外保温系统由泡沫玻璃板、胶粘剂、厚度为4mm~7mm的抹面胶浆、玻璃纤维网布及饰面材料等组成,用于建筑物外墙外侧,与基层墙体采用粘结方式,必要时采用锚栓、托架进行辅助固定的保温系统。
3.3基层墙体建筑物中起承重或围护作用的外墙墙体。
注:基层墙体可以是混凝土墙体或各种砌体墙体。
3.4胶粘剂由水泥基胶凝材料、高分子聚合物材料以及填料和添加剂等组成,用于泡沫玻璃板与基层墙体之间的粘结。
3.5抹面层采用抹面胶浆复合玻璃纤维网布抹在泡沫玻璃板外表面,保护泡沫玻璃板并起抗裂、防水和抗冲击等作用的抹灰构造层。
3.6抹面胶浆由水泥基胶凝材料、高分子聚合物材料以及填料和添加剂等组成,具有一定变形能力和良好粘结性能的抹面材料。
3.7玻璃纤维网布表面经高分子材料涂覆处理、具有耐碱功能的网状玻璃纤维织物,作为增强材料内置于抹面胶浆中,用以提高抹面层的抗裂性。
3.8饰面层泡沫玻璃外墙外保温系统的外装饰构造层,对泡沫玻璃外墙外保温系统起装饰和保护作用。
当采用涂装材料做饰面层时,涂装材料包括建筑涂料、饰面砂浆、柔性饰面砖等。
3.9防护层由抹面层和饰面层共同组成的对泡沫玻璃板起保护作用的面层,用以保证泡沫玻璃外墙外保温系统的机械强度和耐久性。
3.10配件与泡沫玻璃外墙外保温系统配套使用的附件,如密封胶、密封条、护角、盖口条、托架、锚栓等。
3.11托架设在泡沫玻璃保温板底部,与基层墙体相连接,起承托作用的固定件。
3.12锚栓由膨胀件和膨胀套管组成,或仅由膨胀套管构成,依靠膨胀产生的摩擦力或机械锁定作用连接保温系统与基层墙体的机械固定件。
4一般规定4.1泡沫玻璃外墙外保温系统的基本构造应符合表1的要求。
表1泡沫玻璃外墙外保温系统基本构造4.2泡沫玻璃外墙外保温系统的各种组成材料宜配套供应,所使用的涂装材料和配件宜与泡沫玻璃外墙外保温系统性能相容,并应符合下列规定:a)饰面层应选用涂装饰面,宜采用涂料或柔性饰面砖,并应符合国家现行相关标准的要求;b)宜使用柔性腻子,且性能应符合JG/T157-2009表1中规定的柔性外墙用腻子的要求;c)应根据基层墙体的类别选用不同类型的锚栓,锚栓应符合JG/T366的要求。
不宜采用敲击式锚栓;d)托架、密封胶、密封条、护角、盖口条等配件,应分别符合相应产品标准的要求。
5要求5.1泡沫玻璃外墙外保温系统泡沫玻璃外墙外保温系统性能应符合表2要求。
表2泡沫玻璃外墙外保温系统性能指标5.2胶粘剂胶粘剂的性能应符合表3的要求。
表3胶粘剂性能指标5.3泡沫玻璃板泡沫玻璃板的性能、外观质量和尺寸允许偏差应分别符合表4、表5和表6的要求。
表4泡沫玻璃板性能指标表5泡沫玻璃板外观质量表6泡沫玻璃板尺寸允许偏差5.4抹面胶浆抹面胶浆的性能应符合表7的要求。
表7抹面胶浆性能指标5.5玻璃纤维网布玻璃纤维网布的性能应符合表8的要求。
表8玻璃纤维网布性能指标6试验方法6.1养护条件及试验环境标准养护条件为空气温度(23±2)℃,相对湿度(50±5)%。
除耐候性试验外,其余项目试验环境为空气温度(23±5)℃,相对湿度(50±10)%。
6.2数值修约在判定测定值或其计算值是否符合标准要求时,应将测试所得的测定值或其计算值与标准规定的极限数值作比较,比较的方法采用GB/T8170中规定的修约值比较法。
6.3泡沫玻璃外墙外保温系统6.3.1试样制备6.3.1.1按受检方提供的泡沫玻璃外墙外保温系统构造和施工方法制作系统试样。
6.3.1.2耐候性试样在试验墙上制作。
6.3.1.3其他试样在泡沫玻璃板上制作并在标准养护条件下养护28d。
试样由泡沫玻璃板和防护层构成,如果不止使用一种饰面材料(如果仅颗粒大小不同,可视为同种类材料),应按不同种类的饰面材料分别制样。
6.3.2耐候性耐候性试验按JG/T429中的规定进行。
6.3.3吸水量6.3.3.1仪器设备试验用仪器设备应符合下列要求:a)电子天平,分度值0.01g;b)钢直尺,分度值1mm。
6.3.3.2试样试样应符合下列要求:a)试样尺寸200mm×200mm,抹面层和饰面层的厚度应符合6.3.1中受检方提供的外保温系统构造规定。
试样数量为3个;b)试样在标准养护条件下养护到期后,将试样四周(包括保温材料)做密封防水处理,然后进行试验。
6.3.3.3试验过程用钢直尺分别测量试样防护层一面的长度和宽度,称量试样初始质量m0。
然后将试样防护层朝下平稳地完全浸入室温水中。
试样浸水1h后取出,在1min内擦去表面水分,称量浸水后试样质量m1。
6.3.3.4试验结果吸水量应按式(1)计算,试验结果为3个试验数据的算术平均值,精确至1g/m2:式中:M——吸水量,单位为克每平方米(g/m2);m1——浸水后试样质量,单位为克(g);m0——浸水前试样质量,单位为克(g);A——试样表面浸水部分的面积,单位为平方米(m2)。
6.3.4抗冲击性6.3.4.1仪器设备试验用仪器设备应符合下列要求:a)钢球:符合GB/T308.1-2013的规格要求,分别为:1)公称直径50.8mm的高碳铬轴承钢钢球,质量为(535±3)g;2)公称直径63.5mm的高碳铬轴承钢钢球,质量为(1045±5)g。
b)抗冲击仪:由落球装置和带有刻度尺的支架组成,分度值0.01m。
6.3.4.2试样试样应符合下列要求:a)试样尺寸宜不小于600mm×400mm。
试样由保温层和防护层构成,防护层中抹面层和饰面层的厚度应符合6.3.1中受检方提供的外保温系统构造规定。
试样分为单层网试样和双层网试样。
单层网试样抹面层中应铺设一层玻璃纤维网布,双层网试样抹面层应铺设一层普通型玻璃纤维网布和一层加强型玻璃纤维网布。
b)试样数量:单层网试样:1件,用于3J级抗冲击试验;双层网试样:1件,用于10J 级抗冲击试验。
6.3.4.3试验过程试验按下列规定进行:a)将试样饰面层向上,水平放置在抗冲击仪的基底上,试样紧贴基底;b)单层网试样用公称直径为50.8mm的钢球在球的最低点距被冲击表面的垂直高度为0.57m上自由落体冲击试样(3J级);双层网试样用公称直径为63.5mm的钢球在球的最低点距被冲击表面的垂直高度为0.98m上自由落体冲击试样(10J级);c)每一级别冲击10处,冲击点间距及冲击点与边缘的距离应不小于100mm,试样表面冲击点及周围出现裂缝视为冲击点破坏。
6.3.4.4试验结果3J级试验10个冲击点中破坏点小于4个时,判定为3J级。
10J级试验10个冲击点中破6.3.5耐冻融6.3.5.1仪器设备试验用仪器设备应符合下列要求:a)冰箱,精度能达到(-20±2)℃;b)电子拉力机,应有适宜的灵敏度和量程,并应通过适宜的连接方式不产生任何弯曲应力,以(5±1)mm/min速度对试样施加拉拔力。
应使最大破坏荷载处于仪器量程的20%~80%范围内,试验机精度为1%。
6.3.5.2试样试样应符合下列要求:a)试样由保温层和防护层构或,试样尺寸宜不小于300mm×300mm,保温层的厚度应至少为40mm,抹面层和饰面层的厚度应符合6.3.1中受检方提供的外保温系统构造规定。
试样数量为3个。
b)试样在标准养护条件下养护28d,然后将试样四周(包括保温材料)做密封防水处理。
6.3.5.3试验过程试验按下列规定进行:a)进行30次冻融循环,每次浸泡结束后,取出试样,用湿毛巾擦去表面明水。
每3次循环后观察试样是否出现可见裂缝、粉化、空鼓或剥落等现象,并记录其数量、尺寸和位置。
当试验过程需中断时,试样应在(—20±2)℃条件下存放。
冻融循环条件如下:1)在室温水中浸泡8h,试样防护层朝下,浸水深度应为试样防护层的厚度;2)在(-20±2)℃的条件下冷冻16h。
b)冻融循环结束后,在标准养护条件下状态调节7d。
c)外观检查:目测检查试样有无可见裂缝、粉化、空鼓、剥落等现象。
有裂缝、粉化、空鼓、剥落等情况时,记录其数量、尺寸和位置。
d)按下列规定进行拉伸粘结强度测试:1)在每个试样上距边缘不小于100mm处各切割2个试件,试件尺寸为50mm×50mm或直径50mm,数量共6块。
以合适的胶粘剂将两个刚性平板或金属板分别粘贴在试件上下表面。
2)将试件安装到适宜的拉力机上,进行拉伸粘结强度测定,拉伸速度为(5±1)mm/min。
记录每个试件破坏时的拉力值和破坏状态。