吉利剃须刀共10页文档
- 格式:docx
- 大小:18.16 KB
- 文档页数:10
吉列感应刮胡刀(Gillette’s Sensor)1989年年初,吉列刮胡刀欧美事业部的John Symons 总裁检视感应刮胡刀的策略计划(参考表1)。
经过十年以上的开发,吉列公司已在这计划上投下7千5百万美元以上的研究开发费,及5千万的资本设备。
距离感应刮胡刀上市时间已不到一年,若公司采行Symons的提案,会花费更多的上市费用。
更进一步而言,Symons打算制作1亿美元以上的全球性广告宣传,同时要在波士顿及德国的柏林各盖1座工厂。
为了上市及建立存货,吉列公司可能要再花1亿5千万美元。
许多人对Symons的计划采取怀疑的态度,有些人认为吉列公司应该采用更渐进的方式推出感应,先从某些市场开始,评估市场反应,据此调整市场活动,逐渐建立对产品的认知,如此一来,也许可以降低一半以上的上市成本。
有些人担心产品竞蚀问题,因为Gillette’s Atra与Good News!刮胡刀刚在去年创下销售高峰,且分别在卡式及可丢弃式市场中的居领导地位,怀疑在1990年1月推出新产品可能太早了些。
有些人甚至认为低成本的可丢弃式刮胡刀已逐渐取代卡式,怀疑为何还要如此地重视较先进(较昂贵)的卡式刮胡刀。
诚如某位经理所言:“问题是你是否将鸡蛋放在一个篮子里,或是认为刮胡刀是一个分隔的市场。
”1988年年初,吉列总公司的Colman Mockler最高管理经营者(CEO)任命Symons就任现职,正在密切监督上市事宜。
麦克乐认为风险管理是吉列公司的优势之一,他说:“我们很谨慎,我们积极追求机会,避免过度冒险。
”Symons并不认为他的上市计划会“过度冒险”。
然而,他的确了解管理阶层要求感应必须很明显地领先市场,以规避不满的股东加压力。
湿刮胡刀产业虽然刮胡子的历史可追溯至古埃及,但是直到20世纪初期,每天刮胡子才变得普遍。
第一把刮胡刀是“湿的”,意指用水、肥皂或是其他刮胡子的用品,以便能平滑地刮过表面。
随着电力的发现,发明了“乾”(电动)刮胡刀。
吉列锋速5剃须刀质检报告
【实用版】
目录
1.吉列锋速 5 剃须刀概述
2.质检报告内容
3.质检结果分析
4.用户评价及建议
正文
【吉列锋速 5 剃须刀概述】
吉列锋速 5 剃须刀是一款广受男性消费者喜爱的剃须刀,以其高效的剃须效果和舒适的使用体验而著称。
该款剃须刀采用手动和动力两种模式,提供多种刀头以满足不同用户的需求,是许多男性消费者的首选。
【质检报告内容】
根据质检报告,吉列锋速 5 剃须刀在设计和性能方面均符合相关标准。
报告对剃须刀的刀片质量、剃须效果、噪音、使用寿命等方面进行了详细的测试,结果显示所有指标均达到或超过标准要求。
【质检结果分析】
从质检报告来看,吉列锋速 5 剃须刀在各方面的表现都较为出色。
刀片质量过硬,剃须效果显著,噪音低,使用寿命长,能够满足消费者的日常剃须需求。
【用户评价及建议】
尽管吉列锋速 5 剃须刀在质检报告中表现优秀,但仍有部分消费者反映使用过程中出现刀头卡顿、不易清洗等问题。
建议在使用过程中注意刀头的保养和清洗,同时根据自己的需求选择合适的刀头和模式,以获得
更好的剃须体验。
综上所述,吉列锋速 5 剃须刀在设计和性能方面都达到了较高的标准,可以作为消费者的剃须首选。
案例一:吉列感应刮胡刀1989年年初,吉列刮胡刀欧美事业部的John Symons总裁检查感应刮胡刀的策略计划. 经过十年以上的开发,吉列公司已在这个计划上投下了7500万美元以上的研究开发费和5000万美元的设备费.距离感应刮胡刀上市时间已不到一年,若公司采用Symons的提案,会花费更多的上市费用.Symons打算制作1亿美元以上的全球性广告宣传,同时要在波士顿及德国的柏林各盖1座工厂.为了上市及建立存货,吉列公司可能要再花1亿5千万美元.许多人对Symons的计划持怀疑的态度,有些人认为吉列公司应采取更渐进的方式推出感应,先从某些市场开始,评估市场反应,据此调整市场活动,逐渐建立对产品的认识,如此一来,也许可以降低一半以上的上市成本.有些人担心产品竞蚀问题,因为吉列的Atra和Good News刮胡刀刚在去年创下销售高峰,且分别在卡式及可丢弃式市场中居领先地位,他们怀疑在1990年1月推出新产品可能太早了些.有些人甚至认为低成本的可丢弃刮胡刀已逐渐取代卡式,怀疑为何还要如此重视较先进(较昂贵)的卡式刮胡刀.诚如某位经理所言"问题是你是否将鸡蛋放在一个篮子里,或认为刮胡刀是一种分隔的市场."湿刮胡刀产业虽然刮胡子的历史可追溯到古埃及,但是直到20世纪初期,每天刮胡子才变得普遍起来.第一把刮胡刀是湿的,即需要用水,肥皂等以便能平滑地刮过表面.随着电子技术的进步,发明了干(电动)刮胡刀.因为电动刮胡刀不会留下割痕,所以比湿刮胡刀安全,但是电动刮胡子比较贵,而且无法紧贴,比较刮不干净.虽然在五十年代电动刮胡刀的市场占有率大幅增加,但是从此之后未再有进展.1989年,约30%的美国男人使用干刮胡刀.湿刮胡刀原则上可分为可替换刀片的卡式刮胡刀及当刀变钝时就丢掉的可丢弃式刮胡刀.在意紧贴的顾客偏爱卡式,低于30岁的男性及女性(约占美国使用刮胡人口的30%)对价格较敏感,偏好可丢弃式.美国1988年时,在销售量方面,可丢弃刮胡刀占湿刮胡刀的比率已成长至57%,销售额则增加至41%.第二种区分湿刮胡刀市场的方法是分为刀柄与刀片.预计1989年美国的刮胡刀总销售额为7亿8千万美元,其中包括1千4百万支刀柄(4千万美元)及24亿片刀片(7亿4千万美元).欧洲市场甚至比美国市场更大.预计欧美市场(包括北美及西欧)的总销售额为18亿美元,约占全球市场的75%.预计销售额每年增加4%.逢从20 世纪初成立以来,吉列一直在湿刮胡刀产业领先,过去30年销售额占美国市场的60%以上,1988年,销售额为市场总销售额的62%,其中卡式32%,可丢弃式24%,及其他刀片(包括双刃刀片)6%.吉列公司在相当重要的欧洲市场的地位,大概和美国市场差不多,甚至还要好些.总之,欧美市场占吉列公司刮胡刀与刀片销售额的70%,营运收益的75%.虽然吉列公司维持着市场的领导地位,但是竞争偶尔也很激烈.1989年在美国市场最大的2家竞争者分别为生产卡式及可丢弃式市场的舒适(Schick),与只生产可丢弃式的BIC公司。
电动刮胡刀使用说明书尊敬的用户:感谢您选择使用我们的电动刮胡刀。
为了确保您正确、安全地使用该产品,我们特别为您提供了以下的使用说明书。
请您仔细阅读并按照说明进行操作。
第一部分:产品概述1. 产品外观及配置我们的电动刮胡刀外观精美,手柄采用人体工学设计,舒适握持。
刀头采用高强度不锈钢材质,具有很好的耐磨性和切割性能。
产品包含主机、充电器、刀头保护罩和清洁刷等配件。
2. 产品特点(在这里列举产品的主要特点,如刀头高速旋转、双刀网设计、潮湿或干湿两种刮胡方式等)第二部分:使用前须知1. 充电(说明充电前的注意事项,如首次充电时间、充电指示灯的显示等)2. 刀头安装(描述刀头如何正确安装,包括拆卸刀头保护罩、安装刀头时的角度和注意事项等)3. 清洁与维护(介绍清洁刀头的方法和频率,以及如何清洁机身、保养电池等)第三部分:使用步骤1. 准备工作(如洗净脸部、涂抹剃须膏等)2. 开机与刮胡(说明如何打开电源开关、掌握正确的刮胡技巧、不易发生伤害的刮胡姿势等)3. 收尾与清洁(介绍使用完毕后的清洁步骤,包括刀头、机身的清洁等)第四部分:常见问题解答1. 使用过程中刺痛或不适怎么办?(列举可能的原因,如刀头损坏、刮胡姿势不正确等,并给出解决方法)2. 充电指示灯不亮或闪烁怎么办?(指导用户检查充电器、充电接口是否正常,或联系售后服务)3. 刀头寿命如何判断?何时更换?(介绍刀头的使用寿命、如何判断刀头是否需要更换等)第五部分:安全警示1. 使用时的安全事项(提醒用户不可将产品浸入水中、不可与火源接触等)2. 孩童禁用(警示用户,刮胡刀不适用于儿童使用)3. 电源注意事项(说明使用正确的充电器,避免电源故障或电池短路等)最后,请您在使用电动刮胡刀之前仔细阅读本使用说明书,并按照说明进行正确操作。
如有任何疑问或问题,请您联系我们的客服热线,我们将竭诚为您提供解答与帮助。
感谢您对我们产品的信任与支持!祝您使用愉快!此致,[公司名称]。
电动剃须刀说明书标题:电动剃须刀说明书正文:尊敬的顾客,感谢您选择我们的电动剃须刀。
为了让您更好地了解和使用我们的产品,请仔细阅读以下说明。
一、产品概述我们的电动剃须刀是一款采用先进刀片技术和高性能电机的理想剃须工具。
它既适用于干剃,也适用于湿剃,能够有效地剃去胡须,为您带来舒适的剃须体验。
二、主要特点1. 超薄设计:刀头和剃须网采用超薄结构,提供更贴近皮肤的剃须效果,减少不适感。
2. 高性能电机:采用高转速电机,提供强劲的动力输出,确保顺畅的剃须效果。
3. 多功能显示屏:显示屏上可以清晰地看到当前剃须状态、剩余电量和儿童锁定状态等信息,方便您掌握使用情况。
4. 快速充电:支持快速充电功能,只需短时间充电即可继续使用。
5. 防水设计:具备良好的防水性能,方便清洗和湿剃使用。
三、产品使用1. 开机与关机:长按电源键2秒开机,再次长按2秒即可关机。
2. 剃须模式选择:按下剃须模式调节键,可切换干剃和湿剃模式。
3. 剃须步骤:(1) 使用前请确保刀头和剃须网的完好性和清洁度。
(2) 将刀头轻轻贴近皮肤,不需过度用力。
(3) 轻轻移动刀头,顺着脸部轮廓进行剃须。
(4) 剃须完毕后,关闭电源,清洗刀头和剃须网。
四、注意事项1. 请勿将电动剃须刀置于儿童易触及的地方,避免意外伤害。
2. 如发现皮肤出现过敏或刀头不适,请立即停止使用并咨询专业人士。
3. 请勿将电动剃须刀浸入水中清洗,仅需将刀头和剃须网取下后用清水冲洗即可。
4. 如长时间不使用,请将电动剃须刀存放在干燥通风的地方,并定期清洗刀头和剃须网。
五、服务与售后我们提供一年的免费质保服务,如在使用过程中遇到任何问题,请联系我们的客服中心或到当地授权维修点进行维修。
六、环保提示请注意正确处理剃须刀的电池和包装物,避免对环境造成污染。
本说明书仅供参考,如有任何疑问,请联系我们的客服中心或查阅我们的官方网站。
再次感谢您选择我们的电动剃须刀,祝您使用愉快!厂家名称。
一、前言二、公司简介三、吉利剃须刀取胜理念四、市场分析1.竞争环境分析2.消费人群分析3.品牌分析五、产品特点六、产品的推广策略 1.市场态势2.推广目的3.推广实录七、产品原有广告的媒体策略八、产品的广告媒体分析1.卫生间广告调查与分析2.户外广告调查与分析3.杂志广告调查与分析4.POP广告调查与分析九、公关活动策略前言吉列在中国市场上最著名的要属由“万人迷”小贝代言的锋速3(Mach 3)了,它于1997年投产,迅速占领国际市场。
它的旋转刀头配合双层刀片,刮得更干净、更贴面;双层刀片安装在刀头内,更换时更简便、更安全;渐近式3刀片设计,逐步贴近您的胡根,每刮一次都有更贴面的感受;顺贴,减少回刮,更减低回刮所引起的敏感;独有CLC刃口,每一片刀片都拥有独一无二DLC刃口,所以MACH3能刮得更顺滑,更舒服。
在中国,吉列就是手动剃须刀的“东方不败”。
公司简介吉列早在1998年就已经进入了中国市场,其产品的质量、信誉也已经得到了广大中国消费者的认可。
吉列是男士护理方面领先的公司,产品包括剃须刀、刀片及其他剃须辅助品。
同时,在某些女性护理产品(如脱毛产品方面),吉列也处于世界领先地位。
迄今,在中国市场,吉列品牌的剃须产品主要包括:锋速三系列,超级感应系列,感应系列,超滑旋转系列,超滑固定系列,威锋系列,超级蓝吉列双面系列,飞鹰系列,犀牛双面系列等;吉列女士专用刀架、刀片Venus,吉列女士超级感应系列等。
个人护理产品主要包括:吉列男士护理系列(须前、须后),吉列刮胡泡系列等。
吉利剃须刀取胜理念:以数量而论生产个人护理用品的吉利公司虽然还没有进入世界500强,但它的知名度却历来都很高,因为每天全球有数千万男人在使用吉利安全剃须刀。
许多人都知道吉利公司是靠生产和销售安全剃须刀起家的,但人们往往有一个误解,以为吉利发明了安全剃须刀,获得了专利垄断权,才能最终成为跨国大公司。
在19世纪末的几十年,美国有关安全剃须刀方面的专利有几十个,吉利只是其中之一,。
试用吉列Gillette锋隐致护——剃须刀再进化打开今日头条,查看视频精彩内容吉列Gillette锋隐致护——剃须刀再进化产品优点:剃须干净,过程舒适。
吉列剃须刀百年王者地位无人能撼,吉列仍然创新不断,进化了一代又一代的剃须刀,让用户亦步亦趋地跟随吉列的脚步,让面子工程愈发光鲜亮丽。
产品缺点:吉列名头响亮,产品局限也很明显:剃须要用水,耗材刀头小贵。
剃须要用水,不能干剃。
刀头2、3个月就得换,显然比不上传说中的倚天剑屠龙刀经久耐用,要做吉列的粉丝,经费源远流长。
规避吉列耗费最好的办法,是像股神巴菲特那样做吉列的股东,既是消费者,也企业盈利获益者。
刻意留了十几天的胡子,感觉有点“古意”了,胡子这么长了再剃,怕有点疼吧?试用吉列Gillette锋隐致护,结果很满意,剃须流畅轻松,完全没有刮擦不适感,刮完胡须面部肌肤感觉很清爽。
吉列Gillette锋隐致护,又是新一代吉列的刀头。
5层超薄渐进式弹性刀片。
刃前刃后都有黄色的润滑条。
吉列Gillette锋隐致护,剃须护肤二合一的吉列剃须啫喱。
按压出来时淡蓝色的。
剃须啫喱可以润滑皮肤,软化胡须,让剃须过程顺滑舒适。
吉列Gillette锋隐致护,相较于最老款的剃须泡沫,新款啫喱水起泡不多,只需一点点就能涂抹很大面积。
吉列Gillette锋隐致护剃须刀,锋隐啫喱。
吉列Gillette锋隐致护包装背面有新款剃须刀技术说明。
我的几种吉列剃须泡沫。
橙色的是吉列最新款的二合一剃须啫喱。
吉列Gillette锋隐致护我的历任吉列Gillette剃须刀。
不记得用过多少把吉列。
吉列剃须刀一直是手动剃刀的领袖,小小一把剃须刀也能一直革新迭代,让最新科技与剃须结合,令剃须更舒适自如,让用户一直追随,这是吉列Gillette的本事。
吉列Gillette锋隐致护剃须刀的logo在最下部。
剃须刀手柄有防滑胶条。
吉列Gillette锋隐“顺贴球”刀架。
随着面部轮廓旋转。
更贴合,剃须无死角。
吉列感应刮胡刀案例分析报告1.公司背景 (3)2.吉列感应刮胡刀上市背景 (3)二、企业的创新1、创新对于企业的重要性 (3)2、吉列的创新 (3)3、创新战略 (4)4、创新的果实 (4)三、广告策略1.广告投入中之魄力 (4)2.广告的效应 (4)3.品牌之宣传 (4)四、竞争对手1.相关企业的不同类型占市场份额 (5)2.具体分析对比 (5)五、多角化经营1.多角化经营分析 (6)2.吉列的多角化 (6)3.成功案例 (6)4. 经验总结 (6)六、组员心得体会1、公司背景吉列(Gillette)公司总部设于波士顿的吉列(Gillette)公司成立于1901年,主要生产剃须产品、电池和口腔清洁卫生产品。
提到“吉列”,人们就会想到世界上最好的剃具。
到1917年,吉列公司在美国国内的市场占有率已达80%,奠定了其在刮胡刀领域的领导地位。
自20年代开始,吉列公司逐渐进入国际市场,并迅速成长为国际知名品牌。
70年代期间,吉列公司持续多元化经营,但来自刮胡刀及其刀片的利润占公司总利润的60%以上。
80年代中期,吉列因刮胡刀及刀片利润衰退,有利润成长的传统受到挑战,在经过两次被收购与反收购之后,吉列公司负债累累。
为改善盈余,吉列CEO麦克尔在吉列内部进行变革,将原来的地理结构组织改为产品组织结构,并任命在提高利润方面有良好表现的英国人Symons任欧美刮胡刀事业部总裁。
2、吉列感应刮胡刀上市背景感应刮胡刀(含22项专利)是吉列公司投入7500万美元研发费及5000万资本的设备,耗时十年以上所开发的新产品。
根据初步计划,感应刮胡刀上市还需投入1亿美元的广告宣传费用及1亿5000万美元的上市及存货准备金。
像诸多改革一样,吉列公司内部对这个计划也意见纷呈,持怀疑态度的大有人在。
有些人认为吉列公司应采取更渐进的方式推出感应刮胡刀,先从某些市场开始,评估市场反应,据此调整市场活动,逐渐建立对产品的认识,这样可以节省资金。
电动剃须刀产品说明书呵护男士精致形象的好帮手电动剃须刀产品说明书尊敬的用户:非常感谢您选择我们的电动剃须刀产品作为呵护男士精致形象的好帮手。
为了确保您能够正确、安全地使用我们的产品,我们特别为您准备了详尽的产品说明书。
请您仔细阅读以下内容,以充分了解我们产品的特点和使用方法。
一、产品概述我们的电动剃须刀采用先进的刀片技术和高效的电动驱动系统,为男士们提供快捷、舒适的剃须体验。
该产品具有以下特点:1. 精确剃须:刀片采用高品质不锈钢材料制成,确保剃须过程中的切割精度和刀片的持久锋利。
2. 人性化设计:刀头部分采用动态刀片浮动系统,可自适应面部轮廓,实现更加贴合、平稳的剃须效果。
3. 便捷清洁:产品配备清洁刷和可水洗的刀头结构,方便用户清洁剃须刀,保持卫生。
4. 灵活电源:产品支持直流电源充电和干电池供电两种方式,满足不同使用场景的需求。
二、使用须知在使用电动剃须刀之前,请您阅读以下使用须知并在使用前确保遵循这些指导:1. 请确定产品是否完好无损,使用过程中如遇到质量问题,请及时联系我们的售后服务人员。
2. 使用前,请确保剃须刀全部充电或者安装好电池。
3. 在使用电动剃须刀时,刀头应轻轻贴近面部,以45度角进行剃须,进行均匀的按摩剃须,切勿用力过猛,以免对皮肤造成不必要的刺激。
4. 刀头应定期更换,以保证剃须刀的切割效果和舒适感。
一般建议每6至12个月更换一次刀头。
5. 使用完毕后,请清洁剃须刀,以保持卫生。
先将刀头结构拆下,用清洁刷去除残留的须发,然后可以将刀头放入清水中彻底清洗。
6. 请保持产品远离水源以及潮湿的环境,以防止电气元件损坏。
三、常见问题及解答以下是一些常见问题和解答,希望能够帮助您更好地使用我们的电动剃须刀产品:1. 剃须刀不能正常工作怎么办?答:首先,请检查是否已安装好电池或者正确连接电源充电。
如果电源充足但仍不能正常工作,请联系我们的售后服务人员。
2. 剃须刀使用后皮肤感到不适怎么办?答:在剃须过程中,请确保刀头与皮肤保持45度角,避免用力过猛。
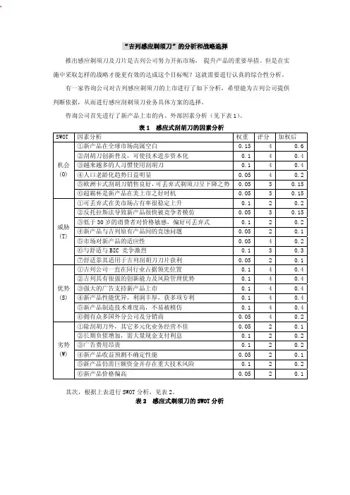
“吉列感应剃须刀”的分析和战略选择推出感应剃须刀及刀片是吉列公司努力开拓市场, 提升产品的重要举措。
但是在实施中采取怎样的战略才能更有效的达成这个目标呢?这就需要进行认真的综合性分析。
有一家咨询公司对吉列感应剃须刀的上市进行了如下分析,希望能为吉列公司提供判断依据,从而进行感应刮剃须刀业务具体方案的选择。
咨询公司首先进行了新产品上市的内、外部因素分析(见下表1)。
表1 感应式刮胡刀的因素分析SWOT 因素分析权重 评分 加权后 ①新产品在全球市场尚属空白0.15 4 0.6②刮胡刀创新普及,可使技术进步资本化0.1 4 0.4③越来越多的人习惯使用刮胡刀 0.1 4 0.4④人口老龄化趋势日益明显0.05 4 0.2⑤欧洲卡式刮胡刀销售良好,可丢弃式剃须刀呈下降之势0.05 3 0.15机会(O) ⑥超霸杯是新产品在美上市之好时机 0.05 3 0.15①可丢弃式在美市场占有率很稳定上升 0.1 2 0.2②反托拉斯法导致新产品很快被竞争者模仿0.05 3 0.15③低于30岁的消费者对价格敏感,偏好可丢弃式0.1 2 0.2④新产品与吉列原有产品间的竞蚀问题 0.05 2 0.1⑤市场对新产品的适应性0.05 4 0.2⑥与舒适与BIC 竞争激烈0.1 3 0.3威胁(T)⑦舒适靠其适用于吉列刮胡刀刀片获利 0.05 2 0.1①吉列公司一直在同行业占据领先位置 0.1 4 0.4②吉列具有很强的创新能力及风险管理优势0.1 4 0.4③强大的广告支持新产品上市0.1 4 0.4④新产品性能优异,利润丰厚,获多项专利0.1 4 0.4⑤新产品制造技术难度高,不易被模仿 0.1 4 0.4优势(S) ⑥拥有众多国外分公司及分销商0.05 4 0.2①除刮胡刀外,其它多元化业务经营不佳 0.05 2 0.1②长期负债增加,需大量现金支付利息0.1 2 0.2③广告费用昂贵0.1 2 0.2④新产品收益预测不确定性能0.05 2 0.1⑤新产品仍需巨额资金并存在重大技术风险 0.1 2 0.2劣势(W) ⑥新产品价格偏高0.0520.1其次,根据上表进行SWOT 分析,见表2。
把刮胡刀卖给女士
把刮胡刀卖给女士
吉利公司是一家以生产刀片著称的大公司。
上个世纪30年代,这家公司的一个调研员听一个朋友说他的妻子腿部受伤了,受伤的原因是用他的刮胡刀刮腿部的毛发时不小心划伤的。
说者无心,听者有意,这个调研员立即将此事上报给了公司调研部门。
调研部门成立了专门的调研小组,经过近一年时间的调研,发现全美国有6000多万妇女定期要去除腿毛和腋毛,而她们只能用男士刮胡刀来做这项工作。
吉利公司发现了这里潜在的巨大市场,就在刮胡刀的基础上生产了一款刮毛刀,刀架用的是彩色塑料,刀柄做成了弧线形,而且在刀柄上印了一朵美丽的菊花。
产品一上市,就被女士们抢购一空,吉利公司因此狂赚了一笔。
刮胡刀是男士的专用品,似乎和女士没有什么关系,但吉利公司的调研员却逆向思维,在别人看似不可能的地方发现了新大陆。
吉列刀片的成功之路大企业多方面求发展的最主要原因,就是避免把所有的鸡蛋放入一个蓝子里,谨慎的公司规划者在制定多角化发展路线时,会极力避免公司因某—产品的崩溃而元气大伤。
有任何收入总比完全亏损好得多。
这—点可以用极端的案例来说明,也就是用极易受伤的单—产品公司来说明,这种公司在探讨长期的利润远景时,也应该算出情况逐渐转恶的可能性。
它甚至还会为了保障明天以及往后日子的报酬率,而愿意放弃今天的高报酬,以便把钱花到多角化经营上。
吉列刮胡刀公司数十年来都是一家经营单—产品的公司。
于19O1年创办该公司的金.C.吉列,—直念念不忘两件事。
第一是把全世界组织成—家庞大的公司,每一位公民都是股东,借此来革新人类;另—项则比较切合实际:发财。
吉列在巴尔的摩瓶盖公司做推销员时,亲眼看到用后丢弃类产品的利润甚厚。
经过六年敲敲打打之后,他摘出了用后丢弃刮胡刀片,然后很快进入生产阶段。
第一个刮胡刀(附有20片新刀片)于1903年做广告,到该年底时,—共售出51副。
每副5美元(相当1982年的50美元)。
1904年,该公司取得专利权,在往后17年中以法律保障一种分离式的既薄又具有弹性的刮胡刀片,必须用外在支持物来固定刀锋”。
该公司以每副刮胡刀5美分的广告预算,开始在—些销路很广的刊物登广告。
该广告保证每片刀片至少可刮10到40次。
宣传要点:“新刀片瞬间就可装上,刮时不但不会伤到皮肤,而且舒适无比。
想想自己刮胡子是何等的清洁、舒适与安全,而且又能摆脱理发店的麻烦。
想想您节省的时间——以及节省的钱。
”到1909年时,售出的刮胡刀达到200百万把。
更重要的是,刀片的销售金额年有数千万美元。
成功的主要关键是创意、专利权、行销方法、制造刮胡刀片的机械方法,以及正如《吉列公司的历史》这本书的作者亚当斯所说的“一套绝对与众不同、广泛的.以及冷酷无情的配销体系.使得吉列公司可以借着专利权的保障以及其他威胁,而维持零售每把5美元的定价”。
对吉列来说,“行销”同“价格固定”—样重要。
产品说明书男士剃须刀产品说明书一、产品概述本产品是一款专为男士设计的剃须刀。
其旨在提供高效、舒适的剃须体验,为男士带来精准、流畅的剃须效果。
二、产品特点1. 刀片精准锋利:采用高品质钢材制作的刀片,经过精密研磨和抛光处理,确保刀片的锋利度和耐用性。
刀片设计独特,能够紧贴面部轮廓,迅速剃除须发。
2. 高速电动驱动:内置高效电机,提供强劲的动力驱动刀片运转,实现高速、低噪音的剃须效果。
无需费力推动手动剃须刀,仅需轻轻一推即可完成剃须操作。
3. 多功能功能键:设有多个功能键,方便用户根据个人需求进行调控。
例如,用户可以调节剃须刀的工作模式,进行轻柔剃须或快速剃须,以适应不同的剃须需求。
4. 防水设计:剃须刀具备良好的防水性能,可以在湿润环境下使用,如在淋浴时进行剃须。
此外,在完成后,用户可以将剃须刀放入清水中进行洗刷,方便清洁保养。
5. 长续航时间:剃须刀搭载高性能电池组,拥有较长的续航时间。
一次完全充电后,可持续使用多次,避免频繁充电的不便。
三、产品使用方法1. 充电:在首次使用前,需将剃须刀充电至满电状态。
使用附带的充电器连接剃须刀,并插入电源插座。
待指示灯显示充电完成后,即可拔出电源插头。
2. 开关机:长按电源键直至剃须刀启动。
再次长按电源键,剃须刀即可关闭。
3. 剃须操作:将剃须刀轻轻贴近面部,刀片接触到面部后开始进行移动,顺剃顺向依次剃除须发。
剃须完毕后,关闭剃须刀并进行清洁。
4. 清洁保养:剃须刀具备防水设计,可以用清水冲洗刀头和刀网。
清洗过程中,可以借助刷子将须发残留进行清除。
将剃须刀拿出水后,在通风处晾干。
四、产品注意事项1. 剃须刀仅限个人使用,不得用于其他非预定用途。
2. 在使用过程中,避免剃须刀接触到明火或高温物品,以免引发安全问题。
3. 使用后,及时清洁剃须刀,避免须发、皮屑等杂质在刀头和刀网堆积,影响剃须效果和使用寿命。
4. 若长时间不使用剃须刀,请将其存放在干燥通风的地方,避免湿润环境导致损坏。
电动刮胡刀说明书一、前言感谢您购买我们的电动刮胡刀,为了让您更好地使用和保养产品,我们编写了本电动刮胡刀说明书,详细介绍了产品的使用方法、注意事项和保养要求。
二、产品介绍1. 外观特点我们的电动刮胡刀外观简洁、时尚,采用优质材料制造而成,手感舒适。
2. 功能特点(这里应根据实际情况列出产品的具体功能特点)三、使用方法1. 准备工作(根据实际情况介绍使用前的准备工作,如电池充电、刀头安装等)2. 使用步骤(根据实际情况介绍电动刮胡刀的使用步骤,如开启电源、调节刮胡刀的角度和速度等)四、注意事项1. 使用环境请在干燥的环境中使用本产品,避免水分进入刮胡刀机身,以免损坏电路。
2. 使用方法(根据实际情况列出使用时需要注意的事项,如避免用力过猛、避免在湿润的皮肤上使用等)3. 清洁与维护(根据实际情况介绍产品的清洁方法和维护要求,如如何清洁刀头、如何更换刀网等)五、常见问题解答1. 电池不充电怎么办?(根据实际情况回答常见问题,并给出解决方法,如检查电源连接是否正常、是否需要更换电池等)2. 使用时遇到刮不干净的情况怎么办?(根据实际情况回答常见问题,并给出解决方法,如检查刀片是否钝化、是否需要调节刀头角度等)六、售后服务如果您在使用过程中有其他问题或需要更多帮助,请联系我们的客服中心,我们将竭诚为您提供满意的售后服务。
七、保修条款(根据实际情况列出产品的保修条款和期限)八、产品警示(根据实际情况列出使用产品时需要注意的安全事项)九、产品质量认证我们的电动刮胡刀已通过相关质量认证,符合国家标准。
十、总结感谢您仔细阅读本电动刮胡刀说明书,我们希望这份说明书能帮助到您更好地使用产品。
如果您有任何疑问或建议,请随时联系我们。
祝您使用愉快!(以上为电动刮胡刀说明书的内容,字数为1500字)。
说明书范例-(XX剃须刀)使用说明书(XX剃须刀)使用说明书本说明适用于各类充电式剃须刀。
充电:将电源插头插入AC220V电源之中,视充电指示灯亮、充电12-16小时。
注意:充电时间不要过长,以免影响电池寿命。
剃须:将开关键上推至(on)开启位置,即可剃须。
为求最佳之刮须效果,请将皮肤拉紧,使胡子成直立状,然后以逆胡子生长的方向缓慢移动。
修剪刀:如有修剪刀功能的剃须刀,请在剃须前,先将修剪刀推出,修短胡须后再用网刀剃净。
清洁:剃须刀要经常清洁。
清洁前应先关上开关。
旋下网刀,用毛刷将胡须屑刷净。
清洁后轻轻放回刀头架、且到位。
清洁时应轻拿轻放,避免损坏任何部件。
保修条例:保修服务只限于一般正常使用下有效。
一切人为损坏例如接入不适当电源,使用不适当配件,不依说明书使用;因运输及其它意外而造成之损坏;非经本公司认可的维修和改造,错误使用或疏忽而造成损坏;不适当之安装等,保修服务立即失效。
此保修服务并不包括运输费及维修人员上门服务费。
保修期外享受终身维修,维修仅收元器件成本费。
剃须刀中内、外刃属消耗品不在保修范围内。
保修期:正常使用六个月。
注意事项:充电时间12~16小时。
换刀网刀头时一定要选用原厂配件。
评析:这是一篇剃须刀的使用说明书。
该使用说明书还附上了“保修条例”部分,严格来讲,“保修条例”不属于使用范围内的东西,可以略去。
就其使用说明来讲,该文谈到三个主要的步骤,一是充电,二是剃须,三是清洁。
这类剃须刀属于充电式的,由于刚打开的产品尚未充电,故要求先充电。
该部分介绍了所接用的充电电压,充电时间及注意事项等。
剃须部分将剃须的具体方法,剃刀走动的方向等都介绍的很清楚。
除此而外,还指出有“修剪刀”的剃刀可在剃须前先将长须修短,再用剃须刀剃净。
清洁是剃须后必做的工作,这里详细地介绍了剃须刀的保养清洁工作。
为延长剃须刀的寿命这都是很有必要的。
吉列感应刮胡刀上市方案Document number:WTWYT-WYWY-BTGTT-YTTYU-2018GT吉列感应刮胡刀上市方案第一章概述80年代中期,吉列因刮胡刀及刀片利润衰退,有利润成长的传统受到挑战,在经过两次被收购与反收购之后,吉列公司负债累累,88年底长期负债达17亿美元。
为改善盈余,吉列CEO麦克尔在吉列内部进行变革,将原来的地理结构组织改为产品组织结构,并任命在提高利润方面有良好表现的英国人SYMONS任欧美刮胡刀事业部总裁。
SYMONS于88年初上任后,即开始检视感应刮胡刀的策略计划。
感应刮胡刀(含22项专利)是吉列公司投入7500万美元研发费及5000万资本的设备,耗时十年以上所开发的新产品,拟于99年初上市。
根据初步计划,感应上市还需投入1亿美元的广告宣传费用及1亿5000万美元的上市及存货准备金。
像诸多改革一样,吉列公司内部对这个计划也意见纷呈,持怀疑态度的大有人在。
我们现在重提这个案例,就是要回到1989年初,站在SYMONS的角度检视该项策略计划,运用《战略管理》所学到的知识对新产品上市提供方案。
第二章目标及任务首先,大家可能会问,感应上市与企业的目标与任务有关系吗吉列负债累累,应付利润的改善尚且时间紧迫,迫在眉睫的事情是解决赢利,而不是在墙上挂一些口号,有很多企业说一套做一套,那些目标与任务仅仅装装门面而已。
以上疑问,不一而足,在现实生活中确实存在,制定企业目标与任务却未能获得好的绩效的公司大有存在。
所以,我们就从制定企业的目标与任务的必要性开始。
1、制定目标与任务的必要性企业不是慈善机构,其存在的根本,就是为了赢利。
但不能为了企业主或股东的赢利而对员工和社会其它人的利益漠不关心,否则,只有短期赢利而无长期赢利的可能。
吉列有很长的历史背景,这说明它的“追求适度利润的传统”为其取得社会的承认打下了坚实的基础。
因此,吉列不会仅仅为了赢利而拒绝为其制定目标和任务。
这是一个很重要的前提。
一、前言二、公司简介三、吉利剃须刀取胜理念四、市场分析1.竞争环境分析2.消费人群分析3.品牌分析五、产品特点六、产品的推广策略 1.市场态势2.推广目的3.推广实录七、产品原有广告的媒体策略八、产品的广告媒体分析1.卫生间广告调查与分析2.户外广告调查与分析3.杂志广告调查与分析4.POP广告调查与分析九、公关活动策略前言吉列在中国市场上最著名的要属由“万人迷”小贝代言的锋速3(Mach 3)了,它于1997年投产,迅速占领国际市场。
它的旋转刀头配合双层刀片,刮得更干净、更贴面;双层刀片安装在刀头内,更换时更简便、更安全;渐近式3刀片设计,逐步贴近您的胡根,每刮一次都有更贴面的感受;顺贴,减少回刮,更减低回刮所引起的敏感;独有CLC刃口,每一片刀片都拥有独一无二DLC刃口,所以MACH3能刮得更顺滑,更舒服。
在中国,吉列就是手动剃须刀的“东方不败”。
公司简介吉列早在1998年就已经进入了中国市场,其产品的质量、信誉也已经得到了广大中国消费者的认可。
吉列是男士护理方面领先的公司,产品包括剃须刀、刀片及其他剃须辅助品。
同时,在某些女性护理产品(如脱毛产品方面),吉列也处于世界领先地位。
迄今,在中国市场,吉列品牌的剃须产品主要包括:锋速三系列,超级感应系列,感应系列,超滑旋转系列,超滑固定系列,威锋系列,超级蓝吉列双面系列,飞鹰系列,犀牛双面系列等;吉列女士专用刀架、刀片Venus,吉列女士超级感应系列等。
个人护理产品主要包括:吉列男士护理系列(须前、须后),吉列刮胡泡系列等。
吉利剃须刀取胜理念:以数量而论生产个人护理用品的吉利公司虽然还没有进入世界500强,但它的知名度却历来都很高,因为每天全球有数千万男人在使用吉利安全剃须刀。
许多人都知道吉利公司是靠生产和销售安全剃须刀起家的,但人们往往有一个误解,以为吉利发明了安全剃须刀,获得了专利垄断权,才能最终成为跨国大公司。
在19世纪末的几十年,美国有关安全剃须刀方面的专利有几十个,吉利只是其中之一,。
使用安全剃须刀不像以前的折叠式剃须刀那样容易刮伤脸,又可以免去光顾理发店的时间和金钱,但是这种看似很有市场的产品却卖不出去,原因是他太贵了。
去理发店只花10美分,而最便宜的安全剃须刀却要花5美元,这可不是一个小数目,因为它相当于当时一个高级技术工人的一个礼拜的薪水。
吉利的安全剃须刀并不比其他安全剃须刀好,而且生产成本也更高,但别人的安全剃须刀卖不出去,吉利的安全剃须刀却供不应求,原因在于他实际上贴本把安全剃须刀的零售价定为55美分,批发价25美分,这还不到他生产成本的20%。
同时,他以5美分的价格出售刀片,而每个刀片的制造成本还不到1美分,这实际上是以刀片的盈利来弥补安全剃须刀的亏损,当然,吉利剃须刀只能使用专利刀片。
由于每个刀片可以使用6---7次,每次刮脸的花费不足1美分,只相当于去理发店的10%因而有越来越多的消费者选择使用吉利剃须刀。
市场分析随着全社会生活水平的逐年改善,文明化程度的大幅度提高,国民对生活质量的追求开始上升到一个新的高度并逐渐形成了一股新的浪潮。
随之而来的个人护理品(如男士专用的剃须刀和洁面乳等美容品)的热销,给这股热潮写下了最好的注脚。
因此,整体的吉列产品市场占有率,达到中国手动剃须刀架及刀片市场的85%以上份额,基本处于绝对垄断地位。
吉列当年刚进入中国市场后,就对国产的飞鹰与犀牛等知名品牌进行了收购。
一直以来,在全国大部分地区都有这两款国产低档手动剃须产品销售,价格比吉列超蓝系列更便宜(且这两种超低档子品牌产品线还涵盖单层单面装的美工小刀片,是吉列整体销量的另一支撑),主要供给于二、三、四级市场。
通过收购国产品牌,吉列也达到了对中国市场的快速垄断。
虽然手动剃须刀行业在吉列的带领下,产品越来越先进,换代越来越快,但这只是表面现象,或是少数现象。
在中国,吉列主打产品的销售情况,依旧是以低档的超蓝系列销量最高,本属换代超蓝的威锋系列则位居其次,高档的锋速3系列则销量平平。
一、竞争环境分析吉列在手动剃须刀市场上的领导地位已无可置疑,并且尚无可以动摇其地位的力量。
用户具有高度的忠诚度,销售主要来自老顾客的重复消费(刀片)和产品的换代。
由于吉列对市场的绝对占有率和强大的品牌影响力,消费者一旦决定选择手动剃须刀,则选择除吉列以外品牌的产品的可能性就很小了,并且将长期的使用下去。
因此,吉列的主要竞争是与电动剃须刀争夺新产生的对剃须产品有需求的消费者,以及渗透并转化现有的电动剃须刀使用者。
目前,电动剃须刀市场已呈现多元化发展,众多国内品牌与国际大品牌为争夺有限的市场竞争日渐激烈。
所以,吉列宜于从新的角度和成熟的姿态抢先占据新的市场,而市场推广的关键正是给用户一个“选择”吉列或者“转化”为吉列用户的心理契机。
二、消费人群分析吉列的使用者往往具有成熟、稳健、成功人士的外在形象和内在气质,处于社会(经济)地位的较高层次,并集中在年龄分布的较高阶段。
这一人群所具有的社会地位和经济状况往往是处于较低阶层人的奋斗目标,他们的生活方式、消费行为、思想观念对整个社会有巨大的影响力。
有个性、有风度的精品才能吸引追求生活质量和沉稳男人味的人士的注意力。
所以能带给你肌肤的舒适健康的吉利剃须刀是完美男人的首选,让你做一个新时代的优质男人。
三、竞争对手分析根据多方面的调查研究,我们把吉利锋速3突破的竞争对手定为:飞利浦、飞科。
吉利VS飞利浦VS飞科差异比较:1、功能性飞利浦:独特的自我舒适度控制盘,可设置浮动剃须刀头对皮肤与胡须的压力。
剃须刀头具有重新排列的刀槽和全新的筛眼,有助于捕捉胡须,从长髯到短茬,只需一次刮削,即可全部剃除。
具有防水功能:用自来水冲洗即可快速卫生的清洁剃须刀。
6分钟快速充电,使用噪音小吉利:3刀片设计-逐步贴近您的胡须,使您每刮一次都有更贴面的感受。
独有DLC刃口-每一片刀片都拥有独一无二DLC刃口。
锋速3-拥有先进的蓝色显示型润滑条,会随着使用而褪色。
飞科:独立浮动式双刀头新款触摸轻触开关大功率银钯合金马达,强劲动力配备升级[贴面网缝]第二代圆弧形刀网(运用HQ4+技术),网罩更薄、剃须更迅速、更彻底,2、整体性与个性飞利浦:采用三刀头设计,机身弯曲的外形来自飞利浦的经典人性化设计,方便手持,刀头为旋转式和往复式,相对来说旋转式操作比较宁静,有绅士剃须的感觉。
带给你更多的自然美及健康舒适的感觉,飞利浦使你的生活和工作更简单,拥有更多乐趣。
吉利:舒适的感应刀片,全新柔软保护感应器,轻柔的平滑过你的肌肤,“更贴服、更顺畅、更干净”体验超完美剃须感觉。
飞科:往复式剃须刀,烟盒式外观设计,是居家与旅行之必备剃须刀,超薄精密的剃须系统.。
对于有修鬓角习惯的男士来说是个不错的选择。
优势分析:品牌价值优势:吉利通过国际巨星“贝克汉姆”万人迷的号召力,使“剃须干净顺畅,做新完美男人”的概念深入人心,洞开受众的心智。
而飞利浦后期开始伤害中国消费者的感情,它完全是针对国外消费者皮肤、胡须和脸型设计的,用在中国消费者的脸上,一是刮不干净胡须,二是刮后会产生微痒的感觉。
这是飞利浦电须刀产品的最大致命弱点。
|bo 正因为如此,飞利浦的许多忠诚消费者也正在一步步流失,一部分流给了超人、博朗、松下等电动品牌,一部分转向了吉列、舒适等手动品牌,一部分转向于其它中小杂牌。
四、品牌分析吉列全新的剃须理念和品牌诉求:剃须干净顺畅,做新完美男人的概念主张。
品牌效应:通过国际巨星“贝克汉姆”万人迷的号召力,使“剃须干净顺畅,做新完美男人”的概念深入人心,洞开受众的心智。
产品需要结合人,无论明星还是特定的“人”,通过人的结合,赋予产品血肉之躯,与受众对话。
中国人好大喜功,源于本土文化的博大精深。
刮胡子刀片是一种小得不能再小的小产品。
它几乎和火柴卫生纸一样被人们不屑一顾。
可是,就是这些看上去不起眼儿的日常生活用品,因为其消耗巨大而利润可观。
吉利产品都以“舒适、舒服、快乐和安逸”为诉求,吉利刀片把顾客购买与使用中的一切可能出现的问题都考虑得天衣无缝。
1999年代表世界剃须刀在全球同步推出。
作为首创的三层渐进式剃刀系统,一次动作,三重效果,令剃须刀更加随心所欲,为全球消费者带来前所未有的剃须新感受。
安全、舒服、干净、利索,来自心理和物理两个层面的功力,使该产品物超所值——吉利所给予的,正是顾客想要的。
如果顾客还想要但不知道要什么样的,吉利为他们想的更多。
这就是品牌的主题。
顾客,是品牌的物质的和精神的承担者。
吉利所做的,是给客户想买的。
即刮脸者来定价,而不是给厂商所销售的东西定价。
因此,经济的本质被吉利付诸实施并得心应手,是人性化的设计和人性美的追求,在使它的企业文化不胫而走的同时也使顾客的忠诚固若金汤了。
吉利锋速3突破剃须刀特点新一代3层刀片设计,能有效减低刺激,感应脸部肌肤的细微起伏,带来更贴面的剃须享受。
全新3层搞敏感刀片-锋速3-MACH3Turbo,减少肌肤刺激,更彻底地剃净每根胡须。
全新柔软保护感应鳍-轻柔地平滑您的皮肤,锋速3-MACH3Turbo使剃须过程轻松顺滑。
加强型indicator显示润滑条-即使多次刮剃,也能使锋速3-MACH3Turbo保持流畅的剃效果。
吉利锋速3突破的推广策略由于今天,吉列刀片在全球市场的份额达到70%以上,北美每3个男性中就有1个使用吉列的锋速3剃须刀。
但是在中国锋速3系列则销量平平,故借吉列新品“锋速3突破”手动剃须刀的上市,全面带动吉列全系产品的销售,取得销量上的再突破。
市场态势:吉列占有上海手动剃须刀市场56%的市场份额,竞争品牌均望尘莫及,虽然市场一支独秀,但吉列在过半的市场占有率上难有比较明显的提高。
推广目的:借吉列新品“锋速3突破”手动剃须刀的上市,全面带动吉列全系产品的销售,取得销量上的再突破。
推广实录:对于吉列锋速3的操作,我认为首要的任务并不是找产品卖点,而是找如何打动消费者的产品主张。
因为风速3的卖点非常清晰:顺畅的剃须享受,如同风速般的快感。
但我认为这点并不足以狠狠打动消费者,因为一些竞品和吉列其他品系都有类似的诉求,只不过风速3的技术运用更先进,这种技术上的改进无法深层次的影响消费者的决策,更妄谈带动吉列全品系的剃须产品的销量增长。
结合皇马中国行,我领到了项目组策划了“贝克汉姆说流行”这一公关事件行销。
贝克汉姆提到如今留胡须已不是男性张扬个性、表现自我的方式。
相反,下巴干干净净,剃须光洁则是完美男人的新标志。
这一经典说法被国内数百家媒体主动报道。
我借此提出了“完美男人、完美体验”的销售主张,号召消费者把胡须剃干净,做一个新时代的优质男人。
这句主张同时也代表了吉列对于所有使用其产品的男性的全新诉求。
锋速3在视觉表现和终端推广上,均使用了贝克汉姆的形象,其绝对意见领袖级的标榜一举赢得消费者的认同,一场完美男人新标准的定义就此铺天盖地的展开来。