环境污染治理设施运营岗位培训证书发放名单
- 格式:doc
- 大小:129.04 KB
- 文档页数:3
环境污染治理设施运营资质分级分类标准1 、为提高环境污染治理设施运营管理水平,规范环境污染治理设施运营市场秩序,根据2004 年国家环境保护总局第23 号令《环境污染治理设施运营资质许可管理办法》的规定,特制订本标准。
2 、环境污染治理设施运营资质证书共分: 生活污水、工业废水、除尘脱硫、工业废气、工业固体废物、生活垃圾、自动连续监测等专业类别。
具备资质证书申请条件的环境污染治理设施运营单位,可申请其中的一个或几个专业类别的环境污染治理设施运营资质证书。
3 、环境污染治理设施运营资质证书分为甲级和乙级两个级别,取得甲级资质证书的单位,可在全国范围内承接该专业类别任何规模的环境污染治理设施的运营业务。
取得乙级资质证书的单位,可在全国范围内承接该专业类别规定规模的环境污染治理设施的运营业务。
4 、环境污染治理设施运营资质证书分为正式和临时证书两种; 正式资质证书有效期限3 年,临时资质证书有效期限1 年。
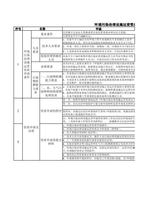
二、基本条件1 、具有独立企业法人资格或者企业化管理事业单位法人资格,且注册资金符合本标准的要求;2 、具有维护设施正常运转的专职运营人员; 申请甲级资质的单位应具备不少于10 名具有专业技术职称的技术人员,其中高级职称不少于 5 名; 申请乙级资质的单位应具备不少于 6 名具有专业技术职称的技术人员,其中高级职称不少于3 名。
设施运营现场管理和操作人员应取得污染治理设施运营岗位培训证书;3 、连续一年以上从事环境污染治理设施运营管理,达到本标准资质类别条件之一,且负责、承担运营管理的污染处理设施所排放的污染物应连续、稳定达到国家或地方的排放标准,没有违反国家法律、法规的行为记录并没有发生重大运营责任事故;4 、从事环境污染治理设施运营服务不足一年,尚未达到相应类别业绩条件的,但符合除业绩条件外其它申请条件的单位,可申请环境污染治理设施运营甲级或乙级临时资质证书。
5 、受其他企业委托代为处理、处置工业固体废弃物、电子废物或高浓度废水的单位,除具备前款规定条件外,还应当具有符合国家或地方环境保护标准和安全要求的处置设施。
序号单 位 名 称1河北天亨伟业环境工程有限公司2北京金州工程有限公司3北京洁绿科技发展有限公司4北京华源志峰给排水管理有限公司5康达环保(商丘)水务有限公司6武汉东湖高新集团股份有限公司7合肥朱砖井污水处理有限公司8四川省甲恒环境园林工程有限公司9商丘康博环保技术服务有限公司10长沙引水及水质环境有限责任公司11广州市环境保护技术设备公司12广州中大环境治理工程有限公司13深圳市丰河环境工程技术有限公司14庆阳市鼎新环保有限公司15成都中山创环保实业有限责任公司16长沙华清泰污泥处理科技有限公司17安徽华脉科技发展有限公司18桂林市天马水务环境有限公司19广西神州立方环保设施运营有限责任公司20柳州市环源利环境资源技术开发有限公司21哈尔滨北方环保工程有限公司22鸡西龙江环保治水有限公司23哈尔滨百瑞环保工程设备有限公司24富锦龙江环保水务有限公司25江苏圣富利环境工程有限公司26扬州祥发资源综合利用有限公司27江苏峰业电力环保集团有限公司28无锡市天虹环保工程有限公司29江苏埭头综合污水处理有限公司30江阴市百顺科技有限公司31成都乐攀环保科技有限公司32中山市乐德环保营运有限公司33惠州市第五污水处理有限公司34东莞市东城牛山污水处理服务有限公司35广东粤绿环境工程中心36东莞市昌华环保技术有限公司37广东省环境保护工程研究设计院38汕尾市绿美环境科技开发有限公司39珠海威立雅水务污水处理管理有限公司40广州巨邦环保工程设备有限公司41佛山市新之源污水处理有限公司42东莞市绿月环保工程有限公司43东莞市宝盈环保工程有限公司44广东天瑞科技有限公司45广州市环境卫生研究所46广州市二次供水技术咨询服务中心47江门市碧水源环保水处理有限公司48湖北省环境科学研究院49佛山市南海环境工程有限公司50株洲市盛行水务运营有限公司51银川众博瑞环保科技有限公司52深圳市先科环保有限公司53长春一汽综合利用有限公司54株洲新时代环保科技有限公司55贵州长城环保科技有限公司56河北永益生态环境工程有限公司57湖南海尔斯环境工程有限公司58沈阳银河污水处理运营有限公司59辽宁北方环境保护有限公司60沈阳环境科学研究院61沈阳盟基工程咨询有限公司62上海复旦水务工程技术有限公司63中环保水务投资有限公司64上海南珊物资利用有限公司65上海工大科技园区环境工程有限公司66中船重工环境工程有限公司67重庆湿地环保工程有限公司68重庆乐善环保科技有限公司69江海环保股份有限公司70苏州市环境保护有限公司71太仓创造电子有限公司72扬州市润宇环境科技工程有限公司73沈阳华泰科技环保工程有限公司74大连大禹水处理技术有限公司75大连大孤山污水处理有限公司76深圳恒通源水处理科技有限公司77江苏核工业格林水处理有限责任公司78北京市科原工程设计所79深圳市开鑫实业发展有限公司80北京轩昂环保科技有限公司81江苏天泽环保科技有限公司82四川新开元环保工程有限公司83广州市怡文环境科技股份有限公司84青海怡青环保科技有限公司85无锡国联环保科技有限公司86江苏新宇天成环保工程有限公司87江苏中超环保有限公司88江苏林格环境工程有限公司89无锡市德林环保工程有限公司90江苏宜德环境工程有限公司91中国石化集团资产经营管理有限公司扬子石化分公司92北京蓝源恒基环保科技有限公司93同方环境股份有限公司94天津恒通行科技发展有限公司95安徽祥源安全环境科学技术有限公司96武汉景弘环保科技股份有限公司97随州市玉龙供水有限公司98保定市尧润环保科技有限责任公司99河北富莱尔环保节能工程有限公司100西安新丰环保有限公司101西安鼎研科技有限责任公司102西安创业水务有限公司103石家庄高新技术产业开发区供水排水公司104河北亚太环境科技发展股份有限公司105易县寰宇污水处理技术服务有限公司106中科天融(北京)科技有限公司107北京博奇电力科技有限公司108北京城建环保投资发展股份有限公司109北控水务(中国)投资有限公司110北京皓天百能环保工程有限公司111北京高能时代环境技术股份有限公司112武汉金坡环境工程有限公司113东风汽车公司水务公司114德阳市同佳环保科技有限责任公司115四川中达工程建设有限公司116湖北川东环保能源开发有限公司117云南洁能洁环保设备有限公司118湖南晟景环保科技有限公司119黑龙江金山市政工程有限公司120爱土工程环境科技有限公司121河北德禹环保科技有限公司122阿克苏地区环境科技咨询服务中心123深圳市锦润实业有限公司124唐山城市排水有限公司125河北英泰环境工程有限公司126贵州万通环保工程有限公司127四川志得环保科技有限公司128湖北中碧环保科技有限公司129深圳市昌润利环保科技有限公司130贵州新欣环保投资有限责任公司131贵州楚天环保有限公司132重庆市财信环保投资股份有限公司133无锡大禹科技有限公司134常州润弘污水处理有限公司135南京杰思尔设备工程有限公司136江苏省环科院环境科技有限责任公司137无锡市政设计研究院有限公司138南通同源环保科技有限公司139徐州国祯水务运营有限公司140大屯煤电公司发电厂火电设备维修公司141邯郸市凯忠污水处理有限公司142云南坤龙实业有限公司143深圳市福美环保科技有限公司144麦王环保工程技术(上海)有限公司145上海文君自动化科技有限公司146上海泽安实业有限公司147上海北分仪器技术开发有限责任公司148上海环境保护有限公司149塔里木石油勘探开发指挥部沙漠运输公司环保公司150新疆达源顺环保工程有限公司151建始县污水处理厂152贵州创业水务有限公司153乌鲁木齐晟路汇源油田环保工程有限公司154天津昊中环保工程有限公司155湖北浠水鸿盛水务有限公司156益阳联合润通水务有限公司157沈阳圣泰环保科技有限公司158大连绿诺集团有限公司159国电东北环保产业集团有限公司160辽宁华孚环境工程有限公司161四川宜宾绿丰环保工程有限公司162武汉万绿环保科技发展有限公司163安徽省科林环境生物技术有限公司164曲靖创业水务有限公司165徐水县恒兴市政工程有限公司166福建大成环保有限公司167福州创源同方水务有限公司168安徽省通源环境节能有限公司169武汉格林环源净化工程有限公司170广州中科建禹水处理技术有限公司171百色中环水业有限公司172广西绿源环保工程有限责任公司173上海汉斯精细化工有限公司174上海洗霸科技有限公司175福禄克测试仪器(上海)有限公司176安徽亚泰环境工程技术有限公司177河南同生环境工程有限公司178河南省豫源清生物科技工程有限公司179成都市中工水务有限责任公司180海南七洲环境工程有限公司181湖北盘古环保工程技术有限公司182武汉方元环境科技股份有限公司183株洲市诚桥环保有限公司184广州市番禺环境工程有限公司185成都一源环境工程技术有限公司186云南天兰环保科技开发有限公司187深圳德润环保投资有限公司188浙江创源环境监控技术有限公司189浙江小桥流水环境科技有限公司190浙江江能环保科技有限公司191浙江泰来环保科技有限公司192宁波北仑岩东排水有限公司193浙江卓锦工程技术有限公司194台州市绿野环保工程有限公司195浙江绿色时代环保科技有限公司196深圳绿色动力环境工程有限公司197武汉钢实烧结设备制造安装有限公司198桑德环境资源股份有限公司199中国石化集团西南石油局200北京博奇电力科技有限公司201北京国电龙源环保工程有限公司202福州龙源环境工程技术有限公司203福建省天地环保设计院有限公司204三达(厦门)环境工程有限公司205湖北天虹环保工程有限公司206北京建工环境修复有限责任公司207华电环保系统工程有限公司208北京神州瑞霖环保科技有限公司209武汉巨正环保科技有限公司210合肥三立自动化工程有限公司211浙江博世华环保科技有限公司212嘉园环保股份有限公司213长春恒达环保工程有限公司214浙江汇嘉丽环境工程技术有限公司215利晟(杭州)科技有限公司216浙江省环境保护科学设计研究院217杭州安控环保科技有限公司218浙江荣怀环保科技有限公司219杭州博高科技有限公司220云南肯利环保有限公司221重庆康达环保产业(集团)有限公司222嘉兴市天源环境工程有限公司223金华市海河环境工程有限公司224宁夏骏杰运输服务有限公司225广东骏达环保工程有限公司226中山市小榄水务有限公司227隆润新技术发展有限公司228北京鼎实环境工程有限公司229中国恩菲工程技术有限公司230北京万邦达环保技术股份有限公司231北京国华新兴节能环保科技有限公司232北京中联环工程股份有限公司233北京国环莱茵环境工程技术有限公司234广东省环境科学研究院235广州珠江环保科技发展有限公司236广州市联谊创业环保科技有限公司237江西融汇环保技术有限公司238北京北科欧远科技有限公司239山西中润博水务有限公司240山西绿景环保科技工程有限公司241山西迅速环能工程有限公司242山西润民环保工程设备有限公司243中绿环保科技股份有限公司244山西美佳锦环保科技有限公司245山西云天环保工程有限公司246山西歌兰德科技有限公司247上海闵行环保开发实业有限公司248上海达源环境科技工程有限公司249深圳市龙岗区环保科技服务中心250深圳市吉信环保科技有限公司251江苏蓝天水净化设备有限公司252武汉东川自来水科技开发有限公司253广州环发环保工程有限公司254东莞市道滘鸿发污水处理有限公司255惠州市奥美特净水工程有限公司256邯郸市凯忠污水处理有限公司257厦门陆海科技工程有限公司258衡水市润峰环保开发有限公司259石家庄国华环保科技有限公司260河北国环环保开发有限公司261秦皇岛双轮环保科技有限公司262云南通洁环保成套设备工程有限公司263包头市排水产业有限责任公司264马鞍山市桓泰环保设备有限公司265济南清蓝环保工程有限公司266淄博泰禾实业有限公司267山东海岳环境科学技术有限公司268山东山大能源环境有限公司269杰瑞能源服务有限公司270济宁同太环保科技服务中心271青岛佳明测控仪器有限公司272山东纯久水处理环境工程有限公司273山东益源环保科技有限公司274山东本源环境科技有限公司275山东宏峰化工技术发展有限公司276济南高新开发区中泰环保技术开发中心277青岛源清环保科技有限公司278莱芜中和水质净化有限责任公司279青岛水清木华环境工程有限公司280滨州中和水质净化有限责任公司281青岛市金旭环境工程有限公司282胜利油田东兴石油工程有限责任公司283北京京诚科林环保科技有限公司284北京中兵北方环境科技发展有限责任公司285北京国能中电能源有限责任公司286保定市格美投资有限公司287承德丰基环保设备制造有限公司288北京维文特环保技术开发有限公司289天津市环境保护技术开发中心290云南亚太环境工程设计研究有限公司291东江环保股份有限公司292河北鸿祥科技开发有限公司293安徽东禹水处理有限公司294深圳市新环机械工程设备有限公司295东莞市环境保护技术服务中心296佛山市水业集团有限公司297葫芦岛三和环境技术有限公司298湖南亿华环保运营管理有限责任公司299天津环科水务开发有限公司300中冶建设高新工程技术有限责任公司301哈尔滨平义龙江环保治水有限责任公司302重庆天利水处理技术有限公司303天津天滨瑞成环境技术工程有限公司304天津海川环保工程有限公司305深圳市环境工程科学技术中心有限公司306湖南省环境保护科学研究院307深圳市核电机电安装维修有限公司308保定市百思特环境工程技术有限公司309江西环保股份有限公司310黄石市污水处理公司311南昌元芝环保科技发展有限公司312康达环保(临沂)水务有限公司313银河水务股份有限公司314东营金泰技术服务有限公司315胜利油田众安石油装备有限责任公司316衡水京安集团有限公司317宣化县新晨环保设备有限公司318中国市政工程东北设计研究总院319山东得顺源石油科技有限公司320河南莲花味精股份有限公司321阜新市新环水处理运营有限公司322辽宁泓源大禹水务有限公司323常州环保科技开发推广中心324大连宇都环境工程技术有限公司325重庆恩普环保科技有限公司326大连科鑫环保节能技术有限公司327中国通用机械工程总公司328宁夏博浩环保技术有限公司329徐州市环境保护科学研究所330苏州新区星火环境净化有限公司331江苏博大环保股份有限公司332无锡市茵瑞赉环境科技有限公司333无锡市格润环保钢业有限公司334苏州市东方环境工程有限公司335湖南迪亚环境工程有限公司336松原市鸿升石油工程技术服务有限公司337江西蓝天碧水环保工程责任有限公司338广州净海油污水工程有限公司339佛山市顺德区恒锐环保设备有限公司340东莞市红树林环保科技有限公司341广东新晟环保投资集团有限公司342新疆德蓝股份有限公司343重庆利特环保工程有限公司344哈尔滨华春药化环保技术开发有限公司345重庆港力环境科技有限公司346重庆三峰卡万塔环境产业有限公司347中国兵器工业总公司西南公司环境保护研究所348岳阳天河环保科技有限公司349四川久环仪器有限责任公司350深圳北控创新投资有限公司351安达龙江环保水务有限公司352宁安龙江环保治水有限公司353大庆市新中瑞环保有限公司354上海轻工业研究所有限公司355岛津国际贸易(上海)有限公司356大唐南京自动化有限公司357江苏东嘉能源科技有限公司358太平洋水处理工程有限公司359天津博瑞来环保技术开发有限公司360武汉美林环保科技有限公司361浙江天靖投资有限公司362浙江网新钱江投资有限公司363浙江金津环保科技有限公司364浙江庆峰环境工程有限公司365浙江商达环保有限公司366河北省众联能源环保科技有限公司367江西洪城水业环保有限公司368宁夏美洁环保工程有限公司369四川泽力环保管理咨询有限公司370广州市杰人环保科技有限公司371广州华康环保工程有限公司372江门市三清环境技术工程有限公司373梅州市三达环保设备工程有限公司374广州盟益利环保技术有限公司375广东粤丰环保投资有限公司376韶关市蓝洁环保资源利用技术有限公司377广州振清环保技术有限公司378佛山柯内特环境科技有限公司379西昌泰格瑞环保有限公司380四川帅龙建筑环保工程有限公司381庐江县益民污水处理有限公司382上海在田环境科技有限公司383上海依科绿色工程有限公司384抚顺市清远环境科技有限公司385辽宁清澄环境工程有限公司386大连中水工程有限公司387沈阳环科环保工程有限公司388湖南万容科技股份有限公司389大连理工大学环境工程设计研究院有限公司390沈阳维尔数码科技有限公司391山东坤霖环保科技有限公司392聊城市天地环保科技有限公司393济钢集团国际工程技术有限公司394山东福源设备安装有限公司395山东省恒大环保有限公司396山东华腾环保科技有限公司397山东圣杰能源环境工程有限公司398胜利油田检测评价研究有限公司399三川科技集团有限公司400胜利油田德利实业有限责任公司401青岛飞马客工贸发展有限公司402山东鲁抗中和环保科技有限公司403广州市金龙峰环保设备工程有限公司404广州市中绿环保有限公司405福建省科辉环保工程有限公司406中煤(北京)环保工程有限公司407广州市林华环保科技有限公司408天津市塘沽区鑫宇环保科技有限公司409安徽显闰环境工程有限公司410宇星科技发展(深圳)有限公司411中钢集团马鞍山矿山研究院有限公司412湖南大辰环保科技有限公司413成都邦洁环保科技股份有限公司414龙州桂润环境工程有限公司415四川君和环保工程有限公司416安徽华骐环保科技股份有限公司417青岛腾禹环保有限公司418广州新滔水质净化有限公司419河源市绿达环境工程监理有限公司420杭州天创环境科技股份有限公司421浙江鎏源环保科技有限公司422浙江博华环境技术工程有限公司423杭州友创环境工程技术有限公司424杭州鼎利环保科技有限公司425杭州富铭环境科技有限公司426浙江浙大海元环境科技有限公司427杭州中环环保工程有限公司428中昌环保集团有限公司429上海申欣环保实业有限公司430上海立昌环境工程有限公司431威立雅工业水处理(上海)有限公司432宁夏浩林建筑安装工程有限公司433宁夏智可达环境技术有限公司434成都双流至成水务有限公司435福州闽邮吉星数码科技有限公司436广西防城港北投水务有限公司437广西宇浩环保科技有限公司438宁夏燕泰建设环保工程有限责任公司439北京中咨华宇环保技术有限公司440广州茵绿环境科技发展有限公司441烟台绿环再生资源有限公司442胜利油田华胜电业建筑有限责任公司443青岛欧仁环境科技有限公司444联合润通水务股份有限公司445东营顺通化工(集团)有限公司446胜利油田方圆陶业有限公司447山东绿盾环保工程有限公司448莱芜市钢城区污水处理厂449东营市科成环保工程有限公司450山东京鲁水处理工程有限公司451青岛美吉佳仪器设备有限公司452青岛绿苑环保技术有限公司453山东嘉豪环保工程有限公司454泰安市汇力环保科技有限公司455山东三融环保工程有限公司456日照红叶环保工程有限公司457山东北辰集团水务工程有限公司458青州市清源污水净化有限公司459山东利源海达环境工程有限公司460德州联合润通水务有限公司461滨州绿欣环保技术有限公司462青岛松竹源工艺品有限公司463大连先行环境工程有限公司464大连富达环境工程有限公司465鄂尔多斯市地浩科工贸有限责任公司466内蒙古总馨水处理设备有限公司467重庆市玉罗市政工程有限公司468河北中科威德环境工程有限公司469沧州云天环保科技有限公司470青岛世宇环境工程有限公司471潍坊爱普环保设备有限公司472青岛三色源环保科技工程有限公司473长沙华时捷环保科技发展有限公司申 请 类 别生活污水乙级、除尘脱硫乙级生活垃圾甲临生活污水乙级、工业废水乙级生活污水甲临、工业废水甲临生活污水甲级除尘脱硫甲级生活污水甲级、工业废水甲级生活污水甲临、工业废水甲级生活污水乙级、工业废水乙级生活污水甲级工业废水乙级工业废水乙级生活污水甲级生活污水乙临、工业废水甲级生活污水甲级、工业废水甲级工业固体废物甲临自动连续监测(水)正式生活污水乙临、工业废水乙临工业废水甲级工业固体废物乙级工业废水甲级生活污水乙级生活污水乙级生活污水乙级工业废水乙级工业废水甲临生活污水乙级、除尘脱硫乙临除尘脱硫甲临生活污水乙级、工业废水乙级生活污水乙临、工业废水乙临自动连续监测(水)正式工业废水乙临生活污水甲临生活污水甲级生活污水乙级生活污水甲级、工业废水甲级生活垃圾甲级工业废水乙级生活污水甲临生活污水乙级、工业废水乙级自动连续监测(水)正式工业废水乙级工业废水乙级自动连续监测(水)正式工业废水乙级、生活垃圾甲级自动连续监测(水)正式工业废水乙临生活污水甲级、工业废水甲级工业废水甲级工业废水乙级工业废水乙临、自动连续监测(水)临时生活污水甲级工业废水乙级、工业固体废物乙级生活污水乙临、工业废水乙临生活污水甲临、工业废水甲临、自动连续监测(水)临时生活污水甲级、工业废水甲级生活污水乙级生活污水甲临自动连续监测(水、气)正式生活污水甲级、工业废水甲级生活污水甲级生活污水甲级、工业废水甲级生活污水甲级、工业废水甲级工业固体废物甲级工业废水乙级生活污水甲临、工业废水甲临生活污水甲级、工业废水甲级生活污水乙级、工业废水甲级工业废水甲临自动连续监测(气)正式自动连续监测(气)正式生活污水乙临、工业废水乙临生活污水乙级工业废水甲级工业废水乙级生活污水甲临、工业废水甲临工业废水甲级生活污水乙临、工业废水乙临工业废水乙级生活垃圾甲级、工业固体废物甲级自动连续监测(水)正式生活污水甲级、生活垃圾乙级自动连续监测(气)正式自动连续监测(水、气)临时生活污水甲临、工业固体废物甲临生活污水乙临、工业废水乙临生活污水乙临、工业废水乙临生活污水甲临、工业废水甲临工业废水甲级生活污水甲临、工业废水甲临工业废水甲级生活污水乙级生活污水甲临、工业废水甲临工业废水乙临生活污水乙临、工业废水乙临除尘脱硫甲级生活污水甲级生活污水乙级、工业废水乙级除尘脱硫甲临自动连续监测(水、气)临时自动连续监测(气)临时生活污水甲级工业废水甲级自动连续监测(水)正式生活污水乙临、工业废水乙临自动连续监测(水、气)正式除尘脱硫甲级工业废水甲级生活污水甲级除尘脱硫甲临生活污水乙临、工业废水乙临工业废水乙级生活污水甲临、工业废水甲临生活污水乙临生活污水甲级、工业废水甲级工业废水甲临生活污水甲临、工业废水甲临工业废水甲临、生活垃圾甲临、工业固体废物甲临生活污水甲级、工业废水甲级生活垃圾甲临、工业固体废物甲临生活污水甲级、工业废水甲级工业废水乙级、除尘脱硫乙级、自动连续监测(水)正式自动连续监测(气)正式生活污水甲级、工业废水甲级生活污水甲级、工业废水乙临生活污水乙临、工业废水乙临、自动连续监测(水)临时生活污水乙临、工业废水乙级生活污水甲临、工业废水甲临生活污水甲临、工业废水甲临生活垃圾甲级生活污水乙级。
环境污染治理设施运营资质证书分为甲级和乙级两个级别环境污染治理设施运营资质证书分为甲级和乙级两个级别,持有甲级资质证书的单位,可在全国范围内从事该专业类别任何规模的生活污水治理设施的运营业务; 持有乙级资质证书的单位,可在全国范围内从事单个项目处理水量30000吨/日以下的生活污水治理设施运营业务。
甲、乙级资质证书各分为正式证书和临时证书两种,甲级资质证书和乙级资质证书有效期为3年,临时甲级资质证书和临时乙级资质证书有效期为1年。
二、基本条件1、具有独立企业法人资格或者企业化管理事业单位法人资格,且注册资金符合要求。
2、具有维护设施正常运转的专业技术人员;(1)申请甲级资质的单位应具备不少于10名具有专业技术职称的技术人员,其中高级职称不少于5名;申请乙级资质的单位应具备不少于6名具有专业技术职称的技术人员,其中高级职称不少于3名。
说明:申请甲级运营资质的5名高级职称专业技术人员中,应至少有3名全职人员,申请乙级运营资质的3名高级职称专业技术人员中,至少应有1名全职人员。
甲乙级上述条件中均可以有2名兼职人员(该2名中也可以由中级职称连续从事环保领域工作5年以上的全职人员视同高级)。
上述人员全部应提交合同聘用文本及聘期、合同期间社保证明等。
(2)申请每一专业类别应有本专业领域至少3名以上专业技术人员。
说明:本专业领域大学本科以上毕业生从事本领域工作3年以上可视为专业技术人员。
上述两项要求不累加计算,第(1)项条件中的人员也可作为上述第(2)项专业类别中的技术人员条件。
(3)申请甲级资质证书的单位至少应有3名运营现场管理人员和10名操作人员取得污染治理设施运营岗位培训证书,申请乙级资质证书的单位至少应有2名运营现场管理人员和6名操作人员取得污染治理设施运营岗位培训证书。
说明:所有从事设施运营现场管理人员和操作人员均应取得污染治理设施运营岗位培训证书。
申请资质证书时应满足上述人员条件数。
3、连续一年以上从事环境污染治理设施运营管理,达到本标准资质类别条件之一,且负责、承担运营管理的污染处理设施所排放的污染物应连续、稳定达到国家或地方的排放标准,没有违反国家法律、法规的行为记录并没有发生重大运营责任事故。
湖北省环保局关于加强环境污染治理设施运营管理的通知文章属性•【制定机关】湖北省环境保护局•【公布日期】2005.08.24•【字号】鄂环发[2005]55号•【施行日期】2005.08.24•【效力等级】地方规范性文件•【时效性】现行有效•【主题分类】正文湖北省环保局关于加强环境污染治理设施运营管理的通知(鄂环发[2005]55号)各市、州、直管市、神农架林区环保局及环境污染治理设施运营单位:《环境污染治理设施运营资质许可管理办法》(以下简称《管理办法》)(国家环境保护总局令第23号)颁布实施以来,我省已有近二十家单位取得了环境污染治理设施运营资质,随着污染治理设施社会化运营的发展,运营单位申请获取资质证书的要求日益迫切。
为了规范运营市场,提高环境污染治理设施运营质量和效率,现就加强环境污染治理设施运营管理相关事项通知如下:一、凡在我省境内从事环境污染治理设施运营活动的单位,必须按照国家总局令第23号规定获得由国家环保总局颁发的环境污染治理设施资质证书(以下简称资质证书),并在资质证书规定的范围内从事环境污染治理设施运营活动,未获得资质证书的单位,不得从事环境污染治理设施运营活动。
二、根据《管理办法》规定,省环保局负责本省范围内环境污染治理设施运营资质预审,符合申请条件的单位,向省环保局提交相关申报材料,所需材料要求和表格等可从国家环保总局网站(网址:http://)下载,预审的相关要求见国家环保总局网站科技标准司资质管理中有关内容。
三、持证单位在污染治理设施运营中必须接受环保部门在以下方面的监督管理:(一)持证单位的运营活动应当遵守国家环境保护法律法规的规定,排放的污染物达到国家或地方规定的污染物排放标准和要求。
(二)依据国家环保总局《环境污染治理设施运营资质单位年度考核内容及程序》(环发[2005]84号)通知要求,持证单位在每年1月底前,向省环保局提交上一年度《环境污染治理设施运营情况年度报告表》(报告表可在国家环保总局网站(环发[2005]84号文中下载),(包括负责运营的项目不在我省的持证单位)。
环境保护部令部令第20号环境污染治理设施运营资质许可管理办法《环境污染治理设施运营资质许可管理办法》已于2011年12月30日由环境保护部部务会议审议通过,现予公布,自2012年8月1日起施行。
原国家环境保护总局2004年11月8日公布的《环境污染治理设施运营资质许可管理办法》(国家环境保护总局令第23号)同时废止。
环境保护部部长二○一二年四月三十日主题词:环保法规运营资质许可管理办法环境污染治理设施运营资质许可管理办法目录第一章总则第二章申请与审批第三章运营管理第四章监督管理第五章法律责任第六章附则第一章总则第一条【立法目的】为提高环境污染治理设施运营管理水平,维护环境污染治理设施运营市场秩序,根据《国务院对确需保留的行政审批项目设定行政许可的决定》的规定,制定本办法。
第二条【适用范围】本办法适用于在中华人民共和国领域内从事环境污染治理设施运营的活动。
本办法所称环境污染治理设施运营,是指专门从事污染物处理、处置的社会化有偿服务活动,或者根据双方签订的合同承担他人环境污染治理设施运营管理的有偿服务活动。
第三条【行政许可原则】国家对环境污染治理设施运营实行资质许可。
从事环境污染治理设施运营的单位,应当按照本办法的规定申请获得环境污染治理设施运营资质,并按照资质证书的规定从事环境污染治理设施运营活动。
未获得环境污染治理设施运营资质的单位,不得从事环境污染治理设施运营活动。
第四条【资质类别】环境污染治理设施运营资质实行分类、分级管理。
环境污染治理设施运营资质分为生活污水、工业废水、除尘脱硫脱硝、工业废气、工业固体废物(不含危险废物)、有机废物、生活垃圾、自动连续监测等专业类别。
自动连续监测设施运营资质分为乙级资质和临时资质两个级别,其他环境污染治理设施运营资质分为甲级资质、乙级资质和临时资质三个级别。
第五条【监督管理】国务院环境保护主管部门对环境污染治理设施运营实施统一监督管理,并对省级环境保护主管部门的环境污染治理设施运营管理活动进行指导和监督。
环境污染治理设施运营资质分级分类标准(试行)一、总则1、为提高环境污染治理设施运营管理水平,规范环境污染治理设施运营市场秩序,根据国家环境保护总局《环境污染治理设施运营资质许可管理办法》(第23号令)的规定,制订本标准.2、环境污染治理设施运营资质证书共分:生活污水、工业废水、除尘脱硫、工业废气、工业固体废物、生活垃圾、自动连续监测等专业类别。
具备资质证书申请条件的环境污染治理设施运营单位,可申请其中的一个或几个专业类别的环境污染治理设施运营资质证书.3、环境污染治理设施运营资质证书分为甲级和乙级两个级别,取得甲级资质证书的单位,可在全国范围内承接该专业类别任何规模的环境污染治理设施的运营业务。
取得乙级资质证书的单位,可在全国范围内承接该专业类别规定规模和业务范围的环境污染治理设施的运营业务。
4、环境污染治理设施运营资质证书分为正式和临时证书两种;正式资质证书有效期限3年,临时资质证书有效期限1年。
二、基本条件1、具有独立企业法人资格或者企业化管理事业单位法人资格,且注册资金符合本标准的要求。
2、具有维护设施正常运转的专业技术人员;(1)申请甲级资质的单位应具备不少于10名具有专业技术职称的技术人员,其中高级职称不少于5名;申请乙级资质的单位应具备不少于6名具有专业技术职称的技术人员,其中高级职称不少于3名。
说明:申请甲级运营资质的5名高级职称专业技术人员中,应至少有3名全职人员,申请乙级运营资质的3名高级职称专业技术人员中,至少应有1名全职人员。
甲乙级上述条件中均可以有2名兼职人员(该2名中也可以由中级职称连续从事环保领域工作5年以上的全职人员视同高级)。
上述人员全部应提交合同聘用文本及聘期、合同期间社保证明等。
(2)申请每一专业类别应有本专业领域至少3名以上专业技术人员。
说明:本专业领域大学本科以上毕业生从事本领域工作3年以上可视为专业技术人员。
上述两项要求不累加计算,第(1)项条件中的人员也可作为上述第(2)项专业类别中的技术人员条件。
环境污染治理设施运营资质获证单位名单大全第一批环保设施运营资质认可单位(1999.3)序号单位名称生活污水工业废水除尘脱硫有毒有害废气生活垃圾工业固体废物属地编号1 靖江市环境工程公司正式江苏国环A00012 南通宏图技术有限公司正式江苏国环A00023 徐州源泉环保工程有限公司正式江苏国环A00034 吴县市角直污水处理厂正式江苏国环A00045 北京金源环境保护设备有限公司正式北京国环A00116 大连经济开发区东泰产业废弃物处理有限公司正式辽宁国环A00077 山东省淄博同济环境工程设计院正式山东国环A00088 深圳市工业废物处理站广东国环A00099 上海申佳环境工程有限公司正式国环A001010 南通经济技术开发区污水处理厂正式江苏国环A000511 山东景芝集团公司污水处理厂临时山东国环B000112 大连东达环境工程有限公司正式辽宁国环A0006关于公布第二批环保设施运营资质认可单位的通知(环发[1999]293号1999.12.24)序号单位名称生活污水工业废水除尘脱硫有毒有害废气生活垃圾工业固体废物1北京华联达环保能源技术开发有限责任公司临时2 北京清华双益环境工程有限公司临时3 天津市联合环保工程设计有限公司临时4 天津经济技术开发区污水处理厂临时5 沈阳东宇环境工程有限公司正式正式6 沈阳环境科学研究所临时7 大连东达环境工程有限公司临时8 济南十方环保有限公司正式9 济南市汇通环保科技开发公司正式10 青岛天人环保有限公司正式11 山东临朐绿洲环保设备有限公司正式12 泉州高科环保工程设计研究所临时正式13 上海金山联合环境工程公司正式14 上海依科绿色工程有限公司正式15 上海市危险废物处理中心正式16 中船工业总公司第七研究院第704所临时17 浙江省台州市德明环保服务有限公司正式18 杭州市环境保护公司临时正式19 绍兴县给排水工程管理处临时20 浙江省湖州市环境科学研究所临时21 厦门金闽环保工程有限公司正式正式22 福建三明天地环保技术开发有限公司正式23 南平市环境工程开发公司正式24 厦门海洋三所科技开发公司临时正式25 福建省开利能源环保设备有限公司临时26 福建省废弃物管理中心临时27 福建龙净股份有限公司临时28 中山市环保实业发展总公司正式29 深圳市金达莱环保有限公司正式30 广州净境工程公司临时31 广州市通用新产品开发公司临时32 深圳市大龙水处理技术有限公司正式33 广州市中绿环保有限公司临时临时34 深圳市中兴新通讯设备有限公司临时35 南京市环境保护科学研究所正式36 苏州市环境工程有限责任公司正式临时37 南通市污水处理厂临时38 江苏一环集团公司临时39 江苏核工业格林水处理有限责任公司临时40 宜兴市贝特污水处理设备厂临时41 江阴市环境工程有限公司临时42 江苏七洲集团环境工程有限公司临时43 无锡市星宇环保有限公司临时44 四川清源环境工程有限责任公司临时45 重庆绿色实业发展有限公司临时46 山西物产三源环保有限公司临时47 中国石油兰州化学工业公司临时48 内蒙古清泉精细化工有限责任公司临时49 西安长城科工贸总公司临时50 长沙中绿环境工程设计建设有限公司正式临时51 冶金工业部长沙冶金设计研究院临时52 河北省环境保护研究所环境工程中心临时临时吉林化学工业股份有限公司污水处理临时53厂54黑龙江省盛大环保建筑工程有限责任公司临时关于公布第三批环保设施运营资质认可单位的通知(环发[2000]152号2000.7.26)序号单位名称工业废水生活污水除尘脱硫有毒有害废气生活垃圾工业付固废1 北京市桑德环境技术发展公司临时正式2 北京市城市排水公司正式3 清华紫光股份有限公司正式正式4 北京中航银燕环境工程有限公司临时5 天津市环境保护技术开发中心正式6沈阳经济技术开发区公正水务有限公司临时7 沈阳特种环保设备制造股份有限公司正式8 大连市环境保护发展公司正式9 济南市环境保护科学研究所正式10 济南市水处理技术实验所正式11 青岛市环境保护工程公司临时12 青岛清华环境保护有限公司正式13 济宁市方园环境工程有限责任公司正式14 济宁市环境工程建筑安装公司正式15 上海闵行环保开发实业公司正式16 上海昀达环境工程有限公司正式17 上海锦实环保实业有限公司临时18 上海多佳环境科技有限公司正式19 上海环境保护有限公司正式20 上海同济水处理技术开发中心正式21 浙江大学环境工程公司正式22 杭州环保成套工程公司正式正式23 浙江环监环保工程有限公司临时24 杭州锦江环保能源有限公司正式25 嘉兴市大禹环保技术开发有限公司临时26 嵊州市绿洲水处理工程有限公司正式福建省新开源化工环保技术工程有限临时临时27公司28 福建福光光学电子集团公司正式29 福建省环境保护设计院正式30 福建晋江凤竹针织漂染实业有限公司正式31 福建省福州市环境科学研究所正式32 福州奥力清环境工程有限公司正式正式33 广州茵绿环境科技发展公司临时正式34 广东粤环科技公司临时35 广东省环境工程装备总公司正式临时36 广州净海油污水工程有限公司临时37 广州经济技术开发区污水处理厂正式38 番禺市环保设备工程总公司正式正式39 博罗县环境保护技术服务公司正式深圳市蛇口丰河环境工程技术开发有正式40限公司41 深圳市东江环保技术有限公司临时正式42 深圳市绿绿达环保有限公司临时43 深圳市工业废物处理站正式44 江苏鹏鹞集团有限公司正式正式45 宜兴市环发设备制造公司正式46 宜兴市清华环境工程有限公司临时47 宜兴市东方水设备有限公司正式48 吴县市东方环境工程有限公司正式49 无锡市环境保护公司临时50 无锡市环境科学研究所正式51 无锡现代环保工程有限公司正式52 昆山市石浦镇联合污水处理厂正式53 重庆中天环保产业(集团)有限公司正式正式54 重庆三峰环境产业有限公司正式正式55 重庆康达环保实业(集团)有限公司临时56 大同爱得机电技术有限责任公司正式57化学工业部第三设计院(东华工程公司)正式58 合肥威达净化装备工程有限公司正式59 安徽国祯环保节能科技股份有限公司正式60 国家电力公司电力环境保护研究所临时关于公布第四批环保设施运营资质认可单位的通知(环发[2001]20号2001.2.22)序号单位名称工业废水生活污水除尘脱硫有毒有害废气生活垃圾工业付固废1 江苏核工业格林水处理有限责任公司正式2 福州科环高新环保工程设计所临时3 天津市联合环保工程设计有限公司正式4 福建省固体废物处置有限公司正式5 昆山市净之杰固废处理有限公司临时6 北京依新瑞环境保护有限责任公司临时7 北京市市政工程设计研究总院正式8 北京清华永新双益环保有限公司正式正式9 北京美华博大环境工程有限公司正式10 成都市污水处理厂临时11 厦门市环境保护科研所正式12 济南市环境工程设计院正式13 青岛易通环保设备仪器厂临时14 安徽国祯环保节能科技股份有限公司正式15 上海依科绿色工程有限公司临时16 上海石化寰保实业有限公司临时17 上海松华技术工程有限公司临时18 大连东达环境工程有限公司正式19 长沙中绿环境工程设计建设有限公司正式20 沈阳市环境科学研究所临时正式21 苏州新区环保服务中心临时22 浙江省环境工程公司临时临时23 浙江省环境保护科学设计研究院正式24 浙江水美环保工程有限公司临时25 国家电力公司华东勘测设计研究院临时26 浙江省工业环保设计研究院正式27 杭州大地工业固体废弃物处理有限公司临时28 杭州杭氧环保成套设备有限公司临时29 金华市天乙环保工程有限公司临时30 烟台环保产业技术开发公司临时临时31 佛山市环境工程技术服务中心正式32 广东绿林环保技术开发公司正式33 中山市污水处理公司临时34 苏州市环境工程有限责任公司正式35 广州市通用新产品开发有限公司正式36 上海环保节能工程公司临时临时37 中国环境保护公司临时关于公布第五批环保设施运营资质认可单位的通知(环发[2001]117号2001.8.9)序号单位名称生活污水工业废水除尘脱硫有毒有害废气生活垃圾工业固体废物1 深圳市万山红环保实业有限公司临时2 深圳市中棱环保有限公司正式3 深圳晓清环境工程设备有限公司正式4 深圳市粤昆仑环保实业有限公司临时5 深圳市锦天和环保有限公司临时6 深圳市祐林环保有限公司正式7 深圳市绿绿达环保有限公司正式8 深圳市金达莱环保有限公司正式9 深圳市中兴环境工程技术有限司正式正式10 深圳市东江环保技术有公司正式正式11 深圳市威创环保实业有限公司临时12 广东新大禹环境工程有限公司临时13 广州净海油污水工程有限公司正式14 广州茵绿环境科技发展公司正式正式15 中山市污水处理公司正式16 东莞市环境保护技术服务中心临时正式17 广州市中绿环保有限公司正式正式18 广州市奥力奇环保技术工程有限公司临时19 汕头龙珠水质净化厂正式正式20 华南环境科技开发公司临时正式21 广东生活环境无害化处理中心临时22 广东粤环科技公司正式23 上海东华凌云环境科技发展有限公司正式临时24 上海天成市政环保工程有限公司临时正式25 上海佛欣爱建河道治理有限公司临时临时26 上海纺织环境保护中心正式27 上海市城市排水市南运营有限公司正式正式28 上海冠洁环保科技有限公司正式29 上海福城机电工程成套设备有限公司正式临时30 上海鸿程环境工程有限公司正式31 北京市环境保护科学研究院正式临时32 北京清华永新双益环保有限公司正式临时33 北京碧叶环境工程有限责任公司正式正式34 北京市桑德环境技术发展有限公司正式35 海南中能环保物业管理有限公司正式36 黑龙江省先锋环保实业有限公司临时37 无锡市东方工业环保有限公司临时38 苏州市环境工程有限责任公司正式39 浙江紫光环保有限公司临时40 杭州中环环保工程有限公司正式41 杭州恒达环保机械有限公司正式42 金华市海河环境工程有限公司正式43 东阳市环保科技有限公司正式44 义乌市环境工程建设有限公司正式45 浙江台州仙峰贵金属有限公司临时46 嘉兴市大禹环境工程有限公司正式47 平湖市绿色环保技术发展有限公司正式48 东北煤炭工业环境保护研究所临时临时49 贵阳市建筑设计院临时临时临时临时50 厦门陆海科技工程有限公司临时51 厦门市英迈特环保科技工程有限公司正式52 宿州市环境保护科学研究所正式53 安徽金鼎工程(集团)有限责任公司正式54 黄山市环境工程公司正式55 安庆市环境保护科学研究所正式56 锦州市环境工程有限公司正式哈尔滨工业大学环保科技股份有限公57临时正式司58 大庆市北盛有限公司正式59 沧州市环境保护发展有限公司正式60 邯郸市东污水处理厂正式61 无锡市环境保护公司临时正式62 江苏南方环境工程有限公司正式63 无锡市机械工业环境监测站正式64 江苏一环集团公司临时65 扬州澄露环境工程有限公司临时66 常州市排水管理处正式正式67 苏州新区星火环境净化有限公司正式68 无锡太湖山水城环境保护有限公司临时69 苏州新区污水处理厂正式临时70 江苏省环境科学研究院临时临时71 山西省污水处理有限公司正式72 青岛经济技术开发区供排水总公司正式73 青岛市市北区环保工程公司临时74 日照市环境保护科学研究所正式75 青岛环美实业公司正式76 青岛信正工程服务中心正式77 青岛高科技工业园惠特物业管理中心临时临时78 山东省金华夏环境工程有限公司正式79 吉化集团环保产业有限公司正式80 新疆旭日环保工程有限责任公司临时正式塔里木石油勘探开发指挥部沙漠运输81正式临时公司环保公司82 宜兴市华都绿色工程集团公司正式83 湖南省爱普环境工程有限公司正式84 湖南绿意东泰产业废弃物处理有限公临时司关于公布第六批环保设施运营资质认可单位的通知(环发[2002]14号2002.1.28)序号单位名称工业废水生活污水除尘脱硫有毒有害废气生活垃圾工业固废1 重庆康达环保股份有限公司正式2 福州嘉园环保工程有限公司临时临时3 江阴市环境工程有限公司正式4 常州东南工业废水处理厂临时5 福建龙净环保股份有限公司正式正式6 青海蓝天环保科技有限公司临时7 深圳市金达莱环保有限公司临时8 沈阳远大环境工程有限公司正式9 安徽省正大环境工程公司正式临时10 厦门绿洲环保产业股份有限公司临时临时11 福州绿明环保工程有限公司临时12北京中航空港机电设备安装工程有限公司正式13 武汉方元环境科技股份有限公司正式14 岳阳市新科环保设备工程有限公司临时15 东北煤炭工业环境保护研究所临时16 广州茵绿环境科技发展公司临时17 南海市环境工程有限公司正式18 惠州市环保服务总公司正式19 惠阳市环保综合服务公司正式20 东莞市昌华环保技术有限公司正式21 广东万绿环保工程有限公司临时22 广州市华珠保工程技术有限公司临时23 珠海市香洲水质净化厂临时正式24 拱北水质净化厂临时正式25 珠海经济特区吉大水质净化厂临时正式26 佛山市绿叶环境保护中心临时27 苏州工业园区清源水业有限责任公司临时正式28 四川科学城神工环保工程有限公司正式29 深圳市利赛实业发展有限公司临时正式30 上海市天丰环保有限公司临时正式31 上海汉斯精细化工有限公司临时32 上海市城市排水市北运营有限公司正式正式33 上海环保(集团〕有限公司正式临时34 上海依科绿色工程有限公司正式35 四川中科成环保股份有限公司临时36 煤炭科学研究总院杭州环境保护研究所临时37 湖州世纪清环保工程有限公司临时38 宁波市华东市政建设工程总公司临时39 大禹环境科学有限公司临时临时40 盘锦市华意环境工程有限公司正式41 北京邦达诚环境科技发展有限公司临时临时42 北京蓝与绿科技发展有限公司临时临时关于公布第七批环保设施运营资质认可单位的通知(环发[2002]116号2002.8.21)序号单位名称生活污水工业废水除尘脱硫有毒有害废气生活垃圾工业固体废物1 青岛市环境保护工程公司正式2 青岛银河环保股份有限公司临时关于公布第十一批环保设施运营资质单位的通知(环发[2004]115号2004.8.18)。
环境污染治理设施运营资质证书分为甲级和乙级两个级别Coca-cola standardization office【ZZ5AB-ZZSYT-ZZ2C-ZZ682T-ZZT18】环境污染治理设施运营资质证书分为甲级和乙级两个级别,持有甲级资质证书的单位,可在全国范围内从事该专业类别任何规模的生活污水治理设施的运营业务; 持有乙级资质证书的单位,可在全国范围内从事单个项目处理水量30000吨/日以下的生活污水治理设施运营业务。
甲、乙级资质证书各分为正式证书和临时证书两种,甲级资质证书和乙级资质证书有效期为3年,临时甲级资质证书和临时乙级资质证书有效期为1年。
二、基本条件1、具有独立企业法人资格或者企业化管理事业单位法人资格,且注册资金符合要求。
2、具有维护设施正常运转的专业技术人员;(1)申请甲级资质的单位应具备不少于10名具有专业技术职称的技术人员,其中高级职称不少于5名;申请乙级资质的单位应具备不少于6名具有专业技术职称的技术人员,其中高级职称不少于3名。
说明:申请甲级运营资质的5名高级职称专业技术人员中,应至少有3名全职人员,申请乙级运营资质的3名高级职称专业技术人员中,至少应有1名全职人员。
甲乙级上述条件中均可以有2名兼职人员(该2名中也可以由中级职称连续从事环保领域工作5年以上的全职人员视同高级)。
上述人员全部应提交合同聘用文本及聘期、合同期间社保证明等。
(2)申请每一专业类别应有本专业领域至少3名以上专业技术人员。
说明:本专业领域大学本科以上毕业生从事本领域工作3年以上可视为专业技术人员。
上述两项要求不累加计算,第(1)项条件中的人员也可作为上述第(2)项专业类别中的技术人员条件。
(3)申请甲级资质证书的单位至少应有3名运营现场管理人员和10名操作人员取得污染治理设施运营岗位培训证书,申请乙级资质证书的单位至少应有2名运营现场管理人员和6名操作人员取得污染治理设施运营岗位培训证书。
说明:所有从事设施运营现场管理人员和操作人员均应取得污染治理设施运营岗位培训证书。
四川省环境保护产业协会环境污染治理设施运营资质管理办法(试行)第一章总则第一条根据新《环境保护法》关于鼓励和支持环境保护产业发展的基本精神和国务院机构改革中关于部门自行设置的各类职业资格不再实施许可和认定,逐步建立由行业协会组织开展水平评价职业资格制度的要求。
为适应环境保护和经济建设需要,规范环境污染治理设施运营业行业市场行为,加强污染治理设施运营服务业行业自律管理,保证环境污染治理设施正常运行和污染物达标排放,促进污染治理设施运营服务有序发展,结合四川省实际情况,制定本办法。
第二条本办法所称的环境污染治理设施运营资质,是指四川省环境保护产业协会按照本办法的有关规定,组织有关专家对我省专门从事污染物处理、处置的社会化有偿服务活动的单位,或者对根据双方签订的合同承担他人环境污染治理设施运营管理的有偿服务活动单位的能力及范围等进行行业确认、验证和评价,并核发相应的《四川省环境保护产业协会环境污染治理设施运营资质证书》(以下简称证书)。
第三条证书按照申请单位的专业能力、技术水平、在岗相关专业工程技术人员配备等情况分为生活污水、工业废水、除尘脱硫脱硝、工业废气、工业固体废物(不含危险废物)、有机废物、生活垃圾、自动连续监测等专业类别。
第四条四川省环境保护产业协会核发的《四川省环境保护产业协会环境污染治理设施运营资质证书》分为甲级、乙级和丙级三个级别。
四川省环境保护产业协会将推荐符合中国环境保护产业协会一级条件的省级甲级单位申报中国环境保护产业协会的一级资质证书。
在四川省外有业务需要的省级乙级证书持证单位可向四川省环境保护产业协会申请换发中国环境保护产业协会的二级资质证书。
第五条按照自愿、公开、公正、公平、透明和非歧视的原则,一切从事环境污染物处理、处置的社会化有偿服务活动,或者根据双方签订的合同承担他人环境污染治理设施运营管理的有偿服务活动的企事业单位(含专业设计院、所),均可自愿申请办理证书。
第六条从事环境污染治理设施运营的现场管理人员和现场操作人员,应当按照相关申报规定,参加由四川省环境保护产业协会统一组织的环境污染治理设施运营现场管理人员和现场操作人员的培训和考核。
环境污染治理设施运营资质证书分为甲级和乙级两个级别(总5页)-CAL-FENGHAI.-(YICAI)-Company One1-CAL-本页仅作为文档封面,使用请直接删除环境污染治理设施运营资质证书分为甲级和乙级两个级别,持有甲级资质证书的单位,可在全国范围内从事该专业类别任何规模的生活污水治理设施的运营业务; 持有乙级资质证书的单位,可在全国范围内从事单个项目处理水量30000吨/日以下的生活污水治理设施运营业务。
甲、乙级资质证书各分为正式证书和临时证书两种,甲级资质证书和乙级资质证书有效期为3年,临时甲级资质证书和临时乙级资质证书有效期为1年。
二、基本条件1、具有独立企业法人资格或者企业化管理事业单位法人资格,且注册资金符合要求。
2、具有维护设施正常运转的专业技术人员;(1)申请甲级资质的单位应具备不少于10名具有专业技术职称的技术人员,其中高级职称不少于5名;申请乙级资质的单位应具备不少于6名具有专业技术职称的技术人员,其中高级职称不少于3名。
说明:申请甲级运营资质的5名高级职称专业技术人员中,应至少有3名全职人员,申请乙级运营资质的3名高级职称专业技术人员中,至少应有1名全职人员。
甲乙级上述条件中均可以有2名兼职人员(该2名中也可以由中级职称连续从事环保领域工作5年以上的全职人员视同高级)。
上述人员全部应提交合同聘用文本及聘期、合同期间社保证明等。
(2)申请每一专业类别应有本专业领域至少3名以上专业技术人员。
说明:本专业领域大学本科以上毕业生从事本领域工作3年以上可视为专业技术人员。
上述两项要求不累加计算,第(1)项条件中的人员也可作为上述第(2)项专业类别中的技术人员条件。
(3)申请甲级资质证书的单位至少应有3名运营现场管理人员和10名操作人员取得污染治理设施运营岗位培训证书,申请乙级资质证书的单位至少应有2名运营现场管理人员和6名操作人员取得污染治理设施运营岗位培训证书。
说明:所有从事设施运营现场管理人员和操作人员均应取得污染治理设施运营岗位培训证书。
环境污染治理设施运营岗位培训证书发放名单(2005年第一批)(发证单位:江苏省环境保护厅)(证书有效期:2005年7月5日至2007年7月4日)3200-05082 王晓忠男生活污水,工业废水操作3200-05083 丁方男生活污水,工业废水操作3200-05084 夏晨辉男生活污水,工业废水操作3200-05085 陆志敏男生活污水,工业废水操作3200-05086 陈卫平男生活污水,工业废水现场管理3200-05087 张金华男生活污水,工业废水操作3200-05088 陈丽辉男生活污水,工业废水操作3200-05089 严正男生活污水,工业废水操作3200-05090 施红平男生活污水,工业废水操作3200-05091 朱凡男生活污水,工业废水现场管理3200-05092 马康男生活污水,工业废水现场管理3200-05093 张海林男生活污水,工业废水操作3200-05094 陈美珍女生活污水,工业废水操作3200-05095 朱竹方男生活污水,工业废水操作3200-05096 施齐生男生活污水,工业废水现场管理3200-05097 龚胜辉男生活污水,工业废水操作3200-05098 王黎明男生活污水,工业废水操作3200-05099 常小燕男生活污水,工业废水现场管理3200-05100 陈玉彦男生活污水,工业废水操作3200-05101 李敏女生活污水,工业废水操作3200-05102 管学广男生活污水,工业废水现场管理3200-05103 尤会恩女生活污水,工业废水操作3200-05104 韩彬男生活污水,工业废水操作3200-05105 王小涛男生活污水,工业废水操作3200-05106 刘晓宝女生活污水,工业废水操作3200-05107 张荣刚男生活污水,工业废水操作3200-05108 于兆发男生活污水,工业废水操作3200-05109 于小峰男生活污水,工业废水操作3200-05110 张永弘男生活污水,工业废水现场管理3200-05111 孙燕女生活污水,工业废水现场管理3200-05112 张天阳男生活污水,工业废水现场管理3200-05113 王浩男生活污水,工业废水现场管理3200-05114 王飞男生活污水,工业废水操作3200-05115 刘云女生活污水,工业废水现场管理3200-05116 赵旭女生活污水,工业废水操作。
环境污染治理设施运行安全生产手册1、总则为建立规范化、标准化、程序化的环境污染治理设施运行安全生产管理保证体系,特制定本手册。
运营管理中心所辖各运行项目应根据本手册的内容(不局限于此)编制针对各自运行项目的安全生产制度及安全生产措施。
2、安全生产管理方针运营管理中心坚决贯彻执行公司“安全第一,预防为主”的安全生产方针,坚持“谁主管,谁负责”即谁主管生产,谁就主管安全的原则。
根据国家有关法律、法规及相关规范、标准并结合运营管理中心环境污染治理设施运行安全生产活动的实际情况,建立健全安全生产责任制度和群防群治制度。
以规范化、标准化、程序化的安全管理保证体系为基础,确保实现运营管理中心环境污染治理设施运行的安全生产管理目标。
3、安全生产管理目标(1)杜绝重大伤亡的发生;(2)杜绝重大火灾事故的发生;(3)杜绝重大交通事故的发生;(4)各运行项目年度发生一般(治疗费用2000元—501元包含医保报销部分,)人身伤害的频率应控制在表-1的指标以下;负伤等级及频率指标表表-14、安全生产管理组织机构环境污染治理设施运行安全生产管理组织机构见图—1。
图-1 环境污染治理设施运行安全生产管理组织机构图5、安全责任制度5、1总经理(1)总经理是公司安全生产第一责任人,对公司的安全生产负责;(2)组织建立健全本单位安全生产管理机构及安全生产责任制;(3)组织制定本单位安全生产规章制度和操作规程,并督促相关部门落实;(4)保证本单位安全生产投入的有效实施,并对由于安全生产所需的资金投入不足导致的后果承担责任;(5)与各运行项目负责人签订运行项目安全生产目标责任状并及时落实奖惩工作;(6)督促,检查本单位的安全生产工作,及时消除生产安全事故隐患;(7)组织制定并实施本单位的生产安全事故应急救援预案;(8)负责及时如实向有关主管部门上报重大安全生产事故;5、2综合办公室(1)招聘符合环境污染治理设施运行要求的员工;(2)对新员工进行入职安全生产教育,包括国家及地方有关安全生产的方针、政策、法律、法规、标准、规范等;(3)组织员工进行外部安全培训获取相应岗位的上岗资格证书;(4)参加总经理及相关部门定期组织的安全生产检查工作;5、3招投标部(1)按照运行项目安全生产计划要求,组织运行项目安全生产技术措施所需的物资供应工作;(2)参加总经理及安全质量部组织的定期安全生产检查工作;5、4财务部(1)及时拨付环境污染治理设施运行现场所需用于采购涉及安全生产的设备、物资的款项;(2)及时支付用于处理安全生产事故医疗救治费用;(3)参加总经理及安全质量部组织定期组织的安全生产检查工作;5、5运营管理中心(1)运营管理中心负责人是下属各运行项目安全生产的第一责任人。
环境污染治理设施运营资质证书申请表(样板)-佛山市新之源污水处理有限公司环境污染治理设施运营资质证书申请表申请单位(盖章):佛山市新之源污水处理有限公司填表日期:2009-04-16环境保护部印制单位名称佛山市新之源污水处理有限公司地址佛山市忠义路58号邮政编码528000联系人电话/传真/手机成立时间2002-01-11 注册资金500.00 法人代表单位性质国有企业固定资产227.00开户银行佛山工行朝东支行帐号主管部门佛山市水业集团有限公司职工总数120 技术人员总数52 高级工程师 4工程师23 助理工程师23 技术员 2 取得污染治理设施运营岗位培训证书操作人员数19主要管理和技术负责人姓名职务及职称年龄专业技术专长厂长45 机械机械维修、电焊经理44 化工水处理技术、水质监测与分析主管45 电气电器工程与机电设备维修厂长30 给排水水处理技术副经理46 机械水处理技术、机电设备一体化主管35 化工水质监测与分析厂长35 电气技术电器工程与设备、水处理技术主管31 给排水水处理技术副经理43 轻化工水处理技术副经理48 给排水二、主要专业技术人员概况姓名职务及职称年龄专业身份证号技术员/工程师34 给排水技术员/高级工程40 环境工程师班长/工程师29 自动化班长/助理工程师29 自动化技术员/助理工程26 分析化学师班长/工程师29 给排水班长/助理工程师26 环境工程技术员/助理工程26 电气自动化师技术员/工程师29 机械班长/工程师30 自动化技术员/助理工程26 机电师技术员/工程师27 自动化技术员/高级工程40 电气自动化师技术员/工程师38 电气主任/工程师39 分析化学技术员/助理工程27 分析化学师技术员/助理工程38 电气自动化师班长/助理工程师27 给排水班长/工程师28 机械技术员/助理工程25 电气自动化师技术员/工程师29 分析化学技术员/工程师28 应用化学班长/工程师28 给排水技术员/工程师30 自动化技术员/工程师46 化工技术员/工程师38 分析化学三、现场管理及操作人员概况姓名职务年龄专业培训证书编号四、主要技术装备情况五、主要环境保护运营项目序号项目名称运营类型运营规模运营起止时间运营效果1 佛山市镇安污水处理厂委托运营2000002007-1-15至2009-12-31良好2 佛山市东鄱污水处理厂委托运营2000002007-7-15至2009-12-31良好3 佛山市沙岗污水处理厂委托运营1000002007-7-15至2009-12-31良好4 佛山市驿岗污水处理厂委托运营500002007-1-1至2009-12-31良好5 佛山市西樵污水处理厂委托运营200002007-4-1至2009-12-31良好六、申请资质情况申请类型定级□升级□转正□增项□申请类型生活污水工业废水除尘脱硫工业废气生活垃圾工业固体废物自动连续监测定级-甲级增项-水临原有资质类别及编号生活污水-国环0547业务范围对污水处理厂(包括厂外污水收集管网和提升泵站)进行运营和管理。