实验二 并励直流发电机的自励建压
- 格式:docx
- 大小:28.85 KB
- 文档页数:4
直流电机一、填空题:11、并励直流发电机自励建压的条件是主磁路存在剩磁;励磁绕组电流产生的磁通方向与剩磁方向一致;励磁回路的总电阻必须小于临界电阻。
2、可用下列关系来判断直流电机的运行状态,当 Ea < U 时为电动机状态,当 Ea >U 时为发电机状态。
3、直流发电机的绕组常用的有叠绕组和波绕组两种形式,若要产生大电流,绕组常采用叠绕组。
4、直流发电机电磁转矩的方向和电枢旋转方向相反,直流电动机电磁转矩的方向和电枢旋转方向相同。
5、单迭和单波绕组,极对数均为p时,并联支路数分别是 2p , 2 。
6、直流电机的电磁转矩是由气隙磁通和电枢电流共同作用产生的。
7、直流电机电枢反应的定义是电枢磁动势对励磁磁动势的作用,当电刷在几何中线时,电动机产生交磁性质的电枢反应,其结果使气隙磁场发生畸变和对主磁场起去磁作用,物理中性线逆电枢旋转方向偏移。
二、判断题11、一台并励直流发电机,正转能自励,若反转也能自励。
(× )2、一台直流发电机,若把电枢固定,而电刷与磁极同时旋转,则在电刷两端仍能得到直流电压。
(√ )3、一台并励直流电动机,若改变电源极性,则电机转向也改变。
(× )4、直流电动机的电磁转矩是驱动性质的,因此稳定运行时,大的电磁转矩对应的转速就高。
(× )5、一台接到直流电源上运行的直流电动机,换向情况是良好的,若改变电枢两端的极性来改变转向,换向极线圈不改接,则换向情况变坏。
(× )三、选择题11、直流发电机主磁极磁通产生感应电动势存在于(① )中。
①电枢绕组;②励磁绕组;③电枢绕组和励磁绕组2、直流发电机电刷在几何中线上,如果磁路不饱和,这时电枢反应是(③ )①去磁;②助磁;③不去磁也不助磁。
3、如果并励直流发电机的转速上升20%,则空载时发电机的端电压U0升高(② )。
①20%;②大于20%;③小于20%。
4、直流电机公式Ea=CeΦn,和Tem=CTΦIa中磁通是指(② )。
实验二直流并励电动机一.实验目的1.掌握用实验方法测取直流并励电动机的工作特性和机械特性。
2.掌握直流并励电动机的调速方法。
二.预习要点1.什么是直流电动机的工作特性和机械特性?答:工作特性:当 U = U , R + r = C 时,η, n ,T 分别随P 变;N f f 2 机械特性:当 U = U , R + r = C 时, n 随 T 变;N f f2.直流电动机调速原理是什么?答:由 n=(U-IR)/Ceφ可知,转速 n 和 U、I 有关,并且可控量惟独这两个,我们可以通过调节这两个量来改变转速。
即通过人为改变电动机的机械特性而使电动机与负载两条特性的交点随之改变,从而达到调速的目的。
三.实验项目1.工作特性和机械特性保持 U=UN 和 If =IfN 不变,测取 n=f(Ia)及 n=f(T2)。
2.调速特性(1)改变电枢电压调速保持 U=UN 、If=IfN =常数, T2 =常数,测取 n=f(Ua)。
(2)改变励磁电流调速保持 U=UN,T2 =常数, R1 =0,测取 n=f(If)。
(3)观察能耗制动过程四.实验设备及仪器1.MEL-I 系列机电教学实验台的主控制屏。
2.机电导轨及涡流测功机、转矩转速测量( MEL-13)、编码器、转速表。
3.可调直流稳压电源(含直流电压、电流、毫安表)第1页4.直流电压、毫安、安培表(MEL-06)。
5.直流并励电动机。
6.波形测试及开关板(MEL-05)。
7.三相可调电阻 900Ω(MEL-03)。
五.实验方法1.并励电动机的工作特性和机械特性。
(1)实验路线如图 1-6 所示U 1 :可调直流稳压电 源R 、R :电枢调节电1 f阻和磁场调节电阻, 位于 MEL-09。
mA 、A 、V :直流毫2安、电流、电压表 (MEL-06)G :涡流测功机I :涡流测功机励磁电流调节,位于 MEL-13。
S(2) 测取电动机电枢电流 I 、转速 n 和转矩T ,共取数据 7-8 组填入表 1-8a 2中表 1 - 8 U = U N = 2 2 0 V I f = I f N = 0. 0 7 4 8 A K a = Ω2.调速特性I a (A )n (r/min ) T 2 (N.m ) P 2 (w )P 1 (w ) η(%) △n (%) 0.95 16071.05177.17 225.46 78.60.44 1.101600 1.18198.24 258.46 76.70.00 0.50 16400.61105.04 126.4683.1 2.500.60 16230.71120.99 148.46 81.51.430.70 16230.81138.04 170.46 81.01.430.40 16550.5086.89104.46 83.23.430.80 16180.91154.60192.46 80.31.12 0.30 16690.3968.3482.4682.9 4.31实验数据 计算 数 据图1-6 直流并励电动机接线图第2页(1)改变电枢端电压的调速 I f =I fN = 0.0748 A,T 2=0.60 N.m2051538 0.547(2)改变励磁电流的调速154680.5 0.595(3)能耗制动图1-7 直流并励电动机能耗制动接线图按图 1 一 7 接线 U 1:可调直流稳压电源 R 1、R f :直流电机电枢 调节电阻和磁场调节 电阻(MEL-09) R L :采用 MEL-03 中两 只 900Ω电阻并联。
19.同步发电机是怎样发出三相对称正弦交流电的?答: 同步发电机的转子上绕有励磁绕组,通以直流电励磁,产生磁场,并由原动机带动旋转,使定子三相对称绕组不断切割转子磁场而感应出三相交流电动势。
(1)波形:由于感应电动势的波形主要取决于转子磁场在气隙空间分布的波形,制造时使转子磁极的磁场在气隙空间尽可能按正弦波分布,三相绕组的Y 形连接和采用短距、分布绕组,便得到正弦波形的感应电动势;(2)大小:由于定子三相绕组对称,它们切割同一个转子磁场,三相感应电动势也对称,大小均为01144.4Φ=W K fN E(3)相位差和相序:由于定子绕组在空间位置上互差1200电角度,转子旋转磁场切割定子三相绕组在时间上有先后顺序,定子的三相感应电动势在时间相位上就互差1200电角度,如果将先切割的一相定义为A 相,则后切割的那两相就为B 相和C 相,因此三相电动势的相序与转子转向一致,其由转子转向决定; (4)频率:转子转过一对磁极,感应电动势就经历一个周期的变化,若电机有p 对磁极,转子以每分钟n 转旋转,则每分钟内电动势变化pn 个周期,即频率为:60pn f =也就是当电机的磁极对数p 一定时,频率f 和转速n 有严格不变的关系。
试比较三相对称负载时同步发电机的电枢磁动势和激磁磁动势的性质,它们的大小、位置和转速各由哪些因素决定的?答:电枢反应磁动势是交流励磁,励磁磁动势是直流励磁20. 同步电抗对应什么磁通?它的物理意义是什么? 答:同步电抗是电枢反应电抗和漏抗 之和;物理意义:同步电抗是表征三相稳定运行时,电枢旋转磁场和漏磁场对电枢电路作用的一个综合参数;同步电抗越大,表示一定负载电流时,电枢反应磁场和漏磁场越强,由它们在电枢绕组中引起的电抗压降越大。
20. 为什么同步电抗的数值一般都较大(不可能做得较小),试分析下列情况对同步电抗的影响?1)电枢绕组匝数增加; 2)铁心饱和程度增大; 3)气隙加大 ;4)激磁绕组匝数增加。
并励直流发电机的特性
一、建压进程及建压条件自励:励磁绕阻并接于电枢绕组两头,由发电机自身的端电压供应励磁,而发电机的端电压又有必要在有了励磁电流后才调发作,所以并励发电机由初始的U=0到正常作业时U为必定值,有一个自己树立电压的进程(自励进程).电机的主磁极通常总有剩磁存在。
原动机拖动转子旋转,电枢绕组切开剩磁场,发作一个不大的剩磁感应电势。
这一电势加到励磁绕组将发作一个不大的励磁电流。
该励磁电流发作的磁势假定与剩磁同方向,将彼此加强,会树立起安稳电压。
该励磁电流发作的磁势假定和剩磁反方向,将彼此削弱,将无法树立安稳电压。
可见励磁绕组的接线对树立电压很首要。
安稳点:由动态方程可知,当u0(if)-Rfif=0时,励磁电流和电压将抵达安稳值。
建压临界电阻:场阻线与空载特性相切时对应的励磁回路电阻。
建压条件:a.电机中要有剩磁;b.励磁绕组与电枢绕组并接精确;c.励磁回路总电阻应小于建压时临界电阻。
二、开路特性U0=f(If)并励发电机的励磁电流很小,只占额外电流的(1~3)%。
这么纤细的电流在电枢绕组中致使的电压降和电枢反响的影响很小,可以疏忽不计。
所以并励发电机的开路电压也便是电枢中的感应电势。
U0=Ea-IfRa-2ΔUs≈Ea并励发电机的开路特性曲线与他励时一样,通常实验时接成他励办法即可。
三、外特性U=f(I)
U=Ea-Ra(I+If)-2ΔUs=(CeΦn-RaIf-2ΔUs)-RaI有三个要素致使端电压随负载电流添加而降低:电阻Ra上的压降;电枢反响的去磁作用;以上2要素致使励磁电流的进一步削减。
然后致使端电压再降低。
通常ΔU=(十~30)%。
发电机(含双馈机)励磁控制系统综合实验实验报告发电机(含双馈机)励磁控制系统综合实验报告专业班级:姓名:学号:实验地点:讲师:1一、概述励磁控制系统实验接线图如图1可供选择的励磁方式有两种:自并励和他励。
当三相全(半)控桥的交流输入电源取自发电机机端时,构成自并励励磁系统。
而当交流输入电源取自380v市电时,构成他励励磁系统。
两种励磁方式的可控整流桥均是由微机自动励磁调节器控制的,全控时的触发脉冲为双脉冲,具有最大最小a限制。
以下实验操作均针对附录a中的发电机控制系统实验平台而言。
Qftatvfu微机励磁调节器KML至机器终端agsvkmrmvt自并励和单独励磁至市政电源图1励磁控制系统实验接线图在综合试验台上,微机励磁调节器有四种控制方式:恒定UG(保持发电机端电压为定值)、恒定IL(保持励磁电流为定值)、恒定Q(保持发电机无功功率为定值)和恒定a (保持控制角恒定)。
其中,恒定a模式是一种开环控制模式,仅限于使用单独的励磁模式。
同步发电机并入电力系统之前,励磁调节装置能维持机端电压在给定水平。
当操作励磁调节器的增、减磁按钮,可以升高或降低发电机电压;当发电机并网运行时,操作励磁调节器的增、减按钮,可以增加或减少发电机的无功输出,其机端电压按调差特性曲线变化。
发电机正常运行时,三相全(半)控制桥处于整流状态,控制角a小于90°;在正常停机或事故停机时,调节器的控制角a大于90°以实现逆变器灭磁。
电力系统稳定器――pss是提高电力系统动态稳定性能的经济有效方法之一,已成为励磁调节器的基本配置;励磁系统的强励,有助于提高电力系统暂态稳定性;励磁限制器是保障励磁控制系统安全可靠运行的重要环节。
二、实验与思考实验一不同a角(控制角)对应的励磁电压波形观测实验当机组未启动时,可通过操作“增磁”按钮或“退磁”按钮逐渐减小或增大控制角a,从而改变三相全控桥的电压输出和波形。
实验时,调节励磁电流为表2-1规定的若干值,通过接在ud?、ud?之间的示波器观测二全控桥输出电压波形,并由电压波形估算出a角,另外利用数字万用表测出全控桥的直流输出电压ufd和交流输入电压uac,将以上数据计入表,通过ufd,uac和数学计算公式也可计算出一个a角来;完成此表后,比较两种途径得出的a角有无不同,分析其原因。
直流电机的实验报告2-2直流发电机一、实验目的1、掌握用实验方法测定直流发电机的各种运行特性,并根据所测得的运行特性评定该被试电机的有关性能。
2、通过实验观察并励发电机的自励过程和自励条件。
二、预习要点1、什么是发电机的运行特性?在求取直流发电机的特性曲线时,哪些物理量应保持不变,哪些物理量应测取。
2、做空载特性实验时,励磁电流为什么必须保持单方向调节?3、并励发电机的自励条件有哪些?当发电机不能自励时应如何处理?4、如何确定复励发电机是积复励还是差复励?三、实验项目1、他励发电机实验(1)测空载特性保持n=n N使I L=0,测取U0=f(I f)。
(2)测外特性保持n=n N使I f=I fN,测取U=f(I L)。
(3)测调节特性保持n=n N使U=U N,测取I f=f(I L)。
2、并励发电机实验(1)观察自励过程(2)测外特性保持n=n N使R f2=常数,测取U=f(I L)。
3、复励发电机实验积复励发电机外特性保持n=n N使R f2=常数,测取U=f(I L)。
四、实验设备及挂件排列顺序1、实验设备2、屏上挂件排列顺序D55-4,D31、D44、D31、D42、D51五、实验方法1、他励直流发电机(必做)按图1-2-1接线。
图中直流发电机G选用DJ13,其额定值PN=100W,UN =200V,IN=0.5A,nN=1600r/min。
直流电动机DJ23-1作为G的原动机(按他励电动机接线)。
涡流测功机、发电机及直流电动机由联轴器同轴联接。
开关S选用D51组件上的双刀双掷开关。
Rf1选用D44的1800Ω变阻器,Rf2 选用D42的900Ω变阻器,并采用分压法接线。
R1选用D44的180Ω变阻器。
R2为发电机的负载电阻选用D42,采用串并联接法(900Ω与900Ω电阻串联加上900Ω与900Ω并联),阻值为2250Ω。
当负载电流大于0.4 A时用并联部分,而将串联部分阻值调到最小并用导线短接。
第一章直流电机实验1-1 认识实验一、实验目的1、学习电机实验的基本要求与安全操作注意事项。
2、认识在直流电机实验中所用的电机、仪表、变阻器等组件及使用方法。
3、熟悉他励电动机(即并励电动机按他励方式)的接线、起动、改变电机转向与调速的方法。
二、预习要点1、如何正确选择使用仪器仪表。
特别是电压表电流表的量程。
2、直流电动机起动时,为什么在电枢回路中需要串接起动变阻器? 不串接会产生什么严重后果?3、直流电动机起动时,励磁回路串接的磁场变阻器应调至什么位置? 为什么? 若励磁回路断开造成失磁时,会产生什么严重后果?4、直流电动机调速及改变转向的方法。
三、实验项目1、了解DD01电源控制屏中的电枢电源、励磁电源、校正过的直流电机、变阻器、多量程直流电压表、电流表及直流电动机的使用方法。
2、用伏安法测直流电动机和直流发电机的电枢绕组的冷态电阻。
3、直流他励电动机的起动、调速及改变转向。
四、实验设备及控制屏上挂件排列顺序12、控制屏上挂件排列顺序D31、D42、D41、D51、D31、D44五、实验说明及操作步骤1、由实验指导人员介绍DDSZ -1型电机及电气技术实验装置各面板布置及使用方法,讲解电机实验的基本要求,安全操作和注意事项。
2、用伏安法测电枢的直流电阻图1-1 测电枢绕组直流电阻接线图(1)按图1-1接线,电阻R 用D44上1800Ω和180Ω串联共1980Ω阻值并调至最大。
A 表选用D31直流、毫安、安培表,量程选用5A 档。
开关S 选用D51挂箱。
(2)经检查无误后接通电枢电源,并调至220V 。
调节R 使电枢电流达到0.2A (如果电流太大,可能由于剩磁的作用使电机旋转,测量无法进行;如果此时电流太小,可能由于接触电阻产生较大的误差),迅速测取电机电枢两端电压U 和电流I 。
将电机分别旋转三分之一和三分之二周,同样测取电U 、I 三组数据列于表1-1中。
(3)增大R 使电流分别达到0.15A 和0.1A ,用同样方法测取六组数据列于表1-1中。
实验二直流并励电动机一、实验目的1.掌握用实验方法测取直流并励电动机的工作特性和机械特性。
2.掌握直流并励电动机的调速方法。
二、预习要点1.什么是直流电动机的工作特性和机械特性?2.直流电动机调速原理是什么?三、实验项目1.工作特性和机械特性(自然和人工)保持U=U N和I f=I fN不变,R1=0,测取n、M2、n=f(I a)及n=f(M2)。
保持U=U N和I f=I fN不变,R1+R a=100%R aN,测取n、M2、n=f(I a)及n=f(M2)。
2.调速特性(1)改变电枢电压调速保持U=U N,I f=I fN常值,M0=常值,测取n=f(U a)。
(2)改变励磁电流调速保持U=U N,M2=常值,R1=0,测取n=f(I f)。
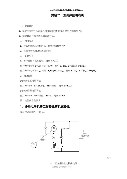
四、实验内容及要求1、并励电动机的工作特性和机械特性实验线路如图2—1所示。
2-1 直流并励电动机接线图要求:1、计算出I a 、P 2和η,并绘出n 、M 、n =f(I a )及n =f(M 2)的自然特性曲线。
电动机输出功率 P 2=0.105nM 2式中输出转矩M 2的单位为N .M ,转速n 的单位为r /min 。
电动机输入功 P 1=U (I a +I fN ) 电动机效率 η=12P P ×100% 由工作特性求出转速变化率: Δn =NNn n n -0×l00% 2.由表2-1在同一坐标纸上画出R 1+R a =100%R aN 时的人工机械特性曲线。
测量固有机械特性表2—1 U=U N =__220___V I f =I f N =__0.122___A R 1=_0__Ω说明:实验测得额定电流、额定电压下转速为1301/min N n r =实 验 数 据I(A) 0.163 0.218 0.285 0.345 0.367 0.427 0.523 0.609 0.676 0.770 0.943 1.216 1.532n(r/min) 1405139813891381137913711363135313461338132313071294M 2(N·m )0.085 0.180 0.269 0.299 0.384 0.530 0.638 0.740 0.860 1.086 1.418 1.757 用matlab 最小二乘拟合得以下固有特性n-Te(mN ·m)曲线图1由以上求得Te=0时,n0≈1399,Te=800时,n ≈1347,∴β≈0.06用matlab最小二乘拟合得以下固有特性n-Ia曲线图2由以上求得Ia=0时,n≈1409;Ia=1.1时,n≈1317计算数据I a(A) 0.163 0.218 0.285 0.345 0.367 0.427 0.523 0.609P2(W)012.4771526.252139.0063543.2937155.2787275.8509590.63747η(%)0.0016.6829.3237.9740.240.460.530.56Δn(%) 7.997.46 6.76 6.15 6.00 5.38 4.77 4.00(说明:Δn=NNn×l00%中Nn取1301r/min)测量串电阻...人工机械特性表2—2 U=UN=__220____V I f=I f N=___0.118__A R1=____178_Ω实验数据I(A) 1.009 0.936 0.859 0.773 0.691 0.620 0.544n(r/min)111 192 293 406 513 606 705M2(N·m)1.195 1.104 1.008 0.891 0.784 0.686 0.584用matlab最小二乘拟合得以下n-Te(mN·m)人工特性曲线图3由以上求得n0≈1278r/min,β≈0.9782.调速特性(1)改变电枢端电压的调速(2)改变励磁电流的调速要求:绘出并励电动机调速特性曲线n=f(U)和n=f(If)。
直流电机实验报告篇一:并励直流电机实验报告实验二直流并励电动机一.实验目的1.掌握用实验方法测取直流并励电动机的工作特性和机械特性。
2.掌握直流并励电动机的调速方法。
1.什么是直流电动机的工作特性和机械特性?答:工作特性:当U = UN, Rf + rf = C时,η, n ,T 分别随P2 变;机械特性:当U = UN, Rf + rf = C时, n 随 T 变;2.直流电动机调速原理是什么?答:由n=(U-IR)/Ceφ可知,转速n和U、I有关,并且可控量只有这两个,我们可以通过调节这两个量来改变转速。
即通过人为改变电动机的机械特性而使电动机与负载两条特性的交点随之改变,从而达到调速的目的。
二.预习要点三.实验项目1.工作特性和机械特性保持U=UN 和If =IfN 不变,测取n=f(Ia)及n=f(T2)。
2.调速特性(1)改变电枢电压调速保持U=UN 、If=IfN =常数,T2 =常数,测取n=f(Ua)。
(2)改变励磁电流调速保持U=UN,T2 =常数,R1 =0,测取n=f(If)。
(3)观察能耗制动过程四.实验设备及仪器1.MEL-I系列电机教学实验台的主控制屏。
2.电机导轨及涡流测功机、转矩转速测量(MEL-13)、编码器、转速表。
3.可调直流稳压电源(含直流电压、电流、毫安表)4.直流电压、毫安、安培表(MEL-06)。
5.直流并励电动机。
6.波形测试及开关板(MEL-05)。
S (2)测取电动机电枢电流Ia、转速n和转矩T2,共取数据7-8组填入表1-8中表1-8 U=UN=220V If=IfN=0.0748A Ka= Ω 2.调速特性(1)改变电枢端电压的调速表1-9 I(2)改变励磁电流的调速一7接线 f:直流电机电枢MEL-09) MEL-03中两Ω电阻并联。
刀双掷开关(MEL-05)六.注意事项1.直流电动机起动前, 测功机加载旋钮调至零. 实验做完也要将测功机负载钮调到零,否则电机起动时,测功机会受到冲击。
并励直流发电机自励的条件并励直流发电机是一种常用的发电机,其原理是将磁场通过励磁线圈产生,通过电刷将电流输送至旋转部件,从而产生电能。
在工业和农业生产中,广泛应用于发电、照明、通信等领域。
但是并励直流发电机的使用需要符合一定的条件,才能保证正常运转,其中包括自励条件。
因此,本文将重点阐述并励直流发电机自励的条件。
一、正常的励磁电流励磁电流是使励磁线圈产生磁通量的电流,是并励直流发电机正常运转的基础。
如果励磁电流过小或过大,都会影响发电机的性能,甚至导致发电机损坏。
因此,保证正常的励磁电流是并励直流发电机自励的重要条件。
二、足够的磁通量磁通量是表示磁场强度的物理量,是并励直流发电机自励的另一个条件。
在正常运转中,必须保证磁通量足够才能产生足够的电能。
如果磁通量不足,将导致发电机输出电压降低,严重时可能造成发电机烧坏。
因此,保证足够的磁通量是并励直流发电机自励的重要条件之一。
三、适当的电刷接触压力电刷是将励磁电流输送至旋转部件的重要组成部分。
在正常运转中,电刷要紧贴旋转部件,保持适当的接触压力,才能有效地传输电流。
如果电刷接触压力不足,会导致电刷与旋转部件不紧密接触,进而导致发电机运转不正常。
因此,保持适当的电刷接触压力是并励直流发电机自励的重要条件之一。
四、合理的负载合理的负载是指发电机输出电能所供给的负载应与发电机容量相适应,既不能过大也不能过小。
如果负载太大,将超过发电机容量,导致发电机严重负荷,甚至烧坏;如果负载太小,将导致发电机输出电压不足,无法供电。
因此,保持合理的负载是并励直流发电机自励的重要条件之一。
综上所述,保证正常的励磁电流、足够的磁通量、适当的电刷接触压力和合理的负载是并励直流发电机自励的四个重要条件。
只有在这些条件的基础上,发电机才能正常运转,产生稳定的电能。
因此,在使用并励直流发电机时,必须注意这些条件,确保发电机的正常运转。
一、选择题(共 50 题,每题 1.0 分):【1】当调节同步发电机励磁电流等于正常励磁电流时,发电机向系统输送()。
A.感性无功功率B.容性无功功率C.无功功率为零D.既有有功功功率又有无功功率【2】运行不足20年的发电机定子绕组局部更换定子绕组并修好后,应进行交流耐压试验,其试验电压应为()倍额定电压。
A.1B.1.15~1.3C.1.5D.2.0【3】火灾按燃烧和物质不同,共分为四类,不能用于第II类火灾的灭火剂是()。
A.水B.1211灭火器C.泡沫灭火器D.干粉灭火器【4】有功功率的单位是()。
A.WB.VAC.vanD.Ω【5】氢冷发电机的出线罩与机座之间的结合面是容易漏氢的部位之比较长久和彻底的解决办法是()。
A.采用橡胶条密封B.采用橡胶板密封C.采用塑料密封胶密封D.在保证焊接质量的前提下直接焊死【6】运行中的380V交流电机绝缘电阻应大于()MΩ方可使用。
A.3B.2C.1D.0.5【7】装有SF6设备的配电装置室和SF6气体实验室,必须装设强力排风装置。
风口应设置在室内的()。
A.顶部B.中部C.底部D.任意地方【8】若将一段电阻值为丑的导体均匀拉长至原来的2倍,则其电阻大小将为()。
A.14RB.12RC.2RD.4R【9】增大绕线式异步电动机转子回路电阻值,起动电流将()。
A.不变B.增大C.减小D.无关【10】-台异步电动机启动困难,负载时转速低电流大但三相电流对称,有过热现象,最可能的原因是()。
A.电源缺相B.电压过高C.电压过低D.定子绕组存在匝间短路【11】无功功率的单位是()。
A.WB.VAC.varD.Ω【12】电感线圈在直流回路中相当于()。
A.阻抗B.短接C.开路D.电抗【13】当交流电流通过一导体时,产生的电磁感应将迫使电流趋向于由导体表面经过,这一现象被称为"()"。
A.电磁感应B.洛伦兹力C.集肤效应D.涡流【14】感性负载的电枢反应将使发电机气隙合成磁场()。
实验二并励直流发电机的自励建压及空载特性的测定一、实验目的1.学习和掌握并励直流发电机的自励条件与方法、观察自励过程。
2.掌握改变直流发电机输出电压极性的方法。
3.掌握并励直流发电机的空载特性的测定方法。
二、实验内容1.并励直流发电机自励建压。
2.改变直流发电机输出电压的极性。
3.测定直流发电机空载特性。
三、预习要点1.并励直流发电机自励建压的条件。
2.并励直流发电机不能自励建压时的处理方法。
3.与直流发电机输出电压极性有关的因素。
4.空载特性测定时,励磁电流的调节方法。
四、原理简述并励直流发电机是一种自励电机。
当原动机拖动发电机旋转时,电枢绕组切割剩磁通产生感应剩磁电势。
此电势在并励绕组回路中产生一个不大的励磁电流,该电流产生的磁通必须与剩磁方向一致,使气隙磁通增强,从而使电枢电势和端电压升高,励磁电流增加,气隙磁场进一步加强,如此循环激励,直至建立稳定的端电压。
稳定点由发电机的空载特性曲线与磁场总电阻线的交点确定。
并励直流发电机的自励,必须满足三个条件:(1)发电机的主磁极必须有剩磁。
(2)并励绕组两端的极性必须正确配合,使励磁电流所产生的磁势与剩磁方向一致。
(3)励磁回路的总电阻必须小于与电机运行转速相应的临界电阻。
并联直流发电机输出电压的极性取决于发电机的转向及电机主磁场的方向。
直流发电机的空载特性是指发电机转速=常数、负载电流时,空载电压与励磁电流的关系,即。
空载特性曲线的形状与电机的磁化曲线相似,起始部分基本上是一条直线。
当励磁电流逐渐增加时,磁路逐渐饱和,曲线弯曲,直到高度饱和时,曲线趋近于与横轴平行的直线。
通常额定电压位于空载特性曲线的弯曲部分(称为膝部)。
五、实验方法1.并励直流发电机自励建压(1)并励直流发电机G由直流电动机M拖动,接线可参考图2-1-2或2-2-1。
(2)断开发电机负载,正确起动直流电动机(起动方法参见实验一)。
(3)调节直流电动机的励磁电流(减小直流电动机励磁变阻器的阻值),使发电机转速。
实验二直流发电机一.实验目的1.掌握用实验方法测定直流发电机的运行特性,并根据所测得的运行特性评定该被试电机的有关性能。
2.通过实验观察并励发电机的自励过程和自励条件。
二.预习要点1.什么是发电机的运行特性?对于不同的特性曲线,在实验中哪些物理量应保持不变,而哪些物理量应测取。
2.做空载试验时,励磁电流为什么必须单方向调节?3.并励发电机的自励条件有哪些?当发电机不能自励时应如何处理?三.实验项目1.他励发电机(1)空载特性:保持n=n N,使I=0,测取Uo=f(I f)。
(2)外特性:保持n=n N,使I f =I fN,测取U=f(I)。
(3)调节特性:保持n=n N,使U=U N,测取I f=f(I)。
2.并励发电机(1)观察自励过程四.实验设备及仪器1.MEL系列电机教学实验台主控制屏(MEL-I、MEL-IIA、B)。
2.电机导轨及加载装置,转矩转速测量组件(MEL-13)。
3.直流并励电动机M03。
4.直流稳压电源(位于主控制屏下部)。
5.直流电压、毫安、安培表(MEL-06)。
6.波形测试及开关板(MEL-05)。
7.三相可调电阻900Ω(MEL-03)。
8.三相可调电阻90Ω(MEL-04)。
9.电机起动箱(MEL-09)。
五.实验说明及操作步骤1. 他励直流发电机按图1-3接线G:直流发电机M01,P N=240W,U N=220V,I N=1.1A,n N=1500r/minM:直流电动机M03,按他励接法S1、S2:双刀双掷开关,位于MEL-05R1:电枢调节电阻100Ω/1.22A,位于MEL-09。
R f1:磁场调节电阻3000Ω/200mA,位于MEL-09。
R f2:磁场调节变阻器,采用MEL-03最上端900Ω变阻器,并采用分压器接法。
R2:发电机负载电阻,采用MEL-03中间端和下端变阻器,采用串并联接法,阻值为2250Ω(900Ω与900Ω电阻串联加上900Ω与900Ω并联)。
实验二并励直流发电机的自励建压
及空载特性的测定
一、实验目的
1.学习和掌握并励直流发电机的自励条件与方法、观察自励过程。
2.掌握改变直流发电机输出电压极性的方法。
3.掌握并励直流发电机的空载特性的测定方法。
二、实验内容
1.并励直流发电机自励建压。
2.改变直流发电机输出电压的极性。
3.测定直流发电机空载特性。
三、预习要点
1.并励直流发电机自励建压的条件。
2.并励直流发电机不能自励建压时的处理方法。
3.与直流发电机输出电压极性有关的因素。
4.空载特性测定时,励磁电流的调节方法。
四、原理简述
并励直流发电机是一种自励电机。
当原动机拖动发电机旋转时,电枢绕组切割剩磁通产生感应剩磁电势。
此电势在并励绕组回路中产生一个不大的励磁电流,该电流产生的磁通必须与剩磁方向一致,使气隙磁通增强,从而使电枢电势和端电压升高,励磁电流增加,气隙磁场进一步加强,如此循环激励,直至建立稳定的端电压。
稳定点由发电机的空载特性曲线与磁场总电阻线的交点确定。
并励直流发电机的自励,必须满足三个条件:
(1)发电机的主磁极必须有剩磁。
(2)并励绕组两端的极性必须正确配合,使励磁电流所产生的磁势与剩磁方向一致。
(3)励磁回路的总电阻必须小于与电机运行转速相应的临界电阻。
并联直流发电机输出电压的极性取决于发电机的转向及电机主磁场的方向。
直流发电机的空载特性是指发电机转速=常数、负载电流时,空载电压
与励磁电流的关系,即。
空载特性曲线的形状与电机的磁化曲线相似,起始部分基本上是一条直线。
当励磁电流
逐渐增加时,磁路逐渐饱和,曲线弯曲,直到高度饱和时,曲线趋近于与横轴平行的直
线。
通常额定电压位于空载特性曲线的弯曲部分(称为膝部)。
五、实验方法
1.并励直流发电机自励建压
(1)并励直流发电机G由直流电动机M拖动,接线可参考图2-1-2或2-2-1。
(2)断开发电机负载,正确起动直流电动机(起动方法参见实验一)。
(3)调节直流电动机的励磁电流(减小直流电动机励磁变阻器的阻值),使发电机转
速。
(4)观察直流发电机空载输出电压(剩磁电压)并记录在表2-2-1中。
若无输出电压,
则应将发电机励磁绕组改接到直流电源上重新充磁。
(5)增加直流发电机励磁电流,观察发电机电枢两端电压的变化。
若输出电压不变或
下降,说明励磁绕组产生的磁通方向与剩磁通方向不符,则应断开电源,将发电机励磁绕组
两端对调,重新起动直流电动机并调节直流发电机励磁电流至发电机电枢电压为额定电压止。
(
a)
(b)
图2-2-1并励直流发电机自励建压
2.并励直流发电机电压极性的改变
(1)正确起动直流电动机,当发电机自励至一定电压时,记下电枢两端的电压极性。
(2)机组停车,改变机组转向,并同时改变发电机并励绕组到电枢绕组的接法,正确起动直流电动机,观察并记录发电机输出电压的极性变化情况。
3.测定并励直流发电机的空载特性
(1)正确起动直流电动机,注意使机组转向与其规定方向一致,记录机组的转速。
(2)调节发电机磁场变阻器阻值,使发电机电枢两端输出电压U=1.25U N。
并以此为第一点,逐步增加发电机的励磁变阻器的阻值,使发电机的励磁电流I f逐渐减小,直至I f =0为止,读取电枢两端电压U0及相应的励磁电流I f值(7~9)组(注意在U0= U N附近测试点应较密),记录于表2-2-2中。
(3)为使曲线光滑,励磁回路中的励磁变阻器应保持单一方向变化,不能时增时减。
(4)在描绘曲线时,在弯曲处多测几组数据,使描绘后的曲线更接近理论曲线,便于验证分析。
六、实验设备
根据实验线路及实验室设备条件,正确选用实验设备及仪器,并记入表2-2-3。
七、数据处理
1.根据空载实验测取的数据,作并励直流发电机的空载特性曲线。
2.并励直流发电机自励建压实验记录。
八、思考题
1.并励直流发电机为什么只有同时改变励磁绕组接法和电机转向方可改变发电机电枢电压的极性?
实验考评
指导教师(签名)。