001-004_临时用电电气设备试验、检验、调试记录表_临电表4
- 格式:xls
- 大小:12.00 KB
- 文档页数:1
检查周期表
注:工程公司每月对现场进行一次安全检查,其中包括对施工单位自检资料齐全性和符合性的检查;同时在用电申请批准之后的送电检查时。
施工现场临时用电电气材料明细表
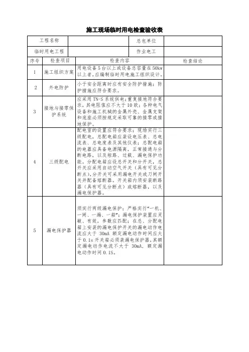
施工现场临时用电验收记录表
施工现场接地极做法详图记录表
施工现场漏电保护器功能试验记录表
施工现场临时用电日常巡查记录表
工程名称:杭锦旗综合文化活动中心配电箱(柜)编号:月份:
巡视情况必须真实填写,每天至少保证巡视一次。
资料
资料
特种作业人员登记表
工程名称:表A7.3。
临时用电验收记录表一、引言随着社会的发展和人民生活水平的提高,对电力的需求也越来越大。
在许多场合中,如建筑工地、临时活动场所等,需要进行临时用电,为保障用电安全和合法性,临时用电验收成为必要的环节。
本文就临时用电验收记录表进行探讨,详细介绍了临时用电验收的目的、程序、内容等方面内容。
二、临时用电验收的目的临时用电验收的目的主要有以下几点: 1. 确保临时用电设施的安全可靠,防止安全事故的发生; 2. 检查临时用电设施是否符合相关法律法规和标准要求; 3. 保障用电单位和用电人的合法权益; 4. 提升用电设施的效能和可持续性。
三、临时用电验收的程序根据相关规定,临时用电验收的程序主要包括以下几个步骤: ### 1. 准备工作在进行临时用电验收之前,需要进行一些准备工作,包括:确定验收人员、准备验收设备和工具、制定验收计划等。
2. 确认申请资料对于提出临时用电申请的单位,需要核对其提交的申请资料是否完整和准确,包括用电设备的相关证件、通电计划等。
3. 检查用电设备在验收时,需要对用电设备进行检查,主要包括以下几个方面: - 用电设备的安装是否符合相关标准和规范; - 用电设备的接地是否良好,保证用电安全; - 用电设备的电线、插座等是否完好,无损坏和老化现象; - 用电设备的绝缘性能是否满足要求,防止漏电等危险。
4. 测试用电设备验收过程中,对用电设备进行测试,主要包括以下几个方面: - 用电设备的正常工作是否稳定; - 用电设备的电流、电压是否正常,能否满足工作需要; - 用电设备的各项功能是否正常,无短路、漏电等情况。
5. 填写验收记录在完成以上检查和测试后,需要填写一份完整的验收记录。
验收记录表包含了用电设备的基本信息、检查结果、测试数据等内容,是验收的重要依据和证明。
四、临时用电验收记录表的内容临时用电验收记录表的内容应包括以下信息: 1. 验收单位的基本情况,包括单位名称、单位地址、法定代表人等; 2. 用电设备的基本信息,包括设备名称、型号规格、安装位置等; 3. 申请资料的确认,包括申请资料是否完整、准确,是否符合相关要求等; 4. 用电设备的检查结果,包括安装是否规范、接地是否良好等;5. 用电设备的测试数据,包括电流、电压的测试结果、设备功能的测试结果等;6. 验收人员的签字和日期。
编号:001
说明:定期检查执行周期最长可为:施工现场每星期一次,施工企业每月一次
编号:002
说明:定期检查执行周期最长可为:施工现场每星期一次,施工企业每月一次
编号:003
说明:定期检查执行周期最长可为:施工现场每星期一次,施工企业每月一次
编号:004
说明:定期检查执行周期最长可为:施工现场每星期一次,施工企业每月一次。
编号:005
说明:定期检查执行周期最长可为:施工现场每星期一次,施工企业每月一次。
编号:006
说明:定期检查执行周期最长可为:施工现场每星期一次,施工企业每月一次。
编号:007
说明:定期检查执行周期最长可为:施工现场每星期一次,施工企业每月一次。
编号:008
说明:定期检查执行周期最长可为:施工现场每星期一次,施工企业每月一次。
编号:009
说明:定期检查执行周期最长可为:施工现场每星期一次,施工企业每月一次。
临时用电验收表格
编辑整理:
尊敬的读者朋友们:
这里是精品文档编辑中心,本文档内容是由我和我的同事精心编辑整理后发布的,发布之前我们对文中内容进行仔细校对,但是难免会有疏漏的地方,但是任然希望(临时用电验收表格)的内容能够给您的工作和学习带来便利。
同时也真诚的希望收到您的建议和反馈,这将是我们进步的源泉,前进的动力。
本文可编辑可修改,如果觉得对您有帮助请收藏以便随时查阅,最后祝您生活愉快业绩进步,以下为临时用电验收表格的全部内容。
现场临时用电联合检查验收记录
施工现场名称:梅溪湖消防站工程项目经理:袁佳龙日期:年月日
现场临时用电联合检查验收记录
施工现场名称:梅溪湖节庆岛、管理用房工程项目经理:袁佳龙日期:年月日
现场临时用电电气设备调试记录
施工现场名称:项目经理:日期:年月日
现场临时用电接地电阻记录
现场临时用电绝缘电阻记录
现场临时用电漏电保护器检测记录
现场临时用电定期检查记录
施工现场名称:项目经理: 日期:年月日
现场临时用电复查验收记录
施工现场名称:项目经理:日期:年月日
现场临时用电电工安装、巡检、维修、拆除工作记录
施工现场名称:项目经理: 日期:年月日。
施工现场临时用电设备检查记录表
GDAQ20609
工程名称:庆丰商业楼项目
检查日期:2017年4月25日(星期二)天气:(晴)编号: 001
注:绝缘电阻>0.5 M 接地(零)电阻 4 防雷接地电阻10 o
施工现场临时用电设备检查记录表
GDAQ20609
工程名称:庆丰商业楼项目
检查日期:2017年5月24日(星期三)天气:(晴)编号:
注:绝缘电阻>0.5 M 接地(零)电阻 4 防雷接地电阻10 o
施工现场临时用电设备检查记录表
GDAQ20609 工程名称:庆丰商业楼项目
检查日期:2017年6月27日(星期二)天气:(晴)
编号:
注:绝缘电阻>0.5 M 接地(零)电阻 4 防雷接地电阻10 o
施工现场临时用电设备检查记录表
GDAQ20609
工程名称:庆丰商业楼项目
检查日期:2017年7月28日(星期五)天气:(晴)编号:
注:绝缘电阻>0.5 M Q,接地(零)电阻W 4 Q,防雷接地电阻W 10 Q o。
现场临时用电检查记录各表检查周期表
申请批准之后的送电检查时。
施工现场临时用电电气材料明细表
施工现场临时用电验收记录表
施工现场接地极做法详图记录表
施工现场接地电阻测试记录表
施工现场绝缘电阻测试记录表
施工现场漏电保护器功能试验记录表表D7
施工现场临时用电日常巡查记录表
Word 文档
工程名称:杭锦旗综合文化活动中心配电箱(柜)编号:月份:
巡视情况必须真实填写,每天至少保证巡视一次。
Word 文档
特种作业人员登记表
工程名称:表A7.3。