装配式混凝土结构 BIM 模型分类与编码规范
- 格式:pdf
- 大小:293.66 KB
- 文档页数:14
《建筑信息模型(BIM)智能化设计产品分类和编码标准》《建筑信息模型(BIM)智能化设计产品分类和编码标准》等三项标准第一次编写顺利召开为推进BIM技术在智能建筑行业工程设计、施工、运行维护的全过程应用,中国建筑业协会智能建筑分会(以下简称智能分会)联合中国建筑设计院有限公司、中国建筑标准设计研究院有限公司以及国内有影响力的设计院、集成商和产品供应商共同编制相关标准,助力行业发展。
据悉,2018年8月8日《建筑信息模型(BIM)智能化设计产品分类和编码标准》、《建筑信息模型(BIM)智能化设计交付标准》、《建筑信息模型(BIM)智能化设计产品参数标准》(以下简称“BIM三个标准”)第一次编写会会议在中国建筑标准设计研究院有限公司成功召开。
会议由专家工作委员会主任孙兰主持。
参加会议的有智能分会常务副会长兼秘书长李翠萍,规范主编中国建筑设计院有限公司BIM中心副主任王玉卿、中国建筑标准设计研究院有限公司教授级高级工程师徐玲献以及编写组成员。
会上,孙兰主任指出“BIM三个标准”的编制任务艰巨、责任重大,在行业企业、专家及参编单位的积极支持下,标准编制工作一定能取得丰硕的成果。
随后李翠萍指出三个BIM三个标准的编制填补了智能建筑行业空白,对行业的健康发展将起到积极的促进作用。
在标准的编制过程应该重点关注如何与国标对接,在符合国标的相关要求的同时,考虑到智能建筑行业特点,做好标准的编制工作。
标准主编王玉卿针对编制大纲、任务分工、编制样本等进行了一一介绍。
他指出这三个标准的编制是个基础工作,对行业BIM实施、标准化、设计、运维和智能制造都有很大的促进作用。
同时,他介绍国家标准《建筑信息模型分类和编码标准》已将智能建筑编码固定在一定范围无法改变,这就要求编写工作对已经明确的内容尽可能引用,对于不太明确的内容尽进行补充。
随后,他又介绍了智能化各个系统命名、构件命名规则等设置规则、智能化设计模型中各个系统构件属性信息的表达深度等等。
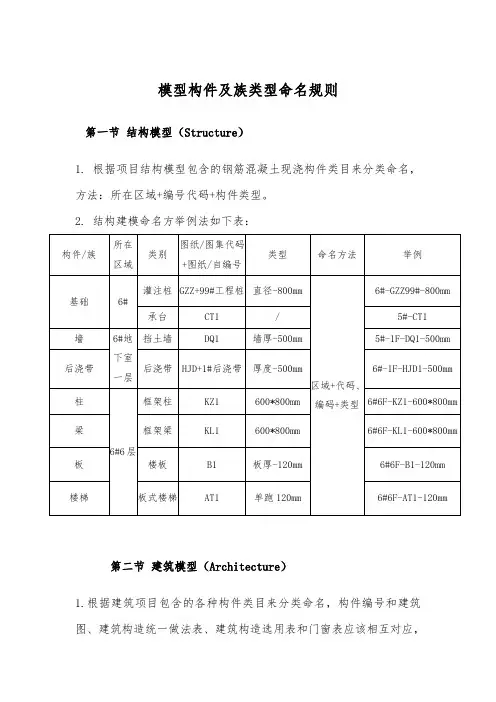
模型构件及族类型命名规则第一节结构模型(Structure)1. 根据项目结构模型包含的钢筋混凝土现浇构件类目来分类命名,方法:所在区域+编号代码+构件类型。
2. 结构建模命名方举例法如下表:第二节建筑模型(Architecture)1.根据建筑项目包含的各种构件类目来分类命名,构件编号和建筑图、建筑构造统一做法表、建筑构造选用表和门窗表应该相互对应,方法:所在区域+编号代码+构件类型。
2. 建筑建模命名方举例法如下表:第三节安装模型(MEP)1. 族的系统分类对于一般机电项目所包含的管线构件及设备,其所属系统的分类,可以按照下表3-1所示来分表 3-1上表所示的系统分类,是一般通用的一些系统,在实际应用中,很多不同的工程都会有一些特殊的系统名称,应根据图纸中所标示的各种实际的系统来分类。
2. 族类型的命名规则由于安装工程构件种类较为复杂,且灵活多变,本标准只提出命名原则如下,在实际命名过程中,必须根据如下原则,建立具体、完善的命名规范,并提交审核:第一条字段顺序:楼层、构件名称、系统类别、构件在图纸中的编号、其它信息(尺寸大小)。
第二条名称各字段之间,采用英文半角下划线“_”分隔;第三条所有构件全部设置构件名称字段;第四条所有构件需要设置系统类别字段,如排水管,系统类别字段为“P”等。
第五条对于图纸中标注了特定名称的构件,需设置图纸中编号字段,如图纸中标注某处 17 某构件名为“J01”则该构件编号字段内容为“J01”,图纸中未注明特定名称的构件,可以不设置该字段。
第六条电气设备可以省略尺寸等其他信息。
第七条其他需要进行区分的参数(如尺寸等),可根据需要,在名称结尾设置相应的其他信息字段,如尺寸字段等。
第八条各字段以使用半角英文大写字母为宜,特殊情况下也可使用中文字符。
举例:7F_水管_J_JL01_DN100;8F_双速排烟风机_PF_PFY(D1);7F_金属桥架_SE_CT400x150。
装配式混凝土建筑BIM设计施工一体化标准1范围本文件规定了装配式混凝土建筑BIM设计施工一体化的基本规定、模型要求、BIM模拟、信息管理和信息交付。
本文件适用于装配式混凝土建筑设计施工一体化中的BIM技术应用。
2规范性引用文件下列文件对于本文件的应用是必不可少的。
凡是注日期的引用文件,仅所注日期的版本适用于本文件。
凡是不注日期的引用文件,其最新版本(包括所有的修改单)适用于本文件。
GB/T7027《信息分类和编码的基本原则和方法》GB/T51212《建筑信息模型应用统一标准》GB/T51231《装配式混凝土建筑技术标准》GB/T51269《建筑信息模型分类和编码标准》JGJ1《装配式混凝土结构技术规程》3术语和定义下列术语和定义适用于本文件。
3.1装配式混凝土建筑assembled building with concrete structure建筑的结构系统由混凝土部分(预制构件)构成的装配式建筑。
3.2BIM设计施工一体化BIM standard for design and construction指基于建筑信息模型,根据设计施工BIM应用点以及各参与方工作协调的要求,进行装配式混凝土建筑设计施工一体化的信息管理。
3.3协同平台collaboration platform基于BIM应用中各参与方信息交换和交付的统一标准、各应用软件数据交换的统一格式,提供分工合作、进度控制、项目管理等协调功能,进行模型、图纸、文件、信息管理的基础数据系统的集成。
3.4建筑信息模型building information modeling/building information model(BIM)在建设工程及设施全生命期内,对其物理特征、功能特性及管理要素进行数字化表达,并依此设计、施工、运营的过程和结果的总称。
简称BIM或模型。
3.5几何信息geometrical information几何信息是反映建筑模型内外空间中的形状、尺寸及位置的信息统称。
浙江省工程建设标准装配式建筑结构构件编码标准Coding Standard for Structural Component of PrefabricatedBuildings主编单位:浙江建设职业技术学院浙江省建工集团有限责任公司温州城建集团股份有限公司批准部门:浙江省住房和城乡建设厅施行日期:201×年××月××日前言根据浙江省住房和城乡建设厅《关于印发<2017年浙江省建筑节能与绿色建筑及相关工程建设标准制修订计划>的通知》(建设发〔2018〕3号)文件的要求,规程编制组通过广泛调查研究,参考国内外的有关标准,并结合我省装配式建筑结构构件编码标准应用实践,制定了本规程。
本规程的主要技术内容是:1.总则;2.术语;3.基本规定;4.编码规则;5.构件类型代码;6.应用。
本规程由浙江省住房和城乡建设厅负责管理,由浙江建设职业技术学院负责技术内容的解释。
执行过程中,请各有关单位结合实际,不断总结经验,并将发现的问题、意见和建议函告浙江建设职业技术学院[杭州萧山高教园区邮编:311231],以供修订时参考。
本标准主编单位:浙江建设职业技术学院浙江省建工集团有限责任公司温州城建集团股份有限公司本标准参编单位:浙江正立高科建设有限公司明珠建设集团有限公司浙江省建设工程质量检验站有限公司浙江展诚建设集团股份有限公司杭州建工集团有限责任公司杭州中宙建工集团有限公司中博建设工程集团有限公司春晗环境建设股份有限公司海达建设集团有限公司浙江圆周建设有限公司湖州市第二建设工程有限公司浙江华昌建设有限公司浙江立新建设有限公司浙江立鹏建设有限公司浙江振升建设有限公司浙江紫微建筑工程有限公司浙江山口建筑工程有限公司天伟建设集团有限公司浙江东欣建设集团有限公司浙江罗邦建设有限公司浙江巨丰市政园林有限公司浙江万玖建设有限公司丽水广诚建设有限公司青田县侨发建筑工程有限公司本标准主要起草人:朱怡巧金睿汪一新陈福生胡明大倪张江段玉洁诸宏博杨文领周凤中陆其荣郑育辉曹良军孙中玲楼明清何耀光邱雪华王炜干祥珠周国泉俞亚军李斌王玉奎沈建飞王钢琴叶冀平包伟国俞迪英吴胤杰万历梅献忠肖锋皇甫飞飞胡雪雅程骥马锦涛蓝瑞敏杨文仙朱美莲蓝芳李伟林蓝杰陈大伟陆瑶梁其雍陈敏璐汤根春王挺陈春来本标准主要审查人:赵宇宏游劲秋周坚邓刚余子华刘玉涛楼应平厉天数1总则 (1)2术语 (2)3基本规定 (3)4编码规则 (4)5构件类型代码 (6)6应用 (8)附录A (9)附录B (12)本标准用词说明 (18)引用标准名录 (19)条文说明 (20)1.0.1为规范装配式建筑结构构件的编码,促进装配式建筑的标准化设计、工厂化生产、装配化施工、信息化管理和智能化应用,制定本标准。
混凝土结构中的BIM技术应用与规范I. 前言混凝土结构是现代建筑中最常用的结构之一。
随着建筑行业的发展,BIM技术已经成为了建筑设计和施工的标准,混凝土结构也不例外。
本文将介绍BIM技术在混凝土结构中的应用和规范。
II. BIM技术在混凝土结构中的应用1. BIM技术的优势BIM技术具有以下优势:(1)全方位的模型预览:BIM技术可以在数字模型中预览混凝土结构的设计和施工过程,有利于设计师和施工方更好地理解设计意图和施工要求。
(2)协同作业:BIM技术可以实现设计师、工程师、施工人员等不同角色之间的协同作业,提高了沟通效率,减少了错误和重复。
(3)高效率的设计和施工:BIM技术可以提高设计和施工的效率,缩短工期,降低成本。
2. BIM技术在混凝土结构设计中的应用(1)模型制作:BIM技术可以制作混凝土结构的数字模型,包括结构的几何形状、尺寸、材料等信息。
(2)分析和优化:BIM技术可以对混凝土结构进行结构分析和优化,包括荷载计算、应力分析等。
(3)施工图制作:BIM技术可以自动生成混凝土结构的施工图,包括平面图、立面图、剖面图等。
3. BIM技术在混凝土结构施工中的应用(1)施工计划:BIM技术可以通过数字模型制作施工计划,优化施工顺序和方法,提高施工效率。
(2)材料管理:BIM技术可以实现混凝土材料的管理,包括材料的数量、规格、供应商等信息。
(3)质量控制:BIM技术可以实现混凝土结构的质量控制,包括材料的检测、结构的检测、施工过程的监控等。
III. 混凝土结构中的BIM规范1. 国内BIM规范(1)建设工程信息化应用技术标准化指南:该标准是国内BIM技术的主要规范,包括数字模型的制作、管理、交流等方面的规定。
(2)建筑工程BIM应用技术规范:该规范是国内建筑工程BIM应用的重要规范,包括BIM技术在建筑设计、施工和运营中的应用。
(3)建筑工程BIM应用技术导则:该导则是国内BIM技术应用的指导性文件,包括BIM技术在建筑设计和施工中的应用。
构件命名规则为有效的实现三维设计模型与造价算量的对接,院方在建模过程中构件的分类和定义按照平法图集的命名规则设置,即可使Revit模型能有效的被造价算量所使用。
现将构件命名规则说明如下:二、建筑部分三、安装部分(—)水专业(二)暖通专业(三)电气专业能灯、防水防尘 灯、座头灯、感应 灯等其他灯具桥架风管截面•材料系统类型四、构件编号自动添加斯维尔插件提供了 “编号识别”功能,此功能是Revit辅助建模功能,在保证图模一致的前提下,可以把CAD 图纸 构件编号(目前支持柱体、柱帽、梁体、観墙、板、门窗、件实例属性中。
斯维尔插件提供了用于处理不同材质的精装工程的“贴面精装”、“房间精装”功能。
房间精装是将通过软件自动布 置的的房间装饰的模型线的方式拆分,并生成装饰的实体构 件;墙面、墙裙、踢脚等竖向装饰生成的模型是墙族,天棚、 地面等水平向装饰生成的模型是楼板族;贴面精装为了解决 外装贴面能按照材质区分(如瓷砖)的工程量,通过软件中 的'贴面层'功能给构件布置不同材质、不同颜色的贴面构 件。
房间名称、独基、条基、基坑、 筏板)识别录入到Revit 构底却偏移:0.0j2F顶却偏移:0.0柱样式 随牡网移动商目边畀 蘇材质和装讳结枸村质 泯;疑土 -规…结构启用分析榄型钢筋保护废 •钢筋保护层... 洞筋保护层- 泅筋保护层 钢筋保护层 洞筋保护层尺寸标注:1.UU4 m a图傢• « • < • <■〈NBIKZ3IVfW 1无拆临的阶段五、房间精装。
装配式混凝土结构BIM模型分类与编码规范装配式混凝土结构(Prefabricated Concrete Structures,简称PCS)是在制作混凝土构件过程中,将部分或全部工程量移至工程现场外的工厂进行加工制造,并在现场按照设计要求进行组装安装的建筑结构体系。
随着信息化技术的发展,建筑信息模型(Building Information Modeling,简称BIM)在装配式混凝土结构中的应用越来越广泛。
BIM可以为装配式混凝土结构带来许多好处,如提高设计效率、减少设计错误、优化施工工艺和提高构件质量等。
为了有效使用BIM技术,需要制定一套规范的BIM模型分类与编码规范,以确保模型的一致性和互操作性。
下面是关于装配式混凝土结构BIM模型分类与编码规范的一些建议。
模型分类:1.模型构件分类:对于装配式混凝土结构的每个构件,应给予一个唯一的编码,以便于识别和管理。
常见的构件分类包括柱、梁、墙板、楼板等。
2.模型类型分类:根据模型的功能和用途,可以将模型分为设计模型、施工模型和运营模型。
设计模型用于构件的设计和分析,施工模型用于施工工艺的规划和优化,运营模型用于设备维护和管理。
3.模型层次分类:根据模型的层次关系,可以将模型分为总体模型、分区模型和构件模型。
总体模型用于整体规划和协调,分区模型用于组装和施工,构件模型用于单个构件的设计和制造。
编码规范:1.编码长度:编码应具有一定的长度,以便于识别和管理。
一般建议使用10位以上的编码长度,根据需要可以适当增加编码长度。
2.编码规则:编码应具有一定的规则,以便于识别和分类。
可以采用层次结构编码,例如使用构件分类编号和序号的组合方式,如01-001表示柱子,01-002表示梁等。
3.编码命名规范:编码的命名应具有一定的规范,以避免混淆和错误。
可以根据构件的功能、材料、尺寸等特征来命名,例如采用CL-001表示普通柱子,CB-001表示钢筋混凝土柱子。
4.编码管理系统:为了实现编码的统一管理和查询,可以建立一个编码管理系统。
浙江省工程建设标准装配式建筑结构构件编码标准Coding Standard for Structural Component of PrefabricatedBuildingsDB33/T1189-2020条文说明目次1总则 (1)2术语 (2)3基本规定 (3)4编码规则 (4)6应用 (5)1总则1.0.1 该标准通过理论研究和工程项目实践,从装配式建筑构件生产施工全过程管理角度考虑,对装配式建筑涉及的 PC 构件、钢构件等进行编码。
将该编码应用于基于 BIM 和物联网的工业化建筑项目管理平台,使构件信息在工程建设各阶段、各专业间进行传输与管理。
1.0.2 本标准主要适用装配式建筑工程构件,包括预制混凝土构件和钢构件,为各类构件建立数据库和信息管理中的分类和编码提供参考。
2术语2.0.1 现行规范中对于“装配式建筑”的定义略有不同,本条文综合了《装配式建筑评价标准》 GB/T 51129-2017 中 2.0.1 和《装配式混凝土建筑技术标准》GB/T 51231-2016 中 2.1.1内容综合提炼而成。
2.0.3 类目代码对应于《建筑产品分类和编码》JG/T 151 的类目编码。
3基本规定3.0.4 施工阶段选取装配式施工过程中的进场验收、隐蔽验收、定位吊装、座浆、灌浆五大关键工序作为管控要点和编码基础。
1 进场验收进场验收作为装配式施工过程的第一道工序,可通过 RFID 技术快速形成验收资料,在进行验收的同时可进行堆场布置和塔吊布置的管理。
2隐蔽验收隐蔽验收作为建筑施工最为关键的工序直接影响后续的安装质量,将该项验收过程通过RFID 技术加入到构件编码中去形成工序链式的流程管理,上一道工序验收合格方可进行下一道工序,确保验收资料的时效性和工程的施工质量。
3 定位吊装定位吊装过程通过RFID 技术快速形成验收资料的同时开始定位构件的安装位置,并将构件与平台模型进行关联。
4 座浆、灌浆座浆的质量直接影响灌浆后的观感质量,而灌浆作为混凝土装配式施工构件连接的核心技术,直接影响建筑的使用性,将座浆、灌浆工序通过RFID 技术融入到构件编码中去,确保施工质量,为施工过程的责任可追溯的提供依据。
建筑信息模型分类和编码标准建筑信息模型(BIM)是一种集成设计、施工和运营管理的数字化平台,它可以在整个建筑生命周期中实现信息的共享和协作。
在BIM中,建筑元素被分为不同的分类,并且需要遵循一定的编码标准,以便实现数据的一致性和互操作性。
本文将对建筑信息模型的分类和编码标准进行详细介绍。
首先,建筑信息模型的分类主要包括建筑结构、建筑设备、建筑外观和建筑功能等方面。
建筑结构包括楼板、墙体、柱子等,建筑设备包括电气设备、给排水设备等,建筑外观包括窗户、门、幕墙等,建筑功能包括办公区、公共区、停车区等。
这些分类可以帮助我们对建筑元素进行更加清晰的管理和组织,从而提高设计效率和施工质量。
其次,建筑信息模型的编码标准是非常重要的,它可以确保不同团队之间的数据交换和共享的准确性和一致性。
常见的建筑信息模型编码标准包括UniFormat、OmniClass、MasterFormat等。
UniFormat是一种按照建筑元素的功能进行分类的编码标准,它可以帮助我们对建筑元素进行更加细致的管理和分析。
OmniClass是一种按照建筑元素的类型进行分类的编码标准,它可以帮助我们对建筑元素进行更加清晰的组织和表达。
MasterFormat是一种按照建筑元素的施工工艺进行分类的编码标准,它可以帮助我们对建筑元素进行更加精细的管理和控制。
这些编码标准可以帮助我们更好地实现建筑信息模型的数据交换和共享。
最后,建筑信息模型的分类和编码标准是建筑行业信息化的重要基础,它可以帮助我们更好地实现建筑设计、施工和运营管理的数字化转型。
在未来,随着人工智能、大数据等技术的不断发展,建筑信息模型的分类和编码标准将会变得更加智能化和精细化,从而进一步提高建筑行业的生产效率和管理水平。
总之,建筑信息模型的分类和编码标准对于建筑行业来说至关重要,它可以帮助我们更好地实现建筑信息的管理和共享,从而提高建筑行业的整体效率和质量。
希望本文对建筑信息模型的分类和编码标准有所帮助,也希望建筑行业能够不断推动建筑信息化的发展,实现更加智能化和可持续化的发展。
建筑信息模型分类和编码标准建筑信息模型(BIM)是一种数字化的建筑设计和施工管理技术,它可以帮助建筑行业实现信息共享、协作和集成。
在BIM中,建筑信息模型的分类和编码标准起着至关重要的作用。
本文将从建筑信息模型的分类和编码标准的角度出发,对其进行详细的介绍和分析。
首先,建筑信息模型可以根据其在建筑生命周期中的应用阶段进行分类。
一般来说,建筑信息模型可以分为设计阶段的模型、施工阶段的模型和运营阶段的模型。
设计阶段的模型主要用于建筑设计和方案优化,包括建筑结构、设备布置、材料选择等;施工阶段的模型则主要用于施工图纸的生成和施工过程的协调;运营阶段的模型则主要用于建筑设备的运行维护和能耗管理。
针对不同阶段的应用需求,建筑信息模型的内容和精度也会有所不同。
其次,建筑信息模型还可以根据其所包含的信息内容进行分类。
一般来说,建筑信息模型可以分为几何模型、属性模型和关联模型。
几何模型主要包含建筑物的三维几何形状和空间位置信息;属性模型则主要包含建筑物的材料、构件参数、设备信息等属性数据;关联模型则主要包含建筑物各个构件之间的逻辑关系和约束条件。
这些不同类型的模型可以相互关联,形成一个完整的建筑信息模型。
另外,建筑信息模型的编码标准也是十分重要的。
建筑信息模型的编码标准可以帮助不同团队之间实现信息的互操作和共享。
常见的建筑信息模型编码标准包括IFC(Industry Foundation Classes)、COBie(Construction Operations Building information exchange)等。
这些编码标准可以规范建筑信息模型中各个构件的命名、分类、属性定义等,从而实现不同软件之间的数据交换和共享。
总的来说,建筑信息模型的分类和编码标准对于建筑行业的数字化转型具有重要意义。
通过合理的分类和规范的编码标准,可以实现建筑信息的高效共享和协作,提高建筑设计和施工管理的效率,降低建筑运营的成本,推动建筑行业向智能化和信息化的方向发展。
混凝土结构建筑信息模型技术规程一、前言混凝土结构建筑信息模型(BIM)是一种基于数字技术的建筑设计与施工管理工具。
它将建筑的结构、材料、构造、机电设备等信息以三维模型的形式表现出来,可以帮助建筑师、结构工程师、施工人员等各个领域的专业人员协同工作,提高建筑设计的质量和施工效率。
本文旨在制定混凝土结构建筑信息模型技术规程,为混凝土结构建筑BIM的设计、施工、管理提供指导。
二、概述混凝土结构建筑BIM的设计、施工、管理应遵循以下原则:1. 信息共享原则:所有参与BIM的团队成员应共享信息,保证信息的准确性和实时性。
2. 协同工作原则:各专业人员应协同工作,共同完成建筑的设计、施工、管理。
3. 数据标准化原则:BIM中的数据应按照标准化的格式进行组织和存储,以确保数据的可靠性和一致性。
4. 模型精细度原则:BIM模型应保持足够的精细度,以反映建筑的真实情况。
三、混凝土结构BIM设计1. 建立BIM项目:在BIM软件中建立项目,并定义项目的设置、构件的属性、单位等。
2. 建立混凝土结构BIM模型:在BIM软件中建立混凝土结构的BIM 模型。
模型应包括结构的形状、尺寸、位置、构造等信息。
3. 建立构件族:根据混凝土结构的特点,建立混凝土结构的构件族。
构件族应包括结构的形状、尺寸、材料、施工方法等信息。
4. 建立结构分析模型:根据混凝土结构的设计要求,建立结构分析模型,进行结构计算和分析。
5. 建立施工模型:根据混凝土结构的施工要求,建立施工模型,包括施工序列、施工方法、施工材料等信息。
6. 协同工作:各专业人员应协同工作,共同完成建筑的设计、施工、管理。
四、混凝土结构BIM施工1. 建立施工计划:根据施工模型,建立施工计划,包括施工序列、施工时间、工程量等信息。
2. 施工过程控制:在施工过程中,应根据施工计划进行控制,确保施工进度和质量。
3. 施工现场管理:对施工现场进行管理,包括安全管理、现场环境管理、材料管理等。
bim分类编码标准一、概述BIM(建筑信息模型)分类编码标准是BIM实施过程中的一项重要工作,它为建筑行业提供了一套统一的、规范化的编码体系,有助于实现建筑信息的共享和协同。
BIM分类编码标准主要包括物品编码、属性编码和分类编码三个方面。
二、物品编码物品编码是对建筑项目中所有实体的唯一标识,是BIM模型中不可或缺的一部分。
物品编码包括以下要素:1. 物品类别:如墙体、门窗、管道等;2. 规格型号:如门窗的尺寸、管道的材料等;3. 附加属性:如颜色、材质等。
物品编码的目的是为了方便对建筑项目中的各种实体进行识别和管理,实现信息的准确传递。
在BIM实施过程中,物品编码的制定需要遵循统一、规范、可扩展的原则,确保编码的唯一性和准确性。
三、属性编码属性编码是对BIM模型中各实体的属性进行描述和标识的一套标准。
属性编码包括以下要素:1. 属性名称:如材料、尺寸、颜色等;2. 属性值:如大理石、800mm、蓝色等。
属性编码的目的是为了方便对BIM模型中的各个实体进行属性描述和信息管理,确保信息的完整性和准确性。
在BIM实施过程中,属性编码的制定需要遵循简洁、明了、易用的原则,方便用户进行信息的录入和查询。
四、分类编码分类编码是对BIM模型中的各个实体进行分类和组织的一套标准。
分类编码包括以下要素:1. 分类层级:如建筑、系统、部件等;2. 分类规则:如按照功能、位置等进行分类。
分类编码的目的是为了方便对BIM模型中的各个实体进行分类和组织,方便信息的查询和管理。
在BIM实施过程中,分类编码的制定需要遵循科学、合理、可扩展的原则,确保分类的准确性和完整性。
《装配式混凝土装配式BIM模型分类与编码规范》编制说明一、项目背景装配式建筑是指根据现行的装配式建筑工程施工验收规范、质量评定标准和安全操作规程,采用标准化设计、工厂化生产、装配化施工、一体化装修、信息化管理、智能化应用的工程。
在制造业转型升级大背景下,中央层面持续出台相关政策推进装配式建筑。
自2015年以来,装配式建筑政策密集出台。
《中共中央国务院关于进一步加强城市规划建设管理工作的若干意见》、《国务院办公厅关于大力发展装配式建筑的指导意见》明确提出发展装配式建筑,装配式建筑进入快速发展阶段。
为推进装配式建筑健康发展,亟须构建一套适合我国国情,符合工程实际的装配式混凝土装配式BIM模型分类与编码规范。
装配式混凝土结构BIM模型分类与编码技术,可实现施工模型在施工图设计模型的基础上创建,也可在施工图等己有工程设计文件的基础上创建,根据组织管理、施工工艺等需要进行深化、细化,形成施工管理模型。
相关各方可在施工BIM应用中协同工作、共享模型数据,达到施工BIM模型与设计BIM模型搭建遵循设计施工一体化原则。
相关各方BIM模型的统一,建立协同工作规定,保证施工模型中需共享的数据在施工各环节之间交换和应用,并在协同平台上协同工作、共享模型数据。
促进装配式结构的发展提供支持,保证装配式混凝土框架结构全生命周期的精确化管理,对装配式混凝土结构BIM模型分类与编码技术工作的开展具有重要的意义。
二、主要工作过程2019年6月,中国科技产业促进会项承担单位下达了标准立项计划,该标准工作正式进入了起草环节。
2019年7月,基本完成《装配式混凝土装配式BIM 模型分类与编码标准》团体标准的起草并向中国科技产业促进会提出团体标准立项申请。
2020年5月,中国科技产业促进会组织完成征求意见。
三、标准主要内容及相关依据本标准规定了装配式混凝土结构BIM模型分类规定、装配式混凝土结构BIM模型编码规定及其应用方法。
本规程内容框架主要包括以下几个方面:1)装配式混凝土结构BIM模型分类规定:对装配式混凝土结构BIM模型做出了一定的要求,考虑到装配式混凝土结构BIM模型根据构件类型和用途,将装配式混凝土结构BIM模型分为柱、梁、板等八部分,并按照其特点进行扩充。
装配式混凝土结构BIM模型分类与编码规范1范围本标准规定了装配式混凝土建筑BIM模型编码的编码原则、编码结构、编码方法以及编码管理与使用要求。
本标准适用于新建、改建、扩建装配式混凝土建筑BIM模型单元的统一管理与业务数据交换,并可指导装配式混凝土建筑企业使用信息化系统对BIM模型进行管理与维护。
2规范性引用文件下列文件对于本文件的应用是必不可少的。
凡是注日期的引用文件,仅注日期的版本适用于本文件。
凡是不注日期的引用文件,其最新版本(包括所有的修改单)适用于本文件。
GB11714-1997全国组织机构代码编制规则GB32100-2015法人和其他组织统一社会信用代码编码规则GB/T51212-2016建筑信息模型应用统一标准GB/T51269-2017建筑信息模型分类和编码标准3术语与定义下列术语和定义适用于本文件。
3.1装配式混凝土建筑prefabricated building以规模化生产的钢筋混凝土预制构件为主,通过现场装配的方式设计并建造的混凝土结构类房屋建筑。
注1:装配式混凝土建筑分全装配建筑和部分装配建筑;注2:全装配建筑一般为低层或抗震设防要求较低的多层建筑;注3:部分装配建筑的主要构件一般采用预制构件,在现场通过现浇混凝土连接,形成装配整体式结构的建筑物。
3.2建筑信息模型building information model(BIM)在建设工程及设施全生命期内,对其物理和功能特性进行数字化表达,并依此设计、施工、运营的过程和结果的总称。
[GB/T51212-2016术语2.1.1]3.3装配式混凝土建筑BIM模型唯一标识码prefabricated concrete buliding BIM model identifier用于唯一标识装配式混凝土建筑BIM模型组件的一组字符。
3.4BIM应用application of BIM建筑信息模型在工程项目中的各种应用及项目业务流程中信息管理的统称。
浙江省工程建设标准装配式建筑结构构件编码标准Coding Standard for Structural Component of PrefabricatedBuildings主编单位:浙江建设职业技术学院浙江省建工集团有限责任公司温州城建集团股份有限公司批准部门:浙江省住房和城乡建设厅施行日期:201×年××月××日前言根据浙江省住房和城乡建设厅《关于印发<2017年浙江省建筑节能与绿色建筑及相关工程建设标准制修订计划>的通知》(建设发〔2018〕3号)文件的要求,规程编制组通过广泛调查研究,参考国内外的有关标准,并结合我省装配式建筑结构构件编码标准应用实践,制定了本规程。
本规程的主要技术内容是:1.总则;2.术语;3.基本规定;4.编码规则;5.构件类型代码;6.应用。
本规程由浙江省住房和城乡建设厅负责管理,由浙江建设职业技术学院负责技术内容的解释。
执行过程中,请各有关单位结合实际,不断总结经验,并将发现的问题、意见和建议函告浙江建设职业技术学院[杭州萧山高教园区邮编:311231],以供修订时参考。
本标准主编单位:浙江建设职业技术学院浙江省建工集团有限责任公司温州城建集团股份有限公司本标准参编单位:浙江正立高科建设有限公司明珠建设集团有限公司浙江省建设工程质量检验站有限公司浙江展诚建设集团股份有限公司杭州建工集团有限责任公司杭州中宙建工集团有限公司中博建设工程集团有限公司春晗环境建设股份有限公司海达建设集团有限公司浙江圆周建设有限公司湖州市第二建设工程有限公司浙江华昌建设有限公司浙江立新建设有限公司浙江立鹏建设有限公司浙江振升建设有限公司浙江紫微建筑工程有限公司浙江山口建筑工程有限公司天伟建设集团有限公司浙江东欣建设集团有限公司浙江罗邦建设有限公司浙江巨丰市政园林有限公司浙江万玖建设有限公司丽水广诚建设有限公司青田县侨发建筑工程有限公司本标准主要起草人:朱怡巧金睿汪一新陈福生胡明大倪张江段玉洁诸宏博杨文领周凤中陆其荣郑育辉曹良军孙中玲楼明清何耀光邱雪华王炜干祥珠周国泉俞亚军李斌王玉奎沈建飞王钢琴叶冀平包伟国俞迪英吴胤杰万历梅献忠肖锋皇甫飞飞胡雪雅程骥马锦涛蓝瑞敏杨文仙朱美莲蓝芳李伟林蓝杰陈大伟陆瑶梁其雍陈敏璐汤根春王挺陈春来本标准主要审查人:赵宇宏游劲秋周坚邓刚余子华刘玉涛楼应平厉天数1总则 (1)2术语 (2)3基本规定 (3)4编码规则 (4)5构件类型代码 (6)6应用 (8)附录A (9)附录B (12)本标准用词说明 (18)引用标准名录 (19)条文说明 (20)1.0.1为规范装配式建筑结构构件的编码,促进装配式建筑的标准化设计、工厂化生产、装配化施工、信息化管理和智能化应用,制定本标准。
bim 国标分类与编码标准BIM(Building Information Modeling)是一种基于数字化建模的建筑设计与管理方法,已经成为当代建筑设计与施工领域的重要工具。
BIM的核心理念是通过整合多维建筑信息,实现项目各方之间的协同工作,从而提高效率、降低成本、保证质量。
为了实现协同工作,BIM需要一个统一的分类与编码标准,以便各方可以共享和理解建筑信息。
BIM国标是指中国在BIM领域推出的国家标准。
国家标准是由国家相关部门制定并颁布的标准,其目的是规范和统一某一领域的工作流程、术语、标识等内容,以提高工作效率和质量。
BIM国标的分类与编码标准是其中的一部分,它主要用于对建筑信息进行分类和编码,以便对建筑模型进行管理和查询。
通过分类与编码标准,可以将建筑模型中的构件、设备、材料等进行统一分类,并为其分配唯一的编码。
这样一来,无论是设计师、施工方还是维护人员,在查询和管理建筑模型时都能够准确地找到所需的信息。
BIM国标的分类与编码标准通常包括以下几个方面:1.构件分类与编码:将建筑模型中的构件按照其功能、形状、材料等属性进行分类,并为每个构件分配唯一的编码。
这样一来,可以通过构件的编码快速找到其相关的信息,如尺寸、材料、供应商等。
2.设备分类与编码:将建筑模型中的设备按照其类型、品牌、型号等属性进行分类,并为每个设备分配唯一的编码。
这样一来,可以通过设备的编码快速找到其相关的信息,如参数、安装位置、维护记录等。
3.材料分类与编码:将建筑模型中的材料按照其种类、规格、供应商等属性进行分类,并为每个材料分配唯一的编码。
这样一来,可以通过材料的编码快速找到其相关的信息,如价格、库存、供应周期等。
4.空间分类与编码:将建筑模型中的空间按照其功能、用途、面积等属性进行分类,并为每个空间分配唯一的编码。
这样一来,可以通过空间的编码快速找到其相关的信息,如面积计算、功能规划、设备布置等。
通过BIM国标的分类与编码标准,可以实现建筑信息的标准化、统一化和可查询性,从而提高工作效率和减少误差。
建筑信息模型编码标准
建筑信息模型(BIM)是一种数字化的建筑设计、施工和管理技术,它可以集成各种建筑数据,并为建筑项目的各个阶段提供支持。
而建筑信息模型编码标准则是对建筑信息模型中的数据进行编码和标准化的规范,它的制定和应用对于建筑行业的数字化转型具有重要意义。
首先,建筑信息模型编码标准需要对建筑项目中的各类数据进行统一的编码和分类。
这包括建筑构件、材料、设备、工艺等各个方面的数据,通过统一的编码标准,可以实现不同系统之间的数据交换和共享,提高建筑设计和施工的协同性和效率。
其次,建筑信息模型编码标准需要考虑到不同阶段的数据需求和使用。
在建筑项目的不同阶段,需要的数据类型和精度不同,因此建筑信息模型编码标准需要具有一定的灵活性和可扩展性,以适应不同阶段的需求。
另外,建筑信息模型编码标准还需要考虑到不同领域和专业的数据交互。
在建筑项目中,涉及到建筑设计、结构设计、给排水设计、电气设计等多个专业领域,建筑信息模型编码标准需要能够统一不同专业领域的数据标准,实现跨专业的数据交互和集成。
此外,建筑信息模型编码标准的制定还需要考虑到未来建筑行业的发展趋势。
随着建筑行业的数字化转型,建筑信息模型的应用范围将会越来越广,因此建筑信息模型编码标准需要具有一定的前瞻性,能够适应未来建筑行业的发展需求。
总的来说,建筑信息模型编码标准是建筑信息模型技术的重要组成部分,它的制定和应用对于建筑行业的数字化转型具有重要意义。
通过统一的编码标准,可以实现建筑数据的互通互联,提高建筑设计和施工的效率和质量,推动建筑行业的可持续发展。
建筑行业各界人士应该共同努力,推动建筑信息模型编码标准的制定和应用,为建筑行业的数字化转型和发展注入新的活力。
装配式混凝土结构BIM模型分类与编码规范1范围本标准规定了装配式混凝土建筑BIM模型编码的编码原则、编码结构、编码方法以及编码管理与使用要求。
本标准适用于新建、改建、扩建装配式混凝土建筑BIM模型单元的统一管理与业务数据交换,并可指导装配式混凝土建筑企业使用信息化系统对BIM模型进行管理与维护。
2规范性引用文件下列文件对于本文件的应用是必不可少的。
凡是注日期的引用文件,仅注日期的版本适用于本文件。
凡是不注日期的引用文件,其最新版本(包括所有的修改单)适用于本文件。
GB11714-1997全国组织机构代码编制规则GB32100-2015法人和其他组织统一社会信用代码编码规则GB/T51212-2016建筑信息模型应用统一标准GB/T51269-2017建筑信息模型分类和编码标准3术语与定义下列术语和定义适用于本文件。
3.1装配式混凝土建筑prefabricated building以规模化生产的钢筋混凝土预制构件为主,通过现场装配的方式设计并建造的混凝土结构类房屋建筑。
注1:装配式混凝土建筑分全装配建筑和部分装配建筑;注2:全装配建筑一般为低层或抗震设防要求较低的多层建筑;注3:部分装配建筑的主要构件一般采用预制构件,在现场通过现浇混凝土连接,形成装配整体式结构的建筑物。
3.2建筑信息模型building information model(BIM)在建设工程及设施全生命期内,对其物理和功能特性进行数字化表达,并依此设计、施工、运营的过程和结果的总称。
[GB/T51212-2016术语2.1.1]3.3装配式混凝土建筑BIM模型唯一标识码prefabricated concrete buliding BIM model identifier用于唯一标识装配式混凝土建筑BIM模型组件的一组字符。
3.4BIM应用application of BIM建筑信息模型在工程项目中的各种应用及项目业务流程中信息管理的统称。
3.5预制混凝土构件precast concrete component在工厂或现场预先制作的混凝土构件。
3.6装配式混凝土结构precast concrete structure由预制混凝土构件或部件通过各种可靠的方式进行连接形成整体的装配式混凝土结构。
3.7BIM模型构件BIM component构成BIM模型的基本对象或组件。
3.8建筑信息元素BIM element建筑信息模型的基本组成单元,简称模型元素。
3.9几何信息geometrical information反映建筑信息模型内外空间中的形状、大小及位置的信息统称。
3.10非几何信息non-geometry information反映建筑信息模型除几何信息之外的其它特征信息的统称。
3.11属性property可以测量和检测的混凝土预制构件物理或力学特征3.12标准码standard code用于表达和传递构件主要属性信息的编码及相应扩充码,简称标准码。
3.13属性码attribute code用于表达和传递混凝土预制构件详细属性参数信息的编码3.14BIM设计施工一体化BIM integration of design and construction从BIM全寿命周期服务特点出发,实现BIM应用从设计到施工的全价值应用。
4编码原则装配式混凝土建筑BIM模型的编码应遵循唯一性、稳定性和可扩充性的编码原则。
4.1唯一性BIM模型与特定代码形成单一的相互映射关系,在工程项目全寿命期的各阶段,以及工程某些环节或任务中保持唯一性,即使BIM模型退役或弃用,其代码也将作为唯一识别码进行保留。
4.2稳定性若BIM模型的属性信息没有发生变化,则BIM模型编码一经分配,便保持不变。
4.3可扩充性BIM模型编码需留有扩展位,可根据实际情况对编码进行类目扩充。
5模型分类与编码5.1模型使用要求5.1.1装配式混凝土结构BIM应用单位包括建设、设计、构件加工、运输、施工、监理等单位各相关方宜基于统一的BIM模型,建立协同工作规定,保证BIM模型中需共享的数据在设计各环节之间交换和应用,并在协同工作平台上协同工作、共享模型数据。
5.1.2装配式混凝土结构BIM模型应用单位应根据BIM应用目标和范围选用具备相应功能的BIM软件,宜具备模型输入及输出、模型浏览或漫游、模型信息处理、相应的专业应用功能、应用成果处理及输出。
5.1.3装配式混凝土结构BIM模型应用单位宜遵循本规范,根据本单位的管理要求和流程,制定本单位的实施应用指南、BIM模型标准、预制混凝土构件库等。
5.1.4装配式混凝土结构BIM模型分类与编码应体现装配式混凝土建筑的特点,常规部分应采用GB/T51269-2017建筑信息模型分类和编码标准。
5.2模型分类要求5.2.1装配式混凝土结构BIM模型分类应按照GB/T51269-2017给出的建筑信息模型分类表进行扩充。
5.2.2装配式混凝土结构BIM模型根据构件类型和用途,将装配式混凝土结构BIM模型分为预制混凝土柱、预制混凝土梁、预制混凝土楼板、预制混凝土墙板、预制混凝土楼梯、预制混凝土阳台、预制混凝土空调板、预制混凝土女儿墙八部分。
5.2.3装配式混凝土结构BIM模型釆用GB/T51269-2017建筑信息模型分类中的表40-材料、表41-属性,按照其特点进行扩充。
5.2.4装配式混凝土结构BIM模型分类各层级之间的逻辑关系应符合相关规定,同一类目的下一层级之中的不同类目应具有相同的划分标准。
5.2.5装配式混凝土结构BIM模型分类宜按层级依次分为一级类目“小类”、二级类目“细类”。
5.3模型编码结构5.3.1装配式混凝土结构BIM模型编码应釆用“标准码”和“属性码”的两段编码方式。
两段编码应釆用“:”分隔,其编码结构见图1。
图1装配式混凝土结构BIM模型编码5.3.2标准码描述应按照以下规定执行:——标准码用以表示构件类型和主要属性,一组标准码由一组八位数字编码构成。
——标准码由项目相关方代码、项目实施阶段代码、构件小类代码和构件细类代码组成。
——标准码应釆用一组以上编码组合描述的装配式混凝土结构BIM模型的分类及主要属性,相邻编码之间用加号“+”连接,并按从小到大的顺序排列。
——项目相关方代码及其类目名称详见表1,项目实施阶段代码见表2,构件小类代码和构件细类代码及其类目名称详见表3,类目名称详见表4。
5.3.3属性码描述应按照以下规定执行:——一种属性釆用一组属性码进行描述,一组属性码由一组属性类型编码和一组属性参数编码构成。
——装配式混凝土结构BIM模型属性码分为普通型和输入型两类:普通型属性码用于属性参数值可枚举的情况,输入型属性码用于属性参数值不可枚举的情况。
——普通型属性类型编码和属性参数编码均釆用两位00~99数字表示。
——输入型属性码的属性类型编码釆用三位000-999数字表示,属性参数编码釆用小括号内输入属性参数值的形式表示。
——装配式混凝土结构BIM模型属性码可按组连续排列,不限长度。
——装配式混凝土结构BIM模型普通属性码及其类目名称详见表4,装配式混凝土结构BIM 模型输入型属性码及其类目名称见表5。
6编码构成6.1项目相关方代码装配式混凝土建筑BIM模型项目相关方代码见表1。
表1项目相关方代码及其类目相关方名称代码备注建设方01总承包企业02地勘企业03设计企业04监理企业05施工企业06工程咨询企业07构件制作企业08规划局09住建局10质监站11建设局管理安监站12安监局管理消防局13人防办14城建档案局15其它99收容项6.2项目阶段码装配式混凝土建筑BIM模型项目阶段码见表2。
表2项目阶段码项目阶段名称代码备注建设方案编制阶段01设计阶段02合约(招投标)阶段03施工BIM应用策划与管理阶段04预制装配式混凝土结构深化设计阶段05预制装配式混凝土预制加工阶段06施工模拟优化阶段07施工过程管理阶段08施工监理阶段09竣工验收阶段10运维阶段11其它99收容项6.3构件小类和细类代码装配式混凝土建筑BIM构件小类代码和构件细类代码见表3。
表3构件小类和细类代码构件小类代码及名称构件细类代码及名称01(预制混凝土柱)01(框柱)02(构造边缘构件)03(约束边缘构件)02(预制混凝土梁)01(框架梁)02(连梁)03(非框架梁)04(基础梁)05(墙梁)06(挑梁)07(过梁)03(预制混凝土楼板)01(桁架叠合板单向板)02(桁架叠合板双向板中板)03(桁架叠合板双向板边板)04(桁架叠合板双向板整板)05(PK板连续板)06(PK板简支板)04(预制混凝土墙板)01(钢筋混凝土板内隔墙)02(蒸压加气混凝土板内隔墙)03(轻集料混凝土内隔墙条板)04(预制混凝土剪力墙板)05(预制混凝土外挂墙板)05(预制混凝土楼梯)01(梁式单跑楼梯)02(梁式双跑楼梯)03(梁式三跑楼梯)04(梁式剪刀楼梯)05(梁式螺旋楼梯)06(板式单跑楼梯)07(板式双跑楼梯)08(板式三跑楼梯)09(板株式剪刀楼梯)10(板式螺旋楼梯)06(预制混凝土阳台)01(叠合板株式阳台)02(叠合梁式阳台)03(全预制板式阳台)04(全预制梁式阳台)07(预制混凝土空调板)08(预制混凝土女儿墙)01(平直端女儿墙)02(转角女儿墙)6.4类目名称及属性装配式混凝土结构BIM模型普通属性码及其类目名称见表4。
表4制混凝土构件码类目名称类目属性01(构件位置)01(基础)02(底部加强区)03(标准层)04(顶层)02(抗震参数)01(甲类建筑,6度设防) 02(甲类建筑,7度设防) 03(甲类建筑,8度设防) 04(甲类建筑,9度设防) 11(乙类建筑,6度设防)12(乙类建筑,7度设防) 13(乙类建筑,8度设防) 14(乙类建筑,9度设防) 21(丙类建筑,6度设防) 22(丙类建筑,7度设防) 23(丙类建筑,8度设防) 24(丙类建筑,9度设防) 31(丁类建筑,6度设防) 32(丁类建筑,7度设防) 33(丁类建筑,8度设防) 34(丁类建筑,9度设防)03(建筑类型)01(民用居住建筑) 02(民用公共建筑) 03(工业建筑)04(农业建筑)04(受力特点)01(框架柱)02(剪力墙)03(约束边缘构件)04(构造边缘构件)05(内隔墙)06(外墙挂板)07(框架梁)08(非框架梁)09(连梁)10(基础梁)11(墙梁)12(挑梁)13(圈梁)14(过梁)15(双T型PK板)16(单T型PK板)17(带肋型PK板)18(析架钢筋混凝土叠合板)19(板式楼梯)20(梁式楼梯)21(楼梯平台)22(叠合板式阳台) 23(全预制板式阳台)24(全预制梁式阳台)25(空调板)26(直板女儿墙)27(转角板女儿墙)05(结构特征)01(预应力) 02(非预应力)06(截面形状)01(矩形)02(梯形)03(圆形)04(一字形)05(L型)06(Z型)07(倒L型)08(变截面)09(梯形)10(实心方形) 11(实心圆形) 12(实心多边形) 13(空心方形)14(环形)15(其他)07(形式)01(实心)02(叠合)03(非叠合)04(预应力)05(非预应力)06(保温)07(非保温)08(夹芯)09(非夹芯)10(钢骨)11(非钢骨)08(力学特性)01(单向板) 02(双向板中板)03(双向板边板)04(双向板整板)09(洞口类型)01(单窗洞)02(单门洞) 03(双窗洞)04(双门洞) 05(单门单窗)06(门连窗)07(无门窗)08(固定门垛)09(无固定门垛)10(刀把)11(带飘窗板)12(其他)10(连接方式)01(钢筋套筒)02(约束浆锚)03(螺栓连接)04(法兰连接)05(浆锚孔洞间接搭接)06(搭接)07(焊接)08(其他)11(功能特征)01(保温) 02(防火) 03(吸声) 04(耐腐蚀) 05(防腐蚀) 06(防水)O7(隔热)08(其它)12(混凝士标号)01(C20) 02(C25) 03(C30) 04(C35) 05(C40) 06(C45) 07(C50) 08(C55) 09(C60) 10(C70) 11(C80)13(混凝土抗渗等级)01(非抗渗) 02(P6)03(P8) 04(P10)14(钢筋等级)01(HPB300)02(HRB335) 03(HRB400) 04(HRB500)15(钢筋直径)01(6)02(6.5) 03(8) 04(10) 05(12) 06(14)07(16) 08(18) 09(20) 10(22) 11(25) 12(28) 13(30) 14(32)16(螺栓连接类型)01(普通螺栓4.6级连接) 02(普通螺栓 4.8级连接) 03(普通螺栓5.6级连接) 04(普通螺栓8.8级连接) 05(高强螺栓8.8级连接) 06(高强螺栓10.9级连接)17(焊接连接类型)11(E43焊条气焊焊接) 12(E50焊条电弧焊焊接) 13(E50焊条气焊焊接) 14(E5焊条电弧焊焊接) 15(E55焊条气焊焊接)18(焊缝质量标准等级)01一级焊缝02二级焊缝03三级焊缝其他...6.5属性类型及参数装配式混凝土结构BIM模型属性类型及参数见表5。