D6.2.2-1 砌体挡土墙检查记录表
- 格式:xlsx
- 大小:23.71 KB
- 文档页数:1
砌体挡土墙施工检验批质量检验记录表
CJJ1-2021
注:1、L为墙板长度,H为墙板全高(mm)。
2、主控项目、一般项目的检查结果,需用语言描述的项,应按CJJ1-2021的要求详实描述;主控项目的计数检验项先填写“检验批主控项目计数检验记录表”(G1-1-1),然后将计数检验结果填写在本表相应的检查结果栏内;检验批一般项目计数检验数据较多、本表空格不够填写的项,可填写“检验批一般项目计数检验记录表(G1-1-2),将该表作为本表的附页。
土方路基(路床)检验批质量检验记录表
土方路基(路床)检验批质量检验记录表
土方路基(路床)检验批质量检验记录表
土方路基(路床)检验批质量检验记录表
土方路基(路床)检验批质量检验记录表
粘层、透层和封层施工检验批质量检验记录表。
砌筑挡土墙检验批质量验收记录.docx模板一:正式风格砌筑挡土墙检验批质量验收记录一、项目基本信息1.1 项目名称:砌筑挡土墙工程1.2 施工单位:XXX建筑有限公司1.3 监理单位:XXX监理工程有限公司1.4 施工日期:xxxx年xx月xx日 - xxxx年xx月xx日二、检验批信息2.1 检验批号:JT-2022-0012.2 施工部位:A区挡土墙2.3 施工工艺:砌筑挡土墙2.4 施工材料:xxxx材料2.5 监理工程师:XXX2.6 施工班组:XXX班组三、验收标准3.1 挡土墙的砌筑符合《挡土墙工程施工规范》(GB 50096-XXXX)的要求。
3.2 挡土墙的砌筑质量符合相关设计文件和技术规范的要求。
四、检验结果4.1 砌筑工艺符合要求,砌筑质量良好。
4.2 使用的砌筑材料符合相关标准,无质量问题。
五、验收记录5.1 验收时间:xxxx年xx月xx日5.2 验收人员:5.2.1 施工单位代表:XXX(签字)5.2.2 监理单位代表:XXX(签字)5.2.3 业主代表:XXX(签字)5.3 验收过程:5.3.1 检查挡土墙的砌筑工艺并核对相关设计文件。
5.3.2 检查挡土墙使用的砌筑材料,进行抽样检测。
5.3.3 检查挡土墙砌筑的垂直度和水平度。
5.3.4 检查挡土墙的外观质量,并进行拍照记录。
5.4 验收结果:5.4.1 检验批经核实符合相关要求。
5.4.2 未发现质量问题。
5.4.3 验收合格。
六、附件6.1 挡土墙施工照片6.2 砌筑材料抽样检测报告七、注释7.1 挡土墙工程施工规范(GB 50096-XXXX):我国对挡土墙工程砌筑质量要求的技术规范。
附件:砌筑挡土墙检验批质量验收记录.docx模板二:简洁风格砌筑挡土墙检验批质量验收记录项目基本信息:项目名称:砌筑挡土墙工程施工单位:XXX建筑有限公司监理单位:XXX监理工程有限公司施工日期:xxxx年xx月xx日 - xxxx年xx月xx日检验批信息:检验批号:JT-2022-001施工部位:A区挡土墙施工工艺:砌筑挡土墙施工材料:xxxx材料监理工程师:XXX施工班组:XXX班组验收标准:1. 挡土墙的砌筑符合《挡土墙工程施工规范》(GB 50096-XXXX)的要求。
混凝土挡土墙检验批质量验收记录表(doc 24页)部门: xxx时间: xxx整理范文,仅供参考,可下载自行编辑浆砌砌体和混凝土挡土墙检验批质量验收记录表承包单位:兰州市第一建筑工程公司第四分公司合同编号:工程名称舟曲县灾后应急2#弃渣场(虎家崖)工程施工时间2010年9月日—9月日部位挡土墙0+000—0+010 检验时间2010年月日项次检验项目规定值或允许偏差检验结果检验方法和频率1 砂浆或混凝土强度(MPa)7.5 MPa 9.1 MPa2 平面位置(mm)浆砌挡土墙√50 20 40 35 10经纬仪混凝土挡土墙503 顶面高程(mm)重点浆砌挡土墙√±20 +10 -14 +15 +25水准仪混凝土挡土墙±10一般浆砌挡土墙混凝土挡土墙4 断面尺寸(cm) 不小于设计基础宽:505基础高:100墙身底:377墙身顶:85基础宽:504 506 505505基础高:100 101 102101墙身底:375 377 378378墙身顶:85 86 87 86尺量5 底面高程(mm) ±50 +40 -30 +35 +20 水准仪6 平面平整度块石√20 10 15 20 242m直尺片石30说明:一式三份,监理单位签证后,返回承包单位一份,送业主单位一份。
浆砌砌体和混凝土挡土墙检验批质量验收记录表承包单位:兰州市第一建筑工程公司第四分公司合同编号:说明:一式三份,监理单位签证后,返回承包单位一份,送业主单位一份。
浆砌砌体和混凝土挡土墙检验批质量验收记录表承包单位:兰州市第一建筑工程公司第四分公司合同编号:说明:一式三份,监理单位签证后,返回承包单位一份,送业主单位一份。
浆砌砌体和混凝土挡土墙检验批质量验收记录表承包单位:兰州市第一建筑工程公司第四分公司合同编号:说明:一式三份,监理单位签证后,返回承包单位一份,送业主单位一份。
浆砌砌体和混凝土挡土墙检验批质量验收记录表承包单位:兰州市第一建筑工程公司第四分公司合同号:说明:一式三份,监理单位签证后,返回承包单位一份,送业主单位一份。
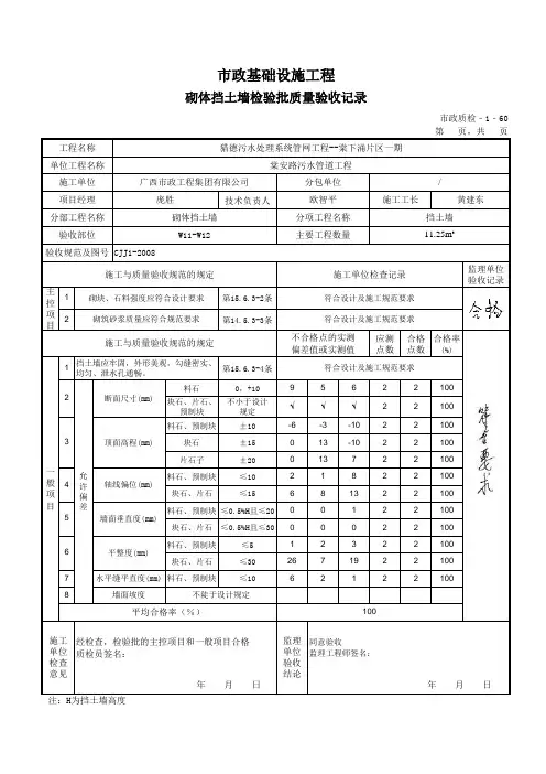
技术负责人监理单位验收记录1第15.6.3-2条2第14.5.3-3条应测点数合格点数合格率(%)1第15.6.3-4条料石0,+1095622100块石、片石、预制块不小于设计规定√√√22100料石、预制块±10-6-3-1022100块石±15013-1022100片石子±20013722100料石、预制块≤1021822100块石、片石≤15681322100料石、预制块≤0.5%H且≤2000122100块石、片石≤0.5%H且≤3000022100料石、预制块≤512322100块石、片石≤3026719221007料石、预制块≤10621221008断面尺寸(mm)顶面高程(mm)轴线偏位(mm)墙面垂直度(mm)平整度(mm)注:H为挡土墙高度主控项目一般项目23456允许偏差监理单位验收结论平均合格率(%)100经检查,检验批的主控项目和一般项目合格质检员签名:同意验收监理工程师签名: 年 月 日 年 月 日施工单位检查意见施工与质量验收规范的规定不合格点的实测偏差值或实测值挡土墙应牢固,外形美观,勾缝密实、均匀、泄水孔通畅。
符合设计及施工规范要求水平缝平直度(mm)墙面坡度不陡于设计规定施工与质量验收规范的规定施工单位检查记录砌块、石料强度应符合设计要求符合设计及施工规范要求砌筑砂浆质量应符合规范要求符合设计及施工规范要求验收部位W11-W12主要工程数量11.25m³验收规范及图号CJJ1-2008项目经理庞胜欧智平施工工长黄建东分部工程名称砌体挡土墙分项工程名称挡土墙工程名称猎德污水处理系统管网工程--棠下涌片区一期单位工程名称棠安路污水管道工程施工单位广西市政工程集团有限公司分包单位/市政基础设施工程砌体挡土墙检验批质量验收记录市政质检﹣1﹣60第 页,共 页。
护坡、护底、挡土墙(重力式)工程查验批质量查收记录表单位(子单位)工程名称分项(子分部)工程名称施工单位分包单位施工履行标准名称及编号施工质量查收规范规定1沙浆的强度等级2混凝土的强度等级/均匀值不低于设计规定不低于设计规定查收部位项目经理分包项目经理施工单位检查评定记录切合设计和规范要求切合设计和规范要求/监理(建设)单位查收记录主控项目水泥混凝土挡土墙平坦浆砌料石1020切合要求3度同意误差(mm)砖、砌块10浆砌块石3025121082423181092专业工长(施工员)施工班组长施工单位检查评定结果项目专业质量检查员:年月日监理(建设)单位查收结论专业监理工程师:(建设单位项目专业技术负责人):年月日注:砌体长度不足20m的,以每个砌体为检查范围,点数不变。
表中 H为修建物高度,单位: m。
沙浆强度:沙浆试块均匀强度不低于设计规定,随意一组试块的强度最低值不低于设计规定的85%。
护坡、护底、挡土墙(重力式)工程查验批质量查收记录表单位(子单位)工程名称分项(子分部)工程名称施工单位分包单位/施工履行标准名称及编号施工质量查收规范规定1砌筑质量见本规范表第条2预埋件、泄水孔、反滤层、防水切合设计设备等规范要求断挡水泥混凝土+10, 0面土浆砌料石、砖、砌块+10, 0尺墙浆砌块石≥设计规定寸护坡浆砌块石、干砌块石≥设计规定护底挡土墙水泥混凝土± 5浆砌料石、砖、砌块± 10一顶面高程± 15 3浆砌块石般允挡土墙土方± 30项许基底高程石方± 100目偏水泥混凝土10差挡土墙浆砌料石、砖、砌块10 mm轴线位移15浆砌块石挡土墙墙水泥混凝土%H且≯15浆砌料石、砖、砌块%H且≯20面垂直度浆砌块石%H且≯30浆砌料石、砖、砌块挡土墙水平缝平直10墙面坡度不陡于设计规定专业工长(施工员)施工单位检查评定结果查收部位项目经理分包项目经理/监理(建设)单施工单位检查评定记录位查收记录切合设计和规范要求切合设计和规范要求141216-5-10916-83625-18201214-1119589合格施工班组长项目专业质量检查员:年月日监理(建设)单位查收结论专业监理工程师:(建设单位项目专业技术负责人):年月日。
砌体挡土墙施工检验批质量检验记录5砌体挡土墙施工检验批质量检验记录5一、项目概况1. 工程名称:砌体挡土墙施工2. 工程地点:(填写实际工程地点)3. 工程单位:(填写实际工程单位)4. 监理单位:(填写实际监理单位)5. 施工单位:(填写实际施工单位)二、检验依据根据相关法律法规、施工图纸、技术规范及合同要求进行施工过程的质量检验。
三、施工过程记录与检验结果1. 材料验收1.1 砌块材料检验1.1.1 按照合同要求检验砌块材料,包括砖块、石块等。
1.1.2 进行外观质量检验,检查砌块表面是否平整、无裂缝等缺陷。
1.1.3 进行尺寸检验,检查砌块的长宽高是否符合要求。
1.1.4 进行抗压强度检验,按照规定进行压力试验,检查砌块的强度是否合格。
1.2 砂浆材料检验1.2.1 按照合同要求检验砂浆材料,包括水泥、石灰、沙子等。
1.2.2 检查砂浆的配合比例是否正确。
1.2.3 进行塑性和粘度检验,按照规定进行试验,检查砂浆的可塑性和粘结力是否合格。
2. 基坑开挖与处理2.1 进行基坑开挖前的检查,确保基坑周围无隐患。
2.2 采取合理的支护措施,确保基坑的稳定性。
2.3 检查基坑底部的平整度和坡度是否符合要求。
3. 墙体砌筑3.1 清理基坑内杂物和碎石,确保砌筑基面平整。
3.2 按照设计要求进行墙体的砌筑。
3.3 对墙体的垂直度进行检查,测量每一个标高点的偏差。
3.4 检查墙体的平整度,确保墙面平整。
4. 砂浆拌合过程4.1 检查砂浆拌合机械设备的运行状态,确保设备正常工作。
4.2 按照设计要求进行砂浆材料的配比。
4.3 进行砂浆拌合试验,检查拌合后砂浆的均匀性和黏度。
5. 超过检验限值处理5.1 若发现材料不符合合同要求或者施工质量存在问题,应及时住手施工并及时通知监理单位和施工单位。
5.2 对于施工过程中浮现的超过检验限值的情况,应采取相应的整改措施,并在记录中明确如何整改。
四、本批次质量检验结论经过上述检验,本批次的砌体挡土墙施工符合相关法律法规和合同要求,各项质量指标均达到设计要求,在质量上可以通过验收。
检查结果
12345678910合格率(%)
1△在合格标准内按附录F检查
100
250
经纬仪:每20m检查墙顶外
边线3点
2312710592291420100
3±20水准仪:每20m检查1点
+24-5+4-12+10+783.33
40.5吊垂线:每20m检查2点
0.250.10.20.250.150.2100
5△不小于设计(顶宽×底宽)尺量:每20m量2个断面
100
6±50水准仪:每20m检查1点+30+10+18+34+40+30
100
块 石20
269100
片 石30
混凝土块、料石10
检测负责人: 检测: 记录: 复核: 年 月 日
7检 查 项 目砂浆强度(MPa)平面位置(mm)顶面高程(mm)竖直度或坡度(%)检查方法和频率断面尺寸(cm)底面高程(mm)表 面平整度(mm)检查XX组,合格XX组 经检查,各检查项目均符合设计及规范要求。 经检查,各检查项目均符合设计及规范要求。检查意见:监理工程师意见: 江川至通海高速 公 路D6.2.2-1 砌体挡土墙检查记录表基 本要 求1、石料或混凝土预制块的质量和规格应符合有关规范和设计要求。2、砂浆所用的水泥、砂、水的质量应符合有关规范的要求,按规定的配合比施工。3、地基承载力必须满足设计要求。4、砌筑应分层错缝。浆砌时坐浆挤紧,嵌填饱满密实,不得有空洞。5、沉降缝、泄水孔、反滤层的设置位置、质量和数量应符合设计要求。实 测 值 或 实 测 偏 差 值施工单位:中国水利水电第十四工程局有限公司 监理单位:广东翔飞公路工程监理有限公司 编 号:里程桩号:K3+340~K3+360(左侧) 工程部位:浆砌片石墙身 分项工程名称:K3+340~K3+360(左侧)挡土墙 所属分部工程名称:砌筑防护工程(左幅K1+515.000~K3+695.000)60.2×301.560.1×300.52m直尺:每20m检查3处,每处检查竖直和墙长两个
方向
实
测
项
目
项
次
规 定 值 或
允 许 偏 差
60.1×302