(完整版)市场营销沙盘规则说明
- 格式:doc
- 大小:153.01 KB
- 文档页数:12
企业沙盘规则说明哎呀,说到企业沙盘,大家都知道是一个挺有意思的活动。
听起来像是“玩沙子”的游戏,实际上比玩沙子要复杂得多,但也没那么难懂,放心吧。
这种活动一般是用来模拟企业运营的,你可以把它看作一个现实版的“模拟游戏”。
在这个游戏里,大家将扮演不同的角色,模拟企业从创业到发展的全过程。
你要有决策,要有战略,要有对外部环境的应对,还要学会在大风大浪中稳住自己的小船。
所以说,规则不复杂,玩得好,脑袋转得快,你就能领会其中的妙处了。
企业沙盘一般分为几个模块——有销售、有生产、有财务,还有市场竞争等。
每个模块都代表着一个企业的核心部分。
你可以理解成,你要经营的不只是一个部门,而是一个完整的企业。
每个小组负责一个“企业”,团队成员有的做销售、有的做生产、有的做财务,大家要分工合作,共同决策,才能让企业活得好,活得长。
你可能会觉得:嘿,咋就不止是一个简单的游戏呢?其实不然,背后可是有大智慧的!你得时刻关注周围的竞争者,看他们的动向,别一不小心就被别人“反超”了。
大家要怎么开始呢?你得选定一个“企业”的名称。
嗯,就像给宝宝取名字一样,取个响亮的名字很重要,但也得能体现出企业的特点。
这个名字选好后,你们的小组就要开始制定战略了。
战略这个词有点大,听起来就像是大人物的决策,其实并不复杂。
你要思考的是,你们的企业应该做什么?卖什么?怎么卖?这些基本的问题解决了,你的企业才算是有了起步的基础。
记住啊,企业一开始最好不要做得太复杂,否则最后手忙脚乱,啥也做不好。
接下来就是每个模块的分工了。
销售部要制定销售策略,目标客户是谁,怎样吸引他们,价格怎么定,这些都得考虑进去。
生产部则要考虑生产能力、原料采购、产量、质量等方面。
财务部的任务就更关键了,你得控制预算、管理现金流,确保企业不至于因为缺钱而倒闭。
所以,别看财务部的工作有点枯燥,其实是最为关键的部分之一,尤其是在企业资金紧张的时候,你不想让你的企业因为资金链断裂而“夭折”吧?然后,你还得定期评估你的策略,调整你的生产、销售、财务计划。
沙盘规则及策略市场开拓周期及费⽤如下表:市场本地市场区域市场国内市场亚洲市场国际市场开拓时间开放 1年 2年 3年 4年开拓投⼊⽆ 1M/年 1M/年 1M/年 1M/年产品研发周期及费⽤如下表:产品P2 P3 P4 时间1.5年(6Q ) 1.5年(6Q ) 1.5年(6Q )投资 6M 12M 18M 原料可以批量采购,采购原则如下表:原材料采购(每个原料价格1M )帐期每次每种原材料采购 5个以下现⾦ 6-10个1Q 11-152Q 16-203Q 20个以上 4Q每种⽣产线的具体购买价格、安装周期、⽣产周期、出售残值、变更周期:⽣产线⼿⼯半⾃动全⾃动柔性购买价5M 8M 16M 24M 安装周期⽆ 2Q 4Q 4Q ⽣产周期3Q 2Q 1Q 1Q 出售残值1M 2M 4M 6M 变更周期⽆ 1Q 2Q ⽆变更费⽤⽆ 1M 4M ⽆认证项⽬ISO9000(质量) ISO14000(环境) 认证时间2年 4年认证投资2 M 4 M产品研发完成后,可以接单⽣产。
⽣产不同的产品需要的原料不同,各种产品所⽤到的原料及数量(BOM)如下:每条⽣产线同时只能有⼀个产品在线⽣产。
产品上线时需要⽀付加⼯费,不同⽣产线的⽣产效率不同,需要⽀付的加⼯费也是不相同的。
具体加⼯费⽤如下表:产品线⼿⼯线半⾃动全⾃动/柔性产品P1 1M 1M 1MP2 2M 1M 1MP3 3M 2M 1MP4 4M 2M 1M1)短期贷款/⽀付利息更新短期贷款:如果企业有短期贷款,每执⾏⼀次本项任务,还贷账期缩短⼀个季度;还本付息:如果到期后,需要归还本⾦,并⽀付利息。
例如,短贷20M,到期时,每桶需要⽀付20M×5%=1M的利息,因此,需要⽀付本⾦与利息共计21M。
获得新贷款:短期贷款在每⼀季度可以随时申请。
可以申请的最⾼额度为:上⼀年所有者权益×2-已有短期贷款。
民间融资:民间融资的规则与短期贷款类似。
只是贷款的利率不同。
itmc市场营销沙盘实训操作流程下载温馨提示:该文档是我店铺精心编制而成,希望大家下载以后,能够帮助大家解决实际的问题。
文档下载后可定制随意修改,请根据实际需要进行相应的调整和使用,谢谢!并且,本店铺为大家提供各种各样类型的实用资料,如教育随笔、日记赏析、句子摘抄、古诗大全、经典美文、话题作文、工作总结、词语解析、文案摘录、其他资料等等,如想了解不同资料格式和写法,敬请关注!Download tips: This document is carefully compiled by theeditor.I hope that after you download them,they can help yousolve practical problems. The document can be customized andmodified after downloading,please adjust and use it according toactual needs, thank you!In addition, our shop provides you with various types ofpractical materials,such as educational essays, diaryappreciation,sentence excerpts,ancient poems,classic articles,topic composition,work summary,word parsing,copy excerpts,other materials and so on,want to know different data formats andwriting methods,please pay attention!ITMC市场营销沙盘实训操作流程详解ITMC市场营销沙盘实训,是一种以模拟企业运营为背景的实战训练,旨在提升学员的市场营销策略制定和执行能力。
校友杯营销策划大赛沙盘规则1. 背景介绍校友杯营销策划大赛是为了促进校友之间的交流与合作,提升校友会的影响力和品牌形象而设立的比赛。
本次比赛以沙盘模拟的方式进行,参赛团队需要通过制定营销策划方案来推广校友会的活动和服务,从而获得最终的胜利。
2. 比赛规则2.1 参赛资格•参赛团队必须由本校校友组成,每个团队成员不得少于3人,不得超过5人。
•参赛团队需要事先报名,并提交团队成员的个人信息和联系方式。
2.2 比赛形式•本次比赛采用沙盘模拟的方式进行,参赛团队可以自行选择一个校友会的场景进行模拟。
•比赛设有初赛和决赛两轮,初赛为线上评审,决赛为线下现场演示。
2.3 比赛流程1.报名阶段:参赛团队需要在规定时间内完成报名,并提交团队成员的个人信息和联系方式。
2.初赛阶段:–参赛团队需要根据比赛要求,制定校友会营销策划方案,并在规定时间内提交。
–初赛评审委员会将评选出前进入决赛的团队,并给出评审意见和建议。
3.决赛阶段:–进入决赛的团队需要在规定时间内完善营销策划方案,并准备线下演示材料。
–决赛现场,每个参赛团队有限定时间进行演示,并回答评委的提问。
–评委根据演示内容、策划方案和团队表现进行评分,最终决出获胜团队。
2.4 比赛评分标准•初赛评分标准:–营销策划方案的创意性和可行性(30%)–目标市场分析和定位(20%)–推广渠道和传播策略(20%)–预算和资源规划(20%)–团队合作和表现(10%)•决赛评分标准:–演示内容的逻辑性和清晰度(30%)–策划方案的完整性和可行性(20%)–演示材料的设计和呈现(20%)–团队表现和应对问题的能力(20%)–评委整体印象分(10%)2.5 奖项设置•冠军团队:奖金5000元+校友会合作机会•亚军团队:奖金3000元+校友会合作机会•季军团队:奖金1000元+校友会合作机会•优秀奖:校友会合作机会3. 注意事项1.参赛团队必须保证所提交的方案和材料的原创性,如发现抄袭行为,将取消比赛资格。
沙盘对抗规则介绍一、市场规则各公司可在下列市场中选择开发规则:每年投入1百万(M),允许中断或终止,不许超前投资。
二、产品规则P1产品是各公司本身拥有的,其他产品需要进行开发。
具体开发时间和经费如下表1.开发投入分期进行,每季度进行一次,投入1、2、3M不等,2.开发中可以随时中断和延续,不允许超前或集中投入;3.投资不能回收;4.开发完成之后,才能上线生产;5.开发的产品不能转让。
三、ISO9000,ISO14000开发规则无形资产的获得包括:ISO 9000和ISO 14000的认证,ISO 9000需要1年完成,ISO 14000 需要2年完成,分期投入,每年一次,每次1 M。
可以中断投资,但不允许集中或超前投资。
只有开发完成后,才能在市场竞单中投入广告费,只有投入ISO的广告费,才有资格获取具有ISO 要求的特殊订单。
四、厂房买卖规则1、年底决定厂房是否购买,购买厂房时,将等值的现金购放在厂房价值处,厂房不提折旧;2、年末时,如果厂房中有一条生产线,不论状态如何,都算占用。
如果占用的厂房没有购买,必需付租金;3、对于已经购买的厂房可随时按原值出售,出售厂房的款项计入4Q的应收款。
五、机器设备1、生产线只能购买,不能公司间转让;2、购买生产线必须按照安装周期分期支付,只有实现支付,才能计算安装期;支付不一定需要持续,可以在支付过程中停顿,安装期顺延;3、只有当投资全部完成后,才算安装完成。
4、生产线卖出时,只能按残值出售,实际价值继续参加折旧,直到折完为止。
5、当年建成的生产线不参加折旧;6、生产线每年提取维修费,在建的生产线不交维修费,但一旦建成,不论是否生产,必须缴纳维修费,转产的生产线也需缴纳维修费;7、生产线一经安装不允许移动位置;8、有再制品的生产线不允许出售和转产处理;9、生产线上的格子代表加工工期,所以生产线上只能有一个再制品。
六、融资规则1、长期、短期贷款额度:各自为上年权益总计的2倍,必须为20的倍数申请;如果上年权益为11M-19M,只能按10M来计算贷款数量,即贷款额度为20M。
沙盘规则————————————————————————————————作者:————————————————————————————————日期:企业经营管理沙盘模拟系统沙盘角色职责与规则角色名称:CEO(总裁)岗位职责:全面负责企业各项事项务角色名称:CSO(营销总监)岗位职责:开拓市场:稳定企业现有市场;积极拓展新市场预测市场制定销售计划;合理投放广告;根据企业生产能力取得匹配的客户订单;沟通生产部门按时交货;监督货款的回收。
沙盘模拟中的任务及规则1)制定广告方案规则:营销总监根据市场预测情况进行各个产品和地区的广告投放,每个市场的订单是有限的,并不是投放广告就能得到订单。
2)参加订单竟单规则:根据各个地区的广告投入的高低情况进行选单,谁投入的广告费高谁就有优先选单权。
标注有“加急”字样的订单要求在每年的第一季度交货,延期交货将扣除该张订单总额的25%(取整)作为违约金;普通订单可以在当年内任一季度交货,如果由于产能不够或其他原因,导致本年不能交货,交货时扣除该张订单总额的25%(取整)作为违约金。
订单卡片上的账期代表客户收货时货款的交付方式,若为0账期,则现金付款;若为4账期,代表客户4个季度后才能付款。
如果订单卡片上标注了“ISO9000”或“ISO14000”,那么要求生产单位必须取得了相应认证,并投放了认证的广告费,两个条件均具备才能得到这张订单。
3)交货给客户规则:营销总监检查各成品库中的成品数量是否满足客户订单要求,满足则按照客户订单交付约定数量的产品给客户。
如果是加急订单必须在第一季度交货,否则将罚款25%,如果在本年获得的订单不能在本年没交货,也将进行罚款25%。
4)市场开拓/ISO资格认证规则:市场本地市场区域市场国内市场亚洲市场国际市场开拓时间开放1年2年3年4年开拓投入无1M/年1M/年1M/年1M/年1.市场开拓在每年的年末进行,每年只能进行一次,每次投入1M,不能加速开拓。
沙盘大赛竞赛规章“沙盘竞赛”是集学问性、趣味性、对抗性于一体的大型企业治理技能竞赛。
每 4 位参赛学生将组成一个团队,代表不同的一个虚拟公司,每队成员将分别担当公司中的重要职位〔总裁CEO、财务总监CFO、营销总监CSO、运营总监COO〕,其职责及操作规章如下。
一、CEO〔总裁〕岗位职责:制定企业进展战略规划带着团队共同打算企业决策审核财务状况听取企业盈利〔亏损〕状况留意:在沙盘模拟中CEO 发挥最大职能,假设所带着的团队在模拟对抗中意见相左,由CEO 拍板打算。
二、CSO〔营销总监〕岗位职责:开拓市场:稳定企业现有市场;乐观拓展市场推想市场制定销售打算;合理投放广告;依据企业生产力气取得匹配的客户订单;沟通生产部门按时交货;监视货款的回收。
沙盘模拟中的任务及规章1)制定广告方案规章:营销总监依据市场推想状况进展各个产品和地区的广告投放,每个市场的订单是有限的,并不愿定投放广告就能得到订单,但至少投入1M 才有时机选单。
2)参与订单竟单规章:按每个市场单一产品广告投入量,从高到低依次选择订单。
假设该市场该产品广告投入一样,则比较该产品全部市场广告投入之和;假设单一产品全部市场广告投放一样,则比较全部产品,全部市场两者的广告总投入;假设全部产品,全部市场两者的广告总投入也一样,则依据谁优先提交的广告方案,谁优先选单。
但是市场订单受随机大事影响,由于社会经济,政府,自然灾难等意外大事影响,会影响产品的供求关系,从而增加订单的偶然性,要随时留意系统意外大事的提示。
随机大事机率是由教师指导平台的参数设定打算。
订单的内容由市场、产品名称、产品数量、单价、订单价值总额、账期、特别要求等要素构成。
标注有“加急”字样的订单要求在每年的第一季度交货,延期交货将扣除该张订单总额的25%〔按四舍五入取整〕作为违约金;一般订单可以在当年内任一季度交货,假设由于产能不够或其他缘由,导致本年不能交货,交货时扣除该张订单总额的25%〔按四舍五入取整〕作为违约金。
市场营销沙盘策略概述市场营销沙盘策略是一种模拟市场营销环境的训练和应用工具,能够帮助企业分析市场情况、制定营销策略并评估市场决策的效果。
下面将对市场营销沙盘策略进行概述。
市场分析:市场营销沙盘策略的第一步是对市场进行分析。
通过搜集并整理市场资料和竞争对手信息,企业可以了解市场的规模、趋势、竞争力和消费者洞察。
市场分析有助于企业了解自身与竞争对手的优势和劣势,为制定后续的市场营销策略提供基础。
制定营销策略:根据市场分析的结果,企业可以制定相应的营销策略。
这包括确定目标市场、产品定位、价格策略、分销渠道选择、推广活动等。
市场营销沙盘策略可以帮助企业在虚拟的环境中模拟各种不同的营销策略,并通过结果分析,找到最佳的策略组合。
决策评估:市场营销沙盘策略还可以帮助企业评估各种市场决策的效果。
企业可以通过模拟市场环境,观察销售额、市场份额、品牌认知度等指标的变化,从而评估不同决策的影响。
这可以帮助企业在实际市场中,从整体和局部的角度,权衡不同因素,做出更明智的决策。
团队培训:市场营销沙盘策略也是一种培训工具,可以用于团队的市场营销培训。
通过模拟虚拟的市场环境,团队成员可以共同思考、讨论和解决市场营销问题,提高团队协作和决策能力。
总结而言,市场营销沙盘策略是一种重要的市场营销工具,可以帮助企业分析市场情况、制定营销策略并评估市场决策的效果。
通过市场分析、策略制定、决策评估和团队培训等环节,企业可以更加科学和有效地进行市场营销,提高市场竞争力。
市场营销沙盘策略是一种模拟市场营销环境的训练和应用工具,通过构建虚拟的市场模型,帮助企业在没有真实投入的情况下,进行市场营销策略的探索和实践。
市场营销沙盘策略的相关内容主要包括市场分析、制定营销策略、决策评估和团队培训。
接下来将对这些内容进行详细介绍。
市场分析是市场营销沙盘策略中的重要一环。
企业需要搜集并整理市场资料和竞争对手信息,通过对市场规模、趋势、竞争力和消费者洞察的深入了解,为企业制定营销策略提供基础。
PMST操作规则1、基本假定(1)假设工程项目所有构件只有绑钢筋、支模板、浇筑混凝土三个工序,并且需要钢筋劳务班组、模板劳务班组、混凝土劳务班组分别进行操作施工;(2)假设钢筋加工机械和混凝土加工机械不需要配备人工,便可以进行加工操作。
(3)假设混凝土浇筑完成后便可以拆除模板(拆除模板必须先退至库房),不需要养护时间,也不需要配备人员拆除;(4)假设所有预定、加工、施工都是以周为最小单位,且本周开始,必须是下周才预定到场、加工完成、或者施工完成,时间算为一周。
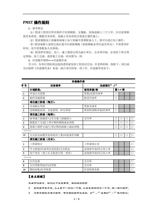
2、沙盘操作规则——沙盘操作表学习中,各项目团队将会接到老师派发的工程项目任务,在老师的统一指挥下,项目成员应按照《沙盘操作表》来逐一执行项目的每一项工作。
沙盘操作表如下:沙盘操作表············【要点提醒】在操作过程中,切记以下注意事项,做到诚信经营:➢按照操作表序号,从上至下一列为一个周,从左至右四列为一个月,逐一进行操作;➢没有方格的不进行操作,有方格的操作完成后,打”√”或者打”╳”进行标记;➢已做决策并操作完成的步骤,不得返回再进行反复操作;➢不得跳步操作,也不得同时进行多步的操作。
3、一些费用的支出规则说明(1)安全施工和雨季施工措施投入:a 学生根据不同工程项目资料中所描述风险分析情况来判断是否投入;b 安全施工和雨季施工措施投入分别每周最多只能投入一万元;c 只要安全施工或者雨季施工措施投入费用累计值大于等于相应的危险等级系数,即可避免发生意外事件,否则按照风险规则发生风险。
(2)支出税金:在项目部甲方报量而收入工程进度款后,需要按规定向政府交纳税金,交纳金额=当月工程进度款金额×3%,四舍五入,每月6万元封顶。
(3)现场管理费:项目每月固定要支出现场管理费,用于日常管理所需要,每月支出现场管理费金额=劳务宿舍容量×2。
企业经营沙盘模拟重要经营规则1、生产线计入损失;只有空的并且已经建成的生产线方可转产;当年建成的生产线、转产中生产线都要交维修费;生产线不允许在不同厂房移动;租赁线不需要购置费,不用安装周期,不提折旧,维修费可以理解为租金;其在出售时(可理解为退租),系统将扣租赁线对应的残值,记入损失;该类生产线不计小分;手工线不计小分。
2、折旧(平均年限法)3、融资4、厂房满年,可进行处理),需要用“厂房处理”进行“租转买”、“退租”(当厂房中没有任何生产线时)等处理,如果未加处理,则原来租用的厂房在满年季末自动续租;厂房不计提折旧;生产线不允许在不同厂房间移动。
规则表中“厂房限制”为有,则不能购买同种类型的厂房;“厂房限制”为无,则:厂房使用可以任意组合,但总数不能超过四个;如租四个小厂房或买四个大厂房或租一个大厂房买三个中厂房。
5、市场准入6、资格认证7、产品物料清单8、原料设置紧急采购原材料和产品时,直接扣除现金。
上报报表时,成本仍然按照标准成本记录,紧急采购多付出的成本计入费用表损失项。
9、系统相关参数10、选单规则:订货会投10万广告有一次选单机会,每增加20万多一次机会,如果投小于10万广告则无选单机会,但仍扣广告费,对计算市场广告额有效。
如果有市场老大:上年销售额最高(无违约)优先;其次看本市场本产品广告额;再看本市场广告总额;再看市场销售排名;如仍无法决定,先投广告先选单。
如果无市场老大:产品广告费优先;其次看广告总额;再看投放广告费时间。
友情提示:出现确认框要在倒计时大于5秒时按下确认按纽,否则可能造成选单无效;在某细分市场(如本地、P1)有多次选单机会,放弃一次,不会丧失后面该细分市场的选单机会;竞单会参与竞标的订单标明了订单编号、市场、产品、数量、ISO要求等,而总价、交货期、账期三项为空。
竞标订单的相关要求说明如下:⑴投标资质:参与投标的公司需要有相应市场、ISO认证的资质,但不必有生产资格。
ERP沙盘规则企业运营流程须按照竞赛手册的流程严格执行。
CEO按照任务清单中指示的顺序发布执行指令。
每项任务完成后,CEO须在任务项目对应的方格中打勾;CFO在任务项目对应的方格内填写现金收支情况;生产总监在任务项目对应的方格内填写在制品的上线、下线情况;采购总监在任务项目对应的方格内填写原材料的入库、出库情况;销售总监在任务项目对应的方格内填写产成品的入库、出库情况。
在运行过程中,有如下操作可以随时进行:一、市场开发市场开发按照下表所列规定进行:规则说明:每个市场开发每年最多投入1M,允许中断或终止,不允许超前投资。
投资时,将1M投入到“市场准入”的位置处。
换取准入证后,将其放在盘面的相应位置处。
只有拿到准入证才能参加相应市场的订货会。
二、产品研发和生产1、产品研发要想生产某种产品,先要获得该产品的生产资格证。
而要获得生产许可证,则必须经过产品研发。
P1产品已经有生产许可证,可以在本地市场进行销售。
P2、P3、P4产品都需要研发后才能获得生产许可。
研发需要分期投入研发费用。
投资规则如下表:规则说明:产品研发可以中断或终止,但不允许超前或集中投入。
已投资的研发费不能回收。
开发过程中,不能生产。
2、产品原材料、加工费、成本3、材料采购采购原材料需经过下原料订单和采购入库两个步骤,这两个步骤之间的时间差称为订单提前期,各种原材料提前期如下表:规则:⑴没有下订单的原材料不能采购入库;⑵所有下订单的原材料到期必须采购入库;⑶原材料入库时必须到交易处支付现金购买已到期的原材料;⑷下原料采购订单时必须填写采购订单登记表,然后携带采购总监的运行记录和采购订单登记表到交易处登记。
七、ISO认证规则说明:ISO认证需分期投资开发,每年一次,每次1M。
可以中断投资,但不允许集中或超前投资。
三、生产线和厂房规则说明:1、购买生产线购买生产线必须按照该生产线安装周期分期投资并安装,如自动线安装操作可按下表进行:投资生产线的费用不一定需要连续支付,可以在投资过程中中断投资,也可以在中断投资之后的任何季度继续投资,但必须按照上表的投资原则进行操作。
市场营销沙盘操作规则市场预测系统以柱状图形式给出不同产品在不同市场、不同渠道、不同年度或季度的潜在销售数量、销售价格的市场预测。
选手通过市场预测图进行市场分析,制定企业的营销策略、产品策略及发展策略。
建议分析内容:每种产品的价格趋势、需求趋势、每种产品的生命周期、每种产品的利润最高点、每种产品适合的销售方式等。
市场分析市场分析包含市场环境和调研报告两部分。
市场环境是系统随机给出的,而调研报告是需要购买的,调研报告购买价格为5W/份(注意:每个市场一份调研报告)。
市场部负责购买调研报告。
调研报告中给出以下数据:产品流行功能和直销、批发、零售消费人群需求的数量及平均期望价格。
市场环境每个季度的市场环境变化都会引起本市场本季度需求的波动,系统会自动计算出市场需求波动的数值,该数值会影响到零售消费人群数量的变化。
影响公式:零售消费人群每个季度实际的需求数量=调研报告给出的6类零售消费人群需求数量*(1+/-本季度市场需求波动率)注意:1)、市场环境是随机变化的,在每次初始化数据重新开始训练或比赛时,数据都不会一样;2)、对于在同一竞赛环境下的所有小组,市场环境是一样的;3)、在购买调研报告以后,本年度四个季度的市场环境不会再发生变化。
调研报告市场部购买调研报告以后,才能看到流行功能以及直销、批发、零售消费人群需求的数量及平均期望价格等信息。
产品流行功能:流行功能是零售消费人群中冲动型人群购买该产品的第一标准,产品只有在流行功能流行的时间内具备了这种功能,冲动型人群才会有可能购买该产品。
并且流行功能在流行过以后,将作为产品的基本功能,如果产品不具有该功能,零售的六类消费人群将都不会购买该产品。
调研报告以表格形式提供每种产品在某个季度的流行功能,以及该流行功能持续的时间。
直销客户、批发商、零售消费人群需求的数量及平均期望价格:调研报告以表格形式给出某种产品在某个季度在不同销售渠道中的需求数量和平均价格。
其中直销客户和批发商是每年只在第一季度提供一次交易机会,所以调研报告中只给出了第一季度的需求信息;零售消费人群每个季度都有一次交易机会。
市场营销沙盘配置方案市场营销沙盘是一种模拟市场环境的工具,通过搭建沙盘模型,模拟市场中的各种因素和变量,帮助企业进行市场策划、决策和预测。
市场营销沙盘配置方案即是指在使用沙盘模型进行市场营销模拟时,所需要的配置、设备和工具等。
首先,市场营销沙盘配置方案需要有一个合适的沙盘模型。
沙盘模型可以根据不同行业和市场需求进行设计和制作,可以是一个小型的模型,也可以是一个大型的模型。
模型上需要标明各个要素的位置和比例,如市场份额、竞争对手、销售渠道等。
同时,还需要在模型上设置可以移动和调整的元素,以便在模拟过程中进行调整和变动。
其次,为了进行市场营销模拟,配置方案需要配备相应的市场数据和统计信息。
在市场营销决策过程中,需要了解市场规模、市场增长率、竞争对手的销售状况、消费者行为等信息。
这些数据可以通过市场调研、行业报告、统计数据等途径获取,可以用表格、图表等形式展示在沙盘模型的周围,以便参与者更好地理解和分析市场环境。
此外,配置方案还需要提供相应的分析和预测工具。
市场营销模拟过程中,需要进行各种数据分析和预测,以便制定合理的市场策略和决策。
为了满足这一需求,配置方案可以配备电脑、数据分析软件、预测模型等工具,以便对市场数据进行处理和分析,得出合理的市场营销方案。
另外,配置方案还需要提供相关的培训和支持。
沙盘模型作为一种市场营销工具,对操作者和参与者的理解和使用都需要一定的培训和支持。
配置方案可以包括培训材料、培训视频、操作指南等,帮助用户理解和掌握沙盘模型的使用方法和技巧。
同时,配置方案还需要提供技术支持,及时解决用户在使用中遇到的问题和困难。
最后,配置方案还可以根据不同的需求和预算进行定制化。
市场营销沙盘是一个灵活的工具,可以根据企业的实际情况和需求进行定制化配置。
企业可以根据自身的行业特点和市场情况,选择适合自己的沙盘模型和配置方案,以提高市场决策的准确性和成功率。
总之,市场营销沙盘配置方案是帮助企业进行市场策划、决策和预测的重要工具。
2008全国大学生企业经营管理沙盘模拟大赛比赛规则教育部高等学校高职高专工商管理类教学指导委员会2008年6月新版比赛软件特别说明1、订单选取规则:按每个市场单一产品广告投入量,企业依次选择订单。
如果该市场该产品广告投入相同,则比较该产品所有市场广告投入之和;如果单一产品所有市场广告投放相同,则比较所有产品,所有市场两者的广告总投入;如果所有产品,所有市场两者的广告总投入也相同,则根据谁优先提交的广告方案,谁优先选单。
2、所得税计算:每年税前利润首先弥补前5年的亏损,弥补亏损后税前利润乘以25%取整。
3、贴现:应收账款随时可以进行贴现,还不了短期贷款或者民间融资,也可以进行贴现。
角色名称:CEO(总裁)岗位职责:制定企业发展战略规划带领团队共同决定企业决策审核财务状况听取企业盈利(亏损)状况注意:在沙盘模拟中CEO发挥最大职能,如果所带领的团队在模拟对抗中意见向左,由CEO拍板决定。
角色名称:CSO(营销总监)岗位职责:开拓市场:稳定企业现有市场;积极拓展新市场预测市场制定销售计划;合理投放广告;根据企业生产能力取得匹配的客户订单;沟通生产部门按时交货;监督货款的回收。
沙盘模拟中的任务及规则1)制定广告方案营销总监根据市场预测情况进行各个产品和地区的广告投放,每个市场的订单是有限的,并不是投放广告就能得到订单。
2)参加订单竟单按每个市场单一产品广告投入量,企业依次选择订单。
如果该市场该产品广告投入相同,则比较该产品所有市场广告投入之和;如果单一产品所有市场广告投放相同,则比较所有产品,所有市场两者的广告总投入;如果所有产品,所有市场两者的广告总投入也相同,则根据谁优先提交的广告方案,谁优先选单。
本课程的订单是以订单卡片的形式表现的。
订单卡片由市场、产品名称、产品数量、单价、订单价值总额、账期、特殊要求等要素构成。
标注有“加急”字样的订单卡片要求在每年的第一季度交货,延期交货将扣除该张订单总额的25%(取整)作为违约金;普通订单卡片可以在当年内任一季度交货,如果由于产能不够或其他原因,导致本年不能交货,交货时扣除该张订单总额的25%(取整)作为违约金。
市场营销沙盘规则说明 A公司是一家新成立不久,总部设立在中国某市的生产制造型企业,该公司以设计、生产和销售P1产品为主营业务。公司资金充裕、银行信誉良好,拥有四条生产线(两条半自动生产线、一条全自动生产线和一条柔性生产线)生产P1产品,在南部市场有一定的销售基础,公司一直致力于倾听客户的需求,提供客户所信赖和注重的创新技术与服务。随着市场决定资源分配的宏观环境日益稳定,公司逐渐意识到营销能力已成为公司发展的瓶颈,如何建设营销队伍,如何精细地进行市场分析,如何精确地选择目标市场,紧跟市场变化,如何有效制定最佳的营销策略组合,赢得市场先机,取得市场份额,已经成为公司迫切需要解决的问题。 股东希望我们新的团队,通过不断分析市场变化,不断研发新型产品,在市场博弈中能够脱颖而出,为股东获取更多的利润。 当前企业财务状况(单位:W): 利润表 资产负债表 项目 金额 资产 负债及所有者权益 销售 360.00 项目 金额 项目 金额
直接成本 -120.00 机器和设备 280.00 负债
毛利 240.00 土地和建筑 320.00 长期负债 800.00
综合费用 -102.00 总固定资产 600.00 短期负债 0.00
折旧前利润 138.00 现金 771.00 应付款 18.00
折旧 -5.00 在制品 80.00 应交税 23.25
支付利息前利润 133.00 其他应收款 0.00 预收款 0.00
财务收入/支出 -40.00 应收款 180.00 总负债 841.25
额外收入/支出 0.00 在途原料 0.00 权益
非主营业收入 0.00 在途成品 0.00 股东资本 1000.00
主营业务税及附加 0.00 库存成品 240.00 利润留存 0.00
税前利润 93.00 库存原料 40.00 年度净利 69.75
企业所得税 -23.25 总流动资产 1311.00 所有者权益 1069.75
净利润 69.75 总资产 1911.00 负债加权益 1911.00 市场部 市场预测 系统以柱状图形式给出不同产品在不同市场、不同渠道、不同年度或季度的潜在销售数量、销售价格的市场预测。选手通过市场预测图进行市场分析,制定企业的营销策略、产品策略及发展策略。 建议分析内容:每种产品的价格趋势、需求趋势、每种产品的生命周期、每
种产品的利润最高点、每种产品适合的销售方式等。
市场分析 市场分析包含市场环境和调研报告两部分。市场环境是系统随机给出的,而调研报告是需要购买的,调研报告购买价格为5W/份(注意:每个市场一份调研报告)。 市场部负责购买调研报告。调研报告中给出以下数据:产品流行功能和直销、
批发、零售消费人群需求的数量及平均期望价格。 市场环境 每个季度的市场环境变化都会引起本市场本季度需求的波动,系统会自动计算出市场需求波动的数值,该数值会影响到零售消费人群数量的变化。 影响公式:零售消费人群每个季度实际的需求数量=调研报告给出的6类零
售消费人群需求数量*(1+/-本季度市场需求波动率) 注意: 1)、市场环境是随机变化的,在每次初始化数据重新开始训练或比赛时,数据都不会一样; 2)、对于在同一竞赛环境下的所有小组,市场环境是一样的; 3)、在购买调研报告以后,本年度四个季度的市场环境不会再发生变化。 调研报告 市场部购买调研报告以后,才能看到流行功能以及直销、批发、零售消费人群需求的数量及平均期望价格等信息。 产品流行功能:流行功能是零售消费人群中冲动型人群购买该产品的第一
标准,产品只有在流行功能流行的时间内具备了这种功能,冲动型人群才会有可能购买该产品。并且流行功能在流行过以后,将作为产品的基本功能,如果产品不具有该功能,零售的六类消费人群将都不会购买该产品。调研报告以表格形式提供每种产品在某个季度的流行功能,以及该流行功能持续的时间。 直销客户、批发商、零售消费人群需求的数量及平均期望价格:调研报告
以表格形式给出某种产品在某个季度在不同销售渠道中的需求数量和平均价格。其中直销客户和批发商是每年只在第一季度提供一次交易机会,所以调研报告中只给出了第一季度的需求信息;零售消费人群每个季度都有一次交易机会。 注意:零售消费人群中的市场期望价格与需求数量:选手在制定零售消费
人群的产品价格时,不能超过市场期望价格的两倍,一旦超过,将不会产生任何交易;零售市场六类消费人群的需求数量会受到市场环境中市场需求波动率 的影响,每个季度实际的需求数量=调研报告给出的需求数量*(1+/-市场需求波动率)。 市场开拓 市场部需要根据市场预测、调研报告以及自身制定的营销策略进行市场的开拓,市场开拓需要开拓周期和费用,市场开拓完毕后,当年即可进行产品销售。 注意:市场开拓时,请一次性选中需要开拓的市场,再进行开拓,未选中的
市场,不能进行再次开拓。市场开拓不能加速开拓,开拓完毕当年即可进行产品销售。
市场 开发周期 开发费用 东部 1年 5W/年 中部 2年 5W/年 北部 3年 5W/年 西部 3年 5W/年 ISO认证
只有当ISO9000,ISO14000认证完成后,才可以参与直销和批发带有ISO9000或ISO14000的订单竞单。ISO认证会影响零售消费人群成交的优先
权。 注意:ISO认证时,请一次性选中需要的认证项目,再进行认证,未选中的
认证,不能进行再次认证。ISO认证不能加速,认证完毕当年即可影响销售。 认证 研发周期 研发费用 ISO9000 1年 10W/年 ISO14000 2年 10W/年 直销部
直销 系统中给定的销售方式有三种:直销、批发和零售。 从市场预测中,可以看出不同的产品适合不同的销售方式,并且可以精确地
分析出,每一种产品所适合的销售方式。 直销作为销售方式的一种,采用招投标的方式,以综合评分法为原则,在每
年的第一季度进行。系统会在调研报告中给出直销客户准确的需求数量和平均价格。直销部需根据自己的营销策略决定是否通过直销方式进行产品销售。 开发客户 系统中只有直销部开发了客户的以后,才能参与需要开发的直销客户订单报名并参与投标。 每个客户只需要开发一次就会成为您的客户,每个客户开发费用为5W。如
有忘记开发的客户,可在本步骤结束前,再次进行开发。注意:直销报名后不能进行开发客户。 我的客户 客户开发完毕以后,可以查看已经开发的客户。 参与投标 客户开发完成以后,就可以看到市场上直销客户的订单,并可以参与投标,具体流程为:投标报名—>资格预审—>购买标书—>投标—>中标公示。 投标报名:选择需要投标的订单进行报名,取得投标资格。投标报名不收取任何费用。 资格预审:系统会按照不同订单的要求对各小组资格进行预审,资格预审的
条件包括客户是否已经开发完成、是否已经进行ISO认证。注意:通过点击自己已报名的投标订单查看本投标订单的其他参与小组;同时投标报名后将不能进行开发客户,如果有要求开发客户的订单请在做投标报名之前完成开发。 购买标书:购买标书并支付购买标书费。标书费用2W/份。 投标:选手对已购买标书的订单进行投标,制定投标价格并提交,投标价格不能高于订单要求的市场最高价格,成交规则为综合评分法。 综合评分法:以每组投标价格和每组企业综合指数为评分依据,公式计算如
下:(所有小组投标最低价/本小组投标价格)*60%+(本小组企业综合指数/所有有效投标小组最高企业综合指数)*40%。 企业综合指数:企业综合指数计算公式如下:[ (ISO14000按20计算+ISO9000按10计算)/所有小组总认证] *20+(上季度小组销售额/上季度所有小组销售额)*40+(小组总媒体影响力/所有小组总媒体影响力)*40。 中标公示:投标结束后,可查看中标公示。 注意:直销客户订单有交货期限,如果在交货期限内不能交货的,需要扣除违约金:订单原价的25%(4舍5入),并取消订单。每违约一张订单取消一年(下一年)的直销客户订单投标资格。
批发部 批发 批发作为销售的另外一种方式,需要各小组投放招商广告,并按照招商广告投放数量的多少进行依次轮流选单。批发订单竞标每年一次,在每年的第一季度进行。系统会在调研报告中给出批发客户准确的需求数量和平均价格。批发部需根据自己的营销策略决定是否通过批发进行产品销售。 投放招商广告 各组需根据自身的营销策略,在不同市场上制定不同产品的批发招商广告的投放策略,招商广告费用最低为1W,最高不限制,但必须是整数。注意:只有市场开拓完以后,才能进行市场广告的投放。 选择批发订单 招商广告投放完成后,由裁判统一控制选单。裁判允许选单后,系统会在每个产品的每个市场判断各小组投入广告费用的多少,并按照由高到低的顺序进行排序,投入广告费用最多的小组开始选单,每次只能选择一张订单,以此类推。若两组投入广告数量相同,则看两组在本产品所有市场上广告费用的投入;如果仍旧相同,则看所有产品在所有市场上广告费用的投入;如果仍旧相同,则看招商广告提交的时间,先提交者优先选单。 注意: 1)、选单开始后,选单是有时间限制的,如果超过时间不选择订单,则系统自动跳到下一组,本轮将失去选单机会; 2)、如果不需要该订单,则点击放弃选单;