sap2000学习笔记
- 格式:doc
- 大小:214.00 KB
- 文档页数:7
1、Q235钢材料属性:(根据规范输入材料属性)各项同性密度:7.85重度:78.5弹性模量:2.06E+08泊松比:0.3热膨胀系数:1.2E-05剪切模量:79230769Minimum Yield Stress,Fy :235000Minimum Tensile Stress ,Fu :3750002、extrude命令拉伸所成的构件的属性与使用该命令前所选的点、线或面的属性相同。
3、C30混凝土材料属性:(根据规范输入材料属性)各项同性密度:2.45重度:24.5弹性模量:3.00E+07泊松比:0.2热膨胀系数:1.0E-05剪切模量:12500000Concrete strength Grade fcu.k :30000Bending Reinf Yield Stress,Fyk :335000shear Reinf Yield Stress ,Fyks :3350004、绘制框架时以轴网为准分段绘制,不要通长画线。
5、利用修改侧向荷载按钮,在弹出的中国2002地震荷载对话框中,将荷载方向改为Y向(底部剪力法)影响系数最大值Alphamax:0.16地震烈度SI:8(0.20g)阻尼比0.05场地特征周期Tg:0.4周期折减系数PTDF:1放大系数:16、定义质量源对话框当“质量定义”栏选“来自荷载”或“来自对象附加质量以及荷载”两选项时,在“定义荷载的质量乘数”栏内的荷载框内自动显示已经在荷载工况对话框中定义的荷载名称,此处只能选择,不能填写。
因此,在选质量来自荷载后,只有在荷载工况定义完成后才能进行质量源定义。
7、问题:质量源定义:为什么质量在恒载中定义了,但在活载中还要乘以0.5的系数?答:按《建筑抗震设计规范》第5.1.3条的规定:自重、附加恒荷载的系数为1.0,活荷载的系数为0.5。
结构的质量等于组合后求得的荷载除以重力加速度。
此方法的概念是将荷载转化为质量。
8、88888。
SAP2000算例及学习心得摘要:SAP2000程序是由加州大学伯克利分校Edwards Wilson教授创始的Structure Analysis Program系列程序发展而来的,是独立的基于有限元的结构分析和设计程序。
SAP至今已经有许多版本面世,SAP2000是这些新一代程序中最新也是最成熟的产品。
SAP2000可以用于框架单元和壳单元的结构分析,因此我学习了sap2000并且提供一份框架设计算例。
关键词:SAP2000;算例;学习心得一、问题描述根据规范确定由DL、LL和EQ荷载引起的抗弯钢框架应力比。
钢材料E=29000, 泊松比=0.3;底部铰接,所有梁-柱连接为刚性。
其中梁:Hw400X400X11X18, Fy=34.5柱:Hw300X300X10X15, Fy=34.5。
所有梁的跨间荷载为:恒载为1.0 (不包括钢构件的自重),活载为0.5;侧向荷载(地震)如图所示。
框架无支撑长度,假设每层柱子在楼板位置有侧向支撑,假设梁在中心10英尺处设支撑。
二、模型建立1.点击文件菜单--新模型命令,进入新模型对话框。
2.点击下拉框设置单位为Kip,ft,F。
3.点击“二维框架”按钮,显示”二维框架对话框。
在此对话框中:在“二维框架类型”下拉菜单中选择”Portal(门式框架);在“层数”编辑框内输入3;在“跨数”编辑框内输入3;接受“层高”编辑框内的默认值12;在”跨度”编辑框内输入20。
点击在梁和柱下拉列表旁边的“+”(加号),进入“框架属性”对话框。
点击”导入新属性”按钮,进入”导入框架截面属性”对话框。
在”框架截面属性”下拉列表中选择”Steel(钢材),点击”工字钢”按钮,进入”截面属性数据”对话框。
”选择”Chinese.pro文件,点击打开按钮,将显示可用的截面数据库对话框。
点击材料下拉列表旁边的”+”(加号),进入”定义材料”对话框。
点击”快速添加新材料”按钮进入”快速定义新材料”对话框。
第二阶段实践课总结班级姓名学号SAP2000个人总结在使用SAP2000过程中,我主要熟悉了软件使用的简单操作,以题为例简述一下步骤,如下:例题一:1、建立2D模型:选中open new model--2D Frames --如图所示:2、建立轴网:程序自带的已定义属性的三维“框架”。
1.1:修改轴网:转化为一般轴线:即可完成对整体坐标与局部坐标中轴线的编辑、修改。
编辑数据---修改显示系统----粘合到轴网线:某楼层层高不一样时,可在-修改显示系统修改z轴坐标,构件会随着轴网一起移动。
.3、修改支座:选中中间点--Assign--Joint--Restraints--Fast Restraints--,将其中间点改为滑动铰支座。
保存到指定文件夹中。
选中Define--Load patterns--Load Pattern Name “load”--Self Weight Multiplier“0”-- Add New Load Pattern--OK。
选中右端点--Assign--Joint Loads--Forces,选项如图所示:4、定义荷载状况:定义---荷载模式;类型有:DEAD(恒载)、SUPER DEAD(附加恒载)、LIVE(活载)、ROOF LIVE(屋顶活载) 、WIND(风载) 、QUAKE(地震) 、SNOW(雪载)…(注:自重乘数,般都填写0,地震、风荷载定义时都要选择规范,可以单击右侧的“修改侧向荷载模式”,选择x或y方向底部剪力法、基本地震和风信息等。
底部剪力法:即荷载为倒三角形分布。
ROOF LIVE(屋顶活载):质量源组合中不能组合屋面活荷载。
)此处我们使用如图所示荷载:线荷载----分布;点荷载---力选中Display--Show Load Assigns--Show Frame Loads--Load Pattern Name “hhh”--OK。
如图所示:保存到指定文件夹中。
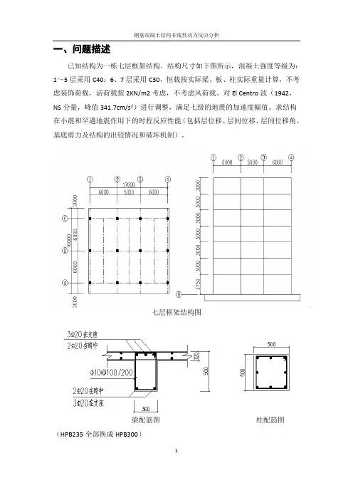
一、问题描述已知结构为一栋七层框架结构。
结构尺寸如下图所示,混凝土强度等级为:1~5层采用C40;6、7层采用C30,恒载按实际梁、板、柱实际重量计算,不考虑装饰荷载,活荷载按2KN/m2考虑,不考虑风荷载。
对El Centro波(1942,NS分量,峰值341.7cm/s2)进行调整,满足七级的地震的加速度幅值。
求结构在小震和罕遇地震作用下的时程反应性能(包括层位移、层间位移、层间位移角、基底剪力及结构的出铰情况和破坏机制)。
七层框架结构图梁配筋图柱配筋图(HPB235全部换成HPB300)1二、模型建立2.1建立初步模型打开sap2000,把系统单位设置为,创建新模型,选择三维框架,在对应空格如下填写模型基本数据:勾选(使用定制轴网间距和原点定位),编辑轴网,按题目模型要求设置,并指定底层节点约束为固端。
22.2定义材料选择定义—》材料—》快速添加材料,添加C30、C40混凝土和HRB335、HPB300钢筋,由于方法类似,这里只给出HRB335图片:2.3 框架截面的定义、指定、剖分这里的截面包括不同尺寸,不同配筋,不同混凝土强度,不同位置的各种截面。
根据一到五层的混凝土强度等级不同,边梁和主梁的楼板加强作用不同,主梁和次梁的截面尺寸不同,总共可以划分为以下八种不同截面:(1)一到五层的中间主梁(B-300X500-D-C)(2)六到七层的中间主梁(B-300X500-G-C)(3)一到五层的中间次梁(B-300X450-D-C)(4)六到七层的中间次梁(B-300X450-G-C)(5)一到五层的边次梁(B-300X450-D-S)(6)六到七层的边次梁(B-300X450-G-S)(7)一到五层的柱子(C-D)(8)六到七层的柱子(C-G)例如:选择定义—》截面属性—》框架属性—》添加新属性—》concrete—》矩形:把截面名称改为B-300X500-D-C:3选择属性修正,把中梁的绕3轴惯性矩修正为2:选择配筋混凝土,给梁配上钢筋:同样的方法设置好柱的截面和配筋:4定义好框架截面属性后把各个截面类型指定给其对应的构件,并指定自动剖分。
步骤1.在CAD中画中图形(0.5m采用直线段),然后应用rotate 3D命令绕X轴旋转90°成XZ平面,然后再另存为DXF文件(0图层不可用)2.在SAP2000中的file中选择import,选定单位、图层3.定义材料:define中的materials4.定义杆件:define中的fram\cable sections5.定义荷载:dinfine中的load cases6.定义荷载组合7.定义图中线段各代表的名称,用I↙图标或assifn中的frame\cable8.加载荷载:assign中的frame loads9.杆件分段:edit中的divide frames10.加弹抗:assign中的joint中的spring11.加约束:选择assign中joint中restraints.12.运行、查看任务要求:区间标准断面钢架图(断面结构尺寸见附件dwg文件)计算步骤:1.Autocad中建模,保存成dxf文件,导入SAP中。
注:①在CAD中画中图形(0.5m采用直线段),然后应用rotate 3D命令绕X轴旋转90°成XZ平面,然后再另存为DXF文件(0图层不可用),以符合SAP中默认以-Z方向作为重力方向;②采用断面中心线,弧段“以弦带弧”,直线段长度(或弦长)不宜大于1m(取0.5m),弦所对应的圆弧不要大于15°;③应顺序以直线连接各关键点,连接的先后顺序决定了一段杆(在SAP中)的起点和终点,以便于之后在SAP中赋荷载;④根据结构待赋的力的情况,此处可不完全建出结构来,待赋完力之后再完善结构;⑤将模型移到(0,0,0)点,并缩小0.001倍(因为建模时取mm,SAP中单位取m);⑥模型需保存在同一图层中,0图层和defpoint图层除外。
2. SAP中计算(1)define materials注:对于二力杆(初支与二衬之间假想的压力传递杆件)取ρ=0,γ=0,其余同钢筋(或混凝土)。
1.在SAP2000中显示梁柱以及板的截面形状方法是:对于9.0以前的版本在菜单栏>显示>拉伸显示,在SAP2000中则不能再菜单中进行截面显示操作,其方法是:直接在浮动工具条里点击,在弹出的窗口中选中,效果图见下图所示2.在SAP中指定单元划分的方法是:菜单栏>指定>面>自动面网格划分>选择相应的单元类型并指定单元尺寸。
3.北京水金土木的SAP指南一书中,第50页中的步骤九:定义静荷载工况内容中,应为定义>荷载模式。
只有地震荷载下,自动侧向荷载选项才是打开的4.建立柱状模型时需要选择柱状坐标系,方法是在编辑轴网对话框中选择在弹出的对话框中选择柱面坐标5.定义变截面柱的方法是:先定义两个截面,然后在框架属性中选择other>变截面(见下图)。
变截面构件的定义需要事先划分成若干段,每个段再根据是否为恒截面进行相关定义。
注意到EI33与EI22变量定义可有三个选择:即linear,parabolic与cubic,即定义局部抗弯刚度的变化方式。
效果图见下图所示。
6.定义组合及不规则截面,方法是:。
另外还可以通过>显示弯矩-曲率关系查看已经定义的钢筋混凝土截面的M-Φ关系(是否可以在设计中直接应用呢?)见PDF第89页:。
工具条中的,其功能分别为:显示相关曲线,弯矩-曲率关系,弹性应力。
在SAP中,截面总是预定义的,需要对截面尺寸进行修改。
方法是:在左侧绘制工具条中选择相关操作后,在绘图区左击鼠标,然后点击鼠标右键,,进行尺寸修正。
截面定义后,单击绘图区右下角的完成按钮,即返回截面名称定义的主窗口,确定即可。
7.定义截面属性为面截面时,壳单元非常有用,在平面和三维结构中模拟壳、膜和板的性能,是模型中最常用的一种,例如结构中的楼板、墙、坡面等均以壳定义,壳单元是一个组合了膜和板弯曲行为的3节点或4节点单元(4节点单元不必是平面)。
板弯曲行为包括双向、面外、板旋转刚度部分和一个垂直于单元平面的平动刚度。
学习sap2000的总结学习sap2000的总结1,荷载工况(load case):是对各种荷载类型的定义(define),然后通过指定(assign)建立模型中空间分布的力、位移或其他作用(例如:温度)。
这仅仅是建立了作用,荷载工况本身不在结构上产生响应。
2,分析工况(analysis case):是定义荷载作用方式(静力或动力)、结构的响应方式(线性或非线性)、分析方法(模态分析法或直接积分法)。
分析工况中包含荷载工况,分析工况可以对应一个荷载工况,也,可以是荷载的组合(多点风荷载、多维地震动)。
运行分析工况才能得到结构关于荷载的响应。
3,定义组合(define combination ):是将分析工况的计算结果进行组合(计算机运行减少人工进行计算的工作量),常用的组合形式是线性(linear)叠加或者包络(envelope)。
扭转与振型耦联基本概念解释结构扭转是结构的固有属性,如果是三维结构分析软件,都会考虑扭转效应的,如Rz,完全对称规则的结构(即质心和刚心重合,也有扭转振型,只不过振型是完全解耦的),如果作用的荷载不通过质心,一样可以造成结构扭转效应。
CQC方法的真实含义并非是“考虑扭转效应”,确切的说法是“考虑振型间的耦联”,咱们规范的用语容易使人误解为CQC是考虑扭转,SRSS是不考虑扭转,这是不对的(至少是不确切)。
所以,只要是真正的三维软件(比如框架单元每节点有六个自由度,三平动,三转动),结构的真实效应都可以体现,扭转亦不例外。
位移型多点输入(1)将加速度是时程函数二次积分得到位移时程函数,对位移函数进行基线修正(消除位移偏移项),然后才能作为位移时程函数输入。
(2)在支座给定单位位移(确定位移输入方向),每个支座给定不同的荷载工况名称(体现多点输入)(3)建立时程分析荷载工况,按支座距离震中的远近给定相对的地震波到达时间。
(不同点时程函数计算出来后,要有时间间隔,此时间间隔内后到达点输入时程函数为0层间剪力输出,在SAP中没有直接的层间剪力结果显示,但是可以通过“截面切割”定义选项来查看层间剪力。
初次学习SAP2000的一些体会首先必须了解sap2000是什么,SAP2000是通用的结构分析设计软件,适用范围很广,主要适用于模型比较复杂的结构,如桥梁,体育场,大坝,海洋平台,工业建筑,发电站,输电塔,网架等结构形式,当然高层等民用建筑也能很方便的用SAP建模、分析和设计。
1,开始:a,于屏幕右下角选择单位(kn.m,n.mm等等)。
b,从文件菜单选择"新模型"或"新模型从模板",如从前者开始,则从弹出菜单设置坐标系(笛卡尔或柱面坐标系)的网格数和网格间距;如从后者开始,则从开始菜单选择各种模板(比如3D框架)。
对于3D框架:弹出菜单左面复选框分别为支坐约束和网格线,右面分别为层数,X方向开间数,Y方向开间数,X方向开间尺寸,Y方向开间尺寸.(just like tch2)(一7,显示结果从"menu->display->show element forces/stresses->joint"可显示结点力,从"menu->display->show element forces/stresses->trame"可显示杆件内力.这些是通过一些参考书、教程得来的一些体会,对sap200的初体验就这么多,初体验只突出使用在平面杆系上,还要通过一些教程视频和查阅一些资料才能让自己的水平更加的提高,能够掌握现实布载的使用情况,更贴近实际情况。
从网上还知道SAP2000程序有别于其它一般结构有限元程序的最大特点就在于它的强大的分析功能。
SAP2000中使用许多不同类型的分析,它基本上集成了现有结构分析中经常遇到方法,如时程分析、地震动输入、动力分析以及Push-over分析等等。
另外还包括:静力分析、用特征向量或Ritz向量进行振动模式的模态分析、对地震反应的反应谱分析等等。
这些不同类型的分析可在程序的同一次运行中进行,并把结果综合起来输出。
以下是一个典型的新建模型中的钢框架设计步骤。
1.使用选项菜单> 首选项> 钢框架设计命令,选择钢框架设计规范及检查其它钢框架设计首选项,如有必要可作修改。
2.生成建筑模型。
包括建模,加载,设定分析工况等等。
3.使用分析菜单> 运行分析命令运行结构分析。
4.使用设计菜单> 钢框架分析> 查看/修改覆盖项命令指定钢框架覆盖项。
注意:在使用该命令前必须先选好框架单元。
5.如有必要,可使用设计菜单> 钢框架设计> 选择设计组命令指定设计组。
6.在钢框架设计中,如果要用到ETBAS 所提供的设计荷载组合默认值以外的数值时,则可单击设计菜单>钢框架设计>选择设计组合命令。
7.使用设计菜单>钢框架设计>设置侧向位移目标命令指定在各种荷载工况下的侧向位移目标。
8.单击设计菜单>钢框架设计>开始结构设计/检查命令,可开始运行钢框架设计。
9.检查钢框架设计结果。
可按下述之一进行:单击设计菜单>钢框架设计>显示设计信息命令可在模型上显示设计信息。
当设计结果已显示时,在框架单元上右击,进入交互式设计模式,以便交互地设计框架单元。
注意:当用户在此模式时,可修改覆盖项并立即看到新的设计结果。
如果当前没有显示出设计结果,则可单击设计菜单> 钢框架设计> 交互式钢框架设计命令,然后右击框架单元,进入此单元的交互式设计模式。
10.如有必要,再次使用设计菜单> 钢框架设计> 改变设计截面命令,修改所选框架单元的截面设计属性。
11.单击设计菜单>钢框架设计>开始结构设计/检查命令,可重新运行带有新截面属性的钢框架设计。
使用上述步骤说明的方法查看结果。
12.使用分析菜单> 运行分析命令重新运行结构分析。
注意:分析所使用的截面属性都是最新指定的设计截面属性。
13.将侧向位移值与侧向位移目标值进行比较。
学习心得通过四次课的学习我对SAP2000有了初步的了解,包括它的来历,适用范围,主要功能。
经过每节课的操作,我也初步会使用SAP2000.现在我来谈谈我对SAP2000的了解。
SAP2000是Structure Analysis Program 2000的缩写,它是是SAP系列软件的升级版,至今集成了常用的所有功能。
SAP2000程序于1996年问世,它是SAP产品系列中第一个以Windows视窗为操作平台的程序,拥有强大的可视界面和方便的人机交互功能.在这个看似简单的界面中,可以完成模型的创建和修改、计算结果的分析和执行、结构设计的检查和优化以及计算结果的图表显示(包括时程反应的位移曲线、反应谱曲线、加速度曲线)和文本显示等等,从最简单的问题到最复杂的工程项目,都非常方便快捷。
SAP2000是通用的结构分析设计软件,适用范围很广,主要适用于模型比较复杂的结构,如桥梁,体育场,大坝,海洋平台,工业建筑,发电站,输电塔,网架等结构形式,当然高层等民用建筑也能很方便的用SAP建模、分析和设计。
在我国,SAP2000程序也在各高校和工程界得到了广泛的应用,尤其是航空航天、土木建筑、机械制造、船舶工业、兵器以及石油化工等许多部门都大量使用SAP2000程序。
SAP2000具有极强的功能,如建模功能、编辑功能分析功能荷载功能、自定义功能、以及设计功能等等。
一、建模功能:在SAP2000中建模,实际结构单元用对象来体现,先定义出所使用的材料性质,如钢材、混凝土和铝材,再在图形界面中画出对象的几何分布,然后指定荷载和属性到对象上建立实际构件模型。
程序包含下列对象类型:点对象、线对象、面对象、实体对象。
在各个SAP2000版本中,由于面向对象技术的出现,建模时无需像以前那样,把模型划分为足够细的单元进行分析,而只要给出结构的基本框架即可。
因为当运行SAP2000进行分析时,程序自动将建立的面对象的模型转换成基于有限元的模型。
sap2000入门学习sap2000入门.学习1、局部坐标系在sap2000中点、线、面等单元都有局部坐标系,且用了三种颜色(红、蓝、白)来表示其局部坐标。
但我不明白这三种颜色究竟谁代表了axial 1、axial 2、axial 3?答:(a)红色----1轴、白色----2轴、蓝色----3轴。
king.zk(b)局部坐标系的规定如下:1轴为轴向,从i点到j点。
当杆件为水平时,2轴的方向与整体坐标系的z轴正向一致;而当杆件为竖直时,2轴方向与整体坐标系X轴正向一致,3轴为右手螺旋规则,依据1、2轴而定。
lijianning2、SAP2000软件在建立模型时,无法考虑箍筋间距和箍筋直径大小,软件仅能就所配置的端面大小给予适当的箍筋量,而在实际工程中是要考虑这些的,涉及到截面剪力强度大小计算等问题。
想问的是,现在很多设计院和研究所已将SAP2000用于实际工程的设计和抗震性能评估,这些结果可靠吗?不知SAP新版本会不会解决这个问题?2005-04-19 答:在实际设计的时候,sap会给出所需要的剪切钢筋面积,这与截面设计时候是否有箍筋没有关系。
至于做抗震评估,如果这里你的抗震评估是指使用pushover方法的话,那么也许可以这么做:混凝土的本构关系采用受限制混凝土的曲线,让它来考虑箍筋的作用,这样将问题转移到定义合理的本构关系上去了。
ocean20003、SAP2000截面设置的梁配筋问题各位大侠:小弟初涉sap,有几个比较初级的问题:(1)在sap2000中,对于梁、柱的配筋,只对纵筋的截面进行定义,而在实际的结构设计中,还存在箍筋配筋的问题。
(2)在sap2000中,对于梁、柱的配筋,只给了一个截面进行定义,而在实际的结构设计中,梁两端和中间段的配筋有时是不一样的,还有柱也存在这样的问题,大家如何处理的?(3)在进行pushover推覆分析中,要设置塑性铰特性,sap2000给出了默认值,而实际的铰特性小弟认为应该对杆件进行试验,或者用专门的软件来计算,不知大家如何处理?如果用软件来计算,望能告知或者提供上来,不胜感激!(4)sap2000中进行动力时程分析用到的地震波,其文件格式是什么?地震波的时间间隔是多少?还是完全按照自己处理的地震波的时间间隔来定?答:(1)、sap2000在采用混凝土设计的时候会计算判断出所需要的纵筋和箍筋的面积,以结果的形式体现出来,定义截面的时候只是一个初始设置。
1.在SAP2000中显示梁柱以及板的截面形状方法是:对于9.0以前的版本在菜单栏>显示>拉伸显示,在SAP2000中则不能再菜单中进行截面显示操作,其方法是:直接在浮动工具条里点击,在弹出的窗口中选中,效果图见下图所示2.在SAP中指定单元划分的方法是:菜单栏>指定>面>自动面网格划分>选择相应的单元类型并指定单元尺寸。
3.北京水金土木的SAP指南一书中,第50页中的步骤九:定义静荷载工况内容中,应为定义>荷载模式。
只有地震荷载下,自动侧向荷载选项才是打开的4.建立柱状模型时需要选择柱状坐标系,方法是在编辑轴网对话框中选择在弹出的对话框中选择柱面坐标5.定义变截面柱的方法是:先定义两个截面,然后在框架属性中选择other>变截面(见下图)。
变截面构件的定义需要事先划分成若干段,每个段再根据是否为恒截面进行相关定义。
注意到EI33与EI22变量定义可有三个选择:即linear,parabolic与cubic,即定义局部抗弯刚度的变化方式。
效果图见下图所示。
6.定义组合及不规则截面,方法是:。
另外还可以通过>显示弯矩-曲率关系查看已经定义的钢筋混凝土截面的M-Φ关系(是否可以在设计中直接应用呢?)见PDF第89页:。
工具条中的,其功能分别为:显示相关曲线,弯矩-曲率关系,弹性应力。
在SAP中,截面总是预定义的,需要对截面尺寸进行修改。
方法是:在左侧绘制工具条中选择相关操作后,在绘图区左击鼠标,然后点击鼠标右键,,进行尺寸修正。
截面定义后,单击绘图区右下角的完成按钮,即返回截面名称定义的主窗口,确定即可。
7.定义截面属性为面截面时,壳单元非常有用,在平面和三维结构中模拟壳、膜和板的性能,是模型中最常用的一种,例如结构中的楼板、墙、坡面等均以壳定义,壳单元是一个组合了膜和板弯曲行为的3节点或4节点单元(4节点单元不必是平面)。
板弯曲行为包括双向、面外、板旋转刚度部分和一个垂直于单元平面的平动刚度。
SAP2000计算体会SAP2000学习体会以北陵公园站2-2横断面强度计算为例,总结一下SAP2000计算的步骤如下:一、计算前准备:——————荷载计算①整理出计算断面所处位置的地质信息,确定地面标高、覆土深度、抗浮设防水位标高等,计算出抗浮设防水位以下各土层的饱和容重与浮容重、结构侧面土层加权平均侧压系数等;②按抗浮水位计算出顶板土压力、顶板水压力、底板水浮力、侧墙水土压力,以上计算详见附页。
二、绘制计算简图————————————————CAD建立几何模型在CAD中绘制平面框架计算简图,计算跨度、高度取构件中心间距,需要注意的有以下几项:1、将每跨度、高度范围内的构件绘制为一个线单元,在导入程序后会自动生成节点;2、不要在“0”图层绘制,需新建一图层进行绘制,图层名可自定义。
计算简图绘制完毕后另存为.dxf文件。
3.画图应以米为单位,图应在原点。
4.曲线,应分段为直线,再导入。
三、导入.dxf文件1、打开SAP2000程序,在导入.dxf文件之前,先将右下角的单位一栏里的默认单位制改为“KN,m,C”,否则导入文件后会造成节点处出错;2、选择“文件-导入-AutoCAD.dxf文件”菜单导入.dxf文件,在随之打开的菜单中选择坐标系向上方向为“Y”方向,由于上步已将单位制改为“KN,m,C”,此步中不需再做修改,直接确定;下一选框中frame应选中图层名称。
3、导入完成后点击“XZ”视角,即可看见计算简图。
四、定义材料点击“定义-材料”,在对话框中选择“CONC”(混凝土),点击“添加新材料”,在“材料属性数据”对话框中,填写各项参数如下:材料名称:C30 材料类型:各向同性密度:2.5 T/m3重度:25 KN/m3弹性模量:30000000 KN/㎡泊松比:0.2热膨胀系数:1.000E-05 剪切模量:12500000设计类型:Concrete(混凝土)fcuk:30000 KN/㎡(立方体抗压强度标准值)fyk;335000 KN/㎡fyks:335000 KN/㎡C40除以下两项与C30不同外,其余均与C30相同:弹性模量:32500000 KN/㎡fcuk:40000 KN/㎡五、定义框架截面点击“定义-框架截面”,在“框架属性”对话框中选择“Add Rectangular”(添加矩形截面),点击“添加新属性”,在弹出的对话框中定义截面名称、材料、深度、宽度:1、截面名称自定义,为方便好记,可取拼音定义,如顶板取名为“DINGBAN”;2、材料根据真实设计信息选择C30、C40或其它;3、深度即为构件的厚度,按真实设计信息填写;4、宽度为计算纵向的长度,本例是在柱前后各取的半跨,因此为6.5m,也可以取单位宽板带计算,但此时柱需做简化;在对话框中还有一个“配筋混凝土”选项,点开后根据真实设计信息选择设计类型和填写保护层厚度,本例中是将侧墙、顶板、中板、底板的设计类型均定义为“梁”,柱仍为“柱”。
目录模型导入 ........................................................................................................................................................................编辑 ................................................................................................................................................................................荷载模式 ........................................................................................................................................................................定义质量源 ....................................................................................................................................................................次梁端部释放 ................................................................................................................................................................框架重力荷载 ................................................................................................................................................................指定面荷载 ....................................................................................................................................................................风荷载定义及输入 ........................................................................................................................................................定义自动截面选择列表 ................................................................................................................................................ 模型导入编辑荷载模式定义质量源次梁端部释放框架重力荷载指定面荷载注意荷载一项的正负值,应为负值。
结构分析报告课程名称:弹性力学与有限元班级:土木1404班学号:26姓名:叶柏凡指导老师:郭光林2016 年12月 18 日(1)模型建立模型为梁柱结构,其中梁:Hw400X400X11X18, 柱:Hw300X300X10X15, 材料为Q345钢,E=29000, 泊松比=0.3。
底部铰接,所有梁柱连接为刚性。
恒载为1.0 (不包括钢构件的自重),活载为0.5。
分析其由DL、LL和EQ荷载引起的抗弯钢框架应力比。
(二)定义荷载定义荷载“EQ”,横载1.0,活载0.5,作用在模型中所有梁。
定义节点荷载:指定节点4“全局X轴向力”,大小为40,指定节点3“全局X轴向力”,大小为20,指定节点2“全局X轴向力”,大小为10.(三)结构分析设计校核完成后,显示钢构件的P-M应力比。
显示轴向力:显示剪力:显示弯矩:显示变形形状:(五)学习心得SAP2000是SAP ( Structural Analysis Programs )系列程序功能最为强大的Windows版本,是一个最具集成化、高效率的三维静、动力结构分析软件。
为了能在以后的学习研究中更好的解决问题,研究结构变形等一系列问题,我在这四周认真学习了SAP200的基本操作,并且独立完成一份算例得到分析结果。
通过学习我知道了SAP2000计算分析包括以干内容:静力(线性和非线性)分析(这是最常见的分析类型,其特点是荷载施加不包括动力效应,也不考虑惯性力的影响,同时内力、位移又不是时间的函数);动力地震分析和静力Pushover 分析;移动荷载作用下的分析(影响线绘制、最不利荷载位置确定及最大值的计算);桥梁车辆活荷载分析;几何f非统性,包括P-Delta 和大变形效应;阶段(增堪)施工;徐变、收缩和老化效应;弹性屈曲分析;稳态和功能谱密度分析。
其中非统性分析的结果一般不能叠加,而是所有荷载在结构上的作用应该在分析的工况下合成。
非线性分析可以连在一起表示复杂荷载顺序。
SAP2000总结第一篇:SAP2000总结SAP2000总结(2012-07-28 17:34:56)转载▼ 标签:杂谈在家一边做论文,一边把SAP2000建模和分析过程整理了下 1.轴网:a:文件---新模型---轴网。
笛卡尔坐标可以定义立方体矩形,柱面坐标可以定义立方体弧形。
添加局部坐标系:单击鼠标右键---编辑轴网数据---添加新系统(原点位置:0、0、0;在快速绘制,第一个网格位置中可以输入局部坐标相对于总坐标的位置;不可以在一个视窗中同时显示整体坐标、局部坐标,可以通过屏幕右下方的选择区切换。
b:文件---导入:CAD文件、EXCEL等。
注:cad中定义不能使用0图层定义新的图层;在导入时,cad的铅垂方向和世界坐标wcs中X、Y、Z、轴的哪一个轴对应,相应的选择对应的轴(全局上方向),也可以在cad中进行旋转操作,也可以通过施加重力方向的荷载校核;结构导入模型时偏离整体坐标原点太远,可以在cad中将模型移到通用坐标系WCS原点,或在sap2000中进行模型整体移动;cad中采用的是浮动坐标,导入sap2000后会出现极少的位差,可在“交互数据编辑功能”里修改;cad中的曲线杆件不能导入sap2000中,可以利用cad的二次开发技术将圆弧、椭圆等线段修改成直线线段;由cad导入的线段必须为直线,不能为多段线。
c:程序自带的已定义属性的三维“框架”。
1.1:修改轴网:转化为一般轴线:即可完成对整体坐标与局部坐标中轴线的编辑、修改。
编辑数据---修改显示系统----粘合到轴网线:某楼层层高不一样时,可在-修改显示系统修改z轴坐标,构件会随着轴网一起移动。
.2.定义材料:定义---材料(有快速添加材料和添加新材料)。
快速添加材料是程序已经定义好了的,可以定义钢和混凝土,当“快速添加材料” 中没有要定义的材料时,则需要自己手动在“添加新材料” 中定义。
3.定义截面: 框架单元:用来模拟梁、柱、斜撑、桁架、网架等。
1.在SAP2000中显示梁柱以及板的截面形状方法是:对于9.0以前的版本在菜单栏>显示>拉伸显示,在SAP2000中则不能再菜单中进行截面显示操作,其方法是:直接在浮动工具条里点击,在弹出的窗口中选中,效果图见下图所示2.在SAP中指定单元划分的方法是:菜单栏>指定>面>自动面网格划分>选择相应的单元类型并指定单元尺寸。
3.北京水金土木的SAP指南一书中,第50页中的步骤九:定义静荷载工况内容中,应为定义>荷载模式。
只有地震荷载下,自动侧向荷载选项才是打开的4.建立柱状模型时需要选择柱状坐标系,方法是在编辑轴网对话框中选择在弹出的对话框中选择柱面坐标5.定义变截面柱的方法是:先定义两个截面,然后在框架属性中选择other>变截面(见下图)。
变截面构件的定义需要事先划分成若干段,每个段再根据是否为恒截面进行相关定义。
注意到EI33与EI22变量定义可有三个选择:即linear,parabolic与cubic,即定义局部抗弯刚度的变化方式。
效果图见下图所示。
6.定义组合及不规则截面,方法是:。
另外还可以通过>显示弯矩-曲率关系查看已经定义的钢筋混凝土截面的M-Φ关系(是否可以在设计中直接应用呢?)见PDF第89页:。
工具条中的,其功能分别为:显示相关曲线,弯矩-曲率关系,弹性应力。
在SAP中,截面总是预定义的,需要对截面尺寸进行修改。
方法是:在左侧绘制工具条中选择相关操作后,在绘图区左击鼠标,然后点击鼠标右键,,进行尺寸修正。
截面定义后,单击绘图区右下角的完成按钮,即返回截面名称定义的主窗口,确定即可。
7.定义截面属性为面截面时,壳单元非常有用,在平面和三维结构中模拟壳、膜和板的性能,是模型中最常用的一种,例如结构中的楼板、墙、坡面等均以壳定义,壳单元是一个组合了膜和板弯曲行为的3节点或4节点单元(4节点单元不必是平面)。
板弯曲行为包括双向、面外、板旋转刚度部分和一个垂直于单元平面的平动刚度。
薄板采用Kirchhoff公式,中厚板采用Mindilin/Reissner公式。
厚板公式考虑了剪切变形的影响,计算更准确些。
(板的设计见PDF98)8.绘制点9.墙体开洞10.绘制螺旋楼梯11拉伸面成实体12.重定形对于实体、面可以通过绘图命令中的重定形进行拉伸端点修正。
13.SAP中需要施加的荷载14.施加集中荷载的方法15.风荷载16.隔板束缚17.节点18.单元局部坐标轴19.拉压比限值20.定义局部坐标系方法是:定义完全局坐标系以及轴网以后,单击菜单栏>定义>坐标系统/轴网。
该方法的好处是可以随时按自己关注的方向观察结构体,并且在局部特殊处理时方便。
切换视图的方法是在图框右下角第一栏。
21.SAP中对于Dead默认为考虑自重系数,意味着当指定Dead恒载以后系统在计算时将自动加上构件的自重。
对于一般活载应当指定自重系数为0。
另外SAP中的结果不会自动叠加。
变形图或内力图显示时默认为某一荷载模式,即Dead。
对于其他荷载,需要考虑综合效果时需要指定组合工况。
22剪力自锁一个线性单元的边不能弯曲,如下图所示。
虚线交点为积分点。
在每一个积分点,竖直线与水平线之间的夹角开始时是90度,变形后不为90度,说明每一点的剪应力不为0,这是不正确的,在纯弯曲下一块材料的剪应力应为0,此现象即为剪力自锁现象,其实质是由于单元的位移场不能模拟与弯曲相联系的运动学现象而引起的。
23自由度不协调处理24.Asolid中的非协调弯曲模式在面截面中截面类型选择轴对称实体单元后,对话框中辉出现不相容模式勾选项。
25.实体单元类型Solid以实体模拟的结构只传递力而不传递弯矩(实体的节点只具有平动自由度,没有转动自由度)26.会用窗口左下角的对象捕捉功能(可以在复杂的的空间结构中准确地选择目标)27.对于在特殊位置施加荷载,需要在该位置建立节点,然后在该节点施加荷载(SAP中的网格划分默认为在节点出,见选择框架后>指定>框架>自动网格划分28.绘制次梁应该将视图转至XY平面;若次梁非均匀布置则应该参照普通梁,选择框架/束绘图29.截断/延长命令(注意选择对象的顺序)30快速选择的方法对相关构件进行快速选择,方法有两个:一是利用组。
定义组的方法是:>定义>组>添加组,然后选择相关构件>指定>指定到组即可;二是根据属性选择,方法是:选择>属性(需要事先定义材料及截面时有系统的注记命名);三是根据标签,方法是:选择>标签31荷载模式与荷载工况荷载模式用于指定荷载类型,荷载工况定义荷载大小(已施加))。
32荷载模式里的地震荷载与荷载工况中的反应谱荷载在荷载模式中定义地震荷载为规范采用的底部剪力法采用的地震荷载方法;在荷载工况中的反应谱荷载为规范推荐的阵型分解反应谱法采用的荷载方式。
故如果采用反应谱法就不需要再在荷载模式中定义地震荷载。
33.自动风荷载34.荷载替换与荷载添加其效果仅作用于同一荷载工况(模式),对其他荷载工况不起作用;选择替换表示将此次施加的荷载替换以前施加的荷载(每个节点、框架上的同一类型荷载模式均被替换);选择添加,表示在以前施加荷载的基础上增加荷载值,即现有荷载=原先荷载+此次定义的递增荷载值35.指定风荷载体形系数前需要先定义风荷载模式.36.温度荷载37.支座约束38.刚性隔板束缚39.板束缚(P169)40.插入点41.刚域42.刚域系数43.线对象端部释放44.局部坐标轴局部坐标轴按颜色分:红色、白色、蓝色分别对应轴X、Y、Z;节点的局部坐标轴与整体global坐标系一致;框架局部坐标轴不与global一致:局X为框架长度方向,局Y 跟局Z由与局X符合右手螺旋法则确定。
另外,不同的绘图方式导致局部坐标系差别很大:例如[绘制框架/索/钢束]与[快速绘制框架/索/钢束]结果差别很大。
局部坐标轴不能再拉伸显示视图下显示。
45.拉压比限定46.显示设置显示设置中的拉伸显示跟收缩显示并不互相排斥:收缩是用于将单元长度缩短显示以便区别不同的单元,而拉伸则是将各构件以其实际三维效果显示;显示轴网应在视图中选择;颜色显示设置在>选项中。
高级显示可以使用选项>图形模式>OpenGL命令。
47.SAP中导入CAD中的DXF(DrawingXchangeFile,即图形交换文件)注意要点:首先,导入的DXF文件在CAD中必须是非0层;第二,必须是同一类构件(类型和界面都相同的)放在同一层第三,在CAD中建模,用不同的层表示不同的物体第四,如果导入到SAP后出现节点不在同一位置,那么可以使用编辑>合并重复对象48.从CAD中导入SAP输出的CAD.DXF文件方法是建模以后选择>文件>导出>AutoCAD.DXF文件,在弹出的窗口命名DXF文件名以后,在下一个提示及时窗口中选择否,将出现下图所示的窗口,指定图层类型并命名图层号(非0最好)49.基于交互式的高级建模方法编辑>交互式数据库编辑50.其他文件格式51.非线性分析51.几何刚度总刚度矩阵,包括杆件的基本刚度矩阵和杆件的几何刚度矩阵。
总刚度矩阵可以考虑加入几何刚度后对结构的影响,杆件所受轴力为压力时,几何刚度为负,会产生应力软化效应。
52.大位移53.工况组合54.荷载工况分析顺序应当注意不同荷载工况的分析顺序,例如当线性分析用到非线性分析的刚度矩阵时,或者阵型叠加类型的工况(反应谱分析或者模态时程分析)要用到由模态分析工况得到的阵型。
55.批处理控制技术(使用绘图>截面切割命令(只能得到数值不能显示截面切割的图形效果)62.相对位移输出在窗口中显示位移结果后,定义>广义位移(两个节点),然后选择菜单>显示>显示表格>节点输出中的>JointdisplacementGeneralized63.荷载组合SAP2000中在开始运行结构设计命令时,会根据结构类型和工程师所选的规范自动进行荷载组合。
如果希望在运行设计之前查看自动生成的荷载组合的信息,点击【定义】>【荷载组合】>【添加默认设计组合】命令,弹出设计组合对话框,进行查看。
DesignofSteel(Concrete,Cold-formedSteelframes,ALUMminum)64.优化设计工程师可以将特定的一组截面赋给构件,构件通过自动优化设计的功能反复分析设计,选出最优截面;其次,SAP2000中的设计过程是一个交互式的设计过程,工程师可以修改构件的各个设计参数,控制整个设计过程。
(1)首先,定义自动选择型钢截面列表:通过导入截面属性将中国型钢库里的若干型钢截面属性导入到当前列表中,再选择>添加新属性>自动选择列表>给列表指定名称,并将已经导入的若干文件添加到当前列表下,覆盖项为截面设计首先开始的截面选项>然后确定即可。
(2)校核即:运行分析>设计>钢框架设计>钢结构设计/校核>校核分析与设计截面,不通过的话再次运行,重复以上步骤,直至弹出右图所示窗口:65.非线性分析66.荷载-位移曲线的绘制如果要在结果显示出位移随荷载的变化关系,可以直接在SAP中的显示>绘图函数中定义。
但是此步骤的前提是必须在定义荷载工况时选择非线性,并且【结果保存】选择为多个状态。
67.Pushover分析Pushover分析法,即静力非线性分析方法(NonlinearStaticProcedure)静力非线性分析是结构分析模型在一个沿结构高度为某种规定分布形式且逐渐增加的侧向力或侧向位移作用下,直至结构模型控制点达到目标位移或结构倾覆为止的过程。
控制点一般是指建筑层的形心位置;目标位移为建筑物在设计地震力作用下的最大变形。
Pushover分析的基本工作可以分为两个部分:建立侧向荷载作用下的结构荷载-位移曲线图,它表示了侧向总剪力与顶点侧向位移的关系;对结构抗震能力的评估。
结构荷载-位移曲线与抗震设防的关系:68.Pushover中的铰产生的铰属性有一个使用“LabelH#”的自动命名规则,Label是框架单元标签,H代表铰,H代表铰号码,程序从铰号码1开始,并对每一个施加于框架单元的铰号码连续增加1.69.确定性能点70.Pushover分析设置71.几何非线性参数72.SAP中使用三种方法来处理由于卸载铰导致程序必须设法移除铰所承受的荷载并且可能要再分配它到剩余的结构上的问题:卸载整个结构、施加局部重分配、使用割线刚度并重新开始。
73.索结构力的施加方式有:SAP中的几何非线性74.SAP中的参考点设置参考点的绘制只能在XY平面进行。