施工机具检查验收记录表
- 格式:doc
- 大小:29.00 KB
- 文档页数:3
施工机具验收记录一、验收目的施工机具是施工过程中的重要工具,对工程质量和进度具有重要影响。
为了确保施工机具的安全性和可靠性,需要进行验收工作。
本次施工机具验收的目的是确保施工机具的质量符合要求,能够正常工作。
二、验收范围本次施工机具验收涵盖了以下方面的机具:1.建筑起重机械,包括塔吊、升降机等;2.清理设备,包括吸尘器、清洗机等;3.打击类工具,如电钻、电锤等;4.动力工具,包括电动工具、气动工具等;5.其他相关施工机具。
三、验收标准1.功能性:施工机具必须能够正常工作,各个功能齐全,能够满足施工需要。
2.安全性:施工机具必须符合国家相关安全规定,具备安全保护装置,并通过安全性能测试。
3.质量可靠性:施工机具必须具备良好的质量,材料强度、焊接接头等必须符合相关标准。
4.外观完好:施工机具外观应无明显破损、变形、腐蚀等缺陷。
四、验收内容1.施工机具的功能性验证:对每种施工机具进行功能性验证,确保各个功能齐全,无故障。
2.施工机具的安全性检测:对每种施工机具进行安全性检测,确保安全保护装置完好,并通过安全性能测试。
3.施工机具的质量可靠性评估:对每种施工机具的质量进行评估,确认材料强度、焊接接头等符合相关标准。
4.施工机具的外观检查:对每种施工机具的外观进行检查,确保外观完好,没有明显破损、变形、腐蚀等缺陷。
五、验收记录1.施工机具名称:塔吊功能性验证:吊机能够正常起重、升降等功能,无故障。
安全性检测:安全保护装置完好,通过安全性能测试。
质量可靠性评估:材料强度、焊接接头等符合相关标准。
外观检查:外观完好,无明显破损、变形、腐蚀等缺陷。
2.施工机具名称:吸尘器功能性验证:吸尘器能够正常吸尘,无故障。
安全性检测:安全保护装置完好,通过安全性能测试。
质量可靠性评估:材料强度、连接件等符合相关标准。
外观检查:外观完好,无明显破损、变形、腐蚀等缺陷。
3.施工机具名称:电钻功能性验证:电钻正常运转、转速调节正常,无故障。
SG06-06 起重机械维护保养记录表SG06-06(续)说明:本表一式份,由施工单位填写,用于存档和备查。
SG06-07 起重机械运行记录表说明:本表一式份,由施工单位填写,用于存档和备查。
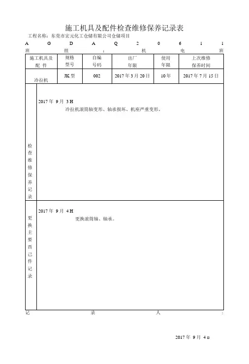
SG06-08 施工机具及配件检查维护保养记录表工程名称:班组:说明:本表一式份,由施工单位填写,用于存档和备查。
SG06-09 起重机械基础验收表工程名称:说明:本表一式份,由施工单位填写。
施工单位、监理机构各一份。
SG06-10 起重机械安装验收表说明:本表一式份,由施工单位填写。
施工单位、监理机构各一份。
SG06-11 塔式起重机相关安全条件确认表工程项目名称:塔式起重机备案编号:塔式起重机出厂编号:塔式起重机在工地的自编号:负责人:(签名):负责人:(签名)年月日年月日年月日SG06-12 起重机械(塔式起重机)安装前检查表SG06-13 起重机械(塔式起重机)安装自检表年2.表中打“—”的表示该处不必填写,而只需在相应“备注”中说明即可;3.对于不符合要求的项目应在备注栏具体说明,对于要求量化的参数应按规定量化在备注栏内;4.表中d表示钢丝绳公称直径;5.钢丝绳磨损量=[(公称直径-实测直径)/公称直径]×100%;6.首次安装及每次附着顶升后,安装单位均应按此表对塔式起重机进行自检。
7.本表一式份,由施工单位填写,用于归档和备查。
施工单位、监理机构各一份。
SG06-14 起重机械(塔式起重机)安装验收表注:首次安装及每次附着顶升后,施工总承包单位应组织有关单位按此表对塔式起重机进行验收。
SG06-17 起重机械(物料提升机)安装验收表SG06-17(续)注:1.每次加节后,施工总承包单位应组织有关单位按此表对物料提升机进行验收。
2.本表一式份,由施工单位填写,用于归档和备查。
SG06-18 高空作业吊篮验收表说明:本表一式份,由施工单位填写。
施工单位、监理机构各一份。
SG06-19 砂石料生产系统安全检查验收表说明:本表一式份,由施工单位填写。
施工机具进场验收记录一、前言随着社会的发展,建筑工地的数量也越来越多,而建筑工地中使用的施工机具更是齐全。
然而,施工机具是一种需要定期维修和更换的物品,而进场验收记录可以帮助我们了解施工机具的使用状况,保证施工机具的使用安全和效率。
二、验收标准验收实施前,要建立验收标准。
验收标准应考虑机型、型号、性能、数量和状态等因素。
建立好验收标准后,才能开始进行机具进场验收工作。
机型:应与施工机具征求意见书中的规定相符。
型号:应与施工机具征求意见书中的规定相符。
性能:应符合产品说明书和相关标准的要求。
数量:应与提供方的文件、发票及生产厂家的送检单等文件记录相符。
状态:机具表面应平整、无锈蚀、无变形、标识齐全、标签清楚;机器内部散件无缺失,表面处理、绝缘等性能达标。
针对特定的机具,可以增加一些特殊的验收标准,如马力、功率等方面的技术指标。
三、进场验收过程1.建立验收组对每个进场验收项目,由验收组组建。
验收组成员应由设计、施工、安装、维修、监理、质检人员等组成。
验收小组的组长要根据验收内容确定验收方案,并向参与进场验收的人员宣传验收标准和验收程序,提醒重点。
2.按照验收标准进行验收验收组对进场的机具进行一一检查,按照验收标准进行验收。
3.出具验收记录验收组根据验收结果,出具进场验收记录,包括验收时间、地点、机具数量、机具检验情况等。
四、进场验收记录范例验收项标准要求机型数量状态验收结果抓斗型号符合规定,材质实用合理。
FGB-515 表面平整、无锈蚀、无变形,标识齐全、标签清楚;机器内部散件无缺失,表面处理、绝缘等性能达标。
合格排水泵型号符合规定,使用可靠。
QW-J55 表面平整、无锈蚀、无变形,标识齐全、标签清楚;机器内部散件无缺失,表面处理、绝缘等性能达标。
合格平板振动器型号符合规定,预应力加筋布置合理。
WD-CZ20 表面平整、无锈蚀、无变形,标识齐全、标签清楚;机器内部散件无缺失,表面处理、绝缘等性能达标。
施工机具检查验收表挖掘机一、检查内容1. 机身部分1.是否出现裂纹、变形和锈蚀等情况;2.是否有接缝或螺钉处漏油现象;3.各管路连接是否紧固完整,有无漏气现象;4.液压油、燃油,水箱等各类油液是否充足,并且色泽是否正常;5.动力传动部件是否存在异常噪音,死点或滑动现象。
2. ,工作装置1.挖斗、斗杆、钩杆、铲刀等部件是否不平整,有无裂纹及腐蚀现象;2.液压油缸是否无泄漏现象,缸体表面是否磨损过多;3.液压管路和接头是否有异常的泄漏、老化或损伤;4.液压油缸、斗齿等工作装置是否操作灵活、可靠;5.液压管路是否有污物和异物等;二、验收标准1. 机身部分1.初次检查合格,正式使用前应再次检查;2.充油量正常,油液不异常,不得使用不符合规定的燃油和液压油;3.机身部分无异常噪音,动力传动部件正常;4.液压管路、接头等部分完好无损、无渗漏。
2. 工作装置1.液压管路、接头等部分完好无损、无渗漏;2.液压油缸、斗齿等工作装置操作灵活、可靠;3.挖斗、斗杆、钩杆、铲刀等部件表面不得有裂纹及腐蚀现象。
三、验收人员•经办人员•质检人员四、验收记录日期:___________,时间:___________验收内容:________________________________验收人员签字:____________________________经办人员签字:____________________________五、注意事项1.检查前需排除施工机具电源,燃油等隐患,确保安全;2.液压管路、接头等部分完好无损、无渗漏;3.挖斗、斗杆、钩杆、铲刀等部件表面不得有裂纹及腐蚀现象;4.液压油、燃油等应使用高品质液压油和燃油,不得使用过期、不符合规定的油品;5.确保验证结果的准确性,必须根据实际情况制定技术文件并经认证;六、结论以上为施工机具检查验收表挖掘机需要检查的内容和验收标准,希望大家在施工机具使用前认真检查,确保施工机具安全可靠,同时做好施工机具的保养和维护,延长使用寿命,节省材料成本。
施工机器设备进场安全验收记录施工机械设备进场安全验收记录机械名称:挖掘机工程名称:设备厂家、型号:项目经理:序号项目进场时间:施工单位:操作人员:参加验收人员:验收情况:1.检查该设备操作手操作证和工种的安全生产操作规程。
2.查询该车有关车质情况,查询该操作手有关操作技能情况。
1.设备整机完好,整体运行无故障,全车紧固件无松动,运动件无松旷。
2.全车密封件密封性良好,各类管道无泄漏。
大臂油缸略有渗漏。
3.电气线路各接头连接牢固,电气元件工作性能良好,各种仪表显示准确。
4.全车液压系统基本无渗漏,控制元件工作可靠,液压泵、液压马达传递功效良好,液压系统内泄在允许值内。
5.发动机工作正常,怠速平稳、加速顺畅,无异响,尾气排放未见异常。
机油油压正常,机油油面符合标准;水温正常,冷却液性能良好。
空气滤清器、机油滤清器、燃油滤清器清洁、有效,油水分离器工作正常。
变速箱润滑油液面符合标准,齿轮啮合工作正常。
组合分配阀工作灵敏、可靠。
1.各传动部位的安全防护装置,齐全有效。
2.制动机构反映灵敏、工作可靠。
发动机熄火后,无溜车、随臂现象。
3.各限位保险装置,灵敏可靠。
4.车上警示灯具齐全。
设备负责人:专职安全员:年月日施工机械设备进场安全验收记录机械名称:装载机工程名称:设备厂家、型号:项目经理:序号项目进场时间:施工单位:操作人员:参加验收人员:验收情况:1.检查该设备操作手操作证和工种的安全生产操作规程。
2.查询该车有关车质情况,查询该操作手有关操作技能情况。
1.设备整机完好,整体运行无故障,全车紧固件无松动,运动件无松旷。
2.全车密封件密封性良好,各类管道无泄漏。
大臂油缸略有渗漏。
3.电气线路各接头连接牢固,电气元件工作性能良好,各种仪表显示准确。
4.全车液压系统基本无渗漏,控制元件工作可靠,液压泵、液压马达传递功效良好,液压系统内泄在允许值内。
5.发动机工作正常,怠速平稳、加速顺畅,无异响,尾气排放未见异常。
15-2施工机具及配件检查维修保养记录表施工机具及配件检查维修保养记录表经检查发现该震动器电源老化,电源线接头部位出现“羊尾巴”现象,机电检修人员重新更换电线,并正确接线。
检查维修保养记录更换主要配件记录更换电源线长度5M。
记录人:×××注:此表适用于施工现场各类型施工机具及配件检查维修保养记录。
施工机具及配件检查维修保养记录表检查维修保养记录更换主要配件记记录人:注:此表适用于施工现场各类型施工机具及配件检查维修保养记录。
施工现场安全施工注意事项1、施工人员进入施工现场前,必须要进行施工安全、消防知识的教育和考核工作,对考核不合格的职工,禁止进入施工现场参加施工。
2、进入施工现场必须戴好安全帽,系好帽带,并正确使用个人劳动防护用品.3、严格执行操作规程,不得违章指挥和违章作业,对违章作业的指令有权拒绝并有责任制止他人违章作业。
4、施工作业时必须正确穿戴个人防护用品,进入施工现场必须戴安全帽o不许私自用火,严禁酒后操作。
5、穿拖鞋、高跟鞋、赤脚或赤膊不准进入施工现场。
6、穿硬底鞋不得进行登高作业。
7、在高空、钢筋、结构上作业时,一定要穿防滑鞋.8、现场用电,一定要有专人管理,同时设专用配电箱,严禁乱接乱拉,采取用电挂牌制度,尤其杜绝违章作业,防止人身、线路,设备事故的发生。
9、电钻、电锤、电焊机等电动机具用电、配电箱必须要有漏电保护装置和良好的接地保护地线,所有电动机具和线缆必须定期检查,保证绝缘良好,使用电动机具时应穿绝缘鞋,戴绝缘手套。
10、工地施工照明用电,必须使用36伏以下安全电压,所有电器机具在不使用时,必须随时切断电源,防止烧坏设备.11、在用喷灯、电焊机以及必要生火的地方,要填写用火申请登记和设专人看管,随带消防器材等,保证消防措施的落实。
施焊时,特别注意检查下方有无易燃物,并做好相应的防护,用完后要检查,确认无火后再离开.12、未经安全教育培训合格不得上岗,非操作者严禁进入危险区域;特种作业必须持特种作业资格证上岗。
五、安全验收记录目录1、临建设施及防护设施安全验收记录1.1、临建设施及防护设施安全验收填写说明1。
2、各类设施验收登记记录1.3、施工现场围档验收表1.4、施工现场临建设施验收表1。
5、基坑支护安全验收表1.6、模板工程安全验收表1.7、脚手架验收表1.7。
1、落地式钢管扣件脚手架搭设验收表1.7.2、悬挑式脚手架验收表1.7.3、门型脚手架验收表1.7.4、附着式升降脚手架验收表1.7。
5、吊篮脚手架验收表1.8、悬挑式卸料平台验收表1。
9、落地式卸料平台验收表1.10、临边、洞口安全防护设施验收表1.11、安全防护通道、操作棚验收表1.12、外电防护架搭设验收表1.13、攀登作业设施验收表1.14、移动式操作平台验收表1。
15、脚手架、安全防护设施临时拆除申请表2、机械设备安全验收记录2。
1、机械设备安全验收填写说明2.2、施工现场机械设备安装验收登记表2。
3、机械设备进场查验记录2.4、厂(场)内机动车辆验收表2.5、桩工机械安装验收记录表2。
6、物料提升机基础验收表2.7、物料提升机安装(加节)验收记录2。
8、物料提升机加节申请表2.9、人货两用电梯基础验收表2.10、人货两用电梯安装(加节)验收记录2。
11、人货两用电梯加节申请表2.12、人货两用电梯防坠安全器试验记录2。
13、塔式起重机基础验收表2。
14、塔式起重机安装(顶升、加节)验收记录2.15、塔式起重机顶升(加节)申请表2.16、起重吊装机具验收表2.17、高处作业吊篮验收表2。
18、中、小型施工机具及配件进场检查验收登记表2.19、中、小型施工机具验收记录表临建设施及防护设施安全验收填写说明1、各验收表格应由验收人员负责填写,应保证字迹清晰,签字盖章,手续齐全。
各种资料应由当事人亲自签名,不准打印或代签。
填写内容要求真实、详细、针对现场实际情况并符合规范要求.2、各类设施在搭设完毕后,应由使用单位、搭设单位共同参与验收,不合格的安全设施必须整改符合要求后,方可投放使用或进入下道工序,脚手架应分段进行验收。
施工机械安全检查记录表工程施工机具安全要点检查表工程名称:施工单位:监理单位:检查项目:手持电动工具检查内容:1.开关箱内设漏电保护器。
2.在潮湿场所或在金属架上操作时,应慎重使用工具。
3.齿轮啮合和滑动部位润滑良好,运行无异响。
改写:检查手持电动工具时,要确保开关箱内设有漏电保护器。
在潮湿场所或金属架上操作时,要格外小心。
同时,要检查工具的齿轮和滑动部位是否润滑,是否有异响。
检查项目:钢筋机械检查内容:1.冷拉场地设置警戒区、设置防护栏杆及警告标志。
2.设备外壳有保护接零,开关箱内装设漏电保护器。
不使用倒顺开关或闸刀开关。
3.交流电焊机装配二次侧触电保护器。
改写:检查钢筋机械时,要确保冷拉场地设置了警戒区、防护栏杆和警告标志。
设备外壳要有保护接零,开关箱内要装设漏电保护器,并且不使用倒顺开关或闸刀开关。
交流电焊机要装配二次侧触电保护器。
检查项目:电焊机检查内容:1.交流弧焊机变压器一次侧电源线长度<5m;二次线选用防水橡皮护套铜芯软电缆,长度<30m。
改写:检查电焊机时,要确保交流弧焊机变压器一次侧电源线长度小于5米,二次线选用防水橡皮护套铜芯软电缆,长度小于30米。
检查项目:搅拌机检查内容:1.操作棚符合防雨、防坠物打击的要求。
2.料斗设有保险挂钩。
在料斗下检修或清理料坑时,将料斗提升后用挂钩锁住。
3.设备外壳应做保护接零,开关箱内应装设漏电保护器。
改写:检查搅拌机时,要确保操作棚符合防雨、防坠物打击的要求。
料斗要设有保险挂钩,在检修或清理料坑时,要将料斗提升后用挂钩锁住。
设备外壳要做好保护接零,开关箱内要装设漏电保护器。
检查项目:气瓶检查内容:1.乙炔气瓶使用和存放时不平放。
改写:检查气瓶时,要确保乙炔气瓶使用和存放时不平放。
检查项目:潜水泵检查内容:1.设备外壳有保护接零。
开关箱内装设漏电保护器。
2.水泵先装在篮筐内再放入水中,泵直立放置。
3.水泵工作时周围水面无人进入。
4.开关箱内设漏电保护器。