电解电容测试指导书
- 格式:docx
- 大小:43.18 KB
- 文档页数:5
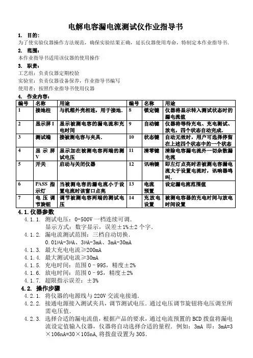
电解电容漏电流测试仪作业指导书1.目的:为了使实验仪器操作方法规范,确保实验结果正确,延长仪器使用寿命,特制定本作业指导书.2.范围:本作业指导书适用该仪器的使用操作3.职责:工艺组:负责仪器定期校验实验室:负责仪器设备保养,作业指导书编写使用者:按照作业指导书使用仪器4.1.仪器参数4.1.1.测试电压:0-500V一档连续可调.显示方式:数字显示,误差±1%±2个字.4.1.2.漏电流测试范围:三档自动切换.0.01µA-3µA、3µA-3mA、3mA-30mA4.1.3.最大充电电流≥200mA4.1.4.最大测试电流≥30mA4.1.5.充电时间:范围0–99S,精度±2%4.1.6.放电时间:范围0–9S,精度±2%4.1.7.超限指示误差:±3%4.2.操作步骤4.2.1.将仪器的电源线与220V交流电接通.4.2.2.接通电源接入测试夹具,调节测试电压.通过电压调节旋钮将电压调至所需电压值.4.2.3.选择合适的漏电流值,根据产品的要求,通过电流预置的BCD拨盘将漏电流设定值输入仪器,仪器将自动选择合适的量程.例如:3mA即:3mA=3×106nA=30×105nA,将拨盘设置为305.4.2.4.选择充放电时间,根据电容量大小将充电时间放电时间置于适当的值上,充电的设置是通过左边二位BCD拨盘设置的,例:设置68秒的充电时间,将左边一位拨盘按至6,中间一位拨盘按至8,右边一位拨盘是设置放电时间.4.2.5.设置讯响开关于有效或无效状态.无效时左边状态灯灭,此时仅切断报警声,并不切断报警指示灯.4.2.6.选择自动测试状态4.2.7.将电容插入夹具(注意电容+、-极性)此时仪器“嘀”的一声进入充电定时状态(充电状态灯被点亮).如果没有声音,说明仪器没有检测到电容,应将电容取下放电,再重复插入夹具.4.2.8.充电定时结束后,仪器自动进入测试状态,(测试状态灯被点亮),并锁定显示第一次采集的漏电流数据.等待几秒种后,仪器自动转入放电状态,当放电结束后,仪器转入等待充电状态.4.2.9.在测量过程中若电容的漏电流大于设定的漏电流值时仪器将发出报警声,若漏电流小于设定的漏电流值时,仪器的合格灯点亮.4.2.10.如果连续测量同一标称的电容,当仪器进入放电结束前,取下所测试的电容,仪器转入等待充电状态,再插入需测试的电容,此时进入下一次循环测试过程.4.2.11.选择非自动测试状态4.2.12.按一下自动测试键,使左边自动状态指示灯息灭,仪器进入非自动测试状态.4.2.13.当仪器在等待充电状态时,插入被测电容,仪器进入充电状态,充电结束,自动转入测试状态。
电容器检验作业指导书一、引言电容器是一种用于储存和释放电能的重要电子元件。
为了确保电容器的质量和性能,进行检验是必要的。
本作业指导书旨在提供对电容器检验的详细步骤和要求,以确保检验工作的准确性和可靠性。
二、检验目的本次电容器检验的目的是验证电容器的质量和性能是否符合规定的标准和要求。
通过检验,可以确保电容器在使用过程中的可靠性和安全性。
三、检验范围本次电容器检验的范围包括以下方面:1. 外观检查:检查电容器外壳是否完整,有无明显损伤或者变形。
2. 尺寸测量:测量电容器的尺寸,包括长度、宽度、高度等。
3. 容量测量:使用适当的测试设备测量电容器的容量。
4. 电压耐受测试:检验电容器在规定的电压下是否能正常工作。
5. 绝缘电阻测试:测试电容器的绝缘电阻是否满足要求。
6. 损耗角正切测试:测试电容器的损耗角正切值是否在规定范围内。
7. 漏电流测试:测试电容器的漏电流是否在规定范围内。
8. 温度特性测试:测试电容器在不同温度下的性能变化情况。
四、检验步骤1. 外观检查a. 检查电容器外壳是否完整,并注意是否有明显的损伤或者变形。
b. 检查电容器的标识是否清晰可读,包括型号、规格等信息。
c. 检查电容器的引线是否有断裂或者松动现象。
2. 尺寸测量a. 使用合适的测量工具,测量电容器的长度、宽度、高度等尺寸。
b. 将测量结果记录在检验记录表中,并与规定的尺寸范围进行比较。
3. 容量测量a. 使用适当的测试设备,按照规定的测试方法测量电容器的容量。
b. 将测量结果记录在检验记录表中,并与规定的容量范围进行比较。
4. 电压耐受测试a. 将电容器连接到测试设备,并按照规定的电压进行加载。
b. 观察电容器在规定电压下是否能正常工作,是否有异常现象。
c. 将测试结果记录在检验记录表中,并与规定的电压耐受范围进行比较。
5. 绝缘电阻测试a. 使用绝缘电阻测试仪,按照规定的测试方法对电容器进行绝缘电阻测试。
b. 将测试结果记录在检验记录表中,并与规定的绝缘电阻范围进行比较。
电容器检验作业指导书一、引言电容器是一种常见的电子元件,用于存储和释放电荷。
为了确保电容器的质量和性能,进行电容器检验是非常重要的。
本作业指导书旨在提供详细的步骤和要求,以确保电容器检验的准确性和可靠性。
二、检验前准备1. 工具准备:- 万用表- 直流电源- 电容器检验仪- 电压表- 温度计- 记录表格2. 环境准备:- 检验环境应保持干燥、无尘、无腐蚀性气体的条件。
- 温度应控制在标准温度范围内。
三、检验步骤1. 外观检验:- 检查电容器外壳是否完好,无明显损坏或者变形。
- 检查电容器引线是否齐全,无断裂或者松动现象。
- 检查电容器标识是否清晰可辨。
2. 容量检验:- 将电容器连接到电容器检验仪。
- 设置合适的电压和频率。
- 测量电容器的容量,并记录在记录表格中。
- 检查测量结果是否符合规定的容量范围。
3. 电压耐受检验:- 将电容器连接到直流电源和电压表。
- 逐渐增加电压,直到达到规定的电压值。
- 检查电容器是否能够正常工作,并记录在记录表格中。
- 检查电容器在规定电压下的泄漏电流是否符合要求。
4. 温度特性检验:- 将电容器置于规定的温度环境中。
- 使用温度计测量电容器的温度。
- 测量电容器的容量,并记录在记录表格中。
- 检查电容器在不同温度下的容量变化是否符合要求。
5. 其他特性检验:- 根据需要,进行其他特性的检验,如频率特性、损耗角正切等。
四、检验结果评定1. 根据检验结果,对电容器进行评定:- 合格:电容器在各项检验指标下均符合要求。
- 不合格:电容器在任何一项检验指标下不符合要求。
2. 记录检验结果:- 将检验结果记录在记录表格中。
- 包括电容器的型号、序列号、检验日期、检验员等信息。
五、检验报告1. 检验报告应包括以下内容:- 检验对象的基本信息和标识。
- 检验的目的和方法。
- 检验结果和评定。
- 检验过程中发现的问题和解决方法。
- 检验员的签名和日期。
2. 检验报告应保存并备查。
电容器检验作业指导书一、引言本作业指导书旨在提供电容器检验的详细步骤和要求,以确保电容器的质量和性能符合相关标准和规范。
本指导书适合于各类电容器的检验,包括固定电容器、可变电容器和电解电容器等。
二、检验准备1. 检验设备和工具准备- 万用表:用于测量电容器的电容值和漏电流等参数。
- 直流电源:用于对电容器进行电压加电和放电操作。
- 外观检查工具:如放大镜、显微镜等,用于检查电容器的外观是否有损坏、变形或者污染等。
- 温度计:用于检测电容器的工作温度。
- 其他辅助工具:如螺丝刀、扳手等,用于拆装电容器。
2. 检验环境准备- 温度:检验环境温度应符合相关标准要求。
- 湿度:检验环境湿度应符合相关标准要求。
- 电源:确保检验设备的电源供应稳定。
三、检验步骤1. 外观检查- 使用外观检查工具子细检查电容器的外观,包括外壳、引线、标识等是否完好无损。
- 检查电容器是否有变形、裂纹、污染等情况。
- 检查电容器的引线是否坚固,焊接是否良好。
2. 电容值测量- 将电容器与万用表连接,选择电容量测量档位。
- 按照电容器的极性正确连接,确保连接稳定。
- 测量并记录电容器的电容值,确保其符合规定的标准范围。
3. 漏电流测量- 将电容器与万用表连接,选择漏电流测量档位。
- 按照电容器的极性正确连接,确保连接稳定。
- 测量并记录电容器的漏电流值,确保其符合规定的标准范围。
4. 绝缘电阻测量- 将电容器与万用表连接,选择电阻测量档位。
- 按照电容器的极性正确连接,确保连接稳定。
- 测量并记录电容器的绝缘电阻值,确保其符合规定的标准范围。
5. 电压加电和放电测试- 使用直流电源对电容器进行电压加电测试,确保其能够承受规定的工作电压。
- 使用直流电源对电容器进行放电测试,确保其能够正常放电并恢复到初始状态。
6. 温度测试- 将电容器置于规定的工作温度环境中,使用温度计测量并记录其工作温度。
- 确保电容器在规定的工作温度下能够正常工作。
5.4 按“SERIES"(串联)与“PARALLEL”(并联)选择测试的连接方式,小电容(10μF以下)要用并联模式,大电容(10μF及以上)用串联模式。
5.5 设置完成后将电桥测试端口(“LOW”与“HIGH”)连接到电容两端,用标签纸分别记下其在显示屏上的容量值与损耗值.并将标签纸贴到相应的电容上,以便后续分析。
6 纹波电压测试6.1 按下图连接电路,将待测电容接至可调直流电源(注意正负极不要接反),示波器探头正极串联一个无感电容(1μF 1200V。
DC)至待测电容的正极.6.2 对示波器的设置,要先将其设置为直流测试档位,且示波器电压微调旋钮要锁死。
6.3 在测试过程中,要用调压器将直流电压慢慢调高到额定电压,且要密切关注示波器显示的变化,选择正确的量程,保证能从示波器波形上准确读出电压的大小.6.4 用相机拍下纹波波形,且用标签纸记录示波器的量程与格数(即计算出纹波电压)并将其贴到相应的电容之上,以备后续分析比较之用。
6。
5 记录完毕后,断开直流电源,将待测电容和无感电容用灯泡负载进行放电后,将待测电容拆下测试台。
7 漏电流的测试7.1 间接测量方法按照下图接线.将待测电容串连一个1K的电阻,接至直流可调电源。
用示波器探头接至电阻两端,通过采样电阻两端的电压信号,间接算出待测电容的漏电流。
操作要领及注意事项:电路接好后,将直流可调电源调至电容的额定电压,待电路平衡两分钟后,读取电阻两端的电压值.读示波器时,电压微调旋钮应锁死,记录电压波形的最大值作为电压值,除以电阻值即得到漏电流的值;调节直流电源时,应缓慢调节(约150V/分钟),避免因充电时电流过大而烧坏电阻;试验结束后应将电容放电后再取下,避免出现事故。
7。
2 直接测量方法按下图接线,在电容与直流电源之间外加串联一空气开关,先将S1和S2分别闭合,调节调压器至额定电压给电容充电两分钟。
之后将S1和S2均断开,此时可调电源处在额定值不要动。
5.4 按“SERIES”(串联)与“PARALLEL”(并联)选择测试的连接方式,小电容(10μF以下)要用并联模式,大电容(10μF及以上)用串联模式。
5.5 设置完成后将电桥测试端口(“LOW”与“HIGH”)连接到电容两端,用标签纸分别记下其在显示屏上的容量值与损耗值。
并将标签纸贴到相应的电容上,以便后续分析。
6 纹波电压测试6.1 按下图连接电路,将待测电容接至可调直流电源(注意正负极不要接反),示波器探头正极串联一个无感电容(1μF 1200V.DC)至待测电容的正极。
6.2 对示波器的设置,要先将其设置为直流测试档位,且示波器电压微调旋钮要锁死。
6.3 在测试过程中,要用调压器将直流电压慢慢调高到额定电压,且要密切关注示波器显示的变化,选择正确的量程,保证能从示波器波形上准确读出电压的大小。
6.4 用相机拍下纹波波形,且用标签纸记录示波器的量程与格数(即计算出纹波电压)并将其贴到相应的电容之上,以备后续分析比较之用。
6.5 记录完毕后,断开直流电源,将待测电容和无感电容用灯泡负载进行放电后,将待测电容拆下测试台。
7 漏电流的测试7.1 间接测量方法按照下图接线。
将待测电容串连一个1K的电阻,接至直流可调电源。
用示波器探头接至电阻两端,通过采样电阻两端的电压信号,间接算出待测电容的漏电流。
操作要领及注意事项:电路接好后,将直流可调电源调至电容的额定电压,待电路平衡两分钟后,读取电阻两端的电压值。
读示波器时,电压微调旋钮应锁死,记录电压波形的最大值作为电压值,除以电阻值即得到漏电流的值;调节直流电源时,应缓慢调节(约150V/分钟),避免因充电时电流过大而烧坏电阻;试验结束后应将电容放电后再取下,避免出现事故。
7.2 直接测量方法按下图接线,在电容与直流电源之间外加串联一空气开关,先将S1和S2分别闭合,调节调压器至额定电压给电容充电两分钟。
之后将S1和S2均断开,此时可调电源处在额定值不要动。
电容器检验作业指导书一、引言本作业指导书旨在对电容器的检验工作进行详细的说明和指导,确保检验工作的准确性和可靠性。
本指导书适用于各类电容器的检验,包括但不限于固体电解电容器、薄膜电容器等。
二、检验准备1. 工具准备- 万用表:用于测量电容器的电容值。
- 电容器测试仪:用于对电容器进行更加精确的测试。
- 绝缘电阻测试仪:用于检测电容器的绝缘电阻。
- 温度计:用于测量电容器的温度。
- 直流电源:用于给电容器提供稳定的电源。
- 示波器:用于观察电容器的波形。
- 外观检查工具:用于检查电容器的外观是否完好。
- 其他辅助工具:如电线、夹具等。
2. 环境准备- 检验室应保持干燥、清洁,并具备良好的通风条件。
- 检验室应具备稳定的温度和湿度环境,以确保检验结果的准确性。
三、检验流程1. 外观检查- 检查电容器外壳是否完好,是否存在变形、裂纹等损坏情况。
- 检查电容器引线是否完好,是否存在松动、断裂等情况。
- 检查电容器标识是否清晰可见,包括电容值、电压等参数。
2. 电容值检验- 使用万用表测量电容器的电容值。
将电容器的两个引线分别连接到万用表的正负极,并记录测量结果。
- 对于大容量电容器或要求更高精度的电容器,可以使用电容器测试仪进行测量。
按照仪器操作说明进行操作,并记录测量结果。
3. 绝缘电阻检验- 使用绝缘电阻测试仪对电容器进行绝缘电阻检测。
将电容器的两个引线分别连接到测试仪的正负极,并按照仪器操作说明进行测试。
- 记录绝缘电阻检测结果,并与规定的标准值进行比较。
4. 温度特性检验- 使用温度计测量电容器的温度。
将温度计接触到电容器的外壳上,并记录测量结果。
- 将电容器放置在规定的温度环境中,记录电容器的电容值随温度变化的情况。
- 根据测量结果,判断电容器的温度特性是否符合要求。
5. 波形检验- 使用直流电源和示波器对电容器进行波形检验。
将电容器连接到直流电源和示波器上,并按照仪器操作说明进行测试。
- 观察电容器的充放电波形,判断波形是否正常、稳定。
电容器检验作业指导书一、引言本作业指导书旨在提供电容器检验的详细步骤和操作规范,以确保电容器的质量和性能符合相关标准和要求。
本指导书适用于各类电容器的检验工作,包括但不限于固体电解电容器、膜式电容器等。
二、检验准备1. 检验设备准备1.1 检验仪器:万用表、电容表、电阻表等。
1.2 检验设备:检验工作台、电源供应器等。
1.3 校准证书:确保检验设备的准确性和可靠性。
2. 检验环境准备2.1 温湿度:确保检验环境温度在20℃±5℃,相对湿度在40%~60%之间。
2.2 静电防护:确保检验环境无静电干扰,使用防静电设备和工作服。
三、检验步骤1. 外观检验1.1 检查电容器外壳是否完整,无明显损伤或变形。
1.2 检查电容器引线是否齐全、无断裂或虚焊现象。
1.3 检查电容器标识是否清晰、准确,包括型号、容量、电压等信息。
2. 电性能检验2.1 静态电容检验使用电容表测量电容器的静态电容值,确保其符合规定的容量范围。
2.2 电压耐受能力检验2.2.1 设置电源供应器输出电压为规定的电压值。
2.2.2 将电容器连接至电源供应器,通过电阻表检测电容器的泄漏电流。
2.2.3 确保电容器在规定的电压下,泄漏电流符合规定的范围。
2.3 交流电容损耗检验使用万用表测量电容器在规定频率下的交流电容损耗,确保其符合规定的范围。
3. 环境适应性检验3.1 温度适应性检验3.1.1 将电容器置于规定的温度环境中,如高温或低温。
3.1.2 测量电容器在不同温度下的电容值变化,确保其符合规定的范围。
3.2 湿度适应性检验3.2.1 将电容器置于规定的湿度环境中,如高湿度或低湿度。
3.2.2 测量电容器在不同湿度下的电容值变化,确保其符合规定的范围。
四、记录与报告1. 记录检验结果1.1 按照规定的表格或文件记录每个电容器的检验结果。
1.2 包括电容器的型号、容量、电压、外观检验结果、电性能检验结果等。
2. 编写检验报告2.1 汇总所有电容器的检验结果,编写检验报告。
电容器检验作业指导书一、任务背景与目的电容器是一种常见的电子元件,用于储存和释放电能。
为了确保电容器的质量和性能符合要求,需要进行检验。
本作业指导书旨在提供电容器检验的详细步骤和要求,以确保检验过程的准确性和一致性。
二、检验对象本次检验的对象是XX型电容器,容量为X Farad,额定电压为X Volt。
三、检验设备和工具1. 电容器测试仪:用于测量电容器的容量和电压。
2. 多用表:用于测量电容器的电阻和电压。
3. 直流电源:用于给电容器充电和放电。
4. 温度计:用于测量环境温度。
四、检验步骤1. 准备工作a) 确保检验设备和工具的准确性和可靠性,进行校准和维护。
b) 将电容器测试仪和多用表连接到电源,并确保连接正确。
c) 将电容器放置在稳定的工作台上,远离任何可能引起干扰的设备或者物品。
2. 外观检验a) 检查电容器外壳是否完好无损,无明显变形或者裂纹。
b) 检查电容器引线是否坚固,无断裂或者松动现象。
c) 检查电容器标识是否清晰可读,无含糊或者磨损。
3. 容量测量a) 将电容器测试仪的测试夹具连接到电容器的引线上,确保连接坚固。
b) 打开电容器测试仪,并选择容量测量功能。
c) 按照电容器的额定电压设置电容器测试仪的电压范围。
d) 按下开始测量按钮,等待测量结果显示。
e) 记录测量结果,并与电容器的额定容量进行比较,判断是否合格。
4. 电压测量a) 将多用表的正负极分别连接到电容器的引线上,确保连接坚固。
b) 将多用表的旋钮选择到电压测量档位。
c) 打开直流电源,并将电压调节到电容器的额定电压。
d) 读取多用表上显示的电压值,并与电容器的额定电压进行比较,判断是否合格。
5. 绝缘电阻测量a) 将电容器的引线断开,确保电容器处于放电状态。
b) 将多用表的正负极分别连接到电容器的引线上,确保连接坚固。
c) 将多用表的旋钮选择到电阻测量档位。
d) 读取多用表上显示的电阻值,并与电容器的额定电阻进行比较,判断是否合格。
1.电解电容测试项目1.1电解电容值测试2.测试内容2.1电解电容测试2.1.1参照标准:GJB360A-96 电子及电气元件试验方法。
2.1.2使用设备名称/型号 :晶体管测试仪型号 :JL295-3;2.1.3电解电容反向击穿电压值测试方法 :容量仪器极性插孔 VBR/10V 挡位1)操作方法:以1μF/50V 电解电容值为例:基准温度:+25℃,计划采用晶体管测试仪VBR/10V 挡,第一步将电解电容正极插入仪器C 孔内,第二步把电解电容负极插入仪器E 孔内,第三步按下仪器VBR/10V 挡这时仪表指针即显示出电解电容反向击穿电压值,一般1μF/50V 电解电容反向击穿电压值约在70-90V ,不同生产厂家的电解电容反向击穿电压值高低均不一样,总之电解电容反向击穿电压只要大于50V 电解电容值即为合格。
2.1.4电解电容值测试方法 :/放电按钮夹具“负极”插孔夹具“正极”插孔 A )电感电容测试仪型号 : DY6243。
B )参照标准:GJB360A-96 电子及电气元件试验方法:C )操作方法:以1μF/50V 电解电容值为例:基准温度:+25℃,计划采用电感电容测试仪2μF 挡, 第一步将电解电容正极接入仪器红夹上,第二步把电解电容负极接入仪器黑夹上,这时仪器液晶显示屏上即显示出电解电容值,根据电解电容值对照国家标准误差范围±20%,是否符合电解电容1μF 容值在误差内即为合格品。
2.1.5电解电容漏电流测试方法:1)漏电流测试仪型号 :TH2685C ;2)参照标准:GJB360A-96 电子及电气元件试验方法:3)以1μF/50V 电解电容值为例来测量其漏电流值,基准温度:+25℃;4)如何计算1μF/50V 电解电容漏电流值:计算公式:1μF 电容值×电容耐压值50V ×系数0.03=1.5μA 漏电流值,(其它容值大小不同电解电容参照以上公式选取);5) 操作方法:第一步将仪器电源开关“红色键”按下,表示仪器已按通220V 交流电源,仪器已启动;第二步设置仪器对电容的充电电压范围:在“电压调节”方框内,按下200V键钮;第三步将“电压调节旋钮”朝顺时针方向旋转,视电压显示屏变化,将其电压调节器到50V;第四步设置仪器对电容的充电时间:将时间继电器“时控键钮”按下,接着将时间继电器拨码,键设置在0.8S;第五步设置仪器漏电流范围键:10μA键钮,原待测电容1μF/50V经过漏电流计算是1.5μA值,键合理;第六步设置仪器表头上漏电流范围键:请在“电流置限”方框内,按下键钮,顺时针调节电流旋钮,视电流表头上电流指针指示,将电流指针调在1.5μA值处,再按按下ON键钮,表示退回电流键设置完毕,下面开始进入电解电容漏电流待测试状态了;第七步:按下“放电”键 ON,表示将仪器设置在暂停状态;第八步:将电解电容插入测试夹具中,注意:电解电容正极插入红色夹中,电解电容负极插入黑色夹具中;第九步:再次按回“放电”键 ON ,仪器启动工作,这时仪器“时间继电器:从8秒倒计时工作向电解电容充电,待充电结束后请读仪表上漏电流数据值;第九步:再次按下“放电”键 ON ,这时表示给夹具上电解电容短路放电,然后才能取下夹具上的测试电容。
电容器检验作业指导书一、背景介绍电容器是一种用来储存和释放电能的装置,广泛应用于各个领域。
为了确保电容器的质量和性能,进行电容器的检验是非常重要的。
本作业指导书旨在提供一套标准的操作流程和要求,以确保电容器的检验工作能够准确、高效地进行。
二、检验准备1. 工具准备:检验电容器所需的工具包括电容器测试仪、万用表、电源、接地导线等。
2. 环境准备:确保检验场所的安全与整洁,以及电源的稳定供应。
3. 检验人员准备:检验人员应熟悉电容器的基本知识,并具备一定的电气安全意识和操作技能。
三、检验流程1. 安全检查:检验人员首先需要检查电容器及其周围环境是否存在安全隐患,如漏电、短路等情况,并采取必要的措施消除隐患。
2. 连接电源:将电容器正确连接到电源,并确保电源的电压和频率与电容器的额定值相匹配。
3. 测试电容器的电容值:使用电容器测试仪,按照其操作说明书的要求,对电容器进行电容值的测试,并记录测试结果。
4. 测试电容器的电阻值:使用万用表,在适当的电压条件下,测量电容器的电阻值,并记录测试结果。
5. 检查电容器的外观:仔细检查电容器外壳的表面是否存在损坏、变形或漏液等情况,并记录检查结果。
6. 检查电容器的引线和连接器:检查电容器的引线和连接器是否完好无损,并确保连接稳固可靠。
7. 检查电容器的标识:检查电容器上的标识是否清晰可读,包括电容值、电压等参数,并记录检查结果。
8. 清洁和维护:检验结束后,对电容器进行清洁,并进行必要的维护保养,以延长其使用寿命。
四、记录和报告1. 记录:在检验过程中,应及时记录每一项的检验结果和相关数据,包括电容值、电阻值、外观检查结果等。
2. 报告:根据检验记录,编写电容器检验报告,详细描述电容器的检验情况和结果,包括电容器的型号、规格、检验日期等信息,并提出必要的建议和改进措施。
五、安全注意事项1. 在进行电容器检验时,务必遵守相关的电气安全操作规范,确保自身和他人的安全。
1目的
为了规范电解电容器来料检验及抽样计划,并促进来料质量的提高,特制定该检验规范。
2适用范围
适用于IQC对电解电容器来料的检验。
3准备设备、工具:
4外观物理检测
4.1首先需检查待测电容是否有正规的《产品规格说明书》,其中需包括产品名称、规格型号、安装尺寸、工艺要求、技术参数以及供应商名称、地址及其联系方式,以确保此批次产品是由正规厂商提供。
电容器上的标识应包括:商标、工作电压、标准静电容量、极性、工作温度范围。
4.2参考《产品规格说明书》的工艺参数,观察电容的外观、颜色、及其材质等参数是否与其所标注的工艺指标一致。
4.3用游标卡尺对电容的安装尺寸进行确认,确保电容的直径、高度以及引岀端的直径与间距等参数在产品工艺的误差范围之内,且外观尺寸要符合本公司选用要求。
4.4检查电容的外观,确保其外观整洁、无明显的变形、破损、裂纹、花斑、污浊、锈蚀等不良状况;
且其标识清晰牢固、正确完整。
4.5检查其引岀端子,保证其端子端正、无氧化、无锈蚀、无影响其导电性能等状况,且引岀端子无扭曲、变形和影响插拔的机械损伤。
4.6检查电解电容标注的生产日期不应超过半年,并作好记录。
5容量与损耗测试
5.1用电桥测试其实际容量与标称容量是否一致(电解电容一般会有±20%勺误差范围),其损耗角
正切值tan 9 (即D值)大小是否符合国家标准(电解电容器tan 9 0.25 )。
5.2对Zen tech电桥测试仪的使用方法:正确连接电源以后,按POWE!键开启测试仪的工作电压;
按LCR键选择测试类型(L:电感,C:电容,R:电阻)。
5.3按UP'与DOWN!选择测试量程(疗、nF、pF),按FREQ键选择测试频率(100HZ 120HZ 1KHZ,可根据厂商提供的技术参数来选择所需的测试频率,本试验选择100HZ'。
5.4按SERIES'(串联)与PARALLEL (并联)选择测试的连接方式,小电容(
10 gF 以下)要用并联
模式,大电容(10 gF 及以上)用串联模式。
5.5设置完成后将电桥测试端口( LOW 与HIGH')连接到电容两端,用标签纸分别记下其在显示屏上
的容量值与损耗值。
并将标签纸贴到相应的电容上,以便后续分析。
6纹波电压测试
6.1按下图连接电路,将待测电容接至可调直流电源(注意正负极不要接反),示波器探头正极串联 一个无感电容(1
g F 1200V.DC )至待测电容的正极。
C2
6.2对示波器的设置,要先将其设置为直流测试档位,且示波器电压微调旋钮要锁死。
6.3在测试过程中,要用调压器将直流电压慢慢调高到额定电压,且要密切关注示波器显示的变化, 选择正确的量程,保
证能从示波器波形上准确读岀电压的大小。
6.4用相机拍下纹波波形,且用标签纸记录示波器的量程与格数(即计算出纹波电压)并将其贴到相 应的电容之上,以备
后续分析比较之用。
记录完毕后,断开直流电源,将待测电容和无感电容用灯泡负载进行放电后,将待测电容拆下测 试台。
漏电流的测试
间接测量方法
按照下图接线。
将待测电容串连一个
1K 的电阻,接至直流可调电源。
用示波器探头接至电阻两端,通
过采样电阻两端的电压信号,间接算岀待测电容的漏电流。
操作要领及注意事项:电路接好后,将直流可调电源调至电容的额定电压,待电路平衡两分钟后,读 取电阻两端的电压值。
读示波器时,电压微调旋钮应锁死,记录电压波形的最大值作为电压值,除以电阻 值即得到漏电流的值;调节直流电源时,应缓慢调节(约 150V/分钟),避免因充电时电流过大而烧坏电 阻;试验结束后应将电容放电后再取下,避免岀现事故。
7.2直接测量方法
按下图接线,在电容与直流电源之间外加串联一空气开关,先将 S1和S2分别闭合,调节调压器至额
定电压给电容充电两分钟。
S1
无感电容
示波暑探牡检测
6.5
7.1 1O
S1
-0 ---------
直流可
I
oX-
1K
L
特测赳容
之后将S1和S2均断开,此时可调电源处在额定值不要动。
在S1和S2之间加一个毫安表,如下图所
示,将S1和S2均闭合,稳定一分钟后通过毫安表直接读岀漏电流的大小。
82
-0 _____ oX_(懾石—
直渝*谓电壽1---------------------- 1
7.3注意事项
切忌不可在未给电容充电时直接将毫安表串联到线路中,因开始充电电流较大,稍不慎会将毫安表烧坏。
在拆卸过程中,首先要先用灯泡负载给电容放电,在放电时要先将毫安表拆下,并且要保证放电电流
不通过测试电阻,以防将测试电阻与毫安表损坏。
7.4 1.2Un下的漏电流
将直流电压调至电解电容额定电压的 1.2倍,再次测量其漏电流并将不同的样品进行对比。
8防爆试验
8.1直流测试
将待测电容施加反向直流电压,慢慢调整可调直流电压,同时用钳流表密切观察电流大小,直流电源的设定一般不超过30V,根据电容器的尺寸设定电流值如下:
6mmP电容直径<22.4mm时,电流不能超过1A;电容直径>22.4mm时,电流不能超过10A。
8.2实验过程中用温度计密切观察电容表面温度(可将温度计的感应触头用胶带缠在电容上),注意刚开始电流很小几乎为零,当电容温度升高时(约35〜40C),电流明显增大,此时应密切观察,电流达
到或接近10A时,应将电压调低保证电流控制在10A以内。
8.3试验开始后30分钟之内,电容器保险阀应打开。
若电容保险阀打开,应立即切断电源(350V 6800 pF 的电解电容在以下条件下会自动打开:电流约8A,表面温度约45〜60C),如果电流接近10A且经过30
分钟之后保险阀仍未打开,则此项功能缺失。
9温度试验
9.1电容的容量
会因为环境温度的不同而改变,一般情况下,容量会因温度升高而增大。
温度试验就是在设定的温度之下经过平衡之后测试电容容量的变化。
9.2高温试验
分别接两条小线至待测电容的引岀端子,先在常温下测试两条引线端的容量并标明标号做记录,然后将电容放进高低温交变湿热试验箱,引线留在试验箱外面以便测试电容容量。
打开试验箱开关按钮,点击屏幕中温度设置”,将温度设置为100C,点击运行”,试验箱开始工作。
待温度达到100 C后约2小时再次测试容量,算岀容量的变化百分比(差值♦最初测量值)。
实验中可将不同品牌的电容放进试验箱中一同测试以节省时间。
9.3低温试验
将待测电容放进试验箱(注意不要使用经高温测试过的电容,特殊需求除外)。
打开试验箱开关按钮,
点击屏幕中温度设置”,将温度设置为-25 'C,点击运行”,试验箱开始工作。
待温度达到-25 'C后约2小时再次测试容量,算岀容量的变化百分比(差值♦最初测量值)。
9.4注意事项
试验中应密切关注电容有无明显变化,如果岀现电容表面开裂、保险阀打开等严重状况,则应使试验箱立即停止工作,试验中应严格按照试验箱的操作规程操作,不可随意打开试验箱门,高温试验结束后,待试验箱内部温度降下来之后再将电容取岀,避免烫伤等事故发生。
10同机对比测试
10.1同机对比测试是通过对同台机器,相同安装位置,相同型号,但不同厂商的电容进行的测试,通过用示波器对其纹波的对比检测,可以直观的分析出电容性能的优良。
10.2此处可以用一台CHP3030的机器为例,先用示波器记录其空载时电解电容的纹波波形(示波器探头侧要加无感电容进行隔离),然后带载50%〜100%寸其纹波波形并记录模块温度,开始十五分钟内每隔三
分钟记录一下IGBT三相的模块温度,而后每十分钟记录一次IGBT温度,持续测试记录120分钟左右。
10.3而后将上述位置电容用不同厂商的电容分别逐次进行替换,用示波器记录其电容两端的波形并记
录模块温度,并将各项温度绘制成温度曲线,不同厂商间进行对比分析。
10.4此项测试过程中要保证安全
操作,特别是对电解电容,拆卸时务必用灯泡负载对其进行放电,确保无安全隐患的岀现。
11同型号UPS对比测试
11.1同型号UPS对比测试,即是用两台相同型号的UPS机器,相同位置安装不同厂商提供的电容进行的对比测试。
11.2两台CHP3030KV安装好电解电容后,测量其空载纹波电压和带载50%〜100后的纹波,并记录两
台机器的模块温度,进行对比。
11.3测试中示波器的两个探头应设置在相同倍率、相同档位。
测试完成后,需将机器还原,在拆卸电解电容的之前必须先用灯泡负载对其进行放电处理,而后将所测得数据与纹波波形进行分析处理,并将各项温度绘制成温度曲线,不同厂商间进行对比分析。
12电容的综合性能判断
将以上测试数据,同类别、同型号、不同厂商的电容从测算容量、容量误差(越小越好)、损耗(越小越好)、温升、纹波电压(越小越好)等全方位、多角度的综合性分析,以确定此电容性能指标的优良。
13处理和标示方法
经抽样检查、判定为合格的整批接收;但在检验中发现的不合格品,应及时做好不合格品标识,作隔离并通知供应商退货处理。
欢迎您的下载,
资料仅供参考!
致力为企业和个人提供合同协议,策划案计划书,学习资料等等
打造全网一站式需求。