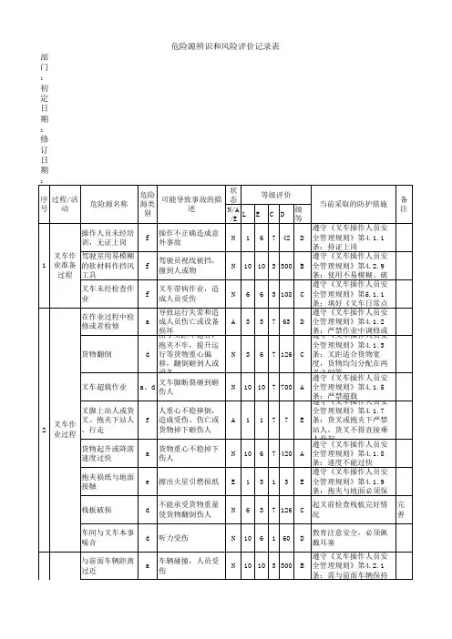
叉车岗位危险源辨识与风险点评价表
- 格式:doc
- 大小:53.00 KB
- 文档页数:3
阳鸿叉车作业岗位操作程序生产过程工作危害剖析
部门名称:操作部填表日期:
危害
工作步骤
(人、物、作业环境、管理)
人员检查驾驶人员能否拥有效证件
作业前
检查
设施检查启动前检查刹车、油门、液压系统、轮胎胎压
启动时叉车前后有人、有物,发生碰撞
超速行驶或违规行驶引起事故,行驶过程叉车不得带行驶
人,转弯时人员跌落
作业
叉的地点不对,叉起时引起物料倾翻,叉车上涨后叉叉物品
齿下方站人,液压系统失灵压人。
叉车载物行驶碰到坡度,不按程序倒车下坡,引起翻上下坡
车、翻物
作业结
束应将铲车制动,降下起落机,停熄发动
主要结果
其余事故
机械损害
其余事故
机械损害
机械损害
机械损害
人身损害或致使其余事
故
人身损害、财富损失
其余事故
现有安全
控制举措
特种人员作业证制度安
环部检查审察作业人员
持证
每个月一次对叉车进
行检查(月检表)
岗位操作程序巡
回检查,未按操作程
序作业处分款
持证上岗
安全警告牌
巡回检查,未按操作
程序作业处分款
持证上岗
安全培训
巡回检查,未按操作
程序作业处分款
持证上岗、安全培训
安全处分条例
危害发生危害结果风险度能否高
可能性 /L 严重性 /S R=L×S风险
133否
否
133
326
否
144否
248否
144否
同意:审察:制表:苏希春
阳鸿石化。
叉车危险源辨识及风险评价表背景在工业生产过程中,叉车作为一种重要的运输工具和设备,扮演着关键的角色。
然而,使用叉车也引起了一些潜在的风险和安全隐患。
为了保证生产安全,需要对叉车相关的危险源进行辨识和风险评价。
危险源辨识在使用叉车的过程中,可能存在以下危险源:1. 着火由于操作不当、机械故障等原因,叉车可能会发生着火事故。
2. 碰撞在叉车运输的过程中,可能会发生与人、物的碰撞事故,导致人员伤亡和设备损坏。
3. 坠落叉车会因为操作不当或机械故障导致坠落事故发生。
4. 投掷或喷出叉车可能会因为货物处理不当,导致货物投掷或喷出事故的发生。
风险评价针对上述危险源,可以进行风险评价以确定合适的控制措施。
风险评价的步骤如下:1. 确定危险源针对使用叉车的生产过程,以及已知的叉车相关事故,确定危险源。
2. 确定可能的后果对于每个危险源,确定可能的后果,包括人员伤亡、设备损坏、生产中断等。
3. 评估风险严重度使用风险矩阵或类似的评估方法,将危险源和后果组合在一起,确定每种情况的风险严重程度。
4. 确定控制措施对于风险严重的危险源,确定适当的控制措施,例如修改工艺流程、加装安全设备、提高员工培训等。
5. 重新评估风险对于采取了控制措施的危险源,重新评估风险的严重程度,以确定控制措施是否有效。
结论叉车危险源的辨识和风险评价是保障生产安全的一项基本工作。
通过对可能的危险源进行辨识、对后果进行评估并确定风险严重程度,能够有效地控制叉车在生产过程中的安全风险。
这项工作需要全员参与,建立科学的制度,并对员工进行安全教育和培训,从而确保生产环境的安全和稳定。
叉车作业风险辨识表叉车作业是现代物流行业中不可或缺的一环,但是叉车作业也存在一定的风险。
为了提高叉车作业安全性,必须对叉车作业可能存在的风险进行辨识和控制。
下面是叉车作业风险辨识表。
风险因素1:叉车操作人员一、操作人员没有经过专业培训二、操作人员未获得操作叉车的资格三、操作人员缺乏足够的经验和技能四、操作人员年龄过大或健康状况较差五、操作人员在作业中急躁、鲁莽或精神状态不佳风险因素2:叉车一、叉车未按规定使用或没有定期保养二、叉车悬臂部位磨损过多或变形三、叉车的制动系统故障或不灵敏四、叉车重心不稳或载重能力不足五、叉车马达或引擎故障风险因素3:作业环境一、作业场地不平整,有障碍物二、作业环境光线不足或噪音过大三、叉车和其他车辆共同行驶,存在交通事故的风险四、危险品等特殊物品有可能遇到突发情况五、其他人员工作区域与叉车通行路线相近风险因素4:货物一、货物大小、重量超过了叉车的最大载重二、货物未固定好,不稳定三、货物体积过大,超过了叉车的运输范围四、货物中有尖锐的物品或者有可燃物品五、货物装载方式不符合规范风险因素5:管理控制一、缺乏足够的安全规定和控制措施二、对于违反安全规定的人员没有惩罚制度三、管理责任不明确或者职责不到位四、逾期未对叉车和场地进行维护保养五、未进行安全评估或评估内容不全面为了保障叉车作业安全性,必须对可能存在的风险进行全面的辨识和控制。
在辨识风险因素后,必须建立相应的制度、流程和标准,进行有效的控制和监督。
此外,对叉车操作人员进行专业培训和考核也是非常必要的,只有通过科学的管理和规范的操作才能保障叉车作业的安全性。
欧阳数创编
欧阳数创编 安全风险预控管理危险源辨识表
部门
设备库 岗位 叉车司机
主要危险源:
1、操作人员未经培训,无证上岗;
2、车辆的技术状况不良,带病作业;
3、货物不均匀分配在两叉之间、超载
4、叉重物正向下坡
易发生事故:
1、撞人或物
2、损坏设备
防范措施:
1、车辆在使用过程中,要定期进行维护保养,以使车辆始终保持良好的工作状态。
2、车辆的制动器,转向器,喇叭,灯光,后视镜必须保持齐全有效,行驶途中,如发生故障,应立即停车修复后方准继续行驶。
3、驾驶员必须经劳动部门考核,并取得驾驶证,方准驾驶车辆,取得驾驶证的驾驶员在实际工作中,还要不断学习提高驾驶技能。
4、驾驶员应熟悉自己所学驾驶车辆的性能和技术状况,并能及时发现故障,及时排除。
5、驾驶员应遵守运输安全规则,不超速,不超载,不开带病车。
6
、不得驾驶无牌照车辆。
安全风险预控管理危险源辨识
表
设备库岗位叉车司机
部门
主要危险源:
1、操作人员未经培训,无证上岗;
2、车辆的技术状况不良,带病作业;
3、货物不均匀分配在两叉之间、超载
4、叉重物正向下坡
易发生事故:
1、撞人或物
2、损坏设备
防范措施:
1、车辆在使用过程中,要定期进行维护保养,以使车辆始终保持良好的工作状态。
2、车辆的制动器,转向器,喇叭,灯光,后视镜必须保持齐全有效,行驶途中,如发生故障,应立即停车修复后方准继续行驶。
3、驾驶员必须经劳动部门考核,并取得驾驶证,方准驾驶车辆,取得驾驶证的驾驶员在实际工作中,还要不断学习提高驾驶技能。
4、驾驶员应熟悉自己所学驾驶车辆的性能和技术状况,并能及时发现故障,及时排除。
5、驾驶员应遵守运输安全规则,不超速,不超载,不开带病车。
6、不得驾驶无牌照车辆。