民用运输机场公共广播系统检测规范MH∕T 5038-2019
- 格式:pdf
- 大小:553.82 KB
- 文档页数:47
公共应急广播及扩声系统系统试运行时间1个月以上,方可进行验收检测。
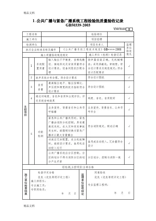
一、检测项目1、性能指标(1)广播系统音质主观评价。
(2)输出电平、输出信噪比、声压级和频响特性。
2、功能性指标(1)业务宣传、背景音乐和寻呼广播插播功能;(2)系统分层、分区广播功能;(3)紧急广播功能:(4)优先广播权功能;(5)选区广播功能;(6)强制切换功能;(7)消防值班室紧急广播分控台功能;(8)功放冗余配置功能;(9)控制主机、主功放等关键设备后备电源功能;二、检测方法及质量评价广播系统音质主观评价1、主观评价性能良好的扩声系统其主观评价应能达到:低音:150Hz以下应是丰满、柔和而富有弹性;中低音:150Hz~500Hz,应是浑厚有力而不混浊;中高音:500Hz~5000Hz,应是明亮透彻而不生硬;高音:5000Hz以上,应是纤细、圆润而不尖锐刺耳。
2、音质主观评价的条件主观评价专用节目源。
GSBM-6001《主观评价节目源实物标准样品(CD片)》。
按评价规则组成5~7人的评价人员并制定评价统计方法。
系统声特性测量方法广播系统声特性指标和测量方法参考有关部门国家现行标准规范执行。
功能检测及技术要求公共广播系统必须具备以下各项功能和技术要求:1、系统的输入输出不平衡度、音频线的敷设、接地形式及安装质量应符合设计要求,设备之间阻抗匹配合理;最高输出电平、输出信噪比、声压级和频宽的技术指标应符合设计要求;通过对响度、音色和音质的主观评价,评定系统的音响效果;2、播放背景音乐和插播寻呼广播背景音乐的节目一般应设有5套节目可同时放送。
背景音乐服务区的平均声压级要求不高,在60dB~70dB左右,但声场要求均匀,频响为100Hz~6000Hz左右。
可满足不同分区的音乐播放或全区播放功能要求。
由于各服务区内的环境噪声不同,因此要求背景音乐的声压级也应不同,为此在各服务区应设有各自的音量控制器,可供方便调节。
背景音乐中插播寻呼广播时,应设有“叮咚”或“钟声”等提示音,以提醒公众注意.分别对各类呼叫站进行单区呼叫,编程呼叫和群区呼叫,并在相应分区进行监听,观察其结果是否正常。
前言:公共广播系统有关施工与验收的规范,我们一起学习学习!正文:一、公共广播系统工程施工1.1 一般规定1.1.1 公共广播系统工程施工,必须符合国家关于施工安全和劳动保护的规定。
1.1 2 公共广播系统工程施工应具备下列条件:1 设计文件、施工方案、施工进度计划和施工图纸应齐全,并已经过审査和批准。
2 施工区域具备进场条件,应能保证施工安全和用电安全。
3 施工人员应熟识施工图纸及相关资料,电工、焊工必须持证上岗。
1.1.3 新工程的公共广播系统工程施工,应与土建施工协调进行;预埋线管、支撑件,预留孔洞、沟槽及其他预埋件等均应符合设计要求。
1.1.4 施工前应按设计文件要求査勘现场情况,査勘现场应包括下列内容:1 与传输线路有关的道路(包括横跨道路)的情况。
2 允许同杆架设传输线路或同杆架设广播扬声器的杆路及自立杆路的情况。
3 公共广播传输线缆预留管道及允许共用的线缆、管道的情况。
1.1.5 影响公共广播传输线缆及广播扬声器架设的障碍物应提前处理。
1.1.6 公共广播设备安装前应根据设计要求进行检査,并应符合下列规定:1 应按施工设备、材料表对材料进行清点、分类,进场应填写本规范表A.0.1。
2 规格、型号、数量以及3C认证等应符合设计文件及本规范要求。
3 有源部件均应通电检查。
广播功率放大器和广播扬声器性能应符合国家现行有关标准的规定,其实际功能和技术指标应与产品标称相符。
4 进口产品除应符合本规范规定外,尚应提供进口商检证明、配套提供的质量合格证朋及安装、使用、维护说明书等文件资料。
5 对不具备现场检侧条件的产品,可要求工厂出具检测报告。
1.1. 7 公共广播系统软件产品质量检査应包括下列内容:1 商业化软件,应进行使用许可证及使用范围的检查,2 由系统承包商编制的用户应用软件,除进行功能测试外,还应进行容量、可靠性、安全性、可恢复性、兼容性、自诊断等多项功能测试,以及软件的可维护性检査,3 所有自编的、在通用计算机上运行的应用软件应提供完整的文档。
民用机场飞行区技术标准1 范围本标准规定了民用机场飞行区的机场数据、物理特性、障碍物的限制和移除、目视助航设施(包括标志、标志物、助航灯光、标记牌、助航灯光的供电系统和监视与控制系统等)、标示障碍物的目视助航设施等的要求。
本标准适用于陆地民用机场(含军民合用机场的民用部分)飞行区的规划、设计和建设。
本标准不适用于直升机场、短距起降机场和水上机场。
2 术语和定义下列术语和定义适用于本文件。
2.1精确度accuracy估计值或测量值与真值的相符程度。
2.2机场aerodrome在陆地上或水面上划定的区域(包括各种建筑物、装置和设施),其全部或部分可供飞机起飞、着陆和地面活动使用。
2.3机场灯标aerodrome beacon用以从空中辨明机场位置的航空灯标。
2.4机场标高aerodrome elevation机场可用跑道中最高点的标高。
2.5机场识别标记牌aerodrome identification sign为帮助从空中识别机场而设置于机场内的标记牌。
第 1 页机场净空aerodrome obstacle free space为保障飞机起降安全而规定的障碍物限制面以上的空间,用以限制机场及其周围地区障碍物的高度。
2.7机场基准点aerodrome reference point表示机场地理位置的指定点。
2.8机场交通密度aerodrome traffic density——低:每条跑道平均繁忙小时的运行架次不大于15 或平均繁忙小时的机场总运行架次小于20;——中:每条跑道平均繁忙小时的运行架次约为16~25 或平均繁忙小时的机场总运行架次为20~35;——高:每条跑道平均繁忙小时的运行架次约为26 及以上或平均繁忙小时的机场总运行架次大于35。
注1:平均繁忙小时运行架次是全年每天最繁忙小时运行架次的算术平均值。
注2:一次起飞或一次着陆构成一次运行。
2.9航空灯标aeronautical beacon为标示地球表面上某一特定点而设置的、从各个方位均能看见的连续发光或间歇发光的航空地面灯。
技术标准目录(民用机场建设工程行业标准)标准编号标准名称实施日期MH/T5012-2022《民用机场目视助航设施施工质量验收规范》2022-5-1 MH/T5014-2022《民用机场飞行区土石方与道面基(垫)层施工技术规范》2022-5-1 MH/T5005-2021《民用机场飞行区排水工程施工技术规范》2021-7-29 MH/T5050-2021《民用运输机场水泥混凝土道面沥青隔离层技术指南》2021-7-1 MH/T5002-2020《运输机场总体规划规范》2021-2-1 MH5001-2021《民用机场飞行区技术标准》2021-12-1 MH/T5048-2020《人文机场建设指南》2021-1-1 MH/T5042-2020《民用运输机场建筑信息模型应用统一标准》2020-3-1 MH/T5049-2020《四型机场建设导则》2020-12-1 MH/T5011-2019《民用机场沥青道面施工技术规范》2019-9-1 MH/T5041-2019《机场环氧沥青道面设计与施工技术规范》2019-12-1 MH/T5024-2019《民用机场道面评价管理技术规范》2019-11-1 MH/T5017-2017《民用运输机场航站楼安防监控系统工程设计规范》2018-1-1 MH/T5010-2017《民用机场沥青道面设计规范》2018-1-1 MH5007-2017《民用机场飞行区场道工程质量检验评定标准》2017-8-1 MH/T5035-2017《民用机场高填方工程技术规范》2017-5-1 MH5034-2017《民用运输机场供油工程施工及验收规范》2017-3-1 MH5008-2017《民用运输机场供油工程设计规范》2017-3-1 MH/T5033-2017《绿色航站楼标准》2017-2-1 MH/T7003-2017《民用运输机场安全保卫设施》2017-10-1 MH/T5036-2017《民用机场排水设计规范》2017-10-1 MH/T5021-2016《民用运输机场航站楼综合布线系统工程设计规范》2017-1-1 MH/T5003-2016《民用运输机场航站楼时钟系统工程设计规范》2017-1-1 MH/T5020-2016《民用运输机场航站楼公共广播系统工程设计规范》2017-1-1 MH/T5019-2016《民用机场航站楼时钟系统工程设计规范》2017-1-1 MH/T5018-2016《民用运输机场信息集成系统工程设计规范》2016-10-1 MH/T5009-2016《民用运输机场航站楼楼宇自控系统工程设计规范》2016-10-1 MH/T5015-2016《民用运输机场航班信息显示系统工程设计规范》2016-10-1 MH/T5111-2015《特性材料拦阻系统》2016-4-1 MH/T5032-2015《民用运输机场航班信息显示系统检测规范》2016-3-1 MH5006-2015《民用机场水泥混凝土面层施工技术规范》2015-12-1 MH/T5110-2015《民用机场道面现场测试规程》2015-6-1 MH5031-2015《民航专业工程施工监理规范》2015-6-1 MH5029-2014《小型民用运输机场供油工程设计规范》2015-3-1 MH/T5030-2014《通用航空供油工程建设规范》2015-3-1 MH5028-2014《民航专业工程工程量清单计价规范》2014-12-1 MH5013-2014《民用直升机场飞行场地技术标准》2014-8-1 MH/T5027-2013《民用机场岩土工程设计规范》2014-1-1 MH/T5026-2012《通用机场建设规范》2012-6-1 MH/T5025-2011《民用机场勘测规范》2011-5-1 MH/T5004-2010《民用机场水泥混凝土道面设计规范》2010-4-30 MH/T7015-2007《民用航空运输机场飞行区消防设施》2007-12-1。
柚子民航考前每日必背(第七期)
⑦每日必背第七期 / 2022年/10月/15日|T oday
柚子民航考前每日必背
(第七期)
43.航班信息显示系统用户需求调研的内容①旅客流程;②显示要求;③功能需求;④安装工艺要求;⑤运维需求。
44.时钟系统检测的内容①设备安装检查;②设备功能检查;③接口功能检测;④系统管理功能检查。
45.时钟系统接口功能检测的内容①授时接口;②校时接口;③授时响应时间;④校时响应时间。
46.公共广播系统检测范围①音源设备;②控制设备;③功放设备;
④呼叫站;⑤录音设备;⑥扬声器;⑦广播软件系统;⑧服务器及存储系统;⑨接口设备。
47.公共广播系统检测内容①设备安装检查;②设备功能检查;③基本功能检查;④软件功能检测;⑤接口功能检测;⑥系统性能检测;
⑦系统可靠性检测;⑧应急广播系统检查;⑨系统管理功能检查。
48.公共广播系统检测前应具备的条件?检测前完成哪些工作?检测工作宜在基础设施完备、系统工程安装调试完成、与其他系统联调完成、施工工程技术资料齐全和自验资料齐全后开展。
检测前应已完成以下工作:①系统运行所需的机房环境、综合布线、网络等工程已建设完成,系统各类设备供电稳定;②广播软件系统、服务器与存储系统、管理工作站、音源设备、功放设备以及终端播放设备;③已完成安装部署和调试工作;④与相关系统接口完成调试工作并提供联调报告;⑤施工工程技术资料已收集完成;⑥自验资料完整。
49.公共广播系统自验资料的内容自验资料包括系统设备验收检查、线缆敷设、机房环境、隐蔽工程、观感检查和系统调试等相关验收记录。
END。
公共广播系统测试与验收方案(总3页)-CAL-FENGHAI.-(YICAI)-Company One1-CAL-本页仅作为文档封面,使用请直接删除公共广播系统测试与验收方案1、验收依据JC J/T 16-92 民用建筑电气设计规范GBJ45-95 高层民用建筑设计防火规范GB50116-98 火灾自动报警系统施工及验收规范GBJ16-98 火灾自动报警设计规范GB 6510-86《30MHz-1GHz声音和电视信号的电缆分配系统》中声音部分的测试方法和技术参数。
2、系统的试运行一)音源的运行调频机的播放:正常、不正常双卡放音机的播放:正常、不正常激光唱机的播放:正常、不正常二)系统的运行系统分区控制分区的划分与消防分区相一致。
根据消防要求当N区发生火灾时N+1、N-1层均报警。
强切功能运行连接好紧急、业务面板,扩展分区面板、功率放大器等设备,运行从背景音乐状态“强切”到紧急广播状态。
并实现对某些分区或全部分区的广播。
三)供电方式切换系统切换到消防紧急电源系统(直流24V),紧急广播应正常工作。
3、系统扬声器回路的播放连接好各分区的扬声器,通过扬声器进行播放系统。
播放情况见下表。
扬声器回路播放情况记录表:4、验收文档同有线电视系统类似。
工程竣工验收前,施工单位必须向建设单位提交以下图纸资料:工程说明综合系统图线槽、管道布线图设备配置图设备连接系统图设备概要说明书设备器材一览表主观评价表客观测试表施工质量验收记录其它规定的有关文件或图纸。