土方开挖质量检查表
- 格式:doc
- 大小:25.00 KB
- 文档页数:1
(承包[ ] 质报号)合同名称:遵义县浒洋水烟区水源工程第一标段合同编号:HDZ-2014-002-C1 致:贵州江河监理有限公司遵义县浒洋水烟区水源工程监理部(监理机构)我单位已完成了取水口左岸K0+000~K0+125基槽土石方开挖单元工程(及编码),已按合同要求完成施工,经自检合格,报请贵方核验。
附件:1、基槽开挖单元工程质量评定表承包人:衡阳市蒸湘建筑工程公司项目经理:日期:(核验意见)监理机构:监理工程师:日期:说明:本表一式份,由承包人填写。
监理机构审签后,承包人份、监理机构、发包人各1份。
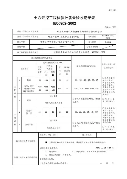
基槽开挖单元工程质量评定表表2 单位工程名称遵义县浒洋水烟区水源工程第一标段单元工程量 m3分部工程名称取水口工程施工单位衡阳市蒸湘建筑工程公司单元工程名称土石方开挖检验日期年月日检验部位取水口左岸K0+000~K0+125项次保证项目质量标准检验记录1 地基清理和处理符合设计要求,建基面内无草皮树根、乱石、坟墓及其他建筑。
泉眼、水井、洞穴已按设计要求处理。
2 取样检验符合设计3 岸坡坡度符合设计4 截水槽(墙)嵌入基础深度及岩面排水符合设计要求5 预留保护层开挖后不及时砌筑或回填时,预留0.2~0.3m的厚保护层6 弃土位置及高度符合设计要求项次允许偏差项目设计值允许偏差(mm)实测值检查点合格点1 2 3 4 5 6 7 8 9 10l基坑长或宽<5m +100,-02 5~10m +150,-03 >10m +200,-04 基坑底部高程-30(-20)5 平整度30(20)检查结果保证项目:允许偏差项目:共检查点,其中合格点,合格率% 评定意见质量等级一般检查项目符合质量标准。
允许偏差项目实测点合格率 %。
施工单位年月日建设(监理)单位年月日注:括号内数字适于小基坑。
(承包[ ] 质报号)合同名称:遵义县浒洋水烟区水源工程第一标段合同编号:HDZ-2014-002-C1 致:贵州江河监理有限公司遵义县浒洋水烟区水源工程监理部(监理机构)我单位已完成了取水口右岸K0+000~K0+125基槽土石方开挖单元工程(及编码),已按合同要求完成施工,经自检合格,报请贵方核验。
土石方开挖工程质量检验评定表工程名称:邛崃市地质灾害工程治理灾后恢复重建项目施工三标段工程部位:1#谷坊坝坝体分项工程名称:土方开挖合同号:所属分部工程名称:1#谷坊坝承包单位:四川省地质工程勘察院监理单位:地矿眉山工程勘察院№:施:土石方开挖工程质量检验评定表工程名称:邛崃市地质灾害工程治理灾后恢复重建项目施工三标段工程部位:1#谷坊坝护坦分项工程名称:土方开挖合同号:所属分部工程名称:1#谷坊坝承包单位:四川省地质工程勘察院监理单位:地矿眉山工程勘察院№:施:土石方开挖工程质量检验评定表工程名称:邛崃市地质灾害工程治理灾后恢复重建项目施工三标段工程部位:2#谷坊坝坝体分项工程名称:土方开挖合同号:所属分部工程名称:2#谷坊坝承包单位:四川省地质工程勘察院监理单位:地矿眉山工程勘察院№:施:土石方开挖工程质量检验评定表工程名称:邛崃市地质灾害工程治理灾后恢复重建项目施工三标段工程部位:2#谷坊坝护坦分项工程名称:土方开挖合同号:所属分部工程名称:2#谷坊坝承包单位:四川省地质工程勘察院监理单位:地矿眉山工程勘察院№:施:土石方开挖工程质量检验评定表工程名称:邛崃市地质灾害工程治理灾后恢复重建项目施工三标段工程部位:3#谷坊坝坝体分项工程名称:土方开挖合同号:所属分部工程名称:3#谷坊坝承包单位:四川省地质工程勘察院监理单位:地矿眉山工程勘察院№:施:土石方开挖工程质量检验评定表工程名称:邛崃市地质灾害工程治理灾后恢复重建项目施工三标段工程部位:3#谷坊坝护坦分项工程名称:土方开挖合同号:所属分部工程名称:3#谷坊坝承包单位:四川省地质工程勘察院监理单位:地矿眉山工程勘察院№:施:土石方开挖工程质量检验评定表工程名称:邛崃市地质灾害工程治理灾后恢复重建项目施工三标段工程部位:4#谷坊坝坝体分项工程名称:土方开挖合同号:所属分部工程名称:4#谷坊坝承包单位:四川省地质工程勘察院监理单位:地矿眉山工程勘察院№:施:土石方开挖工程质量检验评定表工程名称:邛崃市地质灾害工程治理灾后恢复重建项目施工三标段工程部位:4#谷坊坝护坦分项工程名称:土方开挖合同号:所属分部工程名称:4#谷坊坝承包单位:四川省地质工程勘察院监理单位:地矿眉山工程勘察院№:施:土石方开挖工程质量检验评定表工程名称:邛崃市地质灾害工程治理灾后恢复重建项目施工三标段工程部位:排导槽分项工程名称:土方开挖合同号:所属分部工程名称:排导槽承包单位:四川省地质工程勘察院监理单位:地矿眉山工程勘察院№:施:土石方开挖工程质量检验评定表工程名称:邛崃市地质灾害工程治理灾后恢复重建项目施工三标段工程部位:防冲肋坎分项工程名称:土方开挖合同号:所属分部工程名称:排导槽承包单位:四川省地质工程勘察院监理单位:地矿眉山工程勘察院№:施:土石方开挖工程质量检验评定表工程名称:邛崃市地质灾害工程治理灾后恢复重建项目施工三标段工程部位:潜拦群分项工程名称:土方开挖合同号:所属分部工程名称:潜拦群承包单位:四川省地质工程勘察院监理单位:地矿眉山工程勘察院№:施:土石方开挖工程质量检验评定表工程名称:邛崃市地质灾害工程治理灾后恢复重建项目施工三标段工程部位:被动防护网基础分项工程名称:土方开挖合同号:所属分部工程名称:被动防护网承包单位:四川省地质工程勘察院监理单位:地矿眉山工程勘察院№:施:土石方开挖工程质量检验评定表工程名称:邛崃市地质灾害工程治理灾后恢复重建项目施工三标段工程部位:截排水沟分项工程名称:土方开挖合同号:所属分部工程名称:截排水沟承包单位:四川省地质工程勘察院监理单位:地矿眉山工程勘察院№:施:。