高三化学无机推断题专项练习
- 格式:doc
- 大小:115.76 KB
- 文档页数:28
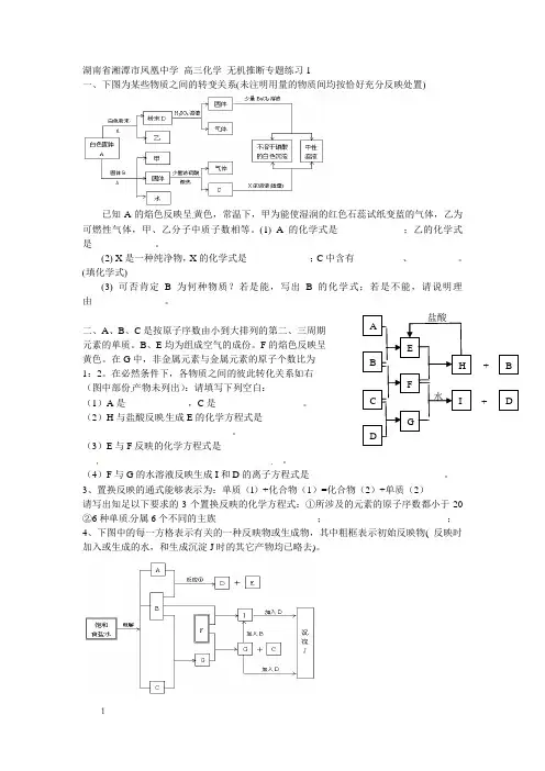
湖南省湘潭市凤凰中学高三化学无机推断专题练习1一、下图为某些物质之间的转变关系(未注明用量的物质间均按恰好充分反映处置)已知A的焰色反映呈黄色,常温下,甲为能使湿润的红色石蕊试纸变蓝的气体,乙为可燃性气体,甲、乙分子中质子数相等。
(1)A的化学式是;乙的化学式是。
(2) X是一种纯净物,X的化学式是;C中含有、。
(填化学式)(3)可否肯定B为何种物质?若是能,写出B的化学式;若是不能,请说明理由。
二、A、B、C是按原子序数由小到大排列的第二、三周期元素的单质。
B、E均为组成空气的成份。
F的焰色反映呈黄色。
在G中,非金属元素与金属元素的原子个数比为1:2。
在必然条件下,各物质之间的彼此转化关系如右(图中部份产物未列出):请填写下列空白:(1)A是,C是。
(2)H与盐酸反映生成E的化学方程式是。
(3)E与F反映的化学方程式是。
(4)F与G的水溶液反映生成I和D的离子方程式是。
3、置换反映的通式能够表示为:单质(l)+化合物(1)=化合物(2)+单质(2)请写出知足以下要求的3个置换反映的化学方程式:①所涉及的元素的原子序数都小于20②6种单质分属6个不同的主族;;4、下图中的每一方格表示有关的一种反映物或生成物,其中粗框表示初始反映物( 反映时加入或生成的水,和生成沉淀J时的其它产物均已略去)。
AB C D EFGHIBD++盐酸水请填写下列空白:⑴物质B是_________,F是__________,J是___________;⑵反映①的离子方程式是________________________________________________。
答案一、(1) NaOH;CH4 (2) Ba(OH)2;NaHSO4、NaCl (3)能;NH4Cl二、答案:(1)A:碳(或C)C:钠(或Na)(2)Na2CO3+2HCl===2NaCl+H2O+CO2↑(3)2CO2+2Na2O2===2Na2CO3+O2(4)Na2O2+S2-+2H2O===4OH-+S↓+2Na+3、答案:2Mg+CO2点燃2MgO+C;2Al+6HCl=2AlCl3+3H2↑;2F2+2H2O=4HF+O2。
高考化学无机非金属材料推断题综合练习题附答案一、无机非金属材料练习题(含详细答案解析)1.某一固体粉末含有SiO2、Fe2O3、Al2O3,加入足量NaOH溶液充分反应后,过滤,向所得溶液中加入过量盐酸,过滤,将所得滤渣洗涤并灼烧至恒重,最终固体成份为A.SiO2B.Fe2O3、SiO2C.SiO2、Al2O3D.Fe2O3【答案】A【解析】SiO2、Fe2O3、Al2O3,加入足量NaOH溶液充分反应后,过滤,向所得溶液中含有硅酸钠、偏铝酸钠,加入过量盐酸,生成硅酸沉淀,将所得滤渣洗涤并灼烧生成二氧化硅,故A正确。
2.X、Y、Z是三种常见的单质,甲、乙是两种常见的化合物。
下表各组物质之间通过一步反应不能实现如图所示转化的是()A.A B.B C.C D.D【答案】C【解析】【分析】【详解】A.X为H2,Z为Cl2,氢气与氯气可以一步反应生成化合物乙HCl;Y为Si,硅与氯气可以一步反应生成化合物甲SiCl4;氢气与SiCl4可以一步反应生成化合物乙(HCl)与单质Y(Si),故A正确;B.X为Mg,Z为O2,镁与氧气可以一步反应生成化合物乙MgO;Y为C,碳与氧气可以一步反应生成化合物甲CO2;镁与二氧化碳可以一步反应生成化合物乙(MgO)与单质Y(C),故B正确;C.X为Zn,Z为Cl2,锌与氯气可以一步反应生成化合物乙ZnCl2;Y为Fe,铁与氯气可以一步反应生成化合物甲FeCl3;锌与氯化铁不能一步反应生成化合物乙(ZnCl2)与单质Y(Fe),二者反应首先生成ZnCl2和FeCl2,然后锌再与FeCl2反应置换出铁,故C错误;D.X为O2,Z为H2,氧气与氢气可以一步反应生成化合物乙H2O;Y为N2,氮气与氢气可以一步反应生成化合物甲NH3;O2与NH3可以一步反应生成化合物乙(H2O)与单质Y(N2),故D正确;故答案为C。
3.“纳米车”(如图所示)是科学家用某有机分子和球形笼状分子C60制成的,每辆“纳米车”是由一个有机分子和4个C60分子构成。
证对市爱幕阳光实验学校包集高三化学一轮复习无机推断题一、依据特殊的物理性质:1.常见的有颜色的物质:固体淡黄色或黄色:S 黄、FeS2黄、Na2O2 浅黄、AgBr 浅黄、AgI 黄、Au 黄、CuFeS2黄、TNT 淡黄。
或红棕色:Cu 紫红、 Cu2O 红、Fe2O3红棕。
黑色:C〔石〕无色、C〔石墨〕黑、CuS、Cu2S 黑、FeS 黑、MnO2黑、FeO黑、 Fe3O4〔磁性物质〕黑色晶体、CuO 黑、PbS 黑、Ag2O 棕黑。
紫黑色:I2紫黑、KMnO4紫黑白色腊状固体:白磷溶液Cu2+蓝、 MnO4-紫红、Fe 2+浅绿、Fe3+ 棕黄、Fe〔SCN〕3血红、NO2-浅黄、[CuCl4]2-黄、[Cu〔H2O〕4]2+蓝。
氯水浅黄绿色、溴水橙黄色、碘水棕黄色溴的有机溶液橙红—红棕、 I2的有机溶液紫红气体Cl2黄绿、NO2棕红、 Br2 蒸气红棕、I2蒸气紫色、N2O3暗蓝2.物质的状态、气味硬度:呈液态的金属单质:Hg 呈液态的非金属单质:Br2常温呈气态的单质:H2、O2、Cl2、N2、F2、稀有气体。
臭鸡蛋气味的气体:H2S刺激性气味的气体:Cl2 SO2 HCl NH3地壳中元素的含量:O Si Al Fe硬度最大的单质:C〔石〕形合物种类最多的元素: C3.依据焰色反判断元素:Na 黄、 K 浅紫〔通过蓝色钴玻璃〕、Cu 绿、Li 紫红、 Rb 紫、Ca 砖红、 Ba 黄绿、 Rb 紫、Sr 洋红。
二、据特殊的现象:(1)遇酚酞显或湿润石蕊试纸变蓝的气体:NH3〔碱性气体〕(2)遇空气变为红棕色的气体:NO(3)加碱产生白色沉淀,迅速变成灰绿色,最终变成红褐色,必有Fe2+(4)加苯酚显紫色或加SCN-显血或加碱产生红褐色沉淀,必有Fe3+(5)遇BaCl2生成不溶于硝酸的白色沉淀,可能是:SO42—、Ag+、 SO32—(6)遇HCl生成沉淀,可能是: Ag+、 SiO32—、AlO2—、S2O32—(7)遇H2SO4生成沉淀,可能是:Ba2+、Ca2+、S2O32—、SiO32—、AlO2—(8)与H2S反生成淡黄色沉淀的气体有Cl2、O2、SO2、NO2(9)电解时阳极产生的气体一般是:Cl2、O2,阴极产生的气体是:H2(10)能使品红溶液褪色的气体可能是:Cl2、SO2;加热恢复原颜色的是SO2,不恢复的是Cl2能使品红溶液褪色的物质可能有:NaClO、Ca(ClO)2次氯酸盐、氯水、过氧化钠、过氧化氢、活性碳(11) 遇淀粉变蓝的:碘单质〔12〕遇到淀粉碘化钾试纸变蓝的气体有:Cl 2、 NO 2、 Br 2蒸气、I 2蒸气三、特殊的反条件和特征反:1.与碱反产生气体〔1〕⎪⎪⎩⎪⎪⎨⎧↑+=++↑+=++↑−−→−-232222222232222H SiO Na O H NaOH Si H NaAlO O H NaOH Al H Si Al OH 、单质〔2〕铵盐:O H NH NH 23碱4+↑−→−+2.与酸反产生气体〔1〕 〔2〕 3.与水反产生气体〔1〕单质⎪⎩⎪⎨⎧↑+=+↑+=+22222422222O HF O H F H NaOH O H Na〔2〕化合物:4.与Na 2O 2反5.既能酸反,又能与碱反Al 、Al 2O 3、Al(OH)3、弱酸的酸式盐〔NaHCO 3、NaHSO 3、NaHS 〕 、弱酸的氨盐[NH 4HCO 3、(NH 4)2CO 3、NH 4HSO 3、 (NH 4)2SO 3、 (NH 4)2S 、NH 4HS]、氨基酸;6.电解7.置换反:〔1〕金属→金属(2)金属→非金属⎪⎩⎪⎨⎧+−−→−+↑−−−→−+C MgO CO Mg H Fe Mg Na OH H 22222点燃或)、、活泼金属( 〔3〕非金属→非金属⎪⎪⎩⎪⎪⎨⎧+=++−−→−++−−→−+↑+=+)、(、高温高温HI HBr HCl S S H I Br Cl H CO O H C COSi SiO C O HF O H F 2)(224222222222222 〔4〕非金属→金属⎪⎩⎪⎨⎧+−−→−++−−→−+222CO C O H H 金属金属氧化物金属金属氧化物高温高温8.受热分解产生2种或3种气体的反:〔1〕铵盐⎪⎩⎪⎨⎧↑+↑−→−+↑+↑−→−+↑+↑−→−∆∆∆S H NH S NH HS NH O H SO NH SO NH HSO NH OH CO NH CO NH HCO NH 232442233243422332434])[(])[(])[( 〔2〕硝酸盐⎪⎩⎪⎨⎧↑+↑+−→−↑+↑+−→−∆∆223222322242)(2O NO Ag AgNO O NO CuO NO Cu 〔3〕硝酸:4HNO 3=====2H 2O+4NO 2↑+O 2↑ 〔4〕碱式碳酸铜:Cu(OH)2(CO 3)2 ====== CuO + 2CO 2↑ + H 2O9.无机框图中常用到催化剂的反:10.同一元素的气态氢化物和气态氧化物反,生成该元素的单质和水的元素可能是硫和氮2H 2S+SO 2=3S+2H 2O 4NH 3+6NO −−→−催化剂4N 2+6H 2O同一元素的气态氢化物和最高价氧化物对的水化物生成盐的元素一是氮⎪⎪⎪⎪⎪⎩⎪⎪⎪⎪⎪⎨⎧⎪⎪⎩⎪⎪⎨⎧⎪⎩⎪⎨⎧↑↑−−→−↑−−−→−⎪⎩⎪⎨⎧↑↑−−→−↑↑−−−→−⎪⎩⎪⎨⎧↑↑−−→−↑−−−→−↑−−→−22浓2浓22浓22浓22浓2、、、非金属、金属单质342342342NO SO SO S CO NO CO SO C NO NO SO H HNO SO H HNO SO H HNO SO H HCl ()()()⎪⎪⎩⎪⎪⎨⎧↑−→−↑−→−↑−→−+++------2323222323化合物SO HSO SO S H HS S CO HCO CO H H H ⎪⎩⎪⎨⎧+↑−−→−+↑−−→−NaOH O CO Na O O H CO 232222()⎪⎪⎩⎪⎪⎨⎧↑+↑+−−→−↑+−−→−↑+↑−−→−22电解2电解3222电解2溶液熔融H Cl NaOH NaCl O Al O Al O H O H 3催化剂化222催化剂化233催化剂化2222222,3236454222232222NH H N O H NO O NH SO O SO O O H O H O KCl KClO MnO MnO −−−→−++−−−→−+−−−→−+↑+−−→−↑+−−−→−∆∆∆∆放入水中生成气体和难溶11.两种溶液混合生成沉淀和气体,这两种溶液的溶质可能是①Ba(OH)2与(NH4)2SO4或(NH4)2CO3或(NH4)2SO3②可溶性铝盐与可溶性金属硫化物或可溶性碳酸盐或碳酸氢盐强烈双水解③可溶性铁盐与可溶性碳酸盐或碳酸氢盐④Na2S2O3溶液与强酸13.能使溴水褪色的物质:H2S和SO2及它们相对的盐、活泼金属、不饱和烃、醛、酚、碱14.两物质反先沉淀后溶解的有:CO2与Ca(OH)2或Ba(OH)2、NaOH与铝盐、氨水与AgNO3、强酸与偏铝酸盐四、依据特征结构:1.正四面体型分子:CH4 SiH4 CCl4 SiCl4 P4。
高三化学总复习无机推断题1、下图表示某些物质间的反应关系已知无色晶体X和黑色固体Y混合共热是实验室制备气体A的常用方法,黑色固体Y和Z的浓溶液共热也是实验室制备气体B的常用方法,已知X和C做焰色反应均出现紫色火焰,(隔着蓝色钴玻璃)试回答下列问题(1)填写化学式:X Y ZA B C(2)写出有关化学方程式:2、A、B、C、D、E五种物质均含有同一种元素,它们能发生如下图所示的变化。
写出五种物质的化学式:A______B_______C_______D_______E__________3、有一种黑色粉末A在纯氧中充分燃烧生成气体B,加入少量澄清石灰水,出现白色沉淀C,振荡后沉淀消失得溶液D,把D分成两份,一份中加入稀HCl,又生成气体B,另一份加入NaOH溶液又得沉淀C。
则A、B、C、D的名称依次为____________、___________、____________、____________。
有关的离子方程式为:B→C________________________ C→D____________________D→B_______________________________, D→C___________________________4、将红热的固体单质M放入浓硝酸中,剧烈反应,产生混合气体A。
A在常温下不与空气接触时发生如下图所示的变化。
A是,B是,C是,D是填化学式5、一无色气体,可能由CO2、HCl、NH3、NO2、NO、H2中的一种或几种组成。
将此无色气体通过盛有浓H2SO4的洗气瓶,发现气体体积减少。
继续通过装有固体Na2O2的干燥管,发现从出气管出来的气体颜色显红棕色,再将该气体全部通入盛满水倒立于水槽中的试管内,发现最后试管里仍然为一满试管液体。
由此可推知:①原气体中一定含有_____________,一定不会有____________;②最终结果可知原气体中_____________气体的体积比为_______。
南京十三中高三化学无机推断专项训练题1、两种非金属元素X 、Y 在元素周期表中彼此相隔一个周期,它们的单质X m 、Y n 和水在一定条件下能发生反应:X m +Y n +H 2O→HY+H 3XO 4+XH 4Y (未配平)。
(m 、n 均为大于1的正整数)(1)若X m 、Y n 在常温下均为常见固体,则X m是 ,Y n 是 ;(2)试根据推断后,完成(配平)上述化学方程式 ;(3)试解释下列两反应能进行的原因:①HY(aq)+NaH 2XO 4(aq)=H 3XO 4(aq)+NaY(aq),理由是 ;②H 3XO 4(浓)+NaY(固)=HY+NaH 2XO 4,理由是 。
2、已知A ~K 所代表的各物质都是中学化学里常见的物质,且I 是具有磁性的物质,D 和K 都具有两性。
一定条件下,各物质间的相互反应转化关系如下图所示:请回答:(1)写出有关物质化学式:D 是 ,H 是 。
(2)写出下列反应的方程式:①化合物G 的溶液不呈中性,其原因用离子方程式表示为 ,②C +F H +I 。
3、X 、Y 、Z 是中学化学中三种常见元素的单质,甲、乙是两种常见的化合物,相互间有如下转化关系:回答下列问题(1)若X 为金属单质,Y 为固体非金属单质,则甲的电子式为 ,乙的化学式为 。
(2)若X 、Y 均为金属单质,甲为黑色固体,则X 与甲反应的化学方程式为:,其反应类型为 。
(3)若X 、Y 均为非金属单质,常温下甲为无色液体,写出X 与甲反应时的化学方程式: 。
4、物质A —J 均是中学化学中常见的物质,其相互关系如下图,已知A 、B 、C 、D 、E 和F 、G 、H 、I 、J 中分别含有相同的某一种元素,请填写下列空白:−→−(1)分别写出A和OH—、B和C反应的离子方程式,如果是氧化还原反应,请标出电子转移方向和数目。
(2)写出电解E时阳极的电极反应式(3)写出I和O2反应的化学方程式5、A、B、C、D都是短周期元素。
高三化学无机推断专题练习1、A和B均为钠盐的水溶液,A呈中性,B呈碱性并具有氧化性.下述为相关实验步骤和实验现象:请答复:〔1〕写出A、B和C的化学式:A ,B ,C .〔2〕依次写出A→D和D→E〔E中含有某+5价元素的含氧酸根离子〕的离子方程式:, .〔3〕写出将SO2气体通入K溶液中发生反响的离子方程式:〔4〕写出由F→H的化学方程式:.2、X、Y、Z为三个不同短周期非金属元素的单质.在一定条件下有如下反响:Y+X→A〔气〕,Y+Z→B〔气〕.请针对以下两种不同情况答复:〔1〕假设常温下X、Y、Z均为气体,且A和B化合生成固体C时有白烟产生,那么:①Y的化学式是;②生成固体C的化学方程式是;〔2〕假设常温下Y为固体,X、Z为气体,A在空气中充分燃烧可生成B,那么:①B的化学式是;②向苛性钠溶液中通入过量的A,所发生反响的离子方程式是;③将Y与〔1〕中某单质的水溶液充分反响可生成两种强酸,该反响的化学方程式是.3、A、B、C、D、E几种常见的化合物或单质之间有以下图转化关系:〔1〕假设E是酸酐,D是有刺激性气味的无色气体,那么B的化学式是,工业上实现D转化为E的化工设备的名称是〔2〕假设C是酸性气体,B是碱性气体,那么E是,工业生产实际中,合成B选择一定的以下条件的依据是压强温度 〔3〕假设A 是日常生活中最常见的物质,C 为黄绿色单质气体,那么D 的电子式为 〔4〕假设A 是某有机物,其分子空间构型为正四面体,写出以下反响的化学方程式: A→B+C B→D〔5〕假设C 是水,B 是无氧化合物,且在同系物中是分子相对质量最小的的化合物,E 是能使石蕊显红色,那么A 是 〔写化学式〕A 、B 、D 、E 中易溶于水的是 〔写化学式〕.写出以下反响的化学方程式:D→EB→高分子化合物4、:①A 、B 、C 、D 四种物质均含元素X,有的还可能含有元素Y 、Z.元素Y 、X 、Z 的原子序数依次递增.②X 在A 、B 、C 、D 中都不呈现它的最高化合价.③室温下单质A 与某种常见一元强碱溶液反响,可得到B 和C.④化合物D 受热催化分解,可制得元素Y 的单质. 〔1〕元素X 是 ,Z 是 .〔2〕写出③中反响的化学方程式: .〔3〕写出④中反响的化学方程式: .5、A 、B 、C 、D 、E 均是由短周期元素组成的化合物,且均含有同一种元素,X 无论是盐酸还是NaOH,均能进行下述转化:酸式盐〔A 〕+X B +Y C +Y D +Z 无机酸〔E 〕,又知C 的相对分子质量比D 少16.〔1〕当X 为盐酸时,E 为 ,A 中阴离子为 .〔2〕当X 为NaOH 时,A 与X 反响的离子方程式为 .6、图中A 至F〔1〕反响①、②、③中一定属于氧化复原反响的是 〔填序号〕,判断的理由是 .〔2〕D 的化学式为 ;E 的电子式为 .〔3〕请写出A 溶液与 F 溶液反响的离子方程式: .7、X 、Y 、Z 为短周期元素的单质,U 、V 为它们的化合物,这些物质之间的关系如下图,其中反响条件和某些产物已经略去.A 〔溶液〕 +H 2OB 〔溶液〕 +CA 〔固体〕B +H 2OCD +F 溶液 ① F G ② +E ③ +E B 图6〔1〕如果X 、Y 组成的元素是同主族时,写出反响Ⅰ的化学方程式:①假设U 是水______________________________________.②假设V 是水______________________________________.③假设U 、V 均为氧化物_____________________________.〔2〕如果X 、Y 的组成元素不同族时,按以下要求写出X 、Y 、Z 的分子式:①假设X 是地壳中含量最高的金属元素时,X 为__________Y 为__________,Z 为_________. ②假设Y 组成为在自然界形成化合物种类最多元素时,X 为______,Y 为_______Z 为_______. ③假设Z 为密度最小的物质时,X 为________,Y 为__________,Z 为___________.8、A ~M 所代表的各物质是中学化学里常见的物质,B 、J 是单质,A 是化合物;E 的溶液跟苯酚溶液混合,溶液呈紫色.A ~M 各物质之间相互反响转化关系如图8所示〔未注明必要的反响条件〕:请答复:〔1〕B 在A 的浓溶液中反响而溶解的条件是 ,而常温下B 在A 的浓溶液中难以反响而溶解的原因是 .〔2〕写出以下化学方程式:F→G+A .G→F .E→I 的离子方程式 .〔3〕L 转化成I 的现象是 .〔4〕常温下Cu 能与 B 3+反响:Cu+2B 3+=Cu 2++2B 2+.现取Cu 与M 混合物26.4g 与1L1mol·L —1的H 2SO 4溶液〔过量〕充分反响.反响后测得溶液中B 3+的浓度为0.05mol·L —1〔溶液体积仍可视为1L 〕,那么原固体混合物中Cu 的质量是多少?反响后溶液中H +的物质的量浓度是多少?〔不考虑盐类的水解〕【参考答案】 A 的浓溶液 A 的稀溶液 少量的B NaOH 溶液 过量的B NaOH 溶液 D J L K I M△ J +D A G H DF E D 图81、〔1〕NaI ; NaClO ; AgI〔2〕2I -+ClO -+H 2O =I 2+Cl -+OH -; I 2+5ClO -+2OH -=2IO 3—+5Cl -+H 2O〔3〕2Fe 3++SO 2+2H 2O =2Fe 2++SO 42—+4H +〔4〕Cl 2+2NaOH =NaClO+NaCl+H 2O2、〔1〕①H 2;②NH 3+HCl ==== NH 4Cl〔2〕①SO 2;②H 2S+OH —====HS —+H 2O ;③S+3Cl 2+4H 2O====H 2SO 4+6HCl3、〔1〕S ;接触室;〔2〕NO 2;①动力设备、化学平衡、化学反响速率等条件;②化学反响速率、化学平衡和催化剂的活性等.〔3〕Na +[:O ....:]2—Na +〔4〕CH 4高温C+2H 2↑、2C+O 2点燃===2CO 〔O 2缺乏〕〔5〕C 2H 5OH ;C 2H 5OH 、CH 3CHO 、CH 3COOH ; 2CH 3CHO+O 2催化剂△ 2CH 3COOH nCH 2==CH 2催化剂[-CH 2—CH 2]-n 4、〔1〕氯;钾;〔2〕Cl 2+2KOH==KCl+KClO+H 2O ;〔3〕KClO 3催化剂====△2 KCl+3O 2↑ 5、〔1〕H 2SO 4 、HS — 〔2〕NH 4++HS —+2OH —==S 2—+NH 3↑+2H 2O6、〔1〕②③;化合物反响,生成了单质,所以有化合价的改变 〔2〕H 2O ;Na +[:O ....:O ....:]2—Na +〔3〕HCO 3— + OH —= CO 32— + H 2O7、〔1〕①Na+2H 2O ==2NaOH+H 2↑ ②2 H 2S + O 2 = 2S + 2H 2O ③2C + SiO 2高温===Si + 2CO ↑ 〔2〕①Al 、H 2、Cl 2 ; ②Mg 、C 、O 2;③F 2、O 2、H 28、〔1〕加热,钝化 〔2〕3NO 2 + H 2O = 2HNO 3 + NO ; 2NO + O 2 = 2NO 2 ;Fe 3++3OH —=Fe 〔OH 〕3↓〔3〕白色沉淀先变成灰绿色,最后变成红褐色 〔4〕6.4g ;1.25mol·L —1〔解析:找出解题的突破口:E 的溶液跟苯酚溶液混合,溶液呈紫色,确定E 中含Fe 3+,所以B 是铁, A 的浓溶液具有较强的氧化性,再结合A 的稀溶液与B 的反响及G 、F 间的转化,可以确定A 是HNO 3.依次推出D 是H 2O,E 是Fe 〔NO 3〕3,F 是 NO 2,G 是NO,H 是Fe 〔NO 3〕2,I 是Fe 〔OH 〕3,K 是NaNO 3,L 是Fe 〔OH 〕2,M 是Fe 2O 3.〔4〕溶液中存在Fe 3+,所以Cu 已完全反响,Cu + 2Fe 3+== Cu 2+ + 2Fe 2+n 〔Cu 〕 2n 〔Cu 〕依题意:n 〔Cu 〕×64g·mol —1 + 2n(Cu)+0.05mol·L -1×1L 2 ×160g·mol —1=26.4g n 〔Cu 〕=0.1mol m 〔Cu 〕=0.1mol×64g·mol —1=6.4gn 〔Fe 2O 3〕=2n(Cu)+0.05mol 2= 0.125mol 剩余H +: n 〔H +〕=1mol·L —1×1L×2—0.125mol×6 = 1.25molc 〔H +〕=1.25mol 1L=1.25mol·L —1〕。
高考化学框图无机推断题练习及答案高考化学框图无机推断题练习:1.下图为某些物质之间的变化关系(未注明用量的物质间均按恰好充分反应处理)已知A的焰色反应呈黄色,常温下,甲为能使湿润的红色石蕊试纸变蓝的气体,乙为可燃性气体,甲、乙分子中质子数相等。
(1) A的化学式是;乙的化学式是。
(2) X是一种纯净物,X的化学式是;C中含有、。
(填化学式)(3) 能否确定B为何种物质?如果能,写出B的化学式;如果不能,请说明理由。
2.甲、乙、丙为短周期元素形成的常见单质,A、B、C、D、E、F、G、X均为常见的化合物。
B、X的式量(分子量)相同,E 的式量比D大16,在一定条件下各物质之间相互转化如下图所示:(1) X的电子式是,G的化学式是。
(2) 上述物质中能与水发生反应(不考虑单纯的盐的水解)且反应中水既不是氧化剂也不是还原剂的物质的代号是。
(3) 反应D+丙的化学方程式是。
(4) 写出X与D在稀硫酸中反应的离子方程式。
3.甲、乙、丙三种常见的单质,X、Y、Z三种常见的化合物,它们在一定条件下的相互转化关系如下:请填写以下空白:(1) 在X、Y、Z三种化合物中肯定含有乙、丙两种元素的化合物是。
(2) 在X、Z两种化合物的正价元素的化合价中,是。
A. 前者高B. 后者高C. 不一定原因是。
(3) 当X为两种非金属元素组成的化合物时,写出X跟甲反应的化学方程式。
写出丙跟乙反应的化学方程式。
(4) 当X为金属元素与非金属元素组成的化合物时,写出X跟甲反应的化学方程式。
写出丙跟乙反应的化学方程式。
4.有X、Y、Z三种单质,常温下X是固体,Y是液体,Z 是气体。
它们之间的反应关系如下图所示:请填写下列空白:(1) 据此推断X、Y、Z的化学式:X 、Y 、Z 。
(2) X是常见的单质,它是主族元素,还是副族元素,其理由是:。
(3) 写出C+Y A的离子方程式:。
6.甲、乙两种物质是常见的短周期元素的单质,其有关物质性质如图,其中C为白色沉淀,D为气体。
高三化学无机推断题专项练习( 1) G的化学式; F 的电子式( 2)反应②的离子方程式;1.A~ H 都是初中化学中常见的物质,已知 B 为黑色固体, D为红色固体单质, F 为红色固体, H 溶( 3)写出另外一种实验室制取H 的化学方程式;液中的溶质是一种盐.它们的转化关系如图所示.请回答:( 4) D 溶液中阳离子的焰色反应火焰呈色;可用试剂检验 D 溶液中大量存在的阴离子。
4.(8 分 ) 现有 A、B、C、D四种短周期元素 , A 分别与 B、C、D 结合生成甲、乙、丙三种化合物 ,且甲、乙、丙 3 分子中含相同数目的质子数,C、D 结合生成化合物丁。
有关元素的单质和甲、乙、丙、丁四种化合物的转化关系如下图:(1)物质 B、E 和 F 的化学式为B、E、F;( 2)反应①的化学方程式为:,其反应类型为。
2.下图是无机物A~ M 在一定条件下的转化关系(部分产物及反应条件未列出)。
其中,I是由第三周期元素组成的单质中熔点最高的金属,K 是一种红棕色气体。
( 1)写出 B+乙→甲 +C的化学反应方程式 ______________________ 。
( 2)根据以上条件可以确定A、 B、 C、 D 四种元素中的三种 , 不能被确定的第四种元素是 _______。
( 填写序号 )① A② B③ C④ D( 3)依据下列条件可以进一步确定上述第四种元素:①甲与丙以及乙与丙均能够发生反应,②甲、丙、丁都是无色有刺激性气味的物质。
请填写下列空白:据此,请回答下列问题:( 1)在周期表中,组成单质I 的元素位于第 __________周期 _________族。
A.写出上述第四种元素在周期表中的位置。
( 2)在反应⑦中氧化剂与还原剂的物质的量之比为___________________ 。
B.写出 C+丙→乙 +丁的化学反应方程式。
( 3)在②、③、⑥、⑨中既属于化合反应又属于非氧化还原反应的是__________(填序号)5.( 6 分)下图是一些常见的单质、化合物之间的转化关系图,有些反应中的部分物质被略去。
高三化学无机推断试题1.已知A、B,C为中学化学中常见的单质。
室温下,A为固体,B和C均为气体。
在适宜的条件下,它们可以按下图进行反应。
回答下列问题:(1)A、B、C三种元素中的任意两种元素形成的化合物所属物质类别一定不是________。
①氢化物②酸③碱④盐⑤氧化物(2)A、B、C三种元素中有一种是金属,则这种元素是A、B、C中的________,理由是________。
(3)如果E溶液是一种强酸,则E的化学式为________。
【答案】(1)③⑤(2)A金属单质在室温下不可能为气态物质(3)HCl【解析】符合框图关系的可为A为Mg、Al、Zn(不能为Fe),B为Cl2,C为H2。
2.已知下列转化关系中M、N均为单质.则M不可能是A.Na B.Cu C.H2D.Cl2【答案】A【解析】由于用惰性电极电解M燃烧产物的水溶液还能产生该单质,说明如果M是金属,则应该是不活泼的金属元素。
因为在溶液中活泼的金属阳离子的氧化性比H+弱,产生的就会是H2,而得不到该金属。
因此A错误。
B正确。
若是H2燃烧,无论是在O2中还是在Cl2。
产物进行电解都能产生该物质本身。
因此C、D都正确。
所以选项为A.【考点】考查电解理论及电极产物的确定的知识。
3.X、Y、Z三种短周期元素,原子半径的大小关系为:r(Y)>r(X)>r(Z),原子序数之和为16。
A、B、C为常见的化合物,X、Y、Z三种元素的常见单质在适当条件下可发生右图所示变化,其中B和C均为10电子分子。
下列说法不正确的是( )A.X元素位于ⅥA B.A不能溶解于B中C.A和C不可能发生氧化还原反应 D.B的沸点高于C的沸点【答案】C【解析】常见的10电子分子有CH4、NH3、H2O、HF,由此可判断Z为氢元素,X、Y的原子序数之和为15,且原子半径r(Y)>r(X),则X为氮元素,Y为氧元素;A为N2与O2化合的产物NO,B为H2与O2化合的产物H2O,C为N2与H2化合的产物NH3。
高考化学预测无机推断题1.某白色固体可能由①氯化铵,②氯化铝,③氯化钠,④硝酸银,⑤氢氧化钾中的一种或几种组成,此固体投入水中得到澄清溶液,该溶液可使酚酞呈红色,若向溶液中加稀硝酸到过量,有白色沉淀生成。
对原固体的判断不正确的是()A.肯定不存在②B.至少存在②和⑤C.无法确定是否存在③D.至少存在①、④、⑤2.对某酸性溶液(可能含有Br-,SO42-,H2SO3,NH4+)分别进行如下实验:①加热时放出的气体可以使品红溶液褪色②加碱调至碱性后,加热时放出的气体可以使润湿的红色石蕊试纸变蓝;③加入氯水时,溶液略显黄色,再加入BaCl2溶液时,产生的白色沉淀不溶于稀硝酸对于下列物质不能确认其在溶液中是否存在的是()A.Br-B.SO42-C.H2SO3D.NH4+3.类推的思维方法在化学学习与研究中常会产生错误的结论。
因此类推出的结论最终要经过实践的检验才能决定其正确与否。
以下几种类推结论中,不正确的是()(A)金属镁失火不能用二氧化碳灭火器扑灭;金属钠失火也不能用二氧化碳灭火(B)Fe3O4可以写成FeO·Fe2O3;Pb3O4也可以写成PbO·Pb2O3(C)不能用电解AlCl3溶液来制取金属铝;也不能用电解MgCl2溶液来制取金属镁(D)Fe与S直接化合可得到FeS;Al和S直接化合也可以得到Al2S34.某白色固体可能由①氯化铵,②氯化铝,③氯化钠,④硝酸银,⑤氢氧化钾中的一种或几种组成,此固体投入水中得到澄清溶液,该溶液可使酚酞呈红色,若向溶液中加稀硝酸到过量,有白色沉淀生成。
对原固体的判断不正确的是()(A)肯定不存在②(B)至少存在②和⑤(C)无法确定是否存在③(D)至少存在①、④、⑤5.下图为固体物质A及其产物发生的一系列反应的框图,每一个方框内表示有一种反应物或生成物(反应条件及反应所需和生成的水均已略去),其中A、G为反应物,C、F在常温下均为气体:(1)试写出B和C的分子式________________。
1.下图为某些物质之间的变化关系(未注明用量的物质间均按恰好充分反应处理)已知A的焰色反应呈黄色,常温下,甲为能使湿润的红色石蕊试纸变蓝的气体,乙为可燃性气体,甲、乙分子中质子数相等。
(1) A的化学式是;乙的化学式是。
(2) X是一种纯净物,X的化学式是;C中含有、。
(填化学式)(3)能否确定B为何种物质?如果能,写出B的化学式;如果不能,请说明理由。
2.甲、乙、丙为短周期元素形成的常见单质,A、B、C、D、E、F、G、X均为常见的化合物。
B、X的式量(分子量)相同,E的式量比D大16,在一定条件下各物质之间相互转化如下图所示:(1) X的电子式是,G的化学式是。
(2)上述物质中能与水发生反应(不考虑单纯的盐的水解)且反应中水既不是氧化剂也不是还原剂的物质的代号是。
(3)反应“D+丙”的化学方程式是。
(4)写出X与D在稀硫酸中反应的离子方程式。
3.甲、乙、丙三种常见的单质,X、Y、Z三种常见的化合物,它们在一定条件下的相互转化关系如下:请填写以下空白:(1)在X、Y、Z三种化合物中肯定含有乙、丙两种元素的化合物是。
(2)在X、Z两种化合物的正价元素的化合价中,是。
A.前者高B.后者高C.不一定原因是。
(3)当X为两种非金属元素组成的化合物时,写出X跟甲反应的化学方程式。
写出丙跟乙反应的化学方程式。
(4)当X为金属元素与非金属元素组成的化合物时,写出X跟甲反应的化学方程式。
写出丙跟乙反应的化学方程式。
4.有X、Y、Z三种单质,常温下X是固体,Y是液体,Z是气体。
它们之间的反应关系如下图所示:请填写下列空白:(1)据此推断X、Y、Z的化学式:X 、Y 、Z 。
(2) X是常见的单质,它是主族元素,还是副族元素,其理由是:。
(3)写出C+Y → A的离子方程式:。
5.根据以下反应关系图,回答下列问题:(1) A溶液所含溶质是:________________________;(2) A溶液跟B溶液反应的化学方程式是:_______________________________;(3) G转变为E的离子方程式是:__________________________________________。
高考化学培优专题复习高无机综合推断练习题及详细答案一、无机综合推断1.甲、乙、丙均为化合物,其中甲为淡黄色的固体,乙常温下为无色无味液体,丙为常见的无色无味气体,它们有如下图的转化关系,已知D为黄绿色气体,按要求回答下列问题:(1)甲物质为____________(填化学式)。
(2)乙与甲反应的化学方程式为____________,丙与甲反应的化学方程式为____________。
(3)D能使湿润的有色布条褪色,其褪色原因是____________(结合化学反应方程式描述原因)。
(4)D可用于制取“84”消毒液,反应的化学方程式为____________,也可用于工业上制取漂白粉,反应的化学方程式为____________,但漂白粉保存不当易变质,变质时涉及到的化学方程式为____________。
【答案】Na2O2 2Na2O2+2H2O=4NaOH+O2↑ 2Na2O2+2CO2=2Na2CO3+O2Cl2+H2O=HCl+HClO、 HClO有漂白性 Cl2+2NaOH=NaClO+NaCl+H2O2Cl2+2Ca(OH)2=CaCl2+Ca(ClO)2+2H2O Ca(ClO)2+H2O+CO2=CaCO3↓+2HClO,2HClO2HCl+O2↑【解析】【分析】甲、乙、丙均为化合物,甲为淡黄色的固体,乙常温下为无色无味液体,丙为常见的无色无味气体,甲能既能与乙反应也能与丙反应,可知甲为Na2O2,乙为H2O,丙为CO2,则A 为NaOH,B为O2,C为Na2CO3,D为黄绿色气体,则D为Cl2,D(Cl2)与A(NaOH)反应生成NaCl、NaClO,F的溶液能与丙(CO2)反应C与I,则F为NaClO、E为NaCl、I为HClO,G与C(Na2CO3)反应得到E(NaCl)与丙(CO2),则G为HCl,据此解答。
【详解】根据上述分析可知:甲为Na2O2,乙为H2O,丙为CO2,A为NaOH,B为O2,C为Na2CO3,D为Cl2,E为NaCl,F为NaClO,G为HCl,I为HClO。
高三化学无机推断题专项练习高三化学无机推断题专项练习为黑色已知B~H都是初中化学中常见的物质,1.A溶液中为红色固体,HD为红色固体单质,F固体,的溶质是一种盐.它们的转化关系如图所示.请回答:请填写下列空白:第于位素元的I质单成组,中表周期在)1(、E 、B 的化学式为F和E、B物质)1(族。
F ;___________________周期在反应⑦中氧化剂与还原剂的物质的量之比为2(程学的)(2反应①化方式),其反应类型___________________。
为:)在②、③、⑥、⑨中既属于化合反应又属于非( 3。
为.2下图是无机物__________氧化还原反应的是MA~在一定条件下的转化关系(部(填序号)是离④反(4)应的子是由第三周期。
其中,分产物及反应条件未列出)I方程式。
是一种红棕__________________________________ K元素组成的单质中熔点最高的金属,可制得一种“绿与将化合物)DKNO共融,KOH色气体。
、5(3,同时还生(高铁酸钾)FeOK色”环保高效净水剂42化应反该OH和KNO成。
的学是式方程22页12共页4第◎页12共页3第分别A、B、C、AD四种短周期元素现有4.(8_________________________。
分), 且甲、, D结合生成甲、乙、丙三种化合物C与B、123.(分)以下均为中学化学常见物质,存在如下、结合生、D为气体单质,CG分子中含相同数目的质子数,乙、丙3C 部分产物已省略转化关系()。
通常成化合物丁。
有关元素的单质和甲、乙、丙、丁四在为紫黑色固体单质。
实验室中,常用固体EB 的。
种化合物的转化关系如下图:H催化下加热制取气体单质式反应程方→(1)写出B+乙甲+C的化学。
______________________四种元素、D)根据以上条件可以确定(2A、B、C中的三种G,不能被确定的第四种元素是_______的电子式。
的化学式( ;填F)(1(2)反应②的离子方程式;写序号) (3)写出另外一种实验室制取H的化学方程① A ② B ③ C ④ D (3)式;依据下列条件可以进一步确定上述第四种元素:色;溶液中阳离子的焰色反应火焰呈D)4(①甲与丙以及乙与丙均能够发生反应,②甲、丙、D 可用试剂检验溶液中大量存在的阴离丁都是无色有刺激性气味的物质。
子。
页12共页6第◎页12共页5第程方化学出反应④的(4据此,请回答下列问题:)写。
中在素周期表的位式四出A.写上述第种元甲、乙、丙均为化合物,其中甲为淡黄色) (9。
分6 .置的固体,乙常温下为无色无味液体,丙为常见的无应反方程乙B+.写的出C+丁丙化→学为D色无味气体。
它们有如下图的转化关系,已知式。
下图是一些常见的单质、分)化合物之间的转黄绿色气体,按要求回答下列问题:.5(6化关系图,有些反应中的部分物质被略去。
反应①溶D是海水中含有盐的主要F常被应用于野外焊接钢轨,溶溶溶乙、G反应产物形成的水溶液。
为成分,JD 甲B溶丙丙C溶溶 )。
)甲物质为_____________(填化学式(1乙和足量甲反)1mol应可生成(2 ______________mol B物质;1mol丙和足量甲反应请回答下列问题:可生成____________mol B物质。
的化学式为。
B(1)(3)D能使湿润的有色布条褪色,其褪色原因是工业。
(2)反应②在工业上通常称之为______________________。
程的出)(3写反应③离方子(4)丙与溶液F反应的化学方程式为。
式_____________________。
页12共页8第◎页12共页7第饱和溶液,可制得一种红褐色)向沸水中加入W为两种常见的(3T(14)已知A为淡黄色固体,、R 7.式方程的离子明液用途广泛的金属单质,D具有磁性的黑色晶体, C,该反应透______________________是无色无味的气体,H是白色沉淀,且在潮湿空气中、SO)MgCl、分)某固体混合物可能含迅速变为灰绿色,最终变为红褐色固体。
Al、(NH8.(124224现对该混合物中的一种或几种,FeCl、NaClA1Cl、23作如下实验,所得现象和有关数据如图(气体体积:已换算成标况下体积)R: D:_____________ 1)写出下列物质的化学式:(_______回答下列问题:_________.写出A的电子式(填FeCl_____________(1出下列反应方程式)混合物中是否存在)(2按要求写2“是”或“否”)_____________________________ ;_____________)NHSO (2)混合物中是否存在(方气空中变为M的化学程式在H潮湿424是据依的判断你)____________________________ 否是填(“”或“”,方化应R与B反的学程________________。
式:式子反应反写出应________________________ ④的离3()。
_________________________ 式程方D子离的应反酸盐与AlCl_______________________4)请根据计算结果判断混合物中是否含有(3页12共页10第◎页12共页9第_________________________________ 方程式。
(填“是”或“否”),你的判断依据是_________(5)物质A号元素中部由三种元素组成,1 mol A与水反应可9.(10分)下图所示各物质是由1~20生成1 mol B和2 mol C分元素组成的单质或其化合物,图中部分反应条件,A化学式为_______________D未列出。
已知C、H是无色有刺激性气味的气体,。
是一种黄绿色的气体单质,物质J可用于泳池消毒。
10.物质A、B、C、D、E、F、G、H、I、J、K有下为单质,反应②和④是化工生产中的重要反应,反应⑤是实、图转化关系,其中气体DE 请按要求回答下列问题。
的重要方法。
验室制备气体CNaOH 红褐色溶请回答下列问题:元A金1()属素在周期表的位置(_______________I1)中所含化学键类型,是,G的化学式是__________。
的水溶液呈酸性,用离子方程式表示其原因2()G(2)写出反应“C→F”的离子方程_______________________式;式方程学化的体气备室实3()验制C(3)写出反应“I→J”的离子方程___________________________式;溶200mL1mol/L的稀溶液与已知含)4(7.4gIH的(4)写出金属 H与水蒸气在高温下反应的化学方程的热量,写出该反应的热化学11.56kJ液反应放出式。
页12共页12第◎页12共页11第六种物质的转化关系如图所示.F.AB C.D.E11.(反应条件和部分产物未标出)为短周期非金属单D)若(1A为短周期金属单质,倍,所含元2质,且所含元素的原子序数A是D的的浓溶液与的是A2倍,F素的原子最外层电子数D,A D反应都有红棕色气体生成,则A为式化的学方程反应④为.是气态单质,反D F)若A为常见的金属单质,(2应①在水溶液中进行,则反应②(在水溶液中进行)的离子方程式是.DA.都是短周期非金属元素单质,D.F且.3()若A 所含元素同周期,则反应①.F所含元素同主族,A .的化学方程式为页12共页14第◎页12共页13第参考答案1.(1)B:CuO、E:CO、F: FeO;32(2)C + CuO === 2Cu + CO↑,置换反应。
2【解析】试题分析:(1)A~H都是初中化学中常见的物质,B为黑色固体,D为红色固体单质,A、B高温会生成C和D,所以D是铜,A、B有一种是氧化铜,A与C生成的E会与红色固体F反应,所以A是碳,B是氧化铜,C是二氧化碳,碳和二氧化碳高温会生成一氧化碳,所以E是一氧化碳,F是氧化铁,氧化铁和一氧化碳反应会生成G ,所以G 是铁,铁和硫酸铜等会生成硫酸亚铁和铜,所以H可以是硫酸铜,经过验证,推导正确,所以B 是CuO ,E 是CO ,F 是FeO ;故答案32为:CuO ,CO ,FeO ; 32(2)反应①是碳和氧化铜在高温的条件下反应生成铜和二氧化碳,化学方程式为:C+2CuO2Cu+CO ↑,该反应是单质和化合物生2成单质和化合物的反应,属于置换反应,故答案C+2CuO 为:↑,置换反应。
2Cu+CO 2考点:考查了物质的鉴别、推断;反应类型的判 页16页,总1答案第定;书写化学方程式、文字表达式、电离方程式的相关知识。
2.(1)三 ⅢA(2)1:2(3)③3+-+ 2+O ↑+2H3Fe +8H +NO =+NO )(43Fe 23+3KNO4KOH =2KFeO ++5()FeO +3KNO 223243O2H2【解析】关键是找准突破试题分析:本题是无机框图题,是由第三周期元素组成的单质中熔点最高点。
I是一种红棕色气体,是Al。
K的金属,所以I是硝酸。
J ,所以根据反应⑨可知,K则是NO 2应。
根据提示可知,D根据反应⑧可知,L是NO是BA 该是氧化铁,是SO ,根据反应②可知, 2是三氧化硫,三氧化硫溶于水生成硫酸,所以CG硫酸。
反应⑦是铝热反应,所以H是氧化铝,应该是硝酸亚铁,所M是铁。
根据反应④可知,是氢氧化是铁盐。
因此根据反应⑤可知,E以F 铁,氢氧化铁分解即生成氧化铁。
元第Ⅲ所以是第三周期,A,是推导得(1) IAl 素。
页16页,总2答案第(2) ⑦发生的反应是:2Al+FeO=2Fe+AlO,期中3322Al化合价升高,所以Al是还原剂,FeO 中Fe32化合价降低,所以FeO是氧化剂,故氧化剂与32还原剂的物质的量之比为1:2。
(3) 据题意②发生的反应是:2SO+O=2SO,是322化合反应也是氧化还原反应;③发生的反应是:SO+HO=HSO,属于化合反应和非氧化还原反应;4322⑥发生的反应是:2Fe(OH)=FeO+3HO 属于分解2233反应和非氧化还原反应⑨发生的反应是:3NO2+H2O=2HNO3+NO ,不属于化合反应,是氧化还原反应。
故符合题意的是③。
2+-,在酸性条件下可发生NO(4) M 中含有Fe和3为式子方程反应,反应的离氧化还原2++-3+ O 。
+NO=3Fe+NO ↑+2HFe+4H 23共融,可制、与KNOKOH (5)将化合物Fe2O33(高铁酸得一种“绿色”环保高效净水剂KFeO 42该反应的化学方程。
H 钾),同时还生成KNO 和O 22+=3KNO 2KFeO ++O 式是Fe +3KNO4KOH 2324232HO 。
2 考点:考查无机物的推断。
)2 )(分(3.12)1I ( 2 页16页,总3答案第--+-O +3H+6I6H+ClO=3I+6Cl 223 或2HO ↑ (3)2HO+O 催化剂 2222 △ ↑(答案合理即可)MnO+MnO+O2KMnOK △ 24422新制氯水、 或硝酸银、稀硝酸(4)紫; (答案合理即可) 或新制氯水、CCl 淀粉4 【解析】,CG 为I 试题分析:G 为紫黑色固体单质,则 2-C ,D 中含有I 为气体单质,则C 具有氧化性,在制取气体B 在加热下生成,有由浓A 溶液与B ,HClA 为中做催化剂,推出B 应为MnO ,则H 2,OMnO 催化制取的气体是为Cl ,实验室中用C 22 2为,所以F 为固体,则E 是KClO 即H 为O ,E 3 2- II ;氧化为KCl ,在酸性条件下KClO 可以将 2 3,电子KCl ;F 为G (1)为碘单质,化学式为I 2;式为(2)反应②是在酸性条件下KClO 氧化KI 生成3--+-I ,离子反应式为6H+6I+ClO=3I+6Cl+3HO ; 2232(3)实验室通常用过氧化氢或高锰酸钾的分解来制氧气,反应议程式为2HO2HO+O ↑ 或 催化剂 2222 △K+O2KMnOMnO+MnO ↑ △ 22244+,其焰色反应透过蓝K )KI 溶液中阳离子为4( 页16页,总4答案第--I 色钴玻璃火焰呈紫色;I 的检验可以通过将氧化成I ,再用淀粉检验I 的存在,具体方法是22向溶液里滴加淀粉溶液不变蓝色,再滴加新制氯- 。