温度计的位置 实验和例题
- 格式:ppt
- 大小:695.50 KB
- 文档页数:16
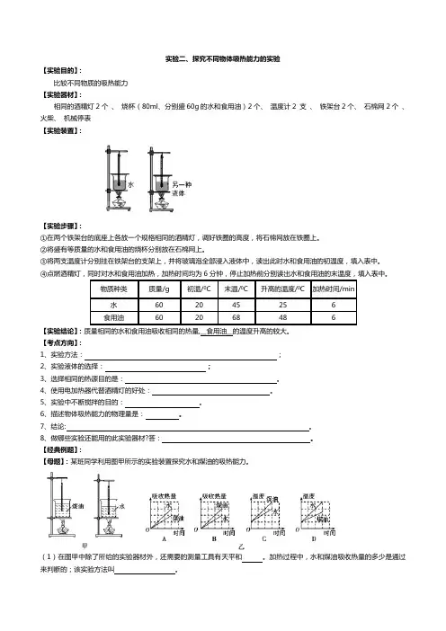
实验二、探究不同物体吸热能力的实验【实验目的】:比较不同物质的吸热能力【实验器材】:相同的酒精灯2个、烧杯(80ml、分别盛60g的水和食用油)2个、温度计2 支、铁架台2个、石棉网2个、火柴、机械停表【实验装置】:【实验步骤】:①在两个铁架台的底座上各放一个规格相同的酒精灯,调好铁圈的高度,将石棉网放在铁圈上。
②将盛有等质量的水和食用油的烧杯分别放在石棉网上。
③将两支温度计分别挂在铁架台的支架上,并将玻璃泡全部浸入液体中,读出此时水和食用油的初温度,填入表中。
物质种类质量/g 初温/0C 末温/0C 升高的温度/0C 加热时间/min水60 20 45 25 6食用油60 20 68 48 6【实验结论】:质量相同的水和食用油吸收相同的热量,__食用油__的温度升高的较大。
【考点方向】:1、实验方法:;2、实验液体的选择:;3、选择相同的热源目的是:。
4、使用电加热器代替酒精灯的好处:。
5、实验中不断搅拌的目的:。
6、描述物体吸热能力的物理量是:。
7、结论:。
8、做哪些实验还能用的此实验器材?答:。
【经典例题】:【母题】:某班同学利用图甲所示的实验装置探究水和煤油的吸热能力。
(1)在图甲中除了所给的实验器材外,还需要的测量工具有天平和。
加热过程中,水和煤油吸收热量的多少是通过来判断的;该实验方法叫。
(2)实验过程中该同学使用玻璃棒轻轻地搅拌液体目的是:;温度计在放置时玻璃泡要与液体。
(3)实验中第1、2两个小组记录的实验数据如下表实验组别液体质量/g 初温/℃末温/℃加热时间/min1 水200 25 40 13.5煤油200 25 40 6.52 水200 25 40 12煤油200 25 40 5.5通过分析实验数据,能够得出的结论是:。
并说出生活中利用此性质的可以作为使用。
(4)图乙是第1组同学绘制的“吸收热量一时间”和“温度一时间”图象,能正确描述该实验真实情况的图象是(选填序号)。
(5)使质量相同的水升高相同的温度,加热时间应该相同,但1、2两组的同学在交流实验数据时发现:第1小组的加热时间明显偏长,其原因可能是。
专题2 物态变化易错点易错点1 对温度的理解和温度计的读数易错1.温度只有“高低”之分,而没有“有无”之分,我们可以说某个物体温度很低,但是不能说某个物体没有温度.2.关于温度计的读数是个易错点,我们可以先找零刻线的位置,然后假设温度升高,判断液面是靠近零刻线还是远离零刻线,如果是靠近则现在是零摄氏度以下,如果是远离则现在是零摄氏度以上.有些同学因为没有认清楚零刻线的位置而会把温度读错.【例题1】用同一支温度计分别测量当天正午与晚上的气温,两次温度计的示数如图1甲、乙所示,其中 图是晚上的气温,其示数是 ℃,如图2所示,体温计是根据 的原理制成,用它测量某同学的体温时读数为 ℃。
易错点2 对常见的白气、白雾的理解易错白气、白雾并不是水蒸气,水蒸气是人眼无法观察到的,而白气、白雾是悬浮在空中的雾状小水滴生活中我们见到的白气、白雾等出现的情况一般分为两大类:一类是热的物体冒白气,另一类是冷的物体冒白气.它们虽然都是水蒸气遇冷液化而来的,但是水蒸气的来源不一样.发生液化现象产生的,而我们烧开水的时候,会有白气从壶里面冒出来,这是壶里面的水蒸气冒出来之后遇冷液化而成的,不要把看得到的白气、白雾错误地当成水蒸气.【例题2】寒冷的天气里人们呼出了“白气”,不久又看不见了,这其中涉及到的物态变化是( )A.只有液化B.只有汽化C.先液化后汽化D.先汽化后液化易错点3 认为晶体达到熔点就会熔化,液体达到沸点就会沸腾冰的熔点是0℃,有些同学就认为冰达到0℃就会熔化.事实上,冰熔化的条件是:(1)达到熔点;(2)继续吸热当冰块正在熔化时,如果撤掉热源,冰块吸不到热将不再熔化。
同样,液体沸腾也需要类似的条件:(1)达到沸点;(2)继续吸热.【例题3】在探究“冰的熔化特点”实验中(1)如图甲所示,是小明根据实验数据作出的冰加热时温度随时间变化的图象。
分析图象可知,冰的熔点是 ℃,其熔化过程的特点是 。
在第6min该物质处于 。
第三讲 温度计一、知识要点1. 叫温度。
要准确地测量温度需要使用 。
2.温度计是利用 制成的。
3.温度计的使用方法:(1)使用温度计前,首先要观察 和 ,也就是认清温度计上每一小格表示多少摄氏度 (2)在测量前要先估计被测物的 ,选择合适的温度计。
(3)测量时应将温度计的玻璃泡全部浸入被测液体中,不要碰到 或 。
可以竖直放置,也可以斜着放置。
(4)记录时应待温度计的示数 ,即在液柱停止上升或下降时读数,读数时,玻璃泡不能离开 。
同时,视线必须与温度计中液柱的上表面相平。
4.摄氏温度是把 规定为0度,把 规定为100度,0度和100度之间分成100等分,每一等分是摄氏温度的一个单位,叫做1摄氏度。
摄氏度用符号 来表示。
摄氏温度用符号t 表示。
5.体温计玻璃管中装的液体是水银,它的刻度范围是 ,最小刻度值是 。
从构造上来看,体温计盛水银的玻璃泡上方有一段做得非常细的 ,测体温时水银膨胀能通过缩口升到上面玻璃管里,读体温计时体温计离开人体,水银变冷收缩,水银柱来不及退回玻璃泡,就在缩口处断开。
6.几种温度计二、典例分析例题1如图所示是一金属管的横截面,该金属管的材料是热胀冷缩的。
金属管的内径为1d ,外径为2d 。
当对金属管加热时[ ]A .1d 变大,2d 变小B .1d 变大,2d 变大C .1d 变小,2d 变大D .1d 不变,2d 变大例题2 两支内径不同、下面玻璃泡内水银量相等的合格的温度计,同时插入一杯热水中,过一会儿则会看到:()A.两支温度计水银柱上升的高度相同,示数相同;B.内径细的温度计水银柱升得较高,示数较大;C.内径粗的温度计水银柱升得较高,示数较大;D.内径粗的温度计水银柱升得较低,两支温度计示数相同。
例题3 要给体温计消毒,应采用下面的哪种方法()A.用蘸了酒精的棉花球擦B.用自来水冲洗C.在沸水中煮D.在酒精灯火焰上烧例题4 用温度计测量液体温度时,有以下几个步骤,请按正确的使用温度计的方法排列顺序:_______.A.观察温度计的液面是否不再上升B.选用量程合适的温度计C.估计被测量液体的温度D.读出温度计的示数并做好记录E.使温度计的玻璃泡全部浸没在被测液体中,并稍候一会儿例题5 气象站测量气温用的温度计装在百叶箱中。
温度计专题①温度计构造:下有玻璃泡,里盛水银、煤油、酒精等液体;内有粗细均匀的细玻璃管,在外面的玻璃管上均匀地刻有刻度。
②温度计的原理:利用液体的热胀冷缩进行工作。
④常用温度计的使用方法:使用前:观察它的量程,判断是否适合待测物体的温度;并认清温度计的分度值,以便准确读数。
使用时:温度计的玻璃泡全部浸入被测液体中,不要碰到容器底或容器壁;温度计玻璃泡浸入被测液体中稍候一会儿,待温度计的示数稳定后再读数;读数时玻璃泡要继续留在被测液体中,视线与温度计中液柱的上表面相平。
练习:◇温度计的玻璃泡要做大目的是:温度变化相同时,体积变化大,上面的玻璃管做细的目的是:液体体积变化相同时液柱变化大,两项措施的共同目的是:读数准确。
水银温度计的优点水银的比热容小,测量的精确度高【例题1】温度是表示物体___________的物理量.常用的温度计是根据________性质来测量温度的.温度计上的符号℃表示采用的是__________温度,它把_________的温度规定为0度,把____________的温度规定为100度.答案:冷热程度,液体热胀冷缩,摄氏.冰水混合物,1标准大气下沸水.【例题2】- 8.6℃读作_________,它比- 16.8℃高_________.答案:负8.6摄氏度(或零下8.6摄氏度), 8.2℃.【例题3】一支体温计的示数为39.5℃,一位同学没有甩过就给体温正常的自己测量,这时体温计的示数是______.答案: 39.5℃.【例题4】体温计测人体温时,离开人体后_________表示人体温度,普通温度计离开被测物体后_________表示该物体温度.答案:仍能,不能.【例题5】把一支无刻度的温度计插入冰水温合物中时,水银柱长20cm,把它插入1标准大气压下的沸水里,水银柱长为 40cm,将它插入某液体中时,水银柱长 25cm,此液体的温度是_________℃.解析:画出温度计示意图,则根据温度计的刻度原理,得,解得℃.答案: 25℃.【例题6】没有甩过的体温计的读数是 37.7℃,用两支这样的体温计给两个病人测体温,如果病人的体温分别是37.5℃和 38.4℃,则这两支体温计的读数将分别是_________℃和________℃.答案:解:用没有甩过、读数是 37.7℃的体温计测 37.5℃的病人体温,这样的温度虽不能使水银膨胀上升到37.7℃,但读数仍是 37.7℃.用来测 38.4℃的病人体温,这样的温度可使水银膨胀上升超过 37.7℃,而达到38.4℃.填“ 37.7”,“ 38.4”.【例题7】某温度计上标有的测量范围是- 10℃~ 150℃,但将该温度计放入冰水混合物中示数是4℃,放入一标准大气压下的沸水中示数为 98℃,则这支温度计实际的测量范围是___________.答案:该温度计由第4格上升到第98格,代表实际温度从0℃到100℃,所以每格表示温度为.该温度计上的-10℃低于0℃14个格,其准确温度应为℃代表的准确温度应为℃.因此该温度计的实际测量范围为- 15℃--155.30℃.【例题8】甲、乙两支温度计,玻璃泡里装等量的水银,甲温度计的玻璃管的内径比乙粗,若两支温度计的分度值相同,则________的刻度更密一些.用它们测同一液体的温度,则_________测得更准确些.答案:甲、乙点拨:由于两温度计的玻璃泡内装等量的水银,故当它们升高或降低相同温度时,水银膨胀或收缩的体积相同.根据,内径粗的温度计液柱短,内经细的温度计液柱长,它们表示的温度是一样的.内经粗的刻度更密些.若用这两支温度计测同一物体的温度,由于内径细的分度值间隔大,估计范围大,误差小,故内径细的测量更准确【例题9】.在练习使用体温计时先测得甲的体温是37.5℃,若没有甩过之后又用它去测量乙和丙的体温,已知乙和丙的实际体温为36.5℃和38.5℃,那么在测量乙和丙的体温时,该体温表显示的读数分别是多少()A.36.5℃和38.5℃B.36.5℃和37.5℃C.37.5℃和38.5℃D.38.5℃和38.5℃【例题10】下面关于温度计和体温计用法中,正确的是:( A )A.用常用的温度计测液体温度时,温度计的玻璃泡不要离开被测液体;B.用体温计测体温读数时,体温计的玻璃泡不要离开人体;C.如果没有酒精来给体温计消毒,也可以把体温计放在沸水中消毒;D.用常用温度计和体计都能直接测出冰水混合物的温度。
大学物理实验中的常见实验仪器及其使用方法在大学物理实验中,为了能够准确、高效地完成实验任务,学生需要掌握各种实验仪器的名称、功能、工作原理以及使用方法。
本文将介绍大学物理实验中常见的实验仪器及其使用方法。
1. 基本实验仪器1.1 刻度尺刻度尺是物理实验中常用的测量工具,用于测量物体的长度、宽度等尺寸。
使用刻度尺时,要确保尺子与被测物体紧密接触,视线与尺面垂直,读数时要估读到分度值的下一位。
1.2 游标卡尺游标卡尺是一种精密的测量工具,适用于测量内径、外径、深度等尺寸。
使用时,首先要将游标卡尺的零刻度线与被测物体对齐,然后慢慢闭合游标,读数时要注意游标上指示的数值与主尺上的数值之和。
1.3 万用表万用表是一种多功能的测量仪器,可用于测量电压、电流、电阻等物理量。
使用时,要根据被测物理量选择合适的挡位,并将红、黑表笔分别接触到电路的两个点上。
1.4 示波器示波器是一种用于显示电压-时间波形的仪器。
在使用示波器时,首先要连接好信号源,然后根据实验需求调整扫描范围、时间基准等参数。
2. 光学实验仪器2.1 显微镜显微镜是一种用于观察微小物体的仪器。
使用显微镜时,首先要将样品放在载物台上,调整好焦距,然后通过目镜和物镜观察样品。
2.2 分光镜分光镜是一种用于观察物体光谱的仪器。
使用分光镜时,要将样品放在光路上,调整好光栅的位置,通过目镜观察光谱。
2.3 干涉仪干涉仪是一种用于观察光波干涉现象的仪器。
使用干涉仪时,要按照实验步骤调整好光路,观察干涉条纹。
3. 电学实验仪器3.1 直流电源直流电源用于提供稳定的直流电压,用于电学实验。
使用时,要确保电源输出电压稳定,然后将电源与实验电路连接。
3.2 交流电源交流电源用于提供稳定的交流电压,用于电学实验。
使用时,要确保电源输出电压稳定,然后将电源与实验电路连接。
3.3 电阻箱电阻箱用于提供可调的电阻值,用于电学实验。
使用时,要根据实验需求调整电阻值,然后将电阻箱与实验电路连接。
幼儿园大班科学《奇妙的温度计》教案一、教学内容本节课选自幼儿园大班科学教材第四章《天气和季节》中的第三节《奇妙的温度计》。
详细内容包括:温度计的认识,如何使用温度计测量温度,以及温度对生活的影响。
二、教学目标1. 让幼儿了解温度计的构造、使用方法,以及温度的概念。
2. 培养幼儿观察、记录温度变化的能力,激发对科学探究的兴趣。
3. 使幼儿认识到温度与生活的密切关系,增强环保意识。
三、教学难点与重点重点:温度计的使用方法,以及温度对生活的影响。
难点:如何让幼儿理解温度的概念,以及温度计的构造和工作原理。
四、教具与学具准备教具:温度计、热水、冷水、冰块、实验器材等。
学具:记录本、画笔、彩色笔、剪刀、胶水等。
五、教学过程1. 实践情景引入:教师展示一个神秘的箱子,里面装有热水、冷水、冰块,让幼儿猜测箱子里的物品,引导幼儿关注温度。
2. 教学内容讲解:(1)介绍温度计的构造、工作原理及使用方法。
(2)讲解温度对生活的影响,如天气、植物生长等。
3. 例题讲解:(1)如何使用温度计测量热水、冷水、冰块的温度?(2)如何记录温度变化?4. 随堂练习:(1)分组进行实验,测量不同物品的温度,并记录下来。
(2)讨论温度变化对生活的影响。
(2)引导幼儿思考如何保护环境,减少温度变化带来的负面影响。
六、板书设计1. 温度计的构造:玻璃管、液体(通常是酒精或汞)、刻度等。
2. 温度计的使用方法:将温度计放入被测物体中,等待片刻,读取刻度。
3. 温度对生活的影响:天气、植物生长、健康等。
七、作业设计1. 作业题目:观察家里的温度变化,记录一周的温度变化情况。
2. 答案:根据观察,记录每天的温度变化,如室内外温度、不同时间段的温度等。
八、课后反思及拓展延伸1. 反思:本节课幼儿对温度计的兴趣浓厚,但在操作过程中,部分幼儿对温度计的使用方法掌握不够熟练,需要在今后的教学中加强指导。
2. 拓展延伸:让幼儿回家后,与家长一起探讨温度对生活的其他影响,如烹饪、洗涤等,培养幼儿的观察力和思考能力。
温度计例题[例1]有位同学从寒暑表读得室温是 3℃,正确的读法是[ ]A.负摄氏3度 B.摄氏零下3度C.零下3度 D.零下3摄氏度[分析]摄氏温度的单位“C”,读作“摄氏度”,不能分割开,也不能读作人们日常所说的“度”。
[答] D[例2]某体温计示数是38℃,若粗心的护士仅消毒后就直接用它去测量37℃和39℃的病人的体温,则该体温计的示数先后分别是 [ ]A.37℃和39℃ B.38℃和39℃C.37℃和38℃ D.37℃和37℃[分析]体温计盛水银的玻璃泡上方有一段做得非常细的缩口,水银受热膨胀能通过缩口升到上面的玻璃管里;而当水银变冷收缩,却不会通过缩口退回玻璃泡,水银柱仍保持原来高度,即示数不变.所以,这只体温计能正确测出39℃的体温,而测低于原来38℃的体温时却仍然是38℃。
[答] B[例3]在摄氏温度中,把______的温度规定为0度,把______的沸水温度规定为100度。
[分析]对物理学中一定条件下的特别规定应加以记忆。
[答]第一空应填答:“冰水混合物”,第二空填答:“一个标准大气压下”。
[例4]人们常说“今天最高气温是摄氏16度”。
其错误在于_______。
[分析]摄氏温度的单位是摄氏度(℃)。
不应该将一人物理单位分割开写。
而要写成16摄氏度[答]应填写:“摄氏度这个物理单位不应分开写”。
[例5]冰水混合物的温度为______K;一个标准大气压下沸水的温度为______K。
[分析]由于冰水混合物的温度为0摄氏度、一个标准大气压下沸水的温度为100摄氏度。
根据关系式:T=(t+273)K,便可以得知结果。
[答]“273”,“373”。
[例6]如图所示,体温计的示数为______℃[分析]在读温度计示值之前,应首先确认该温度计所采用的温度单位、最小刻度、辩认出0度的刻线位置,再观察其示值。
[答]“39.9”。
[例7]一支温度计刻度均匀但示数不准,在一标准大气压下,把它放入沸水中,示数为95℃,放在冰水混合物中示数为5℃,现把该温度计悬挂在教室的墙上,其示数为32℃,教室内的实际温度是多少℃?[分析]这是一道通过多步计算求解的练习题。
初中物理测量的基本工具(五)——温度计一.温度计的构造与原理:(1)构造(2)原理:根据液体的热胀冷缩的性质制作的。
二.体温计、实验温度计、寒暑表的主要区别三.温度计的使用方法与注意事项1.温度计的使用方法⑴看清温度计的量程和分度值;⑵温度计的玻璃泡要全浸在液体中,不要靠碰到容器底和容器壁;⑶温度计浸入被测物体后要稍侯一会儿,待温度计的示数稳定后再读数;⑷读数时温度计的玻璃泡要继续留在液体中,视线要与温度计内的液面相平.2.温度计使用中的注意事项(1)根据被测量物选择适宜的温度计(2)玻璃泡全部浸入被测液体中,不要碰到容器底或容器壁(液体应该足够多以浸没玻璃泡) (3)记录时应待温度计的示数稳定后读数,读数时,玻璃泡不能离开被测液体,视线必须与液体柱的上表面相平(俯视读大,仰视读小)(4)使用温度计时,手应拿在它的上部,实验中不允许用它作搅拌棒使用。
四.例题解析【例题】关于温度计,请你填写以下空格。
(1)温度计是根据液体的________________的性质制成的。
(2)下图是体温计和寒暑表的一部分,其中图是体温计,甲、乙两温度计的示数分别为℃和℃。
(3①南极的最低温度为-88.3℃,应选用_________温度计来测量南极气温,因为___________________________;②在标准大气压下,沸水的温度为100℃,应选用_________温度计来测量沸水温度,因为_______________________。
【解析】(1)体温计、实验室用温度计以及寒暑表的原理是一致的。
(2)结合三种温度计的区别可以判断出哪个是体温计。
会正确读取温度计示数。
根据不同液体的凝固点和沸点的数值,结合待测温度选择合适的温度计。
【答案】(1)热胀冷缩;(2)甲;38.5;-5;(3)①酒精酒精的凝固点低于南极的最低气温;②水银水银的沸点高于沸水的温度。
【点评】本题考查了体温计和寒暑表构造和使用上的区别,也考查了温度计测温物质的选择的依据。
幼儿园大班科学活动《温度计》教案一、教学内容本节课选自幼儿园大班科学领域教材,主要涉及第五章《气象小达人》中的第二节《温度计》。
详细内容包括:认识温度计,了解温度计的用途和原理;学会使用温度计测量温度;通过实践活动,感受温度的变化。
二、教学目标1. 了解温度计的基本结构、用途和原理,知道温度计在生活中的重要性。
2. 学会使用温度计测量温度,并能正确读取温度数值。
3. 培养幼儿观察、思考、合作、表达的能力,激发幼儿对科学探究的兴趣。
三、教学难点与重点重点:认识温度计,学会使用温度计测量温度。
难点:正确读取温度数值,理解温度计的原理。
四、教具与学具准备1. 教具:温度计、热水、冷水、彩色笔、画纸。
2. 学具:每组一个温度计、一杯热水、一杯冷水。
五、教学过程1. 实践情景引入(5分钟)教师组织幼儿观察室内外温度的变化,引发幼儿对温度计的兴趣。
2. 讲解温度计的基本知识(10分钟)(1)教师展示温度计,讲解温度计的结构、用途和原理。
(2)教师示范如何正确使用温度计测量温度,并强调注意事项。
3. 幼儿分组操作(10分钟)(1)每组幼儿用温度计测量热水和冷水的温度,并记录数据。
(2)教师巡回指导,纠正错误操作,解答幼儿疑问。
4. 例题讲解(10分钟)教师出示例题,讲解如何根据温度计的数值判断物体的温度高低。
5. 随堂练习(10分钟)幼儿根据所学知识,独立完成练习题。
教师引导幼儿分享测量温度的过程和感受,培养幼儿的表达能力。
六、板书设计1. 板书温度计2. 板书内容:(1)温度计的结构、用途和原理。
(2)正确使用温度计的方法。
(3)温度计数值的读取。
七、作业设计1. 作业题目:(1)请家长协助,用温度计测量家中不同物品的温度,并记录下来。
(2)根据记录的温度数值,判断物品的冷热程度。
2. 答案:(1)记录表格见附件。
(2)根据温度数值,物品的冷热程度分为:很冷、冷、适中、热、很热。
八、课后反思及拓展延伸1. 反思:(1)本节课幼儿对温度计的兴趣浓厚,参与度高。
新课标规定的学生必做实验十二____探究水沸腾时温度变化的特点实验解读一.初中升学本实验理论考试需要掌握的基本问题 探究水沸腾时温度变化的特点实验报告 【实验目的】:观察水沸腾时的现象 【实验装置图】:【探究过程】【提出问题】水沸腾过程中,温度会随时间变化吗? 【猜想假设】水沸腾过程中,温度不随时间变化. 【设计实验】(一)实验器材:铁架台,石棉网,酒精灯,烧杯(50ml ),温度计,火柴,中心有孔的纸板、水、秒表。
(二)实验步骤:1.按图组装器材。
在烧杯中加入30ml 的水。
2.点燃酒精灯给水加热。
当水沸腾时,每隔0.5min 在表格中记录温度计的示数T ,记录10次数据。
3.熄灭酒精灯,停止加热。
4.冷却后再整理器材。
(三)实验数据记录表【进行实验】按照实验步骤操作,注意安全,记录实验数据如下表。
【分析论证】根据数据在坐标纸上描点作出温度T-时间t 的关系图象。
分析水沸腾时温度变化的数据图象,归纳实验结论。
实验结论:水沸腾过程中,温度不随时间变化。
【注意事项】1.石棉网位置要调整到加热效果最佳位,即外火焰的位置。
2.烧杯中的水要适量。
水多,够加热了。
其实还可以用热水,可缩短加热时间。
3.烧杯上加纸盖子,以减少散热。
4.温度计的玻璃泡要完全浸没在水里,并避免和烧杯底部或侧壁相接触。
温度计的玻璃泡离开水面或和容器壁接触,都会测不出水的真实温度,从而影响实验结果。
二.初中升学本实验操作性考试需要掌握的基本问题(一)初中毕业生升学考试物理实验操作试题探究水沸腾时温度变化的特点(考试时间:10分钟)【实验器材】50mL烧杯1个、水(温度接近90℃)、温度计1支、铁架台、石棉网、酒精灯、火柴、中心有孔的纸板、停表。
【实验记录】【实验结论】水沸腾时,温度变化的特点是___________。
【说明】1.考生只需在表格中填写相关数据,不要求书写完整的实验报告。
2.要真实记录实验数据,捏造数据相应扣分。
(二)初中毕业生升学考试物理实验操作试题评分标准实验总得分监考教师签字考试日期:2015年月日温度计。
物态及其变化例题温度的测量例题例1:利用寒暑表(室温计)、体温计和实验温度计进行测量时,应注意什么?例2:两支没有甩过的体温计的读数都是39℃,经消毒后直接用来测量体温是36.5℃和40℃的两个人,问这两支体温计的读数分别为( )A.36.5℃,40℃ B.都是40℃ C.都是39℃ D. 39℃,40℃例3:一根刻度不准确但均匀的温度计,在冰水混合物中显示为4℃,在沸水中显示的温度为96℃,把它插在温水中所显示的温度是20℃,那么温水的实际温度是( ) A.26℃ B.24℃; C. 10℃ D.17.4℃例4:比较开水和刚从冰箱内取出的冰棍,下列说法中正确的是 ( )A.开水的热多 B.冰棍的热少C.冰棍温度低 D.开水热,冰棍冷(区别热度和温度)例5:关于摄氏温度的规定,下列说法中正确的是( )A.冰的温度一定是O℃B.开水的温度一定是100℃C.把冰块投入100℃的开水中,水的温度一定是0℃D.物体温度升高1℃时也可以说物体温度升高了1K例6:在使用温度计测量物体的温度前应首先了解温度计的______、_______和_______.例7:将一烧红的钢块扔到水里后钢块将_______热(填“吸收”或“放出”);水的温度将________.(填“升高”或“降低”)例8:在使用液体温度计测量液体的温度时,下列要求中正确的是( )A.先把温度计中的液体甩入液泡内B.把温度计放在盛有被测液体的容器中,如图3C.读数时应将温度计取出D.记录结果要注明单位例10.在很冷的地区,为什么要用酒精温度计而不能使用水银温度计例11:使用温度计测量液体的温度,在读数时_______把温度计从液体中取出.(填“能”或“不能”)例12:医用体温度计的量程是_______,准确程度为______;它与其他常用温度计相比,最大的优点是。
例13、我国北方冬天,河流会结上厚厚的一层冰,冰的温度有时低达-40℃,假如在-40℃的冰下有流动的河水,那么水与冰交界处的温度是:()A 4℃B 0℃C -40℃D 略高于-40℃例14:有一只用毕没有甩过的体温计,读数保留在38.2℃,被误用来测量病人的体温.若病人实际体温是37.8℃,体温计的读数是______℃;如果病人实际体温是38.5℃,体温计读数是_____℃.例15:一根刻度不准确但均匀的温度计,在冰水混合物中显示为4℃,在沸水中显示的温度为92℃,把它插在温水中所显示的温度是48℃,那么温水的实际温度是多少?例16:在摄氏温度下,酒精的熔点是一117℃,沸点是78℃,如果我们规定酒精的熔点为0℃,沸点为100℃,在0℃到100℃之间分成100等分,每一等分作1℃.那么用这种温度计来测量时,冰水混合物的温度是_____℃,水的沸点是_____℃.例17:有一只温度计,其刻度是均匀的,但读数不准确,在冰水混合物中的读数为4℃,而在一标准大气压下沸水里时,读数为96℃,用这支温度计测一杯热水的读数为50℃,则这杯水的实际温度为:A 46℃B 48℃C 50℃D 54℃例18:有一支未刻刻度的水银温度计,当玻璃泡放在冰水混合物中时,水银柱的长度为4cm;当玻璃泡放在标准气压下的沸水中时,水银柱的长度为24 cm。
幼儿园大班科学活动《温度计》优质教案一、教学内容本次教学内容选自幼儿园大班科学领域,涉及教材第三章《测量与比较》中第二节《温度计使用》。
具体内容包括:认识温度计,解温度计用途;学习如何正确使用温度计测量温度;通过实践活动,培养幼儿对温度变化敏感度。
二、教学目标1. 让幼儿解温度计构造、用途及其工作原理。
2. 培养幼儿正确使用温度计进行温度测量技能。
3. 提高幼儿对温度变化敏感度,激发幼儿探索自然现象兴趣。
三、教学难点与重点1. 教学难点:温度计正确使用方法,温度读数准确性。
2. 教学重点:培养幼儿对温度变化敏感度,提高幼儿动手操作能力。
四、教具与学具准备1. 教具:温度计、热水、冷水、实验器材等。
2. 学具:每人一个温度计、实验记录表、画笔等。
五、教学过程1. 实践情景引入(5分钟)通过一个简单实践情景,让幼儿感受温度变化。
例如,请一位幼儿扮演“小医生”,用温度计为另一位“病人”测量体温。
在此过程中,引导幼儿关注温度计变化。
2. 讲解温度计构造与用途(10分钟)介绍温度计构造、用途及其工作原理,让幼儿对温度计有一个基本认识。
3. 演示温度计使用方法(10分钟)现场演示如何正确使用温度计测量温度,包括放置温度计、读取温度等步骤。
4. 例题讲解(10分钟)以热水和冷水温度为例,讲解如何使用温度计进行测量,并引导幼儿观察温度计中水银柱变化。
5. 随堂练习(10分钟)让幼儿分组进行实践操作,用温度计测量不同液体温度,并记录在实验记录表上。
六、板书设计1. 温度计构造2. 温度计用途3. 正确使用温度计方法4. 实验结果记录表七、作业设计1. 作业题目:请幼儿在家中用温度计测量家人或宠物体温,记录在实验记录表上。
答案示例:爸爸体温:36.5℃妈妈体温:37℃小狗体温:38℃2. 拓展延伸:观察并记录一天中室内外温度变化,解温度与季节、时间关系。
八、课后反思及拓展延伸本次教学中,大部分幼儿能够掌握温度计正确使用方法,并成功测量出不同液体温度。
2019-2020学年八年级物理新人教版温度计 例题解析
例1:读出图4—1所示甲、乙、丙、丁四个温度计的示数。
思路导航:甲温度计最小刻度值为1 ℃,液柱液面在“0”刻线上11整格处,估计值为0,故甲温度计示数为11.0 ℃;乙温度计最小刻度值为1 ℃,液柱液面在“0”刻线以下6格另加0.5 ℃估计值,故乙温度计的示数为-6.5 ℃;丙温度计最小刻度值为2 ℃,但没有直接标明“0”刻线,因此温度计上的刻度随液面下降而增大,说明此温度计的示数为负值,(这是关键!)故丙温度计的示数为-26.0 ℃;(不要忘记这里的负号!)丁温度计最小刻度为1 ℃,没有直接标明“0”刻线,但刻度值随液面升高而增大,说明此温度计示数是正值,故丁温度计的示数为47.3 ℃。
观察课本图4—4所示的四幅图,结合对应的文字说明,想一想:正确使用温度计应注意哪几点?
例2:图4—2所示,是某同学用温度计测水温的示
意图,其错误有:(1)______;(2)______;(3)____。
思路导航:(1)温度计的玻璃泡与液体没有充分
接触;(2)玻璃泡与容器壁相碰,容器底、壁的温度与容器中液
体温度有差异,故温度计的示数不是水温。
(3)视线斜视,与
“视线与温度计内液面齐平”不相符。
(从温度计使用注意点角度思考!)
图4—1
图4—3。
【大班认识温度计精品教案】大班科学温度计精品教案一、教学内容本节课我们将在大班科学活动中,深入学习温度计使用。
教学内容选自《幼儿科学探索》教材第四单元《天气秘密》,具体是第二章《温度变化》中第三节《认识温度计》。
我们将详细探讨温度计结构、工作原理以及如何读取温度。
二、教学目标1. 让幼儿解温度计基本结构,知道温度计作用。
2. 培养幼儿观察、记录温度变化能力。
3. 通过实践活动,让幼儿掌握读取温度计数值方法。
三、教学难点与重点难点:温度计读取方法。
重点:温度计结构和作用,以及如何正确读取温度计数值。
四、教具与学具准备1. 教具:温度计、热水、冷水、实验材料等。
2. 学具:每人一支温度计、记录表、画笔等。
五、教学过程1. 实践情景引入:通过给幼儿提供热水和冷水,让他们感受温度变化,引导幼儿关注温度。
2. 讲解温度计结构和作用,让幼儿观察温度计,解其组成部分。
3. 例题讲解:展示如何读取温度计数值,讲解读取方法。
4. 随堂练习:让幼儿分组进行实验,记录不同温度下数值,培养观察和记录能力。
六、板书设计1. 温度计结构:玻璃泡、毛细管、刻度等。
2. 读取温度计数值方法:视线与温度计垂直,读取液柱最高点对应刻度值。
七、作业设计1. 作业题目:观察家中一天中不同时间水温变化,记录在表格中。
答案:略(根据实际情况填写)2. 拓展题目:解还有哪些工具可以测量温度,它们工作原理是什?答案:略(引导幼儿通过查阅资料或询问家长获得答案)八、课后反思及拓展延伸本节课通过实践活动,让幼儿解温度计结构和作用,掌握读取温度计数值方法。
课后,教师应反思教学过程中不足之处,如语言表达是否准确,实验环节是否安全等。
在拓展延伸方面,可以让幼儿解其他测量温度工具,培养他们对科学探索兴趣。
同时,鼓励幼儿在家中观察和记录温度变化,提高他们实践能力。
重点和难点解析一、温度计结构与工作原理在讲解温度计结构时,我会用简单明语言描述温度计各个部分,如玻璃泡、毛细管等,并通过实物演示帮助幼儿形成直观认识。
幼儿园大班科学活动《温度计》教案一、教学内容本节课选自幼儿园大班科学领域教材《身边的科学》,具体内容为第三章《天气的变化》中的第三节《温度计》。
通过本节课的学习,让幼儿了解温度计的构造、用途及使用方法,知道温度的概念,学会观察天气变化。
二、教学目标1. 让幼儿了解温度计的基本构造和用途,知道温度的概念。
2. 培养幼儿观察、描述天气变化的能力,提高幼儿的科学探究能力。
3. 培养幼儿合作、分享的良好品质,增强幼儿的自信心。
三、教学难点与重点1. 教学重点:温度计的构造、用途及使用方法。
2. 教学难点:温度的概念,观察天气变化。
四、教具与学具准备1. 教具:温度计、PPT、天气预报视频。
2. 学具:每人一个简易温度计、观察记录表。
五、教学过程1. 实践情景引入(5分钟)教师带领幼儿观察窗外的天气,引导幼儿关注天气的变化,讨论天气与温度的关系。
2. 例题讲解(15分钟)(1)教师出示温度计,讲解温度计的基本构造和用途。
(2)教师演示如何使用温度计测量温度,讲解注意事项。
(3)教师引导幼儿讨论温度的概念,让幼儿知道温度是描述物体冷热程度的物理量。
3. 随堂练习(10分钟)(1)教师发放简易温度计和观察记录表,组织幼儿分组进行实践操作。
(2)幼儿测量室内外温度,记录在观察记录表上。
(1)教师组织幼儿分享实践操作的结果,讨论温度与天气的关系。
5. 拓展延伸(5分钟)教师播放天气预报视频,让幼儿观察不同城市的气温变化,激发幼儿对天气的兴趣。
六、板书设计1. 温度计的构造:玻璃管、液体(酒精或汞)、刻度。
2. 温度计的用途:测量物体温度。
3. 温度概念:描述物体冷热程度的物理量。
七、作业设计1. 作业题目:观察并记录家中一周的气温变化。
2. 答案:略。
八、课后反思及拓展延伸本节课通过实践情景引入、例题讲解、随堂练习等形式,让幼儿了解了温度计的构造、用途及使用方法,知道了温度的概念。
课后,教师应关注幼儿对温度计的使用情况,及时纠正错误。