机位图解析样板
- 格式:docx
- 大小:57.80 KB
- 文档页数:2
弱电机房设计图纸(CAD版)
还是先发一个设计说明,也叫工程概述,这是必备的部分。
— 2
这是机房平面布置图,里面的布置的设备都做了详细介绍!这样的图纸给你一目了然的感觉,任何人一看就懂!
这是机柜排列图,有了此图才能更好的规划机柜内的设备摆放,此图很有必要设计出来,尤其发给施工队伍,施工队伍一看就明白了!省心省力!
— 3
— 4
这是机房配电箱系统图,弱电的设备供电管理是很重要的一部分,一定要提前设计好!
— 5
— 6
这是机房地面设施位置图,里面包含了设施的摆放位置,实施的尺寸和安装方式!
—7
—8
这是机房接地及地板下桥架平面图,里面包含了机房的接地系统的做法,不懂机房接地的可以看看此图!
—9
—10
这是机房电气及装饰平面图,包含了机房装饰的做法和电气装置的安装位置和方法!
—11
—12
这是机房弱电桥架,弱电桥架的施工方法和尺寸
—13
—14
这是机房空调安装平面图,简单的了解一下就可以!
—15
—16
此图为机房插座和照明平面图,一般的施工队伍都可以看明白,一般情况下,机房的插座和照明都由总包来做,没有总包的就由工程商来做!
此图很多的人都会忽略,机房工程的主要设备材料表,薛哥觉得很有必要!
—17
—18。
机械图纸解析,看懂了它,所有的图纸都能轻松看懂〔干货〕1.纸幅面按尺寸大小可分为5种,图纸幅面代号分别为A0、A1、A2、A3、A4。
图框右下角必须要有一标题栏,标题栏中的文字方向为与看图方向一致。
2.图线的种类有粗实线、细实线、波浪线、双折线、虚线、细点划线、粗点划线、双点划线等八类。
3.图样中,机件的可见轮廓线用粗实线画出,不可见轮廓线用虚线画出,尺寸线和尺寸界限用细实线画出来,对称中心线和轴线用细点划线画出。
虚线、细实线和细点划线的图线宽度约为粗实线的1/3。
4.比例是指图中图形尺寸与实物尺寸之比。
5.比例1:2是指实物尺寸是图形尺寸的2倍,属于缩小比例。
6.比例2:1是指图形尺寸是实物尺寸的2倍,属于放大比例。
7.在画图时应尽量采用原值比例的比例,需要时也可采用放大或缩小的比例,其中1:2为缩小比例,2:1为放大比例无论采用那种比例图样上标注的应是机件的实际尺寸。
8.图样中书写的汉字、数字和字母,必须做到字体工整,笔画清楚,间隔均匀,排列整齐,汉字应用长仿宋体书写。
9.标注尺寸的三要素是尺寸界限、尺寸线、尺寸数字。
10.尺寸标注中的符号:R表示圆半径,ф表示圆直径,Sф表示球直径。
11.图样上的尺寸是零件的实际尺寸,尺寸以毫米为单位时,不需标注代号或名称。
12.标准水平尺寸时,尺寸数字的字头方向应向上;标注垂直尺寸时,尺寸数字的字头方向应朝左。
角度的尺寸数字一律按水平位置书写。
当任何图线穿过尺寸数字时都必须断开。
13.斜度是指斜线对水平线的倾斜程度,用符号∠表示,标注时符号的倾斜方向应与所标斜度的倾斜方向一致。
所标锥度方向一致。
14.符号“∠1:10〞表示斜度1:10,符号“ 1:5〞表示锥度1:5。
15.平面图形中的线段可分为线段、中间线段、连接线段三种。
它们的作图顺序应是先画出线段,然后画中间线段,最后画连接线段。
16.定形尺寸和定位尺寸的线段叫线段;有定形尺寸,但定位尺寸不全的线段叫中间线段;只有定形尺寸没有定位尺寸的线段叫连接线段。
SL1500机组图纸识图华锐风电科技(集团)有限公司概述本课件主要讲解SL1500机组图纸的基本知识,电气图形符号含义,读图一般方法和步骤以及简单电气原理图的分析;使新员工能系统地掌握识读电气图方法,熟练掌握电气图纸中的各种电气元件图形符号的含义,掌握能根据电气原理图查找电气实物,达到逐步提高的目的。
参考文件:SL1500机舱控制柜图纸《电气接线原理及运行》一、电气图定义一、定义:电气图是用各种电气符号、带注释的围框、简化的外形来表示系统、设备、装置、元件等之间的相互关系和联接关系的一种简图。
(电气符号包括图形符号、文字符号和回路标号等,它们相互关联、互为补充,以图形和文字的形式从不同角度为电气图提供各种信息;因此只有弄清楚电气符号的含义、构成及使用方法,才能正确地看图。
)二、作用:电气图阐述系统的工作原理,描述系统各部分的构成和功能,用来指导各种电气设备、电气线路的安装接线、运行、维护、和管理;是沟通电气工程技术人员的工程语言,是我们进行技术交流的一个重要手段。
三、电气图的格式:通常有边框线、图框线、标题栏、会签栏组成,见图1-1所示。
图1-1图中的标题栏相当于一个设备的铭牌,标示着这张图纸的名称、图号张次、制图者、审核者等有关人员的签名,其一般样式见图1-2。
标题栏一般放在下方,必须在本页图纸上,标题栏的文字方向与看图方向一致。
会签栏是留给相关专业设计人员会审图纸时签名用的。
见图1-2:NCC3X0接线图:代表为机舱控制柜图纸;设计单位为sinovel;图纸版本号(文档号):CN017.0035.01B1;适用机组(所属项目)为:SL1500风机;第222页代表当前页的页码;上页:220代表此页的前一页;下页:224代表此页的下一页;共354页,代表此份图纸到页码为第354页结束。
设计人员根据实物布局,在制图时,页码并非按照1、2、3……次序编页,中间可能缺数字,而并不代表缺页。
图1-2四、图幅分区:为了确定图上内容的位置及其他用途,对一些幅面较大、内容复杂的电气图进行分区。
八通线750V 二次图纸解读(三)为了方面大家读图,现将八通线750V 二次图纸部分举例说明,引导思路,供大家学习和交流,如有不妥之处请予以指正。
感谢李龙,张严同志的帮助!一:本站1#分闸跳邻站3#分闸端子柜分闸图第24页端子柜SLOT19联跳发送用户X0063S001/1通断0304X006111223K007K062/1 K032/2 56X002X0024243X300X3004142该压板为逆逻辑当联跳保护投入时压板打在断开位端子图第24页K042/1 56分闸图24页24/02—→当分闸故障跳闸,SLOT19经判断,其内部继电器5动作,常闭接点打开,接线端子9-10不通,发联跳信号—→端子柜图第24页—→S001压板为联跳保护投入压板, 当打在通位时越过用户不进行联跳,此处用户应为去联跳邻站相应开关,—→由此得知×300 41-42断开—→则端子柜X002 42-43断开—→K007接点为备用闸保护装置的输出信号, 正常时为闭合状态,当备用闸代分闸时,如备用闸跳闸,则此接点打开,发送联跳邻站分闸信号,—→K062/1的11-12接点在正常时闭合,原因如下: 当分闸旁路隔离开关在分位时,X300 57-58常闭接点闭合(注在实际图纸中,画为常开接点,待查,见右图)K062/1继电器动作,则11-12常开接点闭合。
当备用闸代分闸时,该旁隔合闸,其接点断开,则062/1失电,11-12接点打开,走K007的2-3接点回路。
—→上图中K042/1的5-6常开接点在设备正常时为断开状态(只有在备用闸带某个分闸时才闭合) 此时X006两端为导通状态;当发生故障跳闸时去联跳邻站时X006两端断开,如下图;X20011#分闸柜X300X3005758K062/1X00225隔开分闸220V K062/2K062/3端子图第20页X0063S001/1通断0304X006111223K007K062/1 K032/2 56X002X0024243X300X3004142端子图第24页K042/1 56用户(邻站30开关)用户(邻站30开关)3#分闸柜X300通断K006/3261X002X3003#分闸柜43X0024948K042/3K042/3用户(邻站10开关)用户(邻站10开关)S001/30102101211789X006X006本站分闸邻站分闸正常时邻站分闸图联跳接受回路导通情况:从3#分闸柜U330电源模块提供48V 到端子柜图26页(上图)K006/3继电器的线圈两端,由于线圈2-6为导通状态,所以不启动线圈,当线圈6和线圈1之间断开时,则启动K006/3线圈,然后送到3#分闸柜的SEPCOS 装置,启动跳闸。
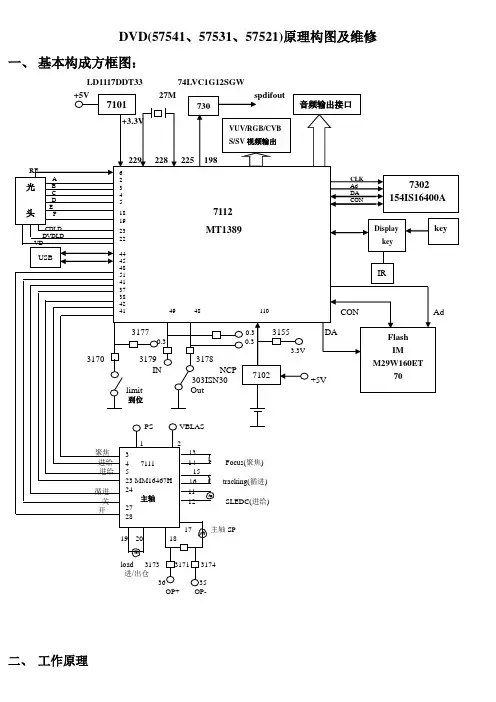
DVD(57541、57531、57521)原理构图及维修一、基本构成方框图:LD1117DDT33 74LVC1G12SGW二、工作原理机板加电后,由7101(LD1117DT33)向7112(MT1389)提供3.3V电源,7102(NCP303LSN30)向7112提供复位信号,27M晶体向7112提供27M时钟信号,MT1389通过控制数据地址线从7303(M29W160ET)读取开机指令,由MT1389执行开机指令,对各IC(RAM、EEPROM、Flash、DSP)检测,如无问题,则驱动激光头归位。
光头归位后,打开激光管发光,同时进行聚焦搜索动作,如光头检测到有信息返回,则CPU起动主轴马达,主轴电机开始转动。
碟片转动后,聚焦、循进进给、主轴电路进入闭工作状态,读取光碟目录和信息,光碟信号经过EFM解调纠错,MPEG解码、PCM解码、D/A转换、视频编码之后,分别从7112的不同脚位输出图像和声音信号。
三、故障判断及维修①不通电。
在检测故障之前应观看各IC及外围元器件是否有连锡、假焊,线路板是否有铜皮开路、短路等现象。
不通电一般主要是MT1389没有工作。
应首先检查MT1389的电源时钟及复位电路,还有MT1389和RAM及Flash连接线路是否正常。
在全部正常的情况下,才可怀疑OTP、RAM、MT1389是否不良。
一般能重烧OTP的话,MT1389及OTP基本正常,也可和代替法。
②图像不良。
常见有开机画面不良、开机图像暗、图像无彩色、DTV彩条异色、彩条黑点、图像条纹等情况。
因为视频解码、编码都在MT1389里面,故除了无彩色和27M 晶体有关外,一般为MT1389不良。
③声音不良。
常见有杂音、尖叫。
声音尖叫伴有死机一般为RAM故障。
声音杂音除了和OTP中的软件有关外,一般为MT1389不良。
④机芯工作异常。
如不进仓、机芯响、光头无动作、飞碟。
一般为MM1646及其外围器件假焊,MM1646不良比较少见。
机械图纸知识解析1.纸幅面按尺寸大小可分为5种,图纸幅面代号分别为A0、A1、A2、A3、A4。
图框右下角必须要有一标题栏,标题栏中的文字方向为与看图方向一致。
2.图线的种类有粗实线、细实线、波浪线、双折线、虚线、细点划线、粗点划线、双点划线等八类。
3.图样中,机件的可见轮廓线用粗实线画出,不可见轮廓线用虚线画出,尺寸线和尺寸界线用细实线画出来,对称中心线和轴线用细点划线画出。
虚线、细实线和细点划线的图线宽度约为粗实线的1/3。
4.比例是指图中图形尺寸与实物尺寸之比。
5.比例1:2是指实物尺寸是图形尺寸的2倍,属于缩小比例。
6.比例2:1是指图形尺寸是实物尺寸的2倍,属于放大比例。
7.在画图时应尽量采用原值比例的比例,需要时也可采用放大或缩小的比例,其中1:2为缩小比例,2:1为放大比例无论采用那种比例图样上标注的应是机件的实际尺寸。
8.图样中书写的汉字、数字和字母,必须做到字体工整,笔画清楚,间隔均匀,排列整齐,汉字应用长仿宋体书写。
9.标注尺寸的三要素是尺寸界限、尺寸线、尺寸数字。
10.尺寸标注中的符号:R表示圆半径,ф表示圆直径,Sф表示球直径。
11.图样上的尺寸是零件的实际尺寸,尺寸以毫米为单位时,不需标注代号或名称。
12.标准水平尺寸时,尺寸数字的字头方向应向上;标注垂直尺寸时,尺寸数字的字头方向应朝左。
角度的尺寸数字一律按水平位置书写。
当任何图线穿过尺寸数字时都必须断开。
13.斜度是指斜线对水平线的倾斜程度,用符号∠表示,标注时符号的倾斜方向应与所标斜度的倾斜方向一致。
所标锥度方向一致。
14.符号“∠1:10”表示斜度1:10,符号“ 1:5”表示锥度1:5。
15.平面图形中的线段可分为已知线段、中间线段、连接线段三种。
它们的作图顺序应是先画出已知线段,然后画中间线段,最后画连接线段。
16.已知定形尺寸和定位尺寸的线段叫已知线段;有定形尺寸,但定位尺寸不全的线段叫中间线段;只有定形尺寸没有定位尺寸的线段叫连接线段。