技术质量保证协议签订规范(1)
- 格式:doc
- 大小:49.50 KB
- 文档页数:6
质量保证协议书范本一、协议双方。
甲方,(甲方单位名称)。
地址,(甲方地址)。
法定代表人,(甲方法定代表人)。
联系电话,(甲方联系电话)。
乙方,(乙方单位名称)。
地址,(乙方地址)。
法定代表人,(乙方法定代表人)。
联系电话,(乙方联系电话)。
二、协议背景。
为了保障甲乙双方在合作过程中产品质量的稳定性及服务的可靠性,特制定本质量保证协议书。
三、产品质量保证。
1. 甲方保证所提供的产品质量符合国家相关标准,保证产品的安全性和稳定性。
2. 乙方在接收产品后,应当对产品进行严格的质量检验,如发现产品存在质量问题,应当及时向甲方提出书面质量异议,并提供相关证据。
3. 甲方接到乙方的书面质量异议后,应当在24小时内派员前往乙方现场进行调查,并在48小时内给予答复。
4. 对于因产品质量问题造成的损失,甲方应当承担相应的赔偿责任,赔偿金额不得低于产品实际价值。
四、服务质量保证。
1. 甲方在向乙方提供服务时,应当确保服务的及时性、准确性和完整性。
2. 乙方在接受服务后,如发现服务质量存在问题,应当及时向甲方提出书面质量异议,并提供相关证据。
3. 甲方接到乙方的书面质量异议后,应当在12小时内派员前往乙方现场进行调查,并在24小时内给予答复。
4. 对于因服务质量问题造成的损失,甲方应当承担相应的赔偿责任,赔偿金额不得低于服务实际价值。
五、协议变更。
本协议自双方签字盖章之日起生效,协议有效期为一年。
在协议有效期内,如有任何变更或补充,需经双方协商一致,并签订书面协议。
六、协议解除。
1. 本协议有效期届满后,如双方无异议,可继续延长协议期限。
2. 在协议有效期内,如一方违反协议内容且无法在规定的时间内进行整改,对方有权解除本协议。
七、争议解决。
本协议的履行、解释和争议的解决均适用中华人民共和国法律。
如发生争议,双方应友好协商解决;协商不成的,应提交至甲方所在地人民法院解决。
八、其他事项。
本协议未尽事宜,双方可另行约定。
本协议一式两份,甲乙双方各执一份,具有同等法律效力。
质保协议书范本篇一、质保协议书范本协议编号:协议签订地:甲方:(以下简称甲方)乙方:(以下简称乙方)本协议以双方签定的采购合同为基础,就甲方从乙方采购的零件或商品有关乙方质量、供应保证、“三包”服务签订如下协议。
一、目的本协议对于乙方供给甲方的产品,制定了与产品质量有关质量保证准则,以防止双方在解决产品质量问题方面而产生纠纷,谋求产品质量的提高及售后服务工作的完善为宗旨。
二、遵守法律、法规1、乙方为甲方提供的产品应遵守相关的最新国家标准或行业标准。
2、乙方以接收甲方正式的采购合同为标准,如果乙方判甲方的采购合同、相关技术文件与最新国家标准或行业标准相矛盾,要立即向甲方报告、协商。
三、质量保证的对象乙方为甲方提供的所有产品均作为质量保证的对象,对于所供产品双方需要制定一个明细(做到一物一明细),作为本协议的附件。
四、产品质量保证1、为了确保订货产品满足甲方质量要求,乙方应通过对订货产品的开发、设计、物资采购、制造、检查、保管、运输等全过程的质量监控,确立经济且有效的质量保证体系。
2、乙方对重要原材料(重要材料签订协议时提供给甲方确认)进行严格的进货检验和批次管理。
3、乙方交付给甲方的产品性能必须满足双方签定的有关产品图纸、技术协议及相关标准等方面的规定和规格要求。
4、甲方提出的任何质量投诉,乙方应立即采取更正行动予以改进,并在24小时内反馈给甲方。
5、乙方的产品出现质量问题时,甲方有权要求乙方进行例行试验(含国家权威机构的第三方试验),实验结果为乙方责任,乙方应免费按时向甲方提交所供产品的例行试验报告。
6、如发生以下事项,甲方有权要求乙方支付产生费用:乙方交货时间超出订单合约交期(交期延误)造成甲方生产停止。
乙方生产的配件在甲方入厂检验时,因品质问题乙方不能及时处理。
乙方生产的配件在甲方生产过程中,发生品质异常而造成甲方停产或已生产的产品返工、返修。
因乙方配件质量问题造成甲方产品,出厂后发生的质量事故(如退货等)。
企业与供货单位签订的质量保证协议引言质量保证协议是企业与供货单位之间达成的一项重要文件,旨在确保供货单位提供的产品和服务达到一定的质量标准。
合理的质量保证协议可以帮助企业降低质量风险、提升产品质量,从而增强竞争力和客户满意度。
背景作为企业的供应链关键环节,供货单位的质量直接影响到企业的运营和声誉。
为了降低采购风险和提高产品质量,企业与供货单位需要签订质量保证协议,明确双方的责任和义务。
质量保证协议的签订是供货单位成为长期合作伙伴的前提条件,有效的质量保证协议有助于建立稳定可靠的供应关系。
企业的要求企业在签订质量保证协议时,通常会要求供货单位满足以下要求:1.产品质量标准:明确产品的技术要求、质量指标和测试方法,确保产品能够满足企业的使用要求;2.交付时间和数量:确保供货单位按时提供足够的产品数量,以满足企业的生产计划和市场需求;3.售后服务和技术支持:要求供货单位提供及时的售后服务和技术支持,解决产品使用过程中的问题和困扰;4.质量管理体系:要求供货单位建立和执行完善的质量管理体系,确保产品的持续符合质量要求;5.临时提供品:如果需要,要求供货单位提供临时提供品,以保证生产的连续性。
供货单位的承诺供货单位在签订质量保证协议时,通常会承诺满足以下条件:1.产品质量保证:承诺产品符合相关的国家标准和企业的技术要求,不以任何理由提供次品或不合格产品;2.交货时间和数量保证:承诺按照协议约定的时间和数量,按时交付产品,并提前告知任何交货延迟的情况;3.售后服务和技术支持:承诺为企业提供快速响应的售后服务和技术支持,确保产品在使用过程中的顺利运行;4.质量投诉解决:承诺对产品质量投诉进行及时处理和解决,保护企业和供货单位的共同利益;5.质量管理体系:承诺建立和维护有效的质量管理体系,并接受相关部门的质量监督和审核。
协议内容和要点质量标准和要求协议应明确指出产品的技术要求、质量指标和测试方法,包括产品的性能、外观、耐用性等方面的要求。
质量保证协议(简称:甲方协议编号:)(简称:乙方需方:供方:)1、甲乙双方本着相互信赖、合作互利、共存共荣的信念,意识到企业的社会责任,在相互尊重对方自主性的同时实施质量管理甲乙双方本着:“互惠互利、共同发展”的原则,为保证乙方提供的产品,持续满足甲方质量要求,明确双方的质量责任,经双方协商签订如下协议:第一条:基本原则;2、甲乙双方同意各自充分考虑对方的需要,相互交换质量管理的必要情报;3、甲方的质量验证不能免除乙方提供的产品在后续使用中出现质量问题的责任。
第二条:目的本协议规范甲乙双方已商定的合同交付产品的质量以及质量保证活动。
第三条:范围1、本质量保证协议是每个订单的组成部分,并对所有由乙方收到并接受的甲方下达的订单而形成的乙方交付样品和批量产品有效,还对所有由上述订单引起的索赔有效。
2、如果乙方是代理商,则乙方承诺通知其生产商关于本质量保证协议的内容。
第四条:具体产品的质量协议1、如果有必要,甲乙双方将签订具体产品的质量补充协议,确保产品和基本的条件(要求、产品应用、制造过程……)满足与项目规范相一致的要求。
2、质量补充协议构成并补充当前的质量保证协议和其他购买文件。
第五条:质量保证的完成1、质量管理体系1.1乙方应建立和发展符合ISO 9001的质量管理体系,以实现质量管理体系建立和运行的适宜性、符合性和有效性。
如果乙方尚未通过甲方指定的质量管理体系认证,则乙方必须在得到甲方正式书面通知之日起,制定计划在两年内通过甲方指定的质量管理体系认证,且该计划须提交给甲方审核。
如乙方在前述两年内未通过甲方指定的质量管理体系认证,则甲方有权取消乙方合格供应商资格。
乙方必须在符合既有的质量政策的要求下,负责采取合适的行动以确保其生产和交货能力。
甲方有要求乙方提供相应证明的权利,乙方承诺按甲方要求在2个工作日内提供。
4、工艺文件、初始样品和再鉴定4.1乙方必须以书面形式制定制造过程,包括原材料的供应。
(完整版)质量保证协议书5篇全文共5篇示例,供读者参考篇1质量保证协议书甲方:(委托方)地址:电话:传真:联系人:乙方:(承包方)地址:电话:传真:联系人:鉴于甲方委托乙方承担某项工程项目的设计、施工、安装、调试等工作,为保证工程质量,双方经友好协商,达成以下协议:一、质量保证目标1. 乙方承诺按照国家有关标准和规范要求,严格遵守甲方的设计要求和施工标准,确保工程质量合格,实施质量保证。
2. 乙方必须派专人负责全程监督工程的设计、施工、材料选用等工作,并对工程质量负责。
3. 乙方承诺对工程过程中发现的质量问题和安全隐患,及时通知甲方,积极采取纠正措施,确保工程质量。
4. 甲方有权随时对工程施工现场进行检查,并对工程质量提出合理要求和改进建议,乙方应予以积极响应和配合。
二、质量保证措施1. 乙方在工程设计、施工前必须对工程所需材料、设备进行检测,确保符合相关质量标准。
2. 乙方必须建立严格的施工质量管理制度,保证施工过程的质量监督和检查。
3. 乙方应配备必要的专业技术人员,确保工程设计、施工、调试等各个环节的质量控制。
4. 乙方应定期组织施工人员进行技术培训,提高施工作业水平和质量意识。
5. 乙方必须对施工现场进行安全检查,确保施工过程中的安全生产。
6. 乙方应配合甲方建立质量验收制度,按照工程进度及时开展工程验收工作。
三、质量保证责任1. 若乙方在工程质量保证过程中发现质量问题,应立即停工并向甲方报告。
如造成经济损失,乙方承担相应的赔偿责任。
2. 若乙方未按约定质量标准和时间节点完成工程任务,甲方有权要求乙方立即整改,并对延期造成的损失进行赔偿。
3. 若乙方擅自变更工程设计或材料品牌,导致工程质量不合格,乙方需承担相应的违约责任。
4. 若乙方发生质量事故,导致人身伤害或财产损失,乙方应承担全部责任,并赔偿甲方的损失。
四、质量保证期限1. 乙方应按照双方约定的时间节点完成工程任务,并保证工程质量在交付使用后的一年内实行质量保修。
质量保证协议模板8篇篇1甲方(质量保证方):__________________公司地址:_____________________________________联系方式:_________________________(电话、邮箱等)法定代表人:_________________________乙方(产品提供方):__________________公司地址:_____________________________________联系方式:_________________________(电话、邮箱等)法定代表人:_________________________鉴于甲乙双方为了共同维护产品质量,提高市场竞争力,本着公平、公正、诚实信用的原则,经友好协商,达成如下质量保证协议:一、协议目的甲乙双方通过签订本协议,明确双方在产品质量保证方面的权利和义务,确保产品符合预定的质量标准,维护消费者的合法权益。
二、质量保证要求1. 乙方应按照甲方的质量要求和相关标准生产,确保产品质量符合预定标准。
2. 乙方应建立严格的质量控制体系,确保生产过程中每个环节的质量控制。
3. 乙方需提供完整的产品质量证明文件,包括但不限于产品检验报告、合格证明等。
4. 乙方应确保产品的包装完好无损,符合相关规定。
5. 若产品存在质量问题,乙方应无条件进行退换货处理。
三、质量信息交流与反馈1. 甲乙双方应建立定期的质量信息交流机制,确保信息畅通。
2. 乙方应及时向甲方反馈生产过程中的质量问题,甲方应提供必要的支持。
3. 对于重大质量问题,乙方应立即通知甲方,并共同协商解决方案。
四、质量保证期限与保证措施1. 本协议约定的质量保证期限为_____年/月。
2. 在质量保证期限内,如因乙方产品质量问题造成消费者损失,乙方应承担相应的赔偿责任。
3. 乙方应提供必要的质量保证措施,包括但不限于原材料采购控制、生产工艺控制、人员培训等。
质量保证协议书(精选12篇)质量保证协议书 质量保证协议书怎么写? 1 、标题:双⽅单位名称事由,协议书三部分组成。
2 、正⽂:条款内容 协商⽬的 协商⽬的责任 协议的时间和期限 协商⽬的条款和酬⾦{价格明确总额⼤写必须明确货币种类} 履⾏条款期限 违反条款的责任处理 落款{签署} 签署⽇期 质量保证协议书(精选12篇) 随着社会⼀步步向前发展,很多地⽅都会使⽤到协议书,签订协议书能够较为有效的约束违约⾏为。
相信很多朋友都对拟协议书感到⾮常苦恼吧,下⾯是⼩编为⼤家整理的质量保证协议书(精选12篇),仅供参考,⼤家⼀起来看看吧。
质量保证协议书1 甲⽅: ⼄⽅: 基于甲⽅拟从⼄⽅采购⼄⽅提供的货物。
甲⽅依据⼄⽅提交的各项资料经审查认定⼄⽅具有向甲⽅供货的资格,⽽且⼄⽅同意向甲⽅提供符合甲⽅要求的货物;甲⼄双⽅本着互惠互利、共同发展原则,在平等⾃愿的基础上,为建⽴长期友好的合作关系,特签订本合同。
第⼀条基本合同 1、合同效⼒:本合同为双⽅关于⼄⽅向甲⽅供货业务的长期基本合同,对双⽅商定的基本条款进⾏约定。
本合同从双⽅发⽣业务关系起⾄在双⽅保持业务期间,持续有效。
本合同签订之前,双⽅已经签订的相关合同、协议等与本合同相抵触的或未涉及到的条款均以本合同为准。
2、本合同附件:在双⽅往来业务中,与履⾏本合同相关的协议、合同、传真、订单、信函等均为本合同的有效附件,对双⽅具有约束⼒,但与本合同冲突时应以本合同为准。
第⼆条质量保证及质量事故责任的承担 1、基本要求:⼄⽅必须具有合法的⽣产或经营资质,⼄⽅保证向甲⽅提供最新版本的资质材料和质量标准,并保证所提供资料的真实性、合法性,并有责任及时更新已经过期、变更的资料。
2、技术要求: (1)、⼄⽅每次向甲⽅提供产品时必须附检验合格证明及发货清单,⼄⽅所提供的产品必须符合国家标准或其他必须执⾏的⾏业质量标准及甲⽅内控标准,并保证完全符合国家的相关法律法规以及环保等要求。
质量保证协议书质量保证协议书1为提高企业产品质量,促进企业健康发展,增强企业产品竞争力,保护消费者合法权益,经(甲方)与(乙方)协商一致,达成以下协议:一、甲方的责任和义务1、甲方按照国家相关规定、标准组织生产,不断提高其产品质量,对其产品有检验需求时应主动与乙方联系,可自行送样或委托乙方抽样,以便完成对甲方产品的检验、鉴定等活动。
2、甲方委托乙方检验的产品应真实、有代表性。
成批产品应按国家标准要求抽取样品。
3、按协议要求及时缴纳服务费。
二、乙方的责任和义务1、乙方在接到甲方样品或对甲方的产品进行委托抽取样品后应及时进行委托检验、鉴定等活动。
2、乙方应科学、公正、准确、及时地出具检验报告。
3、乙方接受甲方对其检察人员的培训委托。
三、对甲方提供的产品乙方无法检测的,甲、乙双方协商同意后可送上一级部门进行检测,检测费用由甲方承担。
四、甲方自愿向乙方一次性支付服务费。
五、未尽事宜,由甲、乙双方协商解决。
六、协议期限从年月日至年月日。
协议人:日期:__年__月__日质量保证协议书2致:中国邮政储蓄银行有限责任公司云南省分行本书作为我公司__昆明亚帆广告有限公司__(供应商名称)对中国邮政储蓄银行有限责任公司云南省分行“设备实物标签制作采购”项目(项目编号:CG025)公开招标提供的服务保证的证明。
1、为了使用户对产品质量、销售价格、交货期限、售后服务等达到满意放心按照设计图纸和制作流程施工,不擅自修改设计图纸,不偷工减料。
在施工过程中发现设计文件和图纸有差错的,及时提出意见和建议。
2、如出现质量问题,立即处理,严格按照图纸或者甲方要求制作。
3、按合同要求把货送到指定定点。
供应商名称:(盖法人单位公章)______________________法定代表人或授权委托代理人:(签字)______________________日期:11月8日质量保证书致:中国邮政储蓄银行有限责任公司云南省分行本书作为我公司__昆明亚帆广告有限公司__(供应商名称)对中国邮政储蓄银行有限责任公司云南省分行“设备实物标签制作采购”项目(项目编号:CG025)公开招标提供的质量保证的'证明。
质量保证协议范本1、目的:为明确公司(简称为甲方)对供应商的质量要求,并为供应商(简称为乙方)的产品不合格时,作为处理和索赔的依据。
2、质量要求:2.1、乙方为甲方提供的产品,其性能必须符合甲方的《原材料技术标准》或《外协件内控标准》。
2.2、乙方每次送货时,必须提供物资的合格证或自检报告等证明物资合格的材料。
2.3、乙方的产品包装必须满足甲方要求;包装必须注明生产日期、生产批号、有效期、重量等。
2.4、当甲方的顾客需要到乙方进行验证时,乙方应给予安排并配合验证工作。
2.5、乙方必须保证百分之百的及时供货能力。
3、发生不合格的处理:3.1、经甲方验证不符合《原材料技术标准》的原材料或不符合《外协内控标准》的外协件,乙方必须进行退货,并由乙方负担甲方的运输费及试验费。
(运输费按每100公斤;10元/10公里、试验费按30元/100公斤)。
3.2、发现乙方物资不合格时,应及时按甲方提供的信息进行整改,并在15天内提交给己方整改措施报告,经甲方确认后才能再次送货。
备注:(虽然我公司对关键物资、重要物资、一般物资进行性能试验或检验,但在使用过程中如出现质量问题,乙方不能推卸责任,并由乙方负担全部损失)。
乙方负责人签字(盖章):_____质量保证部签字(盖章):_____质量保证协议范本(二)1、目的:为明确公司(简称为甲方)对供应商的质量要求,并为供应商(简称为乙方)的产品不合格时,作为处理和索赔的依据。
2、质量要求:2.1、乙方为甲方提供的产品,其性能必须符合甲方的《原材料技术标准》或《外协件内控标准》。
2.2、乙方每次送货时,必须提供物资的合格证或自检报告等证明物资合格的材料。
2.3、乙方的产品包装必须满足甲方要求;包装必须注明生产日期、生产批号、有效期、重量等。
2.4、当甲方的顾客需要到乙方进行验证时,乙方应给予安排并配合验证工作。
2.5、乙方必须保证百分之百的及时供货能力。
3、发生不合格的处理:3.1、经甲方验证不符合《原材料技术标准》的原材料或不符合《外协内控标准》的外协件,乙方必须进行退货,并由乙方负担甲方的运输费及试验费。
范本质量保证协议样本甲方:【公司名称】地址:【公司地址】电话:【公司联系电话】传真:【公司传真号码】邮箱:【公司邮箱】乙方:【供应商名称】地址:【供应商地址】电话:【供应商联系电话】传真:【供应商传真号码】邮箱:【供应商邮箱】鉴于甲方为了确保范本的质量,与乙方达成以下协议:第一条范本质量标准1. 甲方要求范本的质量符合国家相关标准和行业规范。
2. 范本的外观应完好无损,无明显划痕、污渍、变形等缺陷。
3. 范本的尺寸、颜色、图案应与甲方提供的标准样本一致。
第二条范本检测要求1. 范本的质量检测由甲方负责,可以委托第三方检测机构进行。
2. 检测内容包括外观检查、功能检测、安全性检测等。
3. 检测结果应以书面形式提供,并由双方共同确认。
第三条范本质量保证期限1. 乙方保证范本的质量问题在交付后90天内解决,包括提供免费维修、更换或退货等措施。
2. 若范本在使用过程中出现质量问题,甲方有权要求乙方承担全部损失,并追究乙方的责任。
第四条甲方义务1. 甲方应在范本交付前对范本进行检查,如发现质量问题要及时提出,并与乙方商议解决措施。
2. 甲方应妥善保管范本,并按照乙方提供的使用指南正确使用范本。
第五条乙方义务1. 乙方应按照甲方的要求制作范本,并确保范本质量符合协议约定。
2. 若范本未能满足协议要求,乙方应承担相应的赔偿责任。
第六条争议解决1. 本协议的履行、解释及争议的解决均适用中华人民共和国法律。
2. 若双方在履行本协议过程中发生争议,应通过友好协商解决;协商不成的,可向有管辖权的法院提起诉讼。
第七条附则1. 本协议自双方签字盖章之日起生效,有效期为两年。
2. 本协议一式两份,甲乙双方各执一份,具有同等法律效力。
甲方(盖章):乙方(盖章):日期:日期:。
质量保证协议范本6篇篇1甲方(质量保证方):___________________地址:_______________________________法定代表人:_________________________联系方式:___________________________乙方(产品提供方):___________________地址:_______________________________法定代表人:_________________________联系方式:___________________________鉴于甲方拥有较强的质量控制和检验能力,乙方欲从甲方购买相关产品或服务,为明确双方责任和义务,经友好协商,双方就产品质量保证事宜达成如下协议:一、协议目的本协议旨在明确甲乙双方关于产品质量的保证事项和相关责任,确保提供给乙方的产品符合约定的质量标准,满足乙方的使用需求。
甲方承诺对提供给乙方的产品执行严格的质量控制,保证产品的质量符合双方约定的标准和要求。
涉及的具体产品或服务以及质量标准要求,将在订单和具体合同中进一步细化。
三、质量保证内容1. 产品检验:甲方承诺对每一批次的产品进行严格的检验和测试,确保产品出厂前的质量达标。
2. 质量保证期限:自产品交付给乙方之日起不少于____个月的质量保证期。
在此期间内,如因产品质量问题导致的损失,甲方承担相应责任。
3. 质量信息反馈:乙方在使用甲方产品过程中发现质量问题,应及时通知甲方并提供相关证据,甲方应在接到通知后及时进行处理。
4. 质量改进:甲方在接到乙方关于产品质量问题的反馈后,应积极改进生产技术或管理流程,防止类似问题再次发生。
5. 产品退换货:如乙方发现甲方产品存在质量问题不能正常使用,应书面通知甲方并提供充分证据。
甲方在确认质量问题后应接受退换货安排,并承担相应费用。
四、保密条款双方应对在本协议履行过程中获知的对方商业秘密及技术秘密予以保密,未经对方书面许可,不得向第三方泄露。
质量保证协议由谁签字的有效质量保证协议甲方:(公司名称)地址:法定代表人:统一社会信用代码:电话:传真:邮编:乙方:(公司名称)地址:法定代表人:统一社会信用代码:电话:传真:邮编:鉴于乙方向甲方提供XXXX(服务/产品)业务,甲方需要对于该业务进行质量保证,以保障乙方和甲方的合作利益。
双方应该按照诚实信用、公平合理、公开透明的原则,友好协商,签订如下《质量保证协议》:一、服务/产品的内容及承诺(此处根据实际情况填写)二、甲方的权利和义务1.甲方在乙方完成XXXX(服务/产品)业务之前,有权对乙方提供的资质、技术和相关文件进行审核。
2.甲方有权对乙方提供的服务或产品进行授权认证,并与乙方共同对外宣传。
3.在乙方向甲方提供服务或产品过程中,如果出现问题或瑕疵,甲方有权向乙方提出整改要求,乙方应积极配合和改正。
4.甲方有义务按照合同约定及时向乙方支付相应报酬。
三、乙方的权利和义务1.乙方应当在签订合同后按照协议内容提供服务或产品。
2.乙方有义务保证所提供的服务或产品质量符合相关法律法规的要求,且不会侵犯他人合法权益。
3.乙方在向甲方提供服务或产品过程中,应保持诚信,不得利用甲方的权利和义务谋取不正当利益。
4.乙方应在完成所提供的服务或产品后,按照合同约定的期限和方式回收或销毁相关文件和资料。
四、履行方式和期限本协议自签订之日起生效,至XXX年XX月XX日止。
五、违约责任1.如果乙方未能按照合同要求提供服务或产品,甲方有权要求乙方立即改正并承担相应违约责任。
2.如因乙方原因导致甲方遭受损失的,乙方应承担相应赔偿责任。
3.本协议一方违约,对另一方造成损失的,违约方应承担相应赔偿责任。
六、法律效力和可执行性本协议适用中华人民共和国的有关法律法规。
如因本协议引起的任何争议,双方应友好协商解决,如协商无果,应向合同约定的履行地人民法院诉讼解决。
七、其他1.本协议履行过程中,如有双方对协议条款有异议,应及时协商解决。
质量保证协议模板日期:____年____月____日甲方:(公司/个人名称)乙方:(公司/个人名称)鉴于双方为合作共赢,确保产品/服务的优质及有效交付,特订立本《质量保证协议》(以下简称“本协议”),并共同遵守以下约定:第一条质量标准1. 甲方与乙方共同确认,双方合作的产品/服务应符合相关质量标准,并达到以下要求:(列出具体要求,如性能、安全、可靠性等)2. 甲方有权要求乙方提供产品/服务的技术规格书/说明书,并对其进行审核和验收。
第二条质量保证义务1. 乙方应保证所提供的产品/服务符合本协议约定的质量标准,并能满足甲方的合理需求。
2. 乙方应提供高质量的产品/服务,确保其性能、功能正常运作,并保证不存在任何瑕疵、缺陷或损害甲方利益的情况。
3. 如发现产品/服务存在质量问题,乙方应立即采取补救措施,确保产品/服务的质量达到要求。
第三条售后服务1. 乙方应提供适时、高效的售后服务,确保产品/服务在合理使用范围内正常运行。
2. 如甲方发现产品/服务存在问题,乙方应立即响应并协助解决,确保甲方的正常生产/经营不受影响。
3. 对于因乙方所提供的产品/服务导致的甲方损失,乙方应负责承担相应责任并进行赔偿。
第四条争议解决1. 对于因履行本协议所发生的争议,双方应通过友好协商解决。
2. 如协商未果,争议应提交至双方所在地的法院诉讼解决。
第五条协议变更与终止1. 本协议的修改、补充以及对特定条款的豁免必须经过双方书面协商并取得一致意见。
2. 若发生以下情况,本协议可提前终止:a. 双方达成书面一致终止协议的意见;b. 乙方违反本协议约定,经甲方通知后逾期未改正;c. 根据法律法规的规定,因不可抗力等原因导致协议解除。
第六条保密条款1. 双方在履行本协议过程中可能获取到相互关注的商业、技术、战略等信息,双方应予以保密。
2. 未经对方书面同意,一方不得将涉及本协议的任何信息披露给第三方。
第七条生效与备案1. 本协议正式签署后即生效,自____年____月____日至____年____月____日。
质量保证合同范本甲方(委托方):____________________乙方(受托方):____________________根据《中华人民共和国合同法》及相关法律法规的规定,甲乙双方在平等、自愿、公平、诚实信用的原则基础上,就甲方委托乙方提供质量保证服务事宜,达成如下协议:一、合同主体1.1 甲方是指需要乙方提供质量保证服务的单位或个人。
1.2 乙方是指具有质量保证能力,愿意为甲方提供质量保证服务的单位或个人。
二、服务内容2.1 乙方应按照甲方的要求,对甲方生产的产品或提供的服务进行质量保证。
2.2 乙方应按照甲方的要求,制定质量保证方案,包括质量标准、检验方法、检验周期等。
2.3 乙方应按照甲方的要求,对甲方生产的产品或提供的服务进行现场检验、抽样检验或全数检验。
2.4 乙方应按照甲方的要求,对甲方生产的产品或提供的服务进行质量分析,并提出改进建议。
2.5 乙方应按照甲方的要求,对甲方生产的产品或提供的服务进行质量培训。
2.6 乙方应按照甲方的要求,对甲方生产的产品或提供的服务进行质量认证。
三、服务期限本合同自双方签字盖章之日起生效,有效期为_______年,自合同生效之日起计算。
四、服务费用4.1 甲方应向乙方支付服务费用,具体金额为人民币(大写):_______元整(小写):¥_______元。
4.2 甲方应在合同签订后_______日内支付乙方服务费用的_______%作为预付款,剩余款项在服务期满后_______日内一次性支付。
五、保密条款5.1 双方在履行本合同过程中所获悉的对方商业秘密和技术秘密,应予以严格保密。
5.2 保密期限自本合同签订之日起算,至合同履行完毕之日止。
六、违约责任6.1 任何一方违反本合同的约定,导致合同无法履行或造成对方损失的,应承担违约责任,向对方支付违约金,并赔偿损失。
6.2 乙方未按照甲方要求提供质量保证服务的,甲方有权要求乙方重新提供服务,直至达到甲方要求的质量标准。
技术质量验收协议书8篇篇1甲方(采购方):_________________________乙方(供应方):_________________________鉴于双方就本次技术产品交易达成合作意向,为确保技术产品质量符合约定标准,特订立本技术质量验收协议书(以下简称“本协议”)。
一、协议目的本协议旨在明确甲乙双方在技术产品质量验收方面的权利和义务,保障双方的合法权益,确保产品质量的稳定和可靠。
二、验收原则1. 公平、公正、科学、合理的原则。
2. 依据合同约定及国家相关标准、规范进行验收。
3. 严格按照验收流程进行,确保验收结果的准确性和可靠性。
三、验收范围和标准1. 验收范围:本次交易涉及的所有技术产品。
2. 验收标准:按照合同约定的技术规格、性能参数及国家相关标准、规范进行验收。
如合同未明确约定,则按照国家现行相关标准、规范进行验收。
四、验收流程1. 甲方应在收到技术产品后,及时通知乙方进行验收。
2. 乙方应在接到通知后,按照合同约定的时间及地点,派出技术人员参与验收。
3. 甲方应提供必要的验收环境和条件,确保验收工作的顺利进行。
4. 验收过程中,如发现技术产品存在质量问题,甲方有权要求乙方进行整改或退货处理。
5. 验收合格后,双方签署验收报告,确认技术产品质量符合约定标准。
五、质量保证和售后服务1. 乙方应保证所供应的技术产品质量符合合同约定及国家相关标准。
2. 乙方应提供必要的技术支持和售后服务,确保技术产品的正常运行和使用。
3. 如在质量保证期内出现质量问题,乙方应负责免费维修或更换。
4. 双方可另行签订补充协议,约定具体的质量保证和售后服务条款。
六、违约责任1. 若因乙方所供应的技术产品质量不符合合同约定及国家相关标准,导致甲方损失的,乙方应承担相应的赔偿责任。
2. 若甲方未按照本协议约定的流程进行验收,导致验收结果不准确或产生纠纷的,甲方应承担相应责任。
3. 双方应遵守本协议的其他条款,如违反约定,应承担相应的违约责任。
质量技术标准合同甲方(购买方):___________________乙方(供应方):___________________鉴于甲乙双方就甲方购买乙方产品事宜达成如下协议,为明确双方权益,维护商业秩序,经友好协商,特订立本质量技术标准合同协议。
一、协议目的本协议的签订旨在明确甲乙双方关于产品质量技术标准的约定,保证甲方购买产品的质量和技术的合法性,保护双方合法权益。
二、产品质量要求1. 乙方保证所供应的产品符合国家相关质量标准及行业标准。
如因产品质量问题导致甲方损失,乙方应承担相应的赔偿责任。
2. 乙方应提供完整的产品质量证明文件,包括但不限于产品合格证、检验报告等。
3. 乙方应严格按照甲方提供的技术要求生产,确保产品质量满足甲方的需求。
三、技术标准1. 乙方应按照甲方提供的技术标准生产产品,确保产品符合相关技术标准的要求。
如有任何技术疑问或困难,应及时与甲方沟通并协商解决。
2. 本协议所涉及的技术标准作为双方交易的依据,乙方应遵守并严格执行。
如因乙方违反技术标准导致甲方损失,乙方应承担相应的赔偿责任。
四、产品质量检验与验收1. 乙方应按批交付产品,并提供每批产品的检验报告。
甲方有权对每批产品进行抽样检验。
如产品质量不符合约定,甲方有权拒绝接收或要求退货。
2. 产品交付后,甲方应在约定时间内完成验收。
如验收过程中发现质量问题或技术不符合约定,甲方应在验收期内书面通知乙方,乙方应在接到通知后及时进行处理。
五、质量保证及售后服务1. 乙方应保证所供应产品的质量,提供必要的质量保证期限。
在质量保证期限内,如因产品质量问题导致的使用故障或损坏,乙方应负责免费维修或更换。
2. 乙方应提供完善的售后服务,确保甲方的合法权益。
如甲方在使用过程中遇到问题,乙方应积极协助解决。
六、违约责任1. 如乙方供应的产品质量不符合约定或技术标准不符合要求,甲方有权要求退货或换货,并要求乙方承担因此产生的损失。
2. 如乙方未按照约定时间交货,应承担逾期交货的违约责任,包括但不限于赔偿甲方因此产生的损失。
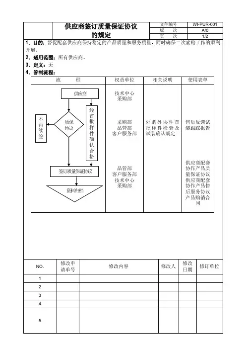
1.0目的:
为规范与供应商签订技术质量保证协议,使其符合国家法律、法规和公司签订合同的要求,特制定本规范。
2.0管理内容:
2.1 采购部按照技术质量保证协议的有关规定,组织供应商的质量认证审核工作,以及与供
应商签订、更新技术质量保证协议。
2.2 协议签订应严格按照《技术质量保证协议》通用模版,结合具体物料和供方特点,可作
局部更为详细规定,以确保供方通过协议条文明确对我方技术、质量和服务的保证要求,以及相应的责任和义务。
2.3 需要强调指出的是协议文本4.1条款中的技术标准要求必须明确,否则不能签订。
2.4 协议甲方签字由法定代表人或委托代理人签字,加盖公司合同专用章或公章生效,供方
签字应是法定代表人或委托代理人签字,加盖供方合同专用章或公章生效。
2.5 协议签订后应提交业务部登记、归档。
2.6 附《技术质量保证协议》通用模版。
附:
技术质量保证协议
甲方: 上海**机电科技有限公司:乙方:
1、范围
甲乙双方本着真诚合作、共同发展的目的,为了保证乙方向甲方提供高质量的产品和服务,满足甲方的质量要求,避免因产品质量或服务问题造成损失,双方在乙方供货质量要求方面达成一致共识,经双方友好协商签订本协议。
本协议适用于以下产品:
本协议经双方法定代表人或委托代理人签字、盖章之日起生效(除非重新签订新的协议),双方各执一份,效力相同,适用于采购合同签定。
乙方应依据本协议严格进行有效的合同评审。
若有任何质量疑问或不明确之处,请及时与甲方人员取得联系以得到书面确认,任何口头协议甲方均不予承认。
2、引用标准
双方若在以下标准出现更改应以受控文件的形式及时通知对方。
3、定义
3.1产品的一致性:指批产品之间在原材料、工艺、生产设备一致性基础上保证与认定样品或小批量在外观、性能和可靠性方面表现出的一致性,特别在不可量化测量的指标方面应保证产品的一致性。
3.2交货批:每个代码、每个合同号、每次交货计一个交货批。
3.3批不合格:某个代码、合同号交货批产品质量不符合本协议任意条款要求,并属于乙方责任,则判定为批不合格。
4、产品性能、可靠性质量要求
4.1乙方承诺,所提供产品性能、可靠性质量符合(可多选):
□技术标准要求:
标准文件名称:编号:
□加工图纸、资料要求;
□以及相关法令、法规要求;
□乙方产品企业标准(应提供甲方)要求:(或贸易商提供制造厂商的技术手册等)标准文件名称:编号:
□直接引用对应物料的国际、行业、国标技术标准要求:
标准文件名称:编号/版本号:
4.2乙方承诺,提供产品安全性、可靠性符合以下要求:
4.3 特殊要求或附加要求:(见附页,或对应技术标准要求)
5、外观质量、包装、标志等要求
5.1外观质量要求:
5.2产品包装、标志等要求:
5.2.1乙方提供产品应严格根据产品特点制定相应的包装标准(列出文件名称:
)并遵照执行,以保证产品规定使用和储存期内,达到防静电、防湿、防震、防酶、防野蛮装卸等标志及相关保质要求。
特别注意:
5.2.2产品外包装上应标明:产品型号规格、内装数量、生产日期/批号和定单号;内包装也应标明:产品型号规格、内装数量、生产日期/批号。
5.2.3生产批次标识要求:
5.2.3.1所有产品应明确标明生产批次信息,即在外包装上表明生产日期(格式:以年、月或年、周表示,但必须明确是年、月或年、周),而非交付日期;不同生产批次不应混装。
5.2.3.2如一个送货批中有两种以上生产批次,应在送货清单或外包装清单上明确列出批次和数量,内包装内只能是一个生产批次。
5.2.3.3乙方还应将有关生产批次信息代表含义形成文件提供甲方。
例如:某供应商的批次信息为“7020202”,代码含义如下:
①第一位符号“7”---表示生产地(工厂)
②第二、三位符号“02”---表示年份(2002年)
③第四、五位符号“02”---表示周数(2002年第2周)
第六、七位符号“02”---表示生产班别(第2班组)
5.3其他特殊要求或附加要求:
5.4说明:甲方验收合格不能免除乙方提供可接收产品的内在质量责任,也不能排除其后可能出现产品与要求不符合导致甲方拒收或追究乙方责任。
6、产品的一致性要求
6.1甲方向乙方批量采购新产品前对样品进行认定,甲方应出示由权威机构出具的有效的检测报告。
6.2乙方应确保批量产品质量与样品质量保持一致性,必要时双方可封存样品,如双方封样后发生的质量纠纷,应以样品的质量要求为准。
在保证所有过程受控的基础上,应明确以下过程要求:
时,应以书面形式及时通知甲方确认,同时应给出产品替代说明及下一阶段的供货计划。
6.4乙方定期(□每月;□每季度;□每6个月;□每12个月)对其产品进行型式试验和可靠性评价试验并将试验结果呈送甲方认证人员。
同时,每个交货批产品应附出厂常规检测报告。
6.5乙方应按时、按量、按质量要求完成样品制作、小批量生产,否则,应承担可能出现的调货经济损失。
7、交货合格率要求
7.1批交货合格率应达到99.5%(包含外观质量)。
7.2为提高批合格率,乙方应制定并实施逐级内控标准,严格执行最终检验和试验程序和/或库存复查程序,以确保交货质量;当甲方要求时按以下方式:进行出厂抽检检验,同时应在质量方面建立有效的自我改进机制,杜绝质量问题重复出现,不断提高产品质量。
8、技术、质量保证体系要求
8.1乙方应建立适宜、有效的质量保证体系和技术管理体系,在质量保证体系方面应符合:
□ISO9000(包括开发、设计);□ISO9000(不包括开发、设计);□ISO14000;□OHSAS18000;
□QC080000;□TS16949认证要求:
8.2甲方将每年一次对乙方技术、质量保证体系进行核实,必要时增加即时审查,乙方应提供有关资格认定的文件和资料。
8.3提供每种类别材料的“物质安全特性表”。
9、退货(包括维修、更换等)
9.1乙方所提供产品不符合本协议中的任一条款或规定质量要求,甲方可提出退货,乙方应当接受并承担由此带来的损失。
9.2 乙方承诺,可以提供技术支持主要方式和内容:
□当甲方选用乙方产品时,乙方应及时提供甲方相关技术支持;
□甲方技术认证工作所需乙方相关产品技术资料、质量证实资料等信息,乙方应无偿提供;
□对甲方提出的技术支持及培训方面的需求,以及质量问题处理,乙方应在2小时内响应。
□乙方为甲方设置的技术支持及服务解答热线电话为:联系人为:
9.4另附加补充条款。
10、对出现质量、交期或服务问题向乙方的索赔和处罚标准
10.1产品验收质量问题索赔标准:
乙方承诺:
由于乙方产品验收不合格,可能造成ZTE资金积压、交货延误,同时为有效促进乙方提高质量,经双方确认如属乙方责任,甲方按以下标准向乙方提出赔偿:
a)产品验收发现型号不符(图物不符)、包装和标识不良、外观和尺寸不良等,出现一
批索赔1000元,批材料价值10000元以下索赔500元。
b)产品验收发现性能不良,除乙方更换产品赔偿有关损失外,并出现一批另索赔2000
元,批材料价值10000元以下索赔1000元。
10.2 产品在线使用质量问题索赔与处罚
乙方承诺:
a)乙方供货在使用过程中出现批量性质量问题,造成甲方实际损失50000元以下,乙
方应对所发生的实际损失进行全数赔偿;
b)乙方供货在使用过程中发生的质量问题造成甲方实际损失达50000元以上,即构成
公司重大质量事故,乙方除赔偿所有损失,将被暂停供货资格,限期整改,整改无效
取消供货资格。
c)如在线质量问题重复出现,改进效果不明显,除乙方要赔偿实际损失外,另将同时对
乙方处以2000-5000元索赔。
10.3 用户投诉质量问题索赔与处罚
乙方承诺:
a)由于乙方质量问题造成用户投诉,并给甲方造成一定的信誉损失和经济损失的,乙方除赔偿全部的经济损失外,还将处以5000~10000元的信誉损失赔款。
b)对于用户投诉的重大质量问题,给甲方造成重大不良影响的,暂停甚至取消责任乙方供货资格,乙方还要赔偿给甲方造成的全部损失。
c)如用户投诉质量问题重复出现,经认定是乙方的责任,乙方改进效果且不明显,乙方要承担全部赔偿责任外,并另将支付给甲方5000-10000元补偿费。
10.4 售后服务质量索赔与处罚
乙方承诺:
a)由于乙方质量问题处理不及时,给甲方造成实际损失和信誉损失的,乙方除赔偿全部
的经济损失外,还将酌情另支付给甲方5000~10000元的补偿费。
b)由于乙方质量问题处理不及时,虽未造成实际损失,但给用户造成不良影响,给甲方
信誉带来较大损失时,将视影响情况严重程度乙方向甲方支付5000~10000元的补
偿费。
10.5 交期索赔与处罚
11、本协议的更改
甲方可以根据自己对质量改进的要求随时同乙方协商增加质量要求内容或修改质量指标。
更改内容附于本协议之后。
本协议是采购合同一部分,与订单同时生效。
甲方:上海**机电科技有限公司乙方:
(盖章)(盖章)法定代表人(签字):法定代表人(签字):
委托代理人(签字):委托代理人(签字):
电话:电话:
传真:传真:
日期:日期:。