铜排、电缆规格及载流量
- 格式:doc
- 大小:68.50 KB
- 文档页数:3
铜排载流量,铜排截面积公式
【1】铜排的载流量表一、矩形铜排
【2】铜排载流量计算法矩形母线载流量:
40℃时铜排载流量=排宽*厚度系数
排宽(mm);厚度系数为:母排12厚时为20;10厚时为18;依次为:[12-20,10-18,8-16,6-14,5-13,4-12].
双层铜排[40℃]=1.56-1.58单层铜排[40℃](根据截面大小定)
3层铜排[40℃]=2单层铜排[40℃]
4层铜排[40℃]=单层铜排[40℃]*2.45(不推荐此类选择,最好用异形母排替代) 铜排[40℃]= 铜排[25℃]*0.85
铝排[40℃]= 铜排[40℃]/1.3
例如求TMY100*10载流量为:
单层:100*18=1800(A)[查手册为1860A];
双层:2(TMY100*10)的载流量为:1860*1.58=2940(A);[查手册为2942A];
三层:3(TMY100*10)的载流量为:1860*2=3720(A)[查手册为3780A]
以上所有计算均精确到与手册数据相当接近。
二、铜导线载流量(35℃)。
铜排载流量表估算法:单条铜母排载流量= 宽度(mm) X 厚度系数双母排载流量= 宽度(mm) X 厚度系数X (经验系数)铜排和铝排也可以按平方数来,通常铜应该按5-8A/平方,铝应该按3-5A/平方常用铜排的载流量计算方法:40℃时铜排载流量=排宽*厚度系数排宽(mm);厚度系数为:母排12厚时为20;10厚时为18;依次为:[12-20,10-18,8-16,6-14,5-13,4-12].双层铜排[40℃]=单层铜排[40℃](根据截面大小定)3层铜排[40℃]=2单层铜排[40℃]4层铜排[40℃]=单层铜排[40℃]*(不推荐此类选择,最好用异形母排替代)铜排[40℃]= 铜排[25℃]*铝排[40℃]= 铜排[40℃]/例如求TMY100*10载流量为:单层:100*18=1800(A)[查手册为1860A];双层:2(TMY100*10)的载流量为:1860*=2940(A);[查手册为2942A];三层:3(TMY100*10)的载流量为:1860*2=3720(A)[查手册为3780A]以上所有计算均精确到与手册数据相当接近。
常用铜排的尺寸及载流量表铜母排截面25℃35℃平放(A) 竖放(A) 平放(A) 竖放(A)15×3 176 18520×3 233 24525×3 285 30030×4 394 41540×4 404 425 522 550 40×5 452 475 551 58850×5 556 585 721 76050×6 617 650 797 84060×6 731 770 940 99060×8 858 900 1101 116060×10 960 1010 1230 129580×6 930 1010 1195 130080×8 1060 1155 1361 1480 80×10 1190 1295 1531 1665 100×6 1160 1260 1557 1592 100×8 1310 1425 1674 1850 100×10 1470 1595 1865 2025 120×8 1530 1675 1940 2110 120×10 1685 1830 2152 2340 2(60×6) 1126 1185 1452 1530 2 (60×8) 1460 1480 1503 1600 2(60×10) 1680 1170 2140 2250 2(80×6) 1320 1433 1705 1855 2(80×8) 1651 1795 2117 2515 2(80×10) 1950 2120 2575 2735 2(100×6) 1564 1700 2000 2170 2(100×8) 1930 2100 2470 26902(100×10) 2320 2500 2935 31852(120×8) 2140 2330 2750 2995 2(120×10) 2615 2840 3330 3620矩形母线载流量:40℃时铜排载流量=排宽*厚度系数排宽(mm);厚度系数为:母排12厚时为;10厚时为;依次为:[,,,,,][注]:根据lyq的建议和进一步核算,将原厚度系数20,18,16,14,12分别加,更加接近。
动力回路加工制作工艺守则常用铜排规格选用及长期载流量(环境温度35℃,母排温度65℃)绝縁导线规格选用及长期载流量附:铜排规格与重量换算钢号8.8级紧固件用力标准:M8: 25Nm M10: 45Nm M12: 80Nm简易记住任何规格的矩形母排的载流量矩形母线载流量:40℃时铜排载流量=排宽*厚度系数排宽(mm);厚度系数为:母排12厚时为20;10厚时为18;依次为:[12-20.5,10-18.5,8-16.5,6-14.5,5-13.5,4-12.5].双层铜排[40℃]=1.56-1.58单层铜排[40℃](根据截面大小定)3层铜排[40℃]=2单层铜排[40℃]4层铜排[40℃]=单层铜排[40℃]*2.45(不推荐此类选择,最好用异形母排替代)铜排[40℃]= 铜排[25℃]*0.85铝排[40℃]= 铜排[40℃]/1.3例如求TMY100*10载流量为:单层:100*18=1800(A)[查手册为1860A];双层:2(TMY100*10)的载流量为:1860*1.58=2940(A);[查手册为2942A];三层:3(TMY100*10)的载流量为:1860*2=3720(A)[查手册为3780A]以上所有计算均精确到与手册数据相当接近。
铜排选型指导(采用镀锡紫铜)1.70-90Kw 电机额定电流135-170A 选用15*3的铜排额定电流约为176A2.110KW 电机额定电流为205A 选用20*3的铜排额定电流约为230A3.132kw 电机额定电流约250A 选用20*4的铜排额定电流约为250A4. 70kw以下电机采用15*3的铜排,或采用电缆5. 双电机情况与采用双铜排6. 不再使用其它规格铜排。
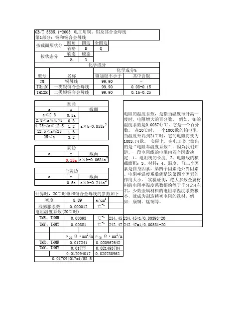
圆角圆边全圆边省略B Q 软态硬态R Y其中含银TM -TH11M 0.08-0.15TH12M 0.16-0.25r 0.5a 0.81.21.63.2r 0.25a r 0.5a 计算时,20℃时铜和铜合金母线的参数如下g/cm 3℃-1℃-1234.45234.45=1/0.00393-20℃-1242.47电阻的温度系数,是指当温度每升高一度时,电阻增大的百分数。
例如,铂的温度系数是0.00374/℃。
它是一个百分数。
在20℃时,一个1000欧的铂电阻,当温度升高到21℃时,它的电阻将变为1003.74欧。
实际上,在电工书上给出的是“电阻率温度系数”,因为我们知道,一段电阻线的电阻由四个因素决定:1、电阻线的长度;2、电阻线的横截面积;3、材料;4、温度。
前三个因素是自身因素,第四个因素是外界因素。
电阻率温度系数就是这第四个因素的作用大小。
实验证明,绝大多数金属材料的电阻率温度系数都约等于千分之4左右,少数金属材料的电阻率温度系数极小,就成为制造精密电阻的选材,例如:康铜、锰铜等。
242.47=1/0.00381-200.017094017=1/58.5ρ75 Ω·mm 2/m 0.020*******.021*******.0170940170.020780962TMY 、THMY 0.0172410.01777ρ20 Ω·mm 2/m TMR 、THMR TMY 、THMY 0.003930.00381电阻温度系数(20℃时)a ×b-0.214a20.0000178.89密度线膨胀系数a截面a ×b-0.0684a 225<a a截面TMR 、THMR a ×b-0.858r 2全圆边a截面圆边二类银铜合金母线化学成分%铜加银不小于99.9099.90a ≤2.82.8<a ≤4.754.75<a ≤12.5圆角GB/T 5585.1-2005 电工用铜、铝及其合金母线第1部分:铜和铜合金母线按截面形状分按状态分12.5<a ≤2599.90型号名称铜母线一类银铜合金母线化学成分名称单位计算按允许温升计铜排厚δmm 6铜排宽h mm 80宽厚比h/δ13.33333额定频率f Hz 50工作温度下R 100Ω0.004578100m 长导体在工作温度下的直流电阻工作温度℃9070℃电阻率Ω·mm 2/m0.021974(f/R 100)^0.5104.5088集肤效应kf(查图) 1.054按保定变压器手册P367载流量IA 29001565.481976热损耗功率P=kf*I^2*R W 40578.9711825综合传热系数k12.5100m 有效散热面积S=2*(h+δ)*100*10^(-3)m 217.2温升τ=P/S/k K188.739455环境温度35根据《高低压电器速查速算手册》-方大千等编允许温度θ12025303540455090 1.13 1.09 1.04 1.000.950.900.8580 1.15 1.11 1.05 1.000.940.880.8270 1.20 1.13 1.07 1.000.930.850.7665 1.22 1.15 1.08 1.000.910.820.7160 1.26 1.18 1.10 1.000.890.770.63501.41 1.29 1.15 1.000.820.580.00排厚mm 排宽mm 面积mm 2周长mm 推算θ2=35表θ2=35推算θ2=40推算θ2=45表θ2=35推算θ2=45表θ2=35推算θ2=4531545361851851711563206046241242223204325755629830027525143012068415420384350440160885455505044604502001086766255704602401288067456805402009061761557052155025011076275570564456030013090890084076758040017011991109101262012052363336306630180725234844426402409268363257765030011284384078071266036013210029909278461530129319701664680480172132113001222111618601571239020196100600212163915901517138521701833279023578604801361174116010879921900160524602079880640176154314901428130323001943297025108100800216191118301768161426902273346029248120960256227921102109192529902527382032281060600140133213001233112522501901290024501080800180174416701614147427302307351029661010010002202156203019951822318026874090345610120120026025672330237621693610305145803870单片载流量AK=((θ1-θ2)/(θ1-35))^0.5环境温度θ2二片三片铜排截流量按θ1=70(表数据摘自新编电工实用手册)铜排尺寸。
国标铜排载流量表估算法:单条铜母排载流量= 宽度(mm) X 厚度系数双母排载流量= 宽度(mm) X 厚度系数 X 1.5(经验系数)铜排和铝排也可以按平方数来,通常铜应该按5-8A/平方,铝应该按3-5A/平方常用铜排的载流量计算方法:40℃时铜排载流量=排宽*厚度系数排宽(mm);厚度系数为:母排12厚时为20;10厚时为18;依次为:[12-20,10-18,8-16,6-14,5-13,4-12].双层铜排[40℃]=1.56-1.58单层铜排[40℃](根据截面大小定)3层铜排[40℃]=2单层铜排[40℃]4层铜排[40℃]=单层铜排[40℃]*2.45(不推荐此类选择,最好用异形母排替代)铜排[40℃]= 铜排[25℃]*0.85铝排[40℃]= 铜排[40℃]/1.3例如求TMY100*10载流量为:单层:100*188=1800(A)[查手册为1860A];双层:2(TMY100*10)的载流量为:1860*1.58=2940(A);[查手册为2942A];三层:3(TMY100*10)的载流量为:1860*2=3720(A)[查手册为3780A]以上所有计算均精确到与手册数据相当接近。
常用铜排的尺寸及载流量表一、矩形铜排铜母排截面25℃35℃平放(A)竖放(A)平放(A)竖放(A)15×3 176 18520×3233 24525×3 285 30030×4 394 41540×4404 425 522 55040×5 452 475 551 58850×5556 585 721 76050×6617 650 797 84060×6 731 770 940 99060×8 858 900 1101 116060×10 960 1010 1230 129580×6 930 1010 1195 130080×8 1060 1155 1361 148080×10 1190 1295 1531 1665100×6 1160 1260 1557 1592100×8 1310 1425 1674 1850100×10 1470 1595 1865 2025120×8 1530 1675 1940 2110120×10 1685 1830 2152 23402(60×6) 1126 1185 1452 15302 (60×8) 1460 1480 1503 16002(60×10) 1680 1170 2140 22502(80×6) 1320 1433 1705 18552(80×8) 1651 1795 2117 25152(80×10) 1950 2120 2575 27352(100×6) 1564 1700 2000 21702(100×8) 1930 2100 2470 26902(100×10) 2320 2500 2935 31852(120×8) 2140 2330 2750 29952(120×10) 2615 2840 3330 3620二、铜导线载流量(35℃)截面(mm²) 1 1.5 2.5 4 6 10 16 25 35 50 70 95载流量(A) 10 13 17 23 30 45 85 110 136 170 216 263三、抽屉柜抽屉导线选用标准截面(mm²)10 16 16 25 35 50 70 35×2 50×2 70×2 50×3 70×3电流(A) 50 63 80 100 125 160 200 250 300 400 500 600。
国标铜排载流量表一、矩形铜排铜母排截面25℃35℃平放(A)竖放(A)平放(A)竖放(A)15×3 176 18520×3 233 24525×3 285 30030×4 394 41540×4 404 425 522 55040×5 452 475 551 58850×5 556 585 721 76050×6 617 650 797 84060×6 731 770 940 99060×8 858 900 1101 116060×10 960 1010 1230 129580×6 930 1010 1195 130080×8 1060 1155 1361 148080×10 1190 1295 1531 1665100×6 1160 1260 1557 1592100×8 1310 1425 1674 1850100×10 1470 1595 1865 2025120×8 1530 1675 1940 2110120×10 1685 1830 2152 23402(60×6) 1126 1185 1452 15302 (60×8) 1460 1480 1503 16002(60×1 1680 1170 2140 22502(80×6) 1320 1433 1705 18552(80×8 1651 1795 2117 25152(80×10) 1950 2120 2575 27352(100×6) 1564 1700 2000 21702(100×8) 1930 2100 2470 26902(100×10) 2320 2500 2935 31852(120×8) 2140 2330 2750 29952(120×10) 2615 2840 3330 3620二、铜导线载流量(35℃)截面(mm²)1 1.5 2.5 4 6 10 16 25 35 50 70 95载流量(A):10 13 17 23 30 45 85 110 136 170 216 263三、抽屉柜抽屉导线选用标准截面(mm²)10 16 16 25 35 50 70 35×2 50×2 70×2 50×3 70×3 电流(A)50 63 80 100 125 160 200 250 300 400 500 600估算法:单条铜母排载流量= 宽度(mm) X 厚度系数双母排载流量= 宽度(mm) X 厚度系数X 1.5(经验系数)铜排和铝排也可以按平方数来,通常铜应该按5-8A/平方,铝应该按3-5A/平方常用铜排的载流量计算方法:40℃时铜排载流量=排宽*厚度系数排宽(mm);厚度系数为:母排12厚时为20;10厚时为18;依次为:[12-20,10-18,8-16,6-14,5-13,4-12].双层铜排[40℃]=1.56-1.58单层铜排[40℃](根据截面大小定)3层铜排[40℃]=2单层铜排[40℃]4层铜排[40℃]=单层铜排[40℃]*2.45(不推荐此类选择,最好用异形母排替代)铜排[40℃]= 铜排[25℃]*0.85铝排[40℃]= 铜排[40℃]/1.3例如求TMY100*10载流量为:单层:100*188=1800(A)[查手册为1860A];双层:2(TMY100*10)的载流量为:1860*1.58=2940(A);[查手册为2942A];三层:3(TMY100*10)的载流量为:1860*2=3720(A)[查手册为3780A]以上所有计算均精确到与手册数据相当接近。
矩形母排载流量计算法1、40°时铜排载流量 =排宽 * 厚度系数: E (排厚: D)序号排厚 D㎜厚度系数 E1 12 ㎜20.52 10 ㎜18.53 8 ㎜16.54 6 ㎜14.55 5 ㎜13.56 4 ㎜12.5此表是依据的建讲和进一步核算 ,将原厚度系数分别加了 0.5,更为靠近。
例:当厚度为 10 排宽度为 100 的铜母排载流量为 100*18.5=1850A2、双层铜排【 40°】=1.56~1.58 倍的单层铜排(对应同样的矩形排和温度);例: 100*18.5=1850A*1.58=2940A3、三层铜排【 40°】 =2 倍的单层铜排(对应同样的矩形排和温度);4、四层铜排【 40°】=2.45 倍的单层铜排(对应同样的矩形排和温度)不介绍此类选择;二、环境温度对铜排载流量的影响:【40°】时的铜排 =【25°】时的铜排的 0.85【40°】时的铜排 =【40°】时的铝排的 1.3三、变压器 KVA 容量输出电流计算公式为:I(A)=K V A 值/(√3*0.4 )0.69284母线槽铜排规格一、母线槽 CFW序号电流范围铜排规格1 4000A 2*(150*8)2 3150A 200*83 2500A 185*84 2000A 160*65 1600A 150*66 1250A 100*67 1000A 80*68 800A 60*69 630A 50*6二、铜铝复合母线槽KFM1 4000A 2*(100*10)2 3150A 230*83 2500A 125*104 2000A 160*65 1600A 100*86 1250A 100*67 1000A 80*68 800A 60*69 630A 50*610 400A 40*611 200A 30*4三、密集型母线槽CCX1 3150A 250*62 2500A 205*63 2300A 165*64 2000A 130*65 1600A 110*66 1350A 100*67 1250A 80*68 1000A 60*69 800A 45*610 600A 35*611 500A 35*612 400A 30*613 315A 25*614 250A 25*515 200A 25*416 100A 25*3。