考核成绩与奖金系数对应表
- 格式:doc
- 大小:18.00 KB
- 文档页数:1
售后工资绩效考核方案一、售后业务主管与备件业务提成部分1、服务经理业绩奖金业绩奖金=净利润×1%×0。
8×部门净利润完成率(季度考核成绩÷100)(详见部门经理年度考核方案)2、技术专家业绩奖金业绩奖金=净利润×1%×0.6×部门净利润完成率×(月度考核成绩÷100)3、车间主管/前台主管业绩奖金业绩奖金=净利润×1%100)4、信息员业绩奖金业绩奖金= 小组服务顾问业绩奖金×0。
2×(月度考核成绩÷100)6、配件部门部门绩效奖金总额=(备件销售总额×0。
4%+养护用品销售总额×1%-部门办公费用)×备件部门利润目标达成率⑴、备件经理业绩奖金=部门绩效奖金总额×50%×(月度考核成绩÷100)⑵、备件计划员业绩奖金=部门绩效奖金总额×30%×(月度考核成绩÷100)⑶、仓库管理员业绩奖金=部门绩效奖金总额×20%×(月度考核成绩÷100) (系数根据实际人数进行调整)二、服务顾问产值业务提成部分1、产值部分任务与提成:以当月售后总产值任务为基础成比例分配,个人月产值任务a视正式服务顾问数量分配制定:业绩奖金={个人产值总额×0。
4%×个人业绩目标达成率+个人接车台数(以DMS 工单数为准)×2 ×接车目标达成率}×(月度考核成绩÷100)+养护用品提成×目标完成率+其它提成B、保险事故服务顾问:(以组月总产值计)业绩奖金={个人产值总额×2%×个人业绩目标达成率+个人接车台数(以DMS 工单数为准)×2}×(月度考核成绩÷100) +养护用品提成+其它提成2、服务顾问养护产品任务与提成(以瓶数计算,每瓶提成8元并乘以完成系数)以产值任务完成情况为参照,情况一、完成或超额完成当月产值任务的,情况二、当月产值任务未完成的,即m≤a万3、续保任务与提成A、个人月基本任务为完成续保3台,潜在客户跟踪20台(要求有保险卡或保单、驾驶证、行驶证的复印件存档,并登记跟踪)个人当月完成保险任务2台(含)以上的,按保单商业险每单给予100元提成奖励个人当月未完成保险任务的,按每台车100元从工资中扣发潜在客户跟踪按20个基本任务计,每台车给予3元补贴,300元封顶,潜在客户跟踪未完成任务的,按每台20元从工资中扣发二、车间班组产值业务提成1、机电班组产值业务提成部分机电班组师傅底薪以1000计业绩奖金= (工时销售额—当月所耗辅料)÷1。
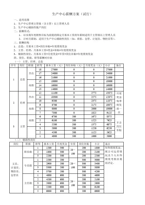
生产中心薪酬方案(试行)一、适用范围1、生产中心管理主管级(含主管)以上管理人员2、生产中心辅助性脱产岗位二、薪酬形式:1、以实现年度销售目标为前提的固定月基本工资的年薪制适用于主管级以上管理人员2、计时月薪制:适用于生产中心辅助性岗位(如:质检、仓管、计划员、物控员等)。
三、薪酬结构1、总监:月基本工资+岗位补贴+年度绩效奖金2、主管、经理:月基本工资+奖金+补贴+年度绩效奖金3、辅助性岗位:月基本工资+月度奖金+年资+岗位补贴+年度绩效奖金四、岗位、职级、职等薪酬对应表(一)主管、经理、总监五、年终绩效奖金对应表八、月度/年终销售业绩达成奖金系数(K)对应表九、说明1、岗位补贴:为旺季补贴,享受补贴月份为9-1月,按出勤计发。
经理级以上人员无岗位补贴。
2、年资:主管级及以上人员不享受年资,年资标准为20元/年,100元封顶,于入职满一年后,次月开始享受。
3、月度奖金:(1)岗位薪酬对应表中月度奖金金额为当月实际发放奖金金额的核算基数;实际月度奖金必须与公司销售业绩达成率和绩效考核结果挂钩;(2)实际月度奖金额=月度奖金额×月销售业绩达成奖金系数(K)×绩效考核奖金系数(Z)(3)月度奖金以季度为发放单位,每季度发放一次,发放金额为季度累积金额的50%,余下的50%累积到年终一起发。
4、年终绩效奖金(1)各管理层年度绩效奖金实发金额必须与各级管理人员的年度绩效结果挂钩。
(2)实际年终奖金额=年终奖金额×销售业绩达成奖金系数(K)×绩效考核奖金系数(Z)(3)年终奖分两次发放,春节放假发放60%,4月份发放余下的40%。
5、当管理人员个人的月度奖金系数小于0时,个人月度业绩达成奖金系数固定为1。
6、案例某高级主管,职等5,月度奖金额1525元;公司月销售业绩达率为100%,销售业绩达成奖金系数K=1.1;个人月度绩效考核得分90分,月度绩效奖金系数为Z2=0.4,该主管实际月度业绩奖金=1525×1.1×0.4=671元,为正激励(奖金);如个人月度考核得分为84分,月度绩效奖金系数为Z2=-0.25,该主管实际月度业绩奖金=1525×1.1×(-)0.25=-419.3元,为负激励(罚款)。
文章标题:深度探讨KPI绩效考核分值系数对应的奖励标准1. 引言在现代企业管理中,KPI(关键绩效指标)绩效考核是一种常见的管理方式,它通过对员工工作绩效进行量化评估,促进员工积极工作,提高企业整体绩效。
而绩效考核分值系数对应的奖励标准则是KPI绩效考核的重要组成部分,它直接影响着员工的工作动力和激励效果。
本文将从深度和广度的角度对KPI绩效考核分值系数对应的奖励标准进行全面评估,并就个人观点和理解进行共享。
2. KPI绩效考核分值系数的重要性KPI绩效考核分值系数是对员工绩效的量化评估,它能够客观地反映员工在工作中的表现和成绩。
而分值系数的设定直接关系到员工的激励效果,合理的分值系数能够激励员工更好地工作,提高整体绩效。
对KPI绩效考核分值系数的奖励标准进行深度分析十分必要。
3. KPI绩效考核分值系数的奖励标准在KPI绩效考核中,绩效分值和奖励之间存在着一定的对应关系。
通常情况下,绩效分值越高,员工获取的奖励也就越丰厚。
在一些企业中,如果员工的绩效分值达到了90分以上,就会获得年终奖金的加倍奖励;如果分值超过95分,还会获得额外的福利待遇。
这种对KPI绩效考核分值系数的奖励标准,能够有效激励员工,促进其积极工作。
4. KPI绩效考核分值系数对应的奖励标准的灵活性值得一提的是,KPI绩效考核分值系数对应的奖励标准应该具有一定的灵活性。
因为不同岗位、不同工作内容的员工,其绩效考核标准存在着差异性,因此奖励标准也应该根据具体情况做出相应的调整。
销售岗位的员工在完成销售额指标时,应该获得更高的奖励,而技术研发岗位的员工在完成项目研发时,也应该有相应的激励措施。
5. 个人观点和理解在我看来,KPI绩效考核分值系数对应的奖励标准应该既要体现公平性,又要具备一定的灵活性。
公平性意味着对不同岗位、不同工作内容的员工都能够获得公正的评价和相应的奖励;而灵活性则是为了更好地激励员工,促进其积极工作。
只有在公平和灵活并存的情况下,KPI绩效考核分值系数对应的奖励标准才能真正发挥其激励作用。
厨房厨师月度考核标准厨房厨师月度考核标准为提高厨房工作效率,打破传统管理模式,在奖勤罚懒的基础上,更合理地调动员工的工作主动性,激发员工的原始动力,稳定出品质量,因此制定以下考核办法:一、考核办法:采用季度考核,全员参与的考核办法;根据考核得分发放季度奖金二、考核内容共五项:厨房卫生,饭菜味道,饭菜花样及数量,服务态度,开饭时间三、考核表格《员工满意度调查表》表格根据考核内容制定员工满意度调查表;根据调查表汇总分数,再按照对应权重计算出汇总分数。
四、考核结果评定根据季度考核后总分,执行相应的奖金制度:1、优秀:考核分数4.5分以上:奖金300元;2、良好:考核分数3.5分至4.5分(含4.5分):奖金50;3、一般:3分至3.5分(含3.5分):不奖励不惩罚;4、差:3分以下(含3分)提出警告一次;年度累计3次优秀以上,第二年加薪100元;季度考核连续2次差评,则第二年降薪100元;连续3次差评以上,公司将解聘员工;备注:如果员工觉得表格中项目不能完全表达自己对厨师本人或菜品及其他事项的意见或者建议,均可在表格下方其他建议及意见栏中单独填写,我们会根据季度考核表及员工意见单均衡考虑最后的奖罚比例。
附件:员工满意度调查表员工满意度调查表(厨师)考核人:(员工)被考核人:考核时间:年月日厨师绩效考核方案2016-07-12 10:32 | #2楼1、目的:通过绩效考核,实现绩效与工作成绩挂钩,做得好拿得多,做得差拿得少。
厨房伙食做得好,就餐人次多,绩效就高,伙食做得差,就餐人次少,绩效就低。
2、计算方法:员工月度工资 = 岗位工资 + 实际就餐人次 * 绩效系数3、岗位工资与绩效系数:厨房所有员工总绩效系数为:0.394。
根据岗位职责的不同,制定不同额度的绩效系数,绩效系数每月不变。
根据现有架构,厨房定员3人,如果超过或减少,总绩效系数不变,但个人绩效系统4、月度基本就餐人次:3000人次/月5、计算示例:当本月实际就餐人次为2000人次时:厨师1:月度工资 = 780 + 2000 * 0.173 = 780 + 346 = 1126 厨师2:月度工资 = 715 + 2000 * 0.128 = 715 + 256 = 971 杂工:月度工资 = 520 + 2000 * 0.093 = 520 + 186 = 706 当本月实际就餐人次为3600人次时:厨师1:月度工资= 780 + 3600 * 0.173 = 780 + 622.8 = 1402.8 厨师2:月度工资 = 715 + 3600 * 0.128 = 715 + 460.8 = 1175.8 杂工:月度工资 = 520 + 3600 * 0.093 = 520 + 334.8 = 854.8 当本月实际就餐人次为4000人次时:厨师1:月度工资 = 780 + 4000 * 0.173 = 780 + 692 = 1472 厨师2:月度工资 = 715 + 4000 * 0.128 = 715 + 512 = 1227 杂工:月度工资 = 520 + 4000 * 0.093 = 520 + 372 = 892行政人事部编制:审批:共 1 页厨房绩效考核制度2016-07-12 10:51 | #3楼1.0目的`:提高厨房员工积极性,保证饭菜品质,塑造良好用餐环境。
项目薪酬管理制度(试行)为建立一种以岗位为基础,以工作绩效考核为核心的正向激励机制,把管理人员的薪资与岗位责任制、工作绩效密切结合起来,实现薪酬管理与分配制度化、规范化,特制订本制度:一、薪酬的基础薪酬的基础是建立在工程项目利润上的,并且是一个不定数,是随着工程盈利的高低而上下浮动的。
工程项目中标后,由公司董事长、总经理、副总经理等有关人员商定,核定一个合理利润由公司提取(项目上交公司的利润),并组建项目经理部(含项目经理部组成人员)。
1、一般项目上交利润(公司提取利润)应控制在合同总价的10%~20%范围内(应视其工程中标价的利率含量而订)。
2、项目部薪酬资金的比例应控制在合同总价的2.5%~3%范围内(应视其工程规模而订)。
3、上交公司利润后,项目部另行创利、节约资金的金额必须同公司分成,比例:可为5:5、4:6、3:7,由项目部同公司商定比例,确定比例后剩余利润可由项目部自行支配。
项目经理可占剩留利润的20%~30%作为奖金,余下的70%~80%可分配到项目部其他管理人员,同绩效考评挂钩(项目经理的提成已同绩效考核挂钩)。
二、薪资的构成基于激励的需要,打破大锅饭模式,可将薪酬体系划分为固定工资与浮动工资两大部分。
1、固定工资=岗位工资、职务工资、学历工资、工龄工资、各项福利津贴。
2、浮动工资=绩效工资、加班工资、奖金。
3、基于岗位价值设定的是岗位标准工资(由岗位工资和绩效工资构成)。
4、基于个人价值设定的是有补偿性工资(包括学历工资、工龄工资、加班工资、福利津贴及奖金)。
三、岗位工资标准1、岗位工资标准=岗位工资(固定工资)+绩效工资(浮动工资)。
2、不同岗位工资与绩效工资的比例不同,平均值为:固定工资60%,绩效工资40%。
3、岗位工资等级是因岗位不同、职务不同而划分为A、B、C、D四个等级标准(岗位工资低于3000元/月的人员,不参加绩效考核,只参加工作考评)。
A等—总经理、副总经理、项目经理、项目总工B等—部门经理、专业工长、专职质安员C等—财会人员、助理员、材料员、资料员D等—门卫、食堂工作人员、后勤人员、勤杂人员(A等4人、B等8人、C等12人、D等10人)括号内为暂定是参考数,项目可根据实际需求而安排。
每月的绩效工资的计算公式_绩效工资计算方法绩效工资分为广义绩效工资和狭义绩效工资,广义绩效工资又称绩效加薪、奖励工资或与评估挂钩的工资。
那么目前每月的绩效工资要怎么算呢?下面店铺就为大家解开每月的绩效工资的计算公式,希望能帮到你。
每月的绩效工资的计算公式1、月度绩效奖金计算方法: 每月从个人该月基本工资中提取10%为个人奖金基准金额,按实际达成效果之优劣核算奖金金额; 计算方法:个人绩效奖金=该月基本薪资*10%*部门系数*个人考核等级系数.2 、年度绩效奖金计算方法: 计算公式为:年终奖金=(系数*连续工作月数*基本工资)/12*评分百分率(系数由公司管理委员会根据年度利润报告而定).3、在公司任期不满1年者,其年终奖考核以连续工作月数计发绩效工资的激励作用达成目标绩效考核本质上是一种过程管理,而不是仅仅对结果的考核。
它是将中长期的目标分解成年度、季度、月度指标,不断督促员工实现、完成的过程,有效的绩效考核能帮助企业达成目标。
挖掘问题绩效考核是一个不断制订计划、执行、改正的PDCA循环过程,体现在整个绩效管理环节,包括绩效目标设定、绩效要求达成、绩效实施修正、绩效面谈、绩效改进、再制定目标的循环,这也是一个不断的发现问题、改进问题的过程。
分配利益与利益不挂钩的考核是没有意义的,员工的工资一般都会为两个部分:固定工资和绩效工资。
绩效工资的分配与员工的绩效考核得分息息相关,所以一说起考核,员工的第一反应往往是绩效工资的发放。
促进成长绩效考核的最终目的并不是单纯地进行利益分配,而是促进企业与员工的共同成长。
通过考核发现问题、改进问题,找到差距进行提升,最后达到双赢。
绩效工资的考核原则1、客观公正。
定量考核与定性考核相结合,定量考核为主,定性考核为辅;2、考核与绩效工资及工资调整等挂钩原则;3、辅导改进原则。
考核的最终目的是持续激励员工提升工作绩效,完成经营管理目标。
每次考核期间和考核后,主管应及时向被考核者指出工作中的不足,帮助其改进绩效。
个人评价考核系数对照表
一、绩效奖金结构:
绩效奖金基数*个人月度绩效系数
个人月度绩效系数计算方式:
1.个人考核得分=(表1+表2)/2
2.个人绩效系数= [个人考核表得分-(部门考核平均分-公司基准分)]/公司基准分(保留小数点后2位,最后一位四舍五入)
3.员工月度绩效系数=(个人绩效系数+岗位难度系数)/2
例:公司基准分为75分,某员工考核得分85分,部门平均分80分
[85-(80-75)]/75=1.0,该员工绩效系数 1.07,如岗位难度系数为 1.2,则(1.07+1.2)/2=1.13
二、考核奖惩:
1.职务升降
绩效优异是职务晋升的必备条件。
年度绩效考核为“优”的员工,列为人才梯队的后备人选及职务晋升对象。
连续3个月考核为“基本合格”的员工给予培训或岗位调整;连续3个月考核为“不合格”的员工经培训后1个月考核继续为不合格将被解除劳动合同。
2.年度奖金分配
在年度奖金分配时,不同的考核结果对应不同的考核系数。
三、培训:
针对考核成绩,公司提供不同的培训。
绩效考核为“优”的员工,优先列为深造培训的对象。
考核为“基本合格”和“不合格”的员工,由人力资源部结合部门主管对其进行针对性强化培训,帮助员工改善绩效。
一、计提:非经营人员计提的绩效工资总额=非经营人员岗位工资总额×绩效工资总额控制比例×绩效考核系数绩效考核系数=绩效考核得分÷100绩效考核得分=(实现利润额完成率×40%+企业营业额完成率×30%+经营中标额完成率×10%)×100+安全质量情况考评分×20%二、考核分配:员工绩效工资=员工岗位工资系数×考核系数×绩效工资基数考核系数=考核得分÷100绩效工资基数=岗位工资总额÷绩效分配总系数养老金:单位20%,个人8%;失业金:单位2%,个人1%,住房公积金:单位10%,个人10%,医保金:单位7。
5%,个人2%,生育保险:单位0。
7%,工伤保险1.2% 工会经费:按工资总额的2%计提。
二、绩效奖金计算方式1、月度绩效奖金计算方法:每月从个人该月基本工资中提取10%为个人奖金基准金额,按实际达成效果之优劣核算奖金金额;计算方法:个人绩效奖金=该月基本薪资*10%*部门系数*个人考核等级系数。
2、年度绩效奖金计算方法:计算公式为:年终奖金=(系数*连续工作月数*基本工资)/12*评分百分率3、在公司任期不满1年者,其年终奖考核以连续工作月数计发绩效考核常用计算公式一、绩效考核得分1、绩效考核计算公式=KPI绩效(50﹪)+360度考核(30﹪)+ 个人行为鉴定20﹪2、绩效换算比例:KPI绩效总计100分占50﹪;360度考核总计200分占百分的30﹪;个人行为鉴定总计占20﹪。
四、个人绩效分值的计算为使员工工作绩效相互间具有可比性,以便有效地实施奖惩,通常采用绩效分值计算法,评估员工个人工作绩效完成情况。
个人绩效分值计算公式为:个人绩效分值=∑(KPIi绩效分值×KPIi权重)×KPI总权重+∑(工作目标完成分值×权重)×工作目标总权重五、绩效奖金=管理单元综合考核系数×个人考核系数×奖金基数六、如果员工绩效工资要与部门业绩挂钩,则绩效工资首先需要根据部门考核成绩在部门间进行一次分配,然后再根据员工考核情况在部门内进行二次分配。
★机密员工考核管理办法目录第一章总则 (2)第二章考核组织和管理 (2)第三章考核程序 (4)第四章季度考核 (8)第五章年度考核 (10)第六章申诉及其处理 (12)第七章附则 (13)附件一季度考核流程图 (14)附件二考核评分表及填表说明 (14)附件三考核指标评定表 (25)附件四考核统计表 (32)附件五考核申诉流程图和表格 (40)第一章总则第一条为促进公司管理现代化,建立科学的管理制度,充分发挥每位员工的积极性和创造性,结合公司实际情况,特制定本办法。
第二条适用范围XXXA东环有限公司(以下简称公司)的所有员工均需参加考核。
总经理由董事会负责考核,不在本办法考核范围之内。
公司员工分成4个职系,即管理职系、专业技术职系、行政事务职系和营销职系。
考核对象具体分为高层管理、中层管理、专业技术、行政事务、营销等各类人员。
第三条考核目的员工考核的目的在于评价和开发。
评价的目的为了正确估价员工的行为和绩效,以便适时给予奖惩,如提薪、发奖金、晋升等。
开发的目的在于提高员工的素质,如更新员工知识结构与技能、激发创造力等,最终提高员工的绩效,从而有效提升公司的整体绩效。
第四条考核原则(一)以提高员工绩效为导向;(二)定性与定量考核相结合;(三)多角度考核;(四)公平、公正、公开。
第五条考核用途考核结果的用途主要体现在以下几个方面:(一)薪酬分配;(二)职务升降;(三)岗位调动;(四)员工培训。
第二章考核组织和管理第六条考核周期考核分为季度考核和年度考核。
其中季度考核于各季度结束后十日内完成;年度考核于次年一月二十日前完成。
第七条考核职责划分(一)考核管理委员会职责由总经理、副总经理、人力资源部经理、计划财务部经理组成公司考核管理委员会领导考核工作,承担以下职责:1、最终考核结果的审批;2、中层管理人员考核等级的综合评定;3、员工考核申诉的最终处理。
(二)人力资源部职责作为考核工作具体组织者和指导者,主要负责:1、制定考核原则、方针和政策;2、拟定考核制度和考核工作计划;3、组织协调各部门的考核工作;4、对各部门进行各项考核工作的培训与指导;5、对各部门考核过程进行监督与检查;6、汇总统计考核评分结果;7、协调、处理各级人员关于考核申诉的具体工作;8、对各部门季度、年度考核工作情况进行通报;9、对考核过程中不规范行为进行纠正、指导与处罚;10、为每位员工建立考核档案,作为奖金发放、工资调整、职务升降、岗位调动等的依据;(三)各部门经理/主任的职责在考核工作中起主要作用的是各部门经理/主任,主要负责:1、负责本部门考核工作的整体组织及监督管理;2、负责处理本部门关于考核工作的申诉;3、负责对本部门考核工作中不规范行为进行纠正和处罚;4、负责帮助本部门员工制定季度工作计划和考核标准;5、负责所属员工的考核评分;6、负责本部门员工考核等级的综合评定;7、负责所属员工的绩效面谈,并帮助员工制定改进计划。
. .工程部技术总工岗位责任协议书市建立XX二〇一七年月日. .目录一、聘用岗位和时间2二、乙的主要岗位职责2三、乙的薪酬构造及收益说明2四、乙全年绩效考核指标与法3〔一〕乙绩效考核表3〔二〕考核成绩与奖金系数对应表6五、乙义务6六、公司管理指标〔触电指标〕6七、劳动保护和工作条件7八、工作报酬和保险福利待遇7九、合同的变更、终止和解除7工程部技术总工岗位责任协议书甲〔用人单位〕:业建立XX乙〔受聘人〕:性别:XX号:为加强公司人力资源管理,提高公司高管人员积极性,明确甲乙双劳动关系,经甲乙双友好协商,特签订本目标责任协议书。
一、聘用岗位和时间甲聘用乙担任甲工程部技术总工职务,全面负责本公司工程的技术管理工作,聘任、考核时间为至〔工程期限〕。
其中:年月日至年月日为试用期。
二、乙的主要岗位职责1、在公司总经理和工程部经理的领导下,主管公司的技术与质量和技术、质量管理工作,不断推进公司的技术与质量进步、创新,领导技术工程部、质管部,工程部的技术与质量系统。
2、贯彻执行有关科技与质量针、政策、法律、法规支持工程技术人员正确行使职权,维护技术人员的正当合法权益。
3、领导组织编制公司短期和长远技术、质量开展规划,制定质量、技术、平安改造方案,协助公司公司总经理和工程部经理对各项规划的实施、催促与检查。
4、领导技术与质量部门制订技术攻关方案和产品质量升级创优及质量改进措施方案,组织解决工程质量中存在的重大技术问题,负责技术、质量管理的技术业务指导。
5、根据上级要求和公司开展需要,领导编制施工总进度方案和施工技术、质量保证综合方案,必要时主持召开施工技术、质量现场会议,监视并组织确保施工方案如期实现。
6、负责审批专项施工技术案和专项平安施工案,审查施工设计图、施工技术要求条件,审批企业质量管理标准、施工工艺规程和质量检验规程等;必要时主持公司各种技术、质量鉴定会议。
7、领导组织年度施工方案、技术质量措施方案的编制工作,并负责组织实施。
表一
项目定型阶段考核表(项目管理组用)
说明:1、本表考核系数与项目经理、项目组成员本阶段实际奖金总额发放挂钩。
2、本表由项目管理组组织相关人员核算考核结果。
3、考核完毕后,本表保存于项目管理组,以建立项目考核档案。
表二
项目量产检验阶段考核表(项目管理组用)
表三
项目奖金分配表
年月日
说明:1、项目实际奖金=本阶段项目标准奖金×本阶段项目考核系数;
2、二次分配奖金=本阶段项目实际奖金×个人分配系数。
3、项目经理各阶段分配系数+项目组成员各阶段分配系数=1;项目经理对所有人员进行考核,产品经理进行
二次考核,结果以产品经理进行考核的系数为准。
职能部门管理绩效考核方案为保证企业发展战略旳顺利实行,建立和完善企业职能部门绩效考核体系,特制定本措施。
一、基本原则1、坚持科学、系统、客观、公开、公平、公正旳原则;2、建立面向企业战略、全过程监控旳绩效考核体系;3、按照权责对等旳规定,深入明确上级和下级之间旳管理关系、责任关系;4、绩效考核工作与评比先进工作相结合,兼顾部门绩效与员工个人绩效;5、重视持续不停旳绩效沟通和绩效改善。
二、绩效评估员工绩效评估是绩效考核旳关键环节,此方案仅针对职能部门旳管理绩效内容,每月考核一次。
每月考核是对员工绩效考核指标完毕状况旳中期检查,目旳是肯定成绩、指出局限性,提出下月度工作旳改善方向,月度考核成果作为年度考核旳重要参照。
1、中层管理人员:由被评估人本人、企业总经理根据考核指标评价原则,对中层管理人员进行评价打分,评分权重为被评估人本人30%,总经理70%。
总经理可授权委托分管领导对中层管理人员进行评价,并有权质询分管领导旳评价打分根据。
2、一般员工:由被评估人本人、部门负责人根据考核指标评价原则,对一般员工进行评价打分,评分权重为被评估人本人30%,部门负责人70%。
3、汇总绩效评估得分每月5日前,综合管理部汇总职能部门各级员工绩效评估成果,各部门负责人汇总本部门员工旳绩效评估得分,计算措施为:绩效评估得分=Σ[考核者打分(或平均分值)×考核者评分权重] 4、描述性评语根据员工绩效评估得分,由企业总经理对中层管理人员形成描述性评语,各部门负责人对本部门员工形成描述性评语,描述性评语一般应包括被考核者绩效状况、绩效优劣点、绩效改善点和期望等。
三、考核成果审核综合管理部将企业职能部门旳中层管理人员、一般员工旳考核成果提交企业总经理审核。
四、考核成果反馈、绩效面谈1、根据绩效评价成果,按照分级负责旳原则,企业总经理向中层管理人员反馈考核成果、中层管理人员向一般员工反馈考核成果。
2、在反馈考核成果时,考核者与被考核者要进行正式旳绩效面谈(绩效沟通)。
公司员工绩效工资怎么计算公司员工绩效工资怎么计算员工的绩效工资是很多员工关注的内容,你知道员工的绩效工资如何计算吗?下面是店铺为你精心推荐的公司员工绩效工资计算方法,希望对您有所帮助。
员工绩效工资计算方法一、绩效考核得分1、绩效考核计算公式=KPI绩效(50﹪)+360度考核(30﹪)+个人行为鉴定20﹪2、绩效换算比例:KPI绩效总计100分占50﹪;360度考核总计200分占百分的30﹪;个人行为鉴定总计占20﹪。
二、绩效奖金计算方式1、月度绩效奖金计算方法:每月从个人该月基本工资中提取10%为个人奖金基准金额,按实际达成效果之优劣核算奖金金额;计算方法:个人绩效奖金=该月基本薪资*10%*部门系数*个人考核等级系数.2、年度绩效奖金计算方法:计算公式为:年终奖金=(系数*连续工作月数*基本工资)/12*评分百分率(系数由公司管理委员会根据年度利润报告而定).3、在公司任期不满1年者,其年终奖考核以连续工作月数计发三、如何列出考核项目的计算公式1、倒扣型计算方式及其应用2、统计型计算方式及其应用3、比例型计算方式及其应用4、经验型计算公式四、个人绩效分值的计算为使员工工作绩效相互间具有可比性,以便有效地实施奖惩,通常采用绩效分值计算法,评估员工个人工作绩效完成情况。
个人绩效分值计算公式为:个人绩效分值=∑(KPIi绩效分值×KPIi权重)×KPI总权重+∑(工作目标完成分值×权重)×工作目标总权重五、绩效奖金=管理单元综合考核系数×个人考核系数×奖金基数六、如果员工绩效工资要与部门业绩挂钩,则绩效工资首先需要根据部门考核成绩在部门间进行一次分配,然后再根据员工考核情况在部门内进行二次分配。
(一)部门绩效工资分配(一次分配)部门月度绩效工资总额=公司可分配月度绩效工资总额/[∑(部门加权价值×部门月度考核系数)]×某部门加权价值×该部门月度考核系数+某部门月度奖罚金额(二)员工绩效工资分配(二次分配)员工月度实得绩效工资=部门可分配月度绩效工资总额/[∑(员工岗位价值系数×该岗位员工人数×员工月度考核系数)]×某岗位价值系数×该岗位员工月度考核系数+某员工月度奖罚金额该方案中,考虑不同部门和不同岗位的工作价值不同,需要用到部门加权价值系数和员工岗位价值系数。
奖金系数及奖金发放:各井区根据工作性质、劳动强度、工作环境以及职务、职称、岗位不同制定每位员工在不同岗位上的岗位系数,通过每月的量化考核对每位员工进行量化打分;且让在同一得奖标准基础上的员工相互浮动,多劳多得。
这样大大提高了目前多元化用工形式下员工的工作积极性和主动性,使现场的量化考核更具规范化和科学化。
业绩分值:每月考核所得分。
岗位系数:作业区工程地质室主任:1.2;副主任:1.15生产运行组组长1.2,生产运行组副组长1.1作业区综合管理组、计划经营组组长1.1工程地质室技术员:1.1作业区机关后勤人员:1.0井区长、书记:1.3副井区长:1.25技术员、站长:1.2集油站、宁二转卸油岗:1.2小班长、大班班长:1.15岗位员工、井区大班人员:1.1资料员、经管员、化验工:1.1驻井工: 1.1交油班1.05(若有兼岗人员,取最高系数,不可累加)分级系数:机关后勤人员:1.0井区自己根据自己实际情况结合作业区考核相关内容制定驻井工的系数为1.1,按一个井场一口油井为标准。
(1)、每增加一口进流程油井加50元。
(2)、大电、拉油点井加150元;再每增加1口井加50元(3)、发电机井加200元;再每增加1口井加50元;再增加1台发电机加200元。
2、考核①对于单井、井组,站点员工的考核,实行日考核制,班站长对当班员工一天的工作进行写实性考核,井区长或副井区长每月不少于4次考核,作业区领导及机关各组室人员可随机考核。
考核依据为各站点岗位量化考核细则进行考核。
考核情况填写在考核内容、扣分及说明栏内。
考核成绩是每名员工获得相应薪酬的依据。
3、岗位量化考核要求①制定的岗位量化考核标准、考核细则等做到众人皆知,在考核中严格遵守考核制度。
考核工作要实事求是,公平、公正、公开,不流于形式。
②对于员工岗位变更情况必须在量化考核表中填写清楚,何时到岗,何时离岗,要求时间准确,便于一人多岗时的考核。
③每次考核必须有考核人与被考核人签字,才能认可。
员工年终奖考核管理办法1、考核目的1.1 为了规范员工年终奖金发放管理,合理核算年终奖金发放数额。
本着激励员工的工作热情和积极性,不断增强企业向心力和凝聚力,同时结合公司的实际情况,特制订本管理办法。
2、适用范围2.1 除编外人员和实习生外,包括所有在职员工;2.2 在当年度年终考核奖金发放前有下列情形之一者,不发放当年年终考核奖金:①在中途离职者;②事假半年内累计超20(含)天者;③假后长期未归者;④年终考核不合格者,指年终考核得分在60分以下者;⑤当年度受到过公司记大过处分者。
2.3 公司认定的其它情形。
3、年终奖计算方法3.1 计算基数:员工月标准工资;3.2 考核系数:员工年终考核评定结果所对应的数值(即所称考核系数);3.3 年度在职月数:指员工在此考核年度内所在职的月数,其中不满一月的按一个月计算;3.4 计算公式:员工级、主管、专工级:年终奖金=(计算基数∕12)×(年度在职月数)×考核系数。
3.5 编外人员年终福利编外人员结合其工作表现情况,给予200元作为年终福利。
4、年终考核得分对应系数表5、出勤奖惩加扣分规则5.1 迟到、早退,一次扣1分;5.2 每次请事假三天及三天以上者,每次扣1分;5.3 每次请病假五天及五天以上者,每次扣2分;5.4 旷工一天,每次扣20分;5.5 得到公司书面表扬者,每次加3分;5.6 得到公司书面批评和处罚者(如罚款、警告等),每次扣3分;5.7 请假到期限未归也未办理续假手续者按旷工处理,每超一天扣20分。
6、考核实施流程6.1 考核依据:由直属上级(不包括班组长)负责考核,班组长列入员工级考核,考核依据年终考核表进行考核;6.2 考核实施:2012年12月份的第一个星期为员工本年度集中考核期,各部门主管、专工统计本部门本年度列入考核范围的员工数,且须在规定时间内到行政人事部领取年终考核表,领取时间为11月份的最后一个星期;6.3 数据汇总:2012年12月份的第二个星期行政人事部负责对考核数据进行统一汇总;6.4 上报审批:2012年12月份的第三个星期行政人事部负责对汇总后的初始数据进行统一上报;6.5 结果告知:2013年1月份的第二星期行政人事部负责告知员工考核结果。
绩效考核常用公式时间:2021.03.08 创作:欧阳与一、绩效考核得分1、绩效考核计算公式=KPI绩效(50﹪)+360度考核(30﹪)+个人行为鉴定20﹪2、绩效换算比例:KPI绩效总计100分占50﹪;360度考核总计200分占百分的30﹪;个人行为鉴定总计占20﹪。
二、绩效奖金计算方式1、月度绩效奖金计算方法:每月从个人该月基本工资中提取10%为个人奖金基准金额,按实际达成效果之优劣核算奖金金额;计算方法:个人绩效奖金=该月基本薪资*10%*部门系数*个人考核等级系数.2 、年度绩效奖金计算方法:计算公式为:年终奖金=(系数*连续工作月数*基本工资)/12*评分百分率(系数由公司管理委员会根据年度利润报告而定).3、在公司任期不满1年者,其年终奖考核以连续工作月数计发三、如何列出考核项目的计算公式1、倒扣型计算方式及其应用2、统计型计算方式及其应用3、比例型计算方式及其应用4、经验型计算公式四、个人绩效分值的计算为使员工工作绩效相互间具有可比性,以便有效地实施奖惩,通常采用绩效分值计算法,评估员工个人工作绩效完成情况。
个人绩效分值计算公式为:个人绩效分值=∑(KPIi绩效分值×KPIi权重)×KPI总权重+∑(工作目标完成分值×权重)×工作目标总权重五、绩效奖金=管理单元综合考核系数×个人考核系数×奖金基数六、如果员工绩效工资要与部门业绩挂钩,则绩效工资首先需要根据部门考核成绩在部门间进行一次分配,然后再根据员工考核情况在部门内进行二次分配。
(一)部门绩效工资分配(一次分配)部门月度绩效工资总额=公司可分配月度绩效工资总额/[∑(部门加权价值×部门月度考核系数)]×某部门加权价值×该部门月度考核系数+某部门月度奖罚金额(二)员工绩效工资分配(二次分配)$ H" B% E/ k# ^3 G& ~员工月度实得绩效工资=部门可分配月度绩效工资总额/[∑(员工岗位价值系数×该岗位员工人数×员工月度考核系数)]×某岗位价值系数×该岗位员工月度考核系数+某员工月度奖罚金额, G7 v$ w+ M4 F+ z B3 p该方案中,考虑不同部门和不同岗位的工作价值不同,需要用到部门加权价值系数和员工岗位价值系数。