加气混凝土原始记录
- 格式:doc
- 大小:87.50 KB
- 文档页数:2
试验编号:~砌 块 等 级规格型号(mm)强 度 级 别检 测 方 法设备 / 仪器标准要求标准要求长度L宽度B破坏荷载P 1强度值fcc平均值干前质量M 干后质量M0含水率WS 长度L 宽度B 高度H 平均值(kN)(MPa)(MPa)(g)(g)%(kg/m³)1-11-11-21-21-31-32-12-12-22-22-32-33-13-13-23-23-33-3单组最小值结论 审核:序号序号复核:试验:结论结论抗压强度(MPa)平均值抗压试件含水率WS (%)WS=M-M0/M0×100干密度检测结果(kg/m³)γ0=M0/V×10标准要求烘干质量M 0体积(V)密度(mm)(mm)(g)(kg/m³)异 常 情 况试件处理方式抗压强度fcc(MPa)抗压试件含水率WS(%)干密度γ0(kg/m³)蒸压加气混凝土砌块检测原始记录试验日期:样 品 状 态环 境 温 度密 度 等 级样 品 数 量第 1 页,共 2 页试验编号:~123456789备注 审核:复核:试验:抗冻性导热系数W/(m·K)质量损失率%厚度(m)热面温度℃冷面温度℃计量面积m 2发热功率W质量损失率Mm(%)受压面积A1(mm²)强度平均值(MPa)荷载P1(N)抗压强度fcc (MPa)公式:技术指标序号1修正系数实测值结论蒸压加气混凝土砌块检验原始记录试验日期:技术指标序号结论冻前质量M0(g)冻后质量Ms(g)第 2 页,共 2 页。
精心整理混凝土含气量试验原始记录
编号:HNTJ-CX15-JL16检验编号:
混凝土标
记
配比设计编号
检验依据GB/T50080-2002 检验日期
使用仪器
容器容积值
(L)
1、骨料含气量
细骨料质
量(g)粗骨料质
量
(g)
气室压力
(MPa)
气室压力进入容器后压力(MPa)
含气量Ag
(%)
1 2 平均
2、原材料及配合比
材料名称水水泥
砂石掺合料外加剂产地、厂家
品种、规格
配合比(kg/m3)
3、含气量
气室压力气室压力进入容器后压力(MPa)含气量A0
(MPa) 1 2 平均(%)
4、混凝土拌合物含气量计算
A=A0–Ag=
结论:
试验:审核:
混凝土含气量测定仪容器容积标定记录
编号:HNTJ-CX15-JL40仪器编号率定日期
率定依据使用仪器
一、含气量测定仪容器容积的率定
干燥含气量仪质量
(kg)水、含气量仪质量(kg)
水的密度
(kg/m3)
容器容积(L)二、含气量与气体压力值率定
含气量(%)
压力(MPa)
1 2 平均值
0 1 2 3 4
5
6
7
8
根据以上率定结果,绘制含气量与气体压力之间的关系曲线图如下:
)
%
(
量
气
含
压力(MPa)
试验:审核:。
蒸压加气混凝土砌块检验检测原始记录1.检验项目:尺寸检测检验依据:《蒸压加气混凝土砌块产品质量标准》检验仪器:钢尺、卡尺检验方法:将蒸压加气混凝土砌块放置在平整的检验台上,用钢尺或卡尺测量长度、宽度和高度,并记录测量结果。
2.检验项目:抗压强度检验依据:《蒸压加气混凝土砌块产品质量标准》检验仪器:压力机、试块磨平仪、测量计检验方法:(1)检测前,将试块磨平,确保表面平整。
(2)将试块放置在压力机上,施加逐渐增大的压力,直至试块破裂。
(3)记录试块破裂时的压力数值,并计算抗压强度。
(4)进行多个试块的检测,记录并计算平均抗压强度。
3.检验项目:吸水率检验依据:《蒸压加气混凝土砌块产品质量标准》检验仪器:天平、容器、浸水设备检验方法:(1)准备干燥的试块,并记录其质量。
(2)将试块放入容器中,加入足够的水,使试块完全浸没。
(3)在规定的时间(通常为24小时)后,取出试块,用纸巾擦去表面水分,并记录试块质量。
(4)根据试块的质量变化计算吸水率。
4.检验项目:导热系数检验依据:《蒸压加气混凝土砌块产品质量标准》检验仪器:导热仪、温度计、计算机检验方法:(1)准备好蒸压加气混凝土砌块样本,并确定样本的尺寸及质量。
(2)在样本的表面放置导热仪传感器,并将样本放置在固定温度环境中。
(3)记录样本的初始温度及环境温度。
(4)测量样本的导热系数,记录测量结果。
(5)根据测量结果计算样本的导热系数。
5.检验项目:弯曲强度检验依据:《蒸压加气混凝土砌块产品质量标准》检验仪器:弯曲试验机、弯曲试样加工设备检验方法:(1)准备好蒸压加气混凝土砌块试样,并根据标准要求进行加工。
(2)将试样放置在弯曲试验机上,施加逐渐增大的弯曲载荷,直至试样破裂。
(3)记录试样破裂时的载荷数值,并计算弯曲强度。
(4)进行多个试样的检测,记录并计算平均弯曲强度。
在进行蒸压加气混凝土砌块的检验检测时,需要严格依据相关的标准和方法进行操作,并记录检测过程和结果,以确保砌块质量的稳定性和可靠性。
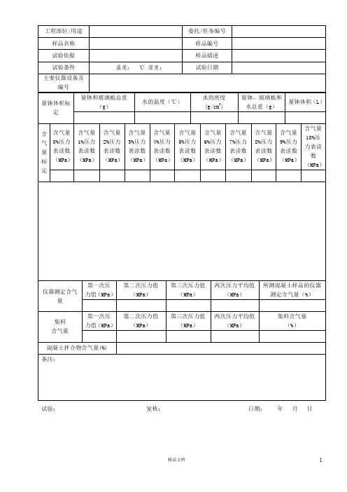
工程部位/用途委托/任务编号样品名称样品编号试验依据样品描述试验条件温度:℃湿度:试验日期
主要仪器设备及
编号
量钵体积标
定量钵和玻璃板总重
(g)
水的温度(℃)
水的密度
(g/cm3)
量钵、玻璃板和
水总重(g)
量钵体积(L)
含气量标定含气量
0%压力
表读数
(MPa)
含气量
1%压力
表读数
(MPa)
含气量
2%压力
表读数
(MPa)
含气量
3%压力
表读数
(MPa)
含气量
4%压力
表读数
(MPa)
含气量
5%压力
表读数
(MPa)
含气量
6%压力
表读数
(MPa)
含气量
7%压力
表读数
(MPa)
含气量
8%压力
表读数
(MPa)
含气量
9%压力
表读数
(MPa)
含气量
10%压
力表读
数
(MPa)
仪器测定含气
量
第一次压
力值(MPa)
第二次压力值
(MPa)
第三次压力值
(MPa)
两次压力平均值
(MPa)
所测混凝土样品的仪器
测定含气量(%)
集料含气量
第一次压
力值(MPa)
第二次压力值
(MPa)
第三次压力值
(MPa)
两次压力平均值
(MPa)
集料含气量
(%)
混凝土拌合物含气量(%)
备注:
试验:复核:日期:年月日
精品文档 1。