12 接地电阻测试仪操作与保养规范
- 格式:doc
- 大小:73.40 KB
- 文档页数:3
接地电阻测试仪操作规范1.前期准备工作在进行接地电阻测试之前,需要进行一些前期准备工作,确保能够正常、准确地进行测试。
1.1仔细阅读测试仪的说明书,了解仪器的使用方法和注意事项;1.2保证测试仪器的正常工作状态,检查仪器的电源线、测试线等是否完好,如有损坏或老化,应及时更换;1.3检查测试仪器的校准情况,如有需要,应及时进行校准或维修;1.4了解测试对象的基本情况,包括电气设备的工作电压、接地方式等;1.5确保测试环境安全可靠,避免有害气体、易燃物等对测试操作造成影响。
2.测试准备在进行接地电阻测试时,需要进行一些测试准备工作,保证测试的准确性和安全性。
2.1断开待测设备的电源,确保测试的安全性;2.2清理测试点附近的杂物,保持测试点的干燥、洁净;2.3切勿在有明火、易燃物的地方进行测试,以免引发火灾;2.4可以在测试点附近加入人工接地电阻,以确保测试的准确性。
3.测试步骤3.1将测试仪的测试线分别与待测设备的接地端子和接地极连接;3.2打开测试仪的电源开关,根据测试仪的使用方法进行测试参数的设置;3.3确认测试仪的连接正确无误后,按下测试按钮,进行测试;3.4测试过程中,要保持测试线不要发生断开或松动,以免影响测试结果;3.5观察测试仪的显示屏,等待测试结果稳定后,记录下测试值;3.6测试完成后,关闭测试仪器的电源开关,断开测试线。
4.注意事项在进行接地电阻测试时,还需要遵守以下注意事项4.1放置测试工具时要小心谨慎,避免碰撞或摔落,以免损坏测试仪器;4.2测试过程中不要触摸被测试物体和测试仪器,以免触电或误操作;4.3不要将测试仪器与高压设备共用一个测试线,以免影响测试结果和测试仪器的安全性;4.4不要在雷雨天气或其他恶劣天气环境下进行测试,以免造成人身伤害;4.5不要在不能承受一定电流的地方进行测试,以免对测试人员和被测试设备造成伤害。
接地电阻测试仪操作规程一、引言接地电阻测试仪是一种用于测量接地系统(包括建筑物、设备等)的接地电阻值的仪器。
准确测量接地电阻对于保证接地系统的可靠性和安全性非常重要。
为了正确、安全地使用接地电阻测试仪,特制定以下操作规程。
二、操作准备1. 检查接地电阻测试仪的外观,确保仪器没有损坏。
2. 准备好测试的接地系统,包括接地装置和接地电极。
3. 检查测试环境,确保周围没有危险物品或存在其他安全隐患。
4. 检查仪器的电源,确保仪器可以正常使用。
三、操作步骤1. 将接地电阻测试仪放置在平稳的工作台上,并连接电源。
2. 打开仪器的电源开关,待仪器启动完成后,选择合适的测试参数(如测试范围、测试模式等)。
3. 将测试引线连接到仪器的测试端口上,确保引线连接牢固。
4. 将另一端的测试引线连接到接地电极上,确保接地电极与接地装置牢固连接。
5. 按下仪器上的测试按钮,仪器会开始对接地系统进行测试,并显示测试结果。
6. 等待测试结果稳定后,记录下测试结果,并根据需要进行其他测试(如多点测试)。
7. 测试完成后,断开测试引线和接地电极的连接,并将接地电阻测试仪的电源关闭。
8. 拆除测试装置,并进行必要的清理和维护。
四、注意事项1. 在操作接地电阻测试仪之前,务必熟悉仪器的使用说明书,了解仪器的工作原理和注意事项。
2. 在测试接地系统之前,应对测试环境进行检查,确保周围没有危险物品或存在其他安全隐患。
3. 在连接测试引线和接地电极时,应确保连接牢固,以免影响测试结果的准确性。
4. 在进行测试时,应留意仪器的显示结果,及时记录测试结果,并根据需要进行其他测试。
5. 在测试完成后,应及时断开测试引线和接地电极的连接,并将接地电阻测试仪的电源关闭,以免造成意外伤害或损坏仪器。
6. 始终遵守相关电气安全操作规程和工作场所的安全规定,保证自己和他人的安全。
五、总结接地电阻测试仪的正确使用对于保证接地系统的可靠性和安全性至关重要。
按照以上操作规程进行接地电阻测试,能够确保测试的准确性和安全性,提高工作效率和工作质量。
接地电阻测试仪操作规程范本操作规程:接地电阻测试仪一、导言接地电阻测试仪是用来测试各种电气设备接地电阻的专用仪器,本操作规程旨在规范接地电阻测试仪的使用流程,保证测试结果的准确性和测试人员的安全。
二、测试前的准备1. 确保测试设备完好无损,仪器上的电缆、接头、夹子等部件应无断裂、脱落等情况;2. 检查测试仪上的电池电量,确保电量充足;3. 检查测试仪的显示屏,确保屏幕完好无损;4. 确定测试仪的测试范围和测试对象,根据需要选择合适的测试电流档位;5. 确保测试环境安全,无明显的电磁干扰或其他外部因素干扰。
三、测试操作步骤1. 将测试仪连接至待测试设备的接地点。
2. 打开测试仪的电源开关,确保仪器正常启动。
3. 设置测试仪的测试电流档位,根据测试对象的特点和要求选择合适的档位。
4. 按下测试仪上的测试按钮,开始进行测试。
等待测试仪显示出稳定的测试结果。
5. 记录测试结果,包括接地电阻的数值和测试时的环境参数等。
6. 对于需要多次测试的情况,可以进行多次测试并取平均值,以提高测试结果的准确性。
7. 测试完毕后,关闭测试仪的电源开关。
四、注意事项1. 在操作过程中要保持仪器的稳定性,不得随意移动或摇晃测试仪。
2. 确保测试仪与待测试设备的接地点良好接触,不得存在松动或不良接触等情况。
3. 在进行测试时,不得有其他电气设备的工作状态与被测设备存在干扰。
4. 严禁在强电场或带电设备附近进行测试,以免造成安全事故。
5. 在测试过程中,如发现异常情况或仪器故障,应立即停止测试并排除故障。
6. 遵守测试仪器的使用说明和维护要求,保证仪器长期有效使用。
五、维护与保养1. 使用完毕后,及时清理测试仪上的灰尘和污渍,保持仪器干净整洁。
2. 定期检查测试仪的电池电量,保证电量充足。
3. 不得私自拆卸或更换测试仪的重要部件,如有需要,应联系专业人员进行维修。
4. 定期进行仪器的校准与检测,保证测试结果的准确性。
5. 将测试仪存放在干燥、通风、无腐蚀性气体的环境中,避免日晒、雨淋和摔落。
接地导通电阻测试仪安全操作及保养规程接地导通电阻测试仪是一种常见的测试工具,用于检测接地系统的质量和可靠性。
在使用过程中,我们需要注意安全操作和正确保养,以确保测试仪的正常运行和使用寿命。
本文将介绍接地导通电阻测试仪的安全操作和保养规程,帮助用户安全使用和维护测试仪。
第一部分:安全操作规程1.1 选用合适的测试仪器使用接地导通电阻测试仪需要选用合适的测试仪器,根据不同需求选择不同型号的测试仪。
在选用测试仪时,需要考虑测试仪的精度、测量范围、测试速度等因素,以及适用于不同类型的接地系统和地面表面材料。
应选择有相关认证和资质的品牌和型号,确保测试仪器的质量和安全性。
1.2 操作前检查测试仪器在每次使用测试仪器前,应进行必要的检查,确保测试仪器的正常状态和完整性。
应检查测试仪器的电源线、测试夹、测试线、表头、电池等组件的连接和状态,确认无损坏、松动、接触不良等情况。
同时,应检查测试仪器的灵敏度和精度,以及合适的环境条件(如温度、湿度等)。
1.3 使用测试仪器时注意安全在测试接地系统时,应注意安全操作。
首先,应按照测试仪器的使用说明书操作,保证电源的接通和测试线路的正确连接。
同时,在测试过程中应保持适当的距离和位置,以避免触电和碰撞等安全风险。
特别是对于高压线路、雷电保护区域等特殊场合,需要采取相应的安全防护措施,确保测试人员的安全。
1.4 测试结束后的处理在测试结束后,应及时关闭测试仪器的电源,并拆除测试线路和测试夹。
同时,应清理测试夹和测试线的表面,并进行必要的消毒处理。
对于测试仪器本身,应存放在干燥、通风的环境中,避免受到日晒、潮湿等影响。
第二部分:保养规程2.1 测试仪器的日常保养日常保养是测试仪器保持良好使用状态和延长使用寿命的基础。
对于接地导通电阻测试仪,应每日对测试仪器进行检查和清洁。
可以使用软布或刷子清洁测试仪器的表面和内部,移除杂质和污垢。
同时,也可以使用润滑油或硅油等涂抹在测试仪器的连接部分和电池等部件上,以保持其顺畅和稳定。
接地电阻测试仪操作规程接地电阻测试仪是一种用于测量接地装置接地电阻的仪器。
接地电阻测试仪操作规程如下:一、安全操作1.使用前,请检查接地电阻测试仪的外观和内部连接线路是否正常。
2.请将接地电阻测试仪安装在干燥、通风良好的环境下。
3.再使用接地电阻测试仪之前,请先检查接地线是否接好。
4.如果发现接地线有损坏或破裂,请立即更换。
5.在操作过程中,请勿将电阻计扔或碰撞。
6.在操作时,请勿在设备上涂布有腐蚀剂或化学药品,以免引起安全事故。
二、使用操作1.连接电缆和接地电极:在使用前,将测试仪与外部设备连接,确保连接好线材和接地电极。
2.选择工作模式:在选择模式后,打开电源,等待几秒钟,电阻计杆上的指示灯会亮起。
3.测量接地电阻:将测试仪的两个静电杆(红色和黑色)插入地面,并按下测试仪的测量按钮。
4.读取测试结果:在测量完成后,仪器上的LED屏幕会显示相应的接地电阻值。
5.保存测试数据:将测试数据记录在相应的文档中,并保持仔细。
三、维护操作1.及时清理:在使用之后,请注意清洁接地电阻测试仪的外观,并将其放置在轻松的环境下。
2.定期校验:请定期将接地电阻测试仪送到专业机构进行校验和维修,以保证设备的正常工作。
3.防止损坏:在操作和存储设备时,请不要将设备放在受潮和高温的环境中,以免影响设备寿命。
四、使用注意事项1.在使用过程中,请避免使用接地电阻测试仪与太阳直接接触或在潮湿、尘土等环境中工作,以免影响测量精度和准确性。
2.在使用过程中,如发现任何故障或质量问题,请及时向相关方面反映,以便提供更好的服务和保障。
3.在使用过程中,请注意防止人身伤害,例如请勿将接地线对着人身和裸体孔。
总之,对于接地电阻测试仪这类电器设备,在操作和使用过程中,一定要遵守严格的规范和操作方法,以确保设备的安全和正常工作,同时为使用者提供更好的服务和体验。
接地电阻测试仪操作维护规程7.37.1 简述接地电阻测试仪是检验测量接地电阻的常用仪表,也是电气安全检查与接地工程竣工验收不可缺少的工具,进年来由于计算机技术的飞速发展,因此接地电阻测试仪也渗透了大量的微处理机技术,其测量功能,内容与精度是一般仪器所不能相比的。
目前先进地电阻测试仪能满足所有接地测量要求。
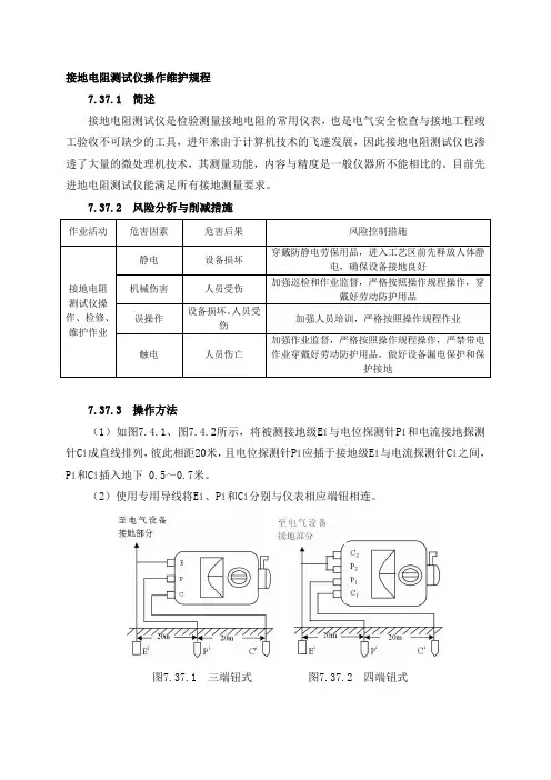
7.37.2 风险分析与削减措施7.37.3 操作方法(1)如图7.4.1、图7.4.2所示,将被测接地级Eí与电位探测针Pí和电流接地探测针Cí成直线排列,彼此相距20米,且电位探测针Pí应插于接地级Eí与电流探测针Cí之间,Pí和Cí插入地下 0.5~0.7米。
(2)使用专用导线将Eí、Pí和Cí分别与仪表相应端钮相连。
图7.37.1 三端钮式图7.37.2 四端钮式(3)将仪表放在水平位置上,检查检流计指针是否在中心线上,若未指在中心线上,则用零位调整器将其调整到中心线位置。
(4)将“倍率标度”置于最大倍数,慢慢转动发电机的摇把,同时旋动“测量标度盘”,使检流计的指针平衡(置于中心线上)。
(5)当检流计的指针接近中心线时,加快发电机摇把的转速(达到120转/分),再调整“测量标度盘”,使指针指于中心线上。
(6)如果“测量标度盘”的读数小于1,应将“倍率标度”置于较小的倍数,再重新调整“测量标度盘”,以得到正确的读数。
(7)当检流计的指针完全平衡在中心线上以后,用“测量标度盘”的读数乘以“倍率标度”的倍数,即为所测电阻值。
7.37.4 注意事项(1)摇测绝缘电阻过程中,转速由慢逐渐到快摇动手柄,不得忽快忽慢,以免指针摆动过大而引起误差。
(2)如果检流计灵敏度过高,则使电位探测针Pí插入土中浅一些;如果检流计灵敏度过低,则沿电位探测针Pí和电流探测针Cí注水,使其湿润。
接地电阻测试仪操作维护规程一、操作规程:1.在使用前,必须检查测试仪的外壳是否完好,连接线是否有损坏,所有按钮、开关是否灵活可用。
2.将测试仪放置在干燥通风的环境中,确保其稳定性。
3.根据需要选择对应的测试范围,并将测试仪置于该范围。
4.将测试仪的接地线连接到待测接地系统上的接地电极,确保连接牢固,避免产生接地电流。
5.调节测试仪的仪表,使其指针归零或数字显示为零。
6.在测试前,确保接地系统与其他电气设备之间都已切断,避免产生干扰。
7.操作人员应远离接地系统,以免受电流的影响。
8.按下测试按钮,测试仪会自动进行测试,并显示测试结果。
9.测试结束后,及时按下停止按钮,关闭测试仪的电源。
10.断开待测接地系统与测试仪的连接,清理测试仪,存放到指定的位置。
二、维护规程:1.定期检查测试仪的外壳是否有损坏,如有损坏应及时修复或更换。
2.测试仪的连接线应定期检查是否有断裂或破损,如有破损应及时更换。
3.对测试仪的仪表和按钮进行定期清洁,避免因积尘而影响正常使用。
4.如果测试仪出现故障或指示不准确,应立即停止使用,并交由专业人员进行维修。
5.长时间不使用测试仪时,应将其存放在干燥、通风的环境中,避免受潮或受潮。
6.测试仪的电源插头应定期检查是否有松动或脱落的情况,确保电源连接正常。
7.避免测试仪受到强磁场、强电场或潮湿环境的影响,以保证测试的准确性和可靠性。
8.使用测试仪时应按照操作说明进行,避免不当操作引起设备损坏或人员伤害。
9.定期校验测试仪的准确性,如有偏差应及时进行调整或更换。
总之,正确操作和维护接地电阻测试仪对保障接地系统的安全性能至关重要。
通过遵循上述操作维护规程,可以确保测试仪的正常运行和可靠使用,提高工作效率,并确保测试结果的准确性。
接地电阻测试仪安全操作及保养规程前言接地电阻测试仪在土木工程、通信、电力等领域广泛应用,其作用是测试接地设施的接地电阻值,以判断接地设施的可靠性。
接地电阻测试仪操作简单,但在使用过程中需要注意安全。
本文将详细介绍接地电阻测试仪的安全操作及保养规程,以确保使用过程中的安全和设备的长期稳定运行。
安全操作规程检查接线在使用接地电阻测试仪之前,一定要检查测试仪的接线是否正确、接触是否良好。
测试线应该与测试仪正确的接口相连接,电源线应该插入线路可靠的电源插座。
如果有任何损坏或者松动,都应该立即维修或更换。
避免触摸金属部分在测试接地线路时,容易产生较高电压,在测试仪上插入测试线时也可能会碰到金属部分,因此在测试过程中一定要注意避免触摸金属部分。
换言之,在通过接地电阻测试仪测试接地设施时,我们应该保持双手干燥,不要触摸测试仪的任何金属部分,这样才能确保安全。
操作正确顺序在测试前,先将电源打开,然后将测试线连接到测试仪上。
接下来将测试线连接到要测试的接地线路上,最后通过按下测试按钮进行测试。
在测试后,先将测试线与要测试的接地线路拔出,然后再拔下测试线与测试仪连接的部分。
废止使用后,应该关闭电源,并拔出电源插头。
防止过载接地电阻测试仪具有一定的承受范围,因此在测试时应该注意防止过载。
为了保证测试结果的准确性,测试仪的电流和电压的测量范围应尽量符合测试对象的接地电阻。
如果超过了测试仪的承受范围,测试仪可能会损坏,而且测试结果也可能不准确。
保养规程清洁测试仪在使用接地电阻测试仪时,应定期清洗测试仪的表面和接口。
使用干布清洁测试仪的表面和接口,不要使用液体溶剂或者研磨剂清洁,以免损坏测试仪的表面和接口。
也不要用水清洗,以免损坏测试仪电路。
保存测试仪接地电阻测试仪是一种精密仪器,保存时应将测试仪放在干燥的地方,防止受潮、发霉。
同样在保存前也要定期对测试仪进行检查,确保不存在松动、腐蚀等问题。
测试仪的维护定期检查接地电阻测试仪的电源插头、测试线以及测试仪接口的接触是否良好;检查测试仪的电源开关、测试按钮和指示灯等部件是否正常。
接地电阻测试仪的操作规程一、操作前的准备工作1.确保接地电阻测试仪的电源充足,并检查电池电量是否足够。
2.检查设备的连接线是否完好,没有断裂或损坏。
3.确认测试场地的接地系统是否符合安全要求,并检查是否有任何外部干扰源。
二、接地电阻测试仪的操作步骤1.将测试仪的电源线插入电源插座,并打开仪器的电源开关。
2.将测试仪的测量线连接到接地设备或接地系统上,确保线缆连接紧固可靠。
3.选择适当的测量范围和测量模式,根据实际情况选择直流或交流模式。
4.按下开始测试的按钮,等待测试仪显示出结果。
在测试过程中保持设备的稳定,避免任何不必要的干扰。
5.记录测量结果,并与规定的安全要求进行比较。
如果测试结果不合格,应及时采取措施修复或更换接地系统。
6.测试完成后,关闭测试仪的电源开关,并将电源线从插座上拔出。
三、注意事项1.在进行接地电阻测试时,应确保测试仪的工作环境干燥、通风良好,并且没有任何易燃、易爆的气体。
2.在测试过程中,避免触摸测试设备的导线和接地系统的导体,以免触电或造成其他危险。
3.在选择测量范围时,应根据实际情况确定,并确保其能够覆盖到测试对象的电阻范围。
4.需要注意的是,虽然接地电阻测试仪能够提供比较准确的测试结果,但仪器本身也存在一定的误差,因此应在多次测试后取平均值来判断接地系统的电阻值。
5.进行测试之前,应仔细阅读并理解测试仪器的使用说明书,确保正确操作,避免误操作导致的危险。
四、维护保养1.定期检查测试仪的电源线、连接线和导线是否损坏,如有损坏应及时更换修复。
2.定期清理测试仪器的外壳,确保仪器的散热良好,防止灰尘或污垢影响测试结果。
3.不使用测试仪时,应将其存放在干燥、通风的地方,避免受潮或受到任何外部物体的碰撞。
以上就是接地电阻测试仪的操作规程,希望能对大家在使用过程中提供帮助。
在进行任何测试之前,应确保自身安全,并根据实际情况选择合理的测试方法和设备。
接地电阻测试仪操作规范一、接地电阻测试仪概述接地电阻测试仪是一种用于测试接地系维护人员的电阻值的电子设备。
该测试仪能够精确测量接地系统的电阻以及接地系统与物体的电位差。
接地电阻测试仪的正确使用和操作对于保证接地系统的安全性和可靠性至关重要。
本文将详细介绍接地电阻测试仪的操作规范,确保测试结果的准确性和操作人员的安全。
二、操作前准备1.仔细阅读并理解测试仪器的说明书和操作手册,熟悉仪器的功能和使用方法。
2.检查测试仪的外观是否完好无损,仪器内部是否有异物,并检查电源线和连接线是否良好连接。
3.检查测试仪的电源是否正常并接通电源。
三、操作步骤1.连接测试仪与被测接地系统:将测试仪的连接线正确连接到被测接地系统上,并确保连接牢固。
2.打开测试仪的电源开关,并进行系统自检,确保测试仪的所有功能正常。
3.根据被测接地系统的大小和复杂程度,选择相应的测试模式和测量范围,并将测试参数设置为合适的数值。
4.在测试仪上设置测量周期和延时时间,确保测试仪在设定的时间后开始测试。
5.按下测试仪上的开始测试按钮,测试仪会自动进行测试。
6.完成测试后,测试仪会显示出测试结果,包括接地电阻值以及接地系统与物体的电位差。
7.记录测试结果,并与之前的测试结果进行对比,以判断接地系统的变化情况。
8.关闭测试仪的电源开关,并断开连接线。
四、注意事项1.在进行测试时,应确保测试环境安全,防止电击和其他事故的发生。
如果测试环境存在危险,请采取相应的安全措施。
2.在进行测试之前,应先检测测试仪是否正常工作,确保测试结果的准确性。
3.在进行测试之前,应仔细检查被测接地系统和测试仪的连接,确保连接稳固可靠。
4.在进行测试时,应保持测试仪和被测接地系统的连接稳定,避免松动和断裂。
5.在进行测试时,应按照测试仪的说明书和操作手册的要求设置测试参数,避免误操作导致测试结果不准确。
6.在进行测试时,应避免操作错误,如误操作按钮、设置错误的测试模式和测量范围等。
接地电阻测试仪操作规程一、测试前准备1.确保测试仪器已经校准,并且在有效期内。
2.安装电池或连接电源,确保测试仪器工作正常。
3.使用合适的测试夹具或电极,根据需要连接测试仪器和测试对象。
4.清理测试对象表面的污垢和腐蚀物,确保良好的电接触。
5.在测试区域内采取适当的安全措施,如佩戴个人防护装备,确保周围环境的安全。
二、测试步骤1.将测试仪器的测试电极或测试夹具连接到测试对象上。
2.打开测试仪器,并设置测试参数,如测试范围和测试电流。
3.将测试仪器的电极或测试夹具妥善地放置在测试对象上,确保电接触良好。
4.按下测试仪器上的测试按钮,开始测试。
5.等待测试仪器完成测试,并记录测试结果。
6.如果需要重新测试,可按照上述步骤重新测试。
7.在测试完成后,关闭测试仪器,并断开与测试对象的连接。
三、测试注意事项1.在进行接地电阻测试时,应确保测试对象没有电源供电,并已经采取了必要的安全措施。
2.在进行接地电阻测试时,应避免测试对象受到其他电器设备的干扰。
3.在测试过程中,操作人员应保持适当的姿势,避免触摸裸露的电极或测试夹具。
4.在测试过程中,应注意测试仪器和测试对象的工作状态,如温度、震动等因素,以确保测试结果的准确性。
5.测试仪器应定期进行校准和维护,以确保测试的准确性和可靠性。
6.在测试过程中,如发现测试仪器或测试对象存在异常情况,应立即停止测试,并排除故障。
7.在进行接地电阻测试时,应遵守相关的安全规程和操作规定。
8.在测试过程中,应尽量避免人员聚集或其他不安全的行为。
四、测试结果记录和分析1.在测试完成后,应及时记录测试结果,包括测试日期、测试地点和测试对象等信息。
2.对于测试结果异常或不符合要求的情况,应进行数据分析,并采取相应的措施进行修正。
3.测试结果应及时通知相关人员,并按照相关规定进行处理和记录。
4.对于测试结果符合要求的情况,应及时归档和保存相关数据和记录。
五、测试仪器的维护和保养1.定期清洁测试仪器的外壳和测试电极,防止污垢和腐蚀物的堆积。
接地电阻测试仪操作规程
《接地电阻测试仪操作规程》
一、测试仪器配置:
1. 接地电阻测试仪
2. 测试线
3. 接地极
4. 接地夹具
二、操作流程:
1. 将测试仪器接地电源插头插入电源插座。
2. 连接测试线和接地极,确保连接牢固。
3. 将接地极放置于要测试的接地装置上,使用接地夹具固定。
4. 打开测试仪器电源开关。
5. 调节测试仪器设置,选择合适的测试范围和参数。
6. 按下测试按钮开始测试,等待测试结果显示稳定后记录测试数值。
7. 关闭测试仪器电源开关,拔出接地电源插头。
三、注意事项:
1. 在进行测试前,应检查测试仪器和相关配件是否完好,确保安全使用。
2. 要确保测试仪器和被测试接地装置处于安全状态,避免发生意外。
3. 在测试过程中,应遵守相关操作规程,严格按照操作流程进行操作,杜绝疏漏。
4. 测试完毕后,应及时清理和归还测试仪器和配件,做好设备
保养和管理。
四、测试仪器维护:
1. 定期对测试仪器进行检查和维护,确保其正常使用。
2. 存放测试仪器应放置在干燥通风处,避免受潮和日晒。
3. 使用过程中如有异常情况,应及时向专业维修人员进行维修处理。
以上是关于接地电阻测试仪操作规程的详细内容,希望使用人员能够严格遵守相关规章制度,确保安全进行测试操作。
数字接地电阻测试仪安全操作及保养规程数字接地电阻测试仪是一种用于测量接地电阻的仪器,广泛应用于建筑物、电力系统等领域。
为了保障使用者的安全和仪器的正常运行,以下是数字接地电阻测试仪的安全操作和保养规程。
1. 安全操作1.1. 仪器准备•在操作数字接地电阻测试仪之前,务必确保仪器和测试现场都干净整洁,避免灰尘和湿气对仪器造成损害。
•要使用适配的电池或电源进行供电,不要使用不符合规格要求或受损的电池或电源。
•仪器连接到被测物体之前,确认所有连接线、夹具等部件都处于良好状态,无损坏或氧化现象。
1.2. 测试操作•在进行数字接地电阻测试之前,务必确保测试现场内没有危险物品和液体,防止意外事故发生。
•使用前仔细阅读仪器说明书,熟悉仪器的测试方法和使用步骤。
•在进行测试之前,最好将仪器设置为测试状态,并进行自检,确保仪器工作正常。
•操作仪器时,正确佩戴绝缘手套、绝缘鞋等个人防护装备,以提供额外的保护。
•当操作仪器时,避免接触任何暴露的金属部件,以防电击危险。
1.3. 故障处理•如果在使用数字接地电阻测试仪的过程中发现任何异常现象或故障,应立即停止使用并断开电源,避免进一步损坏仪器。
•在遇到故障时,应立即与专业的技术人员联系,不要自行拆卸或修理仪器,以免造成更严重的问题。
2. 仪器保养2.1. 清洁保养•每次使用后,应及时将数字接地电阻测试仪进行清洁,以确保仪器的正常运行。
•使用干燥的软布或气体轻轻擦拭仪器外壳和显示屏,避免使用水或化学溶剂直接清洁仪器。
•清洁连接线和夹具时,要用软布轻轻擦拭,避免连接线和夹具受损。
2.2. 存放保养•当数字接地电阻测试仪不使用时,应将其存放在干燥、通风且防尘的地方。
•长时间不使用时,最好将电池或电源取出,以避免电池液泄漏导致仪器损坏。
•定期检查仪器的电池或电源,并根据需要更换新的电池或电源。
2.3. 定期维护•根据仪器说明书的要求,进行定期的校准和维护,以确保仪器的精确度和可靠性。
接地电阻仪安全操作及保养规程接地电阻仪作为电气测试仪器的一种,主要用于检测接地系统的接地电阻与土壤电阻。
在使用和保养接地电阻仪时,需要严格遵守安全操作和保养规程,以确保操作人员的安全,并延长设备的使用寿命。
一、安全操作规程1.操作前,需要仔细阅读接地电阻仪的操作手册,并了解仪器的特点和操作方法。
2.操作人员必须参加过相应的培训并获得了操作的资格证书。
3.操作人员在工作时必须穿戴符合安全要求的工作服和劳保用品,并正确使用防护设备。
4.接地电阻仪必须在安全地区进行使用,以免遭到电害。
5.在操作接地电阻仪之前,需要确保电源已正确接线,接地极和测量极也已正确链接。
6.在使用接地电阻仪时,需要注意保持整个系统的接地,并确保接地电极周围的区域是安全的。
二、保养规程1.在使用完接地电阻仪后,需要首先将测量极和接地极清洗干净,并将其收纳至专门的箱中。
2.接地电阻仪在使用前需要做好检查与校验工作,确保其在正常性能范围内。
3.在存放接地电阻仪时,应放在干燥、通风、无腐蚀性气体及有防潮水、防震的地方,以免损坏接地电阻仪。
4.定期对接地电阻仪进行清洁和检修,并且按照操作手册中的说明对仪器进行保养。
三、操作注意事项1.在使用接地电阻仪时,操作人员必须了解仪器的基本操作流程及各项指标的使用方法。
2.在操作中,操作人员要随时检查各功能部件是否良好,如需要更换或修理部件,需要使用原配件和配件说明书。
3.在操作中,若发现接地电阻仪出现故障、失灵等不正常情况,应及时停机并检查处理。
4.在进行接地电阻测量之前,需先确认接地装置是否已接到正确的土壤上,并观察测量值的变化情况,确保测量结果准确可靠。
5.装配接地电极时,需根据土壤情况将测量极和接地极插入合适深度,并注意周围环境的影响。
四、结论通过上述操作及保养规程的学习,我们可以掌握接地电阻仪的正确操作方法,了解其保养要点,确保测试工作的精度和安全性。
合理的使用和精细的保养可以延长接地电阻仪的使用寿命,减少更换与维修的成本,进而提高工作效率和节约运维成本。
接地电阻测试仪操作方法及维护保养事项接地电阻测试仪操作方法1、接地电阻测量①将被测接地E(C2、P2)和电位探针P1及电流探针C1依直线彼此相距20米,使电位探针处于E、C中间位置,按要求将探针插入大地。
②用导线将端子E(C2、P2)、P1、C1与探针所在位置对应连接。
③开启电源开关“ON”,选择合适档位轻按一下键,该档指示灯亮,表头LCD显示的数值即为被测得的接地电阻值。
2、土壤电阻率测量测量时在被测的土壤中沿直线插入四根探针,并使各探针间距相等,各间距的距离为L,要求探针入地深度为L/20cm,用导线分别从C1、P1、P2、C2各端子与四根探针相连接。
若测出阻值为R,则土壤电阻率按下式计算:ρ=2лRL。
ρ-土壤电阻率(Ω·)、L-探针与探针之间仪的读数(Ω)。
用此法则得的土壤电阻率可以近似的距离(cm)、R-地阻认为是被埋入之间区域的平均土壤电阻率。
3、导体电阻测量4、地电压测量测量接地,拔掉C1插头,E、P1间的插头保留,启动地电压(EV)档,指示灯亮,读取表示数值即为E、P1间的沟通地电压值。
5、测量完毕按一下电源“OFF”键,仪表关机。
维护保养事项1、测量爱护接地电阻时,肯定要断开电气设备与电源连接点。
在测量小于1Ω的接地电阻时,应分别用导线连在接地体上,C2在外侧P2在内侧。
2、测量接地电阻时需反复在不同的方向测量3-4次,取其平均值。
3、测量大型接地网接地电阻时,不能按一般接线方式测量,可参照电流表、电压表测量法中的规定选定埋插点。
4、若测试回路不通或超量程时,表头显示“1”,说明溢出,应检查测试回路是否连接好或是否超量程。
5、本表当电池电压低于7.2V时,表头显示欠压符号“←”,表示电池电压不足,此时应插上电源线由沟通供电或打开仪器后盖板更换干电池。
6、假如使用可充电池时,可直接插上电源线利用本机充电,充电时间一般不低于8小时。
7、存放保管本表石时,应留意环境温度和湿度,应放在干燥通风的地方为宜,避开受潮,应防止酸碱及腐蚀气体,不得雨淋,暴晒,跌落。
文件名称接地电阻测试仪操作与保养规范版本版次B/1
制订部门工程部页码页数1/3
1.目的:
为了规范操作过程,确保测试结果的准确性和使设备正常、安全运行,特制定此操作规程。
2.适用范围:
本文件适用于本公司对电阻测试仪的操作与点检作业。
3.主要参数:
电阻值100mΩ
4.操作步骤:
4.1准备工作
4.1.1 确保仪器处于有效且合格的计量状态
4.1.2 检查仪器工作电压(220V)是否正确,
接地是否良好,电源开关是否正常。
4.1.3 检查仪器的外接插座、插座线、
治具是否良好。
4.2 开启仪器
4.2.1 按下电源开关,预热5-10分钟。
4.2.2 把接地电阻测试仪平稳的放在桌面
上,正确连接好各测试设备,插好
机器、测试干净的治具等电源线,如右图:
4.2.3 依客户要求设置电流、时间、电阻值100mΩ(注:设备由工程技术人员调试好并
进行现场指导)。
4.3 接地电阻测试
4.3.1 按电流启动钮,此时测试指示灯常亮(红色),测试过程中目视检查电阻值显示屏,
如电阻值显示大于或等于100mΩ均为不良,如电阻值显示小于100mΩ被测机器正
常,此时可进行下一台机器的测试。
并将测试结果记录于接地电阻测量记录表。
4.3.2 测试完毕,关闭电源开关,取已测试OK的机器下拉,NG产品标示待维修。
4.4接地电阻测试仪的点检:
编制审核批准
日期2016-4-26 日期日期。
文件名称接地电阻测试仪操作与保养规范版本版次B/1
制订部门工程部页码页数1/3
1.目的:
为了规范操作过程,确保测试结果的准确性和使设备正常、安全运行,特制定此操作规程。
2.适用范围:
本文件适用于本公司对电阻测试仪的操作与点检作业。
3.主要参数:
电阻值100mΩ
4.操作步骤:
4.1准备工作
4.1.1 确保仪器处于有效且合格的计量状态
4.1.2 检查仪器工作电压(220V)是否正确,
接地是否良好,电源开关是否正常。
4.1.3 检查仪器的外接插座、插座线、
治具是否良好。
4.2 开启仪器
4.2.1 按下电源开关,预热5-10分钟。
4.2.2 把接地电阻测试仪平稳的放在桌面
上,正确连接好各测试设备,插好
机器、测试干净的治具等电源线,如右图:
4.2.3 依客户要求设置电流、时间、电阻值100mΩ(注:设备由工程技术人员调试好并
进行现场指导)。
4.3 接地电阻测试
4.3.1 按电流启动钮,此时测试指示灯常亮(红色),测试过程中目视检查电阻值显示屏,
如电阻值显示大于或等于100mΩ均为不良,如电阻值显示小于100mΩ被测机器正
常,此时可进行下一台机器的测试。
并将测试结果记录于接地电阻测量记录表。
4.3.2 测试完毕,关闭电源开关,取已测试OK的机器下拉,NG产品标示待维修。
4.4接地电阻测试仪的点检:
编制审核批准
日期2016-4-26 日期日期。