隐患排查治理清单[精选.]
- 格式:doc
- 大小:37.50 KB
- 文档页数:2
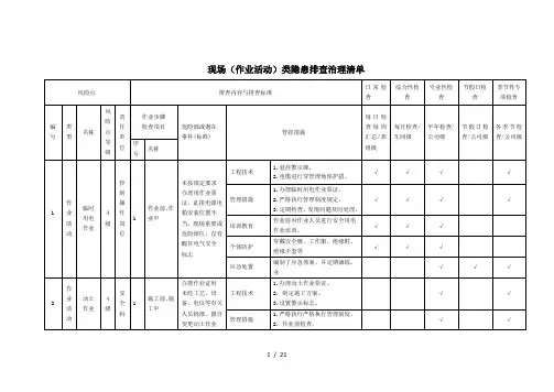
隐患排查治理体系资料商混站(混凝土搅拌站)2018年度1.隐患排查项目清单1.1基础管理类隐患排查项目清单1.2生产现场类隐患排查项目清单(设备设施)1.3生产现场类隐患排查项目清单(作业行为)2.隐患排查治理台帐及表格2.1安全检查台账2.2隐患排查治理汇总台帐2.3隐患整改通知单2.4隐患整改情况验收单2.5隐患等级评审记录表2.6重大隐患登记及销号表第一部分隐患排查项目清单1.基础管理类隐患排查项目清单编号风险点类型名称风险分级责任单位序号2.现场类作业活动隐患排查项目清单(日常生产作业)项目危险源或潜在事件日常生产作业日常生产作业原料储运混凝土运输低风险低风险运输队生产车间3运输卸料储存6运输卸料完成后滑动物料伤人铲车伤人物料不稳错误操作停车后滑动物料伤人错误操作管控措施日常检查综合性检查班前检查巡检车间级公司级每日1次/岗位级每日3次/班组级每月1次/车间级每季度1次/公司级工程技术措施车辆有刹车装置V V V管理措施1•依规驾驶,禁止超装,物料遮盖。
停车后,熄火、制动。
卸车时,严禁站在车辆尾部等不安全位置。
车辆启动、行进及转弯时,注意确定周边情况安全。
2.铲车作业时,无关人员严禁进入工作区域。
3.规定区域存放,物料合理存放,高度符合要求。
严禁攀爬至物料顶部V V V培训教育措施1•三级安全教育培训,考核合格。
2•进行年度安全教育培训,考核合格。
3.驾驶人员持证上岗V V个体防护措施/ V V V应急处置措施1.制定应急预案,定期演练。
2.事故发生时,立即停止作业。
将受伤者转移至安全区域进行抢救并就医V V工程技术措施车辆有刹车装置V V V管理措施依规驾驶,禁止超装停车后,熄火、制动。
卸料时,专人指挥车辆启动、行进及转弯时,注意确定周边情况安全V V V567风险点2.现场类作业活动隐患排查项目清单(检维修)类型名称风险等级责任单位作业步骤危险源或潜在事件检维修作业机电维修作业低风险机修车间准备维修停止作业环境不符合要求误操作,接触运转或带电带电作业接触运转、带电部位作业过程中,误送电工具使用不当;未使用绝缘工具电气绝缘失效;荷超限错误操作接触带电部位检维修作业临时用电作业一般风险机修车间准备维修停止作业环境不符合要求误操作,接触运转或带电带电作业管控措施日常检查综合性检查班前检查巡检车间级公司级每日2次/岗位级每日3次/班组级每月1次/车间级每季度1次/公司级工程技术措施1•按规定使用专用工具及设备。
第1篇一、前言为确保社会治安稳定,预防和减少各类安全事故的发生,提高人民群众的安全感和满意度,根据我国相关法律法规和上级部门的部署要求,特制定本综治安全隐患排查清单。
本清单旨在指导各级综治部门、企事业单位和基层组织,全面、细致地开展安全隐患排查工作,及时发现并消除安全隐患,保障人民群众的生命财产安全。
二、排查范围1. 公共场所2. 企事业单位3. 住宅小区4. 建筑工地5. 交通运输领域6. 消防安全领域7. 矿山安全领域8. 食品安全领域9. 医疗卫生领域10. 环境保护领域11. 野生动物保护领域12. 水利设施领域13. 水上交通安全领域14. 防汛抗旱领域15. 应急管理领域三、排查内容1. 公共场所(1)人员密集场所:如商场、超市、电影院、体育馆等,重点排查消防设施、疏散通道、应急照明、安全出口等是否符合要求。
(2)景区景点:如公园、旅游景点等,重点排查游乐设施、安全防护设施、应急预案等是否符合要求。
(3)车站、码头:如火车站、汽车站、码头等,重点排查候车室、售票厅、安检设施、应急疏散通道等是否符合要求。
2. 企事业单位(1)消防安全:重点排查消防设施、疏散通道、应急照明、安全出口等是否符合要求。
(2)生产安全:重点排查设备设施、工艺流程、作业环境、应急预案等是否符合要求。
(3)交通安全:重点排查车辆、道路、交通设施等是否符合要求。
(4)食品安全:重点排查食品原料、加工过程、储存条件、食品安全管理制度等是否符合要求。
3. 住宅小区(1)消防安全:重点排查消防设施、疏散通道、应急照明、安全出口等是否符合要求。
(2)治安管理:重点排查小区出入口、监控设备、巡逻制度等是否符合要求。
(3)物业管理:重点排查物业服务、小区环境卫生、绿化养护等是否符合要求。
4. 建筑工地(1)施工现场:重点排查施工安全、消防设施、临时设施等是否符合要求。
(2)施工人员:重点排查施工人员资质、安全教育培训等是否符合要求。
安全隐患排查整改清单近年来,随着科技的飞速发展和社会的进步,各行各业都在不断追求效率和便利。
然而,安全问题也随之而来。
为了保障工作和生活的安全,我们需要进行安全隐患排查和整改。
以下是一份安全隐患排查整改清单,希望对大家有所指导。
一、火灾安全隐患排查及整改1. 定期检查电线、插座和开关的老化和短路情况,发现问题及时更换;2. 确保所有消防设备齐全,并进行定期维护和演练;3. 检查厨房的明火和燃气管道,确保安全使用和通风状况;4. 加强员工的火灾防范意识和应急逃生训练。
二、环境安全隐患排查及整改1. 检查办公场所和生产车间的通风情况,保证空气质量符合标准;2. 检查化学品的储存和使用情况,确保符合相关规定,并采取相应的防护措施;3. 定期清理和维护排水系统,确保畅通和防止积水积存;4. 教育员工垃圾分类和环境保护意识,减少污染。
三、交通安全隐患排查及整改1. 检查公司车辆的安全状况,如制动系统、轮胎磨损等,及时修理;2. 加强员工的交通安全意识,合理安排工作时间和休息时间,杜绝疲劳驾驶;3. 设立警示标志并维护良好的道路状况,确保通畅和安全。
四、设备设施安全隐患排查及整改1. 定期检查设备设施的老化和损坏情况,及时维修和更换;2. 确保设备设施的安全使用指导书齐全,并定期进行培训;3. 检查紧急停机装置的可用性,确保员工在紧急情况下能够及时停止设备。
五、人身安全隐患排查及整改1. 建立健全的安全管理体系,加强对员工的安全培训和教育;2. 安排员工进行定期体检,确保身体健康和工作安全;3. 加强对员工的睡眠和心理健康的关注,营造良好的工作氛围。
通过对安全隐患的排查和整改,我们能够有效预防事故的发生,保护员工和财产的安全。
同时,每个员工也要增强安全意识,及时发现和报告安全隐患,共同维护一个安全稳定的工作环境。
安全无小事,让我们携起手来,共同营造一个安全和谐的社会。
第1篇一、基本信息1. 单位名称:____________________2. 单位地址:____________________3. 排查人:____________________4. 排查时间:____________________5. 整改责任人:____________________二、排查范围1. 人员:对全体员工进行安全教育培训,确保员工具备基本的安全意识和操作技能。
2. 设备:对生产设备、安全防护设施、应急救援设施等进行全面检查。
3. 环境:对生产场所、作业现场、办公区域等进行环境安全检查。
4. 管理制度:对安全管理制度、操作规程、应急预案等进行审查。
三、排查内容1. 人员安全意识(1)员工是否熟悉岗位安全操作规程;(2)员工是否掌握应急处置措施;(3)员工是否具备安全防护意识。
2. 设备安全(1)生产设备是否定期进行维护保养;(2)安全防护设施是否完好;(3)应急救援设施是否齐全有效。
3. 环境安全(1)生产场所是否存在安全隐患;(2)作业现场是否规范操作;(3)办公区域是否存在火灾、触电等安全隐患。
4. 管理制度(1)安全管理制度是否完善;(2)操作规程是否明确;(3)应急预案是否可行。
四、排查结果1. 人员安全意识(1)存在问题:部分员工对安全操作规程掌握不熟练;(2)整改措施:加强安全教育培训,提高员工安全意识。
2. 设备安全(1)存在问题:部分设备存在安全隐患,如:防护装置损坏、应急救援设施不足;(2)整改措施:立即更换损坏的防护装置,补充应急救援设施。
3. 环境安全(1)存在问题:生产场所存在安全隐患,如:通道不畅、照明不足;(2)整改措施:清理通道,确保畅通;加强照明设施维修,确保照明充足。
4. 管理制度(1)存在问题:安全管理制度不够完善,部分操作规程模糊;(2)整改措施:完善安全管理制度,明确操作规程。
五、整改落实1. 人员安全意识(1)责任人:安全教育培训负责人;(2)整改措施:加强安全教育培训,提高员工安全意识。
工一整理一现场管理类隐患排查治理清单前言随着社会的不断发展,企业的要求越来越高,因此在生产中需要注意各种隐患,避免安全事故的发生。
因此,对现场的管理和隐患进行排查治理是非常重要的。
为此,工一整理一现场管理类隐患排查治理清单应运而生。
该清单旨在帮助企业管理员工更好地掌握现场的安全情况,及时发现隐患,并采取相应的措施进行治理。
排查清单以下是工一整理一现场管理类隐患排查治理清单,涉及多个方面,包括但不限于:1. 电气设备•周期性检查电线路、开关、插座、配电盘、电机等是否出现老化、烧损、短路、漏电、温度过高等现象,及时消除隐患。
•对发现的故障或缺陷,采取修理、更换、扩容等措施。
•严格按照操作规程进行开关操作,避免误操作引发事故。
2. 烟气排放•定期检查烟囱、风机、除尘设备等是否存在堵塞、腐蚀、漏风、漏气等情况,及时消除隐患。
•确保排烟、排放设施合理、可靠、清洁,排放口满足国家、行业和地方的相关标准和要求。
•做好废气污染物的监测和记录,及时曝露和修复漏洞。
3. 机械设备•定期维护设备并做好保养。
•对存在磨损的设备,及时更换部件。
•对设备进行故障检修工作时,应切断电源或锁定开关。
4. 物料存放•合理设置物料工作区和存放区,避免杂乱无序,堆积高度不得超过安全范围。
•注意储存物料的品质和数量,严格按照规定的方法进行分类、标记、贮存、取用。
•定期检查存放区的物料,清除过期、爆炸、易燃、腐蚀等有害物质。
5. 消防器材•定期检查、维护、更换消防器材。
•确保消防器材存放位置明显,容易取用。
•定期组织消防演习,提高员工的火灾应急处置能力。
6. 环境卫生•将设施内的垃圾、污水等废物清理干净,避免堆放和积淀。
•做好设施的清洁工作,保持设施整洁。
•定期消杀房间和设备,保证环境无害。
总结通过以上排查清单,可以看出现场的管理与隐患治理非常重要,也非常细致。
企业应在工作中不断加强对隐患的排查治理,制定完整的清单并定期更新,以确保生产、劳动安全。
工一准备现场管理类隐患排查治理清单隐患排查治理清单
1. 现场清理整治:
(1)维护现场清洁卫生,定期进行卫生清理;
(2)保持场地、设备整洁,定期进行设备检修;
(3)小心注意保护绿化环境,定期清理杂草、落叶。
2. 安全设施:
(1)配备明显的警示标识,保持安全设施完好,防止人员误入危险区域;
(2)地上应设置防滑、防滑材料,初雨后要特别注意;
(3)装设紧急开关、急停开关、漏电保护器等安全保护设施,提高设备使用安全性。
3. 用电安全:
(1)使用国家质量监督检验机构检测合格的电线和电器设备;
(2)定期检查和维护线路和设备;
(3)使用符合安全规范的电器用具和电缆、电源插头,施工现场应使用防水防潮设备;
(4)使用吸尘器等工具清理工作区域,维护干燥,防止电气设备短路。
1。
隐患排查治理清单单位名称:序号排查类别排查内容排查依据排查周期排查记录风险等级备注注:风险等级1、2级属于公司级整改,3级属于车间级整改,4、5级属于班组级整改隐患排查治理清单填写模板单位名称:XX有限公司序号排查类别排查内容排查依据排查周期排查记录风险等级备注01综合检查变压器无积尘。
配备灭火器材;检验报告齐全、绝缘工具检验合格证醒目等;设置烟雾警报器;安装照明灯冶金等工贸企业安全生产标准化评审细则6要素三个月箱变周围堆积杂草、未及时清理;现场无绝缘工具、无消防器材202综合检查线路布局合理、各种相色标识齐全、穿墙有完善的保护套管等冶金等工贸企业安全生产标准化评审细则6要素三个月固定线路紊乱、穿墙无保护套管、配电箱外壳无接地保护203综合检查具备临时线路安全管理制度、审批手续、使用完毕及时拆除等冶金等工贸企业安全生产标准化评审细则6要素三个月无临时线路审批手续、多处违章使用临时电源线等204综合检查物的不安全状态作业环境安全管理冶金等工贸企业安全生产标准化评审细则6要素三个月空压机房违章使用易燃泡沫板305综合检查搅拌机安装接地保护;接地电阻小于4欧姆;接地连接点必须焊接;冶金等工贸企业安全生产标准化评审细则6要素三个月1、搅拌机无接地保护。
2、搅拌机无4接地线使用裸线;机盖连锁装置齐全可靠等。
安全操作规程06综合检查输送机设置独立的电气控制开关;安装接地保护;接地电阻小于4欧姆;接地连接点必须焊接;接地线使用裸线冶金等工贸企业安全生产标准化评审细则6要素三个月1、输送机无接地保护。
2、输送机无接地保护。
3、无独立的电气控制开关4注:风险等级1、2级属于公司级整改,3级属于车间级整改,4、5级属于班组级整改(学习的目的是增长知识,提高能力,相信一分耕耘一分收获,努力就一定可以获得应有的回报)。
安全生产事故隐患排查治理清单(一)
(安全管理)
安全生产事故隐患排查治理清单(二)
(文明施工)
安全生产事故隐患排查治理清单(三)(落地及悬挑脚手架)
安全生产事故隐患排查治理清单(四)(施工现场临时用电)
安全生产事故隐患排查治理清单(五)
(塔式起重机)
1.无力矩限制器,或力矩限制器不灵敏。
2.无超高、变幅、行走限位器,或限位器不灵敏。
3.吊钩无保险装置。
4.卷扬机滚筒无保险装置。
5.上人爬梯无护圈或护圈不符合要求。
6.塔吊高度超过规定不安装附墙装置。
7.附墙装置不符合说明书规定。
8.无夹轨钳或有夹轨钳不用。
9.无安装及拆卸施工方案或违反操作规程,造成坠落事故。
10.司机或指挥人员无证上岗。
11.路基不坚实、不平整、无排水措施。
12.轨道无极限位置阻挡器。
13.行走塔吊无卷线器或卷线器失灵,高塔基础不符合设计要求。
14.塔吊与架空线路小于安全距离又无防护措施。
15.道轨无接地、接零,或接地接零不符合要求。
\
安全生产事故隐患排查治理清单(六)
(基坑支护)
?
(模板工程)
安全生产事故隐患排查治理清单(七)
(施工机具)
安全生产事故隐患排查治理清单(八)
(三宝、四口)。