管道尺寸中英对照
- 格式:doc
- 大小:28.00 KB
- 文档页数:1
1.2 管件 Fitting弯头elbow异径弯头 reducing elbow带支座弯头base elbowk 半径弯头 long radius elbow短半径弯头 short radius elbow长半径 180。
弯头 long radius return短半径 180 ° 弯头 short radius return带侧向口的弯头(右向或左向)side outlet elbow (right hand or left hand)双支管弯头(形)double branch elbow三通tee异径三通 reducing tee等径三通straight tee带侧向口的三通(右向或左向)side outlet tee (right hand or 1eft han d)异径三通(分支口为异径)reduc ing tee (reduc ing on outlet)异径三通(一个直通口为异径)reduc ing tee (reduc ing on one run)带支座三通 base tee异径三通(一个直通口及分支口为异径)reduc ing tee (reduc ing on one run and outlet)异径三通(两个直通口为异径,双头式)reduc ing tee (reduci ng on both runs, bull head)45。
斜三通 45 ° lateral45。
斜三通(支管为异径)45 ° lateral (reducing on branch)45 °斜三通(一个直通口为异径)45 ° lateral (reducing on one run)45。
斜三通(一个直通口及支管为异径)45 ° lateral (reducing on one run and branch)Y型三通(俗称裤衩)true Y ”四通cross等径四通 straight cross异径四通 reducing cross异径四通(一个分支口为异径)reduc ing cross (reduc ing on one outlet)异径四通(一个直通口及分支口为异径)reduc ing cross (reduc ing on one run and outlet)异径四通(两个分支口为异径)reduc ing cross (reduc ing on both outlet)异径四通(一个直通口及两个分支口为异径)reduc ing cross (reduc ing on one run and both outlet)异径管reducer同心异径管 concentric reducer偏心异径管 eccentric reducer螺纹支管台threadolet焊接支管台weldolet 承插支管台 sockolet 弯头支管台elbolet斜接支管台latrolet镶入式支管嘴sweepolet短管支管台nipolet支管台,插入式支管台boss螺纹支管台Threadolet弯头支管台elbolet焊接支管台weldolet ;on weld短管支管台nipolet承插支管台sockolet烧焊支管台weldolet斜接支管台latrolet承插焊支管台Sockolet支管台,插入式支管台boss管接头 coupling, full coupling半管接头 half coupling异径管接头 reduc ing coupli ng活接头union内外螺纹缩接(俗称补芯) bushi ng管帽cap (C)堵头plug短节n ipple异径短节 reducing nipple; swage nipple管道英文缩写A An chor 固定ABS * Absolute 绝对的AISI *American Iron and Steel I nstitute 美国钢铁学会ANSI * American Natio nal Sta ndards In stitute 美国国家标准学会API *American Petroleum In stitute 美国石油学会APPROX *Approximate 大约,近似的ASB Asbestos 石棉ASME *America n Society Of Mecha ni cal Engin eersASSY * Assembly 装配,组装ASTM * America n Society Of Test ing Material ATM * Atmosphere 大气压AWG * America n Wire Gage 美国线规AWS * American Wel**** Society 美国焊接协会AWWA * America n Water Works Associati on 美国机械工程师协会美国材料实验协会美国水工协会BBB Bolted Bonnet 栓柱连接的阀盖BB By Buyer 买方供货B-B Beveled En d-Beveled End 两端为坡口端BC Bolt Circle 螺栓中心圆B.C Bolted Cover(cap) 螺栓连接的阀兰盖(帽) BE Beveled End (for wel****) 坡口(焊接用) B.E Bell End 承口BEP Both Ends Plain 两端平BET Both Ends Threaded 两端带螺纹BL Battery Limit 装置区边界BF Bli nd Fla nge 盲板法兰BLD Bli nd 盲板BLDG *Buil**** 建筑物BM Bill Of Material 材料表BOP Bottom Of Pipe 管底B-P Beveled End —Plain End 坡口端.平端BV Butterfly valve 蝶阀BWG * Birmi ngham Wire Gage 伯明翰线规BW Butt Weld 对焊CC Cap 管帽C-C Cen ter to Cen ter 中至中C-E Cen ter to End 中至端面C-F Ce nter to Face 中至面CH-OP Chai n Operated 链条操纵的CH.PL Checkered Plate 花纹钢管C.I *Cast Iron 铸铁CL *Class 英制压力等级,等级,种类CLEAR Cleara nee 间隙COD Contin ued on Draw ing 接续图COL *Colu mn 柱,塔CONC Concen tric 同心的CONN Conn ecti on 连接,接口CONT *Co nti nue 连续CONT.V. Co ntrol Valve 控制阀CPLG Coupli ng 管接头,连轴节CPLH Half Coupli ng 半管接头,连轴节C.R. Co ncen tric Reducer 同心异径管C.S. *Carbon Steel 碳钢C.S. Cold Spr ing 冷紧C.S.C. Car Seal Close 在关闭状态下圭寸住C.S.O. Car Seal Ope n 在开启状态下圭寸住CUST Customer 客C.V Check Valve 止回阀DDEG *Degree 度DF Drain funnel 排液漏斗DIA *Diameter 直径DIM *Dime nsio n 尺寸DISCH *Discharge 岀口,排岀Diaphragm VELVE 隔膜阀DMF Double Male And Female 双重凹凸DN Normi nal Diameter 公称直径DN Dow n 下DR Drai n 排液DS Directio nal Stop 定向限为架DWG * Drawi ng 图EE *East 东EC Exter nal Coat ing 外面涂防腐层ECC Ecce ntric 偏心EFW Electric Fusio n Welded 电容焊的EL(ELEV) *Elevation 标高;立面ELL Elbow 弯头EQIOP Equipme nt 设备,装置EQUIV Equivale nt 相当的E.R. Ecce ntric Reducer 偏心异经管ERW Electric Resista nee Welded 电阻焊的EW Eye Washer &Shower 洗眼器及淋浴器EXP.JT Expa nsion Joint 膨胀节FFDN Fou ndati on 基础FF Flat Faced Or Full Faced 全平面;满平面F-F Face To Face 面至面FGW Fusio n Gas Wel**** 气熔焊FIG *Figure 图FL Floor 楼面FLEX TUBE Flexible Tube 挠性管FLG Fla nge 法兰FLGD Fla nged 法兰式的FLGF Fla nged Face 法兰面FOB Flat On Bottom 底面平FOT Flat On Top 顶面平FP Fix Poi nt 固定点FS Forged Steel 锻钢FTF Fitti ng To Fitti ng 管件直连FTG Fitt ing 管件FURND Furnished 提供的,装设的FW Field Weld 现伤焊GG Guide 导向GA * Gage 表,表压,规(线规)GALV *Galva nize 镀锌GL Grou nd Level 地面GLV Globe Valve 截止阀GEAR OP Gear Operated 齿轮传动的GMAW Gas Metal Arc Wel**** 金属极惰气体保护焊GSKT Gasket 垫片GTAW (In ert)Gas Tu ngsten Arc Wel**** 惰性气体保护钨极电弧焊GV Gate Valve 闸阀HH Han ger 吊架HC Hose Co nn ection 软管接头H.CPLG Half Coupli ng 半节管接头HDR Header 总管HEX *Hexagon 六角形HF Hard Alloy Face on 阀内件(阀心)为Valve硬质合金密圭寸面TrimHH Hand Hole 手孔HOR Horizo ntal 水平的H.P * High Pressure 高压HSHose Station 软管1IID * In side Diameter 内径IN * Inch 英寸INS In sulation 隔热INST In strume nt 仪表INV Invert (in side bottom of pipe) 管子内底JT JS Jack Screw 顶开(起)螺栓Man ufacturers Stan dardizati on Society of the Valve and Fitti ngs In dustry, Inc.Joi nt 接头美国阀门和管件制造商标准化协会IPSIron Pipe size 铁管尺寸 ISO Isometric Drawi ng 周测图(空视图) I.S.B丄 In side Battery Limit 装置边界内恻 ISNS In side screw &Non-risi ng Stem 内螺纹非升杆ISRS In side screw &Risi ng stem内螺纹升杆 LCLocked Closed 在关闭状态下锁定 LEPLarge end plain 大端为平的 LETLarge end Threaded 大端带螺纹 LGLong 长 LGFLens Gasket Face 透镜垫连接面 L.H. THDLeft Hand Thread 左螺纹 LIFTLift Type 升降式 LJLap Joi nt 搭接 LJFLap Joint Fla nge 松套法兰 LOLocked Ope n 在开启状态下锁定 L.P.Low Pressure 低压 LRLong Radius 长半径 LRELong Radius Elbow 长半径弯头 LTGLarge Ton gue &Groove 大椎槽 MMATLMaterial 材料 MAXMaximum 最大 MBMachi ne Bolt 机器螺栓(单头) MFMale and Female 凸和凹 MFGMan ufacture 制造 MF *Man ufacture 制造厂 MHMan hole 人孔 MIMalleable Iron 可锻铸铁 MIN*Mi ni mum 最小 MJMecha ni cal Joint 机械接头 M 丄 Match Li ne 连续线L MSS *MTOMaterial take-off 材料统计 MW Mi ni mum Wall最小壁厚 M.W.Min eralWool 矿(物)棉N N * North 北NB Nominal Bore 公称孔径N.B. Non-Bonnet 无阀盖NC Normally Closed 常闭NIP Nipple 短管NO Normally Open; 常开*Number 号;数量NO INS No Insulation 不隔热NOM Nominal 公称的;额定的NOZ Nozzle 管口NPS Nominal Pipe Size 公称管径NPSH Net Positive Suction Head 净正吸入压头NPT *American National Taper 美国锥管螺纹Pipe ThreadNS Nominal Size 公称直径NV Needle Valve 针形阀OOD *Outside Diameter 外径OET One end Threaded 一端带螺纹OR Outside Radius 外半径ORF Orifice 孔板ORIENT Orientation 方位OS &Y Outside Screw and Yoke 外螺纹阀杆和阀轭OSNB Outside Screw Non-Bonnet 外螺纹无阀盖PP Plug 堵头PAP Piping Arrangement Plan 管道布置平面图PB Pressure Seal Bonnet 压力密封的阀盖P-B Plain End -Bevel End 平端一坡口端PC Pressure Seal Cap 压力密封的阀帽P.C.D. Pitch Circle Diameter 节圆直径PE Plain End (not beveled) 平端(无坡口)PF Platform 平台PID Piping &Instrument Diagram 管道及仪表流程图*Nominal Pressure 公称压力PNPN Plant North 工厂北向POS point of Support 支承点P-P Plain End —Plain End 两端为平端Preparation 加工准备PREPPT.NO Part No. 件号PVPlug Valve 旋塞阀 PVC*Poly Vi nyl Chloride 聚氯乙烯 QQTY*Qua ntity 数量 RR *Radius 半径 REDReducer 异径管 REFRefere nee 参考 REINFRei nforce 加强 REQDRequired 需要;申请 REV*Revisi on 修改 RFRaised Face 凸面 RG Ring Gasket 环形垫片R.H.THD Right Hand Thread 右螺旋 RJRing Joi nt 环垫接头 RORestriction Orifice 限流孔板 RPM *Revoluti ons Per Min ute 转/分 RPS *Revoluti ons Per Second 转/秒 RSResti ng Support 支承架,滑动架 RTJRing Type Joint (见 RJ ) RVRelief Valve 安全泄液阀SS *South 南SSpri ng 弹簧(管架用) SAW(Automatic)Submerged Arc Wel**** 自动埋弧焊 SBStud Bolt 双头螺栓 SBScrewed Bonn et 螺纹阀盖 SCSample Cooler 取样冷却器 SCH *Schedule 管壁厚系列号 SCRDScrewed 螺纹 SEPSmall end Plain 小端为平的 SETSmall end Threaded 小端带螺纹 SFSemi-Fi nished 半光 SG Sight Glass 视镜PSIA*Pou nds Per Square Inch Absolut e PSIGPou nds Per Square Inch Gage 磅/ PT Poi nt 点PTFE *Polytetrafluoroethyle ne聚四氟乙烯 磅/SH Surface Hard Faci ng 硬质密圭寸面SK Sketch 草图SMAW Shielded Metal Arc Wei**** 有保护的金属电弧焊SMLS Seamless 无缝SN Swaged Nipple 异径短管SO Slip -On 滑套SOF Slip -On Fla nge 滑套法兰SPEC * Specificatio n 规定,说明SPL Sou nd Pressure Lever 升压水准SQ * Square 方的,平方SR Shout Radius 短半径SRE Short Radius Elbow 短半径弯头SS *Stai nl ess Steel 不锈钢ST Steam Trap 蒸汽疏水阀STD *Sta ndard 标准STG Small Ton gue &Groove 小椎槽面STL *Steel 钢STM Steam 蒸汽STM.TR Steam Tracing 蒸汽拌热SUCT Suction 吸入口SV Safety Valve 安全泄气阀SW Socket Weld 承插焊SWG Swage 锻造,模锻SWMG Swi ng Type 旋启式SYM Symmetrical 对称的TT Tee 三通TE Threaded End 螺纹端TEMP *Temperature 温度TG Tongue & Groove 椎槽THD *Threaded 螺纹的THK *Thick ness 厚度TL Tangent Line 切线TN True North 真实北向TOC Top of Con crete 混凝土北向TOP Top of pipe 管顶TOS Top of Support 支架顶面Top of Steel 钢结构顶面TY P Typical 典型的UUB Un ion Bonnet 带活接头的阀盖带侧向口的弯头(右向或左向)UCUn ion Cap 带活接头的阀帽 UNUnion 活接头V V Valve 阀短半径180。
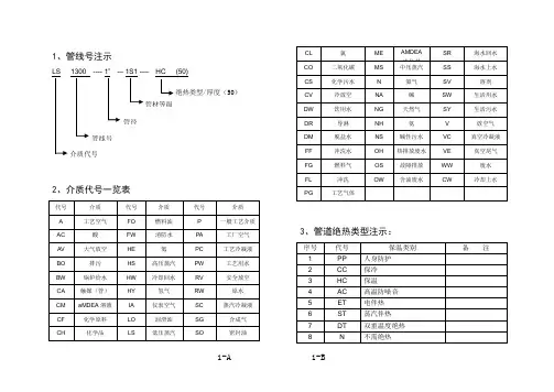
1、管线号注示LS 1300 ---- 1” -– 1S1 -— HC (50)2、介质代号一览表3、管道绝热类型注示:绝热类型/厚度(50)管材等级管径管线号介质代号4管道空视图中英文对照表5、管道空视图材料表描述例句:PIPE,CS,SMLS,ASTM,A53-B,TYPE,S,S-140壁厚系列材质:碳钢无缝ASTM A53-B S型分项代码:管道,1500#,,CS BODY W/BCRIHF API TRIM 8.G.O,6、常用略语F-法兰G-垫片B-螺栓PIPE-管道REDUCTING TEE-异径三通TEE-三通90(45)ELL-90(45)弯头SWAGE-异径管CONC-同心ECC-偏心PLUG-管堵FIGURE 8-8字盲板GASKET-垫片STUD BOLT-螺栓BLIND-盲板CAP-管帽NIPPLE-短管THREADOLET-螺纹管座SOCKLET-承插管座SLIP-ON-平焊BALL VALVE-球阀GATE VALVE-闸阀CHECK(GLOBE) VLLVE-止回阀(截止阀)BUTTERFLY VALVE-蝶阀1500LB阀体及阀芯材质连接形式:对焊压力等级:1500LB7、合成氨装置分区一览表:8、管道材料材质色别码9、管道焊缝检验等级一览表ⅡⅢ比例为:100%10、管道材料规定英文缩写与中文对照表11、管道材料汇总表英文缩写与中文对照表12、阀门代码13、焊接材料选用一览表14、管道焊前预热及焊后热处理要求15、垫片代号:4 D F 1 垫片结构类型填充材料垫片厚度面性垫片基本材料常用垫片选号如下表:16、螺栓选型螺栓型式见注见表1注1:A为双头螺栓,B为单头螺栓,C为圆头螺栓20、管道常用数据表(直径、壁厚)简明管工手册海洋石油化肥项目合成氨装置目 录1. 管线号注示·· 1-A2. 介质代号一览表·· 1-A3. 管道绝热类型注示·· 1-B4. 管道空视图中英文对照·· 2-A5. 管道空视图材料表描述·· 2-A6. 常用略语··3-B 7. 合成氨装置分区一览表·· 4-A 8. 管道材料材质色别码·· 4-A 9.管道焊缝检验等级一览表··4-B 10. 管道材料规定英文缩写与中文对照·· 5-A 11. 管道材料汇总表英文缩写与中文对照·· 6-B 12. 阀门代码··7-A 13. 焊接材料选用一览表·· 15-B 14. 管道焊前预热及焊后热处理·· 15-B 15. 管道垫片选用·· 16A 16. 管道螺栓选用·· 16B 17. 管道支架·· 17A 18 管道坡口型式·· 17A 19 支管连接型式图·· 18 20管道常用数据表··19。
1 管道组成件 Piping component1.1 管子 Pipe管子(按照配管标准规格制造的) pipe管子(不按配管标准规格制造的其他用管) tube钢管 steel pipe铸铁管 cast iron pipe衬里管 lined pipe复合管 clad pipe碳钢管 carbon steel pipe合金钢管 alloy steel pipe不锈钢 stainless steel pipe奥氏体不锈钢管 austenitic stainless steel pipe铁合金钢管 ferritic alloy steel pipe轧制钢管 wrought-steel pipe锻铁管 wrought-iron pipe无缝钢管 seamless (SMLS) steel pipe焊接钢管 welded steel pipe电阻焊钢管 electric-resistance welded steel pipe电熔(弧)焊钢板卷管 electric-fusion (arc)-welded steel-plate pipe螺旋焊接钢管 spiral welded steel pipe镀锌钢管 galvanized steel pipe热轧无缝钢管 hot-rolling seamless pipe冷拔无缝钢管 cold-drawing seamless pipe水煤气钢管 water-gas steel pipe塑料管 plastic pipe玻璃管 glass tube橡胶管 rubber tube直管 run pipe; straight pipe1.2 管件 Fitting弯头 elbow异径弯头 reducing elbow带支座弯头 base elbowk半径弯头 long radius elbow短半径弯头 short radius elbow长半径180°弯头 long radius return短半径180°弯头 short radius return带侧向口的弯头(右向或左向) side outlet elbow (right hand or left hand) 双支管弯头(形) double branch elbow三通 tee异径三通 reducing tee等径三通 straight tee带侧向口的三通(右向或左向) side outlet tee (right hand or 1eft hand)异径三通(分支口为异径) reducing tee (reducing on outlet)异径三通(一个直通口为异径)reducing tee (reducing on one run)带支座三通 base tee异径三通(一个直通口及分支口为异径) reducing tee (reducing on one run and outlet)异径三通(两个直通口为异径,双头式) reducing tee (reducing on both runs, bull head)45°斜三通45° lateral45°斜三通(支管为异径)45° lateral (reducing on branch)45°斜三通(一个直通口为异径) 45° lateral (reducing on one run)45°斜三通(一个直通口及支管为异径) 45° lateral (reducing on one run and branch)Y型三通(俗称裤衩)true “Y”四通 cross等径四通 straight cross异径四通 reducing cross异径四通(一个分支口为异径)reducing cross (reducing on one outlet)异径四通(一个直通口及分支口为异径) reducing cross (reducing on one run and outlet)异径四通(两个分支口为异径) reducing cross (reducing on both outlet)异径四通(一个直通口及两个分支口为异径) reducing cross (reducing on one run and both outlet) 异径管 reducer同心异径管 concentric reducer偏心异径管 eccentric reducer锻制异径管 reducing swage螺纹支管台 threadolet焊接支管台 weldolet承插支管台 sockolet弯头支管台 elbolet斜接支管台 latrolet镶入式支管嘴 sweepolet短管支管台 nipolet支管台,插入式支管台 boss管接头 coupling, full coupling半管接头 half coupling异径管接头 reducing coupling活接头 union内外螺纹缩接(俗称补芯) bushing管帽 cap (C)堵头 plug短节 nipple异径短节 reducing nipple; swage nipple1.3 弯管 Bend预制弯管 fabricated pipe bend跨越弯管(^ 形) cross-over bend偏置弯管(~ 形) offset bend90°弯管 quarter bend环形弯管 cirele bend单侧偏置90°弯管(? 形) single offset quarter bendS形弯管“S” bend单侧偏置U形膨胀弯管(| ?形)single offset “U” bendU形弯管“U” bend双偏置U膨胀弯管double offset expansion “U” bend斜接弯管 mitre bend三节斜接弯管 3-piece mitre bend折皱弯管 corrugated bend圆度 roundness1.4 法兰 Flange (FLG)整体管法兰 integral pipe flange钢管法兰 steel pipe flange螺纹法兰 threaded flange滑套法兰(包括平焊法兰) slip-on flange (SO); slip-on welding flange 承插焊法兰 socket welding flange松套法兰 lap joint flange (LJF)对焊法兰 welding neckflange (WNF)法兰盖 blind flange, blind孔板法兰 orifice flange异径法兰 reducing flange盘座式法兰 pad type flange松套带颈法兰 loose hubbed flange焊接板式法兰 welding plate flange对焊环 welding neck collar (与stub end相似)平焊环 welding-on collar突缘短节 stub end, lap翻边端 lapped pipe end松套板式法兰 loose plate flange压力级 pressure rating, pressure rating class压力—温度等级 pressure-temperature rating法兰密封面,法兰面 flange facing突面 raised face (RF)凸面 male face (MF)凹面 female face (FMF)榫面 tongue face槽面 groove face环连接面 ring joint face全平面;满平面 flat face; full face (FF)光滑突面 smooth raised face (SRF)法兰面加工 facing finish粗糙度 roughness光滑的 smooth齿形 serrated均方根 root mean square (RMS)算术平均粗糙高度 arithmetical average roughness height (AARH)配对法兰 companion-flange螺栓圆 bolt circle (B.C.)1.5 垫片 Gasket (GSKT)垫片的型式 type of gasket平垫片 flat gasket环形平垫片 flat ring gasket平金属垫片 flat metal gasket夹棉织物的橡胶 elastomer with cotton fabric insertion夹石棉织物的橡胶 elastomer with asbestos fabric insertion夹石棉织物及金属丝加强的橡胶 elastomer with asbestos fabric insertion and with wire reinforcement 无石墨压缩白石棉垫片 non graphited compressed white asbestos gasket天然白橡胶垫片 natural white rubber gasket压缩石棉垫片 compressed asbestos class gasket浸聚四氟乙烯的石棉垫片 PTFE impregnated asbestos gasket夹石棉的缠绕金属垫片 spiral-wound metal gasket with asbestos filler内环 inner ring外环,外定位环 outer ring波纹金属垫片 corrugated metal gasket波纹金属包嵌石棉垫片 corrugated metal gasket with asbestos inserted双夹套波纹金属包石棉垫片 corrugated metal double jacketed asbestos filled gasket双夹套垫片 double jacketed gasket金属包石棉平垫片 flat metal jacketed asbestos filled gasket整体金属齿形垫片 solid metal serrated gasket槽形金属垫片 grooved metal gasket环形连接金属垫片 ring joint metal gasket八角环形垫片 octagonal ring gasket椭圆环形垫片 oval ring gasket透镜式垫片 lens gasket非金属垫片 non-metallic gasket1.6 阀门 Valve1.6.1 阀门结构、零件阀轭 yoke外螺纹阀杆及阀轭 outside screw and yoke (OS & Y) 阀杆 stem内螺纹 inside screw (IS)阀轭套 yoke sleeve阀杆环 stem ring阀座 valve seat (body seat)阀座环、密封圈 seat ring整体(阀)座 integral seat堆焊(阀)座 deposited seat阀芯(包括密封圈、杆等内件) trim阀盘 disc阀盘密封圈 disc seat阀体 body阀盖 bonnet阀盖衬套 bonnet bush螺纹阀帽 screw cap螺纹阀盖 screw bonnet螺栓连接的阀盖 bolted bonnet (BB)活接阀盖(帽) union bonnet (cap)螺栓连接的阀帽 bolted cap (BC)焊接阀盖 welded bonnet (WB)本体阀杆密封 body stem seal石棉安全密封 asbestos emenen seal倒密封 back seal压力密封的阀盖 pressure-tight bonnet动力操纵器 powered operator电动操纵器 electric motor operator气动操纵器 pneumatic operator液压操纵器 hydraulic operator快速操纵器 quick-acting operator滑动阀杆 sliding stem正齿轮传动 spur gear operated伞齿轮传动 bevel gear operated扳手操作 wrench operated链轮 chain wheel手轮 hand wheel手柄 hand lever (handle)气缸(或液压缸)操纵的 cylinder operated链条操纵的 chain operated等径孔道 full bore; full port异径孔道 reducing bore, reduced port,venturi port 短型 short pattern紧凑型(小型) compact type笼式环 lantern ring压盖 gland阀杆填料 stem packing阀盖垫片 bonnet gasket升杆式(明杆) rising stem (RS)非升杆式(暗杆) non-rising stem (NRS)指示器/限位器 indicator/stopper注油器 grease injector可更换的阀座环 renewable seat ring1.6.2 常用阀(1)闸阀 gate valve平行双闸板 double disc parallel seat开口楔形闸板 split wedge挠性整体楔形闸扳 flexible solid wedge整体楔形闸板 solid wedge塞型闸阀 plug gate valve直通型闸阀 through conduit gate valve(2) 截止阀 globe valve球心型阀盘 globe type disc塞型阀盘 plug type disc可转动的阀盘 swivel disc(3) 节流闪阀 throttle valve针阀 needle valve(4) 角阀 angle valve(5) Y型阀(Y 型阀体截止阀) Y-valve (Y-body globe valve)(6) 球阀 ball valve三通球阀 3-way ball valve装有底轴的 trunnion mounted耐火型 fire safe type浮动球型 floating ball type防脱出阀杆 blowout proof stem(7) 蝶阀 butterfly valve对夹式(薄片型) wafer type凸耳式 lug type偏心阀板蝶阀 offset disc burerfly valve; eccentric butterfly valve 斜阀盘蝶阀 canted disc butterfly valve连杆式蝶阀 link butterfly valve8) 柱塞阀 piston type valve(9) 旋塞阀 plug valve三通旋塞阀 three-way plug valve四通旋塞阀 four-way plug valve旋塞 cock衬套旋塞 sleeve cock(10) 隔膜阀 diaphragm valve橡胶衬里隔膜阀 rubber lined diaphragm valve直通式隔膜阀 straight way diaphragm valve堰式隔膜阀 weir diaphragm valve(11) 夹紧式胶管阀 pinch valve(用于泥浆、粉尘等)(12) 止回阀 check valve升降式止回阀 lift check valve旋启式止回阀 swing check valve, flap check valve落球式止回阀 ball check valve弹簧球式止回阀 spring ball check valve双板对夹式止回阀 dual plate wafer type check valve无撞击声止回阀 non-slam cheek valve底阀 foot valve切断式止回阀 stop check valve; non-return valve活塞式止回阀 piston check valve斜翻盘止回阀 tilting disc check valve蝶式止回阀 butterfly check valve1.6.3 其它用途的阀安全泄气阀 safety valve (SV)安全泄液阀 relief valve (RV)安全泄压阀 safety relief valve杠杆重锤式 lever and weight type引导阀操纵的安全泄气阀 pilot operated safety valve复式安全泄气阀 twin type safety valve罐底排污阀 flush-bottom tank valve电磁阀 solenoid valve, solenoid operated valve电动阀 electrically operated valve, electric-motor operated valve 气动阀 pneumatic operated valve低温用阀 cryogenic service valve蒸汽疏水阀 steam trap机械式疏水阎 mechanical trap浮桶式疏水阀 open bucket trap, open top bucket trap浮球式疏水阀 float trap倒吊桶式疏水阀 inverted bucket trap自由浮球式疏水阀 loose float trap恒温式疏水阀 thermostatic trap金属膨胀式蒸汽疏水阀 metal expansion steam trap液体膨胀式蒸汽疏水阀 liquid expansion steam trap双金属膨胀式蒸汽疏水阀 bimetallic expansion steam trap压力平衡式恒温疏水阀 balanced pressure thermostatic trap热动力式疏水阀 thermodynamic trap脉冲式蒸汽疏水阀 impulse steam trap放气阀(自动放气阀) air vent valve (automatic air vent valve) (疏水阀用)平板式滑动闸阀 slab type sliding gate valve盖阀 flat valve换向阀 diverting valve, reversing valve热膨胀阀 thermo expansion valve自动关闭阀 self-closing gate valve自动排液阀 self-draining valve管道盲板阀 line-blind valve挤压阀 squeeze valve(用于泥浆及粉尘等)呼吸阀 breather valve风门、挡板 damper减压阀 pressure reducing valve, reducing valve控制阀 control valve膜式控制阀 diaphragm operated control valve执行机构 actuator背压调节阀 back pressure regulating valve差压调节阀 differential pressure regulating valve压力比例调节阀 pressure ratio regulating valve1.6.4 未指明结构(或阀型)的阀切断阀 block valve; shut-off valve; stop valve调节阀 regulating valve快开阀 quick opening valve快闭阀 quick closing valve隔断阀 isolating valve三通阀 three way valve夹套阔 jacketed valve非旋转式阀 non-rotary valve排污阀 blowdown valve集液排放阀 drip valve排液阀 drain valve放空阀 vent valve卸载阀 unloading valve排出阀 discharge valve吸入阀 suction valve多通路阀 multiport valve取样阀 sampling valve手动阀 hand-operated valve; manually operated valve锻造阀 forged valve铸造阀 cast valve(水)龙头 bibb; bib; faucet抽出液阀(小阀) bleed valve旁路阀 by-pass valve软管阀 hose valve混合阀 mixing valve破真空阀 vacuum breaker冲洗阀 flush valve第一道阀;根部阀 primary valve根部阀 root valve总管阀 header valve事故切断阀 emergency valve1.7 管道特殊件 Piping Specialty1.7.1 管道特殊件(组件)粗滤器 strainer过滤器 filter临时粗滤器(锥型) temporary strainer (cone type)y 型粗滤器 y-type strainerT型粗滤器 T-type strainer永久过滤器 permanent filter丝网粗滤器 gauze strainer洗眼器及淋浴器 eye washer and shower视镜 sight glass阻火器 flame arrester喷嘴;喷头 spray nozzle取样冷却器 sample cooler消声器 silencer膨胀节 expansion joint波纹膨胀节 bellow expansion joint单波 single bellow双波 double bellow多波 multiple bellow压力平衡式膨胀节 pressure balanced expansion带铰链膨胀节 hinged expansion joint轴向位移型膨胀节 axial movement type expansion joint自均衡膨胀节(外加强环)self-equalizing expansion joint 带接杆膨胀节 tied expansion joint万向型膨胀节 universal type expansion joint球形补偿器 ball type expansion joint填函式补偿器 slip type (packed type) expansion joint单向滑动填料函补偿器 single actionpacked slip joint1.7.2 管道特殊元件Piping Special Element软管接头 hose connection (HC)快速接头 quick coupling金属软管 metal hose橡胶管 rubber hose挠性管 flexible tube鞍形补强板 reinforcing saddles补强板 reinforcement pad特殊法兰 special flange漏斗 funnel排液环 drip ring排液漏斗 drain funnel插板 blank垫环 spacer8字盲板 spectacle blind; figure 8 blind限流孔板 restriction orifice爆破片 rupture disk法兰盖贴面 protective disc费托立克接头 victaulic coupling1.8 端部连接 End Connection法兰端 flanged end坡口端 beveled end (BE)对焊端 butt welded end平端 plain end (PE)承插焊端 socket welding end螺纹端 threaded end (TE)承口 bell end焊接端 welding end法兰连接(接头) flanged joint对焊连接(接头) butt welded joint螺纹连接,管螺纹连接 threaded joint, pipe threaded joint 锥管螺纹密封焊连接 seal-welded taper pipe threaded joint 承插焊连接(接头) socket welded joint承插连接(接头) bell and spigot joint环垫接头 ring joint (RJ)万向接头 universal joint软钎焊连接(接头) soldered joint搭接接头,松套连接 lapped joint外侧厚度切斜角 bevel for outside thickncss内侧厚度切斜角 bevel for inside thickness内外侧厚度切斜角 bevel for combined thickness法兰式的 flanged (FLGD)对焊的 butt welded (BW)螺纹的 threaded (THD)承插焊的 socket welded (SW)小端为平的 small end plain (SEP)大端为平的 large end plain (LEP)两端平 both ends plain (BEP)小端带螺纹 small end thread (SET)大端带螺纹 large end thread (LET)两端带螺纹 both end thread (BET)一端带螺纹 one end thread (OET)支管连接 branch connection焊接支管 branch pipe welded directly to the run pipe 2 管道用紧固件及螺纹2.1 紧固件螺栓 bolt六角头螺栓 hexagonal head bolt方头螺栓 square head bolt螺柱,双头螺栓 stud bolt环头螺检 eye bolt沉头螺栓 countersunk (head) screw地脚螺栓 anchor bolt; foundation bolt松紧螺旋扣(花篮螺丝) turnbuckleU形螺栓 U-boltT形螺栓 T-bolt圆头螺钉 round head bolt机螺栓,机螺钉 maehine bolt顶开螺栓,顶起螺栓 Jack screw自攻螺钉 self tapping screw膨胀螺栓 expansion bolt粗制的 coarse精制的 finished, fine螺母 nut六角螺母 hexagonal nut方螺母 square nut蝶形螺母 wing nut扁螺母 flat nut锁紧螺母 lock nut垫圈 washer平垫圈 plain washer球面垫圈 spherical washer弹簧垫圈 spring washer方垫圈 square washer斜垫圈 slant washer销轴 pinned shan销 pin开口销 cotter pin定位销 dowel pin带孔销 pin with hole圆锥销 taper pin铆钉 rivet键 key2.2 螺纹左螺纹left hand thread右螺纹 right hand thread管螺纹 pipe thread锥管螺纹 taper pipe thread直管螺纹straight pipe thread梯形螺纹 trapezoid thread螺距pitch of thread粗牙螺纹coarse thread细牙螺纹 fine thread特细牙螺纹extra fine thread通长螺纹full thread惠氏螺纹whitworth thread公制螺纹 metric ibread美国标准锥管螺纹 American standard taper pipe thread (NPT) 螺孔 tap3 材料、型钢及填料3.1 金属材料3.1.1 黑色金属 Ferrous Metal碳素钢 carbon steel (CS)低碳钢 low-carbon steel中碳钢 medium-carbon steel高碳钢 high-carbon steel普通碳素钢 general carbon steel优质碳素钢 high-quality carbon steel普通低合金结构钢 general structure low-alloy steel合金结构钢 structural alloy steel合金钢 alloy steel低合金钢 low alloy steel中合金钢 medium alloy steel高合金钢 high alloy steel耐热钢 heat resisting steel高强度钢 high strength steel复合钢 clad steel工具钢 tool steel弹簧钢 spring steel钼钢 molybdenum steel镍钢 nickel steel铬钢 chromium steel铬钼钢 chrome-molybdenum steel铬镍钢 chromium-nickel steel,chrome-nickel steel 不锈钢 stainless steel (S.S.)奥氏体不锈钢 Austenitic stainless steel马氏体不锈钢 Martensitic stainless steel司特来合金(钨铬钴台金) Stellite耐蚀耐热镍基合金 Hastelloy铬镍铁合金 inconel耐热铬镍铁合金 incoloy20合金 20 alloy平炉钢(马丁钢) Martin steel镇静钢 killed steel半镇静钢 semi-killed steel沸腾钢 rimmed steel; rimming steel; open-steel锻钢 forged steel铸钢 cast steel铸铁 cast iron (C.I.)灰铸铁 grey cast iron可锻铸铁 malleable iron (MI)球墨铸铁 nodular cast iron; nodular graphite iron 生铁 pig iron熟铁,锻铁 wrought iron铸件 casting高硅铸铁 high silicon cast iron3.1.2 镀层及制造方法渗铬钢,镀铬钢 chromized steel镀铬的 chromium-plated, chrome-plated镀层 plating锻造,型钢 swage锻造的,锻造 forging轧制 rolling热轧 hot rolling冷轧 cold rolling挤压 extruding冷加工 cold working热加工 hot working拔制 drawing3.1.3 有色金属Non-ferrous Metal铝 aluminum铜,紫铜 copper黄铜 brass青铜 bronze铝青铜 aluminum bronze磷青铜 phosphor bronze铝镁合金 aluminum magnesium锰青铜 manganese bronze蒙乃尔(注:镍及铜合金) Monel镍铜台金 nickel copper alloy非铁合金 nonferrous alloy钛 titanium铅 lead硬铅 hard lead3.1.4 材料性能极限强度 ultimate strength抗拉强度 tensile strength屈服极限 yield limit屈服点 yield point延伸率 percentage elongation抗压强度 compressive strength抗弯强度 bending strength弹性极限 elastic limit冲击值 impact value疲劳极限 fatigue limit蠕变极限 creep limit持久极限 endurance limit布氏硬度 Brinell hardness洛氏硬度 Rockwell hardness维氏硬度 Vickers diamond hardness, diamond penetrator hardness 蠕变断裂强度 creep rupture strength断面收缩率 reduction of area韧性 toughess脆性 brittleness延性 ductility冷脆 cold shortness冷流 cold flow3.2 非金属材料 Non-metallic Material塑料 plastic丙烯腈—丁二烯—苯乙烯 acrylonitrile-butadiene-styrene (ABS) 聚乙烯 polyethylene (PE)聚氯乙烯 polyvinyl chloride (PVC)苯乙烯橡胶 styrene-rubber (SR)聚丁烯 polybutylene (PB)聚丙烯 polypropylene (PP)聚苯乙烯 polystyrene (PS)氯化聚醚 chlorinated polyether (CPE)聚酰胺 polyamide (PA)聚碳酸酯 polycarbonate (PC)聚甲基丙烯酸甲酯 polymethyl methacrylate (PMMA)醋酸丁酸纤维素cellulose acetate butyrate (CAB)氯化聚氯乙烯 chlorinated polyvinyl chloride (CPVC)聚偏二氟乙烯 polyvinylidene fluoride (PVDF)缩醛塑料 acetal plastic尼龙塑料 nylon plastic聚烯烃 polyolefin (PO)石墨酚醛塑料 graphite phenolic plastics聚四氟乙烯 polytetrafluoroethylene (PTFE)纤维增强热塑性塑料 fiber reinforced thermoplastics热塑性塑料 thermoplastic热固性塑料 thermosetting plastics胶粘剂 adhesive溶剂胶接剂 solvent cement树脂 resin环氧树脂 epoxy, epoxy resin聚酯树脂 polyester resin聚酯纤维 polyester fibers氟塑料 fluoroplastics聚氨基甲酸酯 polyurethane丙烯酸树脂 acrylic resin脲醛树脂 urea resin呋哺树脂 furan resin乙烯丙烯二烃单体 ethylene propylene diene monomer (EPDM)合成橡胶 synthetic rubber橡胶 rubber丁腈橡胶 nitrile butadiene rubber氯丁橡胶 neoprene天然橡胶 natural rubber乙丙橡胶 ethylene propylene rubber (EPR)玻璃 glass硼硅玻璃 borosilicate glass耐火砖 fire brick陶瓷 ceramic搪瓷 porcelain enamel木材 wood3.3 型材型钢 shaped steel, section steel, swage角钢 angle steel槽钢 channel工字钢 I-beam宽缘工字钢或H钢 wide flanged beamT型钢 T-bar方钢 square bar扁钢 flat bar角钢 hexagonal steel bar圆钢 round steel; rod钢带 strap steel钢板 plate网纹钢板 checkered plate腹板(指型钢的立板) web翼缘(指型钢的缘) wing3.4 填料及填料函填料 packing石棉绳 asbestos rope, asbestos cord.O形环 O-ring自密封 self-sealing四氟带 Teflon tap带铬镍合金丝的石棉绳 asbestos rope with inconel wire, inconel wire asbestos 浸聚四氟乙烯的石棉填料 Teflon impregnated asbestos packing金属填料 metallic stuffing填料箱,填料函 packing box, stuffing box填料函压盖 stuffing box gland4 管道等级及材料统计4.1 管道材料规定 Piping Material Specification管道等级 piping class; piping classification管道等级号 class designation公称直径 nominal diameter (DN); nominal (pipe) size公称压力 nominal pressure (PN)压力级,等级,类别 class (CL)低压 low pressure (L.P.)中压 medium pressure (M.P.)高压 high pressure (H.P.)大气压 atmosphere (ATM)真空 vacuum工作压力 operating pressure; working pressure设计压力 design pressure工作温度 operating temperature设计温度 design temperature环境温度 ambient temperature腐蚀裕量 corrosion allowance管道附件 piping attachment管道元件 piping element壁厚 wall thickness (WT)壁厚系列号 schedule number (SCH. No.)加厚的,加强的 extra heavy, extra strong双倍加厚的,双倍加强的 double extra heavy, double extra strong通用连接组 typieal installation分组(类)形式(如管道等级表) block form数据库 data base文件 file4.2 材料统计 Material Take-off (MTO)汇总表 summary sheet材料表 bill of material (BM)综合管道材料表 consolidated piping material summary sheet (CPMSS) 统计材料准确度 accuracy of take-off材料情况报告 material status report (MSR)散装材料 bulk material编位号的 itemized代码 code number短代码 short code数量 quantity (QTY)重力 weight净重 net weight毛重 gross weight设备布置及管道布置Plot Plan and Piping Layout,Equipment and Piping Arrangement5.1 设备名称 Equipment Name(1) 塔 tower, column洗涤塔 scrubber吸收塔 absorber冷却塔 cooling tower精馏塔 fractionating tower蒸馏塔 distillation tower再生塔 regenering tower造粒塔 prflling tower汽提塔 stripper脱气塔 degasifier合成塔 synthesis tower(2) 反应器 reactor聚台釜 polymerizer转化器,变换器 converter脱硫反应器 desulphurization reactor 甲烷化器 methanator(3) 气柜 gas-holder螺旋式气柜 helical gas-holder湿式气柜 wet gas-holder干式气柜 dry gas-holder(4) 槽罐贮罐 tank; storage tank缓冲罐 knock out drum球罐 spheroid, spherical tank罐 drum接受槽 receiver计量槽 measuring tank加料槽 feed tank排污罐 blow down tank闪蒸罐 flash drum汽包 steam drum溶液贮槽 solution storage tank地下槽 sloptank(5) 其它设备分离器 separator旋风分离器 cyclone分子筛 molecular sieve脱氧器 deaerator搅拌器 agitator干燥器 dryer混合器 mixer萃取器 extractor澄清器 gravity settler净化器 purifier气化器 vaporizer吸附器 adsorber融解槽 melter减温器 desuperheater升压器 booster喷射器 ejector喷头 sprayer火炬 flare消声器 silencer(6) 换热器、加热器、冷却器换热器 heat exchanger空冷器 air cooler水冷却器 water cooler冷凝器 condenser螺旋板式换热器 spiral plate heat exchanger 蒸发器 evaporator再沸器 reboiler急冷器 quencher深冷器 chiller预热器 preheater再热器 reheater加热器 heater电加热器 electric heater过热器 super heater给水加热器 feed water heater中间冷却器 inter cooler后冷却器 after cooler5.1.2 工业炉及锅炉炉子 furnace烧嘴 burner锅炉 boiler烟囱 stack废热锅炉 waste heat boiler辅助锅炉 auxiliary boiler省煤器 economizer回热炉 direct-fired heater辐射段 radiant section对流段 convection section裂化炉 reformer焚烧炉 incinerator回转窑 rotary kiln炉管 furnace tube吹灰器 soot blower观察孔 observation door, peep door防爆门 explosion door5.2 辅助用房名称5.2.1 生产用房分析室 analyzer room变压器室 transformer room配电室,变电所 substation, switch room蓄电池室 battery room控制室 control room通风室 ventilating room贮藏室 storage room维修间 maintenance room办公室 office5.2.2 生活用房更农室 locker room盥洗室,厕所 closet, lavatory, toilet5.3 图名管道布置平面 piping arrangement plan (PAP)管道布置 piping layout轴测图 isometric drawing分区索引图 key plan初版设备布置图(“A”版) preliminary plot plan ( “A” issue)内部审查版设备布置图(“B”版)inrernal approval plot plan ( “B” issue)用户审查版设备布置图(“C”版) owner approval plot plan ( “C” issue)确认版设备布置图(“D”版)confirm plot plan ( “D” issue)研究版设备布置图(“e”版)planning plot plan ( “E” issue)设计版设备布置图(“F”)designing plot plan ( “F” issue)施工版设备布置图(“G”版)construction plot plan ( “G” issue)5.4 厂房、站、单元压缩机房 compressor house (room)泵房 pump house (room)洗眼站 eye washer station泡沫站 foam station软管站,公用工程站 hose station (HS), utility station 成套设备 package unit设施 facilities罐区 tank yard空分装置 air separation facility5.5 设备布置设备位号 equipment item number工厂 plant工厂区界 plant limit项目区界内侧 inside battery limit (I.S.B.L.)项目区界 batterylimit (BL)区界 area limit区域边界 zone iimit界外 off site东 east (E)西 west (W)南 south (S)北 north (N)上 up下 down工厂北向 plant north真实北向 true north道路 road小过道 cat walk, cat way走道,过道 walk way, gangway, access way污水坑(井) sump pit集水池 catch basin沟槽 through预留区 trough场地 future area铺砌区 paving area非铺砌区 unpaved area碎石铺面 gravel paving橡皮铺面 rubber paving面积,区域 area体积,容积 volume (VOL)5.6 管道布置管道设计 piping design管道研究 piping study走向研究 routing study重要管道 critical piping地上管道 above ground piping地下管道 under ground piping管网 network of pipes管廊 pipe rack管沟 piping trench管间距 line spacing管道跨距 line span总管 header, manifold旁路 by pass排液 drain放空 vent上升管,垂直管 riser导管 canduit裸管 bare iine管件直接 fitting to fitting (FTF)管段,接口 spool piece, spool取样接口 sampling connection集液包 drip leg伴热管 tracing pipe蒸汽伴热 steam tracing热水伴热 hot-water tracing电伴热 electrical tracing夹套管 jacketed line, jacketed piping 全夹套的 full jacketed平面 plan详图 detail“ ”视图X view “X”“ ”剖视A-A section “A-A”连接图 hook up drawing接续图 continue on drawing (COD)接续线 match line (M.L.)比例 scale图例 legend符号 symbol管口表 list of nozzles方位 orientation管口方位 nozzle orientation定位 location相交 intersection水平的 horizontal垂直的,立式的 vertical垂直,正交,垂直的 perpendicular平行,平行的 parallel水平安装 horizontal installation垂直安装 vertical installafion对称的 symmetric相反(的),对面(的) opposite顺时针方向 clock wise逆时针方向 counter clock wise计算机辅助设计 computer aided design (CAD) 5.7 图面标注绝对标高 abselute elevation海平面标高 over-sea mean level (OSL)标高,立面 elevation (EL)混凝土顶面 top of concrete架顶面 top of support (TOS)钢结构顶面 top of steel梁项面 top of beam (TOB)支撑点 point of suppon (POS)管顶 top of pipe (TOP)管底 bouom of pipe (BOP)沟底 boaom of trench管子内底 invert (inside bottom of pipe)底平 flat on bottom (FOB)顶平 flat on top (FOT)工作点 working point (W.P.)面至面 face to face (F-F)中心至端面 center to end (C-E)中心至面 center to face (C-F)中心至中心,中至中 center to center (C-C) 坐标 coordinate坐标原点 origin of coordinate出口中心线 center line of discharge入口中心线 center line of suction中心线 centerline (CL)入口 inlet, suction出口 outlet, discharge排出口 exhaust距离 distance5.8 相关专业的专业词汇5.8.1 工艺(1) 图及表流程图 flow diagram工艺流程图 process flow diagram (PFD)管道及仪表流程图 piping andinstrument flow diagram (PID)公用工程流程图 utility flow diagram (UFD) 管线表 line list; line schedule命名表;管道表 nomenclature设备表 equipment list (schedule)(2) 流体 fluid空气 air仪表空气 instrument air工艺空气 process air低压蒸汽 low pressure steam中压蒸汽 medium pressure steam高压蒸汽 high pressure steam伴热蒸汽 tracing steam饱和蒸汽 saturated steam过热蒸汽 superheated steam氧气 oxygen氢气 hydrogen氮气 nitrogen燃料气 fuel gas天然气 natural gas火炬气 flare gas酸性气 sour gas液化石油气 liquefired petroleum gas (LPG) 氨气 ammonia gas冷却水 cooling循环水 circulating water锅炉给水 boiler feed water热水 hot water蒸汽冷凝水 steam condensate盐水 brine工艺水 process water化学污水 chemical sewage防腐剂 corrosion inhibitor重油 heavy oil石脑油 naphtha燃料油 fuel oil润滑油 lubricating oil密封油 sealing oil冷冻剂 refrigerant载热体 heating medium溶剂 solvent溶液 solution母液 mother liquor单体 monomer聚合物 polymer均聚物 homopolymer共聚物 copolymer工艺液体 process liquid工艺气体 process gas硫酸 sulphuric acid盐酸 chlorhydric acid硝酸 nitric acid烧碱 caustic soda(3) 流体特性 fluid characteristics 蒸汽压 vapor pressure临界温度 critical temperature临界点 critical point临界压力 critical pressure比热 specific heat湿度 humidity密度 density比重 specific gravity粘度 viscosity闪点 flash point融点 melting point凝固点 freezing point浓度 concentration爆炸极限 limit of explosion有毒的 toxic可燃的;易燃的 flammable(4) 其它回收 recovery再生 regeneration循环 cireulatlon再循环;再生 recycle补充 make-up制备 preparation蒸汽吹扫 steaming out吹扫 purge抽空;排空 evacuation吹出 blow-off排污 blow down破真空 vacuum breaker大气腿 barometric leg备用 stand-by化学清洗 chemical cleaning净正吸入压头 net positive suction head (NPSH) 进料 feed成品 product污染 contamination大气污染 atmospheric pollution环境温度 ambient temperature5.8.2 建筑、结构建筑物 building钢结构 steel structure已有钢结构 existing steel structure钢筋混凝土结构 reinforced concrete construction 楼面 floor平台 platform (PF)地面 ground level栏杆 handrail楼梯 stair; stair way直梯 ladder柱 column; post; stanchion基础 foundation; footing粱 beam斜撑;支撑 bracing桁架;主粱 girder构件 member隔墙 partition wall墙 wall篦子板 grate; grating吊装孔 erection opening吊梁 hoisting beam棚 shelter窗 window天窗 skylight门 door防火门 fire door地漏 floor drain防火层 fire-proofing总图 general plot plan路肩 shoulder桩 pile灌浆 grouting风荷载 wind load雪荷载 snow load动力荷载 dynamic load静荷载 dead load活荷载 live load风速 wind velocity主导风向 most frequent wind direction5.8.3 仪表盘(操作盘) panel就地盘 local panel仪表盘 instrument panel常开 normally open常闭 normally closed电缆槽(架) cable tray (channel); cable rack 仪表电缆槽(架) instrument cable tray (duct) 压力计 manometer; pressure gauge热电偶 thermocouple温度计 thermometer液位计 level gauge玻璃液位计 gage glass温度计保护管 thermowell流量计 flow meter孔板 orifice变送器 transmitter联锁 interlock仪器;设备 apparatus仪器分析 instrumental analysis自动分析 automatic analysis气体分析 gas analysis化学分析 chemical analysis气相色谱仪 gas chromatograph液相色谱仪 liquid chromatograph质谱分析 mass spectrometric analysis5.8.4 电气危险区划分 hazardous area classification 危险区平面图 hazardous area plan电气盘 electrical panel配电盘 switch board电缆沟 cable trench电流 current直流 direct current交流 alternating current频率 frequency相位 phase功率因数 power factor电压 voltage电阻 resistance电容 capacitance静电 static electricity接地 grounding; easthing照明 lighting; illumination避雷针 lightning preventer电话 telephone电线 wire接线箱(盒) junction box导线管 conduit tube5.8.5 设备固定鞍座 fixed saddle滑动鞍座 sliding saddle管口 nozzle人孔 manhole (MH)手孔 handhole (HH)检查孔 inspection hole吊柱 davit切线 tangent line焊接线 weldingiine件号 part humbet椭圆形封头 ellipsoidal head加强圈 reinforcing ring接地板 earth lug吊耳 lifting lug气缸 cylinder轴 shaft轴承 bearing附件,附属设备 accessory编位号设备 itemized equipment。
1 管道组成件Piping component1.1 管子Pipe管子(按照配管标准规格制造的) pipe管子(不按配管标准规格制造的其他用管) tube钢管steel pipe铸铁管cast iron pipe衬里管lined pipe复合管clad pipe碳钢管carbon steel pipe合金钢管alloy steel pipe不锈钢stainless steel pipe奥氏体不锈钢管austenitic stainless steel pipe铁合金钢管ferritic alloy steel pipe轧制钢管wrought-steel pipe锻铁管wrought-iron pipe无缝钢管seamless (SMLS) steel pipe焊接钢管welded steel pipe电阻焊钢管electric-resistance welded steel pipe电熔(弧)焊钢板卷管electric-fusion (arc)-welded steel-plate pipe螺旋焊接钢管spiral welded steel pipe镀锌钢管galvanized steel pipe热轧无缝钢管hot-rolling seamless pipe冷拔无缝钢管cold-drawing seamless pipe水煤气钢管water-gas steel pipe塑料管plastic pipe玻璃管glass tube橡胶管rubber tube直管run pipe; straight pipe1.2 管件Fitting弯头elbow异径弯头reducing elbow带支座弯头base elbowk半径弯头long radius elbow短半径弯头short radius elbow长半径180°弯头long radius return短半径180°弯头short radius return带侧向口的弯头(右向或左向)side outlet elbow (right hand or left hand) 双支管弯头(形)double branch elbow三通tee异径三通reducing tee等径三通straight tee带侧向口的三通(右向或左向)side outlet tee (right hand or 1eft hand)异径三通(分支口为异径)reducing tee (reducing on outlet)异径三通(一个直通口为异径)reducing tee (reducing on one run)带支座三通base tee异径三通(一个直通口及分支口为异径)reducing tee (reducing on one run and outlet)异径三通(两个直通口为异径,双头式)reducing tee (reducing on both runs, bull head)45°斜三通45° lateral45°斜三通(支管为异径)45° lateral (reducing on branch)45°斜三通(一个直通口为异径) 45° lateral (reducing on one run)45°斜三通(一个直通口及支管为异径) 45° lateral (reducing on one run and branch)Y型三通(俗称裤衩)true “Y”四通cross等径四通straight cross异径四通reducing cross异径四通(一个分支口为异径)reducing cross (reducing on one outlet)异径四通(一个直通口及分支口为异径)reducing cross (reducing on one run and outlet)异径四通(两个分支口为异径)reducing cross (reducing on both outlet)异径四通(一个直通口及两个分支口为异径)reducing cross (reducing on one run and both outlet) 异径管reducer同心异径管concentric reducer偏心异径管eccentric reducer锻制异径管reducing swage螺纹支管台threadolet焊接支管台weldolet承插支管台sockolet弯头支管台elbolet斜接支管台latrolet镶入式支管嘴sweepolet短管支管台nipolet支管台,插入式支管台boss管接头coupling, full coupling半管接头half coupling异径管接头reducing coupling活接头union内外螺纹缩接(俗称补芯)bushing管帽cap (C)堵头plug短节nipple异径短节reducing nipple; swage nipple1.3 弯管Bend预制弯管fabricated pipe bend跨越弯管(^ 形)cross-over bend偏置弯管(~ 形)offset bend90°弯管quarter bend环形弯管cirele bend单侧偏置90°弯管(? 形)single offset quarter bendS形弯管“S” bend单侧偏置U形膨胀弯管(| ?形)single offset “U” bendU形弯管“U” bend双偏置U膨胀弯管double offset expansion “U” bend斜接弯管mitre bend三节斜接弯管3-piece mitre bend折皱弯管corrugated bend圆度roundness1.4 法兰Flange (FLG)整体管法兰integral pipe flange钢管法兰steel pipe flange螺纹法兰threaded flange滑套法兰(包括平焊法兰)slip-on flange (SO); slip-on welding flange 承插焊法兰socket welding flange松套法兰lap joint flange (LJF)对焊法兰welding neckflange (WNF)法兰盖blind flange, blind孔板法兰orifice flange异径法兰reducing flange盘座式法兰pad type flange松套带颈法兰loose hubbed flange焊接板式法兰welding plate flange对焊环welding neck collar (与stub end相似)平焊环welding-on collar突缘短节stub end, lap翻边端lapped pipe end松套板式法兰loose plate flange压力级pressure rating, pressure rating class压力—温度等级pressure-temperature rating法兰密封面,法兰面flange facing突面raised face (RF)凸面male face (MF)凹面female face (FMF)榫面tongue face槽面groove face环连接面ring joint face全平面;满平面flat face; full face (FF)光滑突面smooth raised face (SRF)法兰面加工facing finish粗糙度roughness光滑的smooth齿形serrated均方根root mean square (RMS)算术平均粗糙高度arithmetical average roughness height (AARH)配对法兰companion-flange螺栓圆bolt circle (B.C.)1.5 垫片Gasket (GSKT)垫片的型式type of gasket平垫片flat gasket环形平垫片flat ring gasket平金属垫片flat metal gasket夹棉织物的橡胶elastomer with cotton fabric insertion夹石棉织物的橡胶elastomer with asbestos fabric insertion夹石棉织物及金属丝加强的橡胶elastomer with asbestos fabric insertion and with wire reinforcement无石墨压缩白石棉垫片non graphited compressed white asbestos gasket天然白橡胶垫片natural white rubber gasket压缩石棉垫片compressed asbestos class gasket浸聚四氟乙烯的石棉垫片PTFE impregnated asbestos gasket夹石棉的缠绕金属垫片spiral-wound metal gasket with asbestos filler内环inner ring外环,外定位环outer ring波纹金属垫片corrugated metal gasket波纹金属包嵌石棉垫片corrugated metal gasket with asbestos inserted双夹套波纹金属包石棉垫片corrugated metal double jacketed asbestos filled gasket双夹套垫片double jacketed gasket金属包石棉平垫片flat metal jacketed asbestos filled gasket整体金属齿形垫片solid metal serrated gasket槽形金属垫片grooved metal gasket环形连接金属垫片ring joint metal gasket八角环形垫片octagonal ring gasket椭圆环形垫片oval ring gasket透镜式垫片lens gasket非金属垫片non-metallic gasket1.6 阀门Valve1.6.1 阀门结构、零件阀轭yoke外螺纹阀杆及阀轭outside screw and yoke (OS & Y) 阀杆stem内螺纹inside screw (IS)阀轭套yoke sleeve阀杆环stem ring阀座valve seat (body seat)阀座环、密封圈seat ring整体(阀)座integral seat堆焊(阀)座deposited seat阀芯(包括密封圈、杆等内件)trim阀盘disc阀盘密封圈disc seat阀体body阀盖bonnet阀盖衬套bonnet bush螺纹阀帽screw cap螺纹阀盖screw bonnet螺栓连接的阀盖bolted bonnet (BB)活接阀盖(帽)union bonnet (cap)螺栓连接的阀帽bolted cap (BC)焊接阀盖welded bonnet (WB)本体阀杆密封body stem seal石棉安全密封asbestos emenen seal倒密封back seal压力密封的阀盖pressure-tight bonnet动力操纵器powered operator电动操纵器electric motor operator气动操纵器pneumatic operator液压操纵器hydraulic operator快速操纵器quick-acting operator滑动阀杆sliding stem正齿轮传动spur gear operated伞齿轮传动bevel gear operated扳手操作wrench operated链轮chain wheel手轮hand wheel手柄hand lever (handle)气缸(或液压缸)操纵的cylinder operated链条操纵的chain operated等径孔道full bore; full port异径孔道reducing bore, reduced port,venturi port 短型short pattern紧凑型(小型)compact type笼式环lantern ring压盖gland阀杆填料stem packing阀盖垫片bonnet gasket升杆式(明杆)rising stem (RS)非升杆式(暗杆)non-rising stem (NRS)指示器/限位器indicator/stopper注油器grease injector可更换的阀座环renewable seat ring1.6.2 常用阀(1)闸阀gate valve平行双闸板double disc parallel seat开口楔形闸板split wedge挠性整体楔形闸扳flexible solid wedge整体楔形闸板solid wedge塞型闸阀plug gate valve直通型闸阀through conduit gate valve(2) 截止阀globe valve球心型阀盘globe type disc塞型阀盘plug type disc可转动的阀盘swivel disc(3) 节流闪阀throttle valve针阀needle valve(4) 角阀angle valve(5) Y型阀(Y 型阀体截止阀)Y-valve (Y-body globe valve)(6) 球阀ball valve三通球阀3-way ball valve装有底轴的trunnion mounted耐火型fire safe type浮动球型floating ball type防脱出阀杆blowout proof stem(7) 蝶阀butterfly valve对夹式(薄片型)wafer type凸耳式lug type偏心阀板蝶阀offset disc burerfly valve; eccentric butterfly valve 斜阀盘蝶阀canted disc butterfly valve连杆式蝶阀link butterfly valve8) 柱塞阀piston type valve(9) 旋塞阀plug valve三通旋塞阀three-way plug valve四通旋塞阀four-way plug valve旋塞cock衬套旋塞sleeve cock(10) 隔膜阀diaphragm valve橡胶衬里隔膜阀rubber lined diaphragm valve直通式隔膜阀straight way diaphragm valve堰式隔膜阀weir diaphragm valve(11) 夹紧式胶管阀pinch valve(用于泥浆、粉尘等)(12) 止回阀check valve升降式止回阀lift check valve旋启式止回阀swing check valve, flap check valve落球式止回阀ball check valve弹簧球式止回阀spring ball check valve双板对夹式止回阀dual plate wafer type check valve无撞击声止回阀non-slam cheek valve底阀foot valve切断式止回阀stop check valve; non-return valve活塞式止回阀piston check valve斜翻盘止回阀tilting disc check valve蝶式止回阀butterfly check valve1.6.3 其它用途的阀安全泄气阀safety valve (SV)安全泄液阀relief valve (RV)安全泄压阀safety relief valve杠杆重锤式lever and weight type引导阀操纵的安全泄气阀pilot operated safety valve复式安全泄气阀twin type safety valve罐底排污阀flush-bottom tank valve电磁阀solenoid valve, solenoid operated valve电动阀electrically operated valve, electric-motor operated valve 气动阀pneumatic operated valve低温用阀cryogenic service valve蒸汽疏水阀steam trap机械式疏水阎mechanical trap浮桶式疏水阀open bucket trap, open top bucket trap浮球式疏水阀float trap倒吊桶式疏水阀inverted bucket trap自由浮球式疏水阀loose float trap恒温式疏水阀thermostatic trap金属膨胀式蒸汽疏水阀metal expansion steam trap液体膨胀式蒸汽疏水阀liquid expansion steam trap双金属膨胀式蒸汽疏水阀bimetallic expansion steam trap压力平衡式恒温疏水阀balanced pressure thermostatic trap热动力式疏水阀thermodynamic trap脉冲式蒸汽疏水阀impulse steam trap放气阀(自动放气阀)air vent valve (automatic air vent valve) (疏水阀用)平板式滑动闸阀slab type sliding gate valve盖阀flat valve换向阀diverting valve, reversing valve热膨胀阀thermo expansion valve自动关闭阀self-closing gate valve自动排液阀self-draining valve管道盲板阀line-blind valve挤压阀squeeze valve(用于泥浆及粉尘等)呼吸阀breather valve风门、挡板damper减压阀pressure reducing valve, reducing valve控制阀control valve膜式控制阀diaphragm operated control valve执行机构actuator背压调节阀back pressure regulating valve差压调节阀differential pressure regulating valve压力比例调节阀pressure ratio regulating valve1.6.4 未指明结构(或阀型)的阀切断阀block valve; shut-off valve; stop valve调节阀regulating valve快开阀quick opening valve快闭阀quick closing valve隔断阀isolating valve三通阀three way valve夹套阔jacketed valve非旋转式阀non-rotary valve排污阀blowdown valve集液排放阀drip valve排液阀drain valve放空阀vent valve卸载阀unloading valve排出阀discharge valve吸入阀suction valve多通路阀multiport valve取样阀sampling valve手动阀hand-operated valve; manually operated valve锻造阀forged valve铸造阀cast valve(水)龙头bibb; bib; faucet抽出液阀(小阀)bleed valve旁路阀by-pass valve软管阀hose valve混合阀mixing valve破真空阀vacuum breaker冲洗阀flush valve第一道阀;根部阀primary valve根部阀root valve总管阀header valve事故切断阀emergency valve1.7 管道特殊件Piping Specialty1.7.1 管道特殊件(组件)粗滤器strainer过滤器filter临时粗滤器(锥型)temporary strainer (cone type)y 型粗滤器y-type strainerT型粗滤器T-type strainer永久过滤器permanent filter丝网粗滤器gauze strainer洗眼器及淋浴器eye washer and shower视镜sight glass阻火器flame arrester喷嘴;喷头spray nozzle取样冷却器sample cooler消声器silencer膨胀节expansion joint波纹膨胀节bellow expansion joint单波single bellow双波double bellow多波multiple bellow压力平衡式膨胀节pressure balanced expansion带铰链膨胀节hinged expansion joint轴向位移型膨胀节axial movement type expansion joint 自均衡膨胀节(外加强环)self-equalizing expansion joint 带接杆膨胀节tied expansion joint万向型膨胀节universal type expansion joint球形补偿器ball type expansion joint填函式补偿器slip type (packed type) expansion joint单向滑动填料函补偿器single actionpacked slip joint1.7.2 管道特殊元件Piping Special Element软管接头hose connection (HC)快速接头quick coupling金属软管metal hose橡胶管rubber hose挠性管flexible tube鞍形补强板reinforcing saddles补强板reinforcement pad特殊法兰special flange漏斗funnel排液环drip ring排液漏斗drain funnel插板blank垫环spacer8字盲板spectacle blind; figure 8 blind限流孔板restriction orifice爆破片rupture disk法兰盖贴面protective disc费托立克接头victaulic coupling1.8 端部连接End Connection法兰端flanged end坡口端beveled end (BE)对焊端butt welded end平端plain end (PE)承插焊端socket welding end螺纹端threaded end (TE)承口bell end焊接端welding end法兰连接(接头)flanged joint对焊连接(接头)butt welded joint螺纹连接,管螺纹连接threaded joint, pipe threaded joint 锥管螺纹密封焊连接seal-welded taper pipe threaded joint 承插焊连接(接头)socket welded joint承插连接(接头)bell and spigot joint环垫接头ring joint (RJ)万向接头universal joint软钎焊连接(接头)soldered joint搭接接头,松套连接lapped joint外侧厚度切斜角bevel for outside thickncss内侧厚度切斜角bevel for inside thickness内外侧厚度切斜角bevel for combined thickness法兰式的flanged (FLGD)对焊的butt welded (BW)螺纹的threaded (THD)承插焊的socket welded (SW)小端为平的small end plain (SEP)大端为平的large end plain (LEP)两端平both ends plain (BEP)小端带螺纹small end thread (SET)大端带螺纹large end thread (LET)两端带螺纹both end thread (BET)一端带螺纹one end thread (OET)支管连接branch connection焊接支管branch pipe welded directly to the run pipe。
●弯头 elbow异径弯头 reducing elbow带支座弯头 base elbow长半径弯头(标准1.5倍弯曲半径---1.5D)long radius elbow●三通 tee异径三通 reducing tee等径三通 straight tee带侧向口的三通(右向或左向) side outlet tee(right hand or 1eft hand)异径三通(分支口为异径) reducing tee (reducing on outlet)异径三通(一个直通口为异径)reducing tee(reducing on one run)带支座三通 base tee异径三通(一个直通口及分支口为异径) reducing tee (reducing on one run and outlet)异径三通(两个直通口为异径,双头式) reducing tee (reducing on both runs, bull head)45°斜三通 45° lateral45°斜三通(支管为异径) 45° lateral (reducing on branch)45°斜三通(一个直通口为异径) 45° lateral (reducing on one run)45°斜三通(一个直通口及支管为异径) 45° lateral(reducing on one run and branch)Y型三通(俗称裤衩)true “Y”四通 cross等径四通 straight cross异径四通 reducing cross异径四通(一个分支口为异径)reducing cross(reducing on one outlet)异径四通(一个直通口及分支口为异径) reducing cross (reducing on one run and outlet)异径四通(两个分支口为异径) reducing cross(reducing on both outlet)异径四通(一个直通口及两个分支口为异径)reducing cross (reducing on one run and both outlet)异径管 reducer同心异径管 concentric reducer偏心异径管 eccentric reducer锻制异径管 reducing swage螺纹支管台 threadolet焊接支管台 weldolet承插支管台 sockolet弯头支管台 elbolet斜接支管台 latrolet镶入式支管嘴 sweepolet短管支管台 nipolet支管台,插入式支管台 boss●螺纹支管台Threadolet●弯头支管台elbolet●焊接支管台weldolet;on weld●短管支管台nipolet●承插支管台sockolet●烧焊支管台weldolet●斜接支管台latrolet●承插焊支管台Sockolet●支管台,插入式支管台boss管接头 coupling, full coupling半管接头 half coupling异径管接头 reducing coupling活接头 union内外螺纹缩接(俗称补芯) bushing管帽 cap (C)堵头 plug短节 nipple异径短节 reducing nipple; swage nipple管道英文缩写A Anchor 固定ABS * Absolute 绝对的AISI *American Iron and Steel Institute 美国钢铁学会ANSI * American National Standards Institute美国国家标准学会API *American Petroleum Institute 美国石油学会APPROX *Approximate 大约,近似的ASB Asbestos 石棉ASME *American Society Of MechanicalEngineers美国机械工程师协会ASSY * Assembly 装配,组装ASTM * American Society Of Testing Material 美国材料实验协会ATM * Atmosphere 大气压AWG * American Wire Gage 美国线规AWS * American Wel**** Society 美国焊接协会AWWA * American Water WorksAssociation 美国水工协会BBB Bolted Bonnet 栓柱连接的阀盖BB By Buyer 买方供货B-B Beveled End-Beveled End 两端为坡口端BC Bolt Circle 螺栓中心圆B.C Bolted Cover(cap) 螺栓连接的阀兰盖(帽)BE Beveled End (for wel****) 坡口(焊接用)B.E Bell End 承口BEP Both Ends Plain 两端平BET Both Ends Threaded 两端带螺纹BL Battery Limit 装置区边界BF Blind Flange 盲板法兰BLD Blind 盲板BLDG *Buil**** 建筑物BM Bill Of Material 材料表BOP Bottom Of Pipe 管底B-P Beveled End —Plain End 坡口端.平端BV Butterfly valve 蝶阀BWG * Birmingham Wire Gage 伯明翰线规BW Butt Weld 对焊CC Cap 管帽C-C Center to Center 中至中C-E Center to End 中至端面C-F Center to Face 中至面CH-OP Chain Operated 链条操纵的CH.PL Checkered Plate 花纹钢管C.I *Cast Iron 铸铁CL *Class 英制压力等级,等级,种类CLEAR Clearance 间隙COD Continued on Drawing 接续图COL *Column 柱,塔CONC Concentric 同心的CONN Connection 连接,接口CONT *Continue 连续CONT.V. Control Valve 控制阀CPLG Coupling 管接头,连轴节C.R. Concentric Reducer 同心异径管C.S. *Carbon Steel 碳钢C.S. Cold Spring 冷紧C.S.C. Car Seal Close 在关闭状态下封住C.S.O. Car Seal Open 在开启状态下封住CUST Customer 客CH Check Valve 止回阀DEG *Degree 度DF Drain funnel 排液漏斗DIA *Diameter 直径DIM *Dimension 尺寸DISCH *Discharge 出口,排出Diaphragm VELVE 隔膜阀DMF Double Male And Female 双重凹凸DN Norminal Diameter公称直径DN Down 下DR Drain 排液DS Directional Stop 定向限为架DWG * Drawing 图EE *East 东EC External Coating 外面涂防腐层ECC Eccentric 偏心EFW Electric Fusion Welded 电容焊的EL(ELEV) *Elevation 标高;立面ELL Elbow 弯头EQIOP Equipment 设备,装置EQUIV Equivalent 相当的E.R. Eccentric Reducer 偏心异经管ERW Electric Resistance Welded 电阻焊的EW Eye Washer & Shower 洗眼器及淋浴器EXP.JT Expansion Joint 膨胀节FFDN Foundation 基础FF Flat Faced Or Full Faced 全平面;满平面F-F Face To Face 面至面FGW Fusion Gas Wel**** 气熔焊FIG *Figure 图FL Floor 楼面FLEX TUBE Flexible Tube 挠性管FLG Flange 法兰FLGD Flanged 法兰式的FLGF Flanged Face 法兰面FOB Flat On Bottom 底面平FOT Flat On Top 顶面平FP Fix Point 固定点FS Forged Steel 锻钢FTF Fitting To Fitting 管件直连FTG Fitting 管件FURND Furnished 提供的,装设的FW Field Weld 现场焊G Guide 导向GA * Gage 表,表压,规(线规)GALV *Galvanize 镀锌GL Ground Level 地面GLV Globe Valve 截止阀GEAR OP Gear Operated 齿轮传动的GMAW Gas Metal Arc Wel**** 金属极惰气体保护焊GSKT Gasket 垫片GTAW (Inert)Gas Tungsten Arc Wel**** 惰性气体保护钨极电弧焊GV Gate Valve 闸阀HH Hanger 吊架HC Hose Connection 软管接头H.CPLG Half Coupling 半节管接头HDR Header 总管HEX *Hexagon 六角形HF Hard Alloy Face on阀内件(阀心)为Valve Trim 硬质合金密封面HH Hand Hole 手孔HOR Horizontal 水平的H.P * High Pressure 高压HS Hose Station 软管IID * Inside Diameter 内径IN * Inch 英寸INS Insulation 隔热INST Instrument 仪表INV Invert (inside bottom of pipe) 管子内底IPS Iron Pipe size 铁管尺寸ISO Isometric Drawing 周测图(空视图)I.S.B.L Inside Battery Limit 装置边界内恻ISNS Inside screw & Non-rising Stem 内螺纹非升杆ISRS Inside screw & Rising stem 内螺纹升杆JJT Joint 接头JS Jack Screw 顶开(起)螺栓LLC Locked Closed 在关闭状态下锁定LEP Large end plain 大端为平的LET Large end Threaded 大端带螺纹LG Long 长LGF Lens Gasket Face 透镜垫连接面L.H. THD Left Hand Thread 左螺纹LIFT Lift Type 升降式LJ Lap Joint 搭接LJF Lap Joint Flange 松套法兰LO Locked Open 在开启状态下锁定L.P. Low Pressure 低压LR Long Radius 长半径LRE Long Radius Elbow 长半径弯头LTG Large Tongue & Groove 大椎槽MMATL Material 材料MAX Maximum 最大MB Machine Bolt 机器螺栓(单头)MF Male and Female 凸和凹MFG Manufacture 制造MF * Manufacture 制造厂MH Manhole 人孔MI Malleable Iron 可锻铸铁MIN *Minimum 最小MJ Mechanical Joint 机械接头M.L Match Line 连续线MSS * Manufacturers Standardization Society of the Valve and Fittings Industry, Inc.美国阀门和管件制造商标准化协会MTO Material take-off 材料统计MW Minimum Wall 最小壁厚M.W. Mineral Wool 矿(物)棉NN * North 北NB Nominal Bore 公称孔径N.B. Non-Bonnet 无阀盖NC Normally Closed 常闭NIP Nipple 短管NO Normally Open; 常开*Number号;数量NO INS No Insulation 不隔热NOM Nominal 公称的;额定的NOZ Nozzle 管口NPS Nominal Pipe Size 公称管径NPSH Net Positive Suction Head 净正吸入压头NPT *American National Taper 美国锥管螺纹Pipe ThreadNS Nominal Size 公称直径NV Needle Valve 针形阀OOD *Outside Diameter 外径OET One end Threaded 一端带螺纹OR Outside Radius 外半径ORF Orifice 孔板ORIENT Orientation 方位OS & Y Outside Screw and Yoke 外螺纹阀杆和阀轭OSNB Outside Screw Non-Bonnet 外螺纹无阀盖PP Plug 堵头PAP Piping Arrangement Plan 管道布置平面图PB Pressure Seal Bonnet 压力密封的阀盖P-B Plain End –Bevel End 平端—坡口端PC Pressure Seal Cap 压力密封的阀帽P.C.D. Pitch Circle Diameter 节圆直径PE Plain End (not beveled) 平端(无坡口)PF Platform 平台PID Piping & Instrument Diagram管道及仪表流程图PN *Nominal Pressure 公称压力PN Plant North 工厂北向POS point of Support 支承点P-P Plain End—Plain End 两端为平端PREP Preparation 加工准备PSIA *Pounds Per SquareInch Absolute 磅/PSIG Pounds Per Square Inch Gage 磅/PT Point 点PTFE *Polytetrafluoroethylene 聚四氟乙烯PT.NO Part No. 件号PV Plug Valve 旋塞阀PVC *Poly Vinyl Chloride 聚氯乙烯QQTY *Quantity 数量RR * Radius 半径RED Reducer 异径管REF Reference 参考REINF Reinforce 加强REQD Required 需要;申请REV *Revision 修改RF Raised Face 凸面RG Ring Gasket 环形垫片R.H.THD Right Hand Thread 右螺旋RJ Ring Joint 环垫接头RO Restriction Orifice 限流孔板RPM * Revolutions Per Minute 转/分RPS * Revolutions Per Second 转/秒RS Resting Support 支承架,滑动架RTJ Ring Type Joint(见RJ)RV Relief Valve 安全泄液阀SS *South 南S Spring 弹簧(管架用)SAW (Automatic)Submerged Arc Wel**** 自动埋弧焊SB Stud Bolt 双头螺栓SB Screwed Bonnet 螺纹阀盖SC Sample Cooler 取样冷却器SCH * Schedule 管壁厚系列号SCRD Screwed 螺纹SEP Small end Plain 小端为平的SET Small end Threaded 小端带螺纹SF Semi-Finished 半光SG Sight Glass 视镜SH Surface Hard Facing 硬质密封面SK Sketch 草图SMAW Shielded Metal Arc Wel**** 有保护的金属电弧焊SMLS Seamless 无缝SN Swaged Nipple 异径短管SO Slip – On 滑套SOF Slip – On Flange 滑套法兰SPEC * Specification 规定,说明SPL Sound Pressure Lever 升压水准SQ * Square 方的,平方SR Shout Radius 短半径SRE Short Radius Elbow 短半径弯头SS *Stainless Steel 不锈钢ST Steam Trap 蒸汽疏水阀STD *Standard 标准STG Small Tongue & Groove 小椎槽面STL *Steel 钢STM Steam 蒸汽STM.TR Steam Tracing 蒸汽拌热SUCT Suction 吸入口SV Safety Valve 安全泄气阀SW Socket Weld 承插焊SWG Swage 锻造,模锻SWMG Swing Type 旋启式SYM Symmetrical 对称的TT Tee 三通TE Threaded End 螺纹端TEMP *Temperature 温度TG Tongue & Groove 椎槽THD *Threaded 螺纹的THK *Thickness 厚度TL Tangent Line 切线TN True North 真实北向TOC Top of Concrete 混凝土北向TOP Top of pipe 管顶TOS Top of Support 支架顶面Top Top of Steel 钢结构顶面TY P Typical 典型的UUB Union Bonnet 带活接头的阀盖UC Union Cap 带活接头的阀帽UN Union 活接头VV Valve 阀VAC Vacuum 真空VAR Variable 可变的VERT Vertical 垂直的VOL *Volume 卷,册,容量,体积WW * West 西WB Weld Branch 焊接支管WC Weld Cap 焊接管帽WD Width 宽度WE Weld End 焊接端WL Wel**** Line 焊接线WN Wel**** Neck 对焊法兰(颈部)WNF Weld Neck Flange 对焊法兰WP Working Pressure 工作压力W.P. Working Point 工作点WT Wall Thickness 壁厚Weight 重量XXH Extra Heavy 加强的,加厚的XXH Double Extra Heavy 双倍加强(厚)的XS Extra Strong 加强的XXS Double Extra Strong 双倍加强的YYP Yield Point 屈服点1.2 管件 Fitting弯头 elbow异径弯头 reducing elbow带支座弯头 base elbowk半径弯头 long radius elbow短半径弯头 short radius elbow长半径180°弯头 long radius return短半径180°弯头 short radius return带侧向口的弯头(右向或左向) side outlet elbow (right hand or left hand)双支管弯头(形) double branch elbow三通 tee异径三通 reducing tee等径三通 straight tee带侧向口的三通(右向或左向) side outlet tee (right hand or 1eft hand)异径三通(分支口为异径) reducing tee (reducing on outlet)异径三通(一个直通口为异径) reducing tee (reducing on one run)带支座三通 base tee异径三通(一个直通口及分支口为异径) reducing tee (reducing on one run and outlet)异径三通(两个直通口为异径,双头式) reducing tee (reducing on both runs, bull head)45°斜三通 45° lateral45°斜三通(支管为异径) 45° lateral (reducing on branch)45°斜三通(一个直通口为异径) 45° lateral (reducing on one run)45°斜三通(一个直通口及支管为异径) 45° lateral (reducing on one run and branch)Y型三通(俗称裤衩)true “Y”四通 cross等径四通 straight cross异径四通 reducing cross异径四通(一个分支口为异径 reducing cross (reducing on one outlet)异径四通(一个直通口及分支口为异径) reducing cross (reducing on one run and outlet)异径四通(两个分支口为异径) reducing cross (reducing on both outlet)异径四通(一个直通口及两个分支口为异径)reducing cross (reducing on one run and both outlet)异径管 reducer同心异径管 concentric reducer偏心异径管 eccentric reducer锻制异径管 reducing swage螺纹支管台 threadolet焊接支管台 weldolet承插支管台 sockolet弯头支管台 elbolet斜接支管台 latrolet镶入式支管嘴 sweepolet短管支管台 nipolet支管台,插入式支管台 boss管接头 coupling, full coupling半管接头 half coupling异径管接头 reducing coupling活接头 union内外螺纹缩接(俗称补芯) bushing管帽 cap (C)堵头 plug短节 nipple异径短节 reducing nipple; swage nipple1.3 弯管 Bend预制弯管 fabricated pipe bend跨越弯管(^ 形) cross-over bend偏置弯管(~ 形) offset bend90°弯管 quarter bend环形弯管 cirele bend单侧偏置90°弯管(? 形) single offset quarter bendS形弯管“S” bend单侧偏置U形膨胀弯管(| ?形)single offset “U”bendU形弯管“U” bend双偏置U膨胀弯管double offset expansion “U” bend斜接弯管 mitre bend三节斜接弯管 3-piece mitre bend折皱弯管 corrugated bend圆度 roundness1.4 法兰 Flange (FLG)整体管法兰 integral pipe flange钢管法兰 steel pipe flange螺纹法兰 threaded flange滑套法兰(包括平焊法兰) slip-on flange (SO); slip-on welding flange承插焊法兰 socket welding flange松套法兰 lap joint flange (LJF)对焊法兰 welding neck flange (WNF)法兰盖 blind flange, blind孔板法兰 orifice flange异径法兰 reducing flange盘座式法兰 pad type flange松套带颈法兰 loose hubbed flange焊接板式法兰 welding plate flange 对焊环 welding neck collar (与stub end相似)平焊环 welding-on collar突缘短节 stub end, lap翻边端 lapped pipe end松套板式法兰 loose plate flange压力级 pressure rating, pressure rating class压力—温度等级 pressure-temperature rating 法兰密封面,法兰面 flange facing突面 raised face (RF)凸面 male face (MF)凹面 female face (FMF)榫面 tongue face槽面 groove face环连接面 ring joint face全平面;满平面 flat face; full face (FF) 光滑突面 smooth raised face (SRF)法兰面加工 facing finish粗糙度 roughness光滑的 smooth齿形 serrated均方根 root mean square (RMS)算术平均粗糙高度 arithmetical average roughness height (AARH)配对法兰 companion-flange螺栓圆 bolt circle (B.C.)1.5 垫片 Gasket (GSKT)垫片的型式 type of gasket平垫片 flat gasket环形平垫片 flat ring gasket平金属垫片 flat metal gasket夹棉织物的橡胶 elastomer with cotton fabric insertion夹石棉织物的橡胶 elastomer with asbestos fabric insertion夹石棉织物及金属丝加强的橡胶 elastomer with asbestos fabric insertion and with wire reinforcement 无石墨压缩白石棉垫片 non graphited compressed white asbestos gasket天然白橡胶垫片 natural white rubber gasket 压缩石棉垫片 compressed asbestos class gasket浸聚四氟乙烯的石棉垫片 PTFE impregnated asbestos gasket夹石棉的缠绕金属垫片 spiral-wound metal gasket with asbestos filler内环 inner ring外环,外定位环 outer ring波纹金属垫片 corrugated metal gasket波纹金属包嵌石棉垫片 corrugated metal gasket with asbestos inserted双夹套波纹金属包石棉垫片 corrugated metal double jacketed asbestos filled gasket双夹套垫片 double jacketed gasket金属包石棉平垫片 flat metal jacketed asbestos filled gasket整体金属齿形垫片 solid metal serrated gasket 槽形金属垫片 grooved metal gasket环形连接金属垫片 ring joint metal gasket八角环形垫片 octagonal ring gasket椭圆环形垫片 oval ring gasket透镜式垫片 lens gasket非金属垫片 non-metallic gasketTOE是Threaded One End的缩写,意思是一端螺纹POE是Plain One End的缩写,意思是一端平口TBE是Threaded Both End的缩写,意思是两端螺纹PBE是Plain Both End的缩写,意思是两端平口TOE&POE就是一端平口,另一端螺纹连接TBE是两头都是螺纹连接PBE是两头都是平口(焊接)BBE 两端都是坡口。
● 1.2 管件 Fitting弯头 elbow异径弯头 reducing elbow带支座弯头 base elbowk半径弯头 long radius elbow短半径弯头 short radius elbow长半径180°弯头 long radius return短半径180°弯头 short radius return带侧向口的弯头(右向或左向)side outlet elbow (right hand or left hand)双支管弯头(形) double branchelbow三通 tee异径三通 reducing tee等径三通 straight tee带侧向口的三通(右向或左向) side outlet tee (right hand or 1eft hand)异径三通(分支口为异径)reducing tee (reducing on outlet)异径三通(一个直通口为异径)reducing tee (reducing on one run)带支座三通 base tee异径三通(一个直通口及分支口为异径) reducing tee (reducing on one run and outlet)异径三通(两个直通口为异径,双头式) reducing tee (reducing on both runs, bull head)45°斜三通 45° lateral45°斜三通(支管为异径) 45° lateral (reducing on branch)45°斜三通(一个直通口为异径) 45° lateral (reducing on one run)45°斜三通(一个直通口及支管为异径) 45° lateral (reducing on one run andbranch)Y型三通(俗称裤衩)true “Y”四通 cross等径四通 straight cross异径四通reducing cross异径四通(一个分支口为异径)reducing cross (reducing on one outlet)异径四通(一个直通口及分支口为异径) reducing cross (reducing on one run and outlet)异径四通(两个分支口为异径) reducing cross (reducing onboth outlet)异径四通(一个直通口及两个分支口为异径) reducing cross (reducing on one run and both outlet)异径管 reducer同心异径管 concentric reducer偏心异径管 eccentric reducer锻制异径管reducing swage螺纹支管台 threadolet焊接支管台 weldolet承插支管台sockolet弯头支管台 elbolet斜接支管台latrolet镶入式支管嘴sweepolet短管支管台 nipolet支管台,插入式支管台 boss●螺纹支管台Threadolet●弯头支管台elbolet●焊接支管台weldolet;on weld●短管支管台nipolet●承插支管台sockolet●烧焊支管台weldolet●斜接支管台latrolet●承插焊支管台Sockolet●支管台,插入式支管台boss管接头 coupling, full coupling半管接头 half coupling异径管接头 reducing coupling活接头union内外螺纹缩接(俗称补芯) bushing管帽cap (C)堵头 plug短节 nipple异径短节 reducing nipple; swage nipple管道英文缩写A Anchor 固定ABS *Absolute 绝对的AISI *American Iron andSteelInstitute 美国钢铁学会ANSI *American National Standards Institute 美国国家标准学会API *American Petroleum Institute 美国石油学会APPROX *Approximate 大约,近似的ASB Asbestos 石棉ASME *American Society Of Mechanical Engineers美国机械工程师协会ASSY *Assembly 装配,组装ASTM *American Society Of Testing Material 美国材料实验协会ATM *Atmosphere 大气压AWG *American Wire Gage 美国线规AWS *American Wel**** Society 美国焊接协会AWWA *American Water WorksAssociation 美国水工协会BBB Bolted Bonnet 栓柱连接的阀盖BB By Buyer 买方供货B-B Beveled End—Beveled End 两端为坡口端BC Bolt Circle 螺栓中心圆B。
1 管道组成件 Piping component1.1 管子 Pipe管子(按照配管标准规格制造的) pipe管子(不按配管标准规格制造的其他用管) tube钢管 steel pipe铸铁管 cast iron pipe衬里管 lined pipe复合管 clad pipe碳钢管 carbon steel pipe合金钢管 alloy steel pipe不锈钢 stainless steel pipe奥氏体不锈钢管 austenitic stainless steel pipe铁合金钢管 ferritic alloy steel pipe轧制钢管 wrought-steel pipe锻铁管 wrought-iron pipe无缝钢管 seamless (SMLS) steel pipe焊接钢管 welded steel pipe电阻焊钢管 electric-resistance welded steel pipe电熔(弧)焊钢板卷管 electric-fusion (arc)-welded steel-plate pipe螺旋焊接钢管 spiral welded steel pipe镀锌钢管 galvanized steel pipe热轧无缝钢管 hot-rolling seamless pipe冷拔无缝钢管 cold-drawing seamless pipe水煤气钢管 water-gas steel pipe塑料管 plastic pipe玻璃管 glass tube橡胶管 rubber tube直管 run pipe; straight pipe1.2 管件 Fitting弯头 elbow异径弯头 reducing elbow带支座弯头 base elbowk半径弯头 long radius elbow短半径弯头 short radius elbow长半径180°弯头 long radius return短半径180°弯头 short radius return带侧向口的弯头(右向或左向) side outlet elbow (right hand or left hand) 双支管弯头(形) double branch elbow三通 tee异径三通 reducing tee等径三通 straight tee带侧向口的三通(右向或左向) side outlet tee (right hand or 1eft hand)异径三通(分支口为异径) reducing tee (reducing on outlet)异径三通(一个直通口为异径)reducing tee (reducing on one run)带支座三通 base tee异径三通(一个直通口及分支口为异径) reducing tee (reducing on one run and outlet)异径三通(两个直通口为异径,双头式) reducing tee (reducing on both runs, bull head)45°斜三通45° lateral45°斜三通(支管为异径)45° lateral (reducing on branch)45°斜三通(一个直通口为异径) 45° lateral (reducing on one run)45°斜三通(一个直通口及支管为异径) 45° lateral (reducing on one run and branch)Y型三通(俗称裤衩)true “Y”四通 cross等径四通 straight cross异径四通 reducing cross异径四通(一个分支口为异径)reducing cross (reducing on one outlet)异径四通(一个直通口及分支口为异径) reducing cross (reducing on one run and outlet)异径四通(两个分支口为异径) reducing cross (reducing on both outlet)异径四通(一个直通口及两个分支口为异径) reducing cross (reducing on one run and both outlet) 异径管 reducer同心异径管 concentric reducer偏心异径管 eccentric reducer锻制异径管 reducing swage螺纹支管台 threadolet焊接支管台 weldolet承插支管台 sockolet弯头支管台 elbolet斜接支管台 latrolet镶入式支管嘴 sweepolet短管支管台 nipolet支管台,插入式支管台 boss管接头 coupling, full coupling半管接头 half coupling异径管接头 reducing coupling活接头 union内外螺纹缩接(俗称补芯) bushing管帽 cap (C)堵头 plug短节 nipple异径短节 reducing nipple; swage nipple1.3 弯管 Bend预制弯管 fabricated pipe bend跨越弯管(^ 形) cross-over bend偏置弯管(~ 形) offset bend90°弯管 quarter bend环形弯管 cirele bend单侧偏置90°弯管(? 形) single offset quarter bendS形弯管“S” bend单侧偏置U形膨胀弯管(| ?形)single offset “U” bendU形弯管“U” bend双偏置U膨胀弯管double offset expansion “U” bend斜接弯管 mitre bend三节斜接弯管 3-piece mitre bend折皱弯管 corrugated bend圆度 roundness1.4 法兰 Flange (FLG)整体管法兰 integral pipe flange钢管法兰 steel pipe flange螺纹法兰 threaded flange滑套法兰(包括平焊法兰) slip-on flange (SO); slip-on welding flange 承插焊法兰 socket welding flange松套法兰 lap joint flange (LJF)对焊法兰 welding neckflange (WNF)法兰盖 blind flange, blind孔板法兰 orifice flange异径法兰 reducing flange盘座式法兰 pad type flange松套带颈法兰 loose hubbed flange焊接板式法兰 welding plate flange对焊环 welding neck collar (与stub end相似)平焊环 welding-on collar突缘短节 stub end, lap翻边端 lapped pipe end松套板式法兰 loose plate flange压力级 pressure rating, pressure rating class压力—温度等级 pressure-temperature rating法兰密封面,法兰面 flange facing突面 raised face (RF)凸面 male face (MF)凹面 female face (FMF)榫面 tongue face槽面 groove face环连接面 ring joint face全平面;满平面 flat face; full face (FF)光滑突面 smooth raised face (SRF)法兰面加工 facing finish粗糙度 roughness光滑的 smooth齿形 serrated均方根 root mean square (RMS)算术平均粗糙高度 arithmetical average roughness height (AARH)配对法兰 companion-flange螺栓圆 bolt circle (B.C.)1.5 垫片 Gasket (GSKT)垫片的型式 type of gasket平垫片 flat gasket环形平垫片 flat ring gasket平金属垫片 flat metal gasket夹棉织物的橡胶 elastomer with cotton fabric insertion夹石棉织物的橡胶 elastomer with asbestos fabric insertion夹石棉织物及金属丝加强的橡胶 elastomer with asbestos fabric insertion and with wire reinforcement 无石墨压缩白石棉垫片 non graphited compressed white asbestos gasket天然白橡胶垫片 natural white rubber gasket压缩石棉垫片 compressed asbestos class gasket浸聚四氟乙烯的石棉垫片 PTFE impregnated asbestos gasket夹石棉的缠绕金属垫片 spiral-wound metal gasket with asbestos filler内环 inner ring外环,外定位环 outer ring波纹金属垫片 corrugated metal gasket波纹金属包嵌石棉垫片 corrugated metal gasket with asbestos inserted双夹套波纹金属包石棉垫片 corrugated metal double jacketed asbestos filled gasket双夹套垫片 double jacketed gasket金属包石棉平垫片 flat metal jacketed asbestos filled gasket整体金属齿形垫片 solid metal serrated gasket槽形金属垫片 grooved metal gasket环形连接金属垫片 ring joint metal gasket八角环形垫片 octagonal ring gasket椭圆环形垫片 oval ring gasket透镜式垫片 lens gasket非金属垫片 non-metallic gasket1.6 阀门 Valve1.6.1 阀门结构、零件阀轭 yoke外螺纹阀杆及阀轭 outside screw and yoke (OS & Y) 阀杆 stem内螺纹 inside screw (IS)阀轭套 yoke sleeve阀杆环 stem ring阀座 valve seat (body seat)阀座环、密封圈 seat ring整体(阀)座 integral seat堆焊(阀)座 deposited seat阀芯(包括密封圈、杆等内件) trim阀盘 disc阀盘密封圈 disc seat阀体 body阀盖 bonnet阀盖衬套 bonnet bush螺纹阀帽 screw cap螺纹阀盖 screw bonnet螺栓连接的阀盖 bolted bonnet (BB)活接阀盖(帽) union bonnet (cap)螺栓连接的阀帽 bolted cap (BC)焊接阀盖 welded bonnet (WB)本体阀杆密封 body stem seal石棉安全密封 asbestos emenen seal倒密封 back seal压力密封的阀盖 pressure-tight bonnet动力操纵器 powered operator电动操纵器 electric motor operator气动操纵器 pneumatic operator液压操纵器 hydraulic operator快速操纵器 quick-acting operator滑动阀杆 sliding stem正齿轮传动 spur gear operated伞齿轮传动 bevel gear operated扳手操作 wrench operated链轮 chain wheel手轮 hand wheel手柄 hand lever (handle)气缸(或液压缸)操纵的 cylinder operated链条操纵的 chain operated等径孔道 full bore; full port异径孔道 reducing bore, reduced port,venturi port 短型 short pattern紧凑型(小型) compact type笼式环 lantern ring压盖 gland阀杆填料 stem packing阀盖垫片 bonnet gasket升杆式(明杆) rising stem (RS)非升杆式(暗杆) non-rising stem (NRS)指示器/限位器 indicator/stopper注油器 grease injector可更换的阀座环 renewable seat ring1.6.2 常用阀(1)闸阀 gate valve平行双闸板 double disc parallel seat开口楔形闸板 split wedge挠性整体楔形闸扳 flexible solid wedge整体楔形闸板 solid wedge塞型闸阀 plug gate valve直通型闸阀 through conduit gate valve(2) 截止阀 globe valve球心型阀盘 globe type disc塞型阀盘 plug type disc可转动的阀盘 swivel disc(3) 节流闪阀 throttle valve针阀 needle valve(4) 角阀 angle valve(5) Y型阀(Y 型阀体截止阀) Y-valve (Y-body globe valve)(6) 球阀 ball valve三通球阀 3-way ball valve装有底轴的 trunnion mounted耐火型 fire safe type浮动球型 floating ball type防脱出阀杆 blowout proof stem(7) 蝶阀 butterfly valve对夹式(薄片型) wafer type凸耳式 lug type偏心阀板蝶阀 offset disc burerfly valve; eccentric butterfly valve 斜阀盘蝶阀 canted disc butterfly valve连杆式蝶阀 link butterfly valve8) 柱塞阀 piston type valve(9) 旋塞阀 plug valve三通旋塞阀 three-way plug valve四通旋塞阀 four-way plug valve旋塞 cock衬套旋塞 sleeve cock(10) 隔膜阀 diaphragm valve橡胶衬里隔膜阀 rubber lined diaphragm valve直通式隔膜阀 straight way diaphragm valve堰式隔膜阀 weir diaphragm valve(11) 夹紧式胶管阀 pinch valve(用于泥浆、粉尘等)(12) 止回阀 check valve升降式止回阀 lift check valve旋启式止回阀 swing check valve, flap check valve落球式止回阀 ball check valve弹簧球式止回阀 spring ball check valve双板对夹式止回阀 dual plate wafer type check valve无撞击声止回阀 non-slam cheek valve底阀 foot valve切断式止回阀 stop check valve; non-return valve活塞式止回阀 piston check valve斜翻盘止回阀 tilting disc check valve蝶式止回阀 butterfly check valve1.6.3 其它用途的阀安全泄气阀 safety valve (SV)安全泄液阀 relief valve (RV)安全泄压阀 safety relief valve杠杆重锤式 lever and weight type引导阀操纵的安全泄气阀 pilot operated safety valve复式安全泄气阀 twin type safety valve罐底排污阀 flush-bottom tank valve电磁阀 solenoid valve, solenoid operated valve电动阀 electrically operated valve, electric-motor operated valve 气动阀 pneumatic operated valve低温用阀 cryogenic service valve蒸汽疏水阀 steam trap机械式疏水阎 mechanical trap浮桶式疏水阀 open bucket trap, open top bucket trap浮球式疏水阀 float trap倒吊桶式疏水阀 inverted bucket trap自由浮球式疏水阀 loose float trap恒温式疏水阀 thermostatic trap金属膨胀式蒸汽疏水阀 metal expansion steam trap液体膨胀式蒸汽疏水阀 liquid expansion steam trap双金属膨胀式蒸汽疏水阀 bimetallic expansion steam trap压力平衡式恒温疏水阀 balanced pressure thermostatic trap热动力式疏水阀 thermodynamic trap脉冲式蒸汽疏水阀 impulse steam trap放气阀(自动放气阀) air vent valve (automatic air vent valve) (疏水阀用)平板式滑动闸阀 slab type sliding gate valve盖阀 flat valve换向阀 diverting valve, reversing valve热膨胀阀 thermo expansion valve自动关闭阀 self-closing gate valve自动排液阀 self-draining valve管道盲板阀 line-blind valve挤压阀 squeeze valve(用于泥浆及粉尘等)呼吸阀 breather valve风门、挡板 damper减压阀 pressure reducing valve, reducing valve控制阀 control valve膜式控制阀 diaphragm operated control valve执行机构 actuator背压调节阀 back pressure regulating valve差压调节阀 differential pressure regulating valve压力比例调节阀 pressure ratio regulating valve1.6.4 未指明结构(或阀型)的阀切断阀 block valve; shut-off valve; stop valve调节阀 regulating valve快开阀 quick opening valve快闭阀 quick closing valve隔断阀 isolating valve三通阀 three way valve夹套阔 jacketed valve非旋转式阀 non-rotary valve排污阀 blowdown valve集液排放阀 drip valve排液阀 drain valve放空阀 vent valve卸载阀 unloading valve排出阀 discharge valve吸入阀 suction valve多通路阀 multiport valve取样阀 sampling valve手动阀 hand-operated valve; manually operated valve锻造阀 forged valve铸造阀 cast valve(水)龙头 bibb; bib; faucet抽出液阀(小阀) bleed valve旁路阀 by-pass valve软管阀 hose valve混合阀 mixing valve破真空阀 vacuum breaker冲洗阀 flush valve第一道阀;根部阀 primary valve根部阀 root valve总管阀 header valve事故切断阀 emergency valve1.7 管道特殊件 Piping Specialty1.7.1 管道特殊件(组件)粗滤器 strainer过滤器 filter临时粗滤器(锥型) temporary strainer (cone type)y 型粗滤器 y-type strainerT型粗滤器 T-type strainer永久过滤器 permanent filter丝网粗滤器 gauze strainer洗眼器及淋浴器 eye washer and shower视镜 sight glass阻火器 flame arrester喷嘴;喷头 spray nozzle取样冷却器 sample cooler消声器 silencer膨胀节 expansion joint波纹膨胀节 bellow expansion joint单波 single bellow双波 double bellow多波 multiple bellow压力平衡式膨胀节 pressure balanced expansion带铰链膨胀节 hinged expansion joint轴向位移型膨胀节 axial movement type expansion joint自均衡膨胀节(外加强环)self-equalizing expansion joint 带接杆膨胀节 tied expansion joint万向型膨胀节 universal type expansion joint球形补偿器 ball type expansion joint填函式补偿器 slip type (packed type) expansion joint单向滑动填料函补偿器 single actionpacked slip joint1.7.2 管道特殊元件Piping Special Element软管接头 hose connection (HC)快速接头 quick coupling金属软管 metal hose橡胶管 rubber hose挠性管 flexible tube鞍形补强板 reinforcing saddles补强板 reinforcement pad特殊法兰 special flange漏斗 funnel排液环 drip ring排液漏斗 drain funnel插板 blank垫环 spacer8字盲板 spectacle blind; figure 8 blind限流孔板 restriction orifice爆破片 rupture disk法兰盖贴面 protective disc费托立克接头 victaulic coupling1.8 端部连接 End Connection法兰端 flanged end坡口端 beveled end (BE)对焊端 butt welded end平端 plain end (PE)承插焊端 socket welding end螺纹端 threaded end (TE)承口 bell end焊接端 welding end法兰连接(接头) flanged joint对焊连接(接头) butt welded joint螺纹连接,管螺纹连接 threaded joint, pipe threaded joint 锥管螺纹密封焊连接 seal-welded taper pipe threaded joint 承插焊连接(接头) socket welded joint承插连接(接头) bell and spigot joint环垫接头 ring joint (RJ)万向接头 universal joint软钎焊连接(接头) soldered joint搭接接头,松套连接 lapped joint外侧厚度切斜角 bevel for outside thickncss内侧厚度切斜角 bevel for inside thickness内外侧厚度切斜角 bevel for combined thickness法兰式的 flanged (FLGD)对焊的 butt welded (BW)螺纹的 threaded (THD)承插焊的 socket welded (SW)小端为平的 small end plain (SEP)大端为平的 large end plain (LEP)两端平 both ends plain (BEP)小端带螺纹 small end thread (SET)大端带螺纹 large end thread (LET)两端带螺纹 both end thread (BET)一端带螺纹 one end thread (OET)支管连接 branch connection焊接支管 branch pipe welded directly to the run pipe 2 管道用紧固件及螺纹2.1 紧固件螺栓 bolt六角头螺栓 hexagonal head bolt方头螺栓 square head bolt螺柱,双头螺栓 stud bolt环头螺检 eye bolt沉头螺栓 countersunk (head) screw地脚螺栓 anchor bolt; foundation bolt松紧螺旋扣(花篮螺丝) turnbuckleU形螺栓 U-boltT形螺栓 T-bolt圆头螺钉 round head bolt机螺栓,机螺钉 maehine bolt顶开螺栓,顶起螺栓 Jack screw自攻螺钉 self tapping screw膨胀螺栓 expansion bolt粗制的 coarse精制的 finished, fine螺母 nut六角螺母 hexagonal nut方螺母 square nut蝶形螺母 wing nut扁螺母 flat nut锁紧螺母 lock nut垫圈 washer平垫圈 plain washer球面垫圈 spherical washer弹簧垫圈 spring washer方垫圈 square washer斜垫圈 slant washer销轴 pinned shan销 pin开口销 cotter pin定位销 dowel pin带孔销 pin with hole圆锥销 taper pin铆钉 rivet键 key2.2 螺纹左螺纹left hand thread右螺纹 right hand thread管螺纹 pipe thread锥管螺纹 taper pipe thread直管螺纹straight pipe thread梯形螺纹 trapezoid thread螺距pitch of thread粗牙螺纹coarse thread细牙螺纹 fine thread特细牙螺纹extra fine thread通长螺纹full thread惠氏螺纹whitworth thread公制螺纹 metric ibread美国标准锥管螺纹 American standard taper pipe thread (NPT) 螺孔 tap3 材料、型钢及填料3.1 金属材料3.1.1 黑色金属 Ferrous Metal碳素钢 carbon steel (CS)低碳钢 low-carbon steel中碳钢 medium-carbon steel高碳钢 high-carbon steel普通碳素钢 general carbon steel优质碳素钢 high-quality carbon steel普通低合金结构钢 general structure low-alloy steel合金结构钢 structural alloy steel合金钢 alloy steel低合金钢 low alloy steel中合金钢 medium alloy steel高合金钢 high alloy steel耐热钢 heat resisting steel高强度钢 high strength steel复合钢 clad steel工具钢 tool steel弹簧钢 spring steel钼钢 molybdenum steel镍钢 nickel steel铬钢 chromium steel铬钼钢 chrome-molybdenum steel铬镍钢 chromium-nickel steel,chrome-nickel steel 不锈钢 stainless steel (S.S.)奥氏体不锈钢 Austenitic stainless steel马氏体不锈钢 Martensitic stainless steel司特来合金(钨铬钴台金) Stellite耐蚀耐热镍基合金 Hastelloy铬镍铁合金 inconel耐热铬镍铁合金 incoloy20合金 20 alloy平炉钢(马丁钢) Martin steel镇静钢 killed steel半镇静钢 semi-killed steel沸腾钢 rimmed steel; rimming steel; open-steel锻钢 forged steel铸钢 cast steel铸铁 cast iron (C.I.)灰铸铁 grey cast iron可锻铸铁 malleable iron (MI)球墨铸铁 nodular cast iron; nodular graphite iron 生铁 pig iron熟铁,锻铁 wrought iron铸件 casting高硅铸铁 high silicon cast iron3.1.2 镀层及制造方法渗铬钢,镀铬钢 chromized steel镀铬的 chromium-plated, chrome-plated镀层 plating锻造,型钢 swage锻造的,锻造 forging轧制 rolling热轧 hot rolling冷轧 cold rolling挤压 extruding冷加工 cold working热加工 hot working拔制 drawing3.1.3 有色金属Non-ferrous Metal铝 aluminum铜,紫铜 copper黄铜 brass青铜 bronze铝青铜 aluminum bronze磷青铜 phosphor bronze铝镁合金 aluminum magnesium锰青铜 manganese bronze蒙乃尔(注:镍及铜合金) Monel镍铜台金 nickel copper alloy非铁合金 nonferrous alloy钛 titanium铅 lead硬铅 hard lead3.1.4 材料性能极限强度 ultimate strength抗拉强度 tensile strength屈服极限 yield limit屈服点 yield point延伸率 percentage elongation抗压强度 compressive strength抗弯强度 bending strength弹性极限 elastic limit冲击值 impact value疲劳极限 fatigue limit蠕变极限 creep limit持久极限 endurance limit布氏硬度 Brinell hardness洛氏硬度 Rockwell hardness维氏硬度 Vickers diamond hardness, diamond penetrator hardness 蠕变断裂强度 creep rupture strength断面收缩率 reduction of area韧性 toughess脆性 brittleness延性 ductility冷脆 cold shortness冷流 cold flow3.2 非金属材料 Non-metallic Material塑料 plastic丙烯腈—丁二烯—苯乙烯 acrylonitrile-butadiene-styrene (ABS) 聚乙烯 polyethylene (PE)聚氯乙烯 polyvinyl chloride (PVC)苯乙烯橡胶 styrene-rubber (SR)聚丁烯 polybutylene (PB)聚丙烯 polypropylene (PP)聚苯乙烯 polystyrene (PS)氯化聚醚 chlorinated polyether (CPE)聚酰胺 polyamide (PA)聚碳酸酯 polycarbonate (PC)聚甲基丙烯酸甲酯 polymethyl methacrylate (PMMA)醋酸丁酸纤维素cellulose acetate butyrate (CAB)氯化聚氯乙烯 chlorinated polyvinyl chloride (CPVC)聚偏二氟乙烯 polyvinylidene fluoride (PVDF)缩醛塑料 acetal plastic尼龙塑料 nylon plastic聚烯烃 polyolefin (PO)石墨酚醛塑料 graphite phenolic plastics聚四氟乙烯 polytetrafluoroethylene (PTFE)纤维增强热塑性塑料 fiber reinforced thermoplastics热塑性塑料 thermoplastic热固性塑料 thermosetting plastics胶粘剂 adhesive溶剂胶接剂 solvent cement树脂 resin环氧树脂 epoxy, epoxy resin聚酯树脂 polyester resin聚酯纤维 polyester fibers氟塑料 fluoroplastics聚氨基甲酸酯 polyurethane丙烯酸树脂 acrylic resin脲醛树脂 urea resin呋哺树脂 furan resin乙烯丙烯二烃单体 ethylene propylene diene monomer (EPDM)合成橡胶 synthetic rubber橡胶 rubber丁腈橡胶 nitrile butadiene rubber氯丁橡胶 neoprene天然橡胶 natural rubber乙丙橡胶 ethylene propylene rubber (EPR)玻璃 glass硼硅玻璃 borosilicate glass耐火砖 fire brick陶瓷 ceramic搪瓷 porcelain enamel木材 wood3.3 型材型钢 shaped steel, section steel, swage角钢 angle steel槽钢 channel工字钢 I-beam宽缘工字钢或H钢 wide flanged beamT型钢 T-bar方钢 square bar扁钢 flat bar角钢 hexagonal steel bar圆钢 round steel; rod钢带 strap steel钢板 plate网纹钢板 checkered plate腹板(指型钢的立板) web翼缘(指型钢的缘) wing3.4 填料及填料函填料 packing石棉绳 asbestos rope, asbestos cord.O形环 O-ring自密封 self-sealing四氟带 Teflon tap带铬镍合金丝的石棉绳 asbestos rope with inconel wire, inconel wire asbestos 浸聚四氟乙烯的石棉填料 Teflon impregnated asbestos packing金属填料 metallic stuffing填料箱,填料函 packing box, stuffing box填料函压盖 stuffing box gland4 管道等级及材料统计4.1 管道材料规定 Piping Material Specification管道等级 piping class; piping classification管道等级号 class designation公称直径 nominal diameter (DN); nominal (pipe) size公称压力 nominal pressure (PN)压力级,等级,类别 class (CL)低压 low pressure (L.P.)中压 medium pressure (M.P.)高压 high pressure (H.P.)大气压 atmosphere (ATM)真空 vacuum工作压力 operating pressure; working pressure设计压力 design pressure工作温度 operating temperature设计温度 design temperature环境温度 ambient temperature腐蚀裕量 corrosion allowance管道附件 piping attachment管道元件 piping element壁厚 wall thickness (WT)壁厚系列号 schedule number (SCH. No.)加厚的,加强的 extra heavy, extra strong双倍加厚的,双倍加强的 double extra heavy, double extra strong通用连接组 typieal installation分组(类)形式(如管道等级表) block form数据库 data base文件 file4.2 材料统计 Material Take-off (MTO)汇总表 summary sheet材料表 bill of material (BM)综合管道材料表 consolidated piping material summary sheet (CPMSS) 统计材料准确度 accuracy of take-off材料情况报告 material status report (MSR)散装材料 bulk material编位号的 itemized代码 code number短代码 short code数量 quantity (QTY)重力 weight净重 net weight毛重 gross weight设备布置及管道布置Plot Plan and Piping Layout,Equipment and Piping Arrangement5.1 设备名称 Equipment Name(1) 塔 tower, column洗涤塔 scrubber吸收塔 absorber冷却塔 cooling tower精馏塔 fractionating tower蒸馏塔 distillation tower再生塔 regenering tower造粒塔 prflling tower汽提塔 stripper脱气塔 degasifier合成塔 synthesis tower(2) 反应器 reactor聚台釜 polymerizer转化器,变换器 converter脱硫反应器 desulphurization reactor 甲烷化器 methanator(3) 气柜 gas-holder螺旋式气柜 helical gas-holder湿式气柜 wet gas-holder干式气柜 dry gas-holder(4) 槽罐贮罐 tank; storage tank缓冲罐 knock out drum球罐 spheroid, spherical tank罐 drum接受槽 receiver计量槽 measuring tank加料槽 feed tank排污罐 blow down tank闪蒸罐 flash drum汽包 steam drum溶液贮槽 solution storage tank地下槽 sloptank(5) 其它设备分离器 separator旋风分离器 cyclone分子筛 molecular sieve脱氧器 deaerator搅拌器 agitator干燥器 dryer混合器 mixer萃取器 extractor澄清器 gravity settler净化器 purifier气化器 vaporizer吸附器 adsorber融解槽 melter减温器 desuperheater升压器 booster喷射器 ejector喷头 sprayer火炬 flare消声器 silencer(6) 换热器、加热器、冷却器换热器 heat exchanger空冷器 air cooler水冷却器 water cooler冷凝器 condenser螺旋板式换热器 spiral plate heat exchanger 蒸发器 evaporator再沸器 reboiler急冷器 quencher深冷器 chiller预热器 preheater再热器 reheater加热器 heater电加热器 electric heater过热器 super heater给水加热器 feed water heater中间冷却器 inter cooler后冷却器 after cooler5.1.2 工业炉及锅炉炉子 furnace烧嘴 burner锅炉 boiler烟囱 stack废热锅炉 waste heat boiler辅助锅炉 auxiliary boiler省煤器 economizer回热炉 direct-fired heater辐射段 radiant section对流段 convection section裂化炉 reformer焚烧炉 incinerator回转窑 rotary kiln炉管 furnace tube吹灰器 soot blower观察孔 observation door, peep door防爆门 explosion door5.2 辅助用房名称5.2.1 生产用房分析室 analyzer room变压器室 transformer room配电室,变电所 substation, switch room蓄电池室 battery room控制室 control room通风室 ventilating room贮藏室 storage room维修间 maintenance room办公室 office5.2.2 生活用房更农室 locker room盥洗室,厕所 closet, lavatory, toilet5.3 图名管道布置平面 piping arrangement plan (PAP)管道布置 piping layout轴测图 isometric drawing分区索引图 key plan初版设备布置图(“A”版) preliminary plot plan ( “A” issue)内部审查版设备布置图(“B”版)inrernal approval plot plan ( “B” issue)用户审查版设备布置图(“C”版) owner approval plot plan ( “C” issue)确认版设备布置图(“D”版)confirm plot plan ( “D” issue)研究版设备布置图(“e”版)planning plot plan ( “E” issue)设计版设备布置图(“F”)designing plot plan ( “F” issue)施工版设备布置图(“G”版)construction plot plan ( “G” issue)5.4 厂房、站、单元压缩机房 compressor house (room)泵房 pump house (room)洗眼站 eye washer station泡沫站 foam station软管站,公用工程站 hose station (HS), utility station 成套设备 package unit设施 facilities罐区 tank yard空分装置 air separation facility5.5 设备布置设备位号 equipment item number工厂 plant工厂区界 plant limit项目区界内侧 inside battery limit (I.S.B.L.)项目区界 batterylimit (BL)区界 area limit区域边界 zone iimit界外 off site东 east (E)西 west (W)南 south (S)北 north (N)上 up下 down工厂北向 plant north真实北向 true north道路 road小过道 cat walk, cat way走道,过道 walk way, gangway, access way污水坑(井) sump pit集水池 catch basin沟槽 through预留区 trough场地 future area铺砌区 paving area非铺砌区 unpaved area碎石铺面 gravel paving橡皮铺面 rubber paving面积,区域 area体积,容积 volume (VOL)5.6 管道布置管道设计 piping design管道研究 piping study走向研究 routing study重要管道 critical piping地上管道 above ground piping地下管道 under ground piping管网 network of pipes管廊 pipe rack管沟 piping trench管间距 line spacing管道跨距 line span总管 header, manifold旁路 by pass排液 drain放空 vent上升管,垂直管 riser导管 canduit裸管 bare iine管件直接 fitting to fitting (FTF)管段,接口 spool piece, spool取样接口 sampling connection集液包 drip leg伴热管 tracing pipe蒸汽伴热 steam tracing热水伴热 hot-water tracing电伴热 electrical tracing夹套管 jacketed line, jacketed piping 全夹套的 full jacketed平面 plan详图 detail“ ”视图X view “X”“ ”剖视A-A section “A-A”连接图 hook up drawing接续图 continue on drawing (COD)接续线 match line (M.L.)比例 scale图例 legend符号 symbol管口表 list of nozzles方位 orientation管口方位 nozzle orientation定位 location相交 intersection水平的 horizontal垂直的,立式的 vertical垂直,正交,垂直的 perpendicular平行,平行的 parallel水平安装 horizontal installation垂直安装 vertical installafion对称的 symmetric相反(的),对面(的) opposite顺时针方向 clock wise逆时针方向 counter clock wise计算机辅助设计 computer aided design (CAD) 5.7 图面标注绝对标高 abselute elevation海平面标高 over-sea mean level (OSL)标高,立面 elevation (EL)混凝土顶面 top of concrete架顶面 top of support (TOS)钢结构顶面 top of steel梁项面 top of beam (TOB)支撑点 point of suppon (POS)管顶 top of pipe (TOP)管底 bouom of pipe (BOP)沟底 boaom of trench管子内底 invert (inside bottom of pipe)底平 flat on bottom (FOB)顶平 flat on top (FOT)工作点 working point (W.P.)面至面 face to face (F-F)中心至端面 center to end (C-E)中心至面 center to face (C-F)中心至中心,中至中 center to center (C-C) 坐标 coordinate坐标原点 origin of coordinate出口中心线 center line of discharge入口中心线 center line of suction中心线 centerline (CL)入口 inlet, suction出口 outlet, discharge排出口 exhaust距离 distance5.8 相关专业的专业词汇5.8.1 工艺(1) 图及表流程图 flow diagram工艺流程图 process flow diagram (PFD)管道及仪表流程图 piping andinstrument flow diagram (PID)公用工程流程图 utility flow diagram (UFD) 管线表 line list; line schedule命名表;管道表 nomenclature设备表 equipment list (schedule)(2) 流体 fluid空气 air仪表空气 instrument air工艺空气 process air低压蒸汽 low pressure steam中压蒸汽 medium pressure steam高压蒸汽 high pressure steam伴热蒸汽 tracing steam饱和蒸汽 saturated steam过热蒸汽 superheated steam氧气 oxygen氢气 hydrogen氮气 nitrogen燃料气 fuel gas天然气 natural gas火炬气 flare gas酸性气 sour gas液化石油气 liquefired petroleum gas (LPG) 氨气 ammonia gas冷却水 cooling循环水 circulating water锅炉给水 boiler feed water热水 hot water蒸汽冷凝水 steam condensate盐水 brine工艺水 process water化学污水 chemical sewage防腐剂 corrosion inhibitor重油 heavy oil石脑油 naphtha燃料油 fuel oil润滑油 lubricating oil密封油 sealing oil冷冻剂 refrigerant载热体 heating medium溶剂 solvent溶液 solution母液 mother liquor单体 monomer聚合物 polymer均聚物 homopolymer共聚物 copolymer工艺液体 process liquid工艺气体 process gas硫酸 sulphuric acid盐酸 chlorhydric acid硝酸 nitric acid烧碱 caustic soda(3) 流体特性 fluid characteristics 蒸汽压 vapor pressure临界温度 critical temperature临界点 critical point临界压力 critical pressure比热 specific heat湿度 humidity密度 density比重 specific gravity粘度 viscosity闪点 flash point融点 melting point凝固点 freezing point浓度 concentration爆炸极限 limit of explosion有毒的 toxic可燃的;易燃的 flammable(4) 其它回收 recovery再生 regeneration循环 cireulatlon再循环;再生 recycle补充 make-up制备 preparation蒸汽吹扫 steaming out吹扫 purge抽空;排空 evacuation吹出 blow-off排污 blow down破真空 vacuum breaker大气腿 barometric leg备用 stand-by化学清洗 chemical cleaning净正吸入压头 net positive suction head (NPSH) 进料 feed成品 product污染 contamination大气污染 atmospheric pollution环境温度 ambient temperature5.8.2 建筑、结构建筑物 building钢结构 steel structure已有钢结构 existing steel structure钢筋混凝土结构 reinforced concrete construction 楼面 floor平台 platform (PF)地面 ground level栏杆 handrail楼梯 stair; stair way直梯 ladder柱 column; post; stanchion基础 foundation; footing粱 beam斜撑;支撑 bracing桁架;主粱 girder构件 member隔墙 partition wall墙 wall篦子板 grate; grating吊装孔 erection opening吊梁 hoisting beam棚 shelter窗 window天窗 skylight门 door防火门 fire door地漏 floor drain防火层 fire-proofing总图 general plot plan路肩 shoulder桩 pile灌浆 grouting风荷载 wind load雪荷载 snow load动力荷载 dynamic load静荷载 dead load活荷载 live load风速 wind velocity主导风向 most frequent wind direction5.8.3 仪表盘(操作盘) panel就地盘 local panel仪表盘 instrument panel常开 normally open常闭 normally closed电缆槽(架) cable tray (channel); cable rack 仪表电缆槽(架) instrument cable tray (duct) 压力计 manometer; pressure gauge热电偶 thermocouple温度计 thermometer液位计 level gauge玻璃液位计 gage glass温度计保护管 thermowell流量计 flow meter孔板 orifice变送器 transmitter联锁 interlock仪器;设备 apparatus仪器分析 instrumental analysis自动分析 automatic analysis气体分析 gas analysis化学分析 chemical analysis气相色谱仪 gas chromatograph液相色谱仪 liquid chromatograph质谱分析 mass spectrometric analysis5.8.4 电气危险区划分 hazardous area classification 危险区平面图 hazardous area plan电气盘 electrical panel配电盘 switch board电缆沟 cable trench电流 current直流 direct current交流 alternating current频率 frequency相位 phase功率因数 power factor电压 voltage电阻 resistance电容 capacitance静电 static electricity接地 grounding; easthing照明 lighting; illumination避雷针 lightning preventer电话 telephone电线 wire接线箱(盒) junction box导线管 conduit tube5.8.5 设备固定鞍座 fixed saddle滑动鞍座 sliding saddle管口 nozzle人孔 manhole (MH)手孔 handhole (HH)检查孔 inspection hole吊柱 davit切线 tangent line焊接线 weldingiine件号 part humbet椭圆形封头 ellipsoidal head加强圈 reinforcing ring接地板 earth lug吊耳 lifting lug气缸 cylinder轴 shaft轴承 bearing附件,附属设备 accessory编位号设备 itemized equipment。
水管气管管道常用标准尺寸对照:1英寸=2.54厘米把1英的1分管到7分管,更小的尺寸用1/16、1/32、1/64来表示,单位还是英寸。
如果分母和分子能够约分(如分子是2、4、8、16、32)就应该约分。
英寸的表示是在右上角打上两撇,如1/2"如DN25(25mm,下同)的水管就是英制1"的水管,也是解放前的8分水管。
DN15的水管就是英制1/2"的水管,也是解放前的4分水管。
如DN20的水管就是英制3/4"的水管,也是解放前的6分水管。
一、尺寸:见附表寸分成8等分;1/8 1/4 3/8 1/2 5/8 3/4 7/8 英寸。
相当于通常说二、标准:有英制标准和国际标准两种。
三、材质:材质就有很多,根据不同的需要。
1、塑料管:有PVC、UPVC、PPR、PPR稳态塑铝合金、铝塑管、玻纹管、PE管等。
2、金属管:镀锌管、不锈钢管、不锈钢衬塑管、薄壁不锈钢管、镀锌衬塑管、铜管、铸铁管等。
我国水管的规格均采用我国法定单位的公称直径来标称的。
如DN20,就是表示公称直径20毫米的镀锌水管。
镀锌水管的系列有:DN15、DN20、DN25、DN32、DN4O、DN50、DN65、DN80、DN100、......等。
你说的几分几分的名称,是解放前我国落后,没有自己的规格和单位,就沿用了英国的单位。
英国的单位是:1英尺(ft)=12英寸 1英寸(in)=1000英丝(mil)。
其中水管的规格是英寸的分数,刚好是把一英寸分成了八份就好表示水管的规格,就创造了一个英分的单位。
其实没有英分这个单位,而是用分数带上英寸来表示1英寸以下的尺寸。
把英寸分成8分,应该是这样说:1/8英寸1/43/81/25/83/47/8相当于常说的1分到7分,更小的尺寸用1/16、1/32、1/64来表示,单位还是英寸。
如果分母和分子能够约分,如分子是2、4、8、16、32时如果能够约分,就应该约分。
管道综合材料中英文对照表PIPE.SMLS 无缝钢管
PIPE.EFW 焊接钢管
90.ELBOW.LR 90度长半径弯头(R=1.5D)
90.ELBOW.SR 90度短半径弯头(R=1.0D)
45.ELBOW.LR 45度长半径弯头(R=1.5D)
TEE 三通(包括等径三通和异径三通)
CAP 管帽
REDUCER.CON 同心异径管
REDUCER.ECC 偏心异径管
HALF.COUPLING 半拷贝伦
OLET.WELDOLET 对焊鞍座
FLANGE.WN 带颈对焊法兰
BLIND.FLANGE 盲板法兰(法兰盖)
VALVE.GATE 闸阀
VALVE.GLOBE 截止阀
VALVE.BALL 球阀
VALVE.BUTTERFLY 蝶阀
VALVE.CHECK 止回阀
VALVE.PISTON.CHECK 升降式止回阀
VALVE.SWING.CHECK 旋启式止回阀
VALVE.NEEDLE 针形阀
GASKET 垫片
OCTAGONAL.RING.GASKET 八角型环垫片
STUD.BOLTS/HEAVY.HEX.NUTS 螺柱/螺母
RF 凸台面密封面
RJ 环槽面密封面
SW 承插焊
BW 对焊
WAFER 对夹
CL 、LB表示磅级例如:CL600表示压力等级为600LB(磅)FLEX.HOST 金属软管
GASKET.SPIRAL-WOUND 金属缠绕垫。
管道中英文对照序号规格数量详述备注一、管材1 8″10PIPE S-STD BE A106-B( EJ=1.00) SMLS ASME-B36.1M管壁厚端部材质无缝标准号材质有A106B、P11、P22、A691、TP304H、A6712 8″ 1 DUMMYPIPE SAME AS RUN PIPE假管随主管二、管配3 8″10 90 DEG LR ELBOW S-STD BW A234-WPB-S SMLS ASME-B16.9900长半径弯头壁厚端部材质无缝标准号材质有A234-WPB-S=A106、A691A234-WP11=P11A234-WP22=P22SMLS( 无缝) WELD( 焊接)45 DEG( 450)4 1.1/2×1.1/23STR TEE CL3000 SW A105 FORGE ASME-B16.11等径三通壁厚承插焊材质铸造标准号5 3/4×1/22RED TEE 11.07×S-XXS BW A234-WP22 CL1-S SMLS ASME-B16.9异径三通壁厚端部材质无缝标准号6 1.1/2×3/41ECC SWAGE S-80×S-80 PE×PE A234-WPB—S SMLS MSS-SP-95偏心大小头壁厚端部材质无缝标准号CON SWAGE:同心承插大小头76×2.1/21CON REDUCER 25.8×14.02mm BW A234-WP22 CL1-S SMLS ASME-B16.9偏心大小头壁厚端部材质无缝标准号ECC REDUCER:偏心大小头8 6×3/41SOCKLET CL6000 SW A182-F22 CL3 FORGE MSS-SP-97 WELDOLET: 焊接支管台THREDOLET: 螺纹支管台承插支管台壁厚端部材质锻炼标准号9 3/4 2NIPPLE S-80 PE L=75mm A106-B( EJ=1.00) SMLS ASME-B36.1M短节壁厚端部长度材质无缝标准号10 3/4 1PLUG THRD A105 FORGE ASME-B16.11丝堵材质锻造标准号三、阀门11 2 1 BALL V ALVE LEVER A216 WCB/316 RTFE RF CL150 ASME-B16.1球阀阀体/阀芯密封面压力等级标准号GATE VALVE: 闸阀GLOBE VALVE: 截止阀CHECK VALVE: 止回阀PLUG VALVE: 旋塞阀四、法兰12 4 1 FLANGE CL150 RF A105 S0 ASME-B16.5法兰压力等级密封面材质平面标准号BLIND FLANGE: 法兰盖SPECTACLE BLIND: 8字盲板SPACER RING/SPADE: 垫环/插板五、螺栓13 5/8 32STUD BOLT/HEX NUT( FULL THREAD) A193 GR B7/A194 GR 2H ASME- B16.9 90mm BOLT LENGTH螺栓六角螺母全螺纹材质标准号螺栓长90mm六、垫片14 2 2GASKET CL300 304S/FLEXIBLE GRAPHITE RF 1.5mm ASME-B16.2垫片压力等级材质密封面标准号15 1.1/2 3GASKET(OV AL RING) LOW CARBON STEEL CL1500 RJ ASME-B16.2八角垫低炭钢压力等级密封面标准号序号管道名称英文缩写1 等径三通TEE EQ2 对焊方式WN3 承插焊方式SW4 无缝钢管PIPE SMLS5 螺纹支管台THREADOLET6 石墨缠绕垫片RG GASKET SH3407-GSW-D22267 平垫片GASKET FLAT8 法兰盖FLG BLND9 异径管RED10 异径三通RED TEE11 螺纹连接FNPT 或NPT12 弯头ELL13 短管NIPPLE14 支管台(弯头式) ELBOLET MSS15 对焊支管台WELDOLET MSS16 不锈钢承插支管台SOCKLET MSS17 偏心异径短节SWAGE ECC18 同心异径短节SWAGE CONC19 碳钢承插支管台SOCKOLET MSS20 碳钢对焊支管台WELDOLET MSS21 偏心ECC22 螺纹等径双承口管箍CPLG FULL23 螺纹异径双承口管箍CPLG RDCNG24 管帽CAP25 8字盲板FIGURE 8 BLANK26 碳钢垫环PADDLE SPACER27 法兰FLG28 法兰式闸阀VZF29 法兰式止回阀VHF30 法兰式截止阀VJF31 承插式截止阀VJS32 承插式闸阀VZS33 承插式止回阀VHS34 螺母/螺栓STUD BOLT/NUT35 外环(垫片) OUTER RING36 内环(垫片) INNER RING37 突面法兰RF38 凹面法兰FM39 环面法兰RJ40 平面法兰SO。
管道尺寸中英对照2
来自英制
一英寸(吋)= 8英分=2.54cm(厘米)。
4分是英制管道直径长度的叫法,即1/2英寸.等于公制的15mm.
1英寸等于8分.合公制的25.4mm.
6分=3/4英寸=20mm(公制)
4分=1/2英寸=15mm(公制)
解释那么多有什么用,指的是公称直径,如果是公制管(国内)相对管子外径DN15 18mm,DN20 25mm ,DN25 32mm,DN32 38mm,DN40 45mm,DN50 57mm,DN65 76mm,DN80 89mm,DN100 108mm,DN125 133mm,DN150 159mm,DN200 219mm,DN250 273mm,DN300 325mm,如果需要我会在继续一一列举
管径对照
DN15 —— 1/2寸(4分管)
DN20 —— 3/4寸(6分管)
DN25 —— 1寸
DN32 ——寸二
DN40 ——寸半
DN50 ——二寸
DN70 —— 76mm (二寸半)
DN80 —— 89mm (三寸)
DN100 —— 108mm (四寸)
DN125 —— 133mm
DN150 —— 159mm
DN200 —— 219mm
DN250 —— 273mm
DN300 —— 325mm
DN350 —— 377mm
DN400 —— 426mm
DN450 —— 478mm
一般情况下,铸铁管和球墨铸铁管、钢筋混凝土管、镀锌钢管、焊接钢管都是用DN来表示的,称为管道的公称直径。
一般来说,《给水排水制图标准》上都有规定,水煤气输送钢管(镀锌或非镀锌),铸铁管等管材,管径宜以公称直径DN表示;无缝钢管,焊接钢管,铜管,等宜以外径X壁厚表示。
如:D159X6,表示公称直径为DN150的钢管;钢精混凝土管以内径d表示(如d230,d380)等.
是外径,单位是MM
DN15,DN20,DN25是外径。
四分管和六分管的直径
1 英寸=25.4毫米=8英分
1/2 是四分(4英分) DN15 3/4 是六分(6英分) DN20 2分管DN8
4分管DN15
6分管DN20
1′ DN25
1.2′ DN32
1.5′ DN40
2′ DN50
2.5′ DN65
3′ DN80
4′ DN100 5′ DN125
6′ DN150
8′ DN200
10′ DN250
12′ DN300
(GB/T50106-2001)。