钻孔灌注桩旁站记录表样本(精制实操)
- 格式:doc
- 大小:59.50 KB
- 文档页数:3
旁站11钻孔灌注桩灌注混凝土监理旁站记录模板一:【工程项目名称】旁站11钻孔灌注桩灌注混凝土监理旁站记录1. 项目概况1.1 项目名称:1.2 项目地点:1.3 项目施工单位:1.4 项目监理单位:1.5 旁站人员:1.6 旁站日期:2. 灌注混凝土工程2.1 混凝土配合比:2.2 施工设备:2.3 施工方法:2.4 施工进度:3. 施工现场条件3.1 温度:3.2 湿度:3.3 天气状况:3.4 施工区域:3.5 施工环境:4. 施工过程记录4.1 开始时间:4.2 施工人员:4.3 施工材料准备:4.4 灌注混凝土过程:4.5 灌注混凝土质量控制: 4.6 施工安全措施:4.7 施工问题及解决方案:5. 结果评估5.1 混凝土灌注效果:5.2 施工质量合格情况: 5.3 施工进度满足要求:5.4 施工安全状况:6. 后续工作建议6.1 补充施工措施:6.2 施工质量改进方案:6.3 施工进度调整计划:6.4 安全管理措施补充:【附件】本文档涉及的附件请查阅附件清单。
【法律名词及注释】1. 监理单位:负责对工程施工进行监督、检查、验收的专业机构或个人。
2. 混凝土配合比:指混凝土中水泥、砂、骨料和掺合料等组成部分所占比例的确定。
3. 施工环境:指施工区域周围的自然和人为环境条件。
模板二:【工程项目名称】旁站11钻孔灌注桩灌注混凝土监理旁站记录1. 项目概况1.1 项目名称:1.2 项目地点:1.3 项目施工单位:1.4 项目监理单位:1.5 旁站人员:1.6 旁站日期:2. 施工准备2.1 材料准备:2.2 设备准备:2.3 周边环境评估:2.4 施工人员分工:3. 施工过程记录3.1 灌注混凝土设备:3.2 施工进度计划:3.3 灌注混凝土配合比:3.4 开始灌注混凝土时间:3.5 灌注混凝土的方法和技术要求:3.6 施工中的安全措施:3.7 施工中的质量控制措施:3.8 施工问题及处理措施:4. 施工结果评估4.1 混凝土灌注质量评估:4.2 施工质量合格情况:4.3 施工进度满足要求:4.4 施工安全状况:5. 后续工作建议5.1 对灌注混凝土质量的改进措施:5.2 对施工进度的优化建议:5.3 对安全管理的补充措施:【附件】本文档涉及的附件请查阅附件清单。
钻孔灌注桩旁站记录范本一:钻孔灌注桩旁站记录范本本为钻孔灌注桩旁站记录范本,记录现场施工过程中的各项细节和数据,供参考使用。
一、项目基本信息1.1 项目名称:1.2 项目地点:1.3 施工单位:1.4 监理单位:1.5 施工日期:1.6 孔径/孔深:1.7 灌注混凝土类型:1.8 设备名称及型号:1.9 工作人员:二、工作前准备2.1 施工前检查设备和工具的完好性;2.2 检查施工现场是否符合安全要求,是否有隐患;2.3 准备好所需材料和混凝土;2.4 检查桩基位置标志是否清晰。
三、施工过程记录3.1 检查钻孔灌注桩标高和直径;3.2 开始钻孔前,记录孔口灌浆情况;3.3 钻孔机的钻孔进度记录;3.4 钻孔过程中遇到的岩石或其他障碍物记录;3.5 钻孔到设计孔深时,停止钻孔;3.6 清理钻孔孔口,清除松散土层;3.7 安装套筒和钢筋笼,记录安装情况;3.8 灌注混凝土前,检查和记录钢筋笼的垂直度;3.9 灌注混凝土的过程记录;3.11 钻孔灌注桩完成后,采集孔口灌浆和钻孔水样;3.12 进行钻孔灌注桩成果观测和测试。
四、安全事项记录4.1 工作人员的个人防护措施;4.2 施工现场的安全管控措施;4.3 施工过程中的安全事故记录。
五、附件(根据实际情况进行附件罗列)六、法律名词及注释(根据实际情况进行法律名词及注释罗列)二:钻孔灌注桩旁站记录范本本为钻孔灌注桩旁站记录范本,记录现场施工过程中的各项细节和数据,供参考使用。
一、项目基本信息1.1 项目名称:1.2 项目地点:1.3 施工单位:1.4 监理单位:1.5 施工日期:1.6 孔径/孔深:1.7 灌注混凝土类型:1.8 设备名称及型号:1.9 工作人员:二、工作前准备2.1 施工前检查设备和工具的完好性;2.2 检查施工现场是否符合安全要求,是否有隐患;2.3 准备好所需材料和混凝土;2.4 检查桩基位置标志是否清晰。
三、施工过程记录3.1 检查钻孔灌注桩标高和直径;3.2 开始钻孔前,记录孔口灌浆情况;3.3 钻孔机的钻孔进度记录;3.4 钻孔过程中遇到的岩石或其他障碍物记录;3.5 钻孔到设计孔深时,停止钻孔;3.6 清理钻孔孔口,清除松散土层;3.7 安装套筒和钢筋笼,记录安装情况;3.8 灌注混凝土前,检查和记录钢筋笼的垂直度;3.9 灌注混凝土的过程记录;3.11 钻孔灌注桩完成后,采集孔口灌浆和钻孔水样;3.12 进行钻孔灌注桩成果观测和测试。
钻孔灌注桩旁站监理记录表
备注:每根桩一张旁站监理记录表
钻孔灌注桩旁站监理记录表填写方法
“桩号”填的是施工单位提供的桩编号
“钻机号”填的是钻孔灌注桩桩机的编号
“砼等级”与“桩径”填的是当前施工的桩需灌注的砼等级与桩直径
“地面标高”填的是施工单位根据施工现场所测的标高
“锚固长度”填的是钢筋笼主筋的直径的35倍(就是35D)
“桩顶标高”填的是图纸上设计所提供的灌注桩顶部标高
“桩底标高”填的是有效桩长的底部标高
“孔底标高”填的是施工单位钻孔记录表上记录的实际钻孔深度
假设孔底标高为70m;桩机施工所用的钻头(此钻头为三角钻,牙轮钻不减)为1.2m;地面标高为1.5m;桩顶标高为6.5m;沉渣为0.05m;凿除段(加灌长度)为1.5m
有效桩长的计算方法:孔底标高70m—0.4m(1.2m*1/3这部分属于无效桩长应减去)—沉渣0.05m+地面标高为1.5m—桩顶标高为6.5m=64.55m
理论值:(有效桩长+凿除段)*3.1415*桩半径*桩半径
实灌值:理论值*充盈系数(一般为1.15上下)
坍落度:一般为18±3cm
清孔深:孔深—沉渣厚
笼长:(钢筋笼总节数-1)*10D+35D D为钢筋笼主筋直径。
钻孔灌注桩旁站记录表(范例)
(2010-06-23 18:06:06)
转载▼
标签:
钻孔灌注桩
注浆
持力层
钢筋笼
坍落度
杂谈
分类:现场工作
钻孔灌注桩施工工序较多,每道工序均需监理验收,实测实量的项目也不少,因此,监理见证、旁站的过程按照工序的顺序编制了旁站记录表格,记录表里有按照设计要求填写的数据,也有需现场实测实量的数据,并要求对过程验收进行评价并签字。
本工程还有桩端注浆,因此将注浆工序也编列其中。
以下是本项目运用的旁站监理记录表的实例范本:
钻孔灌注桩监理检查记录表
工程名称:杭州来福士广场地下工程设计桩径:Φ600编号:129
准备工作桩号:K611钻机编号:3#签名护筒标高:-0.50 m就位情况:符合要求
钻具总长:46.23 m桩顶标高:-16.65 m
设计桩长:25.4 m桩底标高:42.05 m
机高: 1.2 m理论机余:3.48 m
钻开钻时间:6月13日5:30结束时间:6月13日13:00签名。
旁站监理记录表(泥浆护壁钻孔灌注桩砼浇筑)工程名称:编号:B11-日期及气候:工程地点:
施工情况:1、施工技术人员、操作人员、材料、施工机械准备就绪。
2、施工前进行安全与技术交底。
3、施工程序:泥浆护壁成孔→检查孔深、清孔→安装钢筋笼→二次清孔→检查沉渣厚度→浇筑砼→桩头处理。
监理情况:1、质检员、施工员、安全员及时到岗履职;机械运转正常。
2、检查砼配合比单(编号);砼出厂合格证(编号)。
3、砼坍落度设计值为m m±20、现场抽查:时间:、,坍落度m m、m m。
序号桩号开始时间结束时间桩位偏差(mm)垂直度孔深(m)泥浆比重沉渣厚度(cm)桩顶标高试块1
2
3
4
5
6
7
8
9
10
发现问题:1、#搅拌车私自加水。
2、砼坍落度现场抽查为,不符合符合设计。
3、#桩钢筋接头焊接:饱满度不足、长度不足。
4、#桩成孔深度不足、沉渣厚度过大、泥浆比重不符合要求。
处理意见:1、该搅拌车砼为不合格,作退场处理。
2、该搅拌车砼为不合格,作退场处理。
3、现场重新加强焊接。
4、继续钻孔;继续清孔;
备注:
承包单位:项目经理部:
质检员(签字):年月日监理单位:项目监理机构:
旁站监理人员(签字):年月日
江苏省建设厅监制。
钻孔灌注桩旁站监理记录表工程名称: 桩号 编号:监理 内容钻机号 桩径分项名称 开钻 入岩终孔砼等级mm月 月 月 日 日 日时 时 时分 分 分就位偏差 mm 孔 孔深 m m取岩样 取岩样 月 日 日 时 时分 分设计桩长 m 有效桩长m深月 □符合□符合 □符合 箍筋规格 钢筋笼 直径笼长主筋规格、 型号、间距设计入岩深度 m 凿除段长度m m验收mm型号、间距m要求要求 要求 钢筋笼1~2节 2~3节 3~4节 4~5节 5~6节 地面标高:钢筋笼 月 月 日 日 时 时分至 吊装□符合 要求□符合 要求□符合 要求□符合 要求□符合 要求焊接质量 分 锚固长度: 桩顶标高:m m清孔 日 时分至日时分清孔深 m 沉渣厚 cm泥 浆 比重抽查日时 分 □符合要求日 时分至 日时分商品砼随车级配单、质 保证书□符合 要求砼浇注 M 3初灌量cm cmcm M 3分坍落度导管 导管距孔底距离m导管埋入砼距离m充盈系数理论值实灌值M 3----桩底标高m m试块制作年 月 日 时 分至 月 日 时符合要求,在□打√------------孔底标高发现问题: 处理意见:质检员(签字):年 月 日 旁站监理员(签字): 年 月 日备注:每根桩一张旁站监理记录表钻孔灌注桩旁站监理记录表填写方法“桩号”填的是施工单位提供的桩编号“钻机号”填的是钻孔灌注桩桩机的编号“砼等级”与“桩径”填的是当前施工的桩需灌注的砼等级与桩直径“地面标高”填的是施工单位根据施工现场所测的标高“锚固长度”填的是钢筋笼主筋的直径的 35倍(就是 35D)“桩顶标高”填的是图纸上设计所提供的灌注桩顶部标高“桩底标高”填的是有效桩长的底部标高“孔底标高”填的是施工单位钻孔记录表上记录的实际钻孔深度假设孔底标高为 70m;桩机施工所用的钻头(此钻头为三角钻,牙轮钻不减)为1.2m;地面标高为 1.5m;桩顶标高为 6.5m;沉渣为 0.05m;凿除段(加灌长度)为 1.5m有效桩长的计算方法:孔底标高 70m— 0.4m(1.2m*1/3这部分属于无效桩长应减去 )—沉渣 0.05m+地面标高为 1.5m—桩顶标高为6.5m=64.55m理论值:(有效桩长 +凿除段) *3.1415*桩半径 *桩半径实灌值:理论值 *充盈系数(一般为 1.15上下)坍落度:一般为 18±3cm清孔深:孔深—沉渣厚笼长:(钢筋笼总节数 -1)*10D+35D D 为钢筋笼主筋直径。
钻孔灌注桩监理旁站记录表工程名称:闵行区xx商办项目
桩号桩
径
设计桩长
垂直度
实际桩长
旁站监理的部位或工序:
桩机就位时间地面
标高
机高
桩机
编号
号机
成孔
设计孔深
(至磨盘)
设计桩顶标高
成孔
时间终极孔深
(至磨盘)
质量情况
下钢筋笼
钢筋笼长节数配筋情况时间焊接质量
监测
布管
下放前螺旋箍
脱焊的补焊情况
钢筋笼
除锈等
一次清孔泥浆
理
论比
重
实测
比重
沉渣
厚度
孔深
(至
磨盘)
时间
二次清孔泥浆
理
论比
重
实测
比重
沉渣
厚度
孔深
(至
磨盘)
时间
格构柱格构柱长度
灌砼
灌砼前泥浆
参数比重
开始时间结束时间砼标号
砼配
合比
试块
组数
砼坍
落度
设计
方量
灌砼实
际方量
充盈
系数
发现问题及处理情况:
旁站监理人员(签字):
年月日。
一类建资z#
1
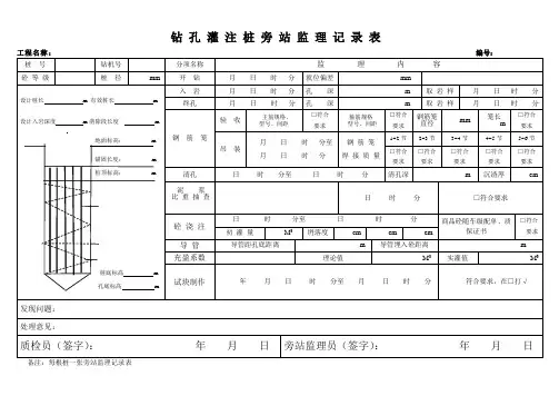
钻 孔 灌 注 桩 旁 站 监 理 记 录 表
桩 号 钻机号 分项名称 监 理 内 容
砼 等 级
桩 径
mm
开 钻 月 日 时 分 就位偏差 mm
设计桩长 m 有效桩长 m
设计入岩深度 m 凿除段长度 m
地面标高: m
锚固长度: m
桩顶标高: m
----桩底标高 m ------------孔底标高 m
入 岩 月 日 时 分
孔 深 m 取 岩 样 月 日 时 分 终孔
月 日 时 分 孔 深
m
取 岩 样 月 日 时 分 钢 筋 笼
验 收
主筋规格、 型号、间距
□符合 要求
箍筋规格 型号、间距
□符合要求 钢筋笼
直径 mm
笼长 m
□符合 要求 吊 装
月 日 时 分至
月 日 时 分 钢 筋 笼
焊 接 质 量
1~2节 2~3节 3~4节 4~5节 5~6节 □符合 要求
□符合 要求
□符合 要求
□符合 要求
□符合 要求
清孔
日 时 分至 日 时 分
清孔深
m 沉渣厚 cm
泥 浆 比 重 抽 查
日 时 分
□符合要求
砼 浇 注 日 时 分至 日 时 分 商品砼随车级配单、质
保证书 □符合 要求
初 灌 量
M 3
坍落度
cm
cm
cm
导 管 导管距孔底距离
m
导管埋入砼距离 m
充盈系数
理论值
M 3
实灌值
M 3
试块制作 年 月 日 时 分至 月 日 时 分 符合要求,在□打√
发现问题:
处理意见:
质检员(签字):年月日旁站监理员(签字):年月日
钻孔灌注桩旁站监理记录表填写方法
“桩号”填的是施工单位提供的桩编号
“钻机号”填的是钻孔灌注桩桩机的编号
“砼等级”与“桩径”填的是当前施工的桩需灌注的砼等级与桩直径
“地面标高”填的是施工单位根据施工现场所测的标高
“锚固长度”填的是钢筋笼主筋的直径的35倍(就是35D)
“桩顶标高”填的是图纸上设计所提供的灌注桩顶部标高
“桩底标高”填的是有效桩长的底部标高
“孔底标高”填的是施工单位钻孔记录表上记录的实际钻孔深度
假设孔底标高为70m;桩机施工所用的钻头(此钻头为三角钻,牙轮钻不减)为1.2m;地面标高为1.5m;桩顶标高为6.5m;沉
渣为0.05m;凿除段(加灌长度)为1.5m
一类建资z# 1
有效桩长的计算方法:孔底标高70m—0.4m(1.2m*1/3这部分属于无效桩长应减去)—沉渣0.05m+地面标高为1.5m—桩顶标高为6.5m=64.55m
理论值:(有效桩长+凿除段)*3.1415*桩半径*桩半径
实灌值:理论值*充盈系数(一般为1.15上下)
坍落度:一般为18±3cm
清孔深:孔深—沉渣厚
笼长:(钢筋笼总节数-1)*10D+35D D为钢筋笼主筋直径
一类建资z# 1。