粮食企业安全隐患排查记录表
- 格式:doc
- 大小:76.50 KB
- 文档页数:4
粮食工作安全隐患排查一、粮食加工作业风险分析1、粮食加工作业过程涉及机械设备、高温、高压、化学品、粉尘等多种危险因素,容易引起事故隐患。
2、粮食加工厂多为工业厂房,有噪音、粉尘、烟尘、气味等环境污染,易引起职工健康问题。
3、粮食加工行业的作业一般是属于高温高压操作,操作人员常常需要长时间工作,工作强度大,加之作业环境差,大量的粉尘、异味对职工的身体健康造成影响。
4、粮食加工作业包括原料接收、清理、贮存、破碎、磨制、过筛、脱水、干燥、包装等多个环节,其复杂的生产流程容易产生事故。
5、由于粮食的特殊性质,易导致粮食加工产生爆炸、火灾等安全事故。
6、粮食加工作业中使用的设备经常需要长时间运行,设备磨损较快,容易引发设备故障。
以上是粮食加工作业存在的部分安全隐患,为避免事故的发生,粮食加工企业需要从源头上排查和整改存在的安全隐患。
二、粮食加工作业安全隐患排查及整改1、普及安全教育和培训粮食加工企业应当加强从业人员的安全教育和培训,并对员工进行定期的安全培训,提高员工的安全意识和防护意识,使员工掌握安全操作规程和应急处置程序,做好自我保护。
2、健全安全生产管理制度粮食加工企业需建立、健全安全生产管理制度,建立安全生产责任制,完善安全检查、事故预防、应急救援等制度,加强分工管理,严格遵守各项操作规程,建立健全灾害事故应急预案。
3、加强设备检修和维护粮食加工企业需要加强对设备的检修和维护,定期检查设备的运行状况,发现问题及时进行处理,确保设备的正常运转,减少设备故障引发的事故。
4、加强生产环境治理加强厂房、车间内的卫生环境治理,减少粉尘、异味等对员工身体的影响,改善职工的工作条件,提高职工工作积极性,做好防尘、防毒、防噪减震降温、通风换气、消防等工作。
5、加强生产工艺控制严格按照操作规程进行生产作业,加强工艺流程控制,确保作业符合安全规范,严格操作规程,按操作步骤操作,不得随意调整工艺参数,防止设备过载。
6、加强原料贮存管理加强粮食原料的贮存环节安全管理,加强防霉防潮措施,做好品种、数量、质量等核对工作,加强原料的安全运输、搬运,杜绝因原料的堆放不当引发的安全事故。
综合排查安全隐患记录一、引言安全是企业发展的重要基石,也是保障员工生命财产安全的首要任务。
为了提高企业的安全管理水平,及时排查安全隐患,保障生产过程中的安全,我们组织了一次综合排查安全隐患的活动。
本次排查主要针对生产车间、办公场所、配电室等公司内部环境,以及设备和设施等方面进行了全面检查,发现了一些安全隐患并汇总记录如下。
二、生产车间安全隐患记录1. 电气设备老化严重:部分生产车间电气设备已使用多年,存在漏电、线路老化等安全隐患,需要及时更换维修。
2. 安全通道被堵塞:部分生产车间安全通道被生产原料和成品堆积,影响了人员疏散逃生通道的畅通。
3. 作业台面存在倾斜:部分作业台面使用时间较长,出现了倾斜现象,存在使用安全隐患。
三、办公场所安全隐患记录1. 紧急疏散通道被占用:紧急疏散通道被杂物和物品占用,影响了员工的紧急疏散逃生。
2. 逃生门存在堵塞现象:部分办公场所的逃生门被杂物摆放,存在逃生困难的风险。
3. 防火设施使用不当:部分员工在办公场所使用明火烟具,存在火灾隐患。
四、配电室安全隐患记录1. 配线松动现象:部分配电室的电缆配线存在松动现象,存在漏电和短路风险。
2. 配电箱未密封:部分配电箱门未能完全密封,存在触电风险。
3. 配电室清洁不及时:配电室内存在一定量的杂物和灰尘,存在火灾隐患。
五、设备设施安全隐患记录1. 机械设备未加安全防护:部分设备未设置安全防护装置,存在操作人员受伤风险。
2. 设备周围堆放杂物:设备周围存在大量杂物和废料,存在安全隐患,需要及时清理。
3. 附件使用不当:部分设备使用附件不符合安全要求,存在操作风险。
六、安全隐患整改措施1. 建立安全管理制度:对电气设备老化严重的问题,要及时制定电气设备定期检查维护的管理规定,确保设备的安全可靠性。
2. 清理安全通道:对安全通道被堵塞的问题,要及时清理通道上的物品,保证通道畅通,方便员工疏散逃生。
3. 更换作业台面:要及时更换作业台面,确保员工作业的安全性。
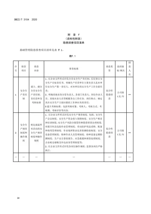
附 录 F(资料性附录)隐患排查项目清单 基础管理隐患排查项目清单见表 F.1。
表F.1序号 排查项目排查内容排查标准排查类型组织级别/频次排查人员1 安全生产责任制建立、健全全员安全生产责任制、责任清单及考核标准1、以企业文件形式印发全员安全生产责任制,层层签订安全生产目标责任书。
明确生产经营单位主要负责人是本单位安全生产第一责任人,对本单位的安全生产工作全面负责;2、明确其他业务分管负责人、各部门负责人、岗位作业人员、其他从业人员等根据各自工作任务、岗位特点,确定其在安全生产方面应做的工作和应负的责任;3建立考核标准,包括考核对象、考核人、考核方式、考核期、考核评价等内容。
综合性隐患排查公司级4次/年**2 安全生产规章制度和操作规程制定涵盖所有活动的安全生产规章制度和操作规程1、以企业文件形式印发安全生产规章制度,包括:安全生产会议制度,安全生产资金投入保障制度,安全生产教育和培训制度,安全生产风险分级管控和隐患排查治理制度,有限空间及危险作业管理制度,劳动防护用品采购、配备和使用管理制度,作业场所职业危害检测检验制度,安全设备管理制度,特种作业人员管理制度,特种设备定期检测制度,生产安全事故报告、应急救援和调查处理制度,企业租仓储粮及外包业务管理制度等;2、以企业文件形式印发各岗位操作规程,监督各岗位严格执行。
综合性隐患排查公司级4次/年**… … … … … … …生产现场类隐患排查项目清单见表 F.2。
表F.2序号 排查项目排查内容 排查标准 排查类型组织级别/频次排查人员1 消防设施探测报警系统、灭火器材、供水系统1、有无火灾探测报警系统,是否完好;2、各种灭火器材的配置种类、数量及完好程度是否符合要求;3、消防供水系统是否可靠;…综合性隐患排查公司级4次/年***2 作业现场防火要求、电气设备、机械设备、警示标识、危险作业带班和审批手续1、作业现场符合防火要求;2、各种动力设备的防护装置与设施是否完好;3、电气设备、照明及布线等是否符合安全用电要求;4、有限空间危险作业等是否有审批(或许可)手续;5、作业现场是否有带班人员、监护人员及防护措施;6、有无必要的、明显的安全标志,是否完好;…综合性隐患排查公司级4次/年***… … … … … … …附 录 G(资料性附录)隐患治理记录隐患整改通知单见表 G.1。
某粮油有限公司安全生产隐患排查清单某粮油有限公司安全生产隐患排查清单:1. 生产设备隐患:- 检查所有设备的运行状况,是否正常运转。
- 检查是否有设备老化、磨损、破损等问题。
- 检查设备的固定和支撑结构是否稳固。
- 检查设备是否存在漏电、过热等电气隐患。
- 检查设备是否配备了有效的安全装置和保护措施。
2. 劳动防护隐患:- 检查员工是否佩戴相应的个人防护设备,如安全帽、防护眼镜、防护口罩、防护手套等。
- 检查工作区域是否设置了明显的警示标志和指示牌。
- 检查是否有防护栏杆或其它防护措施,避免人员坠落或设备操作区域的入侵。
- 检查工作环境是否存在有毒有害物质的泄漏或积聚。
3. 火灾隐患:- 检查电线和电缆的布线是否整齐、牢固,并保持远离可燃物。
- 检查消防器材(如灭火器、消防栓等)的数量和位置是否符合规范要求。
- 检查消防通道是否保持畅通。
- 检查是否有明火或不安全使用明火的情况。
4. 仓库储存隐患:- 检查储存区域是否清洁整齐,无杂物堆放。
- 检查是否有可燃物与易燃物品混储的情况。
- 检查是否设置了合适的通风系统,避免积聚可燃气体。
- 检查储存区域是否有灭火器、消防器材等应急设备。
5. 车辆运输隐患:- 检查车辆是否经过合格的维护和检修,是否有安全隐患。
- 检查司机是否具备相应的驾驶证和驾驶技能。
- 检查车辆货物是否严格按照规定进行固定,避免在行驶中产生滑动或坠落。
6. 应急救援隐患:- 检查应急通道是否畅通无阻。
- 检查是否有足够的医疗急救设备和急救药品。
- 检查员工是否熟悉应急逃生路线和紧急联系电话。
以上是某粮油有限公司安全生产隐患排查清单的一部分,可以根据实际情况进行补充和调整。
该清单旨在帮助公司全面排查、预防和消除安全隐患,确保生产过程中的安全。
同时,建议公司定期进行安全培训和演练,提高员工对安全生产的意识和应对能力。
某粮油有限公司安全生产隐患排查清单(续):7. 危险品管理隐患:- 检查危险品的储存、使用和运输是否符合相关法律法规要求。
食品安全隐患排查表食品安全是关乎人民群众生命健康的大事,是国家的重要工作,也是社会的共同责任。
为了保障食品安全,各个环节都需要加强监管和管理,发现和排查食品安全隐患,及时处置,防止食品安全事故的发生。
为此,我们制定了食品安全隐患排查表,以检查企业和机构在食品生产、加工、销售等环节中可能存在的食品安全隐患,从而促进食品安全工作的落实和提高。
一、食品生产环节1.原材料采购(1)是否有采购合格证明或报告,并定期更新?(2)是否对原材料进行严格的品质检验,并记录检验结果?(3)是否确保原材料来源的可追溯性?2.生产过程(1)生产场所是否符合卫生标准,对生产设备是否定期进行清洁和消毒?(2)是否有专门的人员负责生产过程的卫生监管?(3)生产过程中是否使用了过期或变质的原材料?(4)是否在生产过程中添加了违法添加剂或非法添加物?3.产品质量(1)是否对成品进行全面的品质检验,并记录检验结果?(2)是否有专门的质量监管人员负责产品质量检验?4.库存管理(1)是否对成品进行及时、规范的存储管理,并记录存储条件?(2)是否定期检查库存产品的质量情况?二、食品加工环节1.加工场所(1)加工场所是否符合卫生标准,对加工设备是否定期进行清洁和消毒?(2)是否有专门的人员负责加工过程的卫生监管?2.加工过程(1)加工过程中是否添加了非法添加剂或非法添加物?(2)是否严格遵守食品加工工艺要求?3.产品质量(1)是否对加工产品进行全面的质量检验,并记录检验结果?(2)是否有专门的质量监管人员负责产品质量检验?4.库存管理(1)是否对加工产品进行及时、规范的存储管理,并记录存储条件?(2)是否定期检查库存产品的质量情况?三、食品销售环节1.销售场所(1)销售场所是否符合卫生标准,是否定期进行清洁和消毒?(2)是否对销售场所进行食品安全知识培训?2.产品质量(1)是否对销售产品进行全面的质量检验,并记录检验结果?(2)是否有专门的质量监管人员负责产品质量检验?3.库存管理(1)是否对销售产品进行及时、规范的存储管理,并记录存储条件?(2)是否定期检查库存产品的质量情况?四、其他环节1.员工卫生(1)是否对员工进行健康检查和培训,并记录检查结果?(2)是否定期进行员工卫生教育和培训?2.风险预防(1)是否定期进行风险评估和排查,对可能存在的食品安全隐患进行整改?(2)是否建立健全的食品安全管理制度和规范,保障食品安全工作的落实和提高?以上是食品安全隐患排查表的内容,企业和机构可以根据实际情况对排查表进行完善和细化,确保食品安全工作的有效实施。
食品安全隐患排查记录前言食品安全是人民群众生命健康的重要保障。
为了确保食品安全,各级政府和社会各界一直在不断加强对食品安全的监管和管理工作。
作为一家食品生产企业,我们深知食品安全的重要性,一直在严格遵守有关法律法规,确保产品的质量和安全。
为了进一步提升企业的食品安全管理水平,我们开展了本次食品安全隐患排查工作。
一、排查范围本次食品安全隐患排查工作包括了企业的生产车间、生产设备、生产工艺、原材料采购、产品贮存等环节。
二、排查内容1.生产车间:检查生产车间的卫生情况,包括地面、墙壁、天花板等是否干净整洁,有无异味、有无昆虫、有无粉尘等污染物。
2.生产设备:检查生产设备的清洁状况,包括生产设备表面是否清洁,有无油渍、污渍等。
3.生产工艺:检查生产工艺的操作规范,包括生产操作人员是否穿着符合要求的工作服、是否洗手并穿戴手套等。
4.原材料采购:检查原材料的质量安全,包括原材料的生产企业是否具备相关资质、原材料采购的检验合格报告等。
5.产品贮存:检查产品贮存环境,包括产品的贮存温度、湿度、通风情况等。
三、排查流程为了确保排查工作的全面和有序进行,我们制定了以下排查流程:1.明确排查责任人:确定各个部门的排查责任人员,包括生产部门、质检部门、物流部门等。
2.编制排查计划:根据企业实际情况,制定食品安全隐患排查计划,明确排查范围、内容和排查时间节点。
3.开展排查工作:按照排查计划,逐项逐级地进行排查工作,发现问题及时记录并整改。
4.整改跟踪:对发现的问题进行整改,并跟踪整改效果,确保问题彻底解决。
四、排查发现问题及整改措施1.生产车间:发现部分生产车间地面油渍较多,存在滑倒的安全隐患。
立即组织清洁工人进行地面清洁,加强日常清洁工作。
2.生产设备:发现部分生产设备表面有油污,可能污染产品。
立即组织设备操作人员进行设备清洁,并加强日常巡检工作,防止污染。
3.原材料采购:发现部分原材料采购商缺乏资质,可能存在质量安全隐患。
粮库储粮安全隐患排查记录一、基本情况根据领导安排,对粮库进行了一次全面的储粮安全隐患排查工作。
该粮库位于农村地区,是当地存储粮食的主要场所,所储存的粮食包括小麦、玉米、大米等,属于重要的储备粮食库。
二、排查人员为了确保排查工作的专业性和全面性,我们特意邀请了粮食专家和安全专家共同组成排查小组。
共有5名专家参与了此次排查工作。
三、排查内容1. 粮库建筑结构安全性排查:检查粮库的建筑结构是否稳固,是否存在裂缝、漏水等安全隐患。
2. 粮食堆放安全性排查:检查储存的粮食是否堆放整齐稳固,是否存在粮食霉变、虫害等问题。
3. 灭火设施和应急逃生通道排查:检查粮库内部的灭火设施是否齐全有效,应急逃生通道是否畅通。
4. 安全管理制度和人员素质排查:检查粮库的安全管理制度是否完善,管理人员是否具备相关的安全管理知识和技能。
5. 粮食储存环境排查:检查粮库的通风、防潮、防虫等环境控制设施是否完善,是否存在环境污染、异味等问题。
6. 安全生产记录排查:检查粮库的安全生产记录是否完整、准确,消防检查、安全巡视等记录是否跟进完善。
四、排查情况1. 粮库建筑结构安全性排查:排查人员发现,粮库的建筑结构较为稳固,没有裂缝和漏水情况,属于比较安全的建筑结构。
2. 粮食堆放安全性排查:经检查发现,粮食堆放整齐,未发现粮食霉变、虫害等问题,但需要加强对储粮环境的管控和监测。
3. 灭火设施和应急逃生通道排查:排查人员发现,粮库的灭火设施齐全,应急逃生通道畅通,符合安全要求。
4. 安全管理制度和人员素质排查:排查人员发现,粮库的安全管理制度较为完善,管理人员具备相关的安全管理知识和技能,但需要加强对管理人员的安全知识培训。
5. 粮食储存环境排查:经检查发现,粮库的通风、防潮、防虫等环境控制设施较为完善,但存在一些环境污染和异味问题,需要加强环境管理和监测。
6. 安全生产记录排查:排查人员发现,粮库的安全生产记录比较完整、准确,但消防检查、安全巡视等记录需要进一步跟进完善。
粮库安全隐患排查记录范文一、基本情况粮库名称:****地址:****单位负责人:****联系电话:****二、隐患排查内容1. 粮库外部环境隐患排查2. 粮库内部设施隐患排查3. 粮食安全隐患排查4. 其他相关隐患排查三、隐患排查记录1. 粮库外部环境隐患排查时间:****检查人员:****(1)检查范围:粮库周边区域,包括围墙、大门、停车场、道路等。
(2)存在隐患:围墙局部有破损,大门锁具老化磨损,停车场地面有裂缝,道路有积水现象。
(3)整改措施:立即修复围墙破损部分,更换大门锁具,对停车场地面进行维护,清理道路积水。
2. 粮库内部设施隐患排查时间:****检查人员:****(1)检查范围:粮库内部主要设施,包括仓库、通风设备、防火设施等。
(2)存在隐患:仓库墙壁有渗水现象,通风设备部分出现异常噪音,防火设施未经定期检查维护。
(3)整改措施:及时修复仓库墙壁渗水部分,对通风设备进行维护和保养,对防火设施进行定期检查和维护。
3. 粮食安全隐患排查时间:****检查人员:****(1)检查范围:粮库内存放的粮食,包括堆放情况、温湿度控制等。
(2)存在隐患:部分粮食堆放不规范,温湿度控制设备运行不稳定。
(3)整改措施:重新整理粮食堆放,规范存放程序,对温湿度控制设备进行检修。
4. 其他相关隐患排查时间:****检查人员:****(1)检查范围:其他与粮库安全相关的设施和管理措施。
(2)存在隐患:管理人员安全意识不强,部分操作程序不规范,缺乏应急预案。
(3)整改措施:加强管理人员培训,规范操作程序,制定完善的应急预案。
四、隐患整改情况1. 粮库外部环境隐患整改情况(1)围墙破损已得到修复,大门锁具已更换,停车场地面维护工作已完成,道路积水得到清理。
2. 粮库内部设施隐患整改情况(1)仓库墙壁渗水已得到修复,通风设备维护已完成,防火设施已得到定期检查和维护。
3. 粮食安全隐患整改情况(1)粮食堆放已重新整理,存放程序得到规范,温湿度控制设备已完成检修。
粮食保障安全隐患排查一、粮食生产环节存在的隐患1、气候变化影响粮食生产。
随着全球气候变暖,自然灾害频发,比如干旱、洪涝、台风等,给粮食生产带来了不小的影响。
面对这些自然灾害,粮食生产面临严峻挑战,农作物受灾严重,导致粮食产量下降。
2、土地资源的非农化问题。
随着城市化的进程,大量农村土地被用于房地产开发,为了提高粮食产量,一些农民种植了大面积的转基因作物,这种做法在一定程度上破坏了土壤的生态平衡,影响了土地的肥力,降低了粮食产量。
3、农业生产技术水平不高。
一些农民缺乏先进的农业生产技术,种植方法落后,使用化肥农药过量,不仅浪费资源,还会对土壤和农产品造成污染,影响人民的健康。
对于粮食生产环节存在的隐患,各国可以通过提高农业生产技术水平,加强对气候变化的监测和预警,保护农村土地资源,推广可持续发展的农业种植方法等,来提高粮食生产能力,确保粮食供应。
二、粮食供应环节存在的隐患1、物流运输问题。
物流运输是保障粮食供应的重要环节,但是在一些地区,由于交通不发达、道路状况不佳等原因,粮食运输会受到很大的影响,导致粮食供应不畅,价格波动。
2、市场垄断导致价格波动。
一些地区存在着粮食市场的垄断现象,粮食价格受到操纵,变化不确定,给人民的生活带来不便。
3、粮食贮藏问题。
在一些地区,由于缺乏先进的粮食贮藏设施,导致粮食霉变、虫害、混杂等问题,严重影响粮食品质和供应。
对于粮食供应环节存在的隐患,各国可以通过加大对基础设施建设的投入,改善物流运输环节,打破市场垄断,加强粮食贮藏设施建设和管理等方式,来保障粮食供应的畅通和质量。
三、粮食贮藏环节存在的隐患1、粮食贮藏设施薄弱。
在一些地区,由于经济条件和技术水平的限制,粮食贮藏设施建设不足,即便有也存在老化、破损等问题,容易造成粮食贮藏安全隐患。
2、粮食储存管理不善。
一些地区存在着粮食储存管理不善的问题,管理人员缺乏相关知识和技能,导致粮食储存环节存在漏气、漏风、受潮等问题。
油库粮库安全隐患排查一、油库的安全隐患排查1. 储罐区域的安全隐患储罐区域是油库的重要部分,储罐泄露或者爆炸将会造成巨大的损失。
因此,需要对储罐区域的安全隐患进行仔细排查。
(1)储罐漏油风险储罐漏油是最严重的安全隐患之一。
漏油可能导致地下水污染或者爆炸,对周边环境和人员造成严重危害。
解决方案:定期检查储罐的密封性能,及时修复漏油隐患。
安装油罐底部泄漏报警系统,一旦发现漏油情况立即报警并采取措施。
(2)储罐防静电措施不足油品易产生静电,并可能导致火灾爆炸。
如果储罐的防静电措施不足,存在严重的安全隐患。
解决方案:在储罐周围设置导电地坪,确保储罐与土壤之间的静电导通。
安装静电接地装置,确保储罐和输油管道的静电消除。
(3)储罐周围环境火灾隐患储罐周围环境可能有易燃物品或者火源,一旦发生火灾将对储罐造成严重威胁。
解决方案:清理储罐周围的易燃杂草和垃圾。
对附近的火源进行管控,设置防火墙和灭火器材。
2. 输油管道的安全隐患输油管道是将储罐内的油品输送到目的地的重要通道,必须确保其安全可靠。
(1)输油管道泄漏隐患输油管道泄漏可能引发火灾或者污染周围环境。
解决方案:定期检查输油管道的密封性能,及时修复泄漏隐患。
定期对输油管道进行压力测试,确保其安全可靠。
(2)输油泵站设备故障隐患输油泵站设备故障可能导致油品输送中断,或者引发火灾爆炸。
解决方案:定期对输油泵站设备进行维护和检修,确保其正常运转。
安装输油泵站设备故障监控系统,一旦发现设备故障立即采取措施解决。
3. 安全管理隐患安全管理是油库安全的关键,若管理不善将导致油库的各种隐患。
(1)员工安全意识不足员工对火灾爆炸、泄漏等安全事故的应急处置知识掌握不足,容易造成事故的发生。
解决方案:加强员工安全培训,提高员工的安全意识和应急处置能力。
定期组织安全演练,加强对员工的安全教育。
(2)安全管理制度不完善缺乏有效的安全管理制度,导致相关工作人员对安全工作的定义不明确。
解决方案:健全完善的安全管理制度,明确各项安全操作规程和责任分工。