建筑物垂直度观测记录
- 格式:doc
- 大小:37.50 KB
- 文档页数:2
建筑物垂直度、标高观测测量记录共 页第 1 页注:①房屋结构层及全高顶面标高,指室外地坪面到每层的楼板板顶和到主要屋面板板顶的标高(不考虑局部突出屋顶部分)。
②层高指结构层上下楼板的板顶至板底的距离,总高指室外地坪面至结构施工层楼板板顶的高度。
③层高、总高的高度及最大注:①房屋结构层及全高顶面标高,指室外地坪面到每层的楼板板顶和到主要屋面板板顶的标高(不考虑局部突出屋顶部分)。
②层高指结构层上下楼板的板顶至板底的距离,总高指室外地坪面至结构施工层楼板板顶的高度。
③层高、总高的高度及最大注:①房屋结构层及全高顶面标高,指室外地坪面到每层的楼板板顶和到主要屋面板板顶的标高(不考虑局部突出屋顶部分)。
②层高指结构层上下楼板的板顶至板底的距离,总高指室外地坪面至结构施工层楼板板顶的高度。
③层高、总高的高度及最大注:①房屋结构层及全高顶面标高,指室外地坪面到每层的楼板板顶和到主要屋面板板顶的标高(不考虑局部突出屋顶部分)。
②层高指结构层上下楼板的板顶至板底的距离,总高指室外地坪面至结构施工层楼板板顶的高度。
③层高、总高的高度及最大注:①房屋结构层及全高顶面标高,指室外地坪面到每层的楼板板顶和到主要屋面板板顶的标高(不考虑局部突出屋顶部分)。
②层高指结构层上下楼板的板顶至板底的距离,总高指室外地坪面至结构施工层楼板板顶的高度。
③层高、总高的高度及最大注:①房屋结构层及全高顶面标高,指室外地坪面到每层的楼板板顶和到主要屋面板板顶的标高(不考虑局部突出屋顶部分)。
注:①房屋结构层及全高顶面标高,指室外地坪面到每层的楼板板顶和到主要屋面板板顶的标高(不考虑局部突出屋顶部分)。
注:①房屋结构层及全高顶面标高,指室外地坪面到每层的楼板板顶和到主要屋面板板顶的标高(不考虑局部突出屋顶部分)。
注:①房屋结构层及全高顶面标高,指室外地坪面到每层的楼板板顶和到主要屋面板板顶的标高(不考虑局部突出屋顶部分)。
注:①房屋结构层及全高顶面标高,指室外地坪面到每层的楼板板顶和到主要屋面板板顶的标高(不考虑局部突出屋顶部分)。
建筑物垂直度标高观测记录建筑物的垂直度与标高是建筑工程中非常关键的技术参数,对于建筑物的稳定性和安全性具有重要意义。
垂直度指的是建筑物在垂直方向上的偏差,而标高则是指建筑物底部或顶部相对于基准面的高度。
建筑物的垂直度和标高观测记录是建筑施工过程中的一项重要工作,主要是通过使用专业的测量设备和技术,对建筑物的垂直度和标高进行精确地测量和记录。
这样可以及时发现和纠正建筑物垂直度和标高方面的问题,保证建筑工程的安全和质量。
在进行建筑物垂直度和标高观测记录之前,需要事先确定测量的基准面和基准点。
基准面可以选择国家、地方的法定基准面或者工程测量中确定的基准面。
基准点可以选择建筑物的角点、墙壁表面或者其他固定和稳定的测点。
测量建筑物的垂直度可以通过使用水平仪、电子水平仪或者全站仪等仪器进行。
测量时需要选择稳定的测点,通过测量仪器得出建筑物的相对垂直度偏差。
这些数据可以用图表或者数值的形式进行记录,同时还可以标明测量的日期、时间和天气等环境因素。
测量建筑物的标高则可以通过使用水准仪或者全站仪等仪器进行。
测量时需要选择标高点和参考点,通过测量仪器得出建筑物相对于基准面的高度差。
这些数据也可以用图表或者数值的形式进行记录,同样需要标明测量的日期、时间和天气等环境因素。
在实际施工过程中,建筑物的垂直度和标高可能会受到多种因素的影响,比如施工材料的质量、施工工艺的控制等。
因此,及时进行垂直度和标高的观测记录,可以及早发现并解决潜在的问题,提高建筑物的稳定性和安全性。
垂直度和标高观测记录还可以用于建筑物的验收和检测。
在建筑工程竣工验收时,可以通过对垂直度和标高观测记录的查验,判断建筑物是否符合规范要求。
此外,定期对建筑物进行垂直度和标高的观测记录,可以及时发现建筑物的变形和沉降等问题,以便采取相应的维修和加固措施。
综上所述,建筑物的垂直度和标高观测记录是建筑工程中必不可少的一项工作。
通过对建筑物的垂直度和标高进行精确的测量和记录,可以及时发现和解决建筑物在垂直度和标高方面的问题,确保建筑工程的安全和质量。
建筑物全高垂直度测量记录建筑物全高垂直度是指建筑物的垂直度是否符合规范要求,它是建筑物结构安全和稳定的重要指标。
全高垂直度测量记录是对建筑物进行全高垂直度测量的结果记录,以评估建筑物垂直度是否符合设计要求。
下面是一份1200字以上的建筑物全高垂直度测量记录示例:----------------------------------------------------------------------------------测量日期:2024年5月10日测量位置:XXXX建筑物测量方向:东南方向一、测量仪器和设备:1.全站仪:型号XXXX,编号XXXX2.三角支架:型号XXXX,编号XXXX3.测量尺:型号XXXX,编号XXXX4.建筑物高度测量工具:型号XXXX,编号XXXX二、测量对象和要求:1.测量对象:XXXX建筑物2.测量要求:建筑物垂直度不得大于1/1000三、测量方法:1.将全站仪设置在建筑物东南方向的一个固定点,与参考点建立平面坐标系。
2.在建筑物每层楼的墙角处设置测量点,使用测量尺进行测量,以墙角底部为起点,顺着墙角线向上测量每层楼的高度差。
3.在每层楼的墙头处设置测量点,使用建筑物高度测量工具测量从地面到墙头的高度,作为每层楼的高度。
四、测量数据记录:层次东南方向测量点高度差(mm)建筑物高度(mm)---------------------------------------------------地下一层+22958地下二层+15478一层-18907五、测量结果与分析:根据测量数据计算,建筑物全高垂直度为:可以看出,建筑物全高垂直度小于1/1000,符合设计要求,垂直度良好。
六、测量人员签名:测量员1:____________________日期:____________________测量员2:____________________日期:____________________----------------------------------------------------------------------------------以上即是一份建筑物全高垂直度测量记录的示例,通过对建筑物每层楼的测量,计算得出建筑物的全高垂直度,并判断是否符合规范要求。
剪力墙27层楼高垂直度丶标高丶全高检查记录摘要:一、剪力墙简介1.剪力墙的作用2.剪力墙的施工要求二、27 层楼高垂直度检查1.垂直度的重要性2.检查方法与标准3.结果分析与处理三、标高检查1.标高的作用2.检查方法与标准3.结果分析与处理四、全高检查1.全高检查的目的2.检查方法与标准3.结果分析与处理五、总结1.剪力墙检查的重要性2.提高剪力墙质量的建议正文:一、剪力墙简介剪力墙是建筑物中一种承受剪切力的墙体结构,主要起到抗风、抗震、支撑建筑物等作用。
在我国,剪力墙结构的建筑物在高层建筑中占有较大比例。
为确保剪力墙的质量和安全性能,施工过程中需要进行严格的检查。
二、27 层楼高垂直度检查垂直度是剪力墙施工中的重要指标,影响着建筑物的美观和功能。
检查方法主要包括使用经纬仪、全站仪等测量设备进行测量。
标准要求垂直度偏差不超过20mm/20m。
对于偏差较大的地方,需要进行调整和修复,确保垂直度满足要求。
三、标高检查标高是剪力墙施工中另一个重要指标,影响着建筑物的水平度和垂直度的控制。
检查方法主要包括使用水准仪等测量设备进行测量。
标准要求标高偏差不超过10mm/10m。
对于偏差较大的地方,需要进行调整和修复,确保标高满足要求。
四、全高检查全高检查是指对剪力墙从地面到顶部进行全面的检查,包括垂直度、标高、墙面平整度等。
全高检查的目的是确保剪力墙在整个高度范围内质量稳定,满足设计要求。
检查方法和标准同上述两项。
五、总结剪力墙施工质量关系到建筑物的安全与稳定,必须严格控制。
通过对剪力墙的垂直度、标高、全高进行检查,可以及时发现和处理问题,提高剪力墙质量。
建筑物垂直度观测一、实验目的:1 、锻炼综合运用测量仪器及测量理论知识解决实际工程实践问题的能力2 、掌握用经纬仪进行对建筑物垂直度的观测。
3 、培养个人对仪器的操作。
二、实验仪器和工具:经纬仪一架,钢板尺一把,钢卷尺一卷,花杆两根,粉笔若干。
三、实验内容、方法与步骤:(一)、测量示意图:(二)步骤:1、选测站(1) 、选择建工楼作为观测对象,如图示。
(2) 、在建工楼两个相互垂直柱面的延长线上分别选取一个测站为:A和B。
方法:在建工楼的一面,一同学用钢卷尺紧贴柱面,另一同学拉着钢卷尺沿着垂直面往前走,直走到与墙角的距离大致是建工楼高度的1.5倍的地方停下,用粉笔做下标记,作为测站A,记该墙面为墙面1。
然后再转向另一垂直面,用同样的方法找出测站B,记该墙面为墙面2。
(3)、把现场清理干净,以便距离丈量。
2、墙面1的观测步骤:(1)、距离丈量在测站A安装好经纬仪,然后将经纬仪瞄准0点进行定线。
另一同学拿花杆和粉笔,观测的同学矫正与0点在同一直线上,拿花杆和粉笔的同学在适当的距离处用粉笔做下标记A1,依此种方法在适当距离用粉笔做下第二个记A2,然后再丈量出A到A1点,A1和A2点,A2和0点的距离。
接着用钢卷尺进行返测,将测得的数据记录在相应的表格中,并计算A0的距离。
(2)、竖直角仪器不动,转动望远镜瞄准建筑物的顶端0'点,固定水平和望远镜制动扳扭,读出此时的竖直角值读数记于表格中。
(2)建筑物倾斜量的观测松开望远镜制动扳扭,沿着铅垂面往下扫,瞄准建筑物顶部,此时看到的并非0点,而是0'点。
固定好望远镜制动扳扭后,让一个同学把钢尺贴紧墙面,让0刻度对准柱边缘,然后观测者读出十字丝到墙边缘的距离,记于表格中,并且读出此时的竖直角值,做好记录。
3、墙面2的观测步骤(1)、距离丈量在测站B安装好经纬仪,然后将经纬仪瞄准0点进行定线。
,另一同学拿花杆和粉笔,观测的同学矫正与0点在同一直线上,拿花杆和粉笔的同学在适当的距离处用粉笔做下标记B1,依此种方法在适当距离用粉笔做下第二个记B2,然后再丈量出B到B1点,B1和B2点,B2和0点的距离。
建筑物垂直度观测记录一、前言建筑物垂直度观测是建筑工程中非常重要的一项工作,通过观测建筑物各个部位的垂直度,可以判断建筑物是否存在倾斜、变形等问题,为工程的安全和质量提供保障。
本文将详细记录我所参与的其中一建筑物垂直度的观测过程和结果。
二、观测目的本次观测的建筑物为一幢高层住宅楼,主要目的是判断建筑物是否存在倾斜现象,以及倾斜程度的大小,为后续的土建施工和结构设计提供依据。
三、观测方案根据实际情况和工程要求,我们采用了以下观测方案:1.观测时间:我们选择了建筑物施工完成后的混凝土强度达到设计要求的时刻进行观测,以保证建筑物已经达到一定的稳定状态。
2.观测点设置:我们在建筑物四个角落各设置一个观测点,并在建筑物的高低层各设置一个观测点,共计八个观测点。
3.观测仪器:我们采用了全站仪对观测点进行观测,并配合倾斜仪一同使用。
四、观测过程1.预备阶段:在观测前,我们对全站仪和倾斜仪进行了校准,并确认了观测点的位置和高程。
2.全站仪观测:我们首先使用全站仪对观测点的横坐标、纵坐标和高程进行了观测,并保存了观测数据。
3.倾斜仪观测:在全站仪观测完成后,我们又使用倾斜仪对建筑物各个部位的倾斜角度进行了观测,并记录下观测数据。
4.数据处理:观测数据回到办公室后,我们首先进行了数据的验证和筛选,然后利用数据处理软件对观测数据进行了处理和分析,得出了建筑物各个部位的垂直度。
五、观测结果经过数据处理,我们得出了以下观测结果:1. 观测点A的垂直度为0.05mm/m,倾斜角度为0.02度;2. 观测点B的垂直度为0.03mm/m,倾斜角度为0.01度;3. 观测点C的垂直度为0.07mm/m,倾斜角度为0.03度;4. 观测点D的垂直度为0.01mm/m,倾斜角度为0.01度;5. 观测点E的垂直度为0.09mm/m,倾斜角度为0.04度;6. 观测点F的垂直度为0.06mm/m,倾斜角度为0.02度;7. 观测点G的垂直度为0.04mm/m,倾斜角度为0.02度;8. 观测点H的垂直度为0.02mm/m,倾斜角度为0.01度。
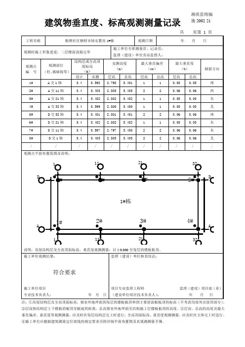
八、建筑物垂直度、标高测量记录建筑物垂直度、标高、全高测量记录是对建筑物垂直度、标高、全高在施工过程中和竣工后进行的测量记录。
根据工程的不同结构类型布置观测点,对阳角均应记录垂直度数据,施工过程中应随楼层增高,每层进行垂直度测量,每个阳角两侧都应观测检查。
详细记录轴线编号及本层偏差,做好布点平面图,每次观测要及时整理,观测数据要真实。
(一)资料表格形式建筑物垂直度、全高测量记录(二)相关规定及要求(1)建筑物垂直度、全高测量由施工单位的专业技术负责人牵头,专职质量检查员详细记录,建设单位代表和项目监理机构的专业监理工程师参加。
现场原始记录须经施工单位专业技术负责人、专职质量检查员、建设(监理)单位的参加人签字后有效并存档,作为整理资料的依据以备查。
(2)施工过程中的垂直度测量。
1)测量次数,原则上每加高1层测量1次,整个施工过程不得少于4次。
2)轴线测量按基础及各层放线、测量与复测执行。
(3)竣工后的测量1)建筑物垂直度、标高、全高测量选定应在建筑物四周转角处和建筑物凹凸部位。
单位工程每项测点数不应少于10点,其中前沿各4点,两个侧面各1点。
2)标高测量应按层进行,高层建筑可两层为一测点,多层建筑可一层为一测点,可按测点的平均差值填写。
3)建筑物的垂直度、标高、全高测量是建筑物已竣工、观感质量检查完成后对建筑物进行测量工作,由施工单位测量,量测时项目监理机构派专业监理工程师参加监督量测。
(三)填写要点(1)施工阶段。
应填写结构封顶或工程完工。
(2)观测说明(附观测示意图)。
观测点的布置位置及数量,观测时间的安排,采用的观测仪器等;观测示意图按实际建筑物轮廓绘制,标明观测点的位置和数量,注明指北针方向。
(3)观测部位。
可以按观测示意图标注的点号填写,如“1号、2号……”或“A,B…”。
(4)观测日期。
注明楼层或标高测量时的日期。
(5)实测偏差。
注明实际观测数据。
(6)结论。
应根据实测偏差中最大偏差结果,判定是否符合现行施工质量验收规范(并非施工测量规范)规定和合计要求。
建筑物全高垂直度测量记录为了确保建筑物的结构安全和垂直度,在建造和维护过程中需要进行全高垂直度测量。
本次记录是对建筑物A进行全高垂直度测量的结果及分析。
1.测量目的:确保建筑物A的垂直结构符合设计规范,满足建筑物的安全要求。
2.测量仪器和材料:-高精度水平仪-测量尺-测量基准点-固定测量装置-计算机和软件3.测量方法:-设计测量线路,确定测量基准点位置。
-针对不同楼层分别进行全高垂直度测量。
-使用水平仪在每层的角落和中间位置进行测量,记录测量结果。
-重复测量三次以确保结果的准确性。
-使用软件对测量结果进行分析和处理。
4.测量结果:以下为建筑物A的全高垂直度测量结果(以mm为单位):楼层第一次测量第二次测量第三次测量平均值1楼-6.2-6.3-6.1-6.22楼-5.8-5.7-5.9-5.83楼-6.0-6.1-6.0-6.04楼-5.9-5.8-5.7-5.85楼-6.3-6.2-6.4-6.35.结果分析:根据测量结果可以看出,建筑物A在不同楼层的垂直度偏差较小,基本在±6mm以内,整体符合设计要求。
测量结果的重复性较好,三次测量结果的平均值接近,证明测量数据的可靠性和准确性较高。
6.结论:根据本次全高垂直度测量结果,可以得出结论:建筑物A的垂直度达到设计要求,各楼层的垂直结构基本保持稳定。
7.建议:尽管建筑物A的全高垂直度表现良好,但仍建议定期进行维护性监测,以确保建筑物在使用过程中保持良好的垂直度。
并且建议在进行全高垂直度测量时,保证测量仪器的精度和测量方法的标准化,以提高测量结果的可靠性和准确性。
综上所述,本次建筑物A的全高垂直度测量结果表明建筑物的垂直度良好,在建筑物的设计和维护过程中采取适当的措施和监测,可以确保建筑物的结构安全和垂直度。