见证取样记录表范例
- 格式:doc
- 大小:80.00 KB
- 文档页数:22
见证取样记录表
工程名称:编号:
见证取样记录表工程名称:编号:
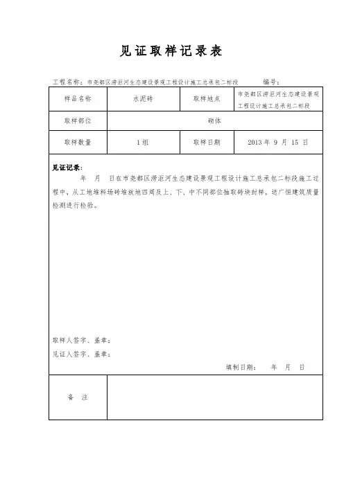
见证取样记录表
工程名称:编号:
见证取样记录表工程名称:编号:
见证取样记录表工程名称:编号:
表B3-5
见证取样记录表
工程名称编号:
表B3-5
见证取样记录表
工程名称:编号:
表B3-5
见证取样记录表
编号:
工程名称:
表B3-5
见证取样记录表工程名称:编号:
表B3-5
见证取样记录表工程名称:编号:
见证取样记录表工程名称:编号:
见证取样记录表工程名称:编号:
见证取样记录表工程名称:编号:
见证取样记录表工程名称编号:
欢迎您的下载,
资料仅供参考!
致力为企业和个人提供合同协议,策划案计划书,学习资料等等
打造全网一站式需求。
工程材料构配件见证取样记录一、项目名称:XXX工程二、工程地点:XXX三、检测单位:四、被取样材料及构配件名称:(以下按照不同的材料及构配件逐一列出,例如钢筋、水泥、混凝土等)1.材料1:材料名称:材料规格:生产厂家:生产日期:取样位置:2.材料2:材料名称:材料规格:生产厂家:生产日期:取样位置:五、见证取样时间及地点:1.时间:(具体日期和时间)2.地点:(具体地点)六、见证人员及其身份:1.见证人员1:身份:(例如工程监理、材料检测人员等)姓名:2.见证人员2:身份:姓名:七、见证取样过程:1.决定取样位置:见证人员按照相关规定和要求,在现场对被取样材料及构配件的使用位置进行确认,并决定取样位置。
2.准备取样工具:见证人员准备好所需的取样工具,确保其符合检测要求和规定。
3.取样前处理:见证人员对被取样材料及构配件进行必要的处理,例如清洁、调整等步骤。
4.确认取样位置:见证人员再次确认取样位置,并确保取样位置准确无误。
5.取样过程:根据相关规定和要求,见证人员使用准备好的取样工具对被取样材料及构配件进行取样。
6.标识样品:见证人员在取样的样品上做好标识,包括材料名称、规格、生产日期等重要信息。
七、见证取样结果:1.样品编号:(对取样的每个样品进行编号,方便后续处理和使用)2.样品保存:见证人员将取样的样品进行妥善保存,确保其不受污染和损坏。
3.样品送检:见证人员将取样的样品送交给相关的检测单位进行检测和分析。
八、取样证明:1.本取样记录为见证人员在现场取样的真实记录,证明取样过程和结果。
2.取样过程中未发现任何异常情况。
九、备注:(对取样过程中的特殊情况、注意事项等进行备注)十、见证人员签名:1.见证人员1签名:2.见证人员2签名:以上为工程材料、构配件见证取样记录,共计1200字以上。
见证取样记录表工程名称:山西灵石华苑煤业有限公司1#单身公寓楼 样品名称 回填碎石取样地点 施工现场取样部位 基础 取样数量17个点 取样日期2008年11月2日见证记录在见证员的监督下,由取样员针对2008年11月2日回填夯实的碎石,标高为-4.45m 处取样。
取点位置见下图。
65500mm取样人签字、印章:___________________见证人签字、印章:___________________填制日期:2008年11月2日备 注24000mm 1234567891011121314151617见证取样记录表工程名称:山西灵石华苑煤业有限公司1#单身公寓楼样品名称 回填3:7灰土取样地点 施工现场取样部位 基础 取样数量17个点 取样日期2008年11月3日 见证记录在见证员的监督下,由取样员针对2008年11月3日回填夯实的3:7灰土,标高为-4.25m 处用环刀法取样,在现场做土壤干密度试验。
取点位置见下图。
65500mm取样人签字、印章:___________________见证人签字、印章:___________________填制日期:2008年11月3日备 注24300mm1 23456 7891011121314151617见证取样记录表工程名称:山西灵石华苑煤业有限公司1#单身公寓楼样品名称 回填3:7灰土取样地点 施工现场取样部位 基础 取样数量17个点 取样日期2008年11月3日 见证记录在见证员的监督下,由取样员针对2008年11月3日回填夯实的3:7灰土,标高为-4.05m 处用环刀法取样,在现场做土壤干密度试验。
取点位置见下图。
65500mm取样人签字、印章:___________________见证人签字、印章:___________________填制日期:2008年11月3日备 注24300mm1 23456 7891011121314151617见证取样记录表工程名称:山西灵石华苑煤业有限公司1#单身公寓楼样品名称 回填3:7灰土取样地点 施工现场取样部位 基础 取样数量17个点 取样日期2008年11月4日 见证记录在见证员的监督下,由取样员针对2008年11月4日回填夯实的3:7灰土,标高为-3.85m 处用环刀法取样,在现场做土壤干密度试验。
目录1、水泥取样2、砂取样3、碎石取样4、混凝土速凝剂取样5、混凝土用水取样6、喷射混凝土试块取样7、混凝土试块取样8、砂浆试块取样9、砖、砌块取样10、防水材料取样11、锚杆取样12、混凝土用钢筋取样13、锚索取样14、锚固剂取样见证取样记录表SMJZ/QA。
04、7。
1—26工程名称:编号:见证取样记录表SMJZ/QA。
04、7。
1—26工程名称:编号:见证取样记录表SMJZ/QA.04、7。
1—26工程名称: 编号:见证取样记录表SMJZ/QA.04、7。
1—26工程名称: 编号:见证取样记录表SMJZ/QA.04、7.1—26工程名称:编号:见证取样记录表SMJZ/QA.04、7.1—26工程名称:编号:见证取样记录表SMJZ/QA.04、7。
1-26工程名称:编号:见证取样记录表SMJZ/QA.04、7。
1—26工程名称:编号:见证取样记录表SMJZ/QA.04、7.1—26工程名称:编号:见证取样记录表SMJZ/QA.04、7.1-26工程名称:编号:见证取样记录表SMJZ/QA 。
04、7.1—26工程名称:编号:见证取样记录表SMJZ/QA.04、7.1—26工程名称:编号:见证取样记录表SMJZ/QA.04、7.1-26工程名称:编号:见证取样记录表SMJZ/QA。
04、7。
1—26工程名称:编号:见证取样记录表SMJZ/QA.04、7.1—26工程名称:编号:见证取样记录表SMJZ/QA.04、7。
1—26工程名称:编号:。
见证取样记录表-示列
目录
1、水泥取样
2、砂取样
3、碎石取样
4、混凝土速凝剂取样
5、混凝土用水取样
6、喷射混凝土试块取样
7、混凝土试块取样
8、砂浆试块取样
9、砖、砌块取样
10、防水材料取样
11、锚杆取样
12、混凝土用钢筋取样
13、锚索取样
14、锚固剂取样
工程名称:编号:
SMJZ/QA.04、7.1—26 工程名称:编号:
SMJZ/QA.04、7.1—26 工程名称:编号:
SMJZ/QA.04、7.1—26 工程名称:编号:
SMJZ/QA.04、7.1—26 工程名称:编号:
SMJZ/QA.04、7.1—26 工程名称:编号:
SMJZ/QA.04、7.1—26 工程名称:编号:
SMJZ/QA.04、7.1—26 工程名称:编号:
SMJZ/QA.04、7.1—26 工程名称:编号:
SMJZ/QA.04、7.1—26 工程名称:编号:
SMJZ/QA.04、7.1—26 工程名称:编号:
SMJZ/QA.04、7.1—26 工程名称:编号:
SMJZ/QA.04、7.1—26 工程名称:编号:
SMJZ/QA.04、7.1—26 工程名称:编号:
SMJZ/QA.04、7.1—26 工程名称:编号:
SMJZ/QA.04、7.1—26 工程名称:编号:。
本文部分内容来自网络整理,本司不为其真实性负责,如有异议或侵权请及时联系,本司将立即删除!
== 本文为word格式,下载后可方便编辑和修改! ==
见证取样记录范例
篇一:见证取样记录表范例
表B3-5
见证取样记录表
工程名称:编号:
见证取样记录表
工程名称:
编号:
见证取样记录表
工程名称:编号:
表B3-5
见证取样记录表
工程名称:编号:
见证取样记录表
工程名称:编号:
篇二:见证取样记录表-示列
目录
1、水泥取样
2、砂取样
3、碎石取样
4、混凝土速凝剂取样
5、混凝土用水取样
6、喷射混凝土试块取样
7、混凝土试块取样
8、砂浆试块取样
9、砖、砌块取样
10、防水材料取样
11、锚杆取样
12、混凝土用钢筋取样
13、锚索取样
14、锚固剂取样
SMJZ/QA.04、7.1—26
工程名称:编号:
SMJZ/QA.04、7.1—26
工程名称:编号:
SMJZ/QA.04、7.1—26
工程名称:编号:
SMJZ/QA.04、7.1—26
工程名称:编号:
篇三:见证取样记录表
工程名称:南漳县宝达石
材有限责任公司 #住宅楼工程编号:
工程名称:南漳县宝达石材有限责任公司 #住宅楼工程编号:工程名称:南漳县宝达石材有限责任公司 #住宅楼工程编号:。
见证取样和见证送检记录
编号:001
施工组织设计(方案)报审表
工程名称:编号:
分包单位资格报审表
工程名称:编号:
报验申请表
工程名称:编号:
工程款支付申请表
工程名称:编号:
监理工程师通知回复单
工程名称:编号:
工程临时延期申请表
工程名称:编号:
费用索赔申请表
工程名称:编号:
工程材料/构配件/设备报审表
工程名称:编号:
金属阳台、扶手护栏分项工程报验单
工程名称:编号:
监理工程师通知单
工程名称:编号:
工程暂停令
工程名称:编号:
工程款支付证书
工程名称:编号:
工程临时延期审批表
工程名称:编号:
工程最终延期审批表
工程名称:编号:
费用索赔审批表
工程名称:编号:
监理工作联系单
工程名称:编号:
工程变更单
工程名称:编号:
1、施工阶段监理工作的基本表式目录(1)A类表(承包单位用表)
A1工程开工/复工报审表
A2施工组织设计(方案)报审表
A3分包单位资格报审表
A4 报验申请表
A5工程款支付申请表
A6监理工程师通知回复单
A7工程临时延期申请表
A8费用索赔申请表
A9工程材料/构配件/设备报审表
A10工程竣工报验单
(2)B类表(监理单位用表)
B1监理工程师通知单
B2工程暂停令
B3工程款支付证书
B4工程临时延期审批表
B5工程最终延期审批表
B6费用索赔审批表
(3)C类表(各方通用表)
C1监理工作联系单
C2工程变更单
(4)监理月报表
2、详细表格。
见证取样记录新范文日期:[日期]见证人:[见证人姓名]受检单位:[受检单位名称]一、目的本次见证取样的目的是为了确保取样的全过程符合相关的标准和要求,并保证取样结果的真实可靠。
二、检测项目和标准本次见证取样的检测项目为:[检测项目名称],标准为:[标准名称]。
三、现场情况1.受检单位位于:[受检单位地址],具体位置:[具体位置]。
2.现场见证人员:a.见证人员:[见证人员1姓名]b.受检单位代表:[受检单位代表姓名]c.其他人员:[其他人员姓名]3.见证取样设备及材料:a.取样设备:[取样设备名称],编号:[设备编号]b.取样材料:[取样材料名称],编号:[材料编号]4.现场环境:a.温度:[温度]b.湿度:[湿度]c.其他环境因素:[其他环境因素]四、见证过程1.见证前准备:a.见证人员核对取样设备和材料的型号、规格、编号等信息,确认其符合标准和要求。
b.检查受检单位提供的相关文件,包括但不限于检测方案、取样计划、实验室测试方法等,确认其完整和正确。
c.核对现场见证人员和受检单位代表的身份信息,确保身份真实可靠。
2.取样操作:a.受检单位代表根据取样计划指示,使用正确的取样设备和材料进行取样操作。
b.见证人员监督并记录取样过程中的关键环节,包括但不限于取样点的选择、取样方法和顺序、取样量等。
c.见证人员对取样设备和材料进行抽查,确保其正常使用和无污染。
3.样品封存:c.见证人员将封存后的样品送交受检单位代表,要求妥善保管并及时送交实验室。
4.见证结束:a.见证人员与受检单位代表共同确认见证过程的完整性和真实性。
b.见证人员与受检单位代表进行总结和交流,反馈现场发现的问题和建议。
c.见证人员签署见证报告,并将报告交予受检单位代表。
五、遇到的问题和建议1.在见证过程中遇到的问题:[问题描述]2.对受检单位的建议:[建议内容]六、后续处理1.见证人员将见证报告送交相关部门或人员进行审查和存档。
2.受检单位根据见证报告内容对问题进行整改并改善相关工作。
见证取样和见证送检记录施工单位:贵州建工集团第四建筑工程有限责任公司
见证取样和见证送检记录施工单位:贵州建工集团第四建筑工程有限责任公司
见证取样和见证送检记录施工单位:贵州建工集团第四建筑工程有限责任公司
见证取样和见证送检记录施工单位:贵州建工集团第四建筑工程有限责任公司
见证取样和见证送检记录施工单位:贵州建工集团第四建筑工程有限责任公司
见证取样和见证送检记录施工单位:贵州建工集团第四建筑工程有限责任公司
见证取样和见证送检记录施工单位:贵州建工集团第四建筑工程有限责任公司
见证取样和见证送检记录施工单位:贵州建工集团第四建筑工程有限责任公司。
表B3-5
见证取样记录表
工程名称:编号:
表B3-5
见证取样记录表
工程名称:编号:
表B3-5
见证取样记录表
工程名称:编号:
表B3-5
见证取样记录表
工程名称:
编号:
表B3-5
见证取样记录表
工程名称:编号:
表B3-5
见证取样记录表
工程名称
编号:
表B3-5
见证取样记录表
工程名称:编号:
表B3-5
见证取样记录表
工程名称:编号:
表B3-5
见证取样记录表
工程名称:编号:
表B3-5
见证取样记录表
工程名称:编号:
表B3-5
见证取样记录表
工程名称:编号:
表B3-5
见证取样记录表
工程名称:编号:
表B3-5
见证取样记录表
工程名称:编号:
表B3-5
见证取样记录表
工程名称编号:。