生产车间班组长绩效考核方案
- 格式:doc
- 大小:96.00 KB
- 文档页数:3
生产车间班组长绩效考核方案一.考核目的为加强生产车间班组建设,提高车间安全系数,保证企业经营目标的实现,同时,为各位班组长的薪资调整,晋升等提供准确客观的依据,特制定生产车间班组长绩效考核方案。
二.考核原则(一)公平公开原则1.人事考核标准、考核程序和考核责任都应存有明晰的规定且对企业内部全体员工官方。
2.考评一定要建立在客观事实的基础上进行评价,尽量避免掺入主观性和感情色彩。
3.企业生产车间所有班组长都必须拒绝接受考核,同一岗位的考核继续执行相同的标准。
(二)定期化和制度化绩效考核制度做为人力资源管理的一项关键的制度,企业所有员工都必须严格遵守继续执行。
将车间班组长考核分成每日考核、周考核和季度考核。
(三)沟通交流和意见反馈考评结束后,相关领导应及时对被考评者进行沟通,将考评结果告知被考评者。
并向其进行说明解释,肯定成绩和进步,如有不足,说明不足之处,提出今后努力方向的参考意见等,同时应认真听取被考评者的意见和建议,解决所面对的问题,共同制定下一阶段的工作计划。
三.考核标准班组长的目标值设定在生产安全和卫生、生产质量和数量,以及生产的损耗等工作业绩。
通过是否达到目标值来进行相对应的绩效加薪。
职工奖惩条例为维护公司劳动纪律和各项制度,保障公司工作的正常进行,激励职工的敬业精神,特制定本条例。
一、奖励类别奖励分成:嘉奖、大功、大功三种和年终评奖。
严惩分成:警告、大过、小过、免职四种。
二、惩罚事件在小功以下者,由部门经理经理签发《职工奖罚审批表》生效。
奖罚事件在大功或大过以上者,由总经理在调查核实后,签批《职工奖惩审批表》生效。
三、《职工奖惩审批表》生效后,须留言备案在《职工奖惩记录表》中,以供存查,大功或小过以上者在规定的张贴处张贴布告。
四、职工存有以下情形之一者,不予嘉奖:1.积极维护公司荣誉,在客户中树立良好公司形象和口碑。
2.认真勤奋、承办、执行、或督导工作得力者。
3.工作勤奋,超额完成工作任务者,当月被评选为优秀员工者。
车间班组长考评方案一、背景介绍车间班组长是企业生产管理中的重要角色,负责管理和组织车间内的生产工作。
为了提高班组长的绩效和推动车间生产的稳定发展,制定一套科学合理的车间班组长考评方案势在必行。
二、考评目的1. 评估班组长的管理能力和工作表现,发现问题并及时改进。
2. 激励班组长积极进取,提高工作效率和质量。
3. 建立公正公平的考评机制,提高员工的工作满意度和归属感。
三、考评指标1. 生产管理能力:包括生产计划制定与执行、生产进度控制、生产线协调等能力。
2. 质量管理能力:包括产品质量控制、质量问题处理能力、质量改进意识等能力。
3. 安全管理能力:包括安全意识、安全操作规范、事故处理能力等能力。
4. 团队协作能力:包括班组内部沟通协调、员工关系管理、团队建设等能力。
5. 绩效考核:包括实际生产完成情况、质量达标情况、安全事故发生情况等指标。
四、考评方法1. 定期考评:每季度进行一次考评,以季度为单位进行综合评定。
2. 考评表:制定统一的考评表,将各项指标具体化、量化,方便评分和评定。
3. 评分标准:根据各项指标的重要性和权重,制定评分标准,确保评分公正合理。
4. 自评和上级评定相结合:班组长首先进行自评,然后由上级领导对其进行评定。
5. 综合评定:根据各项指标的得分,计算出班组长的综合得分,并按照得分排名确定奖惩措施。
五、考评结果的运用1. 激励机制:根据考评结果,对绩效优秀的班组长赋予奖励,如表彰、晋升等。
2. 培训和提升:根据考评结果,针对班组长的不足之处,制定个性化的培训计划,提升其能力和水平。
3. 绩效考核:考评结果作为班组长的绩效考核依据,与薪酬激励挂钩,激发其积极性和工作动力。
4. 经验分享:将考评结果作为班组长之间的经验分享和学习交流的内容,促进班组长之间的共同进步。
六、考评方案的实施1. 员工培训:在制定考评方案前,对班组长进行培训,使其了解考评标准和方法。
2. 方案宣贯:将考评方案公示于车间内,让班组长和员工都了解考评的内容和要求。
生产部班组长薪资及绩效考核方案(试行)为提高生产部班组长的管理水平和调动班组的积极性,特制定了生产部班组长薪资及绩效考核管理办法。
具体来说,班组长的薪资构成包括基本工资和考核工资,其中基本工资以本班组计件人员的月计件薪酬平均值乘以本责任组长的岗位系数为基础。
考核工资则是根据计件总工资、计件时间、组长上班时间和满勤员工平均上班时间以及考核系数计算得出的。
生产调度及生产主管的薪资构成也是基于类似的计算方式。
月计件薪酬总和已经包含了平时和星期日加班在内的加班薪酬支出。
各岗位人员的岗位系数分配见表1.考核方法方面,后道工序班组长的考核方法细则包括安全管理和生产成本管理。
安全管理方面,如果本班组当月没有安全事故,则班组长会获得当月考核系数的0.02的奖励。
如果发生安全事故,直接经济损失在500元以下,则班组长当月考核系数会扣0.01/次。
如果经济损失在500元以上且5000元以下,则班组长当月考核系数会扣0.02/次。
如果经济损失在5000元以上,则班组长当月考核系数会扣0.04/次。
如果员工在上班期间喝酒或穿拖鞋而班组长没有及时发现,则正副线长当月考核系数会扣0.01/次。
生产成本管理方面,班组长安排不当导致员工私自拉货或抢货生产,则当班班组长当月考核系数会扣0.01/次。
班组长安排不当导致未按时完成生产任务或延误交货,导致客户停线投诉,则当班班组长当月考核系数会扣0.02/次。
班组长安排不当导致未按时完成生产任务或延误交货,导致客户停线并罚款,则当班班组长当月考核系数会扣0.04/次。
数据来源有业务部和生产部提供。
在质量保证方面,若当月班组没有品质不良投诉,则奖励当班班组长当月考核系数0.05.但若班组员工在作业过程中因人为低级错误导致不良,如贴错小票、配错面、数量不符等,由生产内部或品质部门发现,班组长当月考核系数将扣除0.01/次;若送到客户并投诉,则扣除0.02/次;若因品质问题造成损失达到《中山华力包装有限公司质量管理条例》处罚标准,则应扣除考核系数和质量处罚并罚。
生产车间班组长绩效考核方案生产车间班组长绩效考核方案一.考核目的为加强生产车间班组建设,提高车间安全系数,保证企业经营目标的实现,同时,为各位班组长的薪资调整,晋升等提供准确客观的依据,特制定生产车间班组长绩效考核方案。
二.考核原则(一)公平公开原则1.人事考评标准、考评程序和考评责任都应当有明确的规定且对企业内部全体员工公开。
2.考评一定要建立在客观事实的基础上进行评价,尽量避免掺入主观性和感情色彩。
3.企业生产车间所有班组长都要接受考核,同一岗位的考核执行相同的标准。
(二)定期化和制度化绩效考核制度作为人力资源管理的一项重要的制度,企业所有员工都要遵守执行。
将车间班组长考核分为每日考核、周考核和季度考核。
(三)沟通和反馈考评结束后,相关领导应及时对被考评者进行沟通,将考评结果告知被考评者。
并向其进行说明解释,肯定成绩和进步,如有不足,说明不足之处,提出今后努力方向的参考意见等,同时应认真听取被考评者的意见和建议,解决所面对的问题,共同制定下一阶段的工作计划。
三.考核标准班组长的目标值设定在生产安全和卫生、生产质量和数量,以及生产的损耗等工作业绩。
通过是否达到目标值来进行相对应的绩效加薪。
职工奖惩条例为维护公司劳动纪律和各项制度,保障公司工作的正常进行,激励职工的敬业精神,特制定本条例。
一、奖励类别奖励分为:嘉奖、小功、大功三种和年终评奖。
惩处分为:警告、小过、大过、除名四种。
二、惩罚事件在小功以下者,由部门经理经理签发《职工奖罚审批表》生效。
奖罚事件在大功或大过以上者,由总经理在调查核实后,签批《职工奖惩审批表》生效。
三、《职工奖惩审批表》生效后,须转发登记在《职工奖惩记录表》中,以备存查,大功或大过以上者在规定的张贴处张贴告示。
四、职工有下列情形之一者,予以嘉奖:1. 积极维护公司荣誉,在客户中树立良好公司形象和口碑。
2. 认真勤奋、承办、执行、或督导工作得力者。
3. 工作勤奋,超额完成工作任务者,当月被评为优秀员工者。
车间班组长考评方案一、背景介绍车间班组长是企业生产车间中的重要管理岗位,其工作表现直接影响到车间的生产效率和质量。
为了提高车间班组长的综合素质和管理能力,制定一套科学合理的考评方案,对车间班组长进行定期考核和评价是非常必要的。
二、考评指标1. 生产管理能力- 生产计划执行情况:按时完成生产计划的能力。
- 生产线平衡能力:合理安排生产线,确保生产效率和质量。
- 生产安全管理:对生产过程中的安全风险进行有效控制和管理。
2. 人员管理能力- 人员培训和技能提升:组织并参与员工培训,提升员工的专业技能水平。
- 团队建设和协作能力:能够有效组织班组成员,促进团队协作,提高工作效率。
- 岗位责任意识:能够明确班组成员的工作职责,并进行有效的工作分配。
3. 绩效管理能力- 产品质量控制:确保产品质量符合标准要求。
- 生产效率提升:通过优化工艺流程和管理方法,提高生产效率。
- 成本控制:合理控制生产成本,提高企业盈利能力。
4. 沟通协调能力- 上下级沟通:与上级领导保持良好的沟通,及时汇报工作进展和问题。
- 同级协调:与其他班组长进行协调合作,解决共同面临的问题。
- 下级沟通:与班组成员进行有效沟通,了解他们的需求和问题。
5. 自我学习和提升能力- 学习能力:具备主动学习的意识和能力,不断提升自己的专业知识和技能。
- 创新能力:能够提出创新性的解决方案,改进工作方法和流程。
- 自我反思和总结能力:能够对自己的工作进行及时反思和总结,不断改进自身。
三、考评方法1. 考评周期:每半年进行一次考评。
2. 考评方式:采用360度评估的方式,包括上级评估、同级评估、下级评估和自我评估。
3. 考评工具:制定相应的评估表,涵盖各项考评指标,评分标准明确。
四、考评流程1. 上级评估:由车间主任或相关领导对班组长进行评估,主要评估其工作表现和管理能力。
2. 同级评估:由其他班组长对被评估班组长进行评估,主要评估其团队协作和沟通能力。
车间班组长KPI考核一、背景介绍车间班组长是企业生产车间中的重要职位,负责管理和组织车间生产工作。
为了评估车间班组长的工作表现和能力,制定了一套KPI(关键绩效指标)考核体系。
二、考核指标及权重1. 生产效率(权重:30%)- 完成生产计划的及时性和准确性- 产品质量合格率- 生产线利用率2. 人员管理(权重:25%)- 班组员工的培训和发展计划- 班组员工的绩效评估和激励措施- 班组员工的工作积极性和团队合作精神3. 安全生产(权重:20%)- 班组员工的安全培训和意识- 事故发生率和事故处理能力- 安全操作规范的执行情况4. 成本控制(权重:15%)- 原材料和能源的节约利用- 生产过程中的废品率控制- 生产设备的维护和保养成本控制5. 技术创新(权重:10%)- 推动新技术的引进和应用- 提出改进生产工艺的方案- 参预技术研发和创新项目6. 问题解决(权重:10%)- 及时解决生产过程中的问题和障碍- 提出改进生产效率的建议- 处理员工的投诉和纠纷三、考核流程1. 考核周期:每月一次2. 考核方式:综合评估和定量数据分析相结合3. 考核评分:根据各项指标的完成情况赋予得分,满分为100分4. 考核结果反馈:将考核结果以书面形式反馈给车间班组长,并进行面谈解释四、考核结果及奖惩措施1. 考核结果评定标准:- 90分及以上:优秀- 80-89分:良好- 70-79分:合格- 70分以下:不合格2. 奖励措施:- 优秀:奖励一定的绩效奖金,晋升机会优先考虑- 良好:奖励一定的绩效奖金,晋升机会适度考虑- 合格:一定的绩效奖金- 不合格:面谈警告,可能会影响晋升机会3. 惩罚措施:- 不合格:面谈警告,可能会影响绩效奖金,需要进行改进计划五、改进计划对于不合格的车间班组长,需要制定改进计划,明确改进目标和时间节点,并进行跟踪和评估。
改进计划的内容可以包括:- 提供相关培训和辅导- 重新分配工作职责和权限- 加强沟通和协调能力- 设立改进目标和考核指标六、总结车间班组长KPI考核是对车间班组长工作表现和能力的综合评估,通过合理设定考核指标和权重,能够激励班组长提高工作效率和管理能力,进而提高整个生产车间的运营效果。
生产车间班组长绩效考核方案一.考核目的为加强生产车间班组建设,提高车间安全系数,保证企业经营目标的实现,同时,为各位班组长的薪资调整,晋升等提供准确客观的依据,特制定生产车间班组长绩效考核方案.二.考核原则(一)公平公开原则1。
人事考评标准、考评程序和考评责任都应当有明确的规定且对企业内部全体员工公开.2.考评一定要建立在客观事实的基础上进行评价,尽量避免掺入主观性和感情色彩。
3。
企业生产车间所有班组长都要接受考核,同一岗位的考核执行相同的标准。
(二)定期化和制度化绩效考核制度作为人力资源管理的一项重要的制度,企业所有员工都要遵守执行。
将车间班组长考核分为每日考核、周考核和季度考核。
(三)沟通和反馈考评结束后,相关领导应及时对被考评者进行沟通,将考评结果告知被考评者。
并向其进行说明解释,肯定成绩和进步,如有不足,说明不足之处,提出今后努力方向的参考意见等,同时应认真听取被考评者的意见和建议,解决所面对的问题,共同制定下一阶段的工作计划。
三.考核标准班组长的目标值设定在生产安全和卫生、生产质量和数量,以及生产的损耗等工作业绩。
通过是否达到目标值来进行相对应的绩效加薪。
职工奖惩条例为维护公司劳动纪律和各项制度,保障公司工作的正常进行,激励职工的敬业精神,特制定本条例。
一、奖励类别奖励分为:嘉奖、小功、大功三种和年终评奖。
惩处分为:警告、小过、大过、除名四种。
二、惩罚事件在小功以下者,由部门经理经理签发《职工奖罚审批表》生效.奖罚事件在大功或大过以上者,由总经理在调查核实后,签批《职工奖惩审批表》生效。
三、《职工奖惩审批表》生效后,须转发登记在《职工奖惩记录表》中,以备存查,大功或大过以上者在规定的张贴处张贴告示。
四、职工有下列情形之一者,予以嘉奖:1。
积极维护公司荣誉,在客户中树立良好公司形象和口碑.2。
认真勤奋、承办、执行、或督导工作得力者.3。
工作勤奋,超额完成工作任务者,当月被评为优秀员工者。
车间班组长KPI考核引言概述:车间班组长是生产车间中的重要管理人员,其工作绩效直接影响到生产效率和质量。
为了更好地评估和激励班组长的工作表现,公司通常会制定一套KPI考核体系。
本文将详细介绍车间班组长KPI考核的内容和方法。
一、生产任务完成情况1.1 生产进度:班组长需要按照生产计划合理安排生产任务,确保生产进度顺利进行。
1.2 产量达成率:考核班组长是否能够按时完成生产任务,达到预定的产量标准。
1.3 废品率控制:班组长需要有效控制生产过程中的废品率,确保产品质量符合标准。
二、人员管理和培训2.1 人员配备:班组长需要根据生产任务合理安排人员,确保生产线的正常运转。
2.2 岗位培训:班组长需要对下属进行岗位培训,提高员工的技能水平和工作效率。
2.3 团队建设:班组长需要建立和谐的团队氛围,激励员工积极工作,提高团队凝聚力。
三、安全生产和环境管理3.1 安全意识:班组长需要加强员工的安全生产意识,确保生产过程中没有安全事故发生。
3.2 环境管理:班组长需要保持生产车间的整洁和环境卫生,确保员工工作环境良好。
3.3 紧急处理:班组长需要具备处理突发事件的能力,及时应对各种紧急情况。
四、成本控制和效益提升4.1 物料消耗:班组长需要控制物料的消耗,降低生产成本。
4.2 设备维护:班组长需要做好设备的维护保养工作,确保设备正常运转。
4.3 效益提升:班组长需要提出有效的改进建议,提高生产效率和产品质量。
五、绩效评估和奖惩机制5.1 KPI评估:公司需要定期对班组长的KPI进行评估,及时发现问题并采取措施改进。
5.2 奖励机制:公司需要建立奖励机制,激励表现优秀的班组长,提高其工作积极性。
5.3 惩罚机制:公司需要建立惩罚机制,对表现不佳的班组长进行处罚,促使其改进工作表现。
结语:车间班组长KPI考核是一项重要的管理工作,通过科学合理的考核体系,可以有效评估班组长的工作表现,激励其提高工作效率和质量,进而提升整个生产车间的综合绩效。
车间班组长考评方案一、背景介绍车间班组长是企业生产管理中的重要角色,负责组织、协调和管理车间的日常工作。
为了提高车间班组长的绩效和能力,制定一套科学合理的考评方案是必要的。
二、考评目的1. 评估车间班组长的工作表现,发现问题并提供改进机会。
2. 激励车间班组长提高工作质量和效率。
3. 为晋升、奖惩和薪酬调整提供依据。
三、考评指标1. 生产管理能力- 任务分配和协调能力- 生产计划执行情况- 生产线平衡和优化能力2. 团队管理能力- 团队组建和培养能力- 团队目标达成情况- 团队成员激励和沟通能力3. 质量管理能力- 产品质量监控和改进能力- 不良品率控制和降低能力- 客户投诉处理能力4. 安全管理能力- 安全意识和风险防控能力- 事故处理和应急响应能力- 安全培训和监督能力5. 绩效考核- 生产效率提升情况- 质量改进成果- 安全事故率控制情况四、考评流程1. 设定考评周期:一般为半年或一年。
2. 考评指标权重确定:根据车间班组长的职责和重要性,给予不同指标不同的权重。
3. 数据收集:收集车间班组长的工作数据和相关信息,包括生产计划完成情况、质量指标、安全记录等。
4. 考评评分:根据考评指标和权重,对车间班组长进行评分。
5. 结果通知和反馈:将考评结果通知车间班组长,并提供相关反馈和改进意见。
6. 绩效奖励和改进计划:根据考评结果,给予绩效奖励或制定改进计划,以激励车间班组长提高工作表现。
五、考评结果的应用1. 晋升和晋级:考评结果可作为晋升和晋级的重要依据。
2. 薪酬调整:根据考评结果,进行薪酬调整,激励优秀表现的车间班组长。
3. 奖惩机制:根据考评结果,制定奖惩机制,鼓励优秀表现,纠正不足。
六、考评方案的改进和优化1. 定期评估方案的有效性和公正性,根据实际情况进行调整。
2. 引入360度评价:除上级评价外,还可引入同事和下属的评价,全面了解车间班组长的工作表现。
3. 提供培训和发展机会:根据考评结果,制定个性化的培训和发展计划,帮助车间班组长提升能力。
制造企业公司车间班组长的绩效考核方案绩效考核方案是评价员工工作表现和业绩的重要工具,可以帮助企业提高员工的工作效率和质量,并激励员工不断提升自身能力和业绩。
下面是一个制造企业公司车间班组长的绩效考核方案的例子。
一、岗位背景分析二、绩效考核指标1.生产效率:衡量车间班组长带领团队完成产品生产任务的能力和效率。
指标:-生产任务完成数量和质量-生产效率提升情况-报废率控制情况-节省生产成本情况2.品质管理:衡量车间班组长质量管理的能力和品质保证的水平。
指标:-产品质量是否符合标准要求-不良品率控制情况-品质改进措施的落实情况3.人员管理:衡量车间班组长对团队成员的管理和指导能力。
指标:-团队员工的工作满意度调查结果-班组员工培训情况-班组员工绩效评估结果-班组员工的工作安全情况4.问题解决能力:衡量车间班组长处理突发问题和危机的能力。
指标:-处理问题的速度和准确度-突发问题的应对和解决效果-问题解决方案的创新性和有效性5.团队沟通协作能力:衡量车间班组长与其他部门和同事的沟通和协作能力。
指标:-沟通协作效果-跨部门协作质量-团队工作氛围和合作情况三、权重设置根据岗位职责和重要性,可以根据实际情况对各项指标进行权重设置。
例如:-生产效率:30%-品质管理:20%-人员管理:20%-问题解决能力:15%-团队沟通协作能力:15%四、绩效考核周期和过程可以将绩效考核周期设置为一年,每个季度进行一次考核评估,并及时给予员工反馈和奖惩。
考核过程可以包括:1.目标设定:根据岗位要求和企业目标,与班组长商定设定可量化的目标和任务,明确考核内容和标准。
2.数据收集:收集和整理相关指标数据和员工的工作表现,包括生产数据、质量数据、员工反馈等。
3.绩效评估:综合考核指标和数据,对班组长的绩效进行评估,并进行等级划分。
4.绩效反馈:与班组长进行绩效评估结果的沟通,分享优点和改进空间,并制定个人发展计划和奖励措施。
5.绩效奖惩:根据绩效评估结果,给予班组长相应的奖励或处罚,鼓励优秀表现和激励进步。
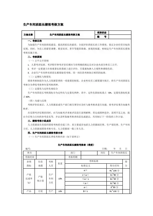
生产车间班组长绩效考核表生产车间班组长绩效考核表方案名称:生产车间班组长绩效考核实施方案一、考核目的:该方案旨在加强生产车间班组建设,提高班组长的素质,全面评价班组长的工作绩效,保证企业经营目标的实现。
同时,为员工的薪资调整、教育培训、晋升等提供准确、客观的依据。
二、考核原则:1.公平公开原则:人事考评标准、考评程序和考评责任都应当有明确的规定且对企业内部全体员工公开。
考评一定要建立在客观事实的基础上进行评价,尽量避免掺入主观性和感情色彩。
所有班组长都要接受考核,同一岗位的考核执行相同的标准。
2.定期化与制度化:绩效考核制度作为人力资源管理的一项重要的制度,企业所有员工都要遵守执行。
将生产车间班组长考核分为季度考核和年度考核两种。
3.定量化与定性化相结合:生产车间班组长考核指标分为定性化与定量化两种,其中,定性化指标权重占40%,定量化指标权重占60%。
4.沟通与反馈:考核评价结束后,XXX或生产部门相关领导应及时与被考核者进行沟通,将考评结果告知被考核者。
在反馈考评结果的同时,应当向被考评者就评语进行说明解释,肯定成绩和进步,说明不足之处,提出今后努力方向的参考意见等,并认真听取被考核者的意见或建议,共同制订下一阶段的工作计划。
三、绩效考核小组成员:XXX负责组织绩效考核的全面工作,其主要成员包括XXX经理、生产部经理、生产车间主任、XXX绩效考核专员、XXX一般工作人员。
四、生产车间班组长绩效考核内容:季度考核内容如下表所示。
考核指标包括业绩、质量、排单计划达成率等方面。
考核标准和得分区间也在表中列出。
其中,定量化指标权重占60%,定性化指标权重占40%。
生产车间班组长绩效考核表(季度)编号:日期:年月日姓名考核时间受控状态业绩指标信息来源考核人员权重部门考核周期考核标准标准定义得分区间A≥1.2 产值达成率(A)产值统计表生产车间主任 15% 生产 91~100分1≤A<1.2 81~90分0.9≤A<1 61~80分0.8≤A<0.9 51~60分A<0.8 0~50分岗位得分生产车间班组长质量合格率(B)产品月度生产检查表车间主任 40%B≥0.9 91~100分0.9>B≥0.8 81~90分0.8>B≥0.7 61~80分B<0.7 51~60分排单计划达成率(C)排单计划完成情况表生产车间主任 20%C≥0.9 91~100分0.9>C≥0.8 81~90分0.8>C≥0.7 61~80分C<0.7 51~60分定性化指标产品质量负责人评价产品质量检查表生产车间主任 40%优秀 91~100分良好 81~90分一般 61~80分差 51~60分以上就是生产车间班组长绩效考核方案的详细内容,希望能够对企业的管理提供帮助。
车间班组长考评方案标题:车间班组长考评方案引言概述:车间班组长是车间管理中至关重要的角色,其工作表现直接影响到生产效率和质量。
因此,制定科学合理的考评方案对于激发班组长的工作激情和提升管理水平至关重要。
一、考评指标的设定1.1 工作业绩:包括生产完成情况、质量控制、设备维护等方面的绩效表现。
1.2 团队管理能力:考察班组长对团队的管理和协调能力,包括人员调配、任务分配等。
1.3 创新能力:评估班组长在工作中提出的改进方案和创新意识。
二、考评方式的确定2.1 定期考核:每月对班组长的工作进行综合评价,及时发现问题并赋予指导。
2.2 360度评估:不仅由直接上级进行评定,还应包括同事、下属的评价,全面了解班组长的综合表现。
2.3 自评互评:班组长应对自己的工作进行客观评价,并与同事互相评价,促进共同进步。
三、考评标准的制定3.1 工作目标达成情况:根据设定的工作目标和指标,评估班组长的实际表现。
3.2 团队绩效:考核班组长带领团队完成的任务情况,包括生产效率、质量控制等。
3.3 创新成果:评估班组长在工作中提出的创新方案和改进措施的实施情况及效果。
四、考评结果的运用4.1 激励机制:根据考评结果赋予班组长相应的奖励和激励措施,激发其工作积极性。
4.2 培训需求:根据考评结果发现的问题,制定相应的培训计划,提升班组长的管理水平。
4.3 人材选拔:将考评结果作为选拔晋升班组长的重要参考依据,选拔出优秀的管理人材。
五、考评方案的改进5.1 定期评估:根据实际情况,定期评估考评方案的效果,及时调整和改进。
5.2 反馈机制:建立班组长对考评方案提出意见和建议的反馈机制,不断完善方案。
5.3 经验分享:定期组织班组长之间的经验分享会议,促进相互学习和提高。
结语:车间班组长考评方案的制定是车间管理的重要一环,惟独通过科学合理的考评方式和标准,才干激发班组长的工作热情,提升管理水平,实现生产效率和质量的双提升。
生产车间班组长考核方案背景介绍班组长是生产车间中的重要岗位,负责组织、协调和管理班组成员的工作。
为了提高班组长的工作质量和水平,需要制定科学合理的考核方案,对班组长进行全面评估。
考核目标1.提高班组长的工作效率和能力;2.促进班组成员的团队合作和协调;3.激励班组长积极主动地解决问题和改进工作;4.评估班组长在生产车间中的管理和领导能力。
考核内容考核内容主要包括以下几个方面:1.业绩指标:包括生产任务完成情况、生产效率提升、质量控制等;2.班组管理:包括班组人员调配、岗位分工、工作安排和协调;3.沟通协调:包括与其他班组、部门间的沟通和协调,以及与上级、下级员工之间的沟通;4.问题解决能力:包括快速准确地解决生产过程中的问题和难题;5.创新改进:包括提出改进建议、创新生产流程、降低成本等方面的能力;6.安全生产:包括班组的安全检查、安全培训和事故处理等。
考核方法为了全面客观地评估班组长的工作表现,可以采用以下方法进行考核:1.目标考核:制定每个季度的工作目标,根据目标完成情况进行评估;2.反馈评估:定期与班组成员进行沟通,了解他们对班组长工作的评价;3.360度评估:从上级、下级、同级以及其他相关部门的员工获取对班组长的评价;4.生产数据分析:通过分析生产数据,评估班组长在生产任务完成、生产效率等方面的表现;5.面试考核:与班组长进行面对面的考核,了解其知识、技能和工作经验。
考核结果与奖惩措施基于以上考核方法的评估结果,可以将班组长进行分类,如优秀、合格、亚优、不合格等。
根据考核结果,可以采取以下奖惩措施:1.奖励政策:对优秀和合格的班组长给予相应的奖励,如工资调整、晋升、表彰等;2.培训支持:针对亚优和不合格的班组长,提供相关培训和支持,帮助其提升工作能力;3.薪酬调整:根据评估结果,对不合格的班组长进行相应的薪酬调整;4.职务调整:对表现不佳的班组长可以进行岗位调整或者其他相关职务的调整。
考核周期考核周期一般为每个季度,每个季度末对班组长进行一次全面评估和考核。
生产车间班组长绩效考核方案范文一、考核目的为加强生产车间的班组建设提高班组长的素质全面评价班组长的工作绩效保证企业经营目标的实现同时为员工的薪资调整、教育培训、晋升等提供准确、客观的依据特制定生产车间班组长绩效考核实施方案二、考核原则(一)公平公开原则1.人事考评标准、考评程序和考评责任都应当有明确的规定且对企业内部全体员工公开2.考评一定要建立在客观事实的基础上进行评价尽量避免掺入主观性和感情色彩3.企业生产车间所有班组长都要接受考核同一岗位的考核执行相同的标准(二)定期化与制度化绩效考核制度作为人力资源管理的一项重要的制度企业所有员工都要遵守执行将生产车间班组长考核分为季度考核和年度考核两种(三)定量化与定性化相结合生产车间班组长考核指标分为定性化与定量化两种其中定性化指标权重占40%定量化指标权重占60%(四)沟通与反馈考核评价结束后人力资源部或生产部门相关领导应及时与被考核者进行沟通将考评结果告知被考核者在反馈考评结果的同时应当向被考评者就评语进行说明解释肯定成绩和进步说明不足之处提出今后努力方向的参考意见等并认真听取被考核者的意见或建议共同制订下一阶段的工作计划三、绩效考核小组成员人力资源部负责组织绩效考核的全面工作其主要成员包括人力资源部经理、生产部经理、生产车间主任、人力资源部绩效考核专员、人力资源部一般工作人员四、生产车间班组长绩效考核内容(一)生产车间班组长季度考核内容(如下表所示)生产车间班组长绩效考核表(季度)编号:日期:年月日姓名部门岗位生产车间班组长考核时间考核周期业绩指标信息来源考核人员权重考核标准得分标准定义得分区间产值达成率(A)产值统计表生产车间主任15%A≥1.291~100分 1≤A<1.281~90分0.9≤A<161~80分0.8≤A<0.951~60分A<0.80~50分产品质量合格达成率(B)月度产品质量检查表生产车间主任15%B≤191~100分 0.9≤B<181~90分0.8≤B<0.961~80分0.7≤B<0.851~60分B<0.70~50分排单计划达成率(C)日排单计划及日排单计划履行记录生产车间主任20%C≥0.991~100分0.8≤C<0.981~90分0.7≤C<0.861~80分0.6≤C<0.751~60分C<0.60~50分现场问题处理效果技术问题处理记录生产车间主任20%及时发现生产现场问题处理十分妥当没有造成任何损失91~100分及时发现生产现场问题处理得当造成的损失很小81~90分能够应对生产现场问题采取处理措施但造成一定损失61~80分未能及时发现生产现场问题处理措施一般但造成较大损失51~60分不能及时发现生产现场问题且处理措施不当造成很大损失0~50分领导综合满意度生产车间主任生产车间主任20%大大超过计划要求给公司带来预期外的较大收益90~100分超出计划要求超过公司预期目标80~90分达到计划的基本要求完成了基本目标70~80分未能达到计划的要求但尚未给公司带来较大损失60~70分远远未完成计划给公司的正常工作开展带来较大消极影响60分以下工作态度工作积极主动性及合作意识生产车间主任10%工作积极主动具有良好的团队合作精神80~100分能与同事较好合作及时完成工作70~80分能与同事相处工作偶尔有矛盾但能及时完成工作60~70分与人很难相处常有矛盾发生消极60分以下最终绩效得分生产车间主任评语签字:日期:年月日人力资源部评语签字:日期:年月日(二)生产车间班组长年度考核内容(如下表所示)生产车间班组长绩效考核表(年度)编号:日期:年月日姓名部门岗位生产车间班组长考核时间考核周期考核事项评分权重加权得分工作业绩50%工作能力30%工作态度20%综合得分工作业绩考核细则表资料来源月度考核汇总表人力资源部绩效考核专员季度考核得分平均值生产车间主任评语签字:日期:年月日人力资源部评语签字:日期:年月日五、考核周期对生产车间班组长的考核在绩效考核小组的直接领导下进行季度考核的时间一般是下一个季度开始第一个月的1~10日进行;年度考核时间为次年1月的5~20日进行六、考核实施绩效考核小组工作人员根据员工的实际工作情况展开评估员工本人将自己的述职报告于考核期间交于人力资源部人力资源部汇总并统计结果在绩效反馈阶段将考核结果告知被考核者本人七、考核结果的应用考核结果分为五等(划分标准如下表所示)其结果为人力资源部薪资调整、员工培训、岗位调整、人事变动等提供客观的依据绩效考核结果等级表ABCDE优秀好合格待提高差。
车间班组长考评方案一、背景介绍车间班组长是企业生产车间中的重要岗位,负责管理和指导一定数量的生产工人,协调车间生产进度,保证生产任务的完成。
为了提高车间班组长的绩效和能力,制定相应的考评方案是必要的。
二、考评目的1. 确定车间班组长的工作职责和任务,明确考评内容。
2. 评估车间班组长的绩效,发现问题,提出改进措施。
3. 激励车间班组长积极工作,提高工作动力。
4. 为晋升和奖惩提供依据。
三、考评指标1. 生产管理能力:包括生产计划制定与执行、生产进度控制、异常情况处理等。
2. 人员管理能力:包括员工培训、激励与奖惩、团队协作等。
3. 质量管理能力:包括产品质量监控、质量问题处理、质量改进等。
4. 安全管理能力:包括车间安全规范执行、事故预防与应急处理等。
5. 绩效考核:包括生产任务完成情况、生产效率提升、成本控制等。
6. 创新能力:包括提出改进意见、创新解决问题的能力。
四、考评流程1. 考评周期:每半年进行一次考评。
2. 考评方式:采用360度全方位评估方法,包括班组成员、上级主管、同事和下属的评价。
3. 考评工具:编制考评表格,包括各项指标和评分标准。
4. 考评程序:a. 考评前准备:确定考评指标和权重,培训评价人员。
b. 评价采集:评价人员根据考评表格对车间班组长进行评价。
c. 数据整理:汇总评价结果,计算得分。
d. 绩效评定:根据得分确定车间班组长的绩效等级。
e. 反馈与改进:将评价结果反馈给车间班组长,提出改进意见和培训需求。
五、考评结果与奖惩1. 绩效等级划分:根据得分,将车间班组长的绩效划分为优秀、良好、合格和不合格等级。
2. 奖励措施:对优秀和良好绩效的车间班组长赋予奖励,如奖金、荣誉证书等。
3. 激励机制:根据绩效等级,提供晋升机会和薪资调整。
4. 改进措施:对不合格绩效的车间班组长提出改进要求,并进行培训和辅导。
5. 处罚措施:对重大失职、违反规章制度或者造成严重后果的车间班组长进行相应处罚,如降职、罚款等。