细格栅及旋流沉砂池动力平面图
- 格式:pdf
- 大小:231.46 KB
- 文档页数:1
技术文件招标编号:(一级处理单元)招标人:招标代理机构:二○一七年三月目录一、格栅系统描述二、旋流沉砂系统描述三、技术要求四、供货范围及备品备件五、技术文件和图纸六、操作和维修手册七、投标方的职责八、售后服务及专用工具、润滑剂九、设计联络和人员培训一、系统描述1)粗格栅粗格栅与进水泵房合建,设计流量1万m3/d规模设计。
功能:去除污水中较大漂浮物,并拦截直径大于20mm的杂物,以保证提升系统正常运行。
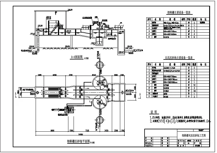
类型:钢筋砼直壁渠道数量:1座,渠道数2条设计总流量: Q=0.35m3/s尺寸:详见附图运行方式:连续运行2)细格栅细格栅与旋流沉砂池合建,按设计流量1万m3/d规模设计。
功能: 去除污水中漂浮物及直径大于6mm的较大固体物质,以保证生物处理及污泥处理系统正常运行。
类型: 钢筋砼直壁渠道数量: 1座,渠道数2条设计总流量: Q=0.35m3/s尺寸: 详见附图运行方式:连续运行二、旋流沉砂系统描述构筑物功能: 去除污水中密度较大的砂粒类型: 钢筋混凝土结构数量: 1座尺寸: 4.0m×17.2m×4.2m (具体见详图)设计参数: 总进水量10000m3/d有效水深:2000mm运行方式: 连续三、技术要求具体技术要求如下:1、格栅系统技术规范参照标准CJ/T 3048-1995 《平面格栅除污机》投标方使用的标准如果在本技术规定中没有规定,就应对所用的标准说明。
当推荐的标准与实施规则等效于或优于技术规定的要求时,该标准才可能为业主接受。
2、旋流沉砂系统技术规范GBJ303-88 《建筑电气安装工程质量检验评定标准》TJ305-75 《建筑安装工程质量检验评定标准—通用机械设备安装工程》GB50231-98 《机械设备安装工程施工及验收通用规范》SZ-06-99 《排水工程机电设备安装质量检验评定标准》GB50268-97 《给水排水管道工程施工及验收规范》投标方使用的标准如果在本技术规定中没有规定,就应对所用的标准说明。
集中区污水处理厂及配套管网工程计算书子项名称:--细格栅、提升泵站及平流沉砂池专业:计算:校对:审核:一、设计规模本次厂区近期规模(2020年)0.1×104m3/d,Kz=2.11,远期期工程总规模(2030年)0.2×104m3/d,Kz=1.93。
二、设计计算1、近期处理水量:最大时处理水量:0.1×104×2.11=2110m3/d=87.91m3/h=0.024m3/s平时处理水量:0.1×104m3/d=41.67m3/h=0.012m3/s2、远期期处理水量:最大时处理水量:0.2×104×1.93=3860 m3/d=160.83m3/h=0.045m3/s平时处理水量:0.2×104m3/d=83.33m3/h=0.023m3/s三、设计计算本工程设一组细格栅,采用提篮格栅。
1.细格栅远期最大处理水量:Q max=3860m3/d,分两格,每格Q1=1930m3/d=0.022m3/s远期平时处理水量:Q平时=2000m3/d,分两格,每格Q2=1000m3/d=0.012m3/s近期最大时处理水量:Q max =2110 m3/d,单格运行,每格=0.024 m3/s近期平时处理水量:Q平时=1000 m3/d,单格运行,每格=0.012m3/s所以每格过水流量为1000~2110m3/d,据此选型号为HF700回转式格栅除污机机,格栅间隙b=20mm,允许过栅流量800~2600m3/d,过栅流速v=0.5~1.0m/s,安装角度α=75º,电机功率1.1kW,渠宽700mm,栅前水位1.00m,过栅水头损失取0.10m。
粗格栅:栅条间隙b=20mm,栅条宽度S=10mm,渠宽B’=700mm;栅槽有效宽度B=700-100=600mm,格栅安装角度75o,经计算得:B=S(n-1)+bn,B Sns b+=+=20.3取栅条间隙数:n=21,栅前水深:h=1.0m;校核栅前渠道内实际流速:v=Q max√sin∝bnℎ=0.55m/s根据厂家提供资料,取h1=0.1m,则栅后水深为:1.0-0.1=0.9m;设栅渣量为每1000m3污水产0.05m3,估算每日栅渣量(近期)W =Q max ×W 1×86400K z ×1000=0.05m 3/d ;2. 提升泵站水泵选型出水采用水泵进行提升,进入旋流沉砂池出水端。
1、方案编制依据:1)设计图纸本工程为A/A/O池工程2)国家规范国家颁布的有关建筑结构现行规范、规程、规定:《建筑结构可靠度设计统一标准》GB50068-2001《建筑结构荷载规范》(2006年版)GB50009-2001《建筑抗震设计规范》GB50011-2001《混凝土结构设计规范》GB50010-2002《建筑地基基础设计规范》GB50007-2002《给水排水工程构筑物结构设计规范》GB50069-2002《给水排水工程钢筋混凝土水池结构设计规范》CECS138:2002《混凝土碱含量限值标准》CECS53:93《混凝土外加剂应用技术规范》GB50119-20032、工程概况:1)总的工程概况:本工程占地面积17000平方米主要建、构筑物:粗格栅及提升泵房、细格栅间及旋流沉砂池、生化池、二沉池、二沉污泥泵站、接触消毒池及中间水池、过虑车间、加氯间、鼓风机房、脱水机房及加药间、配电间、综合楼进水经粗格栅去除较大悬浮物后,自流进入提升泵房内集水池,出水用泵提升进入细格栅及旋流沉砂池,进一步去除水中悬浮物及无机砂粒,出水自流进入生化池,在活性污泥的作用下,进行生化处理,去除污水中有机物,氨氮及磷等大部分污染物,出水自流入二沉池进行固液分离,上清液经中间水池提升泵提升入过滤罐进行过滤,进一步去除悬浮物等污染物,过滤出水经接触消毒池消毒后达标排放。
二沉池沉淀污泥自流入二沉污泥泵站,部分污泥经回泫污泥回流至生化池,剩余污泥经泵提升入污泥池,然后用螺杆泵提升带式式浓缩脱水机进行浓缩脱水。
2)本单位工程概况:一、设计概况:本工程为A/A/O池工程,本工程为结构设计使用所限为50年,建筑结构的安全等级为二级;抗震设防烈度6度。
本工程地基基础设计等级为丙级,混凝土结构的环境类别为二b类。
本工程设计标高±0.0相对应的绝对高程104.5。
主体各构件各部位混凝土强度等级为C30,采用S8抗渗混凝土(可掺加外加剂),F200抗冻,混凝土防水剂掺量严格按厂家提供资料掺加。
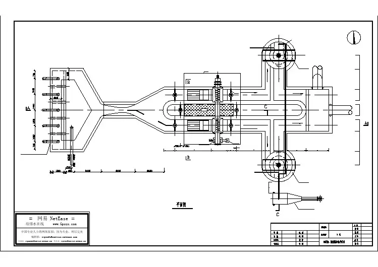
旋流沉砂池的排砂系统设计目前,城市污水处理厂的沉砂池基本上采用两种类型:一种是应用比较广泛的曝气沉砂池,通过池中一侧的空气管控制曝气,使污水形成具有一定速度的前进旋流(垂直于水流方向),这种池型具有稳定的除砂效果;另一种是利用水力涡流除砂的旋流沉砂池(其旋流与水流方向基本一致),具有池型简单、占地省、运行费用低、除砂效果好等优点,已越来越受到人们的重视。
旋流沉砂池的排砂目前采用两种形式,一种是靠砂泵排砂,其优势在于设备少、操作简便,但砂泵的磨损问题也越来越受到用户的关注;另一种是气提排砂,其优势在于系统可靠、耐用,但设备相对较多。
合肥市王小郢污水处理厂是安徽省第一座大型城市污水处理厂,一期工程规模为15×104m3/d,已于1998年投产运行,运行效果良好;二期工程又增加15×104m3/d,已在2001年的下半年投入使用,一、二期工程均采用气提排砂的旋流沉砂池。
1 概况该工程设旋流沉砂池2座、砂水分离器2台,由奥地利NEVHOLD 提供成套设备,其中空压机(2台)采用德国Aerzen的产品。
具体设备参数如下:①旋流沉砂池直径为5480 mm,池深为4 750 mm,单池处理量为4100m3/h,桨叶直径(可调试)为(1500±150) mm,转速为n=12r/min。
②空压机型号为GM3S,Q=109m3/h,H=8 m。
③砂水分离器型号为SAK—250,Q=30m3/h,安装闭度为30°,固体负荷为1m3/h。
④空气提升泵(Q=50m3/h)2台。
其工艺布置见图1。
2 工作原理通过细格栅的进水以切线方向流入沉砂池,出水则沿径向流出,桨叶以12 r/min的速度均匀转动以保持池体内水流具有0.3~0.4 m/s的平均流速。
由于水力原因将使砂粒沉入沉砂池的料斗底部,经气提排出并进入砂水分离器,进一步固液分离后的污水将进入厂区污水管道。
3 运行控制沉砂池的系统控制可以分成手动和自动,自动控制由现场的控制箱和PLC进行。