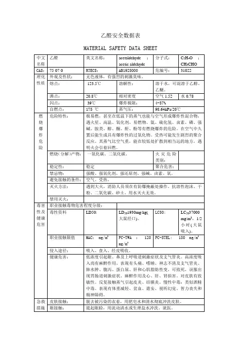
乙醛的理化性质及危险有害特性表(精品)
- 格式:doc
- 大小:43.50 KB
- 文档页数:3
急性毒性吸入3类
急性毒性经皮 3类
皮肤腐蚀/刺激 1C类
对水环境危害急性2类
警示词:危险
象形图编码:GHS02 GHS06 GHS05
象形图:
危险说明:
可能引起呼吸道刺激及支气管炎
可引起严重的皮肤灼伤和眼睛损伤
可引起胃肠道刺激及心、肝、肾损害
可引起贫血、听幻觉和精神障碍
对水生生物有毒
防范说明:
预防措施:贮于阴凉、通风良好的专用库房或储罐内,远离火种、热源,防止破损;操作时禁止使用易产生火花的机械设备和工具;储存区应备有泄漏应急处理设备和合适的收容材料。
应急响应:
如误食:立即饮用大量温水,催吐,就医。
如皮肤沾染:立即脱去污染的衣服,用肥皂水及清水彻底冲洗。
如发生皮肤刺激:就医。
如进入眼睛:立即提起眼脸,用大量流动清水彻底冲洗。
职业危害告知卡(乙醛)职业危害告知卡(乙醛)一、危害特性乙醛(化学式:CH3CHO)是一种无色液体,具有刺激性气味。
下面是乙醛的主要危害特性:1. 刺激性作用:乙醛具有较强的刺激性,可引起眼睛、鼻腔、喉咙和皮肤的刺激感。
长时间暴露于乙醛环境中会导致眼睛红肿、刺痛,鼻腔和喉咙不适,皮肤发炎等症状。
刺激性作用:乙醛具有较强的刺激性,可引起眼睛、鼻腔、喉咙和皮肤的刺激感。
长时间暴露于乙醛环境中会导致眼睛红肿、刺痛,鼻腔和喉咙不适,皮肤发炎等症状。
2. 致癌物质:长期暴露于乙醛环境中可能对人体健康造成潜在的致癌风险。
乙醛被国际癌症研究机构(IARC)评为2A类致癌物质,即“可能对人类有致癌风险”。
致癌物质:长期暴露于乙醛环境中可能对人体健康造成潜在的致癌风险。
乙醛被国际癌症研究机构(IARC)评为2A类致癌物质,即“可能对人类有致癌风险”。
3. 易燃性:乙醛易燃,能与空气形成可燃混合物,在明火、高温或强氧化剂的作用下,可能引发火灾或爆炸。
易燃性:乙醛易燃,能与空气形成可燃混合物,在明火、高温或强氧化剂的作用下,可能引发火灾或爆炸。
二、接触途径与防护措施乙醛的主要接触途径包括吸入、皮肤接触和食入。
为保护自身健康,以下是应采取的防护措施:1. 吸入防护:在乙醛浓度较高的环境中工作时,应佩戴防护口罩,以减少乙醛吸入量。
保持室内通风良好,确保空气流通,降低乙醛浓度。
吸入防护:在乙醛浓度较高的环境中工作时,应佩戴防护口罩,以减少乙醛吸入量。
保持室内通风良好,确保空气流通,降低乙醛浓度。
2. 皮肤接触防护:在操作乙醛或存在乙醛泄漏的场所,应穿戴防护服、防护手套和防护鞋,避免乙醛接触皮肤。
如接触乙醛,应立即用大量清水冲洗受影响部位,并及时就医。
皮肤接触防护:在操作乙醛或存在乙醛泄漏的场所,应穿戴防护服、防护手套和防护鞋,避免乙醛接触皮肤。
如接触乙醛,应立即用大量清水冲洗受影响部位,并及时就医。
3. 食入防护:切勿将乙醛放入口中或误食,避免因误食乙醛而导致中毒。
危险化学品安全技术特性(乙醛)第一部分化学品及企业标识中文名:乙醛;醋醛英文名:Acetaldehyde;Acetic aldehyde分子式:C2H4O分子量:44.05CAS号:75-07-0危险性类别:第3.1类低闪点易燃液体化学类别:醛第二部分主要组成与性状主要成分:纯品外观与性状:无色液体,有强烈的刺激臭味。
高于69℉(21℃)为气体。
主要用途:用于制造醋酸、醋酐和合成树脂。
第三部分健康危害侵入途径:吸入食入经皮吸收健康危害:低浓度引起眼、鼻及上呼吸道刺激症状及支气管炎。
高浓度吸入有麻醉作用。
表现有头痛、嗜睡、神志不清及支气管炎、肺水肿、蛋白尿及心肌脂肪性变。
可致死。
误服出现胃肠道刺激症状、麻醉作用及心、肝、肾损害。
对皮肤有致敏性。
反复接触蒸气引起皮炎、结膜炎。
慢性中毒:表现有体重减轻、贫血、谵妄、听幻觉、智力丧失和精神障碍。
第四部分急救措施皮肤接触:脱去污染的衣着,用肥皂水及清水彻底冲洗。
眼睛接触:立即提起眼睑,用大量流动清水彻底冲洗。
吸入:迅速脱离现场至空气新鲜处。
保持呼吸道通畅。
必要时进行人工呼吸。
就医。
如果呼吸困难,给予吸氧。
食入:误服者给饮大量温水,催吐,就医。
注意患者保暖并且保持安静。
吸入、食入或皮肤接触该物质可引起迟发反应。
确保医务人员了解该物质相关的个体防护知识,注意自身防护。
第五部分燃爆特性与消防燃烧性:易燃建规火险分级:甲闪点(℃):-39℃(闭杯);-50℃(开杯)自燃温度(℃):140爆炸下限(V%):4.0爆炸上限(V%):57.0危险特性:其蒸气与空气形成爆炸性混合物,遇明火、高热极易燃烧爆炸。
与氧化剂能发生强烈反应。
其蒸气比空气重,能在较低处扩散到相当远的地方,遇火源引着回燃。
若遇高热,可能发生聚合反应,出现大量放热现象,引起容器破裂和爆炸事故。
灭火方法:泡沫、二氧化碳、干粉、砂土。
用水灭火无效。
消防器具(包括SCBA)不能提供足够有效的防护。
若不小心接触,立即撤离现场,隔离器具,对人员彻底清污。
化学品安全技术说明书第一部分化学品及企业标识化学品中文名:乙醛;醋醛化学品英文名:acetaldehyde;acetic aldehyde企业名称:生产企业地址:邮编: 传真:企业应急电话:电子邮件地址:技术说明书编码:第二部分成分/组成信息√纯品混合物有害物成分浓度CAS No.乙醛75-07-0第三部分危险性概述危险性类别:第3.1类低闪点液体侵入途径:吸入、食入健康危害:急性中毒低浓度引起眼、鼻及上呼吸道刺激症状及支气管炎。
高浓度吸入尚有麻醉作用。
表现有头痛、嗜睡、神志不清及支气管炎、肺水肿、腹泻、蛋白尿肝和心肌脂肪性变。
可致死。
误服出现胃肠道刺激症状、麻醉作用及心、肝、肾损害。
对皮肤有致敏性。
反复接触蒸气引起皮炎、结膜炎。
慢性中毒类似酒精中毒。
表现有体重减轻、贫血、谵妄、视听幻觉、智力丧失和精神障碍。
环境危害:对大气可造成污染,对水生生物有毒作用。
燃爆危险:极易燃,其蒸气与空气混合,能形成爆炸性混合物。
在空气中久置后能形成有爆炸性的过氧化物。
容易自聚。
第四部分急救措施皮肤接触:脱去污染的衣着,用肥皂水和清水彻底冲洗皮肤。
如有不适感,就医。
眼睛接触:提起眼睑,用流动清水或生理盐水冲洗。
如有不适感,就医。
吸入:迅速脱离现场至空气新鲜处。
保持呼吸道通畅。
如呼吸困难,给输氧。
呼吸、心跳停止,立即进行心肺复苏术。
就医。
食入:饮水,禁止催吐。
如有不适感,就医。
第五部分消防措施危险特性:极易燃,甚至在低温下的蒸气也能与空气形成爆炸性混合物,遇火星、高温、氧化剂、易燃物、氨、硫化氢、卤素、磷、强碱、胺类、醇、酮、酐、酚等有燃烧爆炸危险。
在空气中久置后能生成有爆炸性的过氧化物。
受热可能发生剧烈的聚合反应。
蒸气比空气重,沿地面扩散并易积存于低洼处,遇火源会着火回燃。
有害燃烧产物:一氧化碳。
灭火方法:用抗溶性泡沫、二氧化碳、干粉、砂土灭火。
灭火注意事项及措施:消防人员必须佩戴空气呼吸器、穿全身防火防毒服,在上风向灭火。
化学品安全技术说明书化学品中文名:乙醛; 醋醛化学品英文名:acetaldehyde; acetic aldehyde企业名称:生产企业地址:邮编: 传真:企业应急电话:电子邮件地址:技术说明书编码:√纯品混合物有害物成分浓度CAS No.乙醛75-07-0危险性类别:第3.1类低闪点液体侵入途径:吸入、食入健康危害:急性中毒低浓度引起眼、鼻及上呼吸道刺激症状及支气管炎。
高浓度吸入尚有麻醉作用。
表现有头痛、嗜睡、神志不清及支气管炎、肺水肿、腹泻、蛋白尿肝和心肌脂肪性变。
可致死。
误服出现胃肠道刺激症状、麻醉作用及心、肝、肾损害。
对皮肤有致敏性。
反复接触蒸气引起皮炎、结膜炎。
慢性中毒类似酒精中毒。
表现有体重减轻、贫血、谵妄、视听幻觉、智力丧失和精神障碍。
环境危害:对大气可造成污染,对水生生物有毒作用。
燃爆危险:极易燃,其蒸气与空气混合,能形成爆炸性混合物。
在空气中久置后能形成有爆炸性的过氧化物。
容易自聚。
皮肤接触:脱去污染的衣着,用肥皂水和清水彻底冲洗皮肤。
如有不适感,就医。
眼睛接触:提起眼睑,用流动清水或生理盐水冲洗。
如有不适感,就医。
吸入:迅速脱离现场至空气新鲜处。
保持呼吸道通畅。
如呼吸困难,给输氧。
呼吸、心跳停止,立即进行心肺复苏术。
就医。
食入:饮水,禁止催吐。
如有不适感,就医。
危险特性:极易燃,甚至在低温下的蒸气也能与空气形成爆炸性混合物,遇火星、高温、氧化剂、易燃物、氨、硫化氢、卤素、磷、强碱、胺类、醇、酮、酐、酚等有燃烧爆炸危险。
在空气中久置后能生成有爆炸性的过氧化物。
受热可能发生剧烈的聚合反应。
蒸气比空气重,沿地面扩散并易积存于低洼处,遇火源会着火回燃。
有害燃烧产物:一氧化碳。
灭火方法:用抗溶性泡沫、二氧化碳、干粉、砂土灭火。
灭火注意事项及措施:消防人员必须佩戴空气呼吸器、穿全身防火防毒服,在上风向灭火。
尽可能将容器从火场移至空旷处。
喷水保持火场容器冷却,直至灭火结束。
处在火场中的容器若已变色或从安全泄压装置中产生声音,必须马上撤离。
乙醛安全技术说明书第一部分:化学品名称化学品中文名称:乙醛化学品英文名称:acetaldehyde中文名称2:醋醛英文名称2:acetic aldehyde技术说明书编码:398CAS No.:75-07-0分子式:C2H4O分子量:44.05第二部分:成分/组成信息有害物成分含量CAS No.乙醛75-07-0第三部分:危险性概述危险性类别: 3.1类易燃液体健康危害:低浓度引起眼、鼻及上呼吸道刺激症状及支气管炎。
高浓度吸入尚有麻醉作用。
表现有头痛、嗜睡、神志不清及支气管炎、肺水肿、腹泻、蛋白尿肝和心肌脂肪性变。
可致死。
误服出现胃肠道刺激症状、麻醉作用及心、肝、肾损害。
对皮肤有致敏性。
反复接触蒸气引起皮炎、结膜炎。
慢性中毒:类似酒精中毒。
表现有体重减轻、贫血、谵妄、视听幻觉、智力丧失和精神障碍。
环境危害:对环境有危害,对水体可造成污染。
燃爆危险:本品极度易燃,具刺激性,具致敏性。
第四部分:急救措施皮肤接触:脱去污染的衣着,用肥皂水和清水彻底冲洗皮肤。
眼睛接触:提起眼睑,用流动清水或生理盐水冲洗。
就医。
吸入:迅速脱离现场至空气新鲜处。
保持呼吸道通畅。
如呼吸困难,给输氧。
如呼吸停止,立即进行人工呼吸。
就医。
食入:饮足量温水,催吐。
就医。
第五部分:消防措施危险特性:极易燃,甚至在低温下的蒸气也能与空气形成爆炸性混合物,遇火星、高温、氧化剂、易燃物、氨、硫化氢、卤素、磷、强碱、胺类、醇、酮、酐、酚等有燃烧爆炸危险。
在空气中久置后能生成有爆炸性的过氧化物。
受热可能发生剧烈的聚合反应。
其蒸气比空气重,能在较低处扩散到相当远的地方,遇火源会着火回燃。
有害燃烧产物:一氧化碳、二氧化碳。
灭火方法:遇到大火,消防人员须在有防爆掩蔽处操作。
抗溶性泡沫、二氧化碳、干粉、砂土。
用水灭火无效。
第六部分:泄漏应急处理应急处理:迅速撤离泄漏污染区人员至安全区,并进行隔离,严格限制出入。
切断火源。
建议应急处理人员戴自给正压式呼吸器,穿防静电工作服。
乙醛的性质
乙醛(化学式为CH3CHO)是一种有机化合物,常见于生活中的甲醇发酵制备、酒精蒸馏、木材蒸馏等过程中。
乙醛的性质如下:
1. 物理性质:
- 外观:乙醛为无色液体,有强烈的刺激性气味。
- 沸点:乙醛沸点为21°C,易于挥发。
- 密度:乙醛密度为0.789 g/mL。
2. 化学性质:
- 氧化性:乙醛易于被氧化,与氧气、过氧化氢等发生反应。
- 还原性:乙醛可以还原为乙醇,与氢气或还原剂如钠或铝反应。
- 酸性:乙醛存在1个醛基(C=O),可作为酸性羰基化合物,与碱反应生成其对应的盐。
3. 反应性:
- 缩合反应:乙醛可以与胺类、肼类或其他含N-H键的化合物反应,形成相应的醛肼或胺缩醛。
- 氧化反应:乙醛可以被氧气、酸性高锰酸钾或漂白粉等氧化剂氧化,生成乙酸。
- 加成反应:乙醛可以与氨水、氰化氢或硫代钠等进行加成反应,生成相应的加成产物。
总体而言,乙醛具有刺激性气味和较强的化学活性,在工业和实验室中有广泛的应用。
乙醛理化特性表1. 介绍乙醛是一种有机化合物,化学式为CH3CHO,也被称为乙酛或醋醛。
它是一种无色液体,具有强烈的刺激性气味。
乙醛在工业和实验室中广泛应用于合成化学品、杀菌剂、涂料和药品等领域。
本文档将介绍乙醛的理化特性。
2. 理化性质2.1 物态乙醛在常温下为无色液体,但也可以以气体形式存在。
它的沸点为20.8°C,熔点为-123.5°C。
乙醛的密度为0.78 g/cm³。
2.2 溶解性乙醛具有良好的溶解性,可溶于许多有机溶剂如水、醇类、醚类和酮类。
在水中的溶解度为52 g/100 mL。
2.3 气味乙醛具有刺激性气味,即使在低浓度下也能被人体察觉到。
这种气味的强烈程度使其成为一种常用的气味标准物质。
2.4 燃烧性乙醛是易燃液体,它能够与空气中的氧气发生剧烈燃烧,形成二氧化碳和水。
乙醛的燃烧温度为426°C。
2.5 化学反应乙醛是一种活泼的化合物,它能够与许多其他化合物发生反应。
一些常见的反应包括氧化反应、酯化反应和缩合反应等。
3. 安全注意事项由于乙醛具有刺激性气味和易燃性,使用乙醛时需注意以下安全事项:- 避免乙醛接触皮肤、眼睛和黏膜,使用时戴好防护眼镜和手套。
- 保持通风良好的工作环境,避免乙醛蒸气浓度过高。
- 远离明火和高温物体,存放在阴凉干燥处。
- 禁止与氧化剂、酸类和碱类等化学物质混合储存。
以上是乙醛的理化特性及相关安全注意事项。
在使用乙醛时,务必遵守相关法规和操作规程,确保安全使用。
---注:本文档所提供的信息仅为参考,不可作为正式数据,具体内容请以可靠来源为准。
乙醛的理化性质、毒性及安全防护乙醛C2H4O或CH3CHO1.别名·英文名醋醛;Acetaldchyde.2.用途用于制造醋酸、醋酐、合成树脂、橡胶、塑料、香料,也用于制革、制药、造纸、医药,用作防腐剂、防毒剂、显像剂、溶剂、还原剂等。
3.制法(1)由乙炔直接水合或间接水合。
(2)乙醇氧化脱氢。
4.理化性质分子量:44.05熔点:—123.5℃沸点:20.8℃液体密度(18℃): 783kg/m3气体密度: 1.52kg/m3气化热(21℃): 570.0kJ/kg蒸气压(20℃): 98.66kPa粘度(液体,0℃): 0.002751Pa·s表面张力(10℃): 22.4mN/m折射率(液体,18℃): 1.3392闪点:一38℃燃点: 175℃爆炸界限: 4%—-57%燃烧热: 1168.1kJ/mol毒性级别: 2易燃性级别: 4反应活性级别: 2乙醛在常温常压下为具有刺鼻水果气味的无色液体。
能放出刺激性蒸气。
极易挥发和燃烧。
蒸气能与空气形成爆炸性混合物和不稳定的过氧化物。
液体比水轻,蒸气比空气重,能扩散极远,并能在远处遇火源着燃后把火焰沿气流相反方向引回。
化学性质很活泼,容易氧化或还原,能与卤素和胺类化合,并能与醇、酮、酐、酚等形成缩合物。
氰化氢、硫化氢、氨、磷、强碱等也都容易与乙醛进行猛烈反应。
乙醛在空气中放置,能自行氧化生成不稳定的过氧化物,以致爆炸。
乙醛也在浓硫酸的影响下容易进行聚合反应而放热。
能与水、乙醇、乙醚以任意比例相溶。
市售乙醛一般是40%的溶液。
乙醛与一些物质混合接触时的危险性如下表所示。
5.毒性大鼠一吸人LC50:约36g/m3(20000ppm)30分钟大鼠一经口LD50: 1.93g/kg嗅觉阈: 0.13~0.38mg/m3最高容许浓度:200ppnl(360mg/m3)乙醛为微毒物质。
刺激作用比甲醛弱,对中枢神经的抑制作用比甲醛强。
对人的毒作用主要是刺激皮肤和粘膜。
甲醛一、标识中文名甲醛;福尔马林英文名formaldehyde分子式H2O4相对分子质量30.08CAS号50—00—0O结构式H—C—H危险类别第8.3类其它腐蚀品化学类别醛二主要组成与性状主要成分纯色外观与性状无色,肯有刺激性和窒息的气体,商品为其水深液。
主要用途是一种生要的有机原料,也是炸药、染料、医药、农药的原料,也用作杀菌剂、消毒剂等。
三健康危害侵入途径吸入、食入、经皮吸收。
健康危害本品对粘膜、上呼吸道、眼睛和皮肤有强烈刺激性。
接触其蒸气,引起结腊炎、角腊炎、鼻炎、支气管炎;重者发生喉痉挛、声门水肿和肺炎等。
肺水种较少见。
对皮肤有原发性刺激和致敏作用,可致皮炎;浓溶液可引起皮肤凝固性环死。
口服灼伤口腔和消化道,可发生胃肠道穿孔,休克,暖和肝脏损害。
慢性影响:长期接触低浓度甲醛可有轻度眼、鼻、咽喉刺激症状,皮肤干燥、皲裂、甲软化等。
四急救措施皮肤接触立即脱去被污染的衣着,用大量流动清水冲洗,至少15分钟。
就医。
眼睛接触立即提起眼睑,用大量流动清水或生理盐水彻底冲洗至少15分钟。
就医。
吸入迅速脱离现场至空气新鲜处。
保持呼吸道畅如呼吸困难,给输氧。
如呼吸停止;立即进行人工吸呼。
就医。
食入用1%磺化钾60mL灌胃,常规洗胃。
就医。
五燃爆特性与消防燃烧性不燃闪点(0C)50(37%)爆炸下限(%)引燃温度(0C)430爆炸上限(%)73.0最小点火能(mJ)无资料最大爆炸压力(MPa)无资料危险特性其蒸气与空气可形成爆炸性混合物。
遇明火、高热能引起燃烧爆炸。
与氧化剂接触会猛烈反应。
灭火方法用雾状水保持火场容器冷却,用水喷射逸出液体,使其稀释成不燃性混合物,并用雾状水保护消防人员。
灭火剂:雾状水、抗深性泡沫、干粉、二氧化碳、砂土。
六泄漏应急处理迅速撤离泄漏污染区人员至安全区,并进行隔离,严格限制出入。
切断火源。
建议应急处理人员戴自给正压式呼吸器,穿防毒服。
从上风处进入现场。
尽可能切断汇漏源。
防止进入下水道、排洪沟等限制性空间。
乙醛安全技术说明书第一部分:化学品名称化学品中文名称:乙醛化学品英文名称:acetaldehyde中文名称2:醋醛英文名称2:acetic aldehyde技术说明书编码:398CAS No.:75-07-0分子式:C2H4O分子量:44.05第二部分:成分/组成信息有害物成分含量CAS No.乙醛75-07-0第三部分:危险性概述危险性类别: 3.1类易燃液体健康危害:低浓度引起眼、鼻及上呼吸道刺激症状及支气管炎。
高浓度吸入尚有麻醉作用。
表现有头痛、嗜睡、神志不清及支气管炎、肺水肿、腹泻、蛋白尿肝和心肌脂肪性变。
可致死。
误服出现胃肠道刺激症状、麻醉作用及心、肝、肾损害。
对皮肤有致敏性。
反复接触蒸气引起皮炎、结膜炎。
慢性中毒:类似酒精中毒。
表现有体重减轻、贫血、谵妄、视听幻觉、智力丧失和精神障碍。
环境危害:对环境有危害,对水体可造成污染。
燃爆危险:本品极度易燃,具刺激性,具致敏性。
第四部分:急救措施皮肤接触:脱去污染的衣着,用肥皂水和清水彻底冲洗皮肤。
眼睛接触:提起眼睑,用流动清水或生理盐水冲洗。
就医。
吸入:迅速脱离现场至空气新鲜处。
保持呼吸道通畅。
如呼吸困难,给输氧。
如呼吸停止,立即进行人工呼吸。
就医。
食入:饮足量温水,催吐。
就医。
第五部分:消防措施危险特性:极易燃,甚至在低温下的蒸气也能与空气形成爆炸性混合物,遇火星、高温、氧化剂、易燃物、氨、硫化氢、卤素、磷、强碱、胺类、醇、酮、酐、酚等有燃烧爆炸危险。
在空气中久置后能生成有爆炸性的过氧化物。
受热可能发生剧烈的聚合反应。
其蒸气比空气重,能在较低处扩散到相当远的地方,遇火源会着火回燃。
有害燃烧产物:一氧化碳、二氧化碳。
灭火方法:遇到大火,消防人员须在有防爆掩蔽处操作。
抗溶性泡沫、二氧化碳、干粉、砂土。
用水灭火无效。
第六部分:泄漏应急处理应急处理:迅速撤离泄漏污染区人员至安全区,并进行隔离,严格限制出入。
切断火源。
建议应急处理人员戴自给正压式呼吸器,穿防静电工作服。
表- 乙醛的理化性质及危险特性
本文档旨在介绍乙醛的理化性质和危险特性。
以下是乙醛的相关信息:
理化性质
- 化学式:C2H4O
- 分子量:44.05 g/mol
- 外观:无色液体
- 沸点:21 °C
- 密度:0.78 g/cm³
- 溶解性:可溶于水
- 主要用途:乙醛常用作有机合成和溶剂,在医药、化工以及染料等领域有广泛应用。
危险特性
- 可燃性:乙醛是易燃液体,其蒸气可形成易燃或爆炸混合物。
在空气中的爆炸下限为4.0%(体积百分比),爆炸上限为57%
(体积百分比)。
- 刺激性:乙醛具有刺激性气味,能刺激眼睛、鼻腔和呼吸道。
长期暴露于乙醛可能引发呼吸道、消化道和皮肤问题。
- 毒性:乙醛对人体有一定毒性,接触乙醛可引起刺激性反应,如眼睛疼痛、灼烧和红肿等。
较高浓度的乙醛蒸汽可能导致中枢神
经系统损害和肝脏损伤。
- 环境影响:乙醛进入水体或土壤可能对生态系统产生危害,
影响水生生物和植物生长。
请注意,以上信息仅为乙醛的一般特性介绍,并不详尽。
在使
用乙醛或处理与乙醛相关的问题时,请务必遵守相关安全操作规范
和法律法规要求。