【CN209794867U】一种绿色环保印刷烘干装置【专利】
- 格式:pdf
- 大小:456.66 KB
- 文档页数:10
(19)中华人民共和国国家知识产权局(12)实用新型专利(10)授权公告号 (45)授权公告日 (21)申请号 201920205863.0(22)申请日 2019.02.18(73)专利权人 麦考林健康科技(上海)有限公司地址 202150 上海市崇明区城桥镇秀山路8号3幢三层H区370室(上海崇明工业园区)(72)发明人 不公告发明人 (74)专利代理机构 合肥市科融知识产权代理事务所(普通合伙) 34126代理人 晋圣智(51)Int.Cl.F26B 9/06(2006.01)F26B 21/02(2006.01)F26B 21/00(2006.01)F26B 25/00(2006.01)F26B 25/06(2006.01)A23F 3/34(2006.01)(54)实用新型名称一种节能环保烘干装置(57)摘要本实用新型涉及菊花茶加工设备技术领域,公开了一种节能环保烘干装置,包括烘干箱、热风炉、手推架;所述热风炉嵌套在烘干箱的内侧右端,手推架设置在烘干箱的内部左端;通过在热风炉内设置多层加热框,可保证对流经空气的快速干燥和升温;风板与箱体之间形成的间隙,通过热风炉上的风机转动,使热风形成一个循环,减小了电力消耗;手推架与托筐相配合使用,实现了对菊花的一次性进料和出料,提高了工作效率;滑坡可方便手推架的进出;本实用新型具有结构紧凑、烘干效果好、节能环保、便于进料和出料的特点,可对鲜菊花进行快速烘干,可实现对菊花的一次性进料和出料,保证烘干后的菊花完整无破碎,提高了菊花的干燥效率。
权利要求书1页 说明书4页 附图4页CN 209910287 U 2020.01.07C N 209910287U权 利 要 求 书1/1页CN 209910287 U1.一种节能环保烘干装置,其特征在于:包括烘干箱、热风炉、手推架;所述热风炉嵌套在烘干箱的内侧右端,手推架设置在烘干箱的内部左端;所述烘干箱包括箱体、隔板、风板、箱门、封门、显示屏、滑坡;所述箱体为一侧开口的长方形壳状,风板为矩形框状,分别水平设置在箱体内部的上下两端,隔板垂直设置在箱体右端内部,且隔板的上下两端分别与风板的一侧固定连接,隔板的后端与箱体的后端内侧固定连接,箱门为两个,两个箱门的一侧分别与箱体内侧左部和隔板前端左侧铰接,封门的右侧与箱体右侧铰接,显示屏嵌设在封门的中间位置,滑坡为倾斜设置的三角形坡架,滑坡的一侧与箱体前侧下端固定连接;所述热风炉包括炉体、风机、加热框;所述炉体为中空的长方体状,炉体的上端中间位置嵌设有风机,风机下端的炉体内嵌设有多层加热框;所述加热框包括框体A和电加热丝,框体A为矩形框状,电加热丝为多条,分别均匀设置在框体A的内侧;所述手推架包括侧板、万向轮、支撑滑道、连接横梁、托筐;所述连接横梁的两端分别与侧板的一侧上下两端,万向轮分别设置在侧板下端的角部,支撑滑道分别均匀且对称的设置在侧板的一侧,托筐卡设在支撑滑道的上端;所述托筐包括框体B、金属网、把手,框体B为矩形框状,金属网与框体B的下端边侧固定连接,把手设置在框体B一侧中间位置。
专利名称:一种印刷烘干装置专利类型:实用新型专利
发明人:林寿维
申请号:CN201720134166.1申请日:20170215
公开号:CN206551686U
公开日:
20171013
专利内容由知识产权出版社提供
摘要:本实用新型提出了一种印刷烘干装置,包括输送装置,输送带上设有至少一个加热罩,输送装置包括两根平行设置的输送带,输送带之间设有传送通道;输送带下部设有顶升机构,顶升机构包括顶升气缸,顶升气缸输出端连接有推板,推板上设有至少两个顶杆,顶杆上设有载板,载板的宽度与传送通道相同并能够伸于输送带上方;顶杆底部设有转动机构,本装置使用时,产品跨于传送通道上方,同时通过两个输送带同时输送至对应的载板上方时,顶升气缸启动,推动推板上升将产品顶于载板上,并且转动机构带动产品转动,配合上部的加热罩内的热量能够对整个产品的各个面进行烘干,同时,设备使用格栅形的导流层,保证热量分布均匀。
申请人:太仓维高模塑有限公司
地址:215000 江苏省苏州市太仓经济开发区三港村
国籍:CN
更多信息请下载全文后查看。
专利名称:一种环保纸张生产用快速烘干装置专利类型:实用新型专利
发明人:沈明伟,张卫良,俞东芬
申请号:CN201822095074.4
申请日:20181214
公开号:CN209459376U
公开日:
20191001
专利内容由知识产权出版社提供
摘要:本实用新型属于环保纸加工技术领域,具体涉及一种环保纸张生产用快速烘干装置,包括机架、烘箱、烘干器和传送带,所述机架上设有两个左右分布的烘箱,所述烘箱的一侧安装有烘干器,所述烘箱的另一侧固定有吸湿板,所述烘箱的上下两端开设有进出口;可以根据进入烘箱的顺序,设置不同的温度阶梯,先通过温度较低的烘箱进行预干燥,然后再次进入高温烘箱,既可以避免因温度过高而导致的纸张变形,同时可以实现快速的对纸张进行烘干,增加了纸张加工的烘干效率,提高生产产能,并且在烘箱的进出口均设有双层隔热盒,减小通风口的大小,保证热量可以缓慢散失,从而增加了热量的利用率,进一步的降低能量的浪费,保证经济生产。
申请人:南城盱和环保技术有限公司
地址:344700 江西省抚州市南城县河东工业区工业大道1号
国籍:CN
代理机构:南昌智旭知识产权代理事务所(普通合伙)
代理人:付龙
更多信息请下载全文后查看。
专利名称:一种环保彩色印刷用烘干装置专利类型:实用新型专利
发明人:孙克昌,张福仁
申请号:CN201822168366.6
申请日:20181224
公开号:CN209365626U
公开日:
20190910
专利内容由知识产权出版社提供
摘要:本实用新型公开了一种环保彩色印刷用烘干装置,包括干燥箱本体,所述干燥箱本体上设有输送带,所述干燥箱本体的外侧壁设有与输送带对应的贯穿口,所述干燥箱本体的内侧壁固定连接有固定杆,所述固定杆的外侧壁滑动套接有滑块,所述滑块上设有与固定杆对应的滑动口,所述滑块通过位移机构与干燥箱本体连接。
本实用新型中,通过电机、螺纹杆、滑块、转动块和固定杆的配合作用,达到了电机转动带动滑块在干燥箱本体内部运动的效果,实现了电机转动带动暖风机左右移动对印刷品的表面进行烘干的功能;通过固定板、暖风机和固定螺丝的配合作用,达到了拧掉固定螺丝暖风机可以从固定板上拆除掉的效果,实现了便于拆卸暖风机的功能。
申请人:青岛鼎盛彩印制品有限公司
地址:266000 山东省青岛市胶州市中云工业园、亳州路东侧
国籍:CN
代理机构:北京挺立专利事务所(普通合伙)
代理人:贾楠楠
更多信息请下载全文后查看。
(19)中华人民共和国国家知识产权局(12)实用新型专利(10)授权公告号 (45)授权公告日 (21)申请号 201920496713.X(22)申请日 2019.04.13(73)专利权人 鹤壁市华美电气有限公司地址 458000 河南省鹤壁市淇滨区东杨工业园区(72)发明人 田力 王胜男 刘慧林 (74)专利代理机构 焦作市科彤知识产权代理事务所(普通合伙) 41133代理人 王甜(51)Int.Cl.B29B 13/06(2006.01)(54)实用新型名称一种烘干装置(57)摘要本实用新型公开了一种烘干装置,用于烘干塑料颗粒,包括烘干筒体、抽气装置、鼓风装置、过滤吸湿仓、加热筒、螺旋滑道;过滤吸湿仓为矩形仓体,包括上仓盖、下仓体;螺旋滑道包括滑道底板、滑道挡板。
本实用新型结构简单,操作方便;本实用新型采用过滤吸湿仓对鼓风装置产生的气流进行过滤烘干,并通过加热筒加热得到干燥热风,能耗低且对环境友好;本实用新型使用加热筒、干燥热风对螺旋滑道上的塑料颗粒干燥,塑料颗粒干燥过程中持续滚动,干燥均匀快速,干燥效果好。
权利要求书1页 说明书3页 附图3页CN 209887943 U 2020.01.03C N 209887943U权 利 要 求 书1/1页CN 209887943 U1.一种烘干装置,所述烘干装置用于烘干塑料颗粒;所述烘干装置包括烘干筒体、抽气装置、鼓风装置;所述烘干筒体上端有进料管,下端有出料管;其特征在于:还包括过滤吸湿仓、加热筒、螺旋滑道;所述抽气装置通过抽气管与烘干筒体连通;抽气管位于烘干筒体上部侧面;加热筒安装在烘干筒体内;过滤吸湿仓位于烘干筒体外的正上方,与加热筒连接;螺旋滑道缠绕在加热筒外;所述过滤吸湿仓为矩形仓体,包括上仓盖、下仓体;上仓盖与下仓体法兰连接;上仓盖有进气管A,下仓体底部有出气管A;过滤吸湿仓内由上至下依次为过滤层、吸湿层A、吸湿层B;过滤层、吸湿层A、吸湿层B底部均有隔板;进气管A与鼓风装置连接;吸湿层A、吸湿层B右侧均有装料孔;所述装料孔内有堵头;所述加热筒顶部有进气管B,底部有出气管B;加热筒内有循环盘管;加热筒下端侧面有与循环盘管连通的进液管;加热筒上端有与循环盘管连通的出液管;进液管、出液管均贯穿烘干筒体;出气管B正下方有伞型挡板;伞型挡板通过连接杆固定在加热筒底部;加热筒通过支撑杆与烘干筒体连接;出气管A与进气管B在烘干筒体外部通过法兰连接;螺旋滑道包括滑道底板、滑道挡板;滑道底板上均布通气孔;所述通气孔孔径小于塑料颗粒的粒径;进料管对准螺旋滑道的头部;螺旋滑道头部封口。
专利名称:一种印刷烘干装置专利类型:实用新型专利
发明人:马长恒
申请号:CN201720391499.2申请日:20170414
公开号:CN206644450U
公开日:
20171117
专利内容由知识产权出版社提供
摘要:本实用新型公开一种印刷烘干装置,包括由前箱体和后箱体组成的箱体,所述前箱体内设有热泵与散热管,所述热泵与散热管连接,散热管成弯折设置,热泵上设有调温阀,前箱体的外侧安装有温度显示器和指示灯,所述后箱体的下方设有一轨道,后箱体可在轨道内滑动,后箱体的内侧边缘位置设有至少一条以上压料杆,所述后箱体的两侧设有推拉的门手把,所述散热管选用控温散热管,所述前箱体和后箱体的内侧均铺设有隔热材料,所述压料杆共有四条,分别平行设于后箱体的上下、左右两侧。
本实用新型通过在前箱体和后箱体内分别设置热泵、散热管和压料杆,将待烘干的印刷品通过压料杆压紧四周进行烘干,可以确保印刷品在烘干的过程中不会出现褶皱和受损。
申请人:惠州市联谊印刷有限公司
地址:516000 广东省惠州市下角牛仔塘印刷厂内第八栋
国籍:CN
代理机构:惠州创联专利代理事务所(普通合伙)
代理人:赵瑾
更多信息请下载全文后查看。
(19)中华人民共和国国家知识产权局
(12)实用新型专利
(10)授权公告号 (45)授权公告日 (21)申请号 201920463501.1
(22)申请日 2019.04.08
(73)专利权人 四川美术学院
地址 400000 重庆市九龙坡区黄桷坪正街
108号
(72)发明人 赵宇
(74)专利代理机构 重庆市诺兴专利代理事务所
(普通合伙) 50239
代理人 刘兴顺
(51)Int.Cl.
B41F 23/04(2006.01)
B41F 23/00(2006.01)
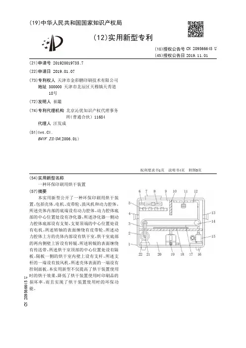
(54)实用新型名称一种绿色环保印刷烘干装置(57)摘要本实用新型属于烘干设备技术领域,尤其一种绿色环保印刷烘干装置,包括支撑架,位于所述支撑架的上方用于输送的皮带以及安装在所述皮带的表面用于固定的固定组件,所述支撑架的上表面焊接固定有固定箱,所述固定箱靠近所述支撑架的一端外侧壁铰接有门板,所述支撑架的一端前表面安装有电机;使用者将印刷品放置在两个固定板之间,当连接板上表面的弹簧和卡板卡入第一卡槽内,并压缩弹簧,同时,使得连接板下表面的弹簧和卡板卡入第二卡槽内,进而将连接板的两端安装至固定槽内,因连接板的底端与皮带接触,连接板对印刷品起到压制固定作用,防止在烘干的过程中出现印刷品位移移动的情况,
利于进行烘干工作。
权利要求书1页 说明书5页 附图3页CN 209794867 U 2019.12.17
C N 209794867
U
权 利 要 求 书1/1页CN 209794867 U
1.一种绿色环保印刷烘干装置,包括支撑架(1),其特征在于:还包括位于所述支撑架(1)的上方用于输送的皮带(6)以及安装在所述皮带(6)的表面用于固定的固定组件(12);
所述支撑架(1)的上表面焊接固定有固定箱(2),所述固定箱(2)靠近所述支撑架(1)的一端外侧壁铰接有门板(3),所述支撑架(1)的一端前表面安装有电机(4),所述电机(4)的输出轴固定连接有固定杆(5),所述固定杆(5)贯穿所述支撑架(1)的顶部,所述固定杆(5)的外侧壁滑动连接有皮带(6),所述支撑架(1)远离所述固定杆(5)的一端转动连接有连接杆(7),所述固定杆(5)和所述连接杆(7)通过所述皮带(6)传动连接;
所述固定箱(2)的上表面安装暖风机(8),所述暖风机(8)贯穿并延伸至所述固定箱(2)的内部,所述支撑架(1)靠近所述暖风机(8)的一侧固定设有温度计(9),所述固定箱(2)的内部靠近所述暖风机(8)的一侧安装有固定架(10),所述固定架(10)的内侧壁安装有加热管(11);
所述固定组件(12)包括固定板(121)、连接板(122)、弹簧(123)和卡板(124),所述皮带(6)的表面固定设有所述固定板(121),所述固定板(121)包括第一卡槽(1211)、固定槽(1212)和第二卡槽(1213),所述固定板(121)的外侧壁顶部开设有所述第一卡槽(1211),所述固定板(121)靠近所述第一卡槽(1211)的一侧开设有固定槽(1212),所述固定板(121)靠近所述固定槽(1212)的一侧开设有所述第二卡槽(1213),所述固定板(121)的外侧壁安装有所述连接板(122),所述连接板(122)靠近所述固定板(121)的一端上表面固定设有弹簧(123),所述弹簧(123)远离所述连接板(122)的一端固定设有卡板(124),所述弹簧(123)位于所述第一卡槽(1211)内,所述连接板(122)通过所述弹簧(123)和所述卡板(124)与所述固定板(121)固定连接,所述电机(4)、所述暖风机(8)、所述温度计(9)和所述加热管(11)均与外部电源电性连接。
2.根据权利要求1所述的绿色环保印刷烘干装置,其特征在于,所述固定板(121)的数量为两个,两个所述固定板(121)呈对称分布在所述皮带(6)的表面量两侧,所述连接板(122)的两端分别与两个所述固定板(121)固定连接。
3.根据权利要求1所述的绿色环保印刷烘干装置,其特征在于,所述连接板(122)为T型板,所述连接板(122)的底端与所述皮带(6)接触。
4.根据权利要求1所述的绿色环保印刷烘干装置,其特征在于,所述弹簧(123)和所述卡板(124)的数量均为四个,四个所述弹簧(123)和四个所述卡板(124)分别位于在所述连接板(122)的两端上下面。
5.根据权利要求1所述的绿色环保印刷烘干装置,其特征在于,所述第一卡槽(1211)、所述固定槽(1212)和所述第二卡槽(1213)相连通,所述第一卡槽(1211)、所述固定槽(1212)和所述第二卡槽(1213)组合成凹型槽。
6.根据权利要求1所述的绿色环保印刷烘干装置,其特征在于,所述加热管(11)呈蛇形排列在所述固定架(10)的内侧壁,且所述固定架(10)为框架,所述固定架(10)的长度大于所述固定杆(5)到所述连接杆(7)之间的间距。
2。