手功能评定表
- 格式:doc
- 大小:49.00 KB
- 文档页数:1
手功能评定frodolc@163.com主手运动功能评定手感觉功能评定一、手的正常功能手功能特点手的功能模式¨力性抓握(p手的功能托举(hold)球形掌握(ballgrasp击打(tap)球形指尖握(ballpinch)手的功能手的功能ylindroidsgrasp)手的功能手的功能多指尖捏(multiple-tippinch)侧捏(lateralpinch)病史采集包括受伤或患病的时间、原因、机制,受伤的望诊指在自然放松状态下,在不用任何力量时,手的肌群拇指轻度外展,指腹接近食指远端指间关节(DIP)由尺神经损伤所致,或因前臂缺血性肌挛缩所致,出现掌指关节过伸,近端指间关节屈曲畸桡神经损伤后所致,或因外伤性伸腕肌腱断裂手指围度测量一、手运动功能评定(一)肌力评定(二)关节活动度评定.关节总活动度评定)评定方法:可用小型量角器测量。
)评定标准:总主动活动度=各关节屈曲度之和-各关节伸直受限度(0)之和M=(MP+PIP+DIP)-(MP+PIP+(三)手灵巧度的评定手指评估¨装配手功能评定法又称为上肢功能评定(3)UEFT评定标准Jebsen手功能测试Sollerman手ADL能力测试(一)浅感觉对于感觉过敏者,从感觉正常部位障碍部位检查;(一)浅感觉-deeppressure)觉(二)深感觉(本体感觉)2.振动觉让患者闭目,用每秒震动30、128或256次的音叉置于患者骨骼突出部位上,请患者指出音叉有无震动和持续时间并作两侧、上下对比。
检查时常选择的骨突部位:胸骨,锁骨,肩峰,鹰嘴,桡、尺骨小头,棘突,髂前上棘,股骨粗隆、腓骨小头,内外踝等。
深感觉障碍主要见于脊髓后索损害,主要表现为运动协调障碍。
(三)复合感觉(三)复合感觉(三)复合感觉触觉正常而两点辨别觉障碍见于额叶疾患。
(三)复合感觉实体觉障碍见于丘脑水平以上病变。
(四)感觉功能恢复等级英国医学研究会委员会(BrhMedicalResearchCouncil)感觉评定的注意事项感觉评定的注意事项。
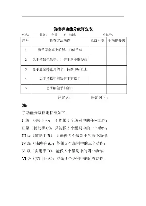
偏瘫手功能分级评定表
序号检查方法动作能或不能手功能分级
1 患手固定桌上的纸,由健手剪
2 患手持钱包悬空,让健手从中取硬币
3 患手悬空持张开的伞,持续10s以上
4 患手持指甲剪给健手剪指甲
5 患手给健手扣袖扣
评定人:评定时间:
注:
手功能分级评定标准如下:
I 级(失用手):不能做5个级别中的任何工作;
II级(辅助手C):只能做5个级别中的一个动作;
III级(辅助手B):只能做5个级别中的两个动作;
IV级(辅助手A):能做5个级别中的三个动作;
V 级(实用手B):能做5个级别中的四个动作;
VI级(实用手A):能做5个级别中的所有动作。
手功能评定MAS评定法MAS是Carr等为运动再学习设计的一种评定方法(见表3-8),该表的特点是:(1)评测的内容反映了日常生活的活动;(2)评测患者最好的执行情况;(3)只有执行的任务发生了变化才给予评分上的变化。
所有的项目都给予0到6分的七个等级的评分,除肌张力外,6分代表最好的功能。
Ⅵ上肢功能1. 卧位,肩胛带前伸,上肢举起(治疗师将患者的上肢在该位置上,并且使肘伸直)2. 卧位,保持上肢举起2秒(治疗师将患者的上肢在该位置上;患者自己保持上肢处于该位置,并有一定程度的外旋;肘关节必须保持在充分伸直的20度范围内)3. 屈伸肘关节,以手掌触摸前额,上肢的情况同.2(治疗师可以协助患者前臂旋后)4. 坐位,上肢前屈90度,保持2秒(治疗事将患者上肢放在该位置上,患者自己保持上肢处于该位置,并有一定程度的外旋及肘关节伸直,不允许肩关节过度抬高)5. 坐位,患者抬起上肢至上述位置,保持10秒,然后放下(患者必须保持上肢有一定的外旋,不允许前臂旋前)6. 站立位,手扶墙壁,当朝墙方向转身时,上肢保持在该位置(上肢外展90度,以手掌平贴在墙上)Ⅶ手部运动1. 坐位,伸腕(治疗师让患者坐于桌子旁边,前臂放在桌子上,将一圆柱体放在患者手掌中,让患者伸腕使圆柱体离开桌面,肘关节不允许屈曲屈曲)2. 坐位,腕挠侧外展(治疗师将患者的前臂放在旋前与旋后的中间位,即以尺侧接触桌面,拇指与前臂平行,腕伸位,手指握住一圆柱体,让患者将手抬离桌面,不允许肘关节屈曲与或旋前)3. 坐位,肘关节放在身旁,旋前旋后(肘关节无需支撑,屈曲90度,四分之三的范围是可接受的)4. 向前够物,用双手将一直径为14cm的球拣起,然后放下(球必须放在患者前面足够远的地方,以至于患者不得不充分伸直上肢去够物;肩关节必须向前,肘关节必须伸直,腕中立或腕伸位;手掌必须与球面接触)5. 从桌上端起一聚苯乙烯(塑料)茶杯,放在身体另一侧的桌面上(不允许茶杯的形状发生改变)6. 拇指每一个手指连续对指,在10秒内达14次以上(每一手指依次与拇指接触,从食指开始;不允许拇指从一手指滑向另一手指或回碰)Ⅷ高级手部活动1. 拣起钢笔帽,然后放下(患者向前伸直上肢,拣起钢笔帽,然后放在靠近自己身体处的桌面上)2. 从一个杯子中拣起一粒豆形软糖,然后放到另一个杯子中(茶杯中放8粒豆形软糖,两个茶杯离患者均等同患者上肢的长度,左手从右侧的杯子中拿豆形软糖,然后放在左侧的杯子中)3. 画水平线至一垂直线10次,20秒内完成(至少有5条线与垂直线接触且在垂直线处停止)4.拿铅笔在一页纸上快速点连续的点(患者5秒内每一秒至少点2个点,患者自己独立地拿起笔,握笔,象写字一样地拿笔,患者必须是点点,而不是笔划)5. 拿调羹将水送到嘴里(不允许低头去够调羹,也不允许将水洒了)6. 拿起梳子梳头后部的头发偏瘫上肢功能检查方法及评分标准包括上肢粗大运动(A)、把握(G)、圆筒木柱插板(P)及钉子、垫圈插板(PP)。
手功能评定frodolc@163.com主手运动功能评定手感觉功能评定一、手的正常功能手功能特点手的功能模式¨力性抓握(p手的功能托举(hold)球形掌握(ballgrasp击打(tap)球形指尖握(ballpinch)手的功能手的功能ylindroidsgrasp)手的功能手的功能多指尖捏(multiple-tippinch)侧捏(lateralpinch)病史采集包括受伤或患病的时间、原因、机制,受伤的望诊指在自然放松状态下,在不用任何力量时,手的肌群拇指轻度外展,指腹接近食指远端指间关节(DIP)由尺神经损伤所致,或因前臂缺血性肌挛缩所致,出现掌指关节过伸,近端指间关节屈曲畸桡神经损伤后所致,或因外伤性伸腕肌腱断裂手指围度测量一、手运动功能评定(一)肌力评定(二)关节活动度评定.关节总活动度评定)评定方法:可用小型量角器测量。
)评定标准:总主动活动度=各关节屈曲度之和-各关节伸直受限度(0)之和M=(MP+PIP+DIP)-(MP+PIP+(三)手灵巧度的评定手指评估¨装配手功能评定法又称为上肢功能评定(3)UEFT评定标准Jebsen手功能测试Sollerman手ADL能力测试(一)浅感觉对于感觉过敏者,从感觉正常部位障碍部位检查;(一)浅感觉-deeppressure)觉(二)深感觉(本体感觉)2.振动觉让患者闭目,用每秒震动30、128或256次的音叉置于患者骨骼突出部位上,请患者指出音叉有无震动和持续时间并作两侧、上下对比。
检查时常选择的骨突部位:胸骨,锁骨,肩峰,鹰嘴,桡、尺骨小头,棘突,髂前上棘,股骨粗隆、腓骨小头,内外踝等。
深感觉障碍主要见于脊髓后索损害,主要表现为运动协调障碍。
(三)复合感觉(三)复合感觉(三)复合感觉触觉正常而两点辨别觉障碍见于额叶疾患。
(三)复合感觉实体觉障碍见于丘脑水平以上病变。
(四)感觉功能恢复等级英国医学研究会委员会(BrhMedicalResearchCouncil)感觉评定的注意事项感觉评定的注意事项。
作业手功能评定五级摘要:一、作业手功能评定五级简介1.作业手功能评定五级的背景和目的2.作业手功能评定五级的适用对象和范围二、作业手功能评定五级的五个级别1.级别一:基本技能掌握2.级别二:熟练技能运用3.级别三:技能应用与分析4.级别四:技能创新与优化5.级别五:技能传授与指导三、各级别具体要求与评估标准1.级别一:基本技能掌握a.技能掌握程度b.工作效率2.级别二:熟练技能运用a.技能运用熟练程度b.工作效果3.级别三:技能应用与分析a.技能应用能力b.问题分析和解决能力4.级别四:技能创新与优化a.技能创新能力b.技能优化成果5.级别五:技能传授与指导a.教学能力b.指导效果四、作业手功能评定五级在教育与培训中的应用1.教育与培训的依据2.对学生和员工的激励与引导3.对教育与培训工作的促进五、作业手功能评定五级在我国的推广与实施1.政策支持与推广2.各级教育与培训机构的合作与实践3.社会各界的关注与支持正文:作业手功能评定五级是我国对个体在某一特定技能领域掌握程度的一种评估体系,旨在帮助教育与培训机构、企业等更好地了解和培养人才。
这一体系将技能分为五个级别,从基本技能掌握到技能传授与指导,全面评价个体在某一技能领域的综合能力。
首先,作业手功能评定五级包括五个级别。
级别一要求掌握基本技能,可以熟练完成基本任务;级别二要求熟练运用技能,保证工作效果;级别三要求在技能应用的基础上进行分析,具备一定的问题解决能力;级别四鼓励创新和优化技能,提升工作效率;级别五则要求能够传授技能,对他人进行有效指导。
其次,各级别都有具体的评估标准。
例如,级别一要求技能掌握程度和工作效率;级别二要求技能运用熟练程度和工作效果;级别三要求技能应用能力、问题分析和解决能力;级别四要求技能创新能力、技能优化成果;级别五要求教学能力、指导效果。
作业手功能评定五级在我国教育与培训领域有着广泛的应用。
它为教育与培训提供了依据,可以针对个体的技能水平制定合适的教学计划,同时也能对学生的学习进度和员工的工作表现进行有效评估。
手功能评定概念对手的功能状况和潜在能力的判断,也是对手功能各方面情况的资料收集、量化、分析并与正常标准进行比较的过程。
二、手功能评定的内容及结果记录:1、手运动功能的检查与评定a.观察畸形、肌肉萎缩、肿胀的程度及范围,必要时用尺测量或容积仪测量对比。
b.肌力和关节活动范围测定,也应对耐力、速度、肌张力予以评价。
c.运动功能恢复情况评定英国医学研究院神经外伤学会将神经损伤后的运动功能恢复情况分为六级0级(M0)肌肉无收缩1级(M1)近端肌肉可见收缩2级(M2)近、远端肌肉均可见收缩3级(M3)所有重要肌肉能抗阻力收缩4级(M4)能进行所有运动,包括独立的或协同的5级(M5)完全正常2、手感觉功能评定a.感觉检查感觉功能的测定,除了常见的用棉花或大头针测定触觉痛觉外,还可做温度觉试验、Von Frey单丝压觉试验、Weber二点辨别觉试验、手指皮肤皱折试验、皮肤定位觉、皮肤图形辨别觉、实体觉、运动觉和位置觉试验、Tinel征检查等。
b.感觉功能恢复评定对感觉功能的恢复情况,英国医学研究院神经外伤学会也将其分为六级0级(S0)感觉无恢复1级(S1)支配区皮肤深感觉恢复2级(S2)支配区浅感觉和触觉部分恢复3级(S3)皮肤痛觉和触觉恢复,且感觉过敏消失4级(S3+ )感觉达到S3水平外,二点辨别觉部分恢复5级(S4)完全恢复3、ADLL力评定4、手的电生理学评定a.强度—时间曲线检查b.肌电图检查c.体感诱发电位检查5、“手机能评定箱”检查检查箱内有大小不同的多个立方体、长方体、圆球、小钢珠、塑料片、金属杆等元件,让病人将这些元件从一个地方移到另一个地方,记录完成各项所需的时间(秒表)。
可以定量评价手的粗大和精细功能。
没有国际统一标准,适合同一病人前后对比。
二、注意事项1.手关节活动范围与年龄、性别、职业等因素有关,各正常值只是平均的近似值与健偶相应手关节比较存在差异时应考虑为异常。
有3-5°的误差。
偏瘫手功能分级及评估偏瘫是指一侧肢体出现运动障碍的病理状态,常见于中风、脑外伤、脑肿瘤等疾病,严重影响患者的日常生活能力。
针对偏瘫患者的手功能,有不同的评估方法和分级标准,主要包括手功能评估量表、功能短期评定和功能分级等。
下面将详细介绍偏瘫手功能分级及评估方法。
一、手功能评估量表1. 弗里达曼手功能评估量表(Fugl-Meyer Assessment of Motor Recovery after Stroke,FMA)弗里达曼手功能评估量表是最主要的手功能评估量表之一,广泛应用于偏瘫患者的康复评估中。
该量表包括33个项目,可以全面评估运动和感觉功能。
评估内容包括主动活动和被动活动,每个项目都有分数,最高分为66分。
得分越高,表示患者手功能恢复得越好。
2. 乍得手功能测量表(Chedoke-McMaster Stroke Assessment,CMSA)乍得手功能测量表是加拿大乍得医院康复中心开发的手功能评估工具,主要用于评估中风患者的功能恢复情况。
该量表包括7个项目,评估内容包括被动活动、主动活动和握力。
每个项目都有分数,总分为63分。
得分越高,表示患者手功能恢复得越好。
二、功能短期评定功能短期评定是在患者入院初期进行的手功能评估,主要用于评估患者的病情和康复潜力。
常用的评估工具包括:1. 欣托力学测力仪(Jamar Hand Dynamometer)欣托力学测力仪是一种用于测量握力的仪器,通过握持仪器上的把手,检测患者握力的强度。
测力仪具有较高的测试可重复性和灵敏度,可用于评估患者握力的恢复情况。
2.握物能力评估握物能力评估是评估患者手指灵活性和握物能力的一种简单有效的方法。
常见的评估项目包括捏取纸张、握持硬币、拧螺丝帽等。
通过评估患者的握持能力、灵活性和协调性,可以初步判断患者手功能的恢复情况。
三、手功能分级根据患者手功能的恢复情况1.0级:完全丧失手功能,无法进行握持和灵活的动作。
2.1级:能进行简单的握持动作,但功能较差,无法进行精细的动作。
手功能评定frodolc@163.com主手运动功能评定手感觉功能评定一、手的正常功能手功能特点手的功能模式¨力性抓握(p手的功能托举(hold)球形掌握(ballgrasp击打(tap)球形指尖握(ballpinch)手的功能手的功能ylindroidsgrasp)手的功能手的功能多指尖捏(multiple-tippinch)侧捏(lateralpinch)病史采集包括受伤或患病的时间、原因、机制,受伤的望诊指在自然放松状态下,在不用任何力量时,手的肌群拇指轻度外展,指腹接近食指远端指间关节(DIP)由尺神经损伤所致,或因前臂缺血性肌挛缩所致,出现掌指关节过伸,近端指间关节屈曲畸桡神经损伤后所致,或因外伤性伸腕肌腱断裂手指围度测量一、手运动功能评定(一)肌力评定(二)关节活动度评定.关节总活动度评定)评定方法:可用小型量角器测量。
)评定标准:总主动活动度=各关节屈曲度之和-各关节伸直受限度(0)之和M=(MP+PIP+DIP)-(MP+PIP+(三)手灵巧度的评定手指评估¨装配手功能评定法又称为上肢功能评定(3)UEFT评定标准Jebsen手功能测试Sollerman手ADL能力测试(一)浅感觉对于感觉过敏者,从感觉正常部位障碍部位检查;(一)浅感觉-deeppressure)觉(二)深感觉(本体感觉)2.振动觉让患者闭目,用每秒震动30、128或256次的音叉置于患者骨骼突出部位上,请患者指出音叉有无震动和持续时间并作两侧、上下对比。
检查时常选择的骨突部位:胸骨,锁骨,肩峰,鹰嘴,桡、尺骨小头,棘突,髂前上棘,股骨粗隆、腓骨小头,内外踝等。
深感觉障碍主要见于脊髓后索损害,主要表现为运动协调障碍。
(三)复合感觉(三)复合感觉(三)复合感觉触觉正常而两点辨别觉障碍见于额叶疾患。
(三)复合感觉实体觉障碍见于丘脑水平以上病变。
(四)感觉功能恢复等级英国医学研究会委员会(BrhMedicalResearchCouncil)感觉评定的注意事项感觉评定的注意事项。
金子翼手功能评定量表
摘要:
I.引言
A.金子翼手功能评定量表的背景
B.量表的目的和意义
II.量表内容
A.金子翼手功能评定量表的构成
B.各项评定指标的详细描述
III.量表使用方法
A.评估者的资质和要求
B.评估过程及注意事项
IV.量表的优缺点
A.优点
1.科学性
2.实用性
3.普遍性
B.缺点
1.主观性
2.局限性
V.结论
A.金子翼手功能评定量表的价值
B.未来发展方向和优化建议
正文:
金子翼手功能评定量表是我国自主研发的一套针对手功能评估的专业工具,旨在为临床医生、康复治疗师、研究人员等提供一种科学、实用的评估方法。
该量表的制定参考了国内外相关研究成果,并经过多轮专家研讨和修订,具有较高的科学性和普遍性。
金子翼手功能评定量表共分为五个等级,包括感觉、运动、日常生活活动、工作和娱乐等方面。
各项评定指标都有详细的描述和评分标准,评估者需经过专业培训后才能进行评估。
在使用过程中,评估者需注意与被评估者的沟通,确保评估结果的准确性。
尽管金子翼手功能评定量表具有较高的科学性和实用性,但仍存在一定的局限性和主观性。
例如,评估者在评分过程中可能受到个人经验、观念等因素的影响,导致评分结果存在一定的主观性。
此外,量表的适用范围主要针对手部功能,对于其他部位的康复评定可能并不适用。
总之,金子翼手功能评定量表为我国手功能康复评定提供了有力的工具,但仍需不断优化和完善。
金子翼手功能评定量表(最新版)目录1.金子翼手功能评定量表概述2.金子翼手功能评定量表的内容3.金子翼手功能评定量表的应用4.金子翼手功能评定量表的优缺点正文金子翼手功能评定量表是一种针对手部功能进行评估的工具,主要用于评定患者在手部受伤或疾病后的康复程度。
本文将对金子翼手功能评定量表的概述、内容、应用以及优缺点进行详细解析。
一、金子翼手功能评定量表概述金子翼手功能评定量表是由日本康复医学专家金子翼教授所研发的,适用于评估手部损伤、疾病等原因导致的手部功能障碍。
该量表以简便、快速、客观的特点,在康复医学领域得到了广泛应用。
二、金子翼手功能评定量表的内容金子翼手功能评定量表共分为十项,包括手部感觉、手部运动、手部肌力、手部协调、手部灵活性、手部关节活动度、手部抓握力、手部日常生活能力等。
每一项都有具体的评分标准,根据患者的表现给予相应的分数。
三、金子翼手功能评定量表的应用金子翼手功能评定量表在康复医学中有着广泛的应用,包括:1.评估手部损伤或疾病患者的康复程度,以便制定合适的康复计划。
2.评估康复治疗的疗效,为治疗方案的调整提供依据。
3.评估手部功能障碍患者的日常生活能力,为患者提供生活指导。
四、金子翼手功能评定量表的优缺点金子翼手功能评定量表具有以下优缺点:优点:1.简便易行:评定量表操作简单,易于掌握,可迅速评估手部功能。
2.客观性:评定量表具有明确的评分标准,可减少主观因素的影响,提高评估的客观性。
3.广泛应用:金子翼手功能评定量表在康复医学领域得到了广泛应用,具有较高的权威性。
缺点:1.评定量表的项目较为单一,可能不能全面反映患者的手部功能状况。
2.评定量表的评分标准较为固定,可能不适用于所有患者。
综上所述,金子翼手功能评定量表是一种实用的手部功能评估工具,具有一定的临床应用价值。