机械设计基础带传动装置设计案例
- 格式:docx
- 大小:21.01 KB
- 文档页数:8
机械设计基础课程设计设计计算说明书题目:带式输送机传动装置设计 设计者:设计者:___ ________ ___ ________ 学号:号:__ _______ __ _______班 级:级:级: _ __ _ _ __ _ 学 院:院:院:______航空科学与工程学院航空科学与工程学院 指导教师:指导教师:___ ___ _ ___ ___ _ 起止时间:起止时间: 2012.2.24 2012.2.24 2012.2.24~~4.10 成 绩:绩:绩:____________________ ____________________录目 录目录错误!未定义书签。
目 录 (1)1、 课程设计任务课程设计任务 (2)2、 电动机的选择电动机的选择 (3)3、 计算总传动比及分配各级传动比 (4)4、 传动装置的运动和动力参数计算 (4)5、 传动零件之带传动的设计计算传动零件之带传动的设计计算 (6)6、 传动零件之齿轮传动的设计计算 (8)7、 减速器低速轴的设计计算减速器低速轴的设计计算 (13)8、 减速器低速轴的校核 (15)9、 减速器低速轴轴承的选择及校核 (18)10、 低速轴键联接的选择 (19)11、 联轴器的选择联轴器的选择 (19)12、 润滑与密封润滑与密封 (20)13、 减速器箱体及附件选择减速器箱体及附件选择 (21)14、 参考文献参考文献 (22)1、 课程设计任务1.1 1.1 传动装置简图传动装置简图传动装置简图如图所示:传动装置简图如图所示:7F v654321带式输送机传动装置1—电动机—电动机 2—传动带—传动带 3—圆柱齿轮减速器—圆柱齿轮减速器 4—联轴器—联轴器 5—滚筒—滚筒 6—轴承—轴承 7—输送胶带—输送胶带1.2 1.2 已知条件已知条件1) 工作情况:两班工作制,单向连续运转,载荷较平稳。
作情况:两班工作制,单向连续运转,载荷较平稳。
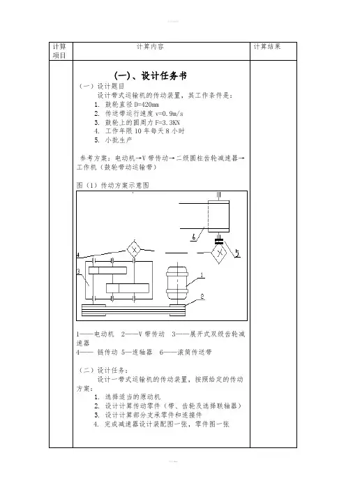
计算计算内容计算结果项目(一)、设计任务书(一)设计题目设计带式运输机的传动装置,其工作条件是:1.鼓轮直径D=420mm2.传送带运行速度v=0.9m/s3.鼓轮上的圆周力F=3.3KN4.工作年限10年每天8小时5.小批生产参考方案:电动机→V带传动→二级圆柱齿轮减速器→工作机(鼓轮带动运输带)图(1)传动方案示意图1——电动机 2——V带传动 3——展开式双级齿轮减速器4——链传动 5—连轴器 6——滚筒传送带(二)设计任务:设计一带式运输机的传动装置,按照给定的传动方案:1.选择适当的原动机2.设计计算传动零件(带、齿轮及选择联轴器)3.设计计算部分支承零件和连接件4.完成减速器设计装配图一张,零件图一张Z330 120 128 1158Z490 360 368 355传动传动比i中心距a模数mn螺旋角β计算齿宽b4(mm) 3.0 240 4 096(四)传动轴的设计轴的大致布局(1)高速轴的设计k为齿轮与内壁的距离k=10mm c为保证滚动轴承放入想以内c=5mm 初取轴承宽度n1=20mm n2=24mm n3=24mm轴的受力分析简图,弯矩扭矩图轴的受力计算水平面受力计算垂直面的受力计算a. 确定各轴段长度L1=20mmL2=15mmL3=45mmL4=126mmL5=20mmL6=36mmL7=48mm(带)则轴承跨距为L= L1+ L2+L3+L4+L5=20+15+45+126+20采用齿轮轴结构轴的材料采用45号钢调质处理轴的受力分析如图L AB=L=236mmL AC=n12+c+k+22.5=10+5+10+22.5L BC=L AB−L AC=236−47.5L BD=L6+L7=36+48a 计算齿轮的啮合力F t0=2000T0d∅=2000×30.7732F t1=2000T1d1=2000×47.5142.151F r1=F t1tanαcos18。
机械设计课程设计计算说明书设计题目:带式运输机传动装置设计者:陈劲军指导老师杨金勇设计时间:2010年1月设计单位:中国矿业大学目录一课程设计任务书 (2)二设计要求 (2)三设计步骤 (2)1. 传动装置总体设计方案 (2)2. 电动机的选择 (3)3. 确定传动装置的总传动比和分配传动比 (4)4. 齿轮的设计 (6)5. 滚动轴承和传动轴的设计 (8)附:两根轴的装配草图 (16)6.键联接设计 (18)7. 箱体结构的设计 (19)8.润滑密封设计 (20)四设计小结 (20)五参考资料 (21)一课程设计任务书课程设计题目:设计带式运输机传动装置(简图如下)1——输送带2——滚筒3——联轴器4——减速器5——V带传动6——电动机1.设计条件:1)机器功用由输送带运送物料,如:沙石,砖,煤炭,谷物等;2)工作情况单项运输,载荷轻度振动,环境温度不超过40℃;3)运动要求输送带运动速度误差不超过7%;4)使用寿命 8年,每年350天,每天8小时;5)检修周期一年小修,三年大修;6)生产厂型中小型机械制造厂;7)生产批量单件小批量生产;2.原始数据:运送带工作拉力F/KN 运输带工作速度v/(m/s) 卷筒直径D/mm5 1.2 190二. 设计要求1.减速器装配图一张。
(三视图,A1图纸)2.绘制轴、齿轮零件图各一张。
(A3图纸)3.设计计算说明书一份。
三. 设计步骤1. 传动装置总体设计方案1)外传动机构为V 带传动。
2)减速器为一级展开式圆柱齿轮减速器。
3) 方案简图如下图:1——输送带;2——滚筒;3——联轴器; 4——减速器;5——V 带传动;6——电动机4)该方案的优缺点:该工作机有轻微振动,由于V 带有缓冲吸振能力,采用V 带传动能减小振动带来的影响,并且该工作机属于小功率、载荷变化不大,可以采用V 带这种简单的结构,并且价格便宜,标准化程度高,大幅降低了成本。
减速器部分一级圆柱齿轮减速,这是一级减速器中应用最广泛的一种。
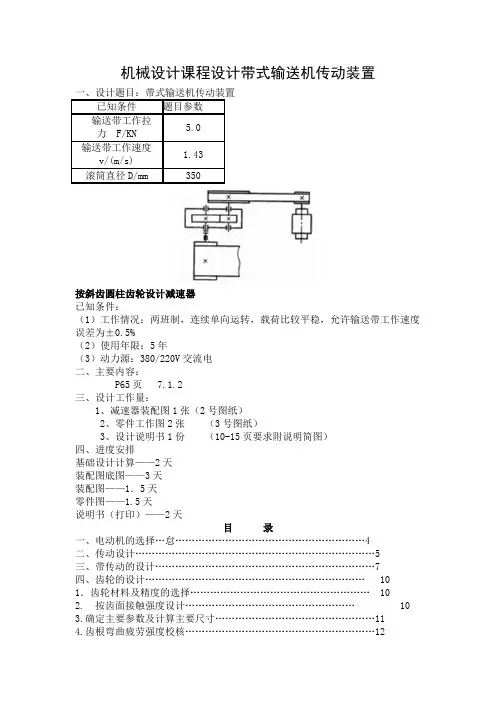
机械设计课程设计带式输送机传动装置一、设计题目:带式输送机传动装置已知条件题目参数输送带工作拉5.0力F/KN输送带工作速度1.43v/(m/s)滚筒直径D/mm 350按斜齿圆柱齿轮设计减速器已知条件:(1)工作情况:两班制,连续单向运转,载荷比较平稳,允许输送带工作速度误差为±0.5%(2)使用年限:5年(3)动力源:380/220V交流电二、主要内容:P65页 7.1.2三、设计工作量:1、减速器装配图1张(2号图纸)2、零件工作图2张(3号图纸)3、设计说明书1份(10-15页要求附说明简图)四、进度安排基础设计计算——2天装配图底图——3天装配图——1.5天零件图——1.5天说明书(打印)——2天目录一、电动机的选择...怠 (4)二、传动设计 (5)三、带传动的设计 (7)四、齿轮的设计 (10)1.齿轮材料及精度的选择 (10)2. 按齿面接触强度设计 (10)3.确定主要参数及计算主要尺寸 (11)4.齿根弯曲疲劳强度校核 (12)5.齿轮主要参数 (13)五、轴的设计 (14)1.高速(齿轮)轴的设计.................................4 (14)2.低速轴的设计 (15)3.轴上其它零件的设计 (16)4.键的选择校核 (17)5.键的4度校核 (18)6.输出轴的强度校核 (19)六、轴承的校核 (20)七、心得体会...............4 (21)一、电动机的选择1、选择电动机类型按工作要求和工作条件,选用一般用途的Y(IP44)系列三相异步电动机,它为卧式封闭结构。
2、选择电动机的容量卷筒轴的输出功率PW :PW =F·V/1000=4000×1.43/1000=5.72kW电动机输出功率为PdPd=Pw/ηpd传动装装置总效率式中:V带效率1=0.96,滚动轴承效率(二对) 2=0.99,闭式齿轮传动效率(单级,斜齿轮)3=0.97, 弹性联轴器效率4=0.99,滚筒效率5=0.96,则:故 Pd= PW/h=5.72/0.86=6.651kw因载荷平稳,电动机额定功率略大于即可,由《机械设计基础实训指导》附录查的Y系列电动机数据,选电动机的额定功率为7.5kw。
机械设计课程设计说明书目录一课程设计书 2 二设计要求2三设计步骤21. 传动装置总体设计方案 32. 电动机的选择 43. 确定传动装置的总传动比和分配传动比 54. 计算传动装置的运动和动力参数 56. 齿轮的设计 87. 滚动轴承和传动轴的设计 198. 键联接设计 269. 箱体结构的设计 2710.润滑密封设计 3011.联轴器设计 30四设计小结31 五参考资料32一. 课程设计书设计课题:设计一用于带式运输机上的两级齿轮减速器.运输机连续单向运转,载荷有轻微冲击,工作环境多尘,通风良好,空载起动,卷筒效率为0.96(包括其支承轴承效率的损失),减速器小批量生产,使用期限10年(300天/年),三班制工作,滚筒转速容许速度误差为5%,车间有三相交流,电压380/220V。
参数:二. 设计要求1.减速器装配图1张(0号)。
2.零件工作图2-3张(A2)。
3.设计计算说明书1份。
三. 设计步骤1. 传动装置总体设计方案2. 电动机的选择3. 确定传动装置的总传动比和分配传动比4. 计算传动装置的运动和动力参数5. 齿轮的设计6. 滚动轴承和传动轴的设计7. 键联接设计8. 箱体结构设计9. 润滑密封设计10. 联轴器设计1.传动装置总体设计方案:1. 组成:传动装置由电机、减速器、工作机组成。
2. 特点:齿轮相对于轴承不对称分布,故沿轴向载荷分布不均匀,要求轴有较大的刚度。
3. 确定传动方案:考虑到电机转速高,传动功率大,将V带设置在高速级。
其传动方案如下:η2η3η5η4η1I IIIIIIVPdPw图一:(传动装置总体设计图)初步确定传动系统总体方案如:传动装置总体设计图所示。
选择V 带传动和二级圆柱斜齿轮减速器。
传动装置的总效率总η1η为V 带的传动效率, 2η为轴承的效率,3η为对齿轮传动的效率,(齿轮为7级精度,油脂润滑)4η为联轴器的效率,5η为滚筒的效率 因是薄壁防护罩,采用开式效率计算。
机械设计基础案例分析与实例讲解1. 引言机械设计是机械工程的核心领域之一,它涵盖了各种机械设备和系统的设计、分析和优化。
在机械设计过程中,案例分析和实例讲解可以帮助学习者加深对于机械设计原理和方法的理解,并提供实际问题解决的思路和方法。
本文将通过分析两个机械设计案例,结合实际应用,详细介绍机械设计的基础原理、方法和实例应用。
2. 案例一:传动装置设计案例一是一个传动装置的设计问题。
传动装置是机械设备中用于传递动力和运动的关键部件,其设计的合理性直接影响到机械设备的性能和可靠性。
在这个案例中,我们需要设计一台齿轮传动装置,将电机的旋转运动转换为需要的输出转速和转矩。
首先,我们需要确定传动比和输出转矩的要求。
通过分析机械设备的工作原理和负载特点,确定所需的输出转速和转矩。
然后,选择合适的齿轮类型和参数,确保传动装置满足传动比和输出转矩要求。
在设计过程中,需要考虑齿轮的强度、噪声和传动效率等因素,并进行相应的计算和分析。
接下来,进行传动装置的制图和CAD建模。
通过使用计算机辅助设计软件,将传动装置的设计绘制成详细的图纸和三维模型。
这些图纸和模型将作为制造和装配的依据,并在后续的工程实施中发挥重要作用。
最后,进行传动装置的实际制造和装配。
基于前期的设计和制图,制造各个零部件并进行装配。
在装配过程中,需要确保各个零部件的配合精度和运动精度,以保证传动装置的性能和可靠性。
完成装配后,对传动装置进行实验和测试,验证设计的准确性和可行性。
3. 案例二:结构分析与优化案例二是一个机械结构的分析与优化问题。
机械结构是机械设备中用于支撑和传递负载的组成部分,其设计的合理性和强度是保障机械设备安全可靠运行的关键。
在这个案例中,我们需要对一个机械结构进行有限元分析,并优化结构设计,提高其强度和刚度。
首先,根据机械设备的工作原理和负载特点,建立机械结构的有限元模型。
通过将机械结构分割为有限个单元,构建有限元模型,并指定材料特性、加载条件和边界条件。
带式输送机传动装置的设计已知条件:1.运输工作拉力:F =2.运输带工作速度:V= ±5%3.滚筒直径:D=工作情况:两班制,连续单向运动室内工作,载荷较平稳。
工作环境:室内,空载启动,环境最高温度40°C左右。
6.使用折旧期:10年,每年300天。
制造条件及生产批量:一般机械厂制造,小批量生产。
表3 带式输送机设计数据(三)表4带式输送机设计数据(四)机械设计基础课程设计设计题目内装1.2.3.电子工程学院班级设计者:指导教师:完成日期:年月日成绩重庆信息技术职业学院计算及说明结果••••••••••••••••••••••••••(3)轴的弯曲xAy平面C断面M cz=F Ay×50mm=1490×50 N•mm = 74.5×103N•mmD断面M D z=F By ×65mm = 1740×50 N•mm = 113×103N•mmxAz平面C断面M cy= F A z×50mm = 76×50 N•mm = 3.5×103N•mmD断面M D y = F B z×65mm = 460×65N•mm = 29×103N•mm合成弯矩C断面N•mm= N•mmD断面M D=N•mmN•mm M C=N•mmM DN•m m计算机辅助设计与制造专业课程设计任务书电子工程学院班学生学号课题设计课题:一级减速器编写设计计算说明书的要求和注意事项:每一个自成单元的内容,都应有大小标题,标题应醒目突出。
计算部分的书写只需列出公式,代入有关数据,略去计算过程,直接写出计算结果,并注明计量单位。
计量单位要统一,写法要一致,即全用符号或全用汉字,不能混用。
为了清楚地说明计算内容,应附必要的简图,如传动方案简图;轴的结构、受力、弯矩图和转矩图以及轴承组合形式简图等。
在传动方案简图中,对齿轮、轴等零件应统一编号,以便在计算中称呼或作脚注之用。
课程设计说明书设计名称:机械设计基础题目:带式输送机传动装置一、设计题目带式输送机传动装置二、主要内容运输带工作拉力F=_2400________N运输带工作速度V=_1.5________m/s卷筒直径D=____400_______mm工作条件:1.工作情况:两班制,连续单向运转,载荷较平稳,运输带速度允许误差为+5%;2.使用折旧期:五年;3.动力来源:电力,三相交流,电压380/220V;4.滚筒效率:0.96(包括滚筒与轴承的效率损失)。
表1-2 原始数据参数题号1 2 3 4 5运输带工作拉力F/(KN) 3.2 3.4 3.5 2.8 2.6 运输带工作速度V/(m/s) 1.5 1.6 1.8 1.5 1.4 卷筒直径D/(mm) 400 400 400 450 450参数题号6 7 8 9 10运输带工作拉力F/(N) 2.4 2.2 2.1 3 2.8运输带工作速度V/(m/s) 1.5 1.4 1.5 1.6 1.6 卷筒直径D/(mm) 400 400 500 450 500三、具体要求本课程设计要求在规定的时间内完成以下的任务:(1)绘制减速器装配图1张(A2图纸,手工绘图);(2)零件工作图2张(齿轮、轴、箱体等任选2个,A3图纸,手工或Auto CAD绘图);(3)设计计算说明书1份,约3000字左右。
四、进度安排次序设计内容时间分配(天)1 指导老师介绍课程设计注意事项11周2 拟定设计方案11---12周3 传动件和轴的设计计算12---14周4 画装配图14--15周5 画零件图15---16周6 编写设计说明书17--18周五、成绩评定指导教师签名日期年月日系主任审核日期年月日目录一、设计任务分析………………………………………………………………1.1本课程设计的目的…………………………………………………………1.2本课程设计的内容、任务及要求…………………………………………1.2.1课程设计的内容………………………………………………………1.2.2课程设计的任务………………………………………………………1.2.3课程设计的要求………………………………………………………1.3课程设计的步骤……………………………………………………………1.3.1设计准备工作…………………………………………………………1.3.2总体设计………………………………………………………………1.3.3传动件的设计计算……………………………………………………1.3.4装配草图的绘制………………………………………………………1.3.5装配图的绘制…………………………………………………………1.3.6零件工作图的绘制……………………………………………………1.3.7编写设计说明书………………………………………………………二、带式输送机传动装置总体方案的设计……………………………2.1选择电动机…………………………………………………………………2.1.1选择电动机类型…………………………………………………………2.1.2选择电动机功率…………………………………………………………2.1.3确定电动机转速…………………………………………………………2.2计算总传动比和分配传动比………………………………………………2.2.1计算总传动比……………………………………………………………2.2.2分配传动装置的各级传动比…………………………………………… 2.3 计算传动装置的运动和动力参数……………………………………………2.3.1各轴转速…………………………………………………………………2.3.2各轴的输入功率…………………………………………………………2.3.3各轴的输入转矩…………………………………………………………2.4齿轮的设计……………………………………………………………………三、轴的设计………………………………………………………………………3. 1高速轴的设计………………………………………………………………3.1.1确定轴的最小直径………………………………………………………3.1.2选择轴承…………………………………………………………………3.1.3 轴的结构设计……………………………………………………………3.1.4轴的结构简图……………………………………………………………3. 2低速轴的设计………………………………………………………………3.1.1确定轴的最小直径………………………………………………………3.1.2选择轴承…………………………………………………………………3.1.3 轴的结构设计……………………………………………………………3.1.4轴的结构简图……………………………………………………………四、轴上其他零件的设计………………………………………………………五、输出轴的强度校核…………………………………………………………六、箱体的设计……………………………………………………………………七、总结………………………………………………………………………………八、参考文献………………………………………………………………………一设计任务的分析1.1本课程设计的目的(1)通过课程设计使学生运用机械设计基础课程及有关先修课程的知识,起到巩固、深化、融会贯通及扩展有关机械设计方面知识的作用,树立正确的设计思想。
机械设计基础课程设计2计算说明书设计题目:皮带运输机传动装置学生姓名邬栋权学院名称材料学院专业材控一班学号 3010208200指导教师葛楠2013年 08月 29日《机械设计基础课程设计2》任务书编号2—3— 1(举例)设计题目:皮带运输机传动装置注:传动不逆转,载荷平稳,起动载荷为名义载荷的1.25倍,运输带转速允许误差为±5%。
设计工作量:设计说明书 1份,减速器装配图 1张,减速器零件图 1 张目录1、传动方案拟定 (4)2、电动机的选择 (4)3、计算总传动比及分配各级的传动比 (5)4、运动参数及动力参数计算 (5)5、传动零件的设计计算 (6)6、轴的设计计算 (12)7、滚动轴承的选择及校核计算 (17)8、键联接的选择及计算 (17)9、其他附件的设计 (18)10、箱体其他结构的设计 (18)参考文献 (19)圆周力N dTF t 47.15742==径向力 N tg tg F F t r 06.5732047.1574=⋅=⋅=α 轴向力 N F a 0= 小链轮轴上的力:F Q=1.2F;F=1000*P/V=1000*6.16/1.7=3623.53N; F Q =1.2*3623.53=4348.24N; (1) 绘轴的受力简图,求支座反力1L =110.5 2L =56.5 3L =56.5 a. 垂直面支座反力0=∑B M0)(332=++-L F L L R t AyN 17.3047323=+=L L L F R t Ay0=∑YN R F R Ay t By 29.34717.30471574.47-=-=-=b. 水平面支座反力B =∑M 得,0)(F 2)(321232=++++-+-L L L L F dF L L R Qz r aAzN L L L L L F L F R r Az 55.8089)(23321Qz 2-=++++=得:0=∑ZN F F R R r Az z 5.4462--Q B -==N(2)作弯矩图a. 垂直面弯矩M Y 图l=L4-b=52-18=34mm h=11mm据课本P157式(10-34)得σp=4T/dhl=36.36Mpa<[σp]故该键满足寿命要求;2. 输出轴与小链轮联接用平键联接轴径d1=42mm L1=47mm T=204 N·m 查手册选用A型平键,[σp]取125~150Mp;键10×, GB1096-79l=L1-b=47-10=37mm h=7mm据课本P157式(10-34)得σp=4T/dhl=75.01Mpa<[σp]故该键满足寿命要求;9.其他附件设计1.联轴器选择选用HL7320035014/60306038-⨯⨯TGBJCZC弹性套柱销联轴器.得其许用转速[n]=5000r/min,n1=1440r/min<[n] ,故其满足要求;2.轴承盖选择(输出轴)选用凸缘式轴承盖,用灰铸铁HT200制造,用螺钉固定在箱体上。
例 1设计用于带式输送机传动装置的闭式单级直齿圆柱齿轮传动。
传递功率P=2.7kW,小齿轮转速n1=350r/min,传动比 i=3.57。
输送机工作平稳,单向运转,两班工作制,齿轮对称布置,预期寿命10 年,每年工作 300 天。
解: 1. 选择齿轮精度等级、材料、齿数1)带式输送机属于一般机械,且转速不高,故初选择8级精度。
2)因载荷平稳,传递功率较小,可采用软齿面齿轮。
参考表 5-6,小齿轮选用 45 钢调质处理,齿面硬度 220~250HBS,σHLim1 =595MPa,σF E1=230MPa;大齿轮选用45钢正火处理,齿面硬度170~200HBS,σH Lim2 =520MPa,σ FE2=200MPa。
3)初选小齿轮齿数z1=24,则 z2=iz1=3.57×24=85.68,取 z2=87。
故实际传动比 i=z2/ z1=87/ 24=3.62,与要求的传动比 3.57 的误差小于3%。
对于齿面硬度小于350 HBS 的闭式软齿面齿轮传动,应按齿面接触强度设计,再按齿根弯曲强度校核。
2.按齿面接触强度设计2设计公式 5-48d 12000KT1 u 1 Z E Z H Z 3ud H1)查表 5-8,原动机为电动机,工作机械是输送机,且工作平稳,取载荷系数 K=1.2。
2)小齿轮传递的转矩T1 9550 P95502.773.671N m n1 3503)查表 5-13,齿轮为软齿面,对称布置,取齿宽系数φ=1。
4)查表 5-10,两齿轮材料都是锻钢,故取弹性系数Z E =189.8MPa1/2。
5)两齿轮为标准齿轮,且正确安装,故节点区域系数Z H =2.5,取重合度系数 Z ε=0.9。
6)计算许用接触应力①应力循环次数HLimZ NZ W Z XHSH小齿轮 N 1=60n 1jL h =60×350×1×(2 ×8×300×10)=10.08 ×108大齿轮 N 2= N 1/ i=10.08 ×108/ 3.62=2.78×108②据齿轮材料、热处理以及 N 1、N 2,查接触疲劳寿命系数图表,不允许出现点蚀,得接触疲劳寿命系数Z N1 =1, Z N2 =1,两齿轮均为软齿面故 ZW=1 ,ZX=1 。
机械设计基础课程设计-带式输送机传动装置中的一级圆柱齿轮减速器【专业版】(文档可以直接使用,也可根据实际需要修订后使用,可编辑放心下载)湖南理工职业技术学院机械设计基础课程设计题目:带式输送机的一级减速器年级专业:机械设计与制造1082班学生姓名:指导教师:2009年12月28日机械零件课程设计任务书带式输送机传动装置中的一级圆柱齿轮减速器设计题目:带式输送机传动装置中的一级圆柱齿轮减速器远动简图:原始数据:题号齿形输送带拉力F(N) 输送带速度V(m/s)滚筒直径D(mm)使用年限(年)11/12 直齿/斜齿2830 1.85 420 5工作条件:输送机连续工作,单向运转,载荷变化不大,空载起动,两班制工作,输送带速度容许误差为±5%,减速器批量生产。
设计工作量1、减速器装配图1张2、零件工作图2-3张3、设计说明书约5000-7000目录第一章总体设计1.1电动机的选择1.2传动比的分配1.3传动方案的选择1.4传动传动装置的运动和动力参数的计算第二章带轮设计2.1计算相应功率2.2V带的选型2.3计算相应参数第三章齿轮设计3.1选取材料3.2查表确定参数3.3计算齿轮的分度圆直径第四章轴的设计4.1计算轴的最小直径4.2根据给出的情况确定轴的直径4.3初步确定轴的尺寸4.4参考资料第五章箱体及其附件的设计第六章润滑和密封件的设计第一章传动装置的总体设计1.1 电动机的选择电动机已经标准化、系列化。
应按照工作机的要求,根据选择的传动方案,选择电动机的类型、容量和转速,并在产品目录中查出其型号和尺寸。
电动机有交流电动机和直流电动机之分,一般工厂都采用三相交流电动机。
交流电动机有异步电动机和同步电动机两类,异步电动机又分为笼型和绕线型两种,其中以普通笼型异步电动机应用最多。
目前应用最广的是Y系列自扇冷式笼型三相异步电动机,其结构简单、起动性能好、工作可靠、价格低廉、维护方便,适用于不易燃、不易爆、无腐蚀性气体、无特殊要求的场合,如运输机、机床、风车、农机、轻工机械等。